《电机与拖动基础》实验教案
- 格式:doc
- 大小:266.52 KB
- 文档页数:18
实验一认识实验一、实验目的1.进行电机实验的安全教育和明确实验的基本要求。
2.认识在直流电机实验中所用的电机、仪表、变阻器等组件。
3.学习并励电动机的接线、起动改变电机转向以及调速的方法。
二、预习要点1.直流电动机起动的基本要求。
2.直流电动机起动时,为什么在电枢回路中需要串接起动变阻器?3.直流电动机起动时,励磁回路串接的磁场变阻器应调至什么位置?为什么?三、实验项目1.了解DSZ—1实验装置中电机试验台D01的直流稳压电源、测功机、变阻器、多量程直流电压电流表D41,电动机D17的使用方法。
2. 直流并励电动机电枢串电阻起动。
3.改变串入电枢回路电阻或改变串入励磁回路电阻时,观察电动机转速变化情况。
四、实验说明及操作步骤1.由实验指导人员讲解电机实验的基本要求,安全操作和注意事项。
介绍实验装置的使用方法。
2.仪表和变阻器的选择仪表的量程是根据电机的额定值和实验中可能达到的最大值来选择。
(1)电压量程的选择如测量电动机两端为220伏的直流电压,选用D41的300伏量程档的直流电压表。
由于电表在满刻度的70%左右测量精度最佳以及用高量程测量低电压时相对误差大,因此不应选用450伏档。
(2)电流量程的选择因为额定电流为1.1安,测量电枢电流的电表可选用D41的2A量程档的直流电流表。
额定励磁电流小于0.16安,电流表2A 选用0.2安量程档。
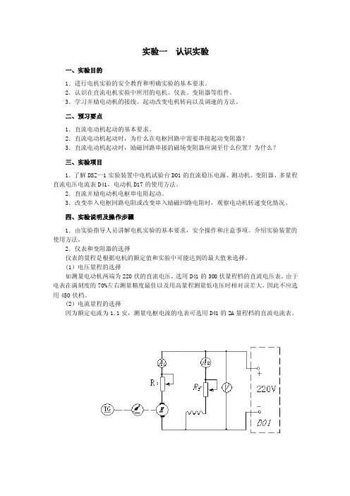
图1—1 直流并励电动机接线图(3)变阻器的选择变阻器选用的原则是根据实验中所需的阻值和流过变阻器最大的电流来确定。
3.直流并励电动机的起动 实验线路图如图1—1所示。
图中为直流并励电动机,选用D17,额定功率W P N 185=,额定电压V U N 220=,额定电流A I N 1.1=,额定转速min /1600r n N =,额定励磁电流A I fN 16.0>。
为测功机,为测速发电机。
直流电压电流表选用D41。
1R 选用阻值为100欧,电流为1.2安的变阻器,作为直流并励电动机的起动电阻。
电机及拖动基础课程设计一、教学目标本课程的教学目标是使学生掌握电机及拖动基础的基本概念、原理和应用,培养学生具备电机的设计、制造、维护和故障诊断的能力。
具体目标如下:1.知识目标:(1)了解电机的基本原理、结构和工作特点;(2)掌握电机的分类、性能和参数;(3)熟悉电机拖动系统的运行原理和控制方法;(4)了解电机及拖动技术在工程中的应用。
2.技能目标:(1)能够运用电机及拖动基础理论分析实际问题;(2)具备电机选型、安装和调试的基本技能;(3)掌握电机运行维护和故障诊断的方法。
3.情感态度价值观目标:(1)培养学生对电机及拖动技术的兴趣和热情;(2)增强学生的工程意识,提高创新能力和团队合作精神;(3)培养学生遵守纪律、严谨治学的学术态度。
二、教学内容本课程的教学内容主要包括电机的基本原理、结构和工作特点,电机的分类、性能和参数,电机拖动系统的运行原理和控制方法,以及电机及拖动技术在工程中的应用。
具体安排如下:1.电机的基本原理、结构和工作特点;2.电机的分类、性能和参数;3.电机拖动系统的运行原理和控制方法;4.电机及拖动技术在工程中的应用;5.电机的设计、制造、维护和故障诊断。
三、教学方法为了实现本课程的教学目标,我们将采用以下教学方法:1.讲授法:通过教师的讲解,使学生掌握电机及拖动基础的基本概念、原理和应用;2.讨论法:引导学生分组讨论,提高学生分析问题和解决问题的能力;3.案例分析法:分析实际案例,使学生了解电机及拖动技术在工程中的应用;4.实验法:进行电机实验,培养学生的动手能力和实践能力。
四、教学资源为了支持本课程的教学内容和教学方法,我们将准备以下教学资源:1.教材:选用权威、实用的教材,如《电机及拖动基础》等;2.参考书:提供相关领域的参考书籍,丰富学生的知识体系;3.多媒体资料:制作精美的课件、视频等多媒体资料,提高学生的学习兴趣;4.实验设备:配备齐全的实验设备,为学生提供动手实践的机会。
《电机与电力拖动基础》实验教学大纲第一篇:《电机与电力拖动基础》实验教学大纲《电机与电力拖动基础》实验教学大纲课程设计名称:电机与电力拖动综合实验课程设计编号:03050512 课程设计学分:1 课程设计周:1周授课单位:信息与通信工程学院电气工程系指导方式:集中指导,分散答疑课程设计适用专业:自动化专业、电气工程及其自动化服务课程名称:电机与电力拖动基础服务课程编号:02050503 服务课程讲课学时:56 服务课程学分:3.5 课程设计教材及主要参考资料:电机与电力拖动基础、电机学一、课程设计教学目的及基本要求:1.本课程设计是为了培养学生的动手能力,对学生的综合运用所学知识进行分析研究和设计也有较高要求,同时也能培养和锻炼学生的动手能力。
2.应掌握直流电机、交流电机和变压器的基本结构、工作原理、分析计算、运行性能、实验方法以及在电力拖动系统中选择电机的原理和方法,了解电机和电力拖动系统今后的发展方向。
考虑到这是一门实践性很强的课程,因此将本课程的实验单列,为学习《自动控制系统》等课程准备必要的基础知识和打下坚实的基础。
二、课程设计的内容及安排本设计的内容涉及到自动控制原理、电力电子技术、电机与电力拖动基础、自动控制系统等课程的内容。
具体的内容包括以下几个方面1.了解直流电机的电枢绕组和直流电机的磁场。
掌握直流电机的基本运行原理和直流电机的基本结构。
2.理解他励直流电动机的启动过程,熟练掌握他励直流电动机启动过程的计算方法,特别是串电阻启动过程的计算方法;理解他励直流电动机的几种制动过程,熟练掌握他励直流电动机几种制动过程的计算方法,以及能量传递过程;熟练掌握他励直流电动机四象限运行的情况。
3.了解变压器的分类、基本结构、额定值;理解变压器的空载运行、变压器的负载运行;掌握变压器的等效电路;变压器的参数测定、标幺值、变压器的运行特性;理解三相变压器和三相变压器的不对称运行;掌握变压器的瞬变过程分析;了解特殊变压器.统的设计。
电机拖动电力电子实验室-综合实验楼三楼326电机与拖动实验的基本要求和安全操作规程为保证同学们的人身安全及实验室设备安全,请同学们在实验开始前认真阅读实验基本要求和安全操作规程,同时预习好单相变压器实验。
1.实验以小组为单位进行,二人一小组。
每班分为11个小组,每个实验做2周,专升本1班第一周先做实验,2班下一周做实验,依次循环。
2.由于是强电实验且接线较复杂,一般尽量以一个动手能力较强的和一个动手能力较弱的为一组,互补学习。
尽量避免两个女生一组。
3.实验报告在做完实验后一周内完成,各位同学按时交给本班学习委员,学习委员将全班实验报告收齐排好序后交实验室,如无故在完成本次实验两周内不交本次实验报告者将按比例扣分,情节严重者停做实验。
电机及拖动基础是一门理论与实践紧密结合的工程技术课程,也是从事电气工程、自动化及其它相关专业技术人员应当具备的基本技能。
电机及拖动实验则是培养电气工程领域技术人员的一个重要环节,为了按时保质保量完成电机及拖动实验,并确保实验时人身与设备的安全,应注意以下事项。
一、实验前的准备1.实验前应复习教材有关章节,认真研读实验指导书,了解实验的目的、原理、内容、方法与步骤。
2.明确实验中要注意的问题,并按照实验项目准备记录抄表等。
3.实验前应写好预习报告,经指导老师检查认为确实做好了实验前的准备,方可开始实验。
认真做好实验前的准备工作,对于培养学生独立工作能力,提高实验质量和保护实验设备都很重要。
二、实验的进行1.建立小组、合理分工每次实验都以小组为单位进行,实验进行中的接线、调节负载、保持电压或电流、记录数据等工作每人应有明确的分工,以保证实验操作协调,记录数据准确可靠。
2.选择组件和仪表实验前先熟悉该次实验所用的组件,记录电机铭牌和选择仪表量程,然后依次排列组件和仪表使用测取数据。
3.依图接线接线布置力求简单明了,设备摆放位置适当,以便于接线,便于操作,便于读数为原则。
接线原则是先串联主回路,后并联支路。
实验一直流电动机一.实验目的1.掌握用实验方法测取直流他励电动机的工作特性和机械特性。
2.掌握直流他励电动机的调速方法。
二.实验内容1.工作特性和机械特性的测定保持U=U N和I f=I fN不变,测取n、T2、n=f(I a)及n=f(T2)。
2.调速特性的测定(1)改变电枢电压调速保持U=U N、I f=I fN=常数,T2=常数,测取n=f(Ua)。
(2)改变励磁电流调速保持U=U N,T2 =常数,R1 =0,测取n=f(I f)。
三.实验原理及实验方法(一)直流电动机的工作特性和机械特性的测定1.什么是直流电动机的工作特性和机械特性?直流电动机的工作特性是指端电压为额定电压,电枢回路无外串电阻,励磁电流为额定励磁电流时,电动机的转速n、电磁转矩T EM效率η与输出功率之间的关系,即n、T2、n=f(I a)。
直流电动机的机械特性是指电动机的、电磁转矩T EM与电动机的转速n之间的关系,即n=f(T em)。
2.实验接线图1-1 直流他励电动机实验接线图3.实验方法(1)直流电机起动将电枢回路电阻R1调至最大,励磁回路电阻R f调至最小,将MEL-13“转速控制”和“转矩控制”选择开关板向“转矩控制”,“转矩设定”电位器逆时针旋到底,即使电动机轻载或空载起动。
(2)电动机转速方向观察MEL-13上转速显示屏,看电动机是否正转。
若电动机反转,应改变电枢电源电压的极性或改变励磁电源电压极性。
(3)工作特性曲线和机械特性曲线的测定①电动机的额定状态的调试直流电机正常起动后,将电枢串联电阻R1调至零,调节直流可调稳压电源的输出至220V,再分别调节磁场调节电阻R f和“转矩设定”电位器,使电动机达到额定值:U=U N=220V,Ia=I N,n=n N=1600r/min,此时直流电机的励磁电流I f=I fN(额定励磁电流)。
②工作特性曲线和机械特性曲线的测定保持U=U N,I f=I fN不变的条件下,逐次减小电动机的负载,即逆时针调节“转矩设定”电位器,测取电动机电枢电流I a、转速n和转矩T2,共取数据7-8组。
电机与拖动基础课程设计课程概述该课程是针对电机及拖动基础的学生所设计的。
本课程将介绍电机的基本原理、类型及其工作原理,并介绍与电机相关的拖动技术及相关软件和工具。
本课程的目的是培养学生对电机的理解及掌握拖动技术,以应用到实际生产中。
课程教学目标1.掌握电机的基本原理及种类。
2.了解电机的工作原理及其在实际应用中的作用。
3.掌握各种拖动技术及其应用。
4.了解相关软件和工具。
课程内容第一章:电机基础1.1 电机介绍1.2 电机的基本原理1.3 电机的种类1.4 电机的工作原理第二章:电机的应用2.1 电机在实际应用中的作用2.2 电机控制系统2.3 电机相关的软件和工具第三章:拖动技术3.1 拖动系统的基本原理3.2 拖动技术的种类3.3 软件和工具的应用第四章:课程设计4.1 实验要求及目的4.2 实验内容及步骤4.3 实验结果分析课程教学方法该课程采取理论教学与实验相结合的方式。
理论教学主要通过教师讲解、课件演示、教材阅读等方式进行;实验教学主要通过实际操作、实验报告等方式进行。
教师将在课程结束前定期进行课程复习与知识点测试。
实验器材和材料1.电机控制器2.电机及驱动器3.拖动器材评分标准1.实验报告 40%2.期末考试 40%3.平时表现 20%总结该课程旨在使学生掌握电机及拖动技术的基本概念,以应用于实际的生产过程中。
在本课程中,我们将介绍电机的基本原理、种类及其应用。
拖动技术将在第三章中进行介绍,并在第四章中设置实验来进行实践操作。
我们期望学生在本课程中获得丰富的知识,掌握实践技巧,为未来的学习和工作奠定坚实的基础。
电机与电力拖动基础教学设计一、教学目标本教学设计的目标是让学生:1.理解电机的基本原理和工作方式2.了解不同种类电机的特点及其应用3.掌握电动机的拖动及其参数计算方法4.学习使用电力拖动系统实现机械动力传递。
二、教学内容及方法1. 电机基础原理1.电机的结构和工作原理2.直流电机的原理和特点3.交流电机的原理和特点4.步进电机的原理和特点教学方法1.示范演示2.图片解说3.电路模拟实验2. 电机拖动及参数计算1.电机的拖动概念2.电机作为机械传动中的元件3.负载特性及其参数计算4.电机的调速方案及其实现教学方法1.数学公式推导2.电路模拟实验3.电脑模拟仿真3. 电力拖动系统设计1.调速控制系统2.电机启动控制系统3.电机制动控制系统教学方法1.组成分析2.电路模拟实验3.电脑模拟仿真三、教学时长该教学设计应在30个学时内完成。
四、教学评估1.课堂测验:每个单元结束后进行一次课堂测验,考试分数占总评分的20%;2.设计作业:学生需独立完成一项小型电机拖动控制系统的设计和模拟,作业占总评分的30%;3.实验报告:学生需撰写一份实验报告,报告占总评分的10%;4.学生参与度:出勤率,课堂表现等占总评分的20%。
五、教学效果通过该教学设计的学习,学生将会掌握电机的基本原理和工作方式,了解不同种类电机的特点及其应用,掌握电动机的拖动及其参数计算方法,学习使用电力拖动系统实现机械动力传递。
同时,学生还将能够进行设计和模拟电机拖动控制系统,具备一定的技术实践能力和创新思维能力。
电机与拖动基础实验指导书目录实验一认识实验-----------------------------------2 实验二直流并励电动机------------------------------- 6 实验三直流串励电动机-------------------------------10 实验四单相变压器-----------------------------------13 实验五三相变压器-----------------------------------20 实验六三相三绕组变压器-----------------------------27 实验七三相鼠笼异步电动机的工作特性---------------- 30 实验八三相异步电动机的起动与调速(综合性实验)------38 实验九三相同步发电机的运营特性 --------------------42实验一认识实验一.实验目的1.学习电机实验的基本规定与安全操作注意事项。
2.结识在直流电机实验中所用的电机、仪表、变阻器等组件及使用方法。
3.熟悉他励电动机(即并励电动机按他励方式)的接线、起动、改变电机方向与调速的方法。
二.预习要点1.如何对的选择使用仪器仪表。
特别是电压表、电流表的量程。
2.直流他励电动机起动时,为什么在电枢回路中需要串联起动变阻器?不连接会产生什么严重后果?3.直流电动机起动时,励磁回路连接的磁场变阻器应调至什么位置?为什么?若励磁回路断开导致失磁时,会产生什么严重后果?4.直流电动机调速及改变转向的方法。
三.实验项目1.了解MEL系列电机系统教学实验台中的直流稳压电源、涡流测功机、变阻器、多量程直流电压表、电流表、毫安表及直流电动机的使用方法。
2.用伏安法测直流电动机和直流发电机的电枢绕组的冷态电阻。
3.直流他励电动机的起动,调速及改变转向。
四.实验设备及仪器1.MEL系列电机系统教学实验台主控制屏(MEL-I、MEL-IIA、B)2.电机导轨及测功机、转速转矩测量(MEL-13)或电机导轨及校正直流发电机3.直流并励电动机M034.220V直流可调稳压电源(位于实验台主控制屏的下部)5.电机起动箱(MEL-09)。
电机拖动基础课程设计一、课程目标知识目标:1. 让学生掌握电机拖动的基本原理,理解电机的工作过程及其在工程中的应用。
2. 使学生能够识别并描述常见类型电机(如直流电机、交流异步机、同步机)的结构与原理。
3. 让学生了解电机拖动系统中控制参数对电机性能的影响。
技能目标:1. 培养学生运用电机拖动基本理论分析和解决实际问题的能力。
2. 使学生能够设计简单的电机拖动控制系统,并进行基本的参数计算。
3. 能够操作常见的电机实验设备,完成基本的电机性能测试。
情感态度价值观目标:1. 培养学生对电机拖动技术的学习兴趣,激发学生探索新技术的热情。
2. 强化学生安全生产和节能减排的意识,让学生了解和关注电机拖动在环保和能源利用方面的社会责任。
3. 培养学生的团队合作精神,通过小组讨论和实验,学会相互协作和交流。
本课程针对高年级学生,课程性质为专业基础课,旨在通过电机拖动基础课程设计,使学生在掌握必要的理论知识的同时,能够结合实际应用,提升解决工程问题的能力。
课程设计考虑了学生的认知特点,注重理论与实践的结合,旨在培养学生成为具有创新意识和实践能力的高级工程技术人才。
通过具体学习成果的分解,教师可进行针对性的教学设计和效果评估。
二、教学内容本章节教学内容主要包括以下几部分:1. 电机拖动基本原理:介绍电机拖动的基本概念、电磁感应定律在电机中的应用,以及电机的工作原理。
2. 常见类型电机结构与原理:详细讲解直流电机、交流异步机、同步机的结构特点、工作原理及其在工程中的应用。
3. 电机拖动系统控制参数分析:探讨电机拖动系统中控制参数(如电压、电流、频率等)对电机性能的影响,以及如何优化这些参数以提高系统性能。
4. 电机拖动控制系统设计:学习电机拖动控制系统的设计方法,包括控制策略、电路设计及参数计算。
5. 电机实验操作与性能测试:教授学生如何操作常见的电机实验设备,完成电机启动、调速、制动等性能测试。
具体教学内容安排如下:第1周:电机拖动基本原理及电磁感应定律在电机中的应用;第2周:直流电机、交流异步机、同步机的结构与原理;第3周:电机拖动系统控制参数分析;第4周:电机拖动控制系统设计方法及实例;第5周:电机实验操作与性能测试。
电机原理与拖动基础教学设计一、引言电机是现代工业中必不可少的基础设备,它广泛应用于工业生产和民用领域。
为了培养学生对电机的认识和理解,设计了一套面向高中物理教学的电机原理与拖动基础教学设计,旨在使学生初步了解电机的基本工作原理及其在工业中的应用以及如何基于拖动设计实现对电动机的控制,具有重大的理论和实际意义。
二、教学内容2.1 电机基本原理电机是利用电磁感应原理而工作的大功率机械,其工作基本原理是电流在磁场中产生转矩,使电机转动。
为了让学生更好地理解电机的工作原理,我们可以通过展示电机元件、模型实验等多种形式来讲解电机的工作原理。
2.2 电机分类根据不同的工作原理,电机可以被分为交流电机和直流电机两类;根据工作需要,电机可以被分为单相电机和三相电机两种形式。
通过讲解电机的分类可以使学生更深入地了解电机的特性和应用领域。
2.3 电机的应用电机被广泛应用于各种工业和民用设备,其中包括电力系统、电动机三元组、电车、电站等。
通过展示一些实际的应用示例,可以帮助学生理解电机的实际应用情况和工程实践。
2.4 活跃电机通过引入特殊的拖动设计,人们可以实现对电机的动力控制,从而实现各种特殊的工程需求。
通过讲解实际案例,让学生理解活跃电机如何实现电力控制。
三、教学方法3.1 课堂教学我们可以通过彩色PPT、电机元件、模型实验等多种形式来讲解电机原理,引导学生对电机原理的深刻理解。
3.2 内容扩展可以将教学复杂性提高一层,加深学生对概念的理解,并将此基础应用到商业中。
比如让学生探讨在现实生活中,手机振动马达的工作原理以及为什么使用振动马达而不是其他形式的马达。
3.3 实验探究我们可以引导学生开展实验,比如介绍和展示电机拆卸以及拼装过程中所需要的技术和工具,让学生对实际操作有所了解,提高他们的实践能力。
3.4 专题探讨可以在课堂上组织学生进行专题讨论,以了解电机在不同应用领域的特殊要求,比如电动汽车和风力涡轮机使用电机的要求和特点等。
电机及拖动基础课程设计一、课程目标知识目标:1. 理解电机的基本工作原理,掌握电机的主要类型及其特点;2. 学习拖动系统的基础知识,了解电机与负载之间的匹配关系;3. 掌握电机的基本参数及其对拖动系统性能的影响;4. 了解电机控制的基本方法及其在拖动系统中的应用。
技能目标:1. 能够分析电机的工作原理,绘制电机结构示意图;2. 学会使用相关工具和仪器进行电机参数的测试,进行基本的性能评估;3. 能够根据实际需求,选择合适的电机并进行简单拖动系统的设计;4. 培养学生动手操作、实验分析的能力,提高解决实际问题的技能。
情感态度价值观目标:1. 培养学生对电机及拖动系统知识的学习兴趣,激发探索精神和创新意识;2. 增强学生对团队合作的认识,培养沟通协调能力和责任心;3. 使学生认识到电机及拖动系统在现代工业中的重要性,增强学生的专业认同感;4. 培养学生节能环保意识,关注电机及拖动系统在绿色制造中的应用。
本课程针对高中年级学生,结合电机及拖动基础课程内容,注重理论与实践相结合。
课程目标旨在使学生在掌握基本知识的基础上,提高解决实际问题的能力,培养创新意识和团队协作精神,为后续学习及未来职业发展奠定基础。
通过对课程目标的分解和实现,教师可进行有效的教学设计和评估,确保教学质量。
二、教学内容1. 电机工作原理及其分类- 介绍电机的基本工作原理,包括电磁感应定律、洛伦兹力等;- 分类介绍常见电机类型,如直流电机、交流电机、步进电机等;- 分析各类电机的结构特点和应用场景。
2. 拖动系统基础知识- 讲解拖动系统的基本概念,包括负载、传动装置等;- 学习电机与负载的匹配原则,了解不同负载特性对拖动系统的影响;- 掌握拖动系统性能参数的计算方法。
3. 电机参数及其影响- 学习电机的主要参数,如额定功率、转速、转矩等;- 分析电机参数对拖动系统性能的影响,如启动、运行、制动等;- 探讨提高拖动系统性能的方法和途径。
学期授课计划说明绪论0.1 电机及电力拖动系统概述一、电机《电机与拖动基础》是把电机学和电力拖动基础两门课程有机结合而成的一门课程。
电机是以电磁感应和电磁力定律为基本工作原理进行电能的传递或机电能量转换的机械装置。
电能易于转换、传输、分配和控制,是现代能源的主要形式。
发电机把机械能转化为电能。
而电能的生产集中在火力、水力、核能和风力发电厂进行。
为了减少输电中的能量损失,远距离输电均采用高电压形式:电厂发出的电能经变压器升压,然后经高压输电线路送达目的地后,再经变压器降压供给用户。
电能转换为机械能主要由电动机完成。
电动机拖动生产机械运转的方式称为电力拖动。
由于电动机的效率高、种类和规格多、具有各种良好的特性,电力拖动易于操作和控制,可以实现自动控制和远距离控制,因此,电力拖动广泛应用于国民经济各领域。
例如各种机床、轧制生产线、电力机车、风机、水泵、电动工具乃至家用电器等,数不胜数。
为了能建立一个感性认识,对电机进行简单的分类如下:在电力拖动自动控制系统中,大量应用控制电机。
控制电机是一种在自动控制、自动调节、随动系统、远距离测量及计算装置中作为执行元件、检测元件的小型电机。
这部分内容将在另外的教材中涉及。
在工业自动化专业与电气工程及自动化专业中,电机与拖动是一门十分重要的专业基础课或技术基础课,它在整个专业教学计划中起着承前启后的作用,是后续课程《自动控制原理》、《电力拖动自动控制系统》、《电力电子技术》等课程的重要基础。
主要研究电机拖动系统的基本理论问题,分析研究直流电机、变压器、异步电动机和同步电动机的简单结构、原理、基本电磁关系和运行特性;并初步联系生产实际,从生产机械工作的要求出发,重点介绍交直流拖动系统的动静态运行特性,为学习自动控制系统等后续专业课打下坚实基础。
因此,课程既具有较强的基础性,又带有专业性。
二、电力拖动简单的电力拖动系统由电源、电动机、传动机构、负载和自动控制装置等部分组成,见图1.1。
《电机与拖动基础》课程教案一、课程代码:二、适用专业:机电设备维修与管理三、课程性质本课程机电类专业的专业基础必修课程。
通过本课程的教学,使学生掌握常用交、直流电机,控制电机及变压器等的基本结构与工作原理、电力拖动系统的运行原理及性能,训练和培养学生使用电机、控制电机和选择电机的能力。
为学生学习后续课程和以及从事与本专业有关的工程技术和科学研究打下必要的基础。
四、课程学分与时数分配《电机与拖动基础》课程共4学分、72学时,安排在第三学期授课。
表1课程学分与时数分配表五、课程设计思路本课程设计的思路为:(1) 本课程以岗位能力需求为导向,以典型生产任务为载体,设计教学项目和学习任务, 将电机与拖动基础的单元技术组装到具体生产服务工作中。
通过实施项目化教学,提高学生的学习兴趣,有效地培养和提高学生在电机与拖动基础方面的专业能力、方法能力和社会能力,并使学生养成良好的职业态度。
(2) 教学项目按照“从电机到拖动”的实际工作先后顺序进行设计安排,使学生的职业能力培养目标由中级工→高级工→技术主管的方向转变。
(3)以提高学生综合职业能力为目标,组织实施任务驱动教学法、四阶段教学法、引导文教学法、问题探究法、案例法等行动导向的教学模式。
(4)教学评价多元化,终结性评价与过程性评价相结合,老师评价与学生评价相结合,并以过程性评价为主(占60%),即教学效果分别从职业素养养成、项目计划、项目实施、项目评审等多方面,由教师与学生共同评价。
六、课程总体目标(一)知识目标1.熟悉电机的基本公式,等效电路,2.掌握交直流电动机的机械特性和分析电动机运行状态的方法与基本理论。
3.掌握交直流电动机调速的基本原理、方法和经济指标。
4.掌握交直流电动机起动的原理和方法。
5.掌握选择和应用电机的原理与方法。
6.了解电机及电力拖动的发展方向。
(二)能力目标1.能够了解不同电机的工作原理;2. 具有把变压器和三相异步电动机转化为等效电路的能力。
实验一直流电动机一.实验目的1.掌握用实验方法测取直流他励电动机的工作特性和机械特性。
2.掌握直流他励电动机的调速方法。
二.实验内容1.工作特性和机械特性的测定保持U=U N和I f=I fN不变,测取n、T2、n=f(I a)及n=f(T2)。
2.调速特性的测定(1)改变电枢电压调速保持U=U N、I f=I fN=常数,T2=常数,测取n=f(Ua)。
(2)改变励磁电流调速保持U=U N,T2 =常数,R1 =0,测取n=f(I f)。
三.实验原理及实验方法(一)直流电动机的工作特性和机械特性的测定1.什么是直流电动机的工作特性和机械特性?直流电动机的工作特性是指端电压为额定电压,电枢回路无外串电阻,励磁电流为额定励磁电流时,电动机的转速n、电磁转矩T EM效率η与输出功率之间的关系,即n、T2、n=f(I a)。
直流电动机的机械特性是指电动机的、电磁转矩T EM与电动机的转速n之间的关系,即n=f(T em)。
2.实验接线图1-1 直流他励电动机实验接线图3.实验方法(1)直流电机起动将电枢回路电阻R1调至最大,励磁回路电阻R f调至最小,将MEL-13“转速控制”和“转矩控制”选择开关板向“转矩控制”,“转矩设定”电位器逆时针旋到底,即使电动机轻载或空载起动。
(2)电动机转速方向观察MEL-13上转速显示屏,看电动机是否正转。
若电动机反转,应改变电枢电源电压的极性或改变励磁电源电压极性。
(3)工作特性曲线和机械特性曲线的测定①电动机的额定状态的调试直流电机正常起动后,将电枢串联电阻R1调至零,调节直流可调稳压电源的输出至220V,再分别调节磁场调节电阻R f和“转矩设定”电位器,使电动机达到额定值:U=U N=220V,Ia=I N,n=n N=1600r/min,此时直流电机的励磁电流I f=I fN(额定励磁电流)。
②工作特性曲线和机械特性曲线的测定保持U=U N,I f=I fN不变的条件下,逐次减小电动机的负载,即逆时针调节“转矩设定”电位器,测取电动机电枢电流I a、转速n和转矩T2,共取数据7-8组。
实验一直流发电机的实验研究一、实验目的1.熟悉直流发电机的工作原理。
2.掌握用实验方法测定空载特性。
二、实验内容1.熟悉直流机组的结构和外形,由标牌了解直流电机的额定参数。
2.熟悉他励和并励直流发电机实验电路的组成及其工作原理。
3.他励直流发电机空载特性的测定,(含E0=f(n)特性)。
三、实验设备与仪器1.实验台主体及主控电路——DD03、DD06、DD07、DD09、DSM00等单元。
2.由给定单元挂箱DSG01的DG01、触发单元挂箱ⅡDST02的DT04及可控硅主电路挂箱DSM01等几部分组成可调交流调压电源。
3.直流发电机-电动机组——DD13、14及DD02单元。
4.可调恒压源——DD10单元。
5.可调功率电阻挂箱(DSM09)上两个瓷盘电阻。
6.数字万用表、电压、电流表等。
四、实验电路的组成“直流发电机系统”实验研究的基本内容包括:实验电路的组成、直流机组额定参数读取、测定直流发电机的空载特性、外特性。
“驱动电动机”电枢的“可调交流调压电源”由给定单元挂箱(DSG01)的DG01单元、触发单元挂箱Ⅱ(DST02)的DT04单元及可控硅主电路挂箱(DSM01)及主控柜四部分组成供电系统,其电路接线如图1-1,图1-2所示,直流发电机电枢可以采用“直流驱动”,也可以采用“交流驱动”。
本实验采用“交流驱动”方式测试E0=f(n)特性,如图1-3所示。
发电机的励磁,由“可调恒压电源(DD10)”提供。
发电机的负载(空载及连续可变负载)由刀开关Q1选择,励磁方式(并励、他励)由刀开关Q2切换。
请特别注意:实验前务必确保给电枢供电的“可调交流调压电源”的输出电压调至最低(0V),实验时缓缓增大输出,直至额定转速,以防止“驱动电动机”过流。
图1-1 三相晶闸管交流调压电路图1-2 三相异步电动机的星行启动线路图1-3 他励直流发电机实验电路五、实验步骤与方法(一)直流机组额定参数的读取观察“交流电动机-直流发电机-组”外形和组成,查看机组各组成部分的电机名牌,读取相关数据录于表1-1。
电机与拖动基础教学设计引言电机与拖动作为机电一体化领域的核心技术,是制造业中必不可少的技术。
在开展相关学科的教学时,除了理论方面的教学,教师还需要引导学生通过实践,掌握该技术的基本原理和应用方法。
因此,在教学中设计相应的实践教学环节十分必要。
本文以大学机电类专业为例,阐述了电机与拖动基础教学的设计思路,包括教学目的、教学内容和教学方法等方面的内容,旨在帮助教师更好地进行电机与拖动相关课程的教学。
教学目的1.掌握电机基本原理和分类;2.理解拖动装置的作用;3.学习电机驱动控制技术的基本方法;4.实践制作一个简单的拖动装置。
教学内容预习在开展实践教学前,教师需要先让学生了解电机与拖动相关的知识,包括:1.电机基本原理及分类;2.拖动装置的作用;3.电机驱动控制技术的基本原理;4.基本的制作电路知识。
实践环节设计实验背景学生作为一名将要成为机电工程师的学生,需要熟练地掌握电机与拖动相关技术的基本理论和应用方法。
因此,通过实践设计一个简单的拖动装置,帮助学生进一步加深对电机与拖动的理解和掌握。
实验要求1.学生需自己设计并制作一个简单的拖动装置,具体可根据学生的专业方向和兴趣进行设计;2.学生需要自行采购材料,并进行装配;3.学生需要使用简单的电路和电机控制相关知识来控制所制作的拖动装置;4.学生需在规定的时间内完成实验,并进行现场展示和演示。
实验内容实验设计如下:1.制作拖动装置,选用一个电机作为驱动源;2.选用适当的动力传递方式,将电机的旋转运动转化为直线运动;3.使用电路控制方式控制电机的启停和方向;4.编写程序进行控制,实现控制拖动装置的移动,可根据需要设置多个不同的运动模式。
实验要点1.设计并制作拖动装置,需考虑电机的安装方式、动力传递方式、外壳结构、连接电线等方面的因素;2.选用合适的电机控制方法,可选用开关控制、软启动控制、PWM控制等控制方式;3.编写控制程序,控制电机的启停、速度和方向,可使用Arduino等开发板编写。
实验一直流电动机一.实验目的1.掌握用实验方法测取直流他励电动机的工作特性和机械特性。
2.掌握直流他励电动机的调速方法。
二.实验内容1.工作特性和机械特性的测定保持U=U N和I f=I fN不变,测取n、T2、n=f(I a)及n=f(T2)。
2.调速特性的测定(1)改变电枢电压调速保持U=U N、I f=I fN=常数,T2=常数,测取n=f(Ua)。
(2)改变励磁电流调速保持U=U N,T2 =常数,R1 =0,测取n=f(I f)。
三.实验原理及实验方法(一)直流电动机的工作特性和机械特性的测定1.什么是直流电动机的工作特性和机械特性?直流电动机的工作特性是指端电压为额定电压,电枢回路无外串电阻,励磁电流为额定励磁电流时,电动机的转速n、电磁转矩T EM效率η与输出功率之间的关系,即n、T2、n=f(I a)。
直流电动机的机械特性是指电动机的、电磁转矩T EM与电动机的转速n之间的关系,即n=f(T em)。
2.实验接线图1-1 直流他励电动机实验接线图3.实验方法(1)直流电机起动将电枢回路电阻R1调至最大,励磁回路电阻R f调至最小,将MEL-13“转速控制”和“转矩控制”选择开关板向“转矩控制”,“转矩设定”电位器逆时针旋到底,即使电动机轻载或空载起动。
(2)电动机转速方向观察MEL-13上转速显示屏,看电动机是否正转。
若电动机反转,应改变电枢电源电压的极性或改变励磁电源电压极性。
(3)工作特性曲线和机械特性曲线的测定①电动机的额定状态的调试直流电机正常起动后,将电枢串联电阻R1调至零,调节直流可调稳压电源的输出至220V,再分别调节磁场调节电阻R f和“转矩设定”电位器,使电动机达到额定值:U=U N=220V,Ia=I N,n=n N=1600r/min,此时直流电机的励磁电流I f=I fN(额定励磁电流)。
②工作特性曲线和机械特性曲线的测定保持U=U N,I f=I fN不变的条件下,逐次减小电动机的负载,即逆时针调节“转矩设定”电位器,测取电动机电枢电流I a、转速n和转矩T2,共取数据7-8组。
(二)直流电动机调速特性的测定1.直流电动机调速原理是什么?调速方法有哪些?根据电动机的转速表达式n=(U-IR)/C eΦ,其中电枢电流I主要是由负载决定,因此只要改变该表达式中的参数U、R、Φ三个参数,就可以改变电动机的转速,相应就有三种调速方法:降低电源电压调速、电枢回路串电阻调速和弱磁调速。
2.实验方法(1)降低电源电压调速按上述方法起动直流电机后,将电阻R1调至零,并同时调节负载,电枢电压和磁场调节电阻R f,使电机的U=U N,I a=0.5I N,I f=I fN,记录此时的T2。
保持T2不变,I f=I fN不变,逐次增加R1的阻值,即降低电枢两端的电压U a,R1从零调至最大值,每次测取电动机的端电压U a,转速n和电枢电流I a,共取7-8组数据。
(2)弱磁调速直流电动机起动后,将电枢调节电阻和磁场调节电阻R f调至零,调节可调直流电源的输出为220V,调节“转矩设定”电位器,使电动机的U=U N,I a=0.5I N,记录此时的T2。
保持T2和U=U N不变,逐次增加磁场电阻R f阻值,直至n=1.3n N(或R f阻值最大),每次测取电动机的n、I f和I a,共取7-8组数据。
四.实验要求1.由表1-1计算出 P 2和η,并绘出n 、T 2、η=f(I a )及n=f(T 2)的特性曲线。
电动机输出功率:P 2=0.105nT 2电动机输入功率:P 1=UI电动机效率:η=12P P ×100% 电动机输入电流:I =I a +I fN由工作特性求出转速变化率:Δn= NN O n n n ×100% 2.绘出他励电动机调速特性曲线n=f(U a )和n=f(I f )。
分析在恒转矩负载时两种调速的电枢电流变化规律以及两种调速方法的优缺点。
实验二单相变压器一.实验目的1.通过空载和短路实验测定变压器的变比和参数。
二.实验内容1.空载实验测取空载特性U O=f(I O),P O=f(U O)。
2.短路实验测取短路特性U K=f(I K),P K=f(I K)。
三.实验原理所谓空载是指变压器的一个绕组加上交流电压,另一个绕组开路。
从空载实验可以测定变压器的变比K、铁耗p Fe以及等效电路中的励磁阻抗Z m。
空载实验在变压器的一次侧、二次侧都可以进行,通常为了安全起见,一般在低压侧进行。
不过要将低压侧所测得的Z m标在高压侧的等效电路中,还必须归算到高压侧,即乘以变比K的平方。
所谓短路是指变压器的一个绕组加上交流电压,另一个绕组短路。
为了便于测量,一般在高压侧加电压,低压侧开路。
四.实验步骤(一)空载实验断开电源,按实验线路图2-1接线图2-1 单相变压器空载实验接线图变压器T选用MEL-01三相组式变压器中的一只或单独的组式变压器。
实验时,变压器低压线圈2U1(a)、2U2(x)接电源,高压线圈1U1(A)、1U2(X)开路。
A、V1、V2分别为交流电流表、交流电压表,W为功率表。
经老师检查无误后,按以下步骤操作:a.在三相交流电源断电的条件下,将调压器旋钮逆时针方向旋转到底。
并合理选择各仪表量程。
变压器T额定容量P N=77W,U1N/U2N=220V/55V,I1N/I2N=0.35A/1.4Ab.合上交流电源总开关,即按下绿色“闭合”开关,顺时针调节调压器旋钮,使变压器空载电压U0=1.2U Nc.然后,逐次降低电源电压,在1.2~0.5U N的范围内;测取变压器的U0、I0、P0,共取6~7组数据,记录于表2-1中。
其中U=U N的点必须测,并在该点附近测的点应密些。
为了计算变压器的变化,在U N以下测取原方电压的同时测取副方电压,。
e.测量数据以后,断开三相电源,以便为下次实验作好准备。
(二)短路实验断开电源,按实验线路图2-2接线图2-2 单相变压器短路实验接线图实验时,变压器T的高压线圈接电源,低压线圈直接短路。
A、V、W分别为交流电流表、电压表、功率表,选择方法同空载实验。
经老师检查无误后,按以下步骤操作:a.断开三相交流电源,将调压器旋钮逆时针方向旋转到底,即使输出电压为零。
b.合上交流电源绿色“闭合”开关,接通交流电源,逐次增加输入电压,直到短路电流等于1.1I N为止。
在0.5~1.1I N范围内测取变压器的U K、I K、P K,共取6~7组数据,其中I=I K的点必测。
并记录实验时周围环境温度(℃)。
五.注意事项1.在变压器实验中,应注意电压表、电流表、功率表的合理布置。
为了降低测量的误差,空载和短路实验中,各种仪表的接法不一样。
因为空载实验时,二次侧开路,二次电流很小,使得一次电流也很小,为减小误差,安培表靠近绕组。
在短路实验中,二次侧短路,电压很小,电压表靠近绕组。
2.短路实验操作要快,否则线圈发热会引起电阻变化。
3.短路实验时,因为二次侧短路,在一次侧加额定电压是不允许的,否则会导致一次、二次电流过大,烧毁绕组。
因而短路实验时,在一次侧所加的电压必须降低,通常使一次、二次电流达到额定值为止。
这时一次侧所加的电压约为其额定电压的5﹪-10﹪。
六.实验报告要求1.计算变比由空载实验测取变压器的原、副方电压的三组数据,分别计算出变比,然后取其平均值作为变压器的变比K 。
K=U 1U1.1U2/U 2U1.2U22.绘出空载特性曲线和计算励磁参数(1)绘出空载特性曲线U O =f(I O ),P O =f(U O ),O ϕcos =f(U O )。
式中:OO O o I U P =ϕcos (2)计算励磁参数从空载特性曲线上查出对应于Uo=U N 时的I O 和P O 值,并由下式算出激磁参数2o o m I P r = oo m I U Z = 22m m m r Z X -= 3.绘出短路特性曲线和计算短路参数(1)绘出短路特性曲线U K =f(I K )、P K =f(I K )、K ϕcos =f(I K )。
(2)计算短路参数。
从短路特性曲线上查出对应于短路电流I K =I N 时的U K 和P K 值,由下式算出实验环境 温度为θ(O C )短路参数。
KK K I U Z =' 2'KK K I P r = 2'2''K K r Z X K -=折算到低压方2'KZ Z K K =, 2'Kr r KK =,2'K X X K K = 由于短路电阻r K 随温度而变化,因此,算出的短路电阻应按国家标准换算到基准工作温度75OC 时的阻值。
θθ++=5.234755.23475K o r C K r 27575K C K C O K X r Z O += 式中:234.5为铜导线的常数,若用铝导线常数应改为228。
阻抗电压%10075⨯=N C K N K U Z I U o %10075⨯=N C K N Kr U r I U o%100⨯=NK N KX U X I U I K = I N 时的短路损耗C K NKN O r I p 752= 4.利用空载和短路实验测定的参数,画出被试变压器折算到低压方的“Γ”型等效电路。
实验三三相变压器一.实验目的1.掌握用实验方法测定三相变压器的极性。
2.掌握用实验方法判别变压器的联接组。
二.实验项目1.测定极性2.连接并判定以下联接组(1)Y/Y-12(2)Y/Y-6(3)Y/Δ-11(4)Y/Δ-5三.实验原理三相变压器绕组的联结不仅仅是组成电路系统的问题,而且关系到变压器电磁量中的谐波问题,以及如并联运行等一些运行问题。
对于三相变压器的联结组别,一般采用“时钟表示法”来判别,具体步骤:(1)在三相变压器的高低压绕组接线图上标出各相电动势和线电动势。
(2)画出高压绕组的电动势相量图。
(3)将A与a重合,根据同一接线柱上高低压绕组的相位关系,画出低压绕组电动势相量图。
(4)根据线电动势E AB 和线电动势E ab的相位关系,采用“时钟表示法”来判别三相变压器的联结组别。
四.实验方法1.测定原、副方极性图3-1 测定原副方极性接线图a .暂时标出三相低压绕组的标记2U1(a)、2V1(b)、2W1(c)、2U2(x)、2V2(y)、2W2(z),然后按照图3-1接线。
原、副方中点用导线相连。
b .高压三相绕组施加约50%的额定电压,测出电压U 1U1.1U2 (U A .X ) 、U 1V1.1V2(U B .Y ) 、U 1W1.1W2(U C .Z ) 、U 2U1.2U2(U a .x )、U 2V1.2V2(U b .y )、U 2W1.2W2(Uc .z )、U 1U1.2U1(U A .a )、U 1V1.2V1(U B .b )、U 2W1.2W1(U C .c ),若U 1U1.2U1=U 1U1.1U2-U 2U1.2U2(U A .a =U A .X -U a .x ),则U 相高、低压绕组同柱,并且首端1U1(A)与2U1(a)点为同极性;U 1U1.2U1=U 1U1.1U2 +U 2U1.2U2(U A .a =U A .X +U a .x ),则1U1(A)与2U1(a)端点为异极性。