衡器检定规程
- 格式:docx
- 大小:17.47 KB
- 文档页数:1
适用于公司在用的衡器(中准确度级别/Ⅲ类)。
正文4.1术语4.1.1最大秤量:不计添加皮重时的最大称量能力。
4.1.2最小秤量:小于该载荷值时称量结果可能产生过大的相对误差。
4.1.3称量范围:最小秤量和最大秤量之间的范围。
4.1.4实际分度值d :相邻两个示值之差,以质量单位表示的值。
4.2校验前准备4.2.1外观检查:检定前应对天平进行下述的目测检查。
4.2.1.1确认计量特征:准确度等级、最小秤量、最大秤量、实际分度值d 。
4.2.1.2标记:应具有法制计量管理标志(计量合格证),且在有效期内。
4.2.1.3衡器的使用条件和地点是否合适。
4.3校验内容4.3.1日常校验:每天使用前,按称量范围要求对衡器进行校验,各载荷点的示值误差应不超过相应载荷的最大允许误差要求。
4.3.1.1载荷点选择:零位(空载时)、测试重量1、2(重量1应≤当天最小称量值;重量2应≥当天最大称量值)。
4.3.1.2载荷位置:秤盘表面的中心位置。
4.3.2定期校验:每季度对在用的衡器校验一次。
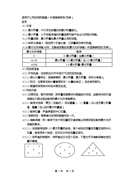
4.3.2.1偏载误差:同一载荷下在不同位置的示值误差必须满足相应载荷最大允许误差的要求。
4.3.2.1.1试验载荷选择1/3最大秤量的砝码。
单个砝码应放置在测量区域的中心位置,若使用多个砝码,应均匀分布在测量区域内。
4.3.2.1.2按秤盘的表面积,将秤盘划分为四个区域,下图为天平偏载误差检定位置示意图。
4.3.2.2重复性:同一载荷多次测量结果的差值(选择示值最大误差与示值最小误差的差值)不得大于该载荷点下最大允许误差的绝对值。
4.3.2.2.1试验载荷应选择80%~100%最大秤量的砝码,测试次数不少于6次。
4.3.2.2.2测量中每次加载前应置零。
4.3.2.3示值误差:合格标准加载或卸载时,各载荷点的示值误差应不超过相应载荷的最大允许误差要求。
4.3.2.3.1测试时,载荷从零载荷开始,逐渐的往上加载,直至加到最大秤量,然后逐渐的卸下载荷,直到零载荷为止。
衡器检定实施细则一、引言衡器检定是指对衡器进行检测、校准和评定的过程,以确保其准确度和可靠性。
衡器检定实施细则旨在规范衡器检定的程序和要求,保证衡器检定工作的科学性和规范性。
二、适合范围本实施细则适合于各类衡器的检定工作,包括但不限于电子衡器、机械衡器、天平等。
三、术语和定义1. 衡器:指用于测量物体质量的设备,包括电子衡器、机械衡器、天平等。
2. 检定:指对衡器进行检测、校准和评定的过程。
3. 检定员:指具备相应资质和技能,从事衡器检定工作的人员。
四、检定准备1. 检定设备准备:确保检定设备的准确度和可靠性,包括校准仪器、标准物质等。
2. 检定环境准备:提供适宜的检定环境,包括温湿度控制、电磁干扰防护等。
五、检定程序1. 检定前准备:包括对待检衡器的外观检查、功能测试等。
2. 检定方法选择:根据衡器的类型和检定要求,选择合适的检定方法。
3. 检定过程:根据选定的检定方法,进行检定操作,记录相关数据和结果。
4. 检定结果评定:根据检定数据和标准要求,对检定结果进行评定。
5. 检定报告编制:根据检定结果,编制检定报告,包括衡器的基本信息、检定数据、评定结果等。
六、检定要求1. 准确度要求:衡器的检定结果应符合国家和行业标准的要求。
2. 可靠性要求:检定结果应具有可重复性和可比性,确保衡器的稳定性和可靠性。
3. 检定周期:根据衡器的使用频率和重要性确定检定周期,确保衡器的准确度和可靠性。
七、检定记录和报告1. 检定记录:对每次检定过程中的操作、数据和结果进行记录,确保检定过程的可追溯性。
2. 检定报告:对每次检定结果进行编制,包括衡器的基本信息、检定数据、评定结果等,确保检定结果的可读性和可理解性。
八、检定质量控制1. 检定员资质要求:检定员应具备相应的专业知识和技能,并持有相关的检定员资质证书。
2. 检定设备管理:对检定设备进行定期校准和维护,确保其准确度和可靠性。
3. 质量管理体系:建立衡器检定的质量管理体系,包括文件管理、流程控制等,确保检定工作的规范性和一致性。
重力式自动衡器检定规程
1. 设备准备和校准,在进行检定之前,需要对重力式自动衡器
进行准备和校准。
这包括检查设备的外部和内部状态,确保其各个
部件的正常工作和状态良好。
同时,需要进行校准操作,以确保设
备的测量结果准确可靠。
2. 检定标准和要求,重力式自动衡器的检定需要符合一定的标
准和要求。
这些标准和要求可能来自于国家相关的法规和标准,也
可能是针对具体行业或应用领域的标准。
检定规程会明确列出所需
符合的标准和要求,并确保检定过程中的操作和结果符合这些标准
和要求。
3. 检定过程,检定规程会详细描述重力式自动衡器的检定过程,包括所需的操作步骤、测量方法、数据记录和处理等。
这些步骤需
要严格执行,以确保检定结果的准确性和可靠性。
4. 检定结果评定,检定规程会对检定结果的评定标准进行说明,包括允许的误差范围、判定标准等。
通过对检定结果的评定,可以
判断重力式自动衡器是否符合要求,以及是否需要进行校正或维护。
5. 记录和报告,检定规程还会要求对检定过程中的相关数据进
行记录和报告。
这些记录包括设备的状态、操作过程中的数据和结
果等。
通过这些记录和报告,可以追溯检定过程,确保其可追溯性
和透明性。
总的来说,重力式自动衡器检定规程是为了确保设备的测量结
果准确可靠,需要从设备准备和校准、检定标准和要求、检定过程、检定结果评定以及记录和报告等多个方面进行规范和要求。
这样才
能保证重力式自动衡器在使用过程中能够达到准确测量物体质量的
要求。
衡器计量检定规程
衡器计量检定规程
衡器是广泛应用于生产、科研、质检、医疗等领域的一种重要的计量设备。
由于其精密度高、可靠性强等特点,因此在使用过程中需要对其进行规范的计量检定。
以下是衡器计量检定的规程。
一、检定前准备
1.检定前需确定检定的衡器型号和规格、精度等参数。
2.将检定的衡器从使用环境中拆卸并清洗干净。
3.检查衡器外观是否完好并检查重要部位的功能是否正常。
二、检定方法
1.检定范围
根据衡器的型号和精度,选择合适的检定器具,并按照要求建立检定台账。
2.测量不确定度的计算方法
在进行检定时,需要确定测量不确定度,避免测量误差的影响。
计算方法为:
U = k × (C2 + L2)1/2
其中,U表示测量不确定度;k表示覆盖系数,通常取2;C表示仪器
标准差;L表示仪器指示误差。
3.检定精度要求
在进行衡器计量检定时,应根据衡器的精度要求,选取合适的防风罩、温度计和平衡器,保持环境温度和湿度稳定,并严格按照操作要求进
行调整和校准。
4.检定结果评定
衡器计量检定合格的标准为:检定误差不大于衡器相应精度的1/3。
三、检定报告
1.检定报告要包含以下内容:
衡器型号、序列号、检定日期、检定人员名称、检定器具名称、检定
结果,以及检定结论。
2.对检定结果若不符合规定,应说明原因并提出更正和改善方法。
以上是衡器计量检定规程的相关内容。
在实际操作中,需要严格按照
流程要求进行操作,以确保检定结果的准确性和可靠性。
衡器检定作业指导书一、引言衡器检定是指对衡器进行定期检验和校准,以确保其测量结果的准确性和可靠性。
本作业指导书旨在提供衡器检定的详细步骤和操作规范,以保证检定工作的准确性和一致性。
二、检定准备1. 确定检定的衡器类型和规格,并准备相应的检定设备和工具。
2. 检查衡器的外观和机械结构,确保其无损坏或变形。
3. 清洁衡器,包括移除灰尘、污垢和杂质。
三、检定步骤1. 零点检定a. 将衡器放置在水平台面上,确保其稳定。
b. 将衡器调整到零位,记录零点读数。
c. 重复以上步骤多次,计算平均零点读数。
2. 线性度检定a. 在衡器的量程内,选择多个测试点。
b. 将相应的质量放置在衡器上,记录读数。
c. 根据读数和质量值计算相应的线性度误差。
d. 根据线性度误差,判断衡器是否符合规定的准确性要求。
3. 灵敏度检定a. 在衡器的量程内,选择多个测试点。
b. 将相应的质量放置在衡器上,记录读数。
c. 根据读数和质量值计算相应的灵敏度误差。
d. 根据灵敏度误差,判断衡器是否符合规定的准确性要求。
4. 重复性检定a. 在衡器的量程内,选择多个测试点。
b. 将相应的质量放置在衡器上,记录读数。
c. 根据读数计算重复性误差。
d. 根据重复性误差,判断衡器是否符合规定的准确性要求。
5. 温度效应检定a. 在不同的温度下进行衡器的检定。
b. 测量不同温度下的读数,并计算温度效应误差。
c. 根据温度效应误差,判断衡器是否符合规定的准确性要求。
6. 湿度效应检定a. 在不同的湿度条件下进行衡器的检定。
b. 测量不同湿度下的读数,并计算湿度效应误差。
c. 根据湿度效应误差,判断衡器是否符合规定的准确性要求。
7. 报告编写a. 将检定结果记录在检定报告中,包括衡器的型号、规格、检定日期和检定人员等信息。
b. 根据检定结果,判断衡器是否符合规定的准确性要求。
c. 如衡器不符合要求,记录具体的误差值和偏差,并提出相应的校准建议。
四、安全注意事项1. 操作人员应穿戴适当的防护装备,如手套和安全眼镜。
衡器检定实施细则引言概述:衡器检定是确保衡器准确度和可靠性的重要环节,而衡器检定实施细则则是指导衡器检定工作的具体规范和要求。
本文将从五个大点来阐述衡器检定实施细则的内容,包括检定对象、检定方法、检定准则、检定周期和检定记录。
正文内容:1. 检定对象1.1 衡器检定对象的分类:根据衡器的类型和用途,将衡器分为电子衡器、机械衡器、车辆衡器等多个类别。
1.2 衡器检定对象的要求:根据国家相关标准,对不同类型的衡器,有不同的检定要求,包括最大允许误差、灵敏度、重复性等指标。
2. 检定方法2.1 检定方法的选择:根据衡器的类型和特点,选择合适的检定方法,包括静态检定、动态检定、比较检定等。
2.2 检定设备的选择:根据检定方法的要求,选择适当的检定设备,如标准质量、校准器等。
2.3 检定过程的要求:确保检定过程的准确性和可靠性,包括环境条件、操作规范、数据处理等方面的要求。
3. 检定准则3.1 国家标准的要求:根据国家相关标准,确定衡器的检定准则,包括最大允许误差、重复性等指标。
3.2 衡器制造商的要求:根据衡器制造商的要求,确定衡器的检定准则,包括灵敏度、稳定性等指标。
4. 检定周期4.1 检定周期的确定:根据衡器的使用情况和重要性,确定衡器的检定周期,包括定期检定和不定期检定。
4.2 检定周期的调整:根据衡器的使用情况和检定结果,适时调整衡器的检定周期,确保衡器的准确度和可靠性。
5. 检定记录5.1 检定记录的内容:记录衡器的基本信息、检定方法、检定结果等内容。
5.2 检定记录的保存:根据国家相关要求,保存衡器的检定记录,确保检定结果的可追溯性和可靠性。
5.3 检定记录的使用:根据衡器的检定记录,评估衡器的准确度和可靠性,为衡器的使用和维护提供依据。
总结:综上所述,衡器检定实施细则涵盖了衡器检定的各个方面,包括检定对象、检定方法、检定准则、检定周期和检定记录。
只有严格按照实施细则的要求进行检定工作,才能确保衡器的准确度和可靠性,为各行业的生产和质量控制提供可靠的衡器支持。
衡器检定作业指导书一、引言衡器检定是指对衡器进行定期检验和校准,以确保其测量结果的准确性和可靠性。
本作业指导书旨在规范衡器检定作业流程,确保检定结果符合相关法规和标准要求。
二、术语和定义1. 衡器:指用于测量物体质量的设备,包括电子秤、机械秤等。
2. 检定:指对衡器进行测量误差、线性度、重复性等方面的测试和校准。
3. 校准:指通过调整衡器的参数或者修复损坏部件,使其满足预定的精度要求。
三、检定前准备1. 确定检定周期:根据衡器的使用频率和精度要求,确定检定周期,普通为一年。
2. 准备检定设备:包括标准物体、温湿度计、电压表等。
3. 检查衡器状态:检查衡器外观是否完好,是否有损坏或者变形情况。
4. 清洁衡器:使用适当的清洁剂清洁衡器,确保其表面干净。
四、检定流程1. 校准前准备a. 确定校准方法:根据衡器类型和精度要求,选择合适的校准方法。
b. 校准环境准备:确保校准环境温度稳定,无明显震动和干扰。
c. 校准设备准备:根据校准方法准备标准物体、温湿度计等设备。
2. 校准过程a. 零点校准:将衡器置于无荷载状态,调整零点使其指示为零。
b. 量程校准:使用标准物体进行量程校准,记录校准结果。
c. 线性度校准:使用不同质量的标准物体进行线性度校准,记录校准结果。
d. 重复性校准:使用同一质量的标准物体进行多次测量,记录测量结果并计算重复性。
e. 其他校准:根据需要进行其他校准,如温度校准、湿度校准等。
3. 校准结果处理a. 计算误差:根据校准结果计算衡器的测量误差。
b. 判断合格性:根据相关法规和标准要求,判断衡器的校准结果是否合格。
c. 记录校准结果:将校准结果记录在校准报告中,包括衡器信息、校准日期、校准人员等。
五、校准后处理1. 校准报告:将校准结果整理成校准报告,包括衡器信息、校准日期、校准人员、校准结果等信息。
2. 维护保养:根据衡器的使用情况,进行维护保养,包括清洁、润滑、调整等。
3. 校准标识:在衡器上贴上校准标识,标明校准日期和有效期限。
衡器检定实施细则一、引言衡器检定是指对衡器进行检验、校准,以确保其测量结果的准确性和可靠性。
为了规范衡器检定工作,制定本实施细则。
二、检定范围本实施细则适用于所有类型的衡器,包括但不限于电子秤、机械秤、天平等。
三、检定准备1. 检定设备:确保检定设备的准确性和可靠性,包括标准衡器、校准器等。
2. 检定环境:提供稳定的温度、湿度和电磁环境,以确保检定结果的准确性。
3. 检定人员:具备相关的专业知识和技能,经过培训并持有相应的检定资质。
四、检定程序1. 校准前准备:a. 清洁衡器:确保衡器的工作表面干净,无杂质。
b. 检查衡器:检查衡器的外观、显示屏和按键是否正常。
c. 预热衡器:根据衡器的规格和使用要求,进行预热操作。
2. 校准操作:a. 选择标准衡器:根据被检衡器的规格和精度要求,选择合适的标准衡器进行校准。
b. 进行校准:按照衡器的使用说明书和相关标准,进行校准操作,包括调零、调整灵敏度等。
c. 记录数据:记录校准过程中的相关数据,包括衡器的读数、标准衡器的读数等。
3. 校准结果评定:a. 比较测量结果:将被检衡器的测量结果与标准衡器的测量结果进行比较。
b. 判断合格性:根据衡器的精度等级和相关标准,判断被检衡器是否合格。
c. 发布校准证书:对合格的衡器发布校准证书,包括校准日期、校准结果等信息。
五、检定周期1. 定期检定:根据衡器的使用频率和精度要求,制定定期检定计划,一般为每年一次。
2. 特殊情况检定:对于衡器发生故障、维修后、搬迁后等特殊情况,应进行检定。
六、记录和保存1. 检定记录:对每次检定过程中的数据和结果进行记录,包括被检衡器的信息、校准数据等。
2. 检定证书:对合格的衡器发布校准证书,并在证书上记录校准日期、校准结果等信息。
3. 保存期限:检定记录和检定证书应保存至少五年,以备查阅和追溯。
七、质量控制1. 内部质量控制:建立内部质量控制体系,包括校准设备的管理、人员的培训和技术交流等。
衡器检定实施细则一、引言衡器检定是指对衡器进行检验、检测和校准,以保证其测量结果的准确性和可靠性。
本文旨在制定衡器检定的实施细则,以确保检定工作的规范性和科学性。
二、检定范围本实施细则适合于各类衡器的检定,包括但不限于电子天平、机械秤、砝码等。
三、检定机构1. 检定机构应具备相关资质和设备,包括检定人员的资质认证、检定设备的校准证书等。
2. 检定机构应建立健全的质量管理体系,确保检定工作的可追溯性和准确性。
四、检定程序1. 准备工作a. 检定机构应确认衡器的检定要求和检定方法。
b. 检定机构应检查衡器的外观是否完好,是否有损坏或者磨损的部件。
2. 校准检定a. 检定机构应按照标准程序对衡器进行校准。
b. 校准过程中应使用合适的校准标准和工作标准,确保校准结果的准确性和可靠性。
c. 校准结果应记录并报告给用户,包括校准误差、不确定度等信息。
3. 检验检定a. 检定机构应对衡器进行检验,确认其是否满足检定要求。
b. 检验过程中应使用适当的检验方法和工具,确保检验结果的准确性和可靠性。
c. 检验结果应记录并报告给用户,包括检验项目、合格性判定等信息。
五、检定结果的评定和报告1. 检定结果应根据国家或者行业标准进行评定,判定衡器是否合格。
2. 检定机构应向用户提供检定报告,报告内容应包括但不限于衡器的型号、规格、检定日期、检定结果等信息。
六、质量控制1. 检定机构应定期对检定设备进行校准和维护,确保其准确性和可靠性。
2. 检定机构应建立健全的质量管理体系,包括文件管理、记录管理等,以确保检定工作的质量和可追溯性。
七、术语和定义本实施细则中使用的术语和定义应遵循国家或者行业标准的规定。
八、附则1. 本实施细则的修订和解释权归检定机构所有。
2. 对于未尽事宜,可参考相关国家或者行业标准进行处理。
以上为衡器检定实施细则的详细内容,旨在确保衡器检定工作的规范性和科学性。
检定机构应按照本细则的要求进行衡器的校准检定和检验检定,并向用户提供准确的检定报告。
衡器检定作业指导书一、任务背景衡器是用来测量物体质量的仪器设备,广泛应用于工业、商业、科研等领域。
为了确保衡器的准确性和可靠性,需要对衡器进行定期的检定工作。
本文将为您提供一份衡器检定作业指导书,旨在匡助您了解衡器检定的流程和要求,以确保检定工作的顺利进行。
二、检定流程1. 准备工作:a. 确定检定的衡器种类和数量;b. 准备好所需的检定仪器和设备;c. 安排合适的检定环境,确保无干扰。
2. 外观检查:a. 检查衡器外观是否完好;b. 检查衡器标志是否清晰可辨;c. 检查衡器的连接线是否正常。
3. 零位检定:a. 将衡器置于无负荷状态,等待其稳定;b. 根据衡器的说明书,进行零位调整;c. 确保衡器的零位稳定在规定范围内。
4. 线性度检定:a. 根据检定要求,选取不同负荷值进行检定;b. 每次施加负荷后,记录衡器显示的数值;c. 绘制负荷与数值的关系曲线,判断衡器的线性度是否符合要求。
5. 灵敏度检定:a. 根据检定要求,选取不同负荷值进行检定;b. 每次施加负荷后,记录衡器显示的数值;c. 计算每一个负荷下的灵敏度系数,并与要求进行比较。
6. 重复性检定:a. 选取一个固定负荷值,重复进行多次检定;b. 记录每次检定的结果,并计算其标准偏差;c. 判断衡器的重复性是否符合要求。
7. 稳定性检定:a. 将衡器置于稳定状态,记录其显示数值;b. 持续观察一段时间,记录衡器的波动情况;c. 根据波动情况,判断衡器的稳定性是否符合要求。
8. 结果评定:a. 根据检定数据,综合评定衡器的准确性和可靠性;b. 判断衡器是否合格,并进行相应的记录。
三、数据记录和报告1. 检定数据的记录:a. 记录每次检定的负荷值和衡器显示的数值;b. 记录每次检定的环境条件和操作人员;c. 记录衡器的型号、出厂编号和检定日期。
2. 检定报告的编写:a. 根据检定数据,编写检定报告;b. 报告中应包括衡器的基本信息、检定结果和评定结论;c. 报告应具备清晰、准确、完整的内容。
衡器检定操作规程
衡器检定按照JJG13-1997《模拟指示秤检定规程》和JJG14-1997《非自行指示秤检定规程》、JJG539-97《数字指示秤检定规程》所要求的各种技术条件、环境条件进行检定外,还须从事以下规定的操作:
1、检查要进行衡器测试所使用的设备、标准器是否处于良好的工作状态,确认无误后方可进行测试。
2、首先要按照检定规程检查被检定/校准的衡器的外观、外形,确认满足规程要求后方可进行测试。
3、对测试地点的选择,要避免任何影响测量结果的外界干扰,在测试前须确定被检测衡器已放置平稳。
4、对被检定/校准的衡器的分段测量间隔,由低到高进行。
5、根据衡器的使用情况按照检定规程进行各称量点的测试,分别记录所施加的砝码质量和对应的衡器显示的质量值。
从而得到被检测衡器的测量误差。
6、在检测的过程中要随时注意安全,作好相应的安全保护措施,施加砝码时注意轻拿轻放,保证人员与各种仪器和器具的安全。
7、整个检定/校准工作完毕后,清扫工作场地,清洁所使用的设备、标准器,盖好防尘罩。
随时注意维护、保养。
衡器检定作业指导书标题:衡器检定作业指导书引言概述:衡器是用来测量物体重量的仪器,准确的衡器对于各行业的生产和贸易至关重要。
为了确保衡器的准确性和稳定性,需要定期进行检定。
本文将详细介绍衡器检定的作业指导书,帮助读者了解如何正确进行衡器检定。
一、检定前准备工作1.1 确认检定周期:根据衡器的使用频率和环境条件,确定检定周期,一般为半年或一年一次。
1.2 检查衡器外部:检查衡器外部是否有损坏或脏污,如有需要及时清洁或维修。
1.3 检查配件完整性:确保衡器的配件完整,如称量盘、调节螺丝等。
二、检定操作步骤2.1 校准衡器零点:在无物品放置时,调整衡器的零点,确保指示器指向零刻度。
2.2 放置检定物品:根据衡器的量程,放置标准质量块或其他检定物品。
2.3 记录数据:记录每次检定的数据,包括衡器的读数和检定物品的重量。
三、检定结果评定3.1 判断衡器准确性:比较检定结果和标准值,判断衡器的准确性。
3.2 记录检定结果:将检定结果记录在检定报告中,包括衡器的误差值和准确性评定。
3.3 处理不合格衡器:如果衡器不合格,需要及时维修或更换,并重新进行检定。
四、检定后操作4.1 清洁衡器:检定结束后,及时清洁衡器,避免灰尘或污垢影响衡器的准确性。
4.2 保养维护:定期对衡器进行保养维护,包括润滑、调整和更换配件等。
4.3 存放保管:将衡器存放在干燥通风的环境中,避免受潮或受损。
五、注意事项5.1 避免超载:在使用衡器时,避免超载,以免损坏衡器。
5.2 避免震动:避免在使用过程中发生震动或碰撞,影响衡器的准确性。
5.3 定期维护:定期对衡器进行维护保养,延长衡器的使用寿命和准确性。
通过本文的介绍,读者可以了解到衡器检定的作业指导书,掌握正确的检定操作步骤和注意事项,确保衡器的准确性和稳定性,提高工作效率和质量。
希望本文对读者有所帮助。
衡器检定实施细则一、引言衡器检定是指对衡器进行精确度、准确度和稳定性等方面的测试和评估,以确保其符合相关标准和要求。
本文旨在制定衡器检定的实施细则,以确保检定工作的准确性和一致性。
二、检定范围衡器检定适用于各类衡器,包括但不限于电子天平、机械秤、计量车辆等。
三、检定准备1. 检定设备:确保检定设备的准确性和可靠性,包括标准物质、校准器具等。
2. 检定环境:选择适宜的环境进行检定,避免影响检定结果的因素存在。
3. 检定人员:确保检定人员具备相关的技术知识和经验,能够熟练操作检定设备。
四、检定程序1. 校准检定:对衡器进行校准,确保其读数准确无误。
a. 检定前准备:检查衡器的外观、电源等是否正常,确认衡器处于稳定状态。
b. 校准操作:使用标准物质进行校准,记录校准前后的读数差异。
c. 校准结果评估:根据校准结果评估衡器的准确性和稳定性,判断是否符合标准要求。
2. 线性度检定:对衡器的线性度进行检定,评估其在不同负荷下的读数变化。
a. 检定前准备:将衡器置于空载状态,确保衡器处于稳定状态。
b. 检定操作:逐渐增加衡器的负荷,记录不同负荷下的读数,并绘制线性度曲线。
c. 线性度评估:根据线性度曲线评估衡器的线性度,判断是否符合标准要求。
3. 重复性检定:对衡器的重复性进行检定,评估其在相同负荷下的读数变化。
a. 检定前准备:将衡器置于稳定状态,确保衡器处于相同的负荷状态。
b. 检定操作:多次进行相同负荷下的称量,记录每次的读数,并计算其差异。
c. 重复性评估:根据读数差异评估衡器的重复性,判断是否符合标准要求。
4. 稳定性检定:对衡器的稳定性进行检定,评估其在相同负荷下的读数变化趋势。
a. 检定前准备:将衡器置于稳定状态,确保衡器处于相同的负荷状态。
b. 检定操作:连续进行相同负荷下的称量,记录每次的读数,并计算其变化趋势。
c. 稳定性评估:根据读数变化趋势评估衡器的稳定性,判断是否符合标准要求。
五、检定结果1. 检定报告:根据检定过程中的记录和评估结果,编制检定报告,包括衡器的基本信息、检定结果、评估结论等。
衡器检定实施细则一、引言衡器检定是保证衡器准确度和可靠性的重要手段,为了规范衡器检定工作,制定本细则。
二、适合范围本细则适合于所有需要进行衡器检定的场所和单位。
三、检定机构选择1. 检定机构应具备国家认可的资质,并符合相关法律法规的要求。
2. 检定机构应具备完善的检定设备和技术人员,并定期进行维护和培训。
四、检定周期1. 衡器的检定周期应根据其使用频率和精度等级来确定。
2. 普通情况下,高精度衡器的检定周期不应超过一年,中等精度衡器的检定周期不应超过两年,低精度衡器的检定周期不应超过三年。
五、检定方法1. 衡器的检定应根据国家和行业标准进行。
2. 检定方法应包括静态检定和动态检定两种方式。
3. 静态检定包括零点检定和量程检定,动态检定包括稳定性检定和反应时间检定。
六、检定记录1. 检定机构应对每次检定进行详细的记录,包括检定日期、检定人员、检定结果等。
2. 检定记录应保存至少五年,并定期进行备份。
七、检定结果评定1. 检定结果应根据国家和行业标准进行评定。
2. 检定结果分为合格和不合格两种情况,不合格的衡器应进行维修或者淘汰处理。
八、检定证书1. 检定合格的衡器应颁发检定证书,证书应包括衡器的基本信息、检定结果、检定机构的名称和资质等。
2. 检定证书应具有防伪措施,以确保证书的真实性和可信度。
九、监督检查1. 衡器检定工作应接受相关监督部门的监督检查。
2. 监督检查包括对检定机构的资质和设备进行检查,对检定记录和证书进行抽查核实等。
十、附则1. 本细则的解释权归衡器检定管理部门所有。
2. 本细则自颁布之日起生效。
以上为衡器检定实施细则的详细内容,旨在规范衡器检定工作,提高衡器的准确度和可靠性。
各相关单位和人员应按照本细则的要求进行衡器检定工作,并严格遵守相关法律法规。
衡器检定管理部门将加强对衡器检定工作的监督和管理,确保检定工作的质量和效果。
希翼本细则能为衡器检定工作提供指导,促进衡器检定工作的规范化和标准化。
衡器检定实施细则一、引言衡器检定是确保衡器准确度和可靠性的重要手段,对于各行各业的衡器使用者来说,依据统一的衡器检定实施细则进行检定是保证衡器正常运行的基础。
本文将详细介绍衡器检定的目的、适用范围、检定方法、检定程序和结果评定等内容。
二、目的衡器检定的目的是为了保证衡器的准确度和可靠性,确保衡器在使用过程中能够提供准确的测量结果。
通过衡器检定,可以及时发现和修正衡器的误差,保证衡器的正常运行,提高工作效率,确保产品质量。
三、适用范围本实施细则适用于各类衡器的检定,包括但不限于电子衡器、机械衡器、压力衡器等。
对于特殊类型的衡器,如爆炸防护型衡器和液体计量衡器等,应根据相关法规和标准进行检定。
四、检定方法1. 校准方法:根据衡器的类型和使用要求,选择相应的校准方法。
常用的校准方法包括零点校准、线性校准、非线性校准等。
2. 校准装置:使用符合国家标准的校准装置进行衡器的校准。
校准装置应具备稳定、准确的特点,并且经过定期的检定和维护。
3. 校准程序:根据衡器的特点和使用要求,制定相应的校准程序。
包括准备工作、校准参数设定、校准过程记录等。
4. 校准频率:根据衡器的使用频率和精度要求,确定相应的校准频率。
一般情况下,衡器应定期进行校准,具体的校准频率可根据相关标准进行确定。
五、检定程序1. 准备工作:检定前应对衡器进行外观检查,确保衡器无损坏和松动现象。
同时,检查校准装置是否正常工作。
2. 校准参数设定:根据衡器的类型和使用要求,设置相应的校准参数。
包括零点值、满量程值、校准点数等。
3. 校准过程记录:在校准过程中,应详细记录校准的各个参数和结果。
包括校准时间、校准人员、校准装置、校准方法等。
4. 结果评定:根据校准结果,判断衡器的准确度和可靠性。
如果衡器的误差在允许范围内,则判定为合格;如果误差超过允许范围,则判定为不合格,并进行相应的调整和修正。
六、结果评定1. 合格:衡器的误差在允许范围内,可以继续使用。
衡器检定实施细则引言概述:衡器是用来测量物体重量的仪器,广泛应用于各行各业。
为了保证衡器的准确性和可靠性,需要对衡器进行定期的检定。
衡器检定实施细则是规范和指导衡器检定工作的具体操作规程。
本文将详细介绍衡器检定实施细则的内容和要点。
一、检定前准备工作1.1 确认检定对象:在进行衡器检定前,首先需要确认检定的具体衡器类型和规格,包括电子秤、机械秤等。
1.2 准备检定工具:检定衡器需要使用专业的检定工具,如标准砝码、校准器具等。
1.3 检查环境条件:确保检定环境符合要求,包括温度、湿度、光线等因素,以保证检定结果的准确性。
二、检定过程操作2.1 清洁衡器:在进行检定前,需要对衡器进行清洁,以确保没有灰尘或杂物影响检定结果。
2.2 校准衡器:使用标准砝码对衡器进行校准,调整衡器零点和灵敏度,使其符合检定标准要求。
2.3 进行检定:按照规定的检定程序和方法,对衡器进行检定,记录检定结果并进行评定。
三、检定结果处理3.1 判定结果:根据检定结果和标准要求,判断衡器的合格性,确定是否需要进行调整或维修。
3.2 记录数据:将检定结果和相关数据记录在检定报告中,包括检定时间、环境条件、检定人员等信息。
3.3 发布检定证书:对通过检定的衡器发放检定证书,证明其符合检定标准要求。
四、检定后维护管理4.1 定期检定:按照规定的周期对衡器进行定期检定,确保其长期稳定性和准确性。
4.2 维护保养:定期对衡器进行清洁和维护保养,延长衡器的使用寿命和准确性。
4.3 管理档案:建立完善的衡器检定档案,记录检定结果、维护保养情况等信息,方便管理和追溯。
五、质量管理体系建设5.1 建立质量管理体系:建立衡器检定的质量管理体系,明确检定流程、责任人和管理制度。
5.2 持续改进:不断完善和提升衡器检定工作,采取有效措施解决存在的问题,提高检定效率和准确性。
5.3 培训人员:加强对检定人员的培训和技术指导,提高其检定技术水平和操作规范性。
衡器检定实施细则一、引言衡器检定是指对衡器进行检验和校准,以确保其测量结果的准确性和可靠性。
为了规范衡器检定工作,制定本实施细则,以指导衡器检定的具体操作和流程。
二、适合范围本实施细则适合于所有需要进行衡器检定的场合,包括但不限于工业生产、贸易计量、科学研究等领域。
三、衡器检定的基本要求1. 检定设备:检定设备应符合国家相关标准和要求,确保其准确性和可靠性。
2. 检定环境:检定环境应符合国家相关标准和要求,包括温度、湿度、振动等因素的控制。
3. 检定人员:检定人员应具备相关的专业知识和技能,且持有国家认可的检定资质证书。
4. 检定程序:检定应按照国家相关标准和要求进行,包括校准前的准备、校准操作、校准结果的记录等环节。
5. 检定周期:衡器的检定周期应根据其使用情况和精度要求确定,普通不超过一年。
四、衡器检定的具体操作流程1. 校准前准备:a. 检查衡器的外观和功能,确保其正常运行。
b. 清洁衡器,确保无灰尘、污渍等影响测量准确性的因素。
c. 检查衡器的校准证书和有效期,确保其合法有效。
2. 校准操作:a. 根据衡器的类型和精度要求,选择适当的校准方法和设备。
b. 进行零点校准,即在无负荷情况下将衡器指示归零。
c. 进行量程校准,即在不同负荷下检查衡器的测量准确性。
d. 根据需要进行线性度校准、重复性校准等附加校准操作。
e. 记录校准结果,包括校准值、误差范围等信息。
3. 校准结果的评定:a. 根据国家相关标准和要求,对校准结果进行评定。
b. 判断衡器的测量准确性是否满足要求,决定是否合格。
4. 校准结果的记录和报告:a. 将校准结果记录在校准证书或者校准报告中,包括衡器的基本信息、校准日期、校准人员等。
b. 如有需要,将校准报告提交给相关部门或者客户。
五、衡器检定的质量控制1. 检定设备的管理:定期对检定设备进行检查、校准和维护,确保其准确性和可靠性。
2. 检定环境的控制:定期对检定环境进行检查和维护,确保其符合国家相关标准和要求。
衡器检定规程
衡器检定规程是确保衡器准确性和可靠性的重要标准。
它主要涉及以下内容:
1. 检定条件:明确检定的基本条件,包括温度、湿度、气压等环境条件,以及所需的设备和工具。
2. 检定项目:详细列出每一项检定的具体内容和方法,确保对衡器的各个方面进行全面检查。
3. 检定方法:根据不同的检定项目,提供具体的检定方法和技术,包括操作步骤、数据处理等。
4. 检定步骤和程序:明确检定的步骤和程序,确保检定工作有序进行。
5. 数据处理:规定检定数据的处理方法,包括数据的采集、整理、分析等,以确保数据的准确性和可靠性。
通过遵守衡器检定规程,可以确保衡器的准确性和可靠性,从而提高生产效率和产品质量。
同时,它也是保障消费者权益和企业利益的重要手段。