尺寸检验记录表
- 格式:doc
- 大小:44.50 KB
- 文档页数:2
现浇结构外观及尺寸偏差检验批质量验收记录表8现浇结构分项工程说明:8现浇结构分项工程现浇结构分项工程以模板、钢筋、预应力、混凝土四个分项工程为依托,是拆除模板后的混凝土结构实物外观质量、几何尺寸检验等一系列技术工作的总称。
现浇结构分项工程可按楼层、结构缝或施工段划分检验批。
一般规定8.1.1 现浇结构的外观质量缺陷,应由监理(建设)单位、施工单位等各方根据其对结构性能和使用功能影响的严重程度,按表的规定。
表8.1.1 现浇结构外观质量缺陷说明:8.1.1 对现浇结构外观质量的验收,采用检查缺陷,并对缺陷的性质和数量加以限制的方法进行。
本条给出了确定现浇结构外观质量严重缺陷、一般缺陷的一般原则。
各种缺陷的数量限制可由各地根据实际情况作出具体规定。
当外观质量缺陷的严重程度超过本条规定的一般缺陷时,可按严重缺陷处理。
在具体实施中,外观质量缺陷对结构性能和使用功能等的影响程度,应由监理(建设)单位、施工单位等各方共同确定。
对于具有重要装饰效果的清水混凝土,考虑到其装饰效果属于主要使用功能,故将其表面外形缺陷、外表缺陷确定为严重缺陷。
8.1.2现浇结构拆模后,应由监理(建设)单位、施工单位对外观质量和尺寸偏差进行检查,作出记录,并应及时按施工技术方案对缺陷进行处理。
说明:8.1.2 现浇结构拆模后,施工单位应及时全同监理(建设)单位对混凝土外观质量和尺寸偏差进行检查,并作出记录。
不论何种缺陷都应及时进行处理,并重新检查验收。
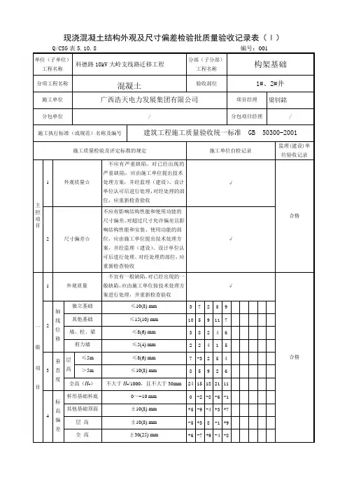
外观质量主控项目8.2.1 现浇结构的外观质量不应有严重缺陷。
对已经出现的严重缺陷,应由施工单位提出技术处理方案,并经监理(建设)单位认可后进行处理。
对经处理的部位,应重新检查验收。
检查数量:全数检查。
检验方法:观察,检查技术处理方案。
说明:8.2.1 外观质量的严重缺陷通常会影响到结构性能、使用功能或耐久性。
对已经出现的严重缺陷,应由施工单位根据缺陷的具体情况提出技术处理方案,经监理(建设)单位认可后进行处理,并重新检查验收。
建筑材料质量检验记录表
检验信息
原材料检验
日期:2022-01-01
- 建筑沙:符合标准要求,无明显杂质,颗粒均匀,湿度适中,检验合格。
- 石子:符合标准要求,无明显杂质,颗粒饱满,湿度适中,
检验合格。
砖块质量检验
日期:2022-01-02
- 外观检验:砖块表面有明显裂缝和破损现象,不符合标准要求,检验不合格。
- 尺寸检验:砖块尺寸符合标准要求,检验合格。
- 压力试验:砖块抗压强度不足,无法达到标准要求,检验不合格。
钢筋直径检验
日期:2022-01-02
- 钢筋直径测量:钢筋直径符合标准要求,检验合格。
混凝土强度检验
日期:2022-01-03
- 抗压试验:混凝土抗压强度符合标准要求,检验合格。
结论
经过建筑材料质量检验,以下项目不符合标准要求:砖块质量检验。
其他项目均符合标准要求。
必须更换不合格的砖块。
注意:该质量检验记录表仅适用于本次建筑项目,不能用于其他场所或项目。
附件1现浇混凝土结构位置与尺寸偏差实体检验记录表(100)”填写,“400”代表腹板高度,“100”代表此处楼板厚度,平均值填写3个测点梁高平均值;层高实测值按“3000(100)”填写,“3000”代表净高,“100”代表此处楼板厚度,平均值填写3个测点层高平均值。
2.柱截面尺寸、墙厚、梁高、板厚、层高偏差值超过规范允许偏差的,在平均值处用圈标出;柱垂直度偏差值超过规范允许偏差的,在实测值的较大值处用圈标出。
- 1 -附件1现浇混凝土结构位置与尺寸偏差实体检验记录表(100)”填写,“400”代表腹板高度,“100”代表此处楼板厚度,平均值填写3个测点梁高平均值;层高实测值按“3000(100)”填写,“3000”代表净高,“100”代表此处楼板厚度,平均值填写3个测点层高平均值。
2.柱截面尺寸、墙厚、梁高、板厚、层高偏差值超过规范允许偏差的,在平均值处用圈标出;柱垂直度偏差值超过规范允许偏差的,在实测值的较大值处用圈标出。
- 2 -附件1现浇混凝土结构位置与尺寸偏差实体检验记录表(100)”填写,“400”代表腹板高度,“100”代表此处楼板厚度,平均值填写3个测点梁高平均值;层高实测值按“3000(100)”填写,“3000”代表净高,“100”代表此处楼板厚度,平均值填写3个测点层高平均值。
2.柱截面尺寸、墙厚、梁高、板厚、层高偏差值超过规范允许偏差的,在平均值处用圈标出;柱垂直度偏差值超过规范允许偏差的,在实测值的较大值处用圈标出。
- 3 -附件2混凝土结构位置与尺寸偏差实体检验汇总表部位:一层墙及大堂夹层梁板- 4 -附件1现浇混凝土结构位置与尺寸偏差实体检验记录表(100)”填写,“400”代表腹板高度,“100”代表此处楼板厚度,平均值填写3个测点梁高平均值;层高实测值按“3000(100)”填写,“3000”代表净高,“100”代表此处楼板厚度,平均值填写3个测点层高平均值。
2.柱截面尺寸、墙厚、梁高、板厚、层高偏差值超过规范允许偏差的,在平均值处用圈标出;柱垂直度偏差值超过规范允许偏差的,在实测值的较大值处用圈标出。
附件1现浇混凝土结构位置与尺寸偏差实体检验记录表(100)”填写,“400”代表腹板高度,“100”代表此处楼板厚度,平均值填写3个测点梁高平均值;层高实测值按“3000(100)”填写,“3000”代表净高,“100”代表此处楼板厚度,平均值填写3个测点层高平均值。
2.柱截面尺寸、墙厚、梁高、板厚、层高偏差值超过规范允许偏差的,在平均值处用圈标出;柱垂直度偏差值超过规范允许偏差的,在实测值的较大值处用圈标出。
- 1 -附件1现浇混凝土结构位置与尺寸偏差实体检验记录表(100)”填写,“400”代表腹板高度,“100”代表此处楼板厚度,平均值填写3个测点梁高平均值;层高实测值按“3000(100)”填写,“3000”代表净高,“100”代表此处楼板厚度,平均值填写3个测点层高平均值。
2.柱截面尺寸、墙厚、梁高、板厚、层高偏差值超过规范允许偏差的,在平均值处用圈标出;柱垂直度偏差值超过规范允许偏差的,在实测值的较大值处用圈标出。
- 2 -附件1现浇混凝土结构位置与尺寸偏差实体检验记录表(100)”填写,“400”代表腹板高度,“100”代表此处楼板厚度,平均值填写3个测点梁高平均值;层高实测值按“3000(100)”填写,“3000”代表净高,“100”代表此处楼板厚度,平均值填写3个测点层高平均值。
2.柱截面尺寸、墙厚、梁高、板厚、层高偏差值超过规范允许偏差的,在平均值处用圈标出;柱垂直度偏差值超过规范允许偏差的,在实测值的较大值处用圈标出。
- 3 -附件2混凝土结构位置与尺寸偏差实体检验汇总表部位:一层墙及大堂夹层梁板- 4 -附件1现浇混凝土结构位置与尺寸偏差实体检验记录表(100)”填写,“400”代表腹板高度,“100”代表此处楼板厚度,平均值填写3个测点梁高平均值;层高实测值按“3000(100)”填写,“3000”代表净高,“100”代表此处楼板厚度,平均值填写3个测点层高平均值。
2.柱截面尺寸、墙厚、梁高、板厚、层高偏差值超过规范允许偏差的,在平均值处用圈标出;柱垂直度偏差值超过规范允许偏差的,在实测值的较大值处用圈标出。
混凝土(结构外观和尺寸偏差)检验批质量验收记录表
说明
一般项目
1.底座中线、外形尺寸及表面平整度允许偏差应符合下表的规定。
底座中线、外形尺寸允许偏差
检验数量:施工单每基标处检查一次。
检验方法:尺量。
2.道床板中线、外形尺寸允许偏差应符合下表的规定。
道床板中线、外形尺寸允许偏差
检验数量:施工单位每基标处检查一次。
检验方法:尺量。
3.凸形挡台中线、外形尺寸允许偏差应符合下表的规定。
凸形挡台中线、外形尺寸允许偏差
检验数量:施工单位每个凸型挡台检查一次。
检验方法:尺量。
4.混凝土结构表面应密实平整、颜色均匀,不得有露筋、蜂窝、孔洞、疏松、麻面和缺棱掉角等缺陷。
检验数量:施工单位全部检查。
检验方法:观察。