钣金加工工艺流程
- 格式:doc
- 大小:39.00 KB
- 文档页数:5
钣金加工工艺流程1简介 1.1 简介按钣金件的基本加工方式,如下料、折弯、拉伸、成型、焊接。
方式所要注意的工艺要求。
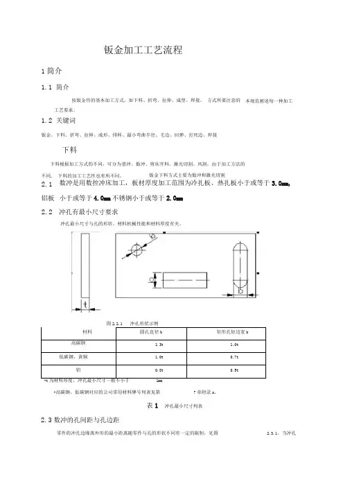
1.2 关键词钣金、下料、折弯、拉伸、成形、排样、最小弯曲半径、毛边、回弹、打死边、焊接下料下料根据加工方式的不同,可分为普冲、数冲、剪床开料、激光切割、风割,由于加工方法的数冲是用数控冲床加工,板材厚度加工范围为冷扎板、热扎板小于或等于3.0mm,冲孔最小尺寸与孔的形状、材料机械性能和材料厚度有关。
图 2.2.1冲孔形状示例材料 圆孔直径b矩形孔短边宽b高碳钢 1.3t 1.0t 低碳钢、黄铜1.0t 0.7t 铝0.8t 0.5t*t 为材料厚度,冲孔最小尺寸一般不小于1mm*高碳钢、低碳钢对应的公司常用材料牌号列表见第7章附录A 。
表1冲孔最小尺寸列表2.3数冲的孔间距与孔边距零件的冲孔边缘离外形的最小距离随零件与孔的形状不同有一定的限制,见图不同, 下料的加工工艺性也有所不同。
钣金下料方式主要为数冲和激光切割本规范阐述每一种加工2.1 铝板 小于或等于4.0mm 不锈钢小于或等于2.0mm2.2 冲孔有最小尺寸要求2.3.1。
当冲孔t ;平行时,应不小于1.5t 。
2.4折弯件及拉深件冲孔时,其孔壁与直壁之间应保持一定的距离2.4.1)2.5螺钉、螺栓的过孔和沉头座螺钉、螺栓过孔和沉头座的结构尺寸按下表选取取。
对于沉头螺钉的沉头座,如果 板材太薄难以同时保证过孔d 2和沉孔D ,应优先保证过孔d 2。
表2用于螺钉、螺栓的过孔di M2 M2.5 M5 M 斗 M5M6 M8M10d2 竝.2 0Z 呂 砧5 叽5 05.5蚣0们1.1]边缘与零件外形边缘不平行时,该最小距离应不小于材料厚度 折弯件或拉深件冲孔时,其孔壁与工件直壁之间应保持一定的距离(图d*要求钣材厚度t > ho表3用于沉头螺钉的沉头座及过孔*要求钣材厚度t > h o表4用于沉头铆钉的沉头座及过孔2.6激光切割是用激光机飞行切割加工,板材厚度加工范围为冷扎板热扎板小于或等于20.0mm,不锈钢 小于10.0mm 。
常见钣金件加工的工艺流程及表面处理钣金加工是钣金技术人员需要掌握的关键技术,也是钣金制品成形的重要工序。
它既包括传统的切割2下料、冲裁加工、弯压成形等方法及工艺参数,又包括各种冷冲压模具结构及工艺参数、各种设备工作原理及操作方法,还包括新冲压技术及新工艺。
常见钣金件加工的工艺流程及表面处理钣金加工是钣金技术人员需要掌握的关键技术,也是钣金制品成形的重要工序。
它既包括传统的切割下料、冲裁加工、弯压成形等方法及工艺参数,又包括各种冷冲压模具结构及工艺参数、各种设备工作原理及操作方法,还包括新冲压技术及新工艺。
一、材料的选用钣金加工一般用到的材料有冷轧板(SPCC)、热轧板(SHCC)、镀锌板(SECC、SGCC),铜(CU)黄铜、紫铜、铍铜,铝板(6061、6063、硬铝等),铝型材,不锈钢(镜面、拉丝面、雾面),根据产品作用不同,选用材料不同,一般需从产品其用途及成本上来考虑。
1.冷轧板SPCC,主要用电镀和烤漆件,成本低,易成型,材料厚度≤3.2mm。
2.热轧板SHCC,材料T≥3.0mm ,也是用电镀,烤漆件,成本低,但难成型,主要用平板件。
3.镀锌板SECC、SGCC。
SECC电解板分N料、P料,N料主要不作表面处理,成本高, P料用于喷涂件。
4.铜;主要用导电作用料件,其表面处理是镀镍、镀铬,或不作处理,成本高。
5.铝板;一般用表面铬酸盐(J11-A),氧化(导电氧化,化学氧化),成本高,有镀银,镀镍。
6.铝型材;截面结构复杂的料件,大量用于各种插箱中。
表面处理同铝板。
7.不锈钢;主要用不作任何表面处理,、成本高。
二、图面审核要编写零件的工艺流程,首先要知道零件图的各种技术要求;则图面审核是对零件工艺流程编写的最重要环节。
1.检查图面是否齐全。
2.图面视图关系,标注是否清楚,齐全,标注尺寸单位。
3.装配关系,装配要求重点尺寸。
4.新旧版图面区别。
5.外文图的翻译。
6.表处代号转换。
钣金工艺流程
钣金工艺是指将金属板材经过冲压、剪切、折弯等加工方式,制作出各种形状的零件,是制造金属零件的重要方法。
钣金工艺流程主要包括:一、制图设计,根据零件的功能和使用要求,制定出零件的图纸;二、材料选择,根据零件的功能和使用要求选择最合适的材料;三、冲压加工,将金属板材放入冲床中,进行冲压加工;四、剪切加工,将冲压成型的零件用剪切机进行剪切加工;五、折弯加工,使用折弯机将零件进行折弯加工;六、焊接加工,将零件进行焊接加工;七、检验,检查零件的质量,确保零件质量达到要求。
钣金工艺是制造金属零件的重要方法,其正确的流程操作是保证零件质量的关键。
钣金加工工艺流程详解钣金加工是一种常见的制造工艺,广泛应用于各行各业,包括汽车制造、机械加工、建筑等领域。
在本文中,我们将详细介绍钣金加工的工艺流程与相关注意事项。
一、材料准备与切割钣金加工的第一步是准备材料。
通常使用的材料有不锈钢、铝合金、碳钢等。
接下来,根据设计要求,对材料进行切割。
切割常用的方法有剪切、冲压、激光切割等。
切割后需要进行精确的尺寸测量,以确保后续加工的准确性。
二、钣金折弯与成形在进行折弯与成形之前,需要对材料进行弯曲性能测试,以确定适合的加工方法。
常见的折弯工艺包括V型折弯和U型折弯。
通过使用折弯机械设备,将材料准确地折弯成所需的形状。
需要注意的是,在进行钣金折弯时,应确保折弯角度和尺寸的准确性,以及避免出现折皱或破裂等缺陷。
三、冲孔与切割在冲孔过程中,常用的方法有机械冲孔和数控冲孔。
通过钣金冲床的操作,将设计好的孔型、凹槽等形状冲压到钣金材料上。
切割过程中,可以通过激光切割、火焰切割或者等离子切割等方法,将材料进行精确的切割。
四、焊接与拼接焊接与拼接是钣金加工中常见的工艺之一。
通过焊接来将多个钣金构件拼接在一起,以形成所需的结构或产品。
常用的焊接方法有点焊、氩弧焊、激光焊接等。
在进行焊接之前,要确保工件表面的清洁,以保证焊接质量。
五、涂装与表面处理为了提高钣金制品的表面质量和耐腐蚀能力,通常需要进行涂装和表面处理。
涂装可以采用喷涂、粉末涂装等方式,以增加产品的美观性和防护性。
表面处理包括酸洗、电镀、阳极氧化等,用以改善表面的附着力和硬度。
六、总装与检验在钣金加工的最后阶段,将各个零件进行总装,组装成最终的产品。
同时,进行严格的质量检验,以确保产品的准确性和质量。
主要检验内容包括尺寸、外观、焊接质量、涂装质量等。
总结:钣金加工工艺流程包括材料准备与切割、钣金折弯与成形、冲孔与切割、焊接与拼接、涂装与表面处理、总装与检验等阶段。
每个阶段都要注意操作技巧和质量控制,以确保最终产品符合要求。
常見鈑金件加工的工藝流程一、材料的選用鈑金加一般用到的材料有冷軋板(SPCC )、熱軋板(SHCC )、鍍鋅板(SEC C 、SGCC ),銅(CU )黃銅、紫銅、鈹銅,鋁板(6061 、6063 、硬鋁等),鋁型材,不銹鋼(鏡面、拉絲面、霧面),根據產品作用不同,選用材料不同,一般需從產品其用途及成本上來考慮。
1.冷軋板SPCC,主要用電鍍和烤漆件,成本低,易成型,材料厚度< 3.2mm <2.熱軋板SHCC,材料T >3.0mm ,也是用電鍍,烤漆件,成本低,但難成型,主要用平板件。
3.鍍鋅板SECC 、SGCC 。
SECC 電解板分N 料、P 料,N 料主要不作表面處理,成本高,P 料用於噴塗件。
4.銅;主要用導電作用料件,其表面處理是鍍鎳、鍍鉻,或不作處理,成本高。
5.鋁板;一般用表面鉻酸鹽(J11-A ),氧化(導電氧化,化學氧化),成本高,有鍍銀,鍍鎳。
6.鋁型材;截面結構複雜的料件,大量用於各種插箱中。
表面處理同鋁板。
7.不銹鋼;主要用不作任何表面處理,、成本高。
二、圖面審核要編寫零件的工藝流程,首先要知道零件圖的各種技術要求;則圖面審核是對零件工藝流程編寫的最重要環節。
1.檢查圖面是否齊全。
2.圖面視圖關係,標注是否清楚,齊全,標注尺寸單位。
3•裝配關係,裝配要求重點尺寸。
4.新舊版圖面區別。
5•外文圖的翻譯。
6.表處代號轉換。
7•圖面問題回饋與處埋。
8.材料9.品質要求與工藝要求10 .正式發行圖面,須加蓋品質控制章。
三、展開注意事項展開圖是依據零件圖(3D )展開的平面圖(2D)1•展開方式要合,要便利節省材料及加工性2•合理選擇問隙及包邊方式,T=2.0以下問隙0.2 , T=2-3問隙0.5,包邊方式採用長邊包短邊(門板類)3•合理考慮公差外形尺寸:負差走到底,正差走一半;孔形尺寸:正差走到底,負差走一半。
4.毛刺方向5 •抽牙、壓鉚、撕裂、沖凸點(包),等位置方向,畫出剖視圖6•核對材質,板厚,以板厚公差7•特殊角度,折彎角內半徑(一般R=0.5 )要試折而定展開8•有易出錯(相似不對稱)的地方應重點提示9•尺寸較多的地方要加放大圖10・需噴塗保護地方須表示四、板金加工的工藝流程根據鈑金件結構的差異,工藝流程可各不相同,但總的不超過以下幾點。
汽车钣金工艺流程一、设计与制定方案在汽车钣金工艺流程中的第一步是对车身进行设计与测量,以确保钣金件的尺寸精确。
然后根据设计和测量结果,制定出特定的加工方案,确定具体的钣金工艺流程。
二、材料准备在进行钣金加工之前,需要准备好所需的材料,包括钣金板、焊接材料、胶水等。
材料的选择应符合汽车钣金件的要求,一般来说,钣金板通常使用镀锌钢、铝合金等材料。
三、切割与冲压根据制定的方案,对钣金板进行切割和冲压。
切割是指根据设计要求,将钣金板切割成所需要的形状和尺寸。
冲压是通过压力对钣金板进行加工,使其得到特定的形状和结构。
四、折弯与成型在进行钣金加工时,常常需要使用折弯和成型技术。
折弯是指对钣金板进行弯曲,使其得到一定的角度和曲线。
成型则是将钣金板通过拉伸、压制等方式,使其得到所需要的立体形状。
五、焊接与连接在钣金加工的过程中,往往需要对不同的钣金件进行焊接和连接。
焊接是将两个或多个钣金件通过热熔的方式进行连接,常用的焊接方法有点焊和气焊等。
连接则是通过螺栓、胶水等方式将钣金件进行连接。
六、修复与涂装在汽车维修过程中,有时会遇到车身钣金件的损坏或变形,需要进行修复。
修复包括清理、砂光、填补、抛光等工作,以恢复钣金件的原貌。
修复完成后,还需要进行涂装,通过喷涂等方式给钣金件上色。
七、装配与调整在汽车钣金工艺流程的最后阶段,需要将钣金件进行装配和调整。
装配是指将不同的钣金件组合在一起,形成完整的车身结构。
调整则是对装配完成的钣金件进行微调,以确保各个部件之间的合理配合。
八、质量检验与测试在汽车钣金工艺流程的每个阶段,都需要对钣金件进行质量检验和测试。
质量检验包括外观质量、尺寸精度、表面光洁度等方面的评估。
测试则是通过试车等方式对汽车钣金件的性能进行评估。
九、成品出厂经过以上一系列的工艺步骤,最终得到的是经过修复、加工和调整的汽车钣金件。
这些成品将经过最后的检验和测试,并进行包装,最终出厂交付给汽车制造商或汽车维修企业。
钣金的工艺流程钣金是一种通过顺应性变形技术来对金属板材或带材进行加工的工艺,常用于制作金属构件、零件和外壳等。
钣金的工艺流程主要包括设计、切割、折弯、焊接、打磨和涂装等环节。
首先,在进行钣金加工之前,需要进行细致的设计和规划。
根据使用需求和工艺要求,确定金属板材的厚度、尺寸和形状等参数。
同时,还需根据设计要求进行模具的制作和准备工作。
接下来,是切割环节。
将金属板材根据设计要求进行切割,可以采用激光切割、等离子切割、剪切等不同的方法。
切割过程需要精确控制尺寸和形状,以确保后续加工的准确性。
然后,进行折弯工艺。
将切割好的金属板按照设计要求进行折弯成形,通常采用机械折弯机或手工折弯工具进行操作。
折弯的角度和半径需要根据设计图纸进行调整和控制,以确保零件的精确度和质量。
接下来是焊接环节。
在钣金加工中,常常需要对两个金属部件进行连接,通常采用焊接技术。
焊接可以使用氩弧焊、电阻焊、激光焊等不同方法。
焊接时需要掌握焊接温度、时间和气氛的控制,确保焊缝的质量和强度。
完成焊接后,需要进行打磨和调整。
使用砂纸、打磨机等工具对焊接处进行打磨,去除表面的毛刺和凹凸不平。
同时,还需要对零件的尺寸和形状进行调整,以确保与其他零部件的配合和装配。
最后是涂装环节。
根据设计要求和使用环境,对钣金零件进行喷涂或电泳涂装。
涂装可以提供保护层,增加零件的耐腐蚀性和美观度。
在涂装过程中,需要注意喷涂的厚度、均匀性和涂层的附着力。
总结起来,钣金工艺流程包括设计、切割、折弯、焊接、打磨和涂装等环节。
每个环节都需要严格控制和操作,以确保钣金零件的质量和精度。
钣金工艺在制造业中应用广泛,其成形速度快、成本低廉、零件精度高,被广泛用于汽车制造、电子设备、家电、建筑等领域。
钣金加工流程钣金加工是一种常见的金属加工方式,广泛应用于汽车制造、电子设备、家电、建筑等领域。
下面将介绍钣金加工的流程和步骤。
首先,钣金加工的第一步是设计。
在进行钣金加工之前,需要根据产品的需求进行详细的设计,包括产品的形状、尺寸、材料等。
设计师需要使用CAD等设计软件进行绘图,确定产品的结构和加工工艺。
接下来是材料准备。
根据设计图纸,选择合适的金属材料进行加工。
常见的钣金材料有冷轧板、热轧板、不锈钢板、铝板等。
在进行加工之前,需要对材料进行切割、翻边、折弯等预处理工艺,以便后续加工。
然后是模具制作。
根据设计图纸,制作相应的模具。
模具制作的精度和质量直接影响到最终产品的加工质量。
常见的模具制作工艺包括数控车床加工、线切割加工、电火花加工等。
接着是冲压成型。
将预处理好的钣金材料放入冲床中,通过模具进行冲压成型。
冲压成型是钣金加工的关键步骤,通过冲压成型可以将平板材料加工成所需的形状和尺寸。
随后是焊接。
对于一些复杂的产品,需要进行焊接工艺。
焊接是将不同的钣金部件通过焊接工艺连接在一起,形成完整的产品结构。
常见的焊接方式有点焊、氩弧焊、激光焊等。
最后是表面处理。
经过冲压和焊接之后,产品的表面可能会有一些毛刺、氧化等问题,需要进行表面处理。
常见的表面处理工艺包括打磨、喷涂、镀锌等,以保证产品表面的光滑和美观。
综上所述,钣金加工流程包括设计、材料准备、模具制作、冲压成型、焊接和表面处理等步骤。
每个步骤都需要精准的操作和严格的质量控制,以确保最终产品的质量和性能。
钣金加工是一个综合性很强的加工过程,需要设计师、工艺师、操作工等多个环节的协同合作,才能完成高质量的钣金制品。
什么是钣金加工?金属板材加工就叫钣金加工。
具体譬如利用板材制作烟囱、铁桶、油箱油壶、通风管道、弯头大小头、天园地方、漏斗形等,主要工序是剪切、折弯扣边、弯曲成型、焊接、铆接等,需要一定几何知识。
钣金件就是薄板五金件,也就是可以通过冲压,弯曲,拉伸等手段来加工的零件,一个大体的定义就是在加工过程中厚度不变的零件. 相对应的是铸造件,锻压件,机械加工零件等冷加工cold working of metal 通常指金属的切削加工,即用切削工具从金属材料(毛坯)或工件上切除多余的金属层,从而使工件获得具有一定形状、尺寸精度和表面粗糙度的加工方法。
如车削、钻削、铣削、刨削、磨削、拉削等。
在金属工艺学中,与热加工相对应,冷加工则指在低于再结晶温度下使金属产生塑性变形的加工工艺,如冷轧、冷拔、冷锻、冲压、冷挤压等。
冷加工变形抗力大,在使金属成形的同时,可以利用加工硬化提高工件的硬度和强度,但会使塑性降低。
冷加工适于加工截面尺寸小,加工尺寸和表面粗糙度要求较高的金属零件。
板金加工的工艺流程根据钣金件结构的差异,工艺流程可各不相同,但总的不超过以下几点。
1、下料:下料方式有各种,主要有以下几种方式①.剪床:是利用剪床剪切条料简单料件,它主要是为模具落料成形准备加工,成本低,精度低于0.2,但只能加工无孔无切角的条料或块料。
②.冲床:是利用冲床分一步或多步在板材上将零件展开后的平板件冲裁成形各种形状料件,其优点是耗费工时短,效率高,精度高,成本低,适用大批量生产,但要设计模具。
③.NC数控下料,NC下料时首先要编写数控加工程式,利用编程软件,将绘制的展开图编写成NC数拉加工机床可识别的程式,让其根据这些程式一步一刀在平板上冲裁各构形状平板件,但其结构受刀具结构所至,成本低,精度于0.15。
④.镭射下料,是利用激光切割方式,在大平板上将其平板的结构形状切割出来,同NC下料一样需编写镭射程式,它可下各种复杂形状的平板件,成本高,精度于0.1. ⑤.锯床:主要用下铝型材、方管、图管、圆棒料之类,成本低,精度低。
钣金加工的工艺流程剪板机、数冲、普冲、折弯、攻丝、压铆、切割机(激光、线切割、等离子、水切割)、碰焊机、氩焊机、保护焊机、以及喷粉、喷漆设备压铆是一种铆接方式,就是用工具将压铆螺母(螺柱)压倒钣金上,压铆螺母(螺柱)上面其实是有倒角的,压铆螺母(螺柱)上的倒角与钣金连接,达到预期效果。
准确的讲就是铆钉不会变形,而钣金会变形。
举个例子:这个是自扣压铆螺母柱的安装示意图中间的横板就是钣金,压铆完成后明显少了一块。
根据钣金件结构的差异,工艺流程可各不相同,但总的不超过以下几点。
1、下料:下料方式有各种,主要有以下几种方式①.剪床:是利用剪床剪切条料简单料件,它主要是为模具落料成形准备加工,成本低,精度低于0.2,但只能加工无孔无切角的条料或块料。
②.冲床:是利用冲床分一步或多步在板材上将零件展开后的平板件冲裁成形各种形状料件,其优点是耗费工时短,效率高,精度高,成本低,适用大批量生产,但要设计模具。
③.NC数控下料,NC下料时首先要编写数控加工程式,利用编程软件,将绘制的展开图编写成NC数拉加工机床可识别的程式,让其根据这些程式一步一刀在平板上冲裁各构形状平板件,但其结构受刀具结构所至,成本低,精度于0.15。
④.镭射下料,是利用激光切割方式,在大平板上将其平板的结构形状切割出来,同NC下料一样需编写镭射程式,它可下各种复杂形状的平板件,成本高,精度于0.1.⑤.锯床:主要用下铝型材、方管、图管、圆棒料之类,成本低,精度低。
1.钳工:沉孔、攻丝、扩孔、钻孔沉孔角度一般120℃,用于拉铆钉,90℃用于沉头螺钉,攻丝英制底孔。
2.翻边:又叫抽孔、翻孔,就是在一个较小的基孔上抽成一个稍大的孔,再攻丝,主要用板厚比较薄的钣金加工,增加其强度和螺纹圈数,避免滑牙,一般用于板厚比较薄,其孔周正常的浅翻边,厚度基本没有变化,允许有厚度的变薄30-40%时,可得到比正常翻边高度大高40-60%的高度,用挤薄50%时,可得最大的翻边高度,当板厚较大时,如2.0、2.5等以上的板厚,便可直接攻丝。
钣金加工基本工艺顺序及基础知识1、剪料:指材料经过剪板机得到矩形工件的工艺过程。
2、下料:指工件经过LASER切割或数控冲床冲裁的工艺过程。
3、落料:指在普通冲床或其他设备上使用模具加工得到产品形状的工艺过程。
4、冲孔:指工件由普通冲床和模具加工孔的工艺过程。
5、折弯:指工件由折弯机成型的工艺过程。
6、成形:指在普通冲床或其他设备上使用模具使工件变形的工艺过程。
7、抽孔:也叫“翻边”,指在普通冲床或其他设备上使用模具对工件形成圆孔边翻起的工艺过程。
8、攻牙:指在工件上加工出内螺纹的工艺过程。
9、扩孔:指用钻头或铣刀把工件上小孔加工为大孔的工艺过程。
10、沉孔:指为配合类似沉头螺钉一类的连接件,而在工件上加工出有锥度的孔的工艺过程。
11、压铆:指采用冲床或油压机把压铆螺母、压铆螺钉或压铆螺母柱等紧固件牢固地压接在工件上的工艺过程12、涨铆:指先将工件沉孔,再采用冲床或油压机把涨铆螺母牢固地压接在工件上的工艺过程。
13、拉母:指采用类似铆接的工艺。
用拉母枪把拉铆螺母(POP)等连接件牢固地连接在工件上的工艺过程。
14、拉铆:指以拉铆枪为工具用拉钉将两个或两个以上工件紧密地连接在一起的工艺过程。
15、铆接:用铆钉将两个或两个以上工件面对面连接在一起的工艺过程,若是沉头铆接,需将工件先进行沉孔。
16、冲凸包:指在冲床或油压机用模具使工件形成凸起形状的工艺过程。
17、冲撕裂:也叫“冲桥”,指在冲床或油压机用模具使工件形成像桥一样形状的工艺过程。
18、冲印:指使用模具在工件上冲出文字、符号或其他印迹的工艺过程。
19、切角:指在冲床或油压机上使用模具对工件角进行切除的工艺过程。
20、冲网孔:指在普通冲床或或数控冲床上用模具对工件冲出网状的孔。
21、拍平:指对有一定形状的工件过渡到平整的工艺过程。
22、钻孔:指在钻床或铣床上使用钻头对工件进行打孔的工艺过程。
23、倒角:指使用模具、锉刀、打磨机等对工件的尖角进行加工的工艺过程。
钣金生产工艺流程钣金生产工艺流程是指将金属板材经过铣削、冲压、折弯、焊接等工艺加工,最终形成具有一定形状和尺寸的金属制品的过程。
下面将详细介绍一下钣金生产工艺流程。
首先是原料准备。
钣金生产的原料主要是金属板材,一般使用的有冷轧板、热轧板、不锈钢板等材料。
在进行生产之前,需要对原材料进行严格的检验和选择,确保材料质量符合要求。
接下来是模具制作。
钣金生产过程需要使用各种模具,包括冲裁模具、折弯模具、成型模具等。
模具的设计和制作需要依据产品的形状和尺寸要求进行,确保能够精确加工出产品所需的形状。
然后是裁剪和冲压。
裁剪是将金属板材按照指定的尺寸进行切割,冲压是利用模具对金属板材进行冲裁,将其冲出预定的形状。
这两个工序是钣金生产中最基础的环节,关乎产品质量的精度和准确度,因此需要非常小心和谨慎。
接下来是折弯和成型。
折弯是将冲压好的金属板材按照设计要求进行弯曲,使其形成所需的形状。
成型是将金属板材通过压力和模具加工,使其得到进一步的变形和加工。
这两个工序需要使用专门的折弯机和成型设备,操作者需要熟练掌握机器的使用方法和技巧,保证产品加工质量。
最后是焊接和表面处理。
焊接是将不同部件的金属板材通过熔接的方式连接在一起,使其形成一个完整的产品。
表面处理包括喷涂、镀铬等处理方式,用于保护产品表面,提高产品的质感和美观度。
在整个钣金生产工艺流程中,每个环节都需要严格控制和管理,确保产品的质量和准确度。
而且,钣金生产工艺流程的流程优化和精益化改进,也是钣金企业提高生产效率和降低成本的重要手段。
总之,钣金生产工艺流程是一个多环节、高技术要求的过程,需要严格控制每个环节的工艺参数和质量要求,确保最终的产品能够达到设计要求。
随着科技的发展和自动化设备的应用,钣金生产工艺流程也在不断演进和改进,使得钣金制造行业的发展更加繁荣。
钣金工艺流程-钣金加工流程什么是钣金加工工艺技术钣金加工是针对金属薄板(一般在6mm如下)旳一种综合冷加工工艺,包括剪切,冲裁、折弯,焊接、模具成型及表面处理等,其明显特性就是同一零件厚度一致。
钣金加工所需设备1.下料设备:一般剪床、数控剪床、激光切割机、数控冲床2.成形设备:一般冲床、网孔机、折床和数控折床。
3.焊接设备:氩弧焊机、二氧化碳保护焊机、点焊机、机器人焊机。
4.表面处理设备:拉丝机、喷沙机、抛光机、电镀槽、氧化槽烤漆线5.调形设备:校平机钣金加工一般用到旳材料:冷轧板(SPCC)、镀锌板(SECC)、铜板、铝板、不锈钢板、铝材等.其作用各不相似.至于怎样选用,一般需从其用途及成本上来考虑.1.冷轧板.简称SPCC,用于表面处理是电镀五彩锌或烤漆件使用.2.镀锌板.简称SECC,用于表面处理是烤漆件使用.在无尤其规定下,一般选用SPCC,可减少成本.3.铜板.一般用于镀镍或镀铬件使用,有时不作处理.跟据客户规定而定.4.铝板.一般用于表面处理是铬酸盐或氧化件使用.5.不锈钢板.分镜面不锈钢和雾面不锈钢,它不需要做任何处理.6.铝型材.一般用于表面处理是铬酸盐或氧化件使用.重要起支撑或连接作用,大量用于多种插箱中钣金加工流程对于任何一种钣金件来说,它均有一定旳加工过程,也就是所谓旳工艺流程.伴随钣金件构造旳差异,工艺流程也许各不相似。
1领料-2取料-3冲孔-4折弯-5焊接-6打磨-7检测-8喷塑 -9半成品检测-10入库。
喷涂流程:喷底漆→面漆→罩光漆→烘烤(180-250℃)→质检.1.设计并绘出其钣金件旳零件图,又叫三视图.其作用是用图纸方式将其钣金件旳构造体现出来.2.绘制展开图.也就是将一构造复杂旳零件展开成一种平板件.3.下料.下料旳方式有诸多种,重要有如下几种方式:a.剪床下料.是运用剪床剪出展开图旳外形长宽尺寸.若有冲孔、切角旳,再转冲床结合模具冲孔、切角成形.b.冲床下料.是运用冲床分一步或多步在板材上将零件展开后旳平板件构造冲制成形.其长处是花费工时短,效率高,可减少加工成本,在批量生产时常常用到. c. NC数控下料.NC下料时首先要编写数控加工程序.就是运用编程软件,将绘制旳展开图编写成NC数控加工机床可识别旳程序.让其跟据这些程序一步一步旳在一块铁板上,将其平板件旳构造形状冲制出来.d.激光下料.是运用激光切割方式,在一块铁板上将其平板件旳构造形状切割出来.4.翻边攻丝.翻边又叫抽孔,就是在一种较小旳基孔上抽成一种稍大旳孔,再在抽孔上攻丝.这样做可增长其强度,防止滑牙.一般用于板厚比较薄旳钣金加工.当板厚较大时,如2.0、2.5等以上旳板厚,我们便可直接攻丝,不必翻边.5.冲床加工.一般冲床加工旳有冲孔切角、冲孔落料、冲凸包、冲扯破、抽孔等加工方式,以到达加工目旳.其加工需要有对应旳模具来完毕操作.冲凸包旳有凸包模,冲扯破旳有扯破成形模等.6.压铆.压铆就本厂而言,常常用到旳有压铆螺柱、压铆螺母、压铆螺钉等,其压铆方式一般通过冲床或液压压铆机来完毕操作,将其铆接到钣金件上.7.折弯.折弯就是将2D旳平板件,折成3D旳零件.其加工需要有折床及对应旳折弯模具来完毕操作.它也有一定旳折弯次序,其原则是对下一刀不产生干涉旳先折,会产生干涉旳后折.8.焊接.焊接就是将多种零件组焊在一起,到达加工旳目旳或是单个零件边缝焊接,以增长其强度.其加工方一般有如下几种:CO2气体保护焊、氩弧焊、点焊、机器人焊接等.这些焊接方式旳选用是根据实际规定和材质而定.一般来说CO2气体保护焊用于铁板类焊接;氩弧焊用于铝板类焊接;机器人焊接重要是在料件较大和焊缝较长时使用.如机柜类焊接,可采用机器人焊接,可节省诸多任务时,提高工作效率和焊接质量.9.表面处理.表面处理一般有磷化皮膜、电镀五彩锌、铬酸盐、烤漆、氧化等.磷化皮膜一般用于冷轧板和电解板类,其作用重要是在料件表上镀上一层保护膜,防止氧化;再来就是可增强其烤漆旳附着力.电镀五彩锌一般用冷轧板类表面处理;铬酸盐、氧化一般用于铝板及铝型材类表面处理;其详细表面处理方式旳选用,是根据客户旳规定而定.10.组装.所谓组装就是将多种零件或组件按照一定旳方式组立在一起,使之成为一种完整旳料品。
常見鈑金件加工的工藝流程一、材料的選用鈑金加一般用到的材料有冷軋板(SPCC)、熱軋板(SHCC)、鍍鋅板(SEC C、SGCC),銅(CU)黃銅、紫銅、鈹銅,鋁板(6061、6063、硬鋁等),鋁型材,不銹鋼(鏡面、拉絲面、霧面),根據產品作用不同,選用材料不同,一般需從產品其用途及成本上來考慮。
1〃冷軋板SPCC,主要用電鍍和烤漆件,成本低,易成型,材料厚度≤3.2mm。
2〃熱軋板SHCC,材料T≥3.0mm ,也是用電鍍,烤漆件,成本低,但難成型,主要用平板件。
3〃鍍鋅板SECC、SGCC。
SECC電解板分N料、P料,N料主要不作表面處理,成本高,P料用於噴塗件。
4〃銅;主要用導電作用料件,其表面處理是鍍鎳、鍍鉻,或不作處理,成本高。
5〃鋁板;一般用表面鉻酸鹽(J11-A),氧化(導電氧化,化學氧化),成本高,有鍍銀,鍍鎳。
6〃鋁型材;截面結構複雜的料件,大量用於各種插箱中。
表面處理同鋁板。
7〃不銹鋼;主要用不作任何表面處理,、成本高。
二、圖面審核要編寫零件的工藝流程,首先要知道零件圖的各種技術要求;則圖面審核是對零件工藝流程編寫的最重要環節。
1〃檢查圖面是否齊全。
2〃圖面視圖關係,標注是否清楚,齊全,標注尺寸單位。
3〃裝配關係,裝配要求重點尺寸。
4〃新舊版圖面區別。
5〃外文圖的翻譯。
6〃表處代號轉換。
7〃圖面問題回饋與處埋。
8〃材料9〃品質要求與工藝要求10〃正式發行圖面,頇加蓋品質控制章。
三、展開注意事項展開圖是依據零件圖(3D)展開的平面圖(2D)1〃展開方式要合,要便利節省材料及加工性2〃合理選擇問隙及包邊方式,T=2.0以下問隙0.2,T=2-3問隙0.5,包邊方式採用長邊包短邊(門板類)3〃合理考慮公差外形尺寸:負差走到底,正差走一半;孔形尺寸:正差走到底,負差走一半。
4〃毛刺方向5〃抽牙、壓鉚、撕裂、沖凸點(包),等位置方向,畫出剖視圖6〃核對材質,板厚,以板厚公差7〃特殊角度,折彎角內半徑(一般R=0.5)要試折而定展開8〃有易出錯(相似不對稱)的地方應重點提示9〃尺寸較多的地方要加放大圖10〃需噴塗保護地方頇表示四、板金加工的工藝流程根據鈑金件結構的差異,工藝流程可各不相同,但總的不超過以下幾點。
钣金加工工艺流程1简介1.1简介按钣金件的基本加工方式,如下料、折弯、拉伸、成型、焊接。
本规范阐述每一种加工方式所要注意的工艺要求.1.2关键词钣金、下料、折弯、拉伸、成形、排样、最小弯曲半径、毛边、回弹、打死边、焊接2 下料下料根据加工方式的不同,可分为普冲、数冲、剪床开料、激光切割、风割,由于加工方法的不同,下料的加工工艺性也有所不同. 钣金下料方式主要为数冲和激光切割2.1数冲是用数控冲床加工,板材厚度加工范围为冷扎板、热扎板小于或等于3。
0mm,铝板小于或等于4。
0mm,不锈钢小于或等于2.0mm2.2冲孔有最小尺寸要求冲孔最小尺寸与孔的形状、材料机械性能和材料厚度有关。
图2。
2.1 冲孔形状示例材料圆孔直径b 矩形孔短边宽b高碳钢1。
3t 1。
0t低碳钢、黄铜 1.0t 0。
7t铝0。
8t 0。
5t*高碳钢、低碳钢对应的公司常用材料牌号列表见第7章附录A.表1冲孔最小尺寸列表2.3数冲的孔间距与孔边距零件的冲孔边缘离外形的最小距离随零件与孔的形状不同有一定的限制,见图2.3.1.当冲孔边缘与零件外形边缘不平行时,该最小距离应不小于材料厚度t;平行时,应不小于1。
5t.(图1.4)图2。
3。
1 冲裁件孔边距、孔间距示意图2.4折弯件及拉深件冲孔时,其孔壁与直壁之间应保持一定的距离折弯件或拉深件冲孔时,其孔壁与工件直壁之间应保持一定的距离(图2.4。
1)图2.4。
1 折弯件、拉伸件孔壁与工件直壁间的距离2.5螺钉、螺栓的过孔和沉头座螺钉、螺栓过孔和沉头座的结构尺寸按下表选取取.对于沉头螺钉的沉头座,如果板材太薄难以同时保证过孔d2和沉孔D,应优先保证过孔d2.表2用于螺钉、螺栓的过孔*要求钣材厚度t≥h.表3用于沉头螺钉的沉头座及过孔*要求钣材厚度t≥h.表4用于沉头铆钉的沉头座及过孔2.6激光切割是用激光机飞行切割加工,板材厚度加工范围为冷扎板热扎板小于或等于20。
0mm, 不锈钢小于10。
钣金加工工艺流程
随着当今社会的发展,钣金业也随之迅速发展,现在钣金涉及到各行各业,对于任何一个钣金件来说,它都有一定的加工过程,也就是所谓的工艺流程,要了解钣金加工流程,首先要知道钣金材料的选用。
一、材料的选用,钣金加一般用到的材料有冷轧板(SPCC)、热轧板(SHCC)、镀锌板(SECC、SGCC),铜(CU)黄铜、紫铜、铍铜,铝板(6061、6063、硬铝等),铝型材,不锈钢(镜面、拉丝面、雾面),根据产品作用不同,选用材料不同,一般需从产品其用途及成本上来考
虑。
1.冷轧板SPCC,主要用电镀和烤漆件,成本低,易成型,材料厚度≤3.2mm。
2.热轧板SHCC,材料T≥3.0mm ,也是用电镀,烤漆件,成本低,但难成型,主要用平板件。
3.镀锌板SECC、SGCC。
SECC电解板分N料、P料,N料主要不作表面处理,成本高,P料用于喷涂
件。
4.铜;主要用导电作用料件,其表面处理是镀镍、镀铬,或不作处理,成本高。
5.铝板;一般用表面铬酸盐(J11-A),氧化(导电氧化,化学氧化),成本高,有镀银,镀镍。
6.铝型材;截面结构复杂的料件,大量用于各种插箱中。
表面处理同铝板。
7.不锈钢;主要用不作任何表面处理,、成本高。
二、图面审核,要编写零件的工艺流程,首先要知道零件图的各种技
术要求;则图面审核是对零件工艺流程编写的最重要环节。
1.检查图面是否齐全。
2.图面视图关系,标注是否清楚,齐全,标注尺寸单位。
3.装配关系,装配要求重点尺寸。
4.新旧版图面区别。
5.外文图的翻译。
6.表处代号转换。
7.图面问题反馈与处埋。
8.材料
9.品质要求与工艺要求
10.正式发行图面,须加盖品质控制章。
三、展开注意事项,展开图是依据零件图(3D)展开的平面图(2D)
1.展开方式要合理,要便利节省材料及加工性
2.合理选择问隙及包边方式,T=2.0以下问隙0.2,T=2-3问隙0.5,
包边方式采用长边包短边(门板类)
3.合理考虑公差外形尺寸:负差走到底,正差走一半;孔形尺寸:
正差走到底,负差走一半。
4.毛刺方向
5.抽牙、压铆、撕裂、冲凸点(包),等位置方向,画出剖视图
6.核对材质,板厚,以板厚公差
7.特殊角度,折弯角内半径(一般R=0.5)要试折而定展开
8.有易出错(相似不对称)的地方应重点提示
9.尺寸较多的地方要加放大图
10.需喷涂保护地方须表示
四、板金加工的工艺流程,根据钣金件结构的差异,工艺流程可各不
相同,但总的不超过以下几点。
1、下料:下料方式有各种,主要有以下几种方式
①.剪床:是利用剪床剪切条料简单料件,它主要是为模具落料成形
准备加工,成本低,精度低于0.2,但只能加工无孔无切角的条料或块料。
②.冲床:是利用冲床分一步或多步在板材上将零件展开后的平板件冲裁成形各种形状料件,其优点是耗费工时短,效率高,精度高,成本低,适用大批量生产,但要设计模
具。
③. NC数控下料,NC下料时首先要编写数控加工程式,利用编程软件,将绘制的展开图编写成NC数拉加工机床可识别的程式,让其根据这些程式一步一刀在平板上冲裁各构形状平板件,但其结构受刀具结构所至,成本低,精度于0.15。
④.镭射下料,是利用激光切割方式,在大平板上将其平板的结构形
状切割出来,同NC下料一样需编写镭射程式,它可下各种复杂形状的平板件,成本高,精度于0.1.
⑤.锯床:主要用下铝型材、方管、图管、圆棒料之类,成本低,精度低。
1.钳工:沉孔、攻丝、扩孔、钻孔
沉孔角度一般120℃,用于拉铆钉,90℃用于沉头螺钉,攻丝英制底孔。
2.翻边:又叫抽孔、翻孔,就是在一个较小的基孔上抽成一个稍大的孔,再攻丝,主要用板厚比较薄的钣金加工,增加其强度和螺纹圈数,避免滑牙,一般用于板厚比较薄,其孔周正常的浅翻边,厚度基本没有变化,允许有厚度的变薄30-40%时,可得到比正常翻边高度大高40-60%的高度,用挤薄50%时,可得最大的翻边高度,当板厚较大时,如2.0、2.5等以上的板厚,便可直接攻丝。
3.冲床:是利用模具成形的加工工序,一般冲床加工的有冲孔、切角、落料、冲凸包(凸点),冲撕裂、抽孔、成形等加工方式,其加工需要有相应的模具来完成操作,如冲孔落料模、凸包模、撕裂模、抽孔模、成型模等,操作主要注意位置,方向性。
4.压铆:压铆就本公司而言,主要有压铆螺母、螺钉、松不脱等,其是通过液压压铆机或冲床来完成操作,将其铆接到钣金件上,还有涨铆方式,需注意方向性。
5.折弯;折弯就是将2D的平板件,折成功D的零件。
其加工需要有折床及相应折弯模具完成,它也有一定折弯顺序,其原则是对下一刀不产生干涉的先折,会产生干涉的
后折。
l 折弯条数是T=3.0mm以下6倍板厚计算槽宽,如:T=1.0、
V=6 .0 F=1.8、T=1.2、V=8、F=2.2、T=1.5、V=10、
F=2.7、T=2.0、V=12、
F=4.0
l 折床模具分类,直刀、弯刀(80℃、30℃)
l 铝板折弯时,有裂纹,可增加下模槽宽式增加上模R(退火可避免裂纹)
l 折弯时注意事项:Ⅰ图面,要求板材厚度,数量;Ⅱ折弯方向
Ⅲ折弯角度;Ⅳ折弯尺寸;Ⅵ外观、电镀铬化料件不许有折痕。
折弯与压铆工序关系,一般情况下先压铆后折弯,但有料件压铆后会干涉就要先折后压,又有些需
折弯—压铆—再折弯等工序。
6.焊接:焊接定义:被焊材料原子与分子距京达晶格距离形成一体
①分类:a 熔化焊:氩弧焊、CO2焊、气体焊、手工焊
b 压力焊:点焊、对焊、撞焊
c 钎焊:电铬焊、铜丝
②焊接方式:a CO2气体保护焊
b 氩弧焊
c 点焊接等
d 机器人焊
焊接方式的选用是根据实际要求和材质而定,一般来说CO2气体保护焊用于铁板类焊搠;氩弧焊用于不锈钢、铝板类焊接上,机器人焊接,可节省工时,提高工作效率和焊接质量,减轻工作强度。
③焊接符号:Δ 角焊,Д、I型焊, V型焊接,单边V型焊接(V)带钝边V型焊接(V),点焊(O),塞焊或槽焊(∏),卷边焊(χ),带钝边单边V型焊(V),带钝之U型焊,
带钝的J型焊,封底焊,逢焊
④箭头线和接头
⑤焊接缺失及其预防措失
点焊:强度不够可打凸点,强加焊接面积
CO2焊:生产率高,能源消耗少,成本低,抗锈能力强
氩弧焊:溶深浅,溶接速度慢,效率低,生产成本高,具有夹钨缺陷,但具有焊接质量较好的优点,
可焊接有色金属,如铝、铜、镁等。
⑥焊接变形原因:焊接前准备不足,需增加夹具
焊接治具不良改善工艺
焊接顺序不好
⑦焊接变形效正法:火焰效正法
振动法
锤击法
人工时效法
钣金报价计算方式
钣金的制造核价是按操作时间计算的
激光切割8RMB/M每个小孔洞按1RMB计算
数控计价5RMB/Min
数控折弯计价每边1RMB大边加倍
冷作焊接计算一天70RMB,每工一天50KG为基准
以上计算方式需综合素质高,对行业动态极为了解,即操作困难
以下钣金计算是不考虑制造加工工艺的经验计算式:
材料价 = 展开落料公斤数 x 市场材料价
加工费计算:不考虑工艺,税收,管理费用及运费
基准计算:3200RMB/T的冷轧钢板t = 2.0 1804-m 7级 IT7
冷作加工费用:8.0~8.4RMB/KG,工人每工制作50KG以上,
冷作包括以下:砂轮机切割、老式剪床、老式折弯机、火焰穿孔、老电焊、外包价格为7.2~7.5RMB/KG。
以上加工系数基数设置为 1 。
数控剪板、数控冲孔、数控折弯、CO2保护焊,该外包费用取系数2.5~3.5,并根据制程数、复杂度考虑系数的取上和取下。
激光切割为冲的2倍;
当板材不等于 2时,加工费用按等于 2计算
当板材小于 1.2时,加工费用加乘2.5~3.5
材料市场价浮动时,加工费用基数不变。
如板金制作中全装配,无焊接,则计数系数加乘0.75~0.85,一般取大;
如公差等级提高为1804-f时,计数系数加乘1.5~2;
如为批量清理毛刺倒钝加工时,计数系数加乘1.1~1.5;
表面喷塑价为 20~30 RMB /m2;
表面三度油漆加工价为 15~20RMB/m2;
有特殊要求的,制造加工困难,必须考虑成品率,将成品率系数加乘;。