班组班前安全活动记录表木工班组
- 格式:docx
- 大小:30.46 KB
- 文档页数:5
安全早班会记录表工程名称:项目劳务班组:木工日期:年月日作业部位作业人数防护设施及环境个人防护用品配备作业环境防护措施作业面安全帽安全带其他注:规范的打√,不符合规范的打×班前安全教育早会内容一、作业范围施工现场、楼层内切割模板、支模、拆模。
其他:二、危险分布及注意事项:1、在施工现场必须带好安全帽,系好下颚帽带。
2、身体不舒服或喝酒之后不要进入工地。
3、在工地里不要吸烟。
4、在工地里面,尽量不要踩模板、木方,防止踏空或扎脚。
5、在工地跟别人出现矛盾时不要打架斗殴,第一时间找现场管理人员。
6、在现场要是发现安全防护不到位或发生紧急情况,第一时间打电话找班组长或者项目管理人员。
7、需要接电时,不要自己接电,要找专业电工接电。
8、在现场不要随意拆除临边防护、洞口防护、连墙件、安全网等安全防护设施。
实在需要拆除时,要先通知项目管理人员。
9、塔吊转运材料时,一定要找塔吊指挥、听塔吊指挥的。
10、用圆盘锯时短于30cm的材料不要用手直接推进,长料加工必须两人配合两头接送木料。
11、装拆外侧模板时,一定要看一下下方有没有人,不要让材料、工具等掉下去;要注意脚手架钢芭网是不是铺好,外架离墙间距是不是过大,如果存在,暂停该部位作业,立马告诉班组长。
12、堆放材料时,不要斜靠、堆放在外架上。
13、材料用卸料平台转运时,不要随意往里面扔。
三、安全操作要求1、作业前班组对所作业的作业环境、设备进行一次全面检查,对查出的隐患要立即组织整改,班组不能整改的立即报告项目部进行整改,未得到整改,不能冒险作业。
2、班组工人,不管是何时入场的都要到项目部登记,并将身份证复印件交项目部,由项目部组织进行工人入场的三级安全教育,否则由班组长承担责任。
3、支模时,支撑不得使用腐朽、扭裂的材料。
顶撑腰要直、底端要平整,垫土夯实,木楔要钉牢,并用横顺拉杆和剪力撑拉牢。
支撑、拉杆不准连接在门窗、脚手架或其它不稳固的物体上。
模板支撑严格执行模板支撑专项施工组织设计。
班组安全活动记录表_木工一、活动基本信息活动日期:2022年10月10日活动地点:某某工地活动参与人员:木工班组全体成员二、活动内容1. 安全教育培训在活动开始前,我们组织了一次安全教育培训,内容包括工地常见的安全隐患、安全操作规程以及应急处理方法等。
培训由专业的安全员进行讲解,并进行了互动问答,以确保所有成员都能充分理解和掌握相关知识。
2. 安全设施检查在活动过程中,我们对工地内的安全设施进行了检查,包括防护栏、安全网、安全标识等。
发现有损坏或缺失的设施及时报告相关负责人,并立即进行修复或更换,以保障工人的安全。
3. 安全操作规范我们对木工操作过程中的安全规范进行了再次强调,包括使用安全防护装备、正确使用工具、遵守操作规程等。
通过现场示范和讲解,提醒每位木工工人要时刻保持警觉,严格按照规范操作,避免发生安全事故。
4. 安全隐患排查我们对工地内可能存在的安全隐患进行了全面排查,包括材料堆放、电线敷设、工具摆放等。
发现有安全隐患的地方,立即进行整改,并对所有木工工人进行了相关安全知识的再次强调,提高他们的安全意识。
5. 安全事故案例分享为了引起木工班组成员对安全问题的重视,我们分享了一些实际发生的安全事故案例。
通过案例分析,让大家深刻认识到安全事故的危害性,以及如何避免类似事故的发生。
同时,我们也鼓励大家积极参与安全管理,及时发现和报告潜在的安全隐患。
三、活动效果1. 提高了木工班组成员的安全意识通过本次安全活动,木工班组成员对安全问题有了更深入的了解,并对安全操作规范有了更好的掌握。
大家纷纷表示,在今后的工作中将更加重视安全,严格按照规范操作,确保自身和他人的安全。
2. 发现并及时处理了一些安全隐患通过对工地的全面排查,我们发现了一些存在的安全隐患,并及时进行了整改。
这些隐患的处理不仅保障了木工班组成员的安全,也为整个工地的安全环境做出了贡献。
3. 增强了团队合作意识在活动中,木工班组成员积极参与讨论和互动,共同关注安全问题,形成了良好的团队合作氛围。
班组班前安全活动记录木工活动目的本次班前安全活动旨在加强班组成员的安全意识,提醒木工在日常工作中应注意的安全事项,预防工作中可能发生的意外事故,确保工作的安全与顺利进行。
活动时间活动日期:XXXX年XX月XX日活动时间:上午9:00-9:30活动地点活动地点:班组会议室参与人员•班组组长•木工班组成员活动流程1.开场导言(5分钟)–组长向全体木工成员简要介绍本次活动的目的和重要性。
–强调安全意识的重要性,提醒工友们在工作中要时刻保持警惕。
2.安全事故案例分享(10分钟)–组长分享一些木工工作中常见的安全事故,并分析事故原因。
–这些案例能够给木工们提供实际的参考,引起他们的警觉。
3.安全操作规范宣讲(10分钟)–组长以PPT的形式向木工班组成员介绍常见的安全操作规范。
–强调每个操作规范的重要性,并提醒大家不可忽视任何一个细节。
4.风险评估与控制(5分钟)–木工班组成员分小组进行讨论,共同针对木工作业中可能存在的风险进行评估。
–各小组汇报评估结果,并提出相应的风险控制措施。
5.安全知识问答(10分钟)–由组长提出一些与木工工作安全相关的问题,木工成员积极参与回答。
–通过问答形式激发大家对安全知识的关注和学习。
6.总结与反馈(5分钟)–组长对本次活动进行总结,再次强调安全意识的重要性。
–鼓励木工班组成员将所学到的知识运用到日常工作中,互相监督和提醒。
活动效果通过本次班前安全活动,木工班组成员对木工作业中的安全注意事项有了更深入的了解,增强了安全意识和责任心。
各小组对木工作业中的潜在风险进行了评估,并提出了相应的风险控制措施,进一步提高了工作的安全性和效率。
下一步措施•组长将定期开展班前安全活动,以持续提醒木工班组成员注意安全。
•鼓励木工班组成员举报工作中存在的安全隐患,及时解决问题,确保工作的安全进行。
结论本次班组班前安全活动对于加强木工班组成员的安全意识、预防工作中可能发生的安全事故起到了促进作用。
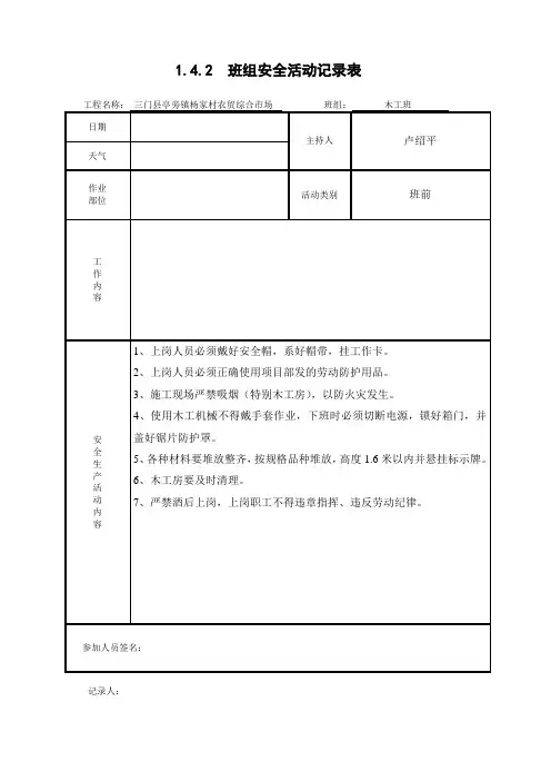
工程名称:三门县亭旁镇杨家村农贸综合市场班组:木工班日期主持人卢绍平天气作业部位活动类别班前工作内容安全生产活动内容1、上岗人员必须戴好安全帽,系好帽带,挂工作卡。
2、上岗人员必须正确使用项目部发的劳动防护用品。
3、施工现场严禁吸烟(特别木工房),以防火灾发生。
4、使用木工机械不得戴手套作业,下班时必须切断电源,锁好箱门,并盖好锯片防护罩。
5、各种材料要堆放整齐,按规格品种堆放,高度1.6米以内并悬挂标示牌。
6、木工房要及时清理。
7、严禁酒后上岗,上岗职工不得违章指挥、违反劳动纪律。
参加人员签名:记录人:工程名称:三门县亭旁镇杨家村农贸综合市场班组:木工班日期主持人卢绍平天气作业部位活动类别班前工作内容安全生产活动内容1、上岗人员必须戴好安全帽,系好帽带,挂工作卡。
2、上岗人员必须正确使用项目部发的劳动防护用品。
3、施工现场严禁吸烟(特别木工房),以防火灾发生。
4、木工房要及时清理。
5、搭设支模架、扣件要坚固,必须按施工方案操作。
6、严禁酒后上岗,上岗职工不得违章指挥、违反劳动纪律。
参加人员签名:记录人:工程名称:三门县亭旁镇杨家村农贸综合市场班组:木工班日期主持人卢绍平天气作业部位活动类别班前工作内容安全生产活动内容1、上岗人员必须戴好安全帽,系好帽带,挂工作卡。
2、上岗人员必须正确使用项目部发的劳动防护用品。
3、施工现场严禁吸烟(特别木工房),以防火灾发生。
4、使用木工机械不得戴手套作业,下班时必须切断电源,锁好箱门,并盖好据片防护罩。
5、各种材料要堆放整齐,按规格品种堆放,高度1.6米以内并悬挂标示牌。
6、木工房要及时清理。
7、严禁酒后上岗,上岗职工不得违章指挥、违反劳动纪律。
参加人员签名:记录人:工程名称:三门县亭旁镇杨家村农贸综合市场班组:木工班日期主持人卢绍平天气作业部位活动类别班前工作内容安全生产活动内容1、戴好个人防护用品,遵守安全纪律,严格按操作规程作业,文明施工。
2、上岗作业前检查作业周围环境是否符合安全要求。
班组安全活动记录-木工.doc班组安全活动记录编号:木工班组名称主持人日期参加人员:全体木工施工人员活动内容:1.进入现场必须遵守安全生产纪律。
2.作业人员进入现场必须戴好安全帽,扣好安全带,并正确使用个人劳动保护用品。
3.使用的工具不得乱放,地面作业时应随时入工具箱。
4.作业时使用的铁钉,不得含在嘴中。
5.作业前应检查所使用的工具,如手柄有无松动,断裂等。
手持电动工具的漏电保护器应试机检查,合格后方可使用。
操作时戴绝缘手套。
主持人签名:注:本表要求项目施工过程遇有季节变化、上级文件精神贯彻、企业、行业、国家有安全活动时,项目部对班组安全活动内容记录。
各班组班前、班后的安全活动另行记录。
此表以供参考。
班组安全活动记录编号:班组名称木工主持人日期参加人员:全体木工施工人员活动内容:1.模板安装前应认真检查模板、支撑等构件是否符合要求,木模板及支撑材质是否合格。
2.成品、半成品、木材应堆放整齐,不得随意乱放。
3.木工作业场所的刨花、木屑、碎木必须自产自清、日产日清、活完场清。
主持人签名:注:本表要求项目施工过程遇有季节变化、上级文件精神贯彻、企业、行业、国家有安全活动时,项目部对班组安全活动内容记录。
各班组班前、班后的安全活动另行记录。
此表以供参考。
班组安全活动记录编号:班组名称木工主持人日期参加人员:全体木工施工人员活动内容:1.进入施工现场必须戴安全帽。
2.二人抬运模板时须互相配合,协同工作,传递模板,工具应用运输工具或绳子系牢后升降,不得乱抛。
3.不得在脚手架上堆放模板等材料。
主持人签名:注:本表要求项目施工过程遇有季节变化、上级文件精神贯彻、企业、行业、国家有安全活动时,项目部对班组安全活动内容记录。
各班组班前、班后的安全活动另行记录。
此表以供参考。
班组安全活动记录编号:班组名称木工主持人日期参加人员:全体木工操作人员活动内容:1.进入现场必须遵守安全生产六大纪律。
2.拆除模板一般用长撬棍,人不许站在拆除的模板上,在拆除楼板时,应注意整块楼板掉下来。
班组班前安全活动记录木工楼层引言班前安全活动是为了加强安全意识、提高工作环境的安全性而进行的一项重要工作。
本文档记录了班组在木工楼层进行的班前安全活动的内容及要点。
1. 班前安全活动时间和地点•时间:每天早上班前半小时•地点:木工楼层2. 参与人员•班组成员:包括木工、助手和学徒•班组负责人:主持班前安全活动3. 活动内容3.1 安全意识培训•班组负责人带领班组成员进行安全意识培训,主要内容包括:–识别潜在危险因素:如尖锐工具、材料堆放、电源线等;–安全操作规范:包括正确使用工具、穿戴个人防护装备、不乱丢废料等;–紧急事故应对:包括火灾、意外伤害等应急处理方式。
3.2 工作区域安全检查•班组成员在班前安全活动中对工作区域进行安全检查,主要内容包括:–工作区域周边是否存在杂物、阻碍通行物品,及时清理;–检查工作台面是否平整、稳定,防止物品滑落或倾倒;–检查电源线路是否正常,存在问题及时报修。
3.3 个人防护装备确认•班组成员在班前安全活动中确认个人防护装备的佩戴情况,主要内容包括:–确认是否佩戴防护手套、护目镜等个人防护装备;–检查个人防护装备是否完好,如发现磨损或损坏应及时更换。
3.4 班组安全标语强调•班组负责人为了加强安全意识,每次班前安全活动结束时会强调班组安全标语,如:–安全第一,事故零容忍!–珍爱生命,关注安全!4. 班组安全活动记录•班组负责人会将每次班前安全活动的内容、参与人员等进行记录,以便后续追踪和分析安全情况。
•记录内容包括:–活动日期、时间、地点;–参与人员名单;–活动内容和要点;–班组负责人的总结和反馈。
结论班组班前安全活动对提高员工的安全意识、消除工作环境的潜在安全隐患起到了重要作用。
该活动每天在木工楼层进行,包括安全意识培训、工作区域安全检查、个人防护装备确认和班组安全标语强调等环节。
同时,班组负责人会记录每次活动的具体内容,并根据情况进行总结和反馈,以便后续改进和跟踪。
表班组(周)安全活动记录班组名称:木工班组日期:表班组(周)安全活动记录班组名称:木工班组日期:班组(周)安全活动记录班组名称:水电班组日期:表班组(周)安全活动记录班组名称:木工班组日期:表班组(周)安全活动记录班组名称:木工班组日期:表班组(周)安全活动记录班组名称:瓦工班组日期:表班组(周)安全活动记录班组名称:木工班组日期:表班组(周)安全活动记录班组名称:电焊班组日期:表班组(周)安全活动记录班组名称:瓦工班组日期:表班组(周)安全活动记录班组名称:拆除班组日期:表班组(周)安全活动记录班组名称:木工班组日期:表班组(周)安全活动记录班组名称:水电班组日期:表班组(周)安全活动记录班组名称:防水班组日期:表班组(周)安全活动记录班组名称:木工班组日期:表班组(周)安全活动记录班组名称:水电班组日期:表班组(周)安全活动记录班组名称:瓦工班组日期:表班组(周)安全活动记录班组名称:木工班组日期:表班组(周)安全活动记录班组名称:水电工班组日期:表班组(周)安全活动记录班组名称:瓦工班组日期:表班组(周)安全活动记录班组名称:油漆工班组日期:表班组(周)安全活动记录班组名称:水电工班组日期:表班组(周)安全活动记录班组名称:瓦工班组日期:表班组(周)安全活动记录班组名称:油漆工班组日期:表班组(周)安全活动记录班组名称:油漆工班组日期:. 1表班组(周)安全活动记录班组名称:木工班组日期:表班组(周)安全活动记录班组名称:水电工班组日期:表班组(周)安全活动记录班组名称:瓦工班组日期:表班组(周)安全活动记录班组名称:拆除班组日期:表班组(周)安全活动记录班组名称:木工班组日期:表班组(周)安全活动记录班组名称:水电班组日期:表班组(周)安全活动记录班组名称:瓦工班组日期:表班组(周)安全活动记录班组名称:瓦工班组日期:表班组(周)安全活动记录班组名称:木工班组日期:表班组(周)安全活动记录班组名称:水电班组日期:表班组(周)安全活动记录班组名称:油漆班组日期:表班组(周)安全活动记录班组名称:铺地板班组日期:表班组(周)安全活动记录班组名称:门安装班组日期:表班组(周)安全活动记录班组名称:门安装班组日期:表班组(周)安全活动记录班组名称:铺地板班组日期:表班组(周)安全活动记录班组名称:木工班组日期:表班组(周)安全活动记录班组名称:水电班组日期:表班组(周)安全活动记录班组名称:油漆班组日期:表班组(周)安全活动记录班组名称:油漆班组日期:表班组(周)安全活动记录班组名称:水电班组日期:表班组(周)安全活动记录班组名称:水电班组日期:表班组(周)安全活动记录班组名称:油漆班组日期:表班组(周)安全活动记录班组名称:瓦工班组日期:表班组(周)安全活动记录班组名称:瓦工班组日期:表班组(周)安全活动记录班组名称:水电工班组日期:表班组(周)安全活动记录班组名称:拆除工班组日期:表班组(周)安全活动记录班组名称:油漆工班组日期:。
木工班组班前安全活动记录11前言为了保障每一位班组成员的安全,提高工作效率,充分发挥每个人的工作能力,我们在班前进行了一次安全活动,旨在提醒每个人注意工作中的安全问题,对需要注意的事项进行讲解和强调,确保我们的工作能够圆满完成。
活动内容1. 安全知识讲解首先,我们由负责人向每个成员讲解了木工作业中的常见安全知识,包括但不限于:1.工作中要注意手部安全,不得插手机器开关或处于工作状态的设备,尤其是在操作锯床、刨床等高速旋转的机器时。
2.操作机器时,要穿戴好防护装备,包括眼镜、手套、口罩等,以保护自己不受飞溅的木屑、粉尘等伤害。
3.当切割、打孔等操作涉及到电线、管道等渗透物体时,要提前检查,确认无妨再进行操作。
4.在作业区域中,不可将设备、工具等随意堆放,以免造成滑倒、碰撞等危险,必要时需要设置相应的标记和告示牌提醒其他人员。
2. 危险识别在讲解完安全知识后,我们进行了一次危险识别的活动。
这一环节,我们按照作业顺序,对木工作业可能出现的危险点进行了排查。
具体内容如下:1.首先我们对锯床和刨床进行了检查,确认是否存在危险点,如碰撞、电气漏电等等。
2.接着,我们对木材仓储处进行了检查,排查是否存在堆积、滑落等安全隐患。
3.最后,我们对作业现场进行了检查,关注是否存在越界、机器设置不正确等问题。
活动总结通过本次班前安全活动,我们深刻认识到了木工作业安全问题的严重性,加深了每个成员加强安全意识的重要性。
我们需要不断强化安全知识的学习,时刻关注工作环境中的安全隐患,并积极参与班组安全管理工作,确保自己和同事的安全。
同时,我们也深感班前安全活动的必要性,每个月我们都会开展类似的活动,不断提醒和察觉潜在的安全问题,确保我们的工作能够安心、顺利地进行。
(木工)施工现场班前(晨会)生产安全教育
活动记录
日期:[日期]
地点:[地点]
参与人员:[人员名单]
主题:生产安全教育
晨会内容:
1. 宣读安全责任书:由施工队长宣读安全责任书,提醒全体工人对安全进行高度重视,遵守相关安全规定。
2. 讲解施工现场的安全注意事项:工作班组长详细讲解了施工现场的安全要求和措施。
重点强调以下事项:
- 穿戴个人防护用品的重要性;
- 使用工具和机械设备时的注意事项;
- 高处作业时的防护措施;
- 灭火器和紧急逃生通道的位置及使用方法;
- 防止事故发生的一般措施和应对方法。
3. 宣传安全事故案例:通过宣读一起实际发生的工地安全事故
案例,引起全体工人对安全意识的进一步提高,提醒大家不轻视任
何隐患和安全风险。
4. 答疑解惑:全体工人有机会提问和解答关于生产安全的问题。
施工队长和班组长对问题进行解答,强调解决问题的重要性。
5. 安全承诺书签署:全体工人签署安全承诺书,表明自己的决
心和保证严格遵守安全规定。
总结:本次晨会以生产安全教育为主题,通过宣读
安全责任书、讲解施工现场安全注意事项和宣传安全事
故案例等环节,增强了全体工人的安全意识和责任意识。
希望大家能够严格按照规定,做好个人防护,共同创造
安全、稳定的施工环境。
下次晨会计划:下次晨会将重点讲解特殊工种的安全要求和注意事项,并组织演练,提高应对突发事故的能力。
班组安全活动记录(木工)引言本文档记录了木工班组的安全活动情况。
通过及时记录和反馈,可以促进班组成员的安全意识和安全行为,为提升工作环境的安全性和工作效率做出贡献。
活动一:安全培训为了确保班组成员掌握相关安全知识和技能,在每个月的第一个工作日,我们会组织安全培训。
本月的安全培训主要内容包括:•木工作业时的安全操作规范•切割工具的使用及注意事项•高处作业的安全防护措施所有班组成员及时参加了培训,并在培训结束后进行了签到确认。
活动二:安全检查为了及时发现工作中存在的安全隐患并采取有效措施进行纠正,每周我们会进行一次安全检查。
本周的安全检查主要针对以下几个方面进行:1.作业区域的整洁度检查,确保没有杂物和障碍物阻碍作业2.电动工具的维护保养情况检查,确保工具的正常使用3.个人防护用品的配备情况检查,如安全帽、防护手套等安全检查结果显示,目前班组的安全状况良好,未发现重大隐患。
但也提出了一些建议和改进措施,如增加安全警示标识的设置、加强工具的定期检修等。
活动三:事故统计和分析为了深入了解和分析事故发生的原因,并采取相应的预防措施,我们进行了事故统计和分析。
本月发生的事故情况包括:1.A班组成员在作业过程中磨碎机发生故障,造成手部受伤2.B班组成员由于操作不当,被木材夹住手指通过事故分析,我们发现上述事故的主要原因是操作不规范和缺乏足够的防护措施。
为预防类似事故的再次发生,我们制定了以下措施:•加强木工操作规程的培训和执行情况•检查和维修磨碎机等设备,确保其正常运行•提醒班组成员注意安全操作,配备充足的防护用品活动四:安全奖励为了激励班组成员积极参与安全活动并保持良好的安全记录,我们设立了安全奖励机制。
本月,经过评选和投票,我们评选出了安全表现优异的三名成员,分别是:1.张三:积极参与安全培训,遵守安全作业规范,无任何安全事故发生2.李四:注意安全操作细节,及时指出安全隐患并进行整改3.王五:对操作工具进行定期检修和维护,确保工具的正常运行以上三名成员将获得一定的奖金和荣誉证书的奖励,以表彰他们对安全工作的贡献。
木工班组班前安全活动记录3.设专职人员与塔吊司机配合作业,其他人员不得随意指挥。
4.禁止利用拉杆、支撑攀登上下。
5.腐朽、扭裂、劈裂的材料不得使用。
参加人数工作内容30人作业部位十五层11月18日模板拆除XXX全措施及注意事XXX1.进入施工现场必须正确穿戴好安全防护装备,确保头盔、安全带、防护眼镜等齐全。
作业前应检查使用的工具是否牢固,扳手等工具必须用绳链系挂在身上,防止掉落伤人,避免钉子扎脚和空中滑落。
2.拆下的模板垃圾应及时清运,不得堆放作业区内,以免影响施工进度和安全。
3.设专职人员与塔吊司机配合作业,其他人员不得随意指挥,确保各项工作的顺利进行。
4.禁止利用拉杆、支撑攀登上下,避免发生高空坠落等安全事故。
5.使用腐朽、扭裂、劈裂的材料会影响模板的稳定性,不得使用。
工具是否牢固,扳手等工具必须用绳链系挂在身上,防止掉落伤人。
避免钉子扎脚和空中滑落。
2.拆下的模板垃圾及时清运,不得堆放作业区内。
3.设专职人员与塔吊司机配合作业,其他人员不得随意指挥。
班组班前安全活动记录参加人数:10人工作内容:模板拆除,作业部位为十五层,日期为11月18日。
安全措施及注意事项:1.进入施工现场时必须穿戴好安全防护装备。
在作业前要检查使用的工具是否牢固,扳手等工具必须用绳链系挂在身上,以防掉落伤人,避免钉子扎脚和空中滑落。
2.拆下的模板垃圾应及时清运,不得堆放在作业区内。
3.专职人员需要与塔吊司机配合作业,其他人员不得随意指挥。
参加人数:30人工作内容:模板安装,作业部位为十六层,日期为11月27日。
安全措施及注意事项:1.进入施工现场时必须穿戴好安全防护装备。
在作业前要检查使用的工具是否牢固,扳手等工具必须用绳链系挂在身上,以防掉落伤人,避免钉子扎脚和空中滑落。
2.使用木工机械前,必须检查电源开关是否灵活,接地是否可靠。
3.专职人员需要与塔吊司机配合作业,其他人员不得随意指挥。
4.禁止利用拉杆、支撑攀登上下。