部分符合国家第三阶段机动车排放标准车型
- 格式:doc
- 大小:93.50 KB
- 文档页数:22
环境保护部公告2011年第58号――关于发布达到国家机动车排放标准的新生产机动车型和发动机型的公
告
文章属性
•【制定机关】环境保护部(已撤销)
•【公布日期】2011.08.23
•【文号】环境保护部公告2011年第58号
•【施行日期】2011.08.23
•【效力等级】部门规范性文件
•【时效性】现行有效
•【主题分类】环境标准
正文
环境保护部公告
(2011年第58号)
关于发布达到国家机动车排放标准的新生产机动车型和发动机型的公告
经国务院同意,环境保护部对符合国家环境保护标准的机动车产品进行型式核准。
经审核,现对符合《轻型汽车污染物排放限值及测量方法(中国Ⅲ、Ⅳ阶段)》(GB18352.3-2005)、《车用压燃式、气体燃料点燃式发动机与汽车排气污染物排放限值及测量方法(中国Ⅲ、Ⅳ、Ⅴ阶段)》(GB17691-2005)、《摩托车污染物排放限值及测量方法(工况法,中国第Ⅲ阶段)》(GB14622-2007)第Ⅲ阶段排放限值的第68批、第Ⅳ阶段排放限值的第44批和第Ⅴ阶段排放限值的第3批机动车和发动机生产企业、产品及其污染物控制装置予以公告。
详细内容见机动车环保网:。
附件:1.达到国家机动车排放标准第三阶段型式核准排放限值的新机动车型和发动机型(第68批)
2.达到国家机动车排放标准第四阶段型式核准排放限值的新机动车型和发动机型(第44批)
3.达到国家机动车排放标准第五阶段型式核准排放限值的新机动车型和发动机型(第3批)
4.自由加速排气烟度排放限值
5.公告变更
二○一一年八月二十三日附件一:
达到国家机动车排放标准第三阶段型式核准
附件二:
达到国家机动车排放标准第四阶段型式核准。
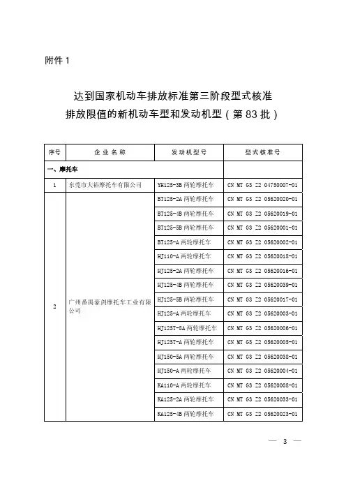
附件1达到国家机动车排放标准第三阶段型式核准排放限值的新机动车型和发动机型(第83批)序号 企业名称 发动机型号 型式核准号一、摩托车1 东莞市大裕摩托车有限公司 YH125-3B两轮摩托车 CN MT G3 Z2 04750007-012 广州番禺豪剑摩托车工业有限公司BT125-2A两轮摩托车 CN MT G3 Z2 05620020-01BT125-4B两轮摩托车 CN MT G3 Z2 05620019-01BT125-5B两轮摩托车 CN MT G3 Z2 05620001-01BT125-A两轮摩托车 CN MT G3 Z2 05620002-01HJ110-A两轮摩托车 CN MT G3 Z2 05620018-01HJ125-2A两轮摩托车 CN MT G3 Z2 05620016-01HJ125-4B两轮摩托车 CN MT G3 Z2 05620039-01HJ125-5B两轮摩托车 CN MT G3 Z2 05620017-01HJ125-A两轮摩托车 CN MT G3 Z2 05620003-01HJ125T-8A两轮摩托车 CN MT G3 Z2 05620006-01HJ125T-A两轮摩托车 CN MT G3 Z2 05620005-01HJ150-5A两轮摩托车 CN MT G3 Z2 05620038-01HJ150-A两轮摩托车 CN MT G3 Z2 05620004-01KA110-A两轮摩托车 CN MT G3 Z2 05620008-01KA125-2A两轮摩托车 CN MT G3 Z2 05620033-01KA125-4B两轮摩托车 CN MT G3 Z2 05620023-01—3—序号 企业名称 发动机型号 型式核准号KA125-5B两轮摩托车 CN MT G3 Z2 05620034-012 广州番禺豪剑摩托车工业有限公司KA125-A两轮摩托车 CN MT G3 Z2 05620030-01KA125T-8A两轮摩托车 CN MT G3 Z2 05620021-01KA125T-A两轮摩托车 CN MT G3 Z2 05620007-01KA150-5A两轮摩托车 CN MT G3 Z2 05620040-01KA150-A两轮摩托车 CN MT G3 Z2 05620009-01RA110-A两轮摩托车 CN MT G3 Z2 05620010-01RA125-2A两轮摩托车 CN MT G3 Z2 05620022-01RA125-4B两轮摩托车 CN MT G3 Z2 05620035-01RA125-5B两轮摩托车 CN MT G3 Z2 05620036-01RA125-A两轮摩托车 CN MT G3 Z2 05620031-01RA125T-8A两轮摩托车 CN MT G3 Z2 05620024-01RA125T-A两轮摩托车 CN MT G3 Z2 05620026-01RA150-5A两轮摩托车 CN MT G3 Z2 05620025-01RA150-A两轮摩托车 CN MT G3 Z2 05620041-01SK110-A两轮摩托车 CN MT G3 Z2 05620011-01SK125-2A两轮摩托车 CN MT G3 Z2 05620013-01SK125-4B两轮摩托车 CN MT G3 Z2 05620037-01SK125-5B两轮摩托车 CN MT G3 Z2 05620015-01SK125-A两轮摩托车 CN MT G3 Z2 05620012-01SK125T-8A两轮摩托车 CN MT G3 Z2 05620028-01SK125T-A两轮摩托车 CN MT G3 Z2 05620027-01SK150-A两轮摩托车 CN MT G3 Z2 05620029-023 广州豪进摩托车股份有限公司HJ125-4G两轮摩托车 CN MT G3 Z2 04460026-01HJ150-19两轮摩托车 CN MT G3 Z2 04460070-00—4—序号 企业名称 发动机型号 型式核准号LK150-19A两轮摩托车 CN MT G3 Z2 04460071-00 4 广州三雅摩托车有限公司 SY150-9两轮摩托车 CN MT G3 Z2 02510016-005 广州市番禺华南摩托企业集团有限公司FY125-18A两轮摩托车 CN MT G3 Z2 04730028-006 广州市丰豪摩托车实业有限公司.FH125两轮摩托车 CN MT G3 Z2 06730009-00 .FH125-2两轮摩托车 CN MT G3 Z2 06730010-00 .FH125-3两轮摩托车 CN MT G3 Z2 06730011-00 .FH125T两轮摩托车 CN MT G3 Z2 06730012-00 FH100T两轮摩托车 CN MT G3 Z2 06730008-00 FH125-2A两轮摩托车 CN MT G3 Z2 06730005-00 FH125-3A两轮摩托车 CN MT G3 Z2 06730006-00 FH150-5两轮摩托车 CN MT G3 Z2 06730003-00 FH150-6两轮摩托车 CN MT G3 Z2 06730004-00 FH150-T两轮摩托车 CN MT G3 Z2 06730007-007 河北珠峰大江三轮摩托车有限公司DJ110ZH-8正三轮摩托车CN MT G3 Z2 0B830017-00DJ110ZH-9正三轮摩托车CN MT G3 Z2 0B830015-00DJ125ZK-6正三轮摩托车CN MT G3 Z2 0B830018-00SF110ZH正三轮摩托车 CN MT G3 Z2 0B830014-00SF150ZH正三轮摩托车 CN MT G3 Z2 0B830016-008 济南轻骑铃木摩托车有限公司QS125-3H两轮摩托车 CN MT G3 Z2 01280008-00QS125-5F两轮摩托车 CN MT G3 Z2 01280017-01 9 江门轻骑华南摩托车有限公司QM100T-12B两轮摩托车CN MT G3 Z2 08110021-00QM125-3C两轮摩托车 CN MT G3 Z2 08110017-0010 江门市大长江集团有限公司 HJ125-11两轮摩托车 CN MT G3 Z2 08450073-00 HJ125-11A两轮摩托车 CN MT G3 Z2 08450074-00 HJ150-11两轮摩托车 CN MT G3 Z2 08450075-00—5—序号 企业名称 发动机型号 型式核准号HJ150-11A两轮摩托车 CN MT G3 Z2 08450076-0011 金城集团有限公司 JC150-6CV两轮摩托车 CN MT G3 Z2 07800027-0112 洛阳北方企业集团有限公司 BX110ZH正三轮摩托车 CN MT G3 Z2 08510017-0013 上海本菱摩托车制造有限公司SHL125-11A两轮摩托车CN MT G3 Z2 04850033-00SHL125-3A两轮摩托车 CN MT G3 Z2 04850034-00 14 五羊-本田摩托(广州)有限公司WY125-N两轮摩托车 CN MT G3 Z2 06450003-03WY125-R两轮摩托车 CN MT G3 Z2 06450014-02 15 浙江日雅摩托车有限公司 RY100T-30两轮摩托车 CN MT G3 Z2 04650014-0016 重庆建设·雅马哈摩托车有限公司JYM110-2两轮摩托车 CN MT G3 Z2 03760012-01 JYM125-3B两轮摩托车 CN MT G3 Z2 03760002-05 JYM125-3C两轮摩托车 CN MT G3 Z2 03760004-05 JYM125-3D两轮摩托车 CN MT G3 Z2 03760005-05 JYM125-3E两轮摩托车 CN MT G3 Z2 03760009-04 JYM125-7A两轮摩托车 CN MT G3 Z2 03760011-0417 重庆建设摩托车股份有限公司 JS125-6H两轮摩托车 CN MT G3 Z2 04390047-0018 重庆望江摩托车制造有限公司 GN250-C两轮摩托车 CN MT G3 Z2 04360045-00 WJ100T-2A两轮摩托车 CN MT G3 Z2 04360046-00 WJ150GY-19两轮摩托车CN MT G3 Z2 04360047-00 WJ150R两轮摩托车 CN MT G3 Z2 04360048-00 WL100T-2A两轮摩托车 CN MT G3 Z2 04360049-00二、轻便摩托车1 台州市凯通摩托车制造有限公司YB48QT-3C两轮轻便摩托车CN QM G3 Z2 06860024-002 浙江凯凯美多机车有限公司WB48QT两轮轻便摩托车CN QM G3 Z2 08020015-00WB48QT-2两轮轻便摩托车CN QM G3 Z2 08020016-003 株洲南方摩托车有限公司 NF48Q-2A两轮轻便摩托车CN QM G3 Z2 07810009-00—6—序号 企业名称 发动机型号 型式核准号NF48QT两轮轻便摩托车CN QM G3 Z2 07810010-00—7—。
综合法律门户网站 法律家·法律法规大全提供最新法律法规、司法解释、地方法规的查询服务。
法律家 广州市执行第三阶段国家机动车污染物排放标准的通告为防治机动车排气污染,进一步改善环境空气质量,经国务院同意,广州市自2006年9月1日起执行第三阶段国家机动车污染物排放标准。
依据《国家环境保护总局关于广州市提前实施第三阶段国家机动车大气污染物排放标准的复函》,现将有关事项通告如下:一、本通告所称第三阶段国家机动车污染物排放标准包括:《轻型汽车污染物排放限值及测量方法(中国Ⅲ、Ⅳ阶段)》(GB18352.3-2005)和《车用压燃式、气体燃料点燃式发动机与汽车排气污染物排放限值及测量方法(中国Ⅲ、Ⅳ、V 阶段)》(GB17691-2005)中的第三阶段排放控制要求。
二、自2006年9月1日起,在本市行政区域内登记的轻型汽车和重型汽车,应当符合GB18352.3-2005.GB17691-2005中的第三阶段排放控制要求,列入国家环境保护总局发布的达标公告的轻型汽车车型(包括全新产品及产品扩展与更改)需安装车载诊断系统(OBD)。
汽车销售商应当书面告知购车者购置车辆须符合本通告规定。
三、在本市办理新车注册登记、外地转入本市的变更登记和转移登记的轻型汽车和重型汽车,不符合第三阶段国家机动车污染物排放标准的,市公安机关交通管理部门不予办理登记手续。
四、在本市从事城市公共客运服务的公交车和出租车继续推进使用清洁能源,市公安机关交通管理部门对我市新增或更新的清洁能源公交车和出租车按穗交(2005)625号文继续办理登记手续。
五、在本市行政区域内销售的仅用于实施第三阶段国家机动车污染物排放标准的车用燃油,应当符合广东省地方标准DB44/345-2006《车用汽油》和DB44/346-2006《车用柴油》的规定。
六、市环境保护行政主管部门按照国家环境保护总局发布的达标公告,公布达到第三阶段国家机动车污染物排放标准的车型目录,并可以公布达到下一阶段国家机动车污染物排放标准的环保推荐车型目录。
乌鲁木齐市人民政府关于执行国家第三阶段机动车污染物排放标准的通告文章属性•【制定机关】乌鲁木齐市人民政府•【公布日期】2008.06.26•【字号】乌政通[2008]13号•【施行日期】2008.07.01•【效力等级】地方规范性文件•【时效性】现行有效•【主题分类】正文乌鲁木齐市人民政府关于执行国家第三阶段机动车污染物排放标准的通告(乌政通[2008]13号)为进一步改善我市环境空气质量,从源头减少机动车排气污染,根据《乌鲁木齐市大气污染防治条例》、《乌鲁木齐市机动车排气污染防治管理办法》,市人民政府决定,自2008年7月1日起新购机动车(摩托车、拖拉机除外)在本市登记时执行国家第三阶段机动车污染物排放标准。
现将有关事宜通告如下:一、本通告所称国家第三阶段机动车污染物排放标准是指:GB18352.3-2005《轻型汽车污染物排放限值及测量方法(中国Ⅲ、Ⅳ阶段)》和GB17691-2005《车用压燃式、气体燃料点燃式发动机与汽车排气污染物排放限值及测量方法(中国Ⅲ、Ⅳ、V阶段)》中的第三阶段排放控制要求。
二、符合国家第三阶段机动车污染物排放标准的机动车车型以国家环保部机动车排污监控中心发布的《国家机动车排放型式核准目录》中第三阶段排放标准的机动车型为准。
单位和个人购车前可以登陆机动车环保网(http://)进行查询。
三、自2008年7月1日起,本市禁止销售不符合国家第三阶段机动车污染物排放标准的新机动车。
自2009年7月1日起,本市禁止销售未安装车载诊断系统(OBD)的轻型第一类汽油车。
四、凡属于政府采购的机动车应按照财政部、环保总局《关于环境标志产品政府采购实施的意见》(财库〔2006〕90号)和《关于调整环境标志产品政府采购清单的通知》(财库〔2007〕20号)的要求,优先采购环境标志产品。
五、自2008年7月1日起,对属于《国家机动车排放型式核准目录》中第三阶段排放标准范围内的新购机动车,由市环境保护行政主管部门直接核发机动车环保合格标志。
— 3 —附件一:达到国家机动车排放标准第三阶段型式核准 排放限值的新机动车型和发动机型(第63批)序号 企 业 名 称车辆型号名称型式核准号一、摩托车HD125-4G 两轮摩托车CN MT G3 Z2 05050008-001广东大福摩托车有限公司SJ125-2G 两轮摩托车 CN MT G3 Z2 05050007-00JW100T-V 两轮摩托车CN MT G3 Z2 03690026-002广东广本机电有限公司JW125T-V 两轮摩托车 CN MT G3 Z2 03690027-00KA125-2A 两轮摩托车CN MT G3 Z2 05620033-00KA125-5B 两轮摩托车 CN MT G3 Z2 05620034-00RA125-4B 两轮摩托车 CN MT G3 Z2 05620035-003广州番禺豪剑摩托车工业有限公司RA125-5B 两轮摩托车 CN MT G3 Z2 05620036-00SY100T-2两轮摩托车 CN MT G3 Z2 02510012-00SY110-20两轮摩托车CN MT G3 Z2 02510015-00SY110-22两轮摩托车 CN MT G3 Z2 02510013-004广州三雅摩托车有限公司SY110-23两轮摩托车CN MT G3 Z2 02510014-00HS110ZH-5正三轮摩托车 CN MT G3 Z2 0C520003-005河北恒胜金河摩托车有限公司HS150ZH-3正三轮摩托车 CN MT G3 Z2 0C520004-00DLS125-5V 两轮摩托车CN MT G3 Z2 08040020-00DLS125-9V 两轮摩托车CN MT G3 Z2 08040034-006江门气派摩托车有限公司 DLS150-V 两轮摩托车CN MT G3 Z2 08040029-00序号 企 业 名 称 车辆型号名称 型式核准号HL125-5V两轮摩托车 CN MT G3 Z2 08040019-00HL125-9V两轮摩托车 CN MT G3 Z2 08040035-00LF125-5V两轮摩托车 CN MT G3 Z2 08040030-00LF125-9V两轮摩托车 CN MT G3 Z2 08040036-00LF125-V两轮摩托车 CN MT G3 Z2 08040033-00LF125T-2G两轮摩托车 CN MT G3 Z2 08040032-00QP125-5V两轮摩托车 CN MT G3 Z2 08040008-016 江门气派摩托车有限公司QP125-9V两轮摩托车 CN MT G3 Z2 08040007-01QP125-N两轮摩托车 CN MT G3 Z2 08040010-00QP125T-2A两轮摩托车 CN MT G3 Z2 08040037-00QP125T-2G两轮摩托车 CN MT G3 Z2 08040031-00ZH125-5V两轮摩托车 CN MT G3 Z2 08040021-00ZH125-9V两轮摩托车 CN MT G3 Z2 08040038-00ZH150-V两轮摩托车 CN MT G3 Z2 08040039-00UA125T-A两轮摩托车 CN MT G3 Z2 08450047-007 江门市大长江集团有限公司UM125T-A两轮摩托车 CN MT G3 Z2 08450048-00BD125-2B两轮摩托车 CN MT G3 Z2 04950003-00BD125-5D两轮摩托车 CN MT G3 Z2 04950012-008 江苏宝雕机动车有限公司BD125-C两轮摩托车 CN MT G3 Z2 04950005-00BD150-20A两轮摩托车 CN MT G3 Z2 04950013-00JF110-2X两轮摩托车 CN MT G3 Z2 08590001-00JF125-2X两轮摩托车 CN MT G3 Z2 08590004-009 江苏弘州金福车业有限公司JF125-3X两轮摩托车 CN MT G3 Z2 08590002-00JF125-4X两轮摩托车 CN MT G3 Z2 08590008-00—4—序号 企 业 名 称 车辆型号名称 型式核准号JF125-6X两轮摩托车 CN MT G3 Z2 08590014-00JF125-7X两轮摩托车 CN MT G3 Z2 08590021-00JF150-2X两轮摩托车 CN MT G3 Z2 08590018-00JF150-4X两轮摩托车 CN MT G3 Z2 08590022-00JH110-2X两轮摩托车 CN MT G3 Z2 08590005-00JH125-2X两轮摩托车 CN MT G3 Z2 08590016-00JH125-3X两轮摩托车 CN MT G3 Z2 08590007-00JH125-4X两轮摩托车 CN MT G3 Z2 08590011-00JH125-6X两轮摩托车 CN MT G3 Z2 08590013-00JH125-7X两轮摩托车 CN MT G3 Z2 08590019-00JH150-2X两轮摩托车 CN MT G3 Z2 08590010-00JH150-4X两轮摩托车 CN MT G3 Z2 08590023-00JS110-2X两轮摩托车 CN MT G3 Z2 08590024-00JS125-2X两轮摩托车 CN MT G3 Z2 08590003-00JS125-3X两轮摩托车 CN MT G3 Z2 08590006-00JS125-4X两轮摩托车 CN MT G3 Z2 08590017-00JS125-6X两轮摩托车 CN MT G3 Z2 08590012-00JS125-7X两轮摩托车 CN MT G3 Z2 08590015-00JS150-2X两轮摩托车 CN MT G3 Z2 08590020-00 9 江苏弘州金福车业有限公司JS150-4X两轮摩托车 CN MT G3 Z2 08590009-0010 江苏新世纪远豪机车科技有限公司YH150T-9两轮摩托车 CN MT G3 Z2 08010004-00HL110-5T两轮摩托车 CN MT G3 Z2 08600066-00HL110-7T两轮摩托车 CN MT G3 Z2 08600067-0011 力帆实业(集团)股份有限公司HL110-8T两轮摩托车 CN MT G3 Z2 08600070-00—5—— 6 —序号 企 业 名 称 车辆型号名称 型式核准号 HL125-10C 两轮摩托车 CN MT G3 Z2 08600074-00HL150-10C 两轮摩托车 CN MT G3 Z2 08600075-00HL250-P 两轮摩托车CN MT G3 Z2 08600071-00HL250J 两轮摩托车 CN MT G3 Z2 08600069-00LF110-7T 两轮摩托车CN MT G3 Z2 08600065-00LF110-8T 两轮摩托车 CN MT G3 Z2 08600072-00LF250-P 两轮摩托车 CN MT G3 Z2 08600068-0011力帆实业(集团)股份有限公司LF250J 两轮摩托车CN MT G3 Z2 08600073-00DY150ZH-3正三轮摩托车 CN MT G3 Z2 0C680001-0012洛阳大运三轮摩托车有限公司DY200ZH-2正三轮摩托车 CN MT G3 Z2 0C680002-00SQ100T-S 两轮摩托车 CN MT G3 Z2 05980016-00SQ125T-3S 两轮摩托车CN MT G3 Z2 05980015-00SQ125T-S 两轮摩托车 CN MT G3 Z2 05980014-00ZW100T-S 两轮摩托车 CN MT G3 Z2 05980011-00ZW150T-2S 两轮摩托车 CN MT G3 Z2 05980012-0013台州市椒江之威摩托车制造有限公司ZW150T-S 两轮摩托车 CN MT G3 Z2 05980013-00ZN150T-7S 两轮摩托车CN MT G3 Z2 06150007-0014 台州市中能摩托车有限公司ZN150T-8S 两轮摩托车CN MT G3 Z2 06150008-0015五羊-本田摩托(广州)有限公司WY125-R 两轮摩托车CN MT G3 Z2 06450014-0116 西藏喜马摩托车有限公司 XM125T-28两轮摩托车 CN MT G3 Z2 08180016-0017 厦门厦杏摩托有限公司 XS125-N 两轮摩托车CN MT G3 Z2 03720019-0018浙江嘉爵摩托车制造有限公司JJ150T-A 两轮摩托车CN MT G3 Z2 07340009-00FL100T-20C 两轮摩托车CN MT G3 Z2 02410011-0019 浙江凌宇车业有限公司FL125T-20C 两轮摩托车CN MT G3 Z2 02410004-00序号 企 业 名 称 车辆型号名称 型式核准号FL125T-22两轮摩托车 CN MT G3 Z2 02410005-00FL125T-25C两轮摩托车 CN MT G3 Z2 02410002-00FL125T-2C两轮摩托车 CN MT G3 Z2 02410006-00FL125T-8C两轮摩托车 CN MT G3 Z2 02410003-00FL150T-10C两轮摩托车 CN MT G3 Z2 02410008-00FL150T-16C两轮摩托车 CN MT G3 Z2 02410009-00FL150T-3C两轮摩托车 CN MT G3 Z2 02410010-00HT125T-20C两轮摩托车 CN MT G3 Z2 02410025-00HT125T-22两轮摩托车 CN MT G3 Z2 02410017-00HT125T-25C两轮摩托车 CN MT G3 Z2 02410027-00HT125T-2C两轮摩托车 CN MT G3 Z2 02410015-00HT125T-8C两轮摩托车 CN MT G3 Z2 02410014-00 19 浙江凌宇车业有限公司HT150T-10C两轮摩托车 CN MT G3 Z2 02410018-00HT150T-16C两轮摩托车 CN MT G3 Z2 02410024-00HT150T-3C两轮摩托车 CN MT G3 Z2 02410030-00JL100T-2C两轮摩托车 CN MT G3 Z2 02410012-00JL125T-20C两轮摩托车 CN MT G3 Z2 02410023-00JL125T-22两轮摩托车 CN MT G3 Z2 02410028-00JL125T-25C两轮摩托车 CN MT G3 Z2 02410031-00JL125T-2C两轮摩托车 CN MT G3 Z2 02410022-00JL125T-8C两轮摩托车 CN MT G3 Z2 02410021-00JL150T-10C两轮摩托车 CN MT G3 Z2 02410029-00JL150T-16C两轮摩托车 CN MT G3 Z2 02410019-00JL150T-3C两轮摩托车 CN MT G3 Z2 02410032-00—7—— 8 —序号 企 业 名 称 车辆型号名称 型式核准号 QJ150-27两轮摩托车CN MT G3 Z2 01620086-0020 浙江钱江摩托股份有限公司QJ150-27A 两轮摩托车 CN MT G3 Z2 01620087-00DB110-A 两轮摩托车CN MT G3 Z2 08960001-0021 重庆东本工业有限责任公司DB150-2A 两轮摩托车CN MT G3 Z2 08960002-0022 重庆恒胜集团有限公司HS70-A 两轮摩托车CN MT G3 Z2 07210012-0023 重庆嘉陵嘉鹏工业有限公司 JP150-G 两轮摩托车 CN MT G3 Z2 0A560005-00JYM125-3C 两轮摩托车 CN MT G3 Z2 03760004-0224重庆建设·雅马哈摩托车有限公司JYM125-3D 两轮摩托车 CN MT G3 Z2 03760005-02CQ125-28D 两轮摩托车CN MT G3 Z2 04390031-00JS110-9C 两轮摩托车CN MT G3 Z2 04390008-0125重庆建设摩托车股份有限公司JS110-9G 两轮摩托车CN MT G3 Z2 04390015-0126 重庆隆鑫机车有限公司LX70-20两轮摩托车 CN MT G3 Z2 02670042-00JH125T-2A 两轮摩托车CN MT G3 Z2 05080021-00JH125T-3A 两轮摩托车CN MT G3 Z2 05080023-0027 重庆市双庆机电有限公司 SQ250ZH-A 正三轮摩托车 CN MT G3 Z2 05080022-00SS110-9A 两轮摩托车CN MT G3 Z2 05350009-00SS125-A 两轮摩托车 CN MT G3 Z2 05350010-00SS150-5A 两轮摩托车 CN MT G3 Z2 05350011-0028重庆双狮摩托车制造有限公司SS150-7A 两轮摩托车 CN MT G3 Z2 05350012-00WQ70两轮摩托车 CN MT G3 Z2 04570018-00WQ70-2两轮摩托车CN MT G3 Z2 04570017-00YX125-16两轮摩托车CN MT G3 Z2 04570021-00YX150-16两轮摩托车 CN MT G3 Z2 04570019-0029重庆银翔摩托车(集团)有限公司YX150-30两轮摩托车CN MT G3 Z2 04570020-00序号 企 业 名 称 车辆型号名称 型式核准号30 重庆宗申机车工业制造有限公司ZS110-47S两轮摩托车 CN MT G3 Z2 06260047-00ZJ110-R两轮摩托车 CN MT G3 Z2 07830013-0031 珠海珠江车业有限公司ZJ125-9R两轮摩托车 CN MT G3 Z2 07830012-0032 宗申·比亚乔佛山摩托车企业有限公司BYQ125-5E两轮摩托车 CN MT G3 Z2 07390036-00二、重型汽油车1 北京北铃专用汽车有限公司 BBL5053XJE2监测车 CN ZQ G3 Z2 00910031-002 北京载通视音频广播技术有限公司BZT5041XTX通讯车 CN ZQ G3 Z2 07030027-003 广州汽车集团客车有限公司 GZ6701Q1客车 CN ZQ G3 Z2 00310054-00—9—。
部分符合国家第三阶段机动车排放标准车型自2005年12月30起,拟在北京市销售并列入国家达标车型公告的新定型(包括全新产品及产品扩展与更改)须安装车载诊断系统(OBD);2005年12月30日前已定上市销售并发布在环保车型目录中车型可延迟安装,2006年12月1日后,停止在北京销售未安装OBD的新车。
重型汽车用发动机与轻型汽车具体配置详见我局环保车型目录,可在北京市环保局网站查询()一、达国Ⅲ排放限值的轻型汽车注:带OBD 1、东风汽车有限公司天籁(TEANA)EQ7350AB天籁(TEANA)EQ7230AB颐达(TIIDA)DFL7160AB骐达(TIIDA)DFL7161AB二、达国Ⅲ排放限值的轻型汽车注:不带OBD 1、北京奔驰-戴姆勒·克莱斯勒汽车有限公司欧蓝德牌BJ6450M2M欧蓝德牌BJ6450M2A欧蓝德牌BJ6450M4M欧蓝德牌BJ6450M4A切诺基牌(JEEP2700)BJ2021ED梅赛德斯-奔驰牌BJ7300梅赛德斯-奔驰牌BJ7180切诺基牌(JEEP2500)BJ6420EC帕杰罗速跑牌BJ6463U帕杰罗速跑牌BJ2025B帕杰罗速跑牌BJ2025U帕杰罗速跑牌BJ2025AU2、北京现代汽车有限公司索纳塔系列车型BH7200MWBH7200AWBH7200LM伊兰特系列车型BH7180AWBH7160MWBH7160AW途胜系列车型BH6431BWBH6430BWBH6430NWBH6430MWNF御翔系列车型BH7330AWBH7240MWBH7240AWBH7202MWBH7202AW3、广州本田汽车有限公司雅阁(ACCORD)牌HG7240(ACCORD 2.4 i-VTEC)雅阁(ACCORD)牌HG7201(ACCORD 2.0 i-VTEC)HG7202(ACCORD 2.0 i-VTEC M)雅阁(ACCORD)牌HG7301(ACCORD 3.0 V6 VTEC)雅阁(ACCORD)牌HG7201A(ACCORD 2.0 i-VTEC)HG7202A(ACCORD 2.0 i-VTEC M)雅阁(ACCORD)牌HG7240A(ACCORD 2.4 i-VTEC)雅阁(ACCORD)牌HG7301A(ACCORD 3.0 V6 VTEC)飞度(Fit)牌HG7130(SALOON CVT)HG7131(SALOON)飞度(Fit)牌HG7150(SALOON CVT)HG7151(SALOON)飞度(Fit)牌HG7152(VTEC CVT)HG7153(VTEC)飞度(Fit)牌HG7132(i-DSI CVT)HG7133(i-DSI)奥德赛(ODYSSEY)牌HG64804、上海大众汽车有限公司上海桑塔纳3000轿车SVW7182CQi SVW7182DQi上海桑塔纳3000汽油和LPG两用燃料轿车SVW7182AQi上海桑塔纳3000 LPG单燃料轿车SVW7182BQi上海帕萨特轿车SVW7183GJi SVW7183HJi上海帕萨特轿车SVW7283HKi上海帕萨特轿车SVW7203CPi SVW7203DPi上海帕萨特轿车SVW7183LJi SVW7183MJi上海帕萨特轿车SVW7203EPi SVW7203FPi上海帕萨特轿车SVW7283KKi途安Touran多用途乘用车SVW6440EBi SVW6440FBiSVW6440GBi SVW6440HBi途安Touran多用途乘用车SVW6440AAi SVW6440BAiSVW6440CAi SVW6440DAi上海波罗轿车SVW7144BLi SVW7144MLi SVW7144DLi SVW7144NLi 上海波罗轿车SVW7164EMi SVW7164JMi上海波罗轿车SVW7164FMi SVW7164KMiSVW7180LEi SVW7181LEiSVW7165CNi SVW7165DNi5、上海通用汽车有限公司凯越SGM7161LX SGM7161LE SGM7163LX SGM7163LE SGM7161LE AT SGM7163LX AT SGM7163LE AT凯越SGM7161LX AT凯越SGM7180LE AT SGM7180LS AT凯越SGM7181LE AT SGM7181LS AT凯越SGM7180LE SGM7181LE荣御SGM7362GS荣御SGM7280GL君威SGM7200君威SGM7251G SGM7252GL君威SGM7302GL SGM7302GS凯迪拉克牌SGM7360CTS凯迪拉克牌SGM7280CTS凯迪拉克牌SGM7360SRX SGM7361SRX6、通用汽车(中国)投资有限公司凯迪拉克牌XLR凯迪拉克牌CTS (3.6L)凯迪拉克牌CTS (2.8L)凯迪拉克牌SRX (3.6L, RWD) SRX (3.6L, AWD)凯迪拉克牌SRX (4.6L)萨博牌SAAB 9-3 SAAB 9-3 ARC SAAB 9-3 VECTOR SAAB 9-3 LINEAR萨博牌SAAB 9-3 Convertible SAAB 9-3 ARC Convertible SAAB 9-3 LINEAR Convertible SAAB 9-3 VECTOR ConvertibleSAAB 9-3 AERO Convertible萨博牌SAAB 9-5 ARC萨博牌SAAB 9-5 AERO别克牌Royaum 3.6别克牌Royaum 3.6别克牌Royaum 2.8欧宝牌Astra Astra GTC欧宝牌ZAFIRA (2.2L)欧宝牌ZAFIRA (1.8L)欧宝牌VECTRA-C欧宝牌VECTRA 3.2 V67、上海通用东岳汽车有限公司景程SGM7201SX AT SGM7201SE AT乐骋SGM7140SL SGM7140SE SGM7140SE AT SGM7140SX AT 赛欧SGM7165SL SGM7165SE SGM7165SE ATSGM7166SL SGM7166SE SGM7166SX AT8、上海通用(沈阳)北盛汽车有限公司陆尊SGM6512 GL8型旅行车SGM6513 GL8型旅行车别克牌SGM6515 GL8型旅行车SGM6516 GL8型旅行车9、长安福特汽车有限公司嘉年华CAF7160嘉年华CAF7160S嘉年华CAF7160A蒙迪欧CAF7200A1蒙迪欧CAF7200BB蒙迪欧CAF7250A福克斯CAF7180M CAF7180A福克斯CAF7201M CAF7201A10、东风本田汽车有限公司DHW6461(CR-V 2.0 i-VTEC)DHW6462(CR-V 2.0 i-VTEC M)DHW6463(CR-V 2.4 i-VTEC)DHW6464(CR-V 2.4 i-VTEC M)11、东风悦达起亚汽车有限公司起亚赛拉图系列车型YQZ7181 YQZ7181AYQZ7162 YQZ7162A起亚远舰系列车型YQZ7180 YQZ7180AYQZ7200 YQZ7200A起亚千里马系列车型YQZ7131AE3YQZ7130E3YQZ7130AE3YQZ7131E3YQZ7160AE3YQZ7161E3YQZ7161AE3YQZ7160E3起亚嘉华系列车型YQZ6490E3YQZ649112、重庆长安铃木汽车有限公司雨燕手动档SC7132雨燕自动档SC7132A羚羊SC7130C13、东风汽车有限公司天籁(TEANA)EQ7350AA天籁(TEANA)EQ7230AA颐达(TIIDA)DFL7160AA骐达(TIIDA)DFL7161AA风神(NISSAN)EQ7202BA (阳光)14、神龙汽车有限公司307型轿车东风标致牌DC7164 307东风标致牌DC7204 307毕加索型轿车东风雪铁龙牌DC7200 2.0i东风雪铁龙牌DC7200 AT富康型轿车东风雪铁龙牌DC7160AXC 16V爱丽舍型轿车东风雪铁龙牌DC7163 16V东风雪铁龙牌DC7163M 16V15、一汽-大众汽车有限公司捷达(JETTA)FV7160CiF E3 FV7160GiF E3捷达(JETTA)FV7160CiX E3 FV7160GiX E3捷达(JETTA)FV7160CiF L FV7160GiF L FV7160CiF LD FV7160GiF LD 捷达(JETTA)FV7160ATF E3 FV7160CiX L FV7160GiX L奥迪(AUDI)FV7301CVT奥迪(AUDI)FV7241 FV7241CVT奥迪(AUDI)AUDI A4 1.8T CVT奥迪(AUDI)FV7183T奥迪(AUDI)FV7243CVT奥迪(AUDI)AUDI A4 3.0AT奥迪(AUDI)AUDI A6L 2.4 AUDI A6L 2.4CVT 奥迪(AUDI)AUDI A6L 2.8 AUDI A6L 2.8CVT 奥迪(AUDI)FV7301AT奥迪(AUDI)FV7421AT奥迪(AUDI)FV7201T FV7201TCVT奥迪(AUDI)FV7183TF FV7183TFCVT奥迪(AUDI)FV7203TFCVT奥迪(AUDI)FV7303FAT奥迪(AUDI)FV7181T FV7181TCVT高尔夫(Golf)FV7164 E4 FV7164AT E4高尔夫(Golf)FV7184(Golf)高尔夫(Golf)FV7184AT(Golf)开迪(CADDY)FV7165开迪(CADDY)FV5020XQC FV5020XYZ开迪(CADDY)FV6440B宝来(BORA)BORA1.8T BORA1.8T AT宝来(BORA)BORA1.8宝来(BORA)BORA1.8AT宝来(BORA)FV7162 E4 FV7162AT E4宝来(BORA)FV7182TR16、中国第一汽车集团公司红旗CA7180A4E CA7182E7红旗CA7200AT红旗CA7200MT红旗CA7230AT红旗CA7202E3 CA7202E3L CA7202E3L1红旗CA7201AT红旗CA7201MT红旗CA7231AT丰田(TOYOTA)CA6510B CA6510B117、四川一汽丰田汽车有限公司丰田(TOYOTA)SCT6490丰田(TOYOTA)牌CA7150HV A CA7150HVB混合动力轿车18、天津一汽丰田汽车有限公司丰田(TOYOTA)TV7180GL-i3 TV7180GLX-i3 TV7180GLX-iNA VI3TV7180GLX-S3 TV7180GLX-SNA VI3丰田(TOYOTA)TV7180GL-iM3 TV7180GLX-iM3 TV7180GLX-iNA VIM3TV7180GLX-SM3 TV7180GLX-SNA VIM3丰田(TOYOTA)TV7300RoyalSln3 TV7300RoyalSlnG3 TV7300Royal3 TV7300RoyalE3 丰田(TOYOTA)TV7150GLX-i3 TV7150GL-i3 TV7150GLX-S3丰田(TOYOTA)TV7150DLX-iM3 TV7150GL-iM3丰田(TOYOTA)TV7130DLXM3 TV7130GLM3丰田(TOYOTA)TV7130GL3丰田(TOYOTA)TV7250Royal TV7250丰田(TOYOTA)TV7300V3S TV7300V3NS TV7300V3N TV7300V3丰田(TOYOTA)TV7250V3S TV7250V3NS TV7250V3N TV7250V3TV7250S3 TV7250S3P丰田(TOYOTA)TV7150GL-SP3 TV7150GLX-iNS319、天津一汽夏利汽车股份有限公司夏利TJ7131BU TJ7131B TJ7131BL TJ7131BUL夏利TJ7141AU TJ7141A TJ7141AL TJ7141AUL TJ7141B TJ7141BL TJ7141BU TJ7141BULCA7166U20、一汽海马汽车有限公司海马HMC7161E3海马HMC7161E3(自动)21、东南(福建)汽车工业有限公司菱帅DN7160P3 DN7160H3 DN7160M3 DN7160L3 DN7160E3 DN5021XZH3 菱帅DN7161P3 DN7161H3 DN7161M3 DN7161L3 DN7161E3 DN5021XZHA3得利卡DN6490M3P DN6490H3P DN6490M3 DN5023XJH3 DN5023XYZ3 DN5023XQC3 DN5023XZHP3 DN5023XZH3 DN5023XXY3得利卡DN6492L3P DN6492C3P DN6492L3 DN6492C3DN5020XJH3 DN5020XYZ3 DN5020XZHP3 DN5020XZH3DN5020XQC3 DN5020XXY3富利卡/菱动DN6442L3 DN6442B3 DN6443H3 DN5025XYZ3DN5025XQC3 DN5025XZH3 DN5025XXJ3 DN5025XXY3菱绅DN6483H3 DN6483P3 DN6483M3 DN6483L3DN5027XZHA3 DN5027XYZA3 DN5027XQCA3菱利DN6402H3 DN6402M3 DN6402L3 DN5028XYZ3 DN5028XQC3 DN5028XXY3 DN5028XJH3菱利DN6403M3 DN6403L3 DN6403E3 DN5028XYZ3ADN5028XQC3A DN5028XXY3A DN5028XJH3A22、华晨宝马汽车有限公司BMW7200AA(BMW320i)BMW7250AA(BMW325i)23、沈阳华晨金杯汽车有限公司中华SY7200中华SY7200DYM中华SY7200M SY7201M SY7202M SY7200YM中华SY7240P SY7241P SY7242P金杯SY6520DS2 SY6471DS SY6470DS SY5036XBYL-DS SY5036XXYL-DS SY5036XQCL-DS SY5037XQCL-DS SY5036XJEL-D SY5037XJEL-DS SY5037XJHL-DS SY5037XYZL-DS SY5036XXYL-DS SY5036XJHL-DS SY6521DS2 SY5036XYZL-DS金杯SY6520ES2 SY6471ES SY6470ES SY5037XQCL-ES SY5037XJHL-ES SY5037XJEL-ES SY5037XYZL-ES SY6521ES2 金杯SY6483N1 SY6483N2 SY6483N3 SY6482N1 SY6482N2 金杯SY6483L1 SY6483L2 SY6483L3金杯SY6483R1 SY6483R2 SY6483R3金杯SY6483W3SY6483LT1 SY6483LT2SY6470EZ SY6471EZSY6482N3 SY5035XQC-N SY5035XJH-NSY5035XQC-R SY5035XJH-RSY5035XQC-L SY5035XJH-L24、跃进汽车集团公司依维柯牌NJ6492ATQ菲亚特(FIAT)牌派力奥(Palio)NJ7131菲亚特(FIAT)牌NJ7153B NJ7151B NJ7152B25、浙江豪情汽车制造有限公司豪情牌豪情SRV HQ7130B1HU豪情牌豪情SRV HQ7150B1HU豪情牌豪情SRV HQ7100E1U豪情牌豪情SRV HQ7100E2U豪情牌豪情SRV HQ7130B1U吉利牌优利欧JL7150X1HU吉利牌优利欧JL7130X1HU吉利牌优利欧JL7100X1U吉利牌优利欧JL7100X2U吉利牌优利欧JL7130X1U吉利牌优利欧JL7150X1U吉利牌优利欧JL7160X1 U吉利牌JL7100U吉利牌JL7101U吉利牌JL7131U吉利牌JL7130AHU吉利牌JL7150AHU吉利牌美人豹JL7155XHU26、奇瑞汽车有限公司东方之子SQR7200 SQR7200/LPG旗云SQR7162A520型SQR7201A2F27、长城汽车股份有限公司长城牌CC6460KM21 CC6460KM01长城牌CC6460D-3 CC6460DY-3 CC6481B1-3 CC6510S1-3 CC6510A1-3 CC1021AR-3 CC1022SR-3 CC1027S-328、上海汇众汽车制造有限公司上汇牌SH6490 SH6491SH6492SH6530SH6531SH5490XJH29、哈飞汽车股份有限公司哈飞民意HFJ6370U哈飞民意HFJ6370E 哈飞中意HFJ6371E 哈飞新意HFJ6376E 哈飞赛豹HFJ7161E哈飞赛马HFJ7160E哈飞赛马HFJ7130E哈飞路宝HFJ7110E30、德国大众汽车公司辉腾Phaeton 3.2辉腾Phaeton 4.2辉腾Phaeton 6.0(E3)途锐Touareg 3.2途锐Touareg 4.2新甲壳虫New Beetle 2.0 New Beetle Cabrio 2.031、德国奥迪汽车公司奥迪Audi A4 Avant 1.8T Audi A4 Cabriolet 1.8T奥迪Audi A8L 3.0奥迪Audi A8 4.2 quattro Audi A8L 4.2 quattro奥迪Audi A8L 6.0 quattro奥迪Audi TT Coupe 1.8T quattro Audi TT Roadster 1.8T quattro32、意大利兰博基尼汽车有限公司兰博基尼Lamborghini 140 Gallardo Coupe兰博基尼Lamborghini 147 Murcielago Coupe Lamborghini 147 Murcielago Roadster兰博基尼Lamborghini 140 Gallardo Coupe Lamborghini 140 Gallardo Spyder 33、英国宾利汽车公司宾利Bentley Continental GT Bentley Continental Flying Spur宾利Bentley Arnage T宾利Bentley Arnage R Bentley Arnage RL34、法国标致汽车公司标致407 6DXFVJ标致407 6D3FZF标致407SW 6E3FZF标致407 SW 6EXFVJ35、富士重工业株式会社斯巴鲁森林人FORESTER SG5(SG5CL2E)斯巴鲁森林人FORESTER SG9(SG9DL9T)斯巴鲁力狮LEGACY BL5(BL5CL9S)斯巴鲁傲虎OUTBACK BP9(BP9CLSL)36、马自达汽车株式会社马自达 RX-8, FF2337、日产(中国)投资有限公司风雅(英文:FUGA) BLJALRNY50EWA奇骏(英文:X-TRAIL) TDBNLAAT30EYA贵士(英文:QUEST) TLJALVNV42EXA38、镇江市特种车辆厂有限公司ZJT5033XJH ZJT5034XJH ZJT5035XFY39、厦门金龙旅行车有限公司XML6492E3YM XML6532E3YM40、宾安至股份有限公司宾安至轿车BINZ E350 (宾安至)41、德国宝马汽车有限公司BMW 320iBMW M6BMW ALPINA B7BMW M5BMW 630iBMW 740LiBMW 750LiBMW 523iBMW 550iBMW 650i42、江西昌河铃木汽车有限责任公司CH7140CH7160 CH7161CH7160A CH7161A43、武汉中誉汽车有限公司ZYA656044、丰田汽车(中国)有限公司LEXUS GS300 GRS190L-BETQKVLEXUS LX470 UZJ100L-GNAGKWLEXUS SC430 UZZ40L-DKTQKWTOYOTA PRIUS NHW20L-AHEEBW (混合动力车)45、意大利玛莎拉蒂汽车公司M139 (Quattroporte)M138ABE (Coupe) M138ADE (Spyder) M138ABC (GranSport)46、英国捷豹(Jaguar)汽车公司捷豹XJ8L捷豹XJ6L XJ647、戴姆勒•克莱斯勒(中国)投资有限公司梅赛德斯-奔驰轿车C200 Kompressor (203042 或RF42)C200 Kompressor (203742 或RN42)C230(203052或RF52)C230 Kompressor (203740或RN40)C240 (203061或RF61)C320CLK200 Kompressor (209342 或TJ42) CLK200 Kompressor (209442 或TK42) CLK280(209354或TJ54)CLK280 (209454或TK54)CLK350(209356或TJ56)CLK350(209456或TK56)CLK500 (209375或TJ75)CLK500 (209475或TK75)CLS350 (219356或DJ56)CLS500 (219375或DJ75)E200 Kompressor (211042 或UF42)E240 (211061或UF61)E280 (211054或UF54)E350 (211056或UF56)E55AMG(211076或UF76)E500S350(220167或NG67)S350 (221056 或NF56)S350(221156或NG56)S500(221171或NG71)S500(220175或NG75)S600 (220176或NG76)S600 (220178或NG78)S600 (221176或NG76)SLK200 Kompressor(171442或WK42)SLK280(171454或WK54)SLK350 (171456或WK56)SL350 (230467或SK67)SL500 (230475或SK75)SL55AMG (230474或SK74)梅赛德斯-奔驰越野车ML500(164175或BB75)ML500(163175或AB75)ML350(164186或BB86)ML350(163157或AB57)迈巴赫轿车Maybach (240078或VF78)Maybach (240178或VG78)克莱斯勒轿车Chrysler 300C(2.7L)Chrysler 300C (3.5L)Chrysler 300C(5.7L)克莱斯勒多用途乘用车Chrysler Grand V oyager LX (大捷龙)梅赛德斯-奔驰凌特系列Sprinter 214 Sprinter 314梅赛德斯-奔驰威霆系列Vito 119梅赛德斯-奔驰唯雅诺多用途乘用车Viano 3.048、郑州日产汽车有限公司ZN6453WAG ZN6453W1GZN1032U2G ZN2032UBGZN1022U2G ZN2022UBGZN6492H2G ZN6492HBG49、长安汽车(集团)有限责任公司SC6380BSC6371BSC6350E SC6371C50、韩国双龙自动车株式会社RODIUS SV32051、英国路虎(Land Rover)汽车公司路虎发现3 (Discovery 3 V8)路虎发现3 (Discovery 3 V6)路虎Range Rover Sport路虎揽胜Range Rover52、加利福尼亚康福特汽车有限公司LIBERTY 3.7L53、意大利法拉利汽车有限公司F137F131EB (F430 Coupe) F131ED (F430 Spider)54、福特汽车公司Navigator(领航员) Ultimate 4x4Maverick XLT LTD V6 3.055、比亚迪汽车有限公司QCJ7160A57、瑞典沃尔沃(VOLVO)汽车公司沃尔沃XC90 V8 XC90 V8 EXE.沃尔沃S80 2.5T58、浙江飞碟客车制造有限公司FD639059、荣成华泰汽车有限公司SDH6470A60、江铃汽车股份有限公司JX6466A-M JX6466-L JX6466-M JX6466A-L JX6546A-M JX6546-M JX6546-H JX6546A-H。
杭州市区新车执行“国Ⅲ”排放标准实施方案正文:---------------------------------------------------------------------------------------------------------------------------------------------------- 杭州市区新车执行“国Ⅲ”排放标准实施方案为贯彻落实国家关于机动车污染防治工作的要求,加强对机动车排气污染的“源头”管理,控制新车排污量,特制定本实施方案。
一、实施目的和意义以改善城市空气质量、促进生态市建设、打造“生活品质之城”为目标,通过对新车执行“国Ⅲ”排放标准,控制新增机动车的污染排污量。
二、适用范围和标准要求(一)适用范围。
“国Ⅲ”排放标准适用于装用点燃式发动机,最大车速大于、等于50km/h的汽油汽车以及装用压燃式发动机,最大车速大于25km/h的柴油汽车。
(二)标准要求。
“国Ⅲ”排放标准全称为《轻型汽车污染物排放限值及测量方法(GB18352.3-2005)》(中国Ⅲ、Ⅳ阶段),《压燃式、气体燃料式发动机与汽车排气污染物排放限值及测量方法(17691-2005)》(中国Ⅲ、Ⅳ、V阶段),等效于“欧Ⅲ、Ⅳ、V阶段”排放标准。
本标准于2005年5月由国家环保总局和国家质监总局联合发布。
标准规定,自2007年的1月1日和7月1日起,汽车制造厂新定型核准的压燃式和点燃式汽车的测试及控制技术性能的型式核准必须符合“国Ⅲ”排放标准要求。
2008年的1月1日和7月1日起,汽车制造厂所有制造、销售的压燃式和点燃式汽车污染物的排放必须符合“国Ⅲ”排放标准要求。
三、实施方法和步骤根据国家环保总局和国家质检总局新车执行“国Ⅲ”标准的通知要求,结合本市实际,分三个阶段逐步实施“国Ⅲ”排放标准。
第一阶段:2007年7月1日起,新定型的核准车型和部分新购置车辆执行“国Ⅲ”标准。
附件一:达到国家机动车排放标准第三阶段型式核准排放限值的新机动车型和发动机型(第65批)序号 企 业 名 称 车辆型号名称 型式核准号一、摩托车FXDB Street Bob两轮摩托车CN MT G3 Z2 0C970009-00XL 883L SuperLow两轮摩托车CN MT G3 Z2 0C970006-001 Harley-Davidson Motor CompanyXL 883N Iron 883两轮摩托车CN MT G3 Z2 0C970010-00HJ110-2C两轮摩托车 CN MT G3 Z2 0C110004-012 常州豪爵铃木摩托车有限公司HJ110-2D两轮摩托车 CN MT G3 Z2 0C110005-013 东莞市东阳摩托车有限公司 HG125-5A两轮摩托车 CN MT G3 Z2 05840001-004 光阳工业股份有限公司 G5 150 megafi两轮摩托车 CN MT G3 Z2 08920019-005 广州林叶机电科技有限公司 GB125-11两轮摩托车 CN MT G3 Z2 03090025-006 广州市番禺华南摩托企业集团有限公司FH100T-A两轮摩托车 CN MT G3 Z2 04730019-00MCT125-2A两轮摩托车 CN MT G3 Z2 07850004-00MCT125-3A两轮摩托车 CN MT G3 Z2 07850001-00MCT125-5A两轮摩托车 CN MT G3 Z2 07850003-007 惠州玛骐摩托车有限公司MCT125-6A两轮摩托车 CN MT G3 Z2 07850002-00QM110-4C两轮摩托车 CN MT G3 Z2 08110012-00QM125-7F两轮摩托车 CN MT G3 Z2 08110014-00 8 江门轻骑华南摩托车有限公司QM150-7F两轮摩托车 CN MT G3 Z2 08110013-00—3—序号 企 业 名 称 车辆型号名称 型式核准号GN125-2D两轮摩托车 CN MT G3 Z2 08450009-02GZ150J-A两轮摩托车 CN MT G3 Z2 08450053-00HJ125-16E两轮摩托车 CN MT G3 Z2 08450051-00HJ125T-10E两轮摩托车 CN MT G3 Z2 08450050-009 江门市大长江集团有限公司HJ150-6C两轮摩托车 CN MT G3 Z2 08450052-00UM125T两轮摩托车 CN MT G3 Z2 08450021-00UZ125T-A两轮摩托车 CN MT G3 Z2 08450020-00UZ125T-C两轮摩托车 CN MT G3 Z2 08450054-00BY125T-3A两轮摩托车 CN MT G3 Z2 09180025-00BY125T-6A两轮摩托车 CN MT G3 Z2 09180032-00BY125T-8A两轮摩托车 CN MT G3 Z2 09180029-00BY125T-9A两轮摩托车 CN MT G3 Z2 09180026-00 10 江门市联统华龙摩托车有限公司HL125T-3A两轮摩托车 CN MT G3 Z2 09180027-00HL125T-6A两轮摩托车 CN MT G3 Z2 09180030-00HL125T-8A两轮摩托车 CN MT G3 Z2 09180028-00HL125T-9A两轮摩托车 CN MT G3 Z2 09180031-00HY125-17B两轮摩托车 CN MT G3 Z2 08100002-00HY125-18A两轮摩托车 CN MT G3 Z2 08100003-00HY125-5A两轮摩托车 CN MT G3 Z2 08100001-00HY150-13两轮摩托车 CN MT G3 Z2 08100007-00 11 江门市珠峰摩托车有限公司ZF125-17B两轮摩托车 CN MT G3 Z2 08100004-00ZF125T-11C两轮摩托车 CN MT G3 Z2 08100005-00ZF125T-19A两轮摩托车 CN MT G3 Z2 08100006-00ZF125T-23A两轮摩托车 CN MT G3 Z2 08100008-00ZF150-13两轮摩托车 CN MT G3 Z2 08100009-00—4—序号 企 业 名 称 车辆型号名称 型式核准号12 三友控股集团银友摩托车有限公司SY125T-3A两轮摩托车 CN MT G3 Z2 04740001-00CT150T-2S两轮摩托车 CN MT G3 Z2 05980023-00SQ125T-2S两轮摩托车 CN MT G3 Z2 05980025-00SQ125T-4S两轮摩托车 CN MT G3 Z2 05980027-00SQ125T-5S两轮摩托车 CN MT G3 Z2 05980026-0013 台州市椒江之威摩托车制造有限公司XF150T-2S两轮摩托车 CN MT G3 Z2 05980024-00YB125T-2C两轮摩托车 CN MT G3 Z2 06860002-0014 台州市凯通摩托车制造有限公司YB150T-30C两轮摩托车 CN MT G3 Z2 06860003-00 15 台州市中能摩托车有限公司 ZN150-9S两轮摩托车 CN MT G3 Z2 06150020-00WH125-12两轮摩托车 CN MT G3 Z2 06450026-00WH150J-2两轮摩托车 CN MT G3 Z2 06450025-00WY125-P两轮摩托车 CN MT G3 Z2 06450013-02 16 五羊-本田摩托(广州)有限公司WY125-S两轮摩托车 CN MT G3 Z2 06450017-01HR110-6T两轮摩托车 CN MT G3 Z2 02330076-00 17 增城市奔马实业有限公司SL100T-10两轮摩托车 CN MT G3 Z2 02330077-00BD125T-3V两轮摩托车 CN MT G3 Z2 06890001-00 18 浙江长铃奔健机车有限公司BD125T-CV两轮摩托车 CN MT G3 Z2 06890002-00CF125两轮摩托车 CN MT G3 Z2 05100017-00CF125T-2D两轮摩托车 CN MT G3 Z2 05100016-00CF150-2A两轮摩托车 CN MT G3 Z2 05100015-00 19 浙江春风动力股份有限公司CF250T-8两轮摩托车 CN MT G3 Z2 05100014-00SL125T-2A两轮摩托车 CN MT G3 Z2 04760002-00 20 浙江黄岩三叶集团有限公司SL125T-A两轮摩托车 CN MT G3 Z2 04760003-00 21 浙江嘉爵摩托车制造有限公司 JJ125T-9A两轮摩托车 CN MT G3 Z2 07340010-00—5—序号 企 业 名 称 车辆型号名称 型式核准号JM125T-2A两轮摩托车 CN MT G3 Z2 04800002-00JM125T-2B两轮摩托车 CN MT G3 Z2 04800001-00JM125T-2C两轮摩托车 CN MT G3 Z2 04800003-00JM125T-2D两轮摩托车 CN MT G3 Z2 04800004-00 22 浙江劲野机动车工业有限公司JM125T-2G两轮摩托车 CN MT G3 Z2 04800005-00WB150T-3A两轮摩托车 CN MT G3 Z2 08020004-00WB150T-4A两轮摩托车 CN MT G3 Z2 08020005-00 23 浙江凯凯美多机车有限公司WB150T-8两轮摩托车 CN MT G3 Z2 08020003-0024 中国嘉陵工业股份有限公司(集团)JH150-8两轮摩托车 CN MT G3 Z2 01840021-00ZQ125-3C两轮摩托车 CN MT G3 Z2 07220007-00ZQ125-3D两轮摩托车 CN MT G3 Z2 07220002-00ZQ125-4C两轮摩托车 CN MT G3 Z2 07220005-00ZQ125-D两轮摩托车 CN MT G3 Z2 07220003-00ZQ150-2D两轮摩托车 CN MT G3 Z2 07220008-00ZQ150-3D两轮摩托车 CN MT G3 Z2 07220004-0025 中山国驰摩托车实业有限公司ZQ150-4D两轮摩托车 CN MT G3 Z2 07220006-00CQ110-9E两轮摩托车 CN MT G3 Z2 04390009-02JS200ZH-2正三轮摩托车 CN MT G3 Z2 04390032-00 26 重庆建设摩托车股份有限公司JS250ZH-2正三轮摩托车 CN MT G3 Z2 04390033-00JL110-38两轮摩托车 CN MT G3 Z2 02670044-00 27 重庆隆鑫机车有限公司LX110-37两轮摩托车 CN MT G3 Z2 02670045-00FHL125-27两轮摩托车 CN MT G3 Z2 05250003-00FHL125-27A两轮摩托车 CN MT G3 Z2 05250004-00FHL125-30K两轮摩托车 CN MT G3 Z2 05250006-00 28 重庆马速达机车有限公司FHL150L-24C两轮摩托车 CN MT G3 Z2 05250005-00—6—序号 企 业 名 称 车辆型号名称 型式核准号WJ150-16两轮摩托车 CN MT G3 Z2 04360020-00 29 重庆望江摩托车制造有限公司WJ150G两轮摩托车 CN MT G3 Z2 04360021-00二、轻便摩托车1 光阳工业股份有限公司 MANY 50两轮轻便摩托车 CN QM G3 Z2 08920018-00QM48QT-9B两轮轻便摩托车 CN QM G3 Z2 04410014-002 济南轻骑摩托车股份有限公司QM48QT-9C两轮轻便摩托车 CN QM G3 Z2 04410015-00QM50QT-9两轮轻便摩托车 CN QM G3 Z2 04410013-00三、重型汽油车1 安徽江淮客车有限公司 HK6700Y3客车 CN ZQ G3 Z2 02070071-002 沈阳探矿机械有限公司 STC5083XCT20C静力触探车 CN ZQ G3 Z2 07890002-00—7—。
附件一:达到国家机动车排放标准第三阶段型式核准排放限值的新机动车型和发动机型(第39批)序号 企 业 名 称 车辆型号名称 型式核准号一、轻型汽油车HFC7130AG3轿车 CN QQ G3 Z2 00890449-01HFC7130LG3轿车 CN QQ G3 Z2 00890508-01 1 安徽江淮汽车股份有限公司HFC7150AG3轿车 CN QQ G3 Z2 00890453-01HFC7150LG3轿车 CN QQ G3 Z2 00890506-01GA5020JLE3教练车 CN QQ G3 Z2 05130023-00 2 郴州吉奥南燕驰峰汽车有限公司GA5020XYZE3邮政车 CN QQ G3 Z2 05130024-00GA5020XYZE3邮政车 CN QQ G3 Z2 05130024-01 3 成都王牌汽车集团股份有限公司 CDW5021ZLJ垃圾车 CN QQ G3 Z2 04230051-00EQ1021TF10载货汽车 CN QQ G3 Z2 00770194-00EQ1021TF23Q2载货汽车 CN QQ G3 Z2 00770205-00EQ1021TF9载货汽车 CN QQ G3 Z2 00770195-00EQ5020XJHF救护车 CN QQ G3 Z2 00770196-00EQ5020XJHF22Q救护车 CN QQ G3 Z2 00770189-00EQ5020XQCF囚车 CN QQ G3 Z2 00770200-00EQ5020XQCF22Q囚车 CN QQ G3 Z2 00770192-00 4 东风汽车公司EQ5020XYZF邮政车 CN QQ G3 Z2 00770201-00EQ5020XYZF22Q邮政车 CN QQ G3 Z2 00770193-00EQ6360LF5客车 CN QQ G3 Z2 00770197-00EQ6361PF23Q2客车 CN QQ G3 Z2 00770202-00EQ6381LF22Q6客车 CN QQ G3 Z2 00770004-02EQ6381LF24Q1客车 CN QQ G3 Z2 00770203-00EQ6381LF5客车 CN QQ G3 Z2 00770168-01 4 东风汽车公司 EQ6381LF6客车 CN QQ G3 Z2 00770005-06—3—序号 企 业 名 称 车辆型号名称 型式核准号EQ6381LF8客车 CN QQ G3 Z2 00770198-00EQ6390PF2客车 CN QQ G3 Z2 00770190-00EQ6390PF2客车 CN QQ G3 Z2 00770190-01EQ6390PF22Q1客车 CN QQ G3 Z2 00770191-00EQ6400LF5客车 CN QQ G3 Z2 00770167-01EQ6400LF6客车 CN QQ G3 Z2 00770199-00EQ6410LF23Q1客车 CN QQ G3 Z2 00770204-00DFL7160BB轿车 CN QQ G3 Z2 02370413-00DFL7160BB轿车 CN QQ G3 Z2 02370413-01DFL7161BB轿车 CN QQ G3 Z2 02370414-00DFL7161BB轿车 CN QQ G3 Z2 02370414-01DFL7163AB旅行轿车 CN QQ G3 Z2 02370415-00 5 东风汽车有限公司DFL7163AB旅行轿车 CN QQ G3 Z2 02370415-01DFL7163BB旅行轿车 CN QQ G3 Z2 02370416-00DFL7163BB旅行轿车 CN QQ G3 Z2 02370416-01DFL7180AB旅行轿车 CN QQ G3 Z2 02370025-04DFL7180AB旅行轿车 CN QQ G3 Z2 02370025-05 6 哈飞汽车股份有限公司 HFJ7110E3轿车 CN QQ G3 Z2 00400053-01BQ5023XYG-G3厢式运输车 CN QQ G3 Z2 00530031-00BQ5023ZHG-G3指挥车 CN QQ G3 Z2 00530030-00 7 河北中兴汽车制造有限公司BQ6475G3轻型客车 CN QQ G3 Z2 00530032-00BQ6475SG3轻型越野客车 CN QQ G3 Z2 00530033-00CH5022XQCB4囚车 CN QQ G3 Z2 00470052-00CH5022XQCC4囚车 CN QQ G3 Z2 00470053-00CH5022XYZB4邮政车 CN QQ G3 Z2 00470054-00 8 江西昌河铃木汽车有限责任公司CH5022XYZC4邮政车 CN QQ G3 Z2 00470055-00CH6391B4客车 CN QQ G3 Z2 00470051-00CH6391C4客车 CN QQ G3 Z2 00470050-00 9 南京长安汽车有限公司 SC6378A3S客车 CN QQ G3 Z2 01800075-00 9 南京长安汽车有限公司 SC6378AJ3S客车 CN QQ G3 Z2 01800071-00—4—序号 企 业 名 称 车辆型号名称 型式核准号SC6378AV3S客车 CN QQ G3 Z2 01800076-00SC6378B3客车 CN QQ G3 Z2 01800077-00SC6378BJ3客车 CN QQ G3 Z2 01800078-00SC6378BV3客车 CN QQ G3 Z2 01800079-00SC6378C3客车 CN QQ G3 Z2 01800073-00SC6378CJ3客车 CN QQ G3 Z2 01800072-00SC6378CV3客车 CN QQ G3 Z2 01800074-00 10 上海汽车集团股份有限公司 CSA6470AB运动型乘用车 CN QQ G3 Z2 08550017-00LZW1010PLNN3货车 CN QQ G3 Z2 02390180-00LZW1010PLNN3Q货车 CN QQ G3 Z2 02390179-00LZW1010PSNN3双排座货车 CN QQ G3 Z2 02390175-00LZW1010PSNN3Q双排座货车CN QQ G3 Z2 02390173-00LZW1020PSLNN3双排座货车CN QQ G3 Z2 02390174-00LZW1020PSLNN3Q双排座货车CN QQ G3 Z2 02390172-00LZW1027B3货车 CN QQ G3 Z2 02390073-01LZW5010XXYNN3厢式运输车CN QQ G3 Z2 02390181-00LZW5010XXYNN3Q厢式运输车CN QQ G3 Z2 02390182-00LZW5020XXYSLNN3双排座厢CN QQ G3 Z2 02390177-00式运输车LZW5020XXYSLNN3Q双排座厢11 上汽通用五菱汽车股份有限公司CN QQ G3 Z2 02390178-00式运输车LZW5028XKCB3勘察车 CN QQ G3 Z2 02390183-00LZW5028XQCB3囚车 CN QQ G3 Z2 02390184-00LZW5028XXYB3厢式运输车 CN QQ G3 Z2 02390078-01LZW5028XXYB3Q厢式运输车CN QQ G3 Z2 02390079-01LZW5028XYZB3邮政车 CN QQ G3 Z2 02390185-00LZW5029XXYB3厢式运输车 CN QQ G3 Z2 02390041-02LZW5029XYZB3邮政车 CN QQ G3 Z2 02390042-02LZW6358N3客车 CN QQ G3 Z2 02390176-00LZW6358N3Q客车 CN QQ G3 Z2 02390170-00LZW6358NV3Q客车 CN QQ G3 Z2 02390171-00 11 上汽通用五菱汽车股份有限公司LZW6400B3客车 CN QQ G3 Z2 02390039-02—5—序号 企 业 名 称 车辆型号名称 型式核准号LZW6407B3客车 CN QQ G3 Z2 02390075-01LZW6407B3Q客车 CN QQ G3 Z2 02390074-01LZW6407BV3Q客车 CN QQ G3 Z2 02390076-01XMQ5030XJH救护车 CN QQ G3 Z2 00230214-00 12 厦门金龙联合汽车工业有限公司XMQ5030XQC囚车 CN QQ G3 Z2 00230215-00XMQ5030XXY厢式运输车 CN QQ G3 Z2 00230216-00HMC7165F3H0轿车 CN QQ G3 Z2 01870044-00 13 一汽海马汽车有限公司HMC7165G3H0轿车 CN QQ G3 Z2 01870045-00JL7152U1轿车 CN QQ G3 Z2 01590022-05 14 浙江豪情汽车制造有限公司JL7152U1轿车 CN QQ G3 Z2 01590022-06 15 郑州红宇专用汽车有限责任公司 HYJ5023XQY爆破器材运输车CN QQ G3 Z2 01940028-00SC6399C3客车 CN QQ G3 Z2 02160175-00SC6399CV3客车 CN QQ G3 Z2 02160176-00 16 重庆长安汽车股份有限公司SC6408D客车 CN QQ G3 Z2 02160177-00SC6408DV客车 CN QQ G3 Z2 02160178-00二、轻型柴油车1 安徽江淮汽车股份有限公司 HFC6470KA2T轻型客车 CN QC G3 Z2 00890668-002 常熟华东汽车有限公司 CSZ5025XYCFB3运钞车 CN QC G3 Z2 00990049-003 郴州吉奥南燕驰峰汽车有限公司 GA5020JLCRE3A教练车 CN QC G3 Z2 05130025-00BQ1022N5轻型货车 CN QC G3 Z2 00530036-00BQ1022N6轻型货车 CN QC G3 Z2 00530034-00BQ1022N6M轻型货车 CN QC G3 Z2 00530037-00BQ1023N5V轻型货车 CN QC G3 Z2 00530035-00 4 河北中兴汽车制造有限公司BQ1028N6B2轻型货车 CN QC G3 Z2 00530038-00BQ1028N6B2M轻型货车 CN QC G3 Z2 00530039-00BQ6475M轻型客车 CN QC G3 Z2 00530040-00BQ6475SM轻型越野客车 CN QC G3 Z2 00530041-005 新凯汽车集团有限公司 HXK6510CG轻型客车 CN QC G3 Z2 00100014-00三、轻型两用燃料车1 一汽-大众汽车有限公司 FV7162XC两用燃料轿车 CN QL G3 Z2 00180123-002 重庆力帆乘用车有限公司 LF7162C/CNG轿车 CN QL G3 Z2 08430018-00—6—序号 企 业 名 称 车辆型号名称 型式核准号四、压燃式发动机1 Detroit Diesel Corporation S60 6063HV39.Ⅲ/525 CN CJ G3 08380005-00ISF3.8s3141 CN CJ G3 0A280001-00ISF3.8s3154 CN CJ G3 0A280002-00 2 北京福田康明斯发动机有限公司ISF3.8s3168 CN CJ G3 0A280003-003 德国曼商用车辆股份公司(MAN Nutzfahrzeuge AG)D2066LF02 CN CJ G3 07050029-004 南京依维柯汽车有限公司 SOFIM8140.46 CN CJ G3 00160574-00E13C TM CN CJ G3 07350017-00 5 日野自动车株式会社E13C TR CN CJ G3 07350001-01YT4EC138 CN CJ G3 03410004-00 6 如皋市柴油机厂YT4EC140 CN CJ G3 03410003-00 7 上汽菲亚特红岩动力总成有限公司F2CE0681D*B053 CN CJ G3 09950004-00Phaser110Ti-S30 CN CJ G3 07150019-00 8 天津雷沃动力股份有限公司Phaser135Ti-S30 CN CJ G3 07150018-01 五、装用压燃式发动机的重型车HN1141Z19E6M3载货汽车 CN ZC G3 Z2 05810071-00HN1191Z26D1M3载货汽车 CN ZC G3 Z2 05810072-00HN1200P24E3M3载货汽车 CN ZC G3 Z2 05810073-00HN1200P24E3M3载货汽车 CN ZC G3 Z2 05810073-01HN1200P24E3M3载货汽车 CN ZC G3 Z2 05810073-02HN1200P24E3M3载货汽车 CN ZC G3 Z2 05810073-03HN1200P24E3M3载货汽车 CN ZC G3 Z2 05810073-04HN1240Z21E2M3载货汽车 CN ZC G3 Z2 05810077-00HN3120Z24D8M3自卸汽车 CN ZC G3 Z2 05810070-00HN3200Z26C6M3自卸汽车 CN ZC G3 Z2 05810076-00HN3230P38D1M3自卸汽车 CN ZC G3 Z2 05810022-08HN3230P38D1M3自卸汽车 CN ZC G3 Z2 05810022-09HN3250P35D4M3自卸汽车 CN ZC G3 Z2 05810012-12 1 安徽华菱汽车股份有限公司HN3250P35D4M3自卸汽车 CN ZC G3 Z2 05810012-13 1 安徽华菱汽车股份有限公司 HN3262P34D6M3自卸汽车 CN ZC G3 Z2 05810081-00—7—序号 企 业 名 称 车辆型号名称 型式核准号HN3262P34D6M3自卸汽车 CN ZC G3 Z2 05810081-01HN3311Z26C3M3自卸汽车 CN ZC G3 Z2 05810082-00HN5141Z19E6M3CSG仓栅式CN ZC G3 Z2 05810074-00运输车HN5141Z19E6M3XXY厢式运CN ZC G3 Z2 05810078-00输车HN5240Z21E2M3CSG仓栅式CN ZC G3 Z2 05810079-00运输车HN5240Z21E2M3XXY厢式运CN ZC G3 Z2 05810080-00输车HN5310P29D6M3CSG仓栅式CN ZC G3 Z2 05810075-00运输车HN5310P29D6M3CSG仓栅式CN ZC G3 Z2 05810075-01运输车HN5310P29D6M3CSG仓栅式CN ZC G3 Z2 05810075-02运输车HN5310P29D6M3CSG仓栅式CN ZC G3 Z2 05810075-03运输车HN5310P29D6M3CSG仓栅式CN ZC G3 Z2 05810075-04运输车HN5310P29D6M3CSG仓栅式CN ZC G3 Z2 05810075-05运输车HN5310P29D6M3CSG仓栅式CN ZC G3 Z2 05810075-06运输车HN5310P29D6M3CSG仓栅式CN ZC G3 Z2 05810075-07运输车HN5310P29D6M3CSG仓栅式CN ZC G3 Z2 05810075-08运输车HN5310P29D6M3CSG仓栅式CN ZC G3 Z2 05810075-09运输车HN5310P29D6M3CSG仓栅式CN ZC G3 Z2 05810075-10运输车HN5310P29D6M3CSG仓栅式CN ZC G3 Z2 05810075-11运输车HK6103H2客车 CN ZC G3 Z2 02070029-03 2 安徽江淮客车有限公司HK6103H3客车 CN ZC G3 Z2 02070034-03HK6105G城市客车 CN ZC G3 Z2 02070012-033 安徽江淮汽车集团有限公司 HFC3200KR1T3自卸汽车 CN ZC G3 Z2 06140067-004 安徽省池州市大田专用汽车有限ACQ5122TPB平板运输车 CN ZC G3 Z2 0B200003-00—8—序号 企 业 名 称 车辆型号名称 型式核准号 公司 ACQ5160TPB平板运输车 CN ZC G3 Z2 0B200004-00AH5241JSQ 随车起重运输车CN ZC G3 Z2 00760062-05AH5241JSQ 随车起重运输车CN ZC G3 Z2 00760062-06AH5253GJB6混凝土搅拌运输车CN ZC G3 Z2 00760027-10AH5253GJB6混凝土搅拌运输车CN ZC G3 Z2 00760027-11AH5256GJB6混凝土搅拌运输车CN ZC G3 Z2 00760012-08AH5256GJB6混凝土搅拌运输车 CN ZC G3 Z2 00760012-095 安徽星马汽车股份有限公司AH5470THB混凝土泵车 CN ZC G3 Z2 00760061-01BSJ5120TCJ35测井车 CN ZC G3 Z2 06540004-00 6 宝鸡宝石特种车辆有限责任公司BSJ5280TCJ70测井车 CN ZC G3 Z2 06540003-00 7 北京北电科林电子有限公司 BDK5200XDS电视车 CN ZC G3 Z2 03370028-00BBL5044XJE监测车 CN ZC G3 Z2 00910024-00 8 北京北铃专用汽车有限公司BBL5046XJE监测车 CN ZC G3 Z2 00910023-00BJ1044P1U52普通货车 CN ZC G3 Z2 00420021-04BJ1054P1U51普通货车 CN ZC G3 Z2 00420186-00BJ1054P1U51普通货车 CN ZC G3 Z2 00420186-01BJ1054PPU51普通货车 CN ZC G3 Z2 00420187-00BJ1054PPU51普通货车 CN ZC G3 Z2 00420187-01BJ1064P1U51普通货车 CN ZC G3 Z2 00420105-03BJ1074P1U51普通货车 CN ZC G3 Z2 00420188-00BJ1074P1U51普通货车 CN ZC G3 Z2 00420188-01BJ1074PPU51普通货车 CN ZC G3 Z2 00420189-00BJ1074PPU51普通货车 CN ZC G3 Z2 00420189-01BJ5040XXY13厢式运输车 CN ZC G3 Z2 00420190-00BJ5040XXY14厢式运输车 CN ZC G3 Z2 00420191-00BJ5044XXY23厢式运输车 CN ZC G3 Z2 00420192-00BJ5044XXY23厢式运输车 CN ZC G3 Z2 00420192-01 9 北京汽车制造厂有限公司BJ5044XXY23厢式运输车 CN ZC G3 Z2 00420192-02 9 北京汽车制造厂有限公司 BJ5044XXY24厢式运输车 CN ZC G3 Z2 00420193-00—9—序号 企 业 名 称 车辆型号名称 型式核准号BJ5044XXY24厢式运输车 CN ZC G3 Z2 00420193-01BJ5044XXY24厢式运输车 CN ZC G3 Z2 00420193-02BJ5064XXY13厢式运输车 CN ZC G3 Z2 00420194-00BJ5064XXY13厢式运输车 CN ZC G3 Z2 00420194-01BJ5064XXY14厢式运输车 CN ZC G3 Z2 00420195-00BJ5064XXY14厢式运输车 CN ZC G3 Z2 00420195-01BSX5043GYY运油车 CN ZC G3 Z2 00900036-00BSX5141TCJ测井车 CN ZC G3 Z2 00900035-00BSX5311GYYZ运油车 CN ZC G3 Z2 00900037-00 10 北京三兴汽车厂BSX5311GYYZ运油车 CN ZC G3 Z2 00900037-01BQJ5081ZXXE车厢可卸式垃圾车 CN ZC G3 Z2 01310032-0011 北京市清洁机械厂BQJ5162GSSE洒水车 CN ZC G3 Z2 01310033-00 12 北京载通视音频广播技术有限公司BZT5221XDS电视车 CN ZC G3 Z2 07030020-00ZXF5190GXFPM80A 泡沫消防车CN ZC G3 Z2 09250006-00ZXF5190GXFSG80A 水罐消防车CN ZC G3 Z2 09250008-00ZXF5260GXFPM110A泡沫消防车 CN ZC G3 Z2 09250007-0013 北京中卓时代消防装备科技有限公司ZXF5260GXFSG110A水罐消防车CN ZC G3 Z2 09250009-00BJ1059VCJD6-4载货汽车 CN ZC G3 Z2 00390877-00BJ1059VCPD6-4载货汽车 CN ZC G3 Z2 00390878-00BJ1071VCJFA-S载货汽车 CN ZC G3 Z2 00390436-01BJ1071VCJFA-S载货汽车 CN ZC G3 Z2 00390436-02BJ1071VCJFA-S载货汽车 CN ZC G3 Z2 00390436-03BJ1081VDJEA-S1载货汽车 CN ZC G3 Z2 00390880-00BJ1081VDJEA-S1载货汽车 CN ZC G3 Z2 00390880-01BJ1081VDPEA-S1载货汽车 CN ZC G3 Z2 00390881-00BJ1081VDPEA-S1载货汽车 CN ZC G3 Z2 00390881-0114 北汽福田汽车股份有限公司BJ1096VDPFG-1载货汽车 CN ZC G3 Z2 00390879-00 14 北汽福田汽车股份有限公司 BJ1101VEJFA-S载货汽车 CN ZC G3 Z2 00390882-00—10—序号 企 业 名 称 车辆型号名称 型式核准号BJ1101VEJFA-S载货汽车 CN ZC G3 Z2 00390882-01BJ1101VEJFA-S载货汽车 CN ZC G3 Z2 00390882-02BJ1101VEJFD-S载货汽车 CN ZC G3 Z2 00390920-00BJ1101VEPFA-S载货汽车 CN ZC G3 Z2 00390883-00BJ1101VEPFA-S载货汽车 CN ZC G3 Z2 00390883-01BJ1101VEPFA-S载货汽车 CN ZC G3 Z2 00390883-02BJ1123VHPFG-1载货汽车 CN ZC G3 Z2 00390884-00BJ1123VHPFG-1载货汽车 CN ZC G3 Z2 00390884-01BJ1123VJPFG-S载货汽车 CN ZC G3 Z2 00390210-01BJ1141VJPFG-S载货汽车 CN ZC G3 Z2 00390885-00BJ1141VJPFG-S载货汽车 CN ZC G3 Z2 00390885-01BJ1141VJPFG-S载货汽车 CN ZC G3 Z2 00390885-02BJ1161VJPFK-S载货汽车 CN ZC G3 Z2 00390886-00BJ1161VJPFK-S载货汽车 CN ZC G3 Z2 00390886-01BJ1161VJPFK-S载货汽车 CN ZC G3 Z2 00390886-02BJ1203VKPHP-S2载货汽车 CN ZC G3 Z2 00390816-02BJ3043D8JB6-1自卸汽车 CN ZC G3 Z2 00390887-00BJ3043D8JB6-1自卸汽车 CN ZC G3 Z2 00390887-01BJ3043D8PB6-1自卸汽车 CN ZC G3 Z2 00390888-00BJ3043D8PB6-1自卸汽车 CN ZC G3 Z2 00390888-01BJ3043D8PBA-S1自卸汽车 CN ZC G3 Z2 00390671-01BJ3093DDPFD-S自卸汽车 CN ZC G3 Z2 00390516-01BJ3096DDPFD-S自卸汽车 CN ZC G3 Z2 00390381-01BJ3096DDPFD-S自卸汽车 CN ZC G3 Z2 00390381-02BJ3163DJPFB-2自卸汽车 CN ZC G3 Z2 00390889-00BJ3258DLPJB-13自卸汽车 CN ZC G3 Z2 00390890-00BJ3258DLPJB-13自卸汽车 CN ZC G3 Z2 00390890-01BJ5051VBBFA-1蓬式运输车CN ZC G3 Z2 00390900-00BJ5051VBBFA-1蓬式运输车CN ZC G3 Z2 00390900-01BJ5051VBBFA-1蓬式运输车CN ZC G3 Z2 00390900-02 14 北汽福田汽车股份有限公司 BJ5051VBCFA-1蓬式运输车CN ZC G3 Z2 00390901-00—11—序号 企 业 名 称 车辆型号名称 型式核准号BJ5051VBCFA-1蓬式运输车CN ZC G3 Z2 00390901-01BJ5051VBCFA-1蓬式运输车CN ZC G3 Z2 00390901-02BJ5059VCBD6-1厢式运输车CN ZC G3 Z2 00390904-00BJ5059VCCD6厢式运输车 CN ZC G3 Z2 00390905-00BJ5071XLC-S冷藏车 CN ZC G3 Z2 00390917-00BJ5071XLC-S冷藏车 CN ZC G3 Z2 00390917-01BJ5071XLC-S冷藏车 CN ZC G3 Z2 00390917-02BJ5071XLC-S冷藏车 CN ZC G3 Z2 00390917-03BJ5081VDBEA-S1厢式运输车CN ZC G3 Z2 00390906-00BJ5081VDBEA-S1厢式运输车CN ZC G3 Z2 00390906-01BJ5081VDCEA-S1厢式运输车CN ZC G3 Z2 00390907-00BJ5081VDCEA-S1厢式运输车CN ZC G3 Z2 00390907-01BJ5101VDBFD-S厢式运输车CN ZC G3 Z2 00390921-00BJ5101VEBFA-S厢式运输车CN ZC G3 Z2 00390908-00BJ5101VEBFA-S厢式运输车CN ZC G3 Z2 00390908-01BJ5101VEBFA-S厢式运输车CN ZC G3 Z2 00390908-02BJ5101VECFA-S厢式运输车CN ZC G3 Z2 00390909-00BJ5101VECFA-S厢式运输车CN ZC G3 Z2 00390909-01BJ5101VECFA-S厢式运输车CN ZC G3 Z2 00390909-02BJ5106VDCFG-1厢式运输车CN ZC G3 Z2 00390910-00BJ5106VDCFG-2仓栅式运输车CN ZC G3 Z2 00390891-00BJ5123VHCFG-1厢式运输车CN ZC G3 Z2 00390911-00BJ5123VHCFG-1厢式运输车CN ZC G3 Z2 00390911-01BJ5123VHCFG-2仓栅式运输车CN ZC G3 Z2 00390892-00BJ5123VHCFG-2仓栅式运输车CN ZC G3 Z2 00390892-01BJ5123VHCFG-S1仓栅运输车CN ZC G3 Z2 00390551-01BJ5141VJCFG-S仓栅式运输车CN ZC G3 Z2 00390893-00BJ5141VJCFG-S仓栅式运输车CN ZC G3 Z2 00390893-01BJ5141VJCFG-S仓栅式运输车CN ZC G3 Z2 00390893-02BJ5141VJCFG-S1厢式运输车CN ZC G3 Z2 00390912-00 14 北汽福田汽车股份有限公司 BJ5141VJCFG-S1厢式运输车CN ZC G3 Z2 00390912-01—12—序号 企 业 名 称 车辆型号名称 型式核准号BJ5141VJCFG-S1厢式运输车CN ZC G3 Z2 00390912-02BJ5161VJCFK-S仓栅式运输车CN ZC G3 Z2 00390894-00BJ5161VJCFK-S仓栅式运输车CN ZC G3 Z2 00390894-01BJ5161VJCFK-S仓栅式运输车CN ZC G3 Z2 00390894-02BJ5161VJCFK-S1厢式运输车CN ZC G3 Z2 00390913-00BJ5161VJCFK-S1厢式运输车CN ZC G3 Z2 00390913-01BJ5161VJCFK-S1厢式运输车CN ZC G3 Z2 00390913-02BJ5163VJCFB-2仓栅式运输车CN ZC G3 Z2 00390895-00BJ5163VJCFB-3厢式运输车CN ZC G3 Z2 00390914-00BJ5168VJCHH-3仓栅式运输车CN ZC G3 Z2 00390896-00BJ5168VJCHH-3仓栅式运输车CN ZC G3 Z2 00390896-01BJ6100C6MGB城市客车 CN ZC G3 Z2 00390011-05BJ6100C6MGB城市客车 CN ZC G3 Z2 00390011-06BJ6101U7LHB-2客车 CN ZC G3 Z2 00390047-04BJ6101U7LHB-2客车 CN ZC G3 Z2 00390047-05BJ6101U7LHB-2客车 CN ZC G3 Z2 00390047-06BJ6101U7LHB-3客车 CN ZC G3 Z2 00390046-05BJ6101U7LHB-3客车 CN ZC G3 Z2 00390046-06BJ6101U7LHB-3客车 CN ZC G3 Z2 00390046-07BJ6103U7LHB客车 CN ZC G3 Z2 00390897-00BJ6103U7LHB客车 CN ZC G3 Z2 00390897-01BJ6103U7LHB客车 CN ZC G3 Z2 00390897-02BJ6103U7LHB客车 CN ZC G3 Z2 00390897-03BJ6103U7LHB客车 CN ZC G3 Z2 00390897-04BJ6103U7LHB客车 CN ZC G3 Z2 00390897-05BJ6103U7LHB-1客车 CN ZC G3 Z2 00390898-00BJ6103U7LHB-1客车 CN ZC G3 Z2 00390898-01BJ6103U7LHB-1客车 CN ZC G3 Z2 00390898-02BJ6103U7LHB-1客车 CN ZC G3 Z2 00390898-03BJ6103U7LHB-1客车 CN ZC G3 Z2 00390898-04 14 北汽福田汽车股份有限公司 BJ6103U7LHB-1客车 CN ZC G3 Z2 00390898-05—13—序号 企 业 名 称 车辆型号名称 型式核准号BJ6103U8LHB-4客车 CN ZC G3 Z2 00390215-03BJ6103U8LHB-5客车 CN ZC G3 Z2 00390216-03BJ6105C6MHB城市客车 CN ZC G3 Z2 00390915-00BJ6105C6MHB城市客车 CN ZC G3 Z2 00390915-01BJ6105C6MHB城市客车 CN ZC G3 Z2 00390915-02BJ6105C6MHB城市客车 CN ZC G3 Z2 00390915-03BJ6105C6MHB城市客车 CN ZC G3 Z2 00390915-04BJ6105C6MHB城市客车 CN ZC G3 Z2 00390915-05BJ6122U7MKB-2卧铺客车 CN ZC G3 Z2 00390902-00BJ6122U7MKB-2卧铺客车 CN ZC G3 Z2 00390902-01BJ6122U7MKB-2卧铺客车 CN ZC G3 Z2 00390902-02BJ6122U7MKB-2卧铺客车 CN ZC G3 Z2 00390902-03BJ6122U7MKB-2卧铺客车 CN ZC G3 Z2 00390902-04BJ6122U7MKB-2卧铺客车 CN ZC G3 Z2 00390902-05BJ6122U7MKB-2卧铺客车 CN ZC G3 Z2 00390902-06BJ6122U7MKB-3卧铺客车 CN ZC G3 Z2 00390903-00BJ6122U7MKB-3卧铺客车 CN ZC G3 Z2 00390903-01BJ6122U7MKB-3卧铺客车 CN ZC G3 Z2 00390903-02BJ6122U7MKB-3卧铺客车 CN ZC G3 Z2 00390903-03BJ6122U7MKB-3卧铺客车 CN ZC G3 Z2 00390903-04BJ6122U7MKB-3卧铺客车 CN ZC G3 Z2 00390903-05BJ6122U7MKB-3卧铺客车 CN ZC G3 Z2 00390903-06BJ6123C7MJB城市客车 CN ZC G3 Z2 00390916-00BJ6123C7MJB城市客车 CN ZC G3 Z2 00390916-01BJ6123C7MJB城市客车 CN ZC G3 Z2 00390916-02BJ6123C7MJB城市客车 CN ZC G3 Z2 00390916-03BJ6123C7MJB城市客车 CN ZC G3 Z2 00390916-04BJ6123C7MJB城市客车 CN ZC G3 Z2 00390916-05BJ6126U8MJB客车 CN ZC G3 Z2 00390129-07BJ6126U8MJB客车 CN ZC G3 Z2 00390129-08 14 北汽福田汽车股份有限公司 BJ6126U8MJB-1客车 CN ZC G3 Z2 00390130-07—14—序号 企 业 名 称 车辆型号名称 型式核准号BJ6126U8MJB-1客车 CN ZC G3 Z2 00390130-08BJ6126U8MKB客车 CN ZC G3 Z2 00390131-05BJ6126U8MKB客车 CN ZC G3 Z2 00390131-06BJ6126U8MKB客车 CN ZC G3 Z2 00390131-07BJ6126U8MKB客车 CN ZC G3 Z2 00390131-08BJ6126U8MKB客车 CN ZC G3 Z2 00390131-09BJ6126U8MKB客车 CN ZC G3 Z2 00390131-10BJ6126U8MKB客车 CN ZC G3 Z2 00390131-11BJ6126U8MKB-1客车 CN ZC G3 Z2 00390899-00BJ6126U8MKB-1客车 CN ZC G3 Z2 00390899-01BJ6126U8MKB-1客车 CN ZC G3 Z2 00390899-02BJ6126U8MKB-1客车 CN ZC G3 Z2 00390899-03BJ6126U8MKB-1客车 CN ZC G3 Z2 00390899-04BJ6126U8MKB-1客车 CN ZC G3 Z2 00390899-05BJ6126U8MKB-1客车 CN ZC G3 Z2 00390899-06BJ6800U6AFB客车 CN ZC G3 Z2 00390613-02BJ6800U6AFB-1客车 CN ZC G3 Z2 00390614-02BJ6830U6LFB客车 CN ZC G3 Z2 00390048-04BJ6830U6LFB-1客车 CN ZC G3 Z2 00390041-0315 查特中汽深冷特种车(常州)有限公司CTZ5312GDY低温液体运输车CN ZC G3 Z2 09760006-00YTA1041R1C1载货汽车 CN ZC G3 Z2 09540007-01YTA1045R1C1载货汽车 CN ZC G3 Z2 09540008-01YTA1050R1C1载货汽车 CN ZC G3 Z2 09540009-00YTA1061R1C1载货汽车 CN ZC G3 Z2 09540005-01YTA1081R1C1载货汽车 CN ZC G3 Z2 09540004-01YTA1082R1C1载货汽车 CN ZC G3 Z2 09540010-00YTA1083R1C1载货汽车 CN ZC G3 Z2 09540011-0016 常州英田汽车有限公司YTA1122R1C1载货汽车 CN ZC G3 Z2 09540006-01 17 长春双龙专用汽车制造有限公司 CSL5160GXWC6真空吸污车 CN ZC G3 Z2 0B170001-00 17 长春双龙专用汽车制造有限公司CSL5160GXWC6真空吸污车 CN ZC G3 Z2 0B170001-01—15—序号 企 业 名 称 车辆型号名称 型式核准号CSL5160GXWC6真空吸污车 CN ZC G3 Z2 0B170001-02CSL5160GXWC6真空吸污车 CN ZC G3 Z2 0B170001-03CSL5160GXWC6真空吸污车 CN ZC G3 Z2 0B170001-04CSL5160ZYSC压缩式垃圾车CN ZC G3 Z2 0B170002-00CSL5160ZYSC压缩式垃圾车CN ZC G3 Z2 0B170002-01CSL5160ZYSC压缩式垃圾车CN ZC G3 Z2 0B170002-02CSL5160ZYSC压缩式垃圾车CN ZC G3 Z2 0B170002-03CSL5160ZYSC压缩式垃圾车CN ZC G3 Z2 0B170002-04 18 成都安达特种车辆有限责任公司 CAT6780DEC城市客车 CN ZC G3 Z2 02860025-00CDW5071TSL扫路车 CN ZC G3 Z2 04230052-00CDW5071TSL扫路车 CN ZC G3 Z2 04230052-01 19 成都王牌汽车集团股份有限公司CDW5161GSS洒水车 CN ZC G3 Z2 04230050-00CDW5161GSS洒水车 CN ZC G3 Z2 04230050-01CDW5161GSS洒水车 CN ZC G3 Z2 04230050-02Actros 2044卡车及底盘 CN ZC G3 Z2 06030108-00 20 戴姆勒股份公司Actros 2554卡车及底盘 CN ZC G3 Z2 06030109-00DD6108K05客车 CN ZC G3 Z2 01470032-01DD6108K05客车 CN ZC G3 Z2 01470032-02DD6109S23城市客车 CN ZC G3 Z2 01470068-03DD6109S23城市客车 CN ZC G3 Z2 01470068-04DD6119K63客车 CN ZC G3 Z2 01470079-01DD6119K63客车 CN ZC G3 Z2 01470079-02DD6128S02城市客车 CN ZC G3 Z2 01470096-01 21 丹东黄海汽车有限责任公司DD6128S02城市客车 CN ZC G3 Z2 01470096-02DD6128S14城市客车 CN ZC G3 Z2 01470104-01DD6128S14城市客车 CN ZC G3 Z2 01470104-02DD6128S21城市客车 CN ZC G3 Z2 01470084-01DD6128S21城市客车 CN ZC G3 Z2 01470084-02DD6128S24城市客车 CN ZC G3 Z2 01470102-01DD6128S24城市客车 CN ZC G3 Z2 01470102-02 21 丹东黄海汽车有限责任公司 DD6129K61客车 CN ZC G3 Z2 01470080-01—16—序号 企 业 名 称 车辆型号名称 型式核准号DD6129K61客车 CN ZC G3 Z2 01470080-02DD6129S03城市客车 CN ZC G3 Z2 01470054-01DD6129S03城市客车 CN ZC G3 Z2 01470054-02DD6129S15城市客车 CN ZC G3 Z2 01470002-02DD6129S15城市客车 CN ZC G3 Z2 01470002-03DD6129S24城市客车 CN ZC G3 Z2 01470028-01DD6129S24城市客车 CN ZC G3 Z2 01470028-02DD6129S27城市客车 CN ZC G3 Z2 01470108-01DD6129S27城市客车 CN ZC G3 Z2 01470108-02DD6129S33城市客车 CN ZC G3 Z2 01470057-01DD6129S33城市客车 CN ZC G3 Z2 01470057-02DD6137S22城市客车 CN ZC G3 Z2 01470157-00DD6137S22城市客车 CN ZC G3 Z2 01470157-01DD6141S01城市客车 CN ZC G3 Z2 01470029-02DD6141S01城市客车 CN ZC G3 Z2 01470029-03DD6141S22城市客车 CN ZC G3 Z2 01470085-01DD6141S22城市客车 CN ZC G3 Z2 01470085-02DD6181S01城市客车 CN ZC G3 Z2 01470010-02DD6181S01城市客车 CN ZC G3 Z2 01470010-03DD6181S03城市客车 CN ZC G3 Z2 01470073-02DD6181S03城市客车 CN ZC G3 Z2 01470073-03DD6182S01城市客车 CN ZC G3 Z2 01470074-01DD6182S01城市客车 CN ZC G3 Z2 01470074-02EQ1040GZ19D3载货汽车 CN ZC G3 Z2 02380145-06EQ1040GZ72D3载货汽车 CN ZC G3 Z2 02380187-03EQ1040GZ72D4载货汽车 CN ZC G3 Z2 02380117-03 22 东风汽车股份有限公司EQ1040GZ72D5载货汽车 CN ZC G3 Z2 02380118-03EQ1040NZ72D3载货汽车 CN ZC G3 Z2 02380188-03EQ1040NZ72D4载货汽车 CN ZC G3 Z2 02380119-03EQ1040NZ72D5载货汽车 CN ZC G3 Z2 02380120-03 22 东风汽车股份有限公司 EQ1040TZ72D3载货汽车 CN ZC G3 Z2 02380166-03—17—序号 企 业 名 称 车辆型号名称 型式核准号EQ1040TZ72D4载货汽车 CN ZC G3 Z2 02380121-03EQ1040TZ72D5载货汽车 CN ZC G3 Z2 02380067-03EQ3042NZ20D3自卸汽车 CN ZC G3 Z2 02380433-05EQ5040CCQ72D3AC 仓栅式CN ZC G3 Z2 02380186-03运输车EQ5040CCQ72D4AC 仓栅式CN ZC G3 Z2 02380078-03运输车EQ5040CCQ72D5AC 仓栅式CN ZC G3 Z2 02380079-03运输车EQ5040CCQG72D3AC 仓栅式CN ZC G3 Z2 02380175-03运输车EQ5040CCQG72D4AC 仓栅式CN ZC G3 Z2 02380081-03运输车EQ5040CCQG72D5AC 仓栅式CN ZC G3 Z2 02380082-03运输车EQ5040TDY20D3AC电影放映车CN ZC G3 Z2 02380436-07EQ5040TGQN20D3AC 工程CN ZC G3 Z2 02380438-07抢险车EQ5040XXY72D3AC厢式运输车CN ZC G3 Z2 02380171-03EQ5040XXY72D4AC厢式运输车CN ZC G3 Z2 02380096-03EQ5040XXY72D5AC厢式运输车CN ZC G3 Z2 02380097-03EQ5040XXYG72D3AC 厢式CN ZC G3 Z2 02380172-03运输车EQ5040XXYG72D4AC 厢式CN ZC G3 Z2 02380098-03运输车EQ5040XXYG72D5AC 厢式CN ZC G3 Z2 02380099-03运输车EQ5040XXYN72D3AC 厢式CN ZC G3 Z2 02380174-03运输车EQ5040XXYN72D4AC 厢式CN ZC G3 Z2 02380065-03运输车EQ5040XXYN72D5AC 厢式CN ZC G3 Z2 02380100-03运输车EQ5048XXY20D3厢式运输车 CN ZC G3 Z2 02380439-07EQ5050TGZN20D3AC 高空CN ZC G3 Z2 02380437-06作业车EQ5060TGP20D3AC气钢瓶CN ZC G3 Z2 02380444-00运输车22 东风汽车股份有限公司 EQ5070TQZ9AD3AC 清障车 CN ZC G3 Z2 02380446-00—18—序号 企 业 名 称 车辆型号名称 型式核准号EQ5070ZYS35D3AC 压缩式CN ZC G3 Z2 02380448-00垃圾车EQ5080JSQ12D6AC随车起重CN ZC G3 Z2 02380447-00运输车EQ5100JGKAC高空作业车 CN ZC G3 Z2 02380445-00DFL1120B10载货汽车 CN ZC G3 Z2 02370424-00DFL1250A10载货汽车 CN ZC G3 Z2 02370344-02DFL1251AX7载货汽车 CN ZC G3 Z2 02370411-00DFL1251AX7载货汽车 CN ZC G3 Z2 02370411-01DFL1251AX9载货汽车 CN ZC G3 Z2 02370412-00DFL1251AX9载货汽车 CN ZC G3 Z2 02370412-01DFL1311A7载货汽车 CN ZC G3 Z2 02370425-00DFL1311A8载货汽车 CN ZC G3 Z2 02370426-00DFL1311A8载货汽车 CN ZC G3 Z2 02370426-01DFL3161AX6自卸汽车 CN ZC G3 Z2 02370207-02DFL4251A9半挂牵引汽车 CN ZC G3 Z2 02370300-02DFL5100XXYB1厢式运输车 CN ZC G3 Z2 02370420-00DFL5120CCQB10 仓栅式CN ZC G3 Z2 02370417-00 23 东风汽车有限公司运输车DFL5203XXYA1厢式运输车 CN ZC G3 Z2 02370421-00DFL5203XXYA1厢式运输车 CN ZC G3 Z2 02370421-01DFL5250GFLAX10 粉粒物料CN ZC G3 Z2 02370326-02运输车DFL5250GJBA 混凝土搅拌CN ZC G3 Z2 02370092-03运输车DFL5250GJBA 混凝土搅拌CN ZC G3 Z2 02370092-04运输车DFL5250GJYAX10加油车 CN ZC G3 Z2 02370330-02DFL5311CCQA7仓栅式运输车CN ZC G3 Z2 02370418-00DFL5311CCQA8仓栅式运输车CN ZC G3 Z2 02370419-00DFL5311CCQA8仓栅式运输车CN ZC G3 Z2 02370419-01DFL5311XXYA8厢式运输车 CN ZC G3 Z2 02370422-00DFL5311XXYA8厢式运输车 CN ZC G3 Z2 02370422-01 23 东风汽车有限公司 EQ5161XXYKB3G厢式运输车CN ZC G3 Z2 02370423-00—19—— 20 —序号 企 业 名 称 车辆型号名称 型式核准号 EQ5161XXYKB3G 厢式运输车CN ZC G3 Z2 02370423-01EQ5161XXYKB3G 厢式运输车CN ZC G3 Z2 02370423-02EQ5161XXYKB3G 厢式运输车CN ZC G3 Z2 02370423-03EQ5161XXYKB3G 厢式运输车CN ZC G3 Z2 02370423-04WG6120CHA 城市客车 CN ZC G3 Z2 08810010-0024东风扬子江汽车(武汉)有限责任公司 WG6120CHA 城市客车CN ZC G3 Z2 08810010-01GXQ5161JSQMB 随车起重运输车CN ZC G3 Z2 05920004-00GXQ5161JSQMB 随车起重 运输车CN ZC G3 Z2 05920004-01GXQ5162JSQMB 随车起重 运输车CN ZC G3 Z2 05920005-00GXQ5162JSQMB 随车起重 运输车CN ZC G3 Z2 05920005-01GXQ5200JSQMB 随车起重运输CN ZC G3 Z2 05920003-00GXQ5200JSQMB 随车起重运输CN ZC G3 Z2 05920003-01GXQ5201JSQMB 随车起重 运输车CN ZC G3 Z2 05920006-00GXQ5250JSQMB 随车起重 运输车CN ZC G3 Z2 05920007-00GXQ5250JSQMB 随车起重 运输车CN ZC G3 Z2 05920007-01GXQ5250JSQMB 随车起重 运输车CN ZC G3 Z2 05920007-0225 赣州江环汽车制造有限公司GXQ5250JSQMB 随车起重 运输车CN ZC G3 Z2 05920007-03NZ3252自卸汽车 CN ZC G3 Z2 03740012-00NZ3252自卸汽车 CN ZC G3 Z2 03740012-01NZ3253自卸汽车 CN ZC G3 Z2 03740013-00NZ3253自卸汽车CN ZC G3 Z2 03740013-01NZ3254自卸汽车 CN ZC G3 Z2 03740014-00NZ3254自卸汽车CN ZC G3 Z2 03740014-01NZ5070ZXX 车箱可卸式垃圾车CN ZC G3 Z2 03740011-00NZ5070ZYS 压缩式垃圾车 CN ZC G3 Z2 03740015-0026 广西玉柴专用汽车有限公司NZ5102ZYS 压缩式垃圾车CN ZC G3 Z2 03740016-0026 广西玉柴专用汽车有限公司NZ5141ZXY 车箱可卸式压缩CN ZC G3 Z2 03740019-00— 21 —序号 企 业 名 称 车辆型号名称 型式核准号垃圾车NZ5141ZXY 车箱可卸式压缩垃圾车CN ZC G3 Z2 03740019-01NZ5141ZXY 车箱可卸式压缩垃圾车CN ZC G3 Z2 03740019-02NZ5250ZXX 车箱可卸式垃圾车CN ZC G3 Z2 03740018-00NZ5250ZXX 车箱可卸式垃圾车CN ZC G3 Z2 03740018-01NZ5250ZXX 车箱可卸式垃圾车CN ZC G3 Z2 03740018-02NZ5251ZXY 车箱可卸式压缩垃圾车CN ZC G3 Z2 03740020-00NZ5251ZXY 车箱可卸式压缩垃圾车CN ZC G3 Z2 03740020-01NZ5251ZXY 车箱可卸式压缩垃圾车CN ZC G3 Z2 03740020-02NZ5252ZYS 压缩式垃圾车 CN ZC G3 Z2 03740017-00NZ5252ZYS 压缩式垃圾车 CN ZC G3 Z2 03740017-01NZ5252ZYS 压缩式垃圾车CN ZC G3 Z2 03740017-02PC5250GJBDF 混凝土搅拌 运输车CN ZC G3 Z2 09880005-00PC5250GJBDF 混凝土搅拌 运输车CN ZC G3 Z2 09880005-01PC5250GJBDF 混凝土搅拌 运输车CN ZC G3 Z2 09880005-02PC5250GJBLZ 混凝土搅拌 运输车CN ZC G3 Z2 09880006-00PC5250GJBLZ 混凝土搅拌运输车 CN ZC G3 Z2 09880006-01PC5250GJBLZ 混凝土搅拌运输车CN ZC G3 Z2 09880006-02PC5250JSQHW3 随车起重 运输车CN ZC G3 Z2 09880009-00PC5250TPBHW 平板运输车 CN ZC G3 Z2 09880008-00PC5250TPBHW 平板运输车 CN ZC G3 Z2 09880008-01PC5310JJH 计量检衡车 CN ZC G3 Z2 09880007-0027广州番禹超人运输设备实业有限公司 PC5310JJH 计量检衡车CN ZC G3 Z2 09880007-01GR5140ZXX 车厢可卸式垃圾车CN ZC G3 Z2 07010025-0028 广州广日专用汽车有限公司GR5140ZXX 车厢可卸式垃圾车CN ZC G3 Z2 07010025-01序号 企 业 名 称 车辆型号名称 型式核准号GR5161ZXX车厢可卸式垃圾车CN ZC G3 Z2 07010026-00GR5161ZYS压缩式垃圾车 CN ZC G3 Z2 07010027-00 28 广州广日专用汽车有限公司GR5253ZYS压缩式垃圾车 CN ZC G3 Z2 07010028-00GR5253ZYS压缩式垃圾车 CN ZC G3 Z2 07010028-0129 河北长安汽车有限公司 SC6708BLCG3客车 CN ZC G3 Z2 03530100-0130 湖北程力专用汽车有限公司 CLW5040GJY3加油车 CN ZC G3 Z2 08530074-00XZL5040GSS3洒水车 CN ZC G3 Z2 08830030-03XZL5040GSS3洒水车 CN ZC G3 Z2 08830030-04XZL5040GXE3吸粪车 CN ZC G3 Z2 08830031-03XZL5040GXE3吸粪车 CN ZC G3 Z2 08830031-04XZL5040ZBL3摆臂式垃圾车CN ZC G3 Z2 08830029-03XZL5040ZBL3摆臂式垃圾车CN ZC G3 Z2 08830029-04XZL5040ZZZ3自装卸式垃圾车CN ZC G3 Z2 08830032-03 31 湖北新中绿专用汽车有限公司XZL5040ZZZ3自装卸式垃圾车CN ZC G3 Z2 08830032-04XZL5050GSS3洒水车 CN ZC G3 Z2 08830040-00XZL5050GSS3洒水车 CN ZC G3 Z2 08830040-01XZL5050GXE3吸粪车 CN ZC G3 Z2 08830041-00XZL5050GXE3吸粪车 CN ZC G3 Z2 08830041-01XZL5050GXW3真空吸污车 CN ZC G3 Z2 08830042-00XZL5050GXW3真空吸污车 CN ZC G3 Z2 08830042-01JX1042TG23载货汽车 CN ZC G3 Z2 00790132-01JX1042TPG23载货汽车 CN ZC G3 Z2 00790133-01JX1080TP23载货汽车 CN ZC G3 Z2 00790146-01 32 江铃汽车股份有限公司JX1080TPP23载货汽车 CN ZC G3 Z2 00790147-01JX1080TPR23载货汽车 CN ZC G3 Z2 00790149-01JX1080TR23载货汽车 CN ZC G3 Z2 00790148-01JX5047XGCD-M工程车 CN ZC G3 Z2 00790157-00JX5050XJCVD检测车 CN ZC G3 Z2 00810003-00 33 江铃汽车集团公司JX5050XXYVD厢式运输车 CN ZC G3 Z2 00810004-00YS6129客车 CN ZC G3 Z2 02440018-00 34 江苏常隆客车有限公司YS6129客车 CN ZC G3 Z2 02440018-01—22—序号 企 业 名 称 车辆型号名称 型式核准号YS6129Q1客车 CN ZC G3 Z2 02440019-00YS6129Q1客车 CN ZC G3 Z2 02440019-01YS6129Q2客车 CN ZC G3 Z2 02440020-00 34 江苏常隆客车有限公司YS6129Q2客车 CN ZC G3 Z2 02440020-01YS6608D客车 CN ZC G3 Z2 02440021-00YS6718D客车 CN ZC G3 Z2 02440022-00 35 江苏女神汽车集团公司 JB6122W6卧铺客车 CN ZC G3 Z2 02800008-00SZY5047XGQ6工程抢险车 CN ZC G3 Z2 03580064-00SZY5047XGQ7工程抢险车 CN ZC G3 Z2 03580063-00SZY5049XGQH工程抢险车 CN ZC G3 Z2 03580065-00 36 江苏中意汽车有限公司SZY5056XGC9工程救险车 CN ZC G3 Z2 03580062-00SZY5056XJC8检测车 CN ZC G3 Z2 03580066-00SZY5056XYT8医疗体检车 CN ZC G3 Z2 03580067-00JX5080XXYXPA2厢式运输车CN ZC G3 Z2 07970062-01JX5080XXYXPPA2厢式运输车CN ZC G3 Z2 07970063-01 37 江西江铃专用车辆厂JX5080XXYXPRA2厢式运输车CN ZC G3 Z2 07970065-01JX5080XXYXRA2厢式运输车CN ZC G3 Z2 07970064-01JNP6105T豪华旅游客车 CN ZC G3 Z2 00550081-00JNP6110T豪华旅游客车 CN ZC G3 Z2 00550082-00 38 金华青年汽车制造有限公司JNP6115T豪华旅游客车 CN ZC G3 Z2 00550083-00JNP6122T豪华旅游客车 CN ZC G3 Z2 00550084-00JNP6950G豪华城市客车 CN ZC G3 Z2 00550080-00KLQ6758E3客车 CN ZC G3 Z2 00340092-03KLQ6796AE3客车 CN ZC G3 Z2 00340096-05KLQ6796QAE3客车 CN ZC G3 Z2 00340103-05KLQ6798客车 CN ZC G3 Z2 00340097-05 39 金龙联合汽车工业(苏州)有限公司KLQ6798Q客车 CN ZC G3 Z2 00340098-05KLQ6820GE3城市客车 CN ZC G3 Z2 00340022-08KLQ6850GE3城市客车 CN ZC G3 Z2 00340024-08KLQ6856AE3客车 CN ZC G3 Z2 00340099-09KLQ6856E3客车 CN ZC G3 Z2 00340144-01—23—。
环境保护部办公厅关于国家机动车排放标准第三阶段限值实施有关问题的
通知
正文:
---------------------------------------------------------------------------------------------------------------------------------------------------- 环境保护部办公厅关于国家机动车排放标准第三阶段限值实施有关问题的通知
(环办函〔2008〕384号二○○八年六月二十六日)
各汽车生产企业:
为贯彻《中华人民共和国大气污染防治法》,控制机动车排放污染,现就《轻型汽车污染物排放限值及测量方法(中国Ⅲ、Ⅳ阶段)》(GB 18352.3-2005)第三阶段限值(以下简称“国三标准”)的实施提出以下要求:
一、2008年7月1日起,所有生产、进口、销售和注册登记的轻型汽油车和M类轻型柴油车必须符合国三标准的要求;从即日起,我部将全部撤消以上只符合国二标准的车型公告。
2008年7月1日起,所有新定型的第一类汽油车(指包括驾驶员座位在内,座位数不超过六座,且最大总质量不超过2500kg的M1类汽油车)必须加装车载诊断(OBD)系统。
二、根据中国汽车工业协会和有关企业申请,经商有关部门决定,从2008年7月1日起,所有在上海、南京、杭州、深圳市等城市以及机动车污染严重的城市销售和注册登记的N类轻型柴油车必须符合国三标准要求,其余地区N类轻型柴油车的销售和注册登记可过渡一年。
三、轻型车生产企业必须采取有效措施保证所有已定型的车、机型的环保生产一致性和在用车符合性。
我部将加大生产一致性检查力度,对不能稳定达标和弄虚作假的企业,将依法予以处罚。
——结束——。
北京市环境保护局关于加强在用车排放符合性和新车排放一致性监管工作的通知文章属性•【制定机关】北京市环境保护局•【公布日期】2010.06.03•【字号】京环发[2010]173号•【施行日期】2010.07.03•【效力等级】地方规范性文件•【时效性】现行有效•【主题分类】环境标准正文北京市环境保护局关于加强在用车排放符合性和新车排放一致性监管工作的通知(京环发〔2010〕173号)各有关单位:为进一步改善我市大气环境质量,确保车辆排放稳定达标,按照《轻型汽车污染物排放限值及测量方法(中国Ⅲ、Ⅳ阶段)》(GB18352.3-2005)的要求,自2006年以来,我市对已发布在北京环保车型目录中的车型开展了在用车排放符合性和新车排放一致性检查工作。
为加强此项工作,确保国Ⅲ、国Ⅳ机动车排放标准在我市得到全面贯彻实施,现将有关事项通知如下:一、高度重视在用车排放符合性检查是检验车辆设计制造、维护保养体系等内容的一项综合性措施,是确保车辆排放稳定达标的重点工作。
在用车排放符合性和新车排放一致性检查与机动车排放日常检查工作(定期检测、路检路查等)相辅相成、互为补充。
各汽车(发动机)生产厂家要充分认识该项检查的重要性,加强领导,结合北京环保车型目录申报,认真做好各项有关工作。
二、有关要求和事项(一)根据机动车排放标准的有关规定,我局制定了《北京市在用车排放符合性检查管理有关要求》(见附件1)和《北京市新车排放一致性检查管理有关要求》(见附件2),请遵照执行。
(二)本市在用车排放符合性和新车排放一致性检测工作,由我局委托市机动车排放管理中心承担。
(三)请各有关单位严格按照有关要求进行在用车排放符合性自主检查工作,并将自主检查材料报市机动车排放管理中心。
自主检查材料的具体内容和报送时间如下:1、《在用车排放符合性自主检查规程》(模版格式见附件3),于车型被列入北京环保车型目录并发布之后3个月内提交;对本通知发布前在北京环保车型目录已公布的车型(机型),尚未提交《在用车排放符合性自主检查规程》的,请于2010年8月20日前提交;2、《在用车排放符合性自主检查年度报告》(模版格式见附件4),于每年3月底前提交上年度报告;3、《在用车排放符合性自主检查总结报告》(模版格式见附件5),按车型系族于企业自主检查工作全部完成后3个月内提交。
部分符合国家第三阶段机动车排放标准车型自2005年12月30起,拟在北京市销售并列入国家达标车型公告的新定型(包括全新产品及产品扩展与更改)须安装车载诊断系统(OBD);2005年12月30日前已定上市销售并发布在环保车型目录中车型可延迟安装,2006年12月1日后,停止在北京销售未安装OBD的新车。
重型汽车用发动机与轻型汽车具体配置详见我局环保车型目录,可在北京市环保局网站查询()一、达国Ⅲ排放限值的轻型汽车注:带OBD 1、东风汽车有限公司天籁(TEANA)EQ7350AB天籁(TEANA)EQ7230AB颐达(TIIDA)DFL7160AB骐达(TIIDA)DFL7161AB二、达国Ⅲ排放限值的轻型汽车注:不带OBD 1、北京奔驰-戴姆勒·克莱斯勒汽车有限公司欧蓝德牌BJ6450M2M欧蓝德牌BJ6450M2A欧蓝德牌BJ6450M4M欧蓝德牌BJ6450M4A切诺基牌(JEEP2700)BJ2021ED梅赛德斯-奔驰牌BJ7300梅赛德斯-奔驰牌BJ7180切诺基牌(JEEP2500)BJ6420EC帕杰罗速跑牌BJ6463U帕杰罗速跑牌BJ2025B帕杰罗速跑牌BJ2025U帕杰罗速跑牌BJ2025AU2、北京现代汽车有限公司索纳塔系列车型BH7200MWBH7200AWBH7200LM伊兰特系列车型BH7180AWBH7160MWBH7160AW途胜系列车型BH6431BWBH6430BWBH6430NWBH6430MWNF御翔系列车型BH7330AWBH7240MWBH7240AWBH7202MWBH7202AW3、广州本田汽车有限公司雅阁(ACCORD)牌HG7240(ACCORD 2.4 i-VTEC)雅阁(ACCORD)牌HG7201(ACCORD 2.0 i-VTEC)HG7202(ACCORD 2.0 i-VTEC M)雅阁(ACCORD)牌HG7301(ACCORD 3.0 V6 VTEC)雅阁(ACCORD)牌HG7201A(ACCORD 2.0 i-VTEC)HG7202A(ACCORD 2.0 i-VTEC M)雅阁(ACCORD)牌HG7240A(ACCORD 2.4 i-VTEC)雅阁(ACCORD)牌HG7301A(ACCORD 3.0 V6 VTEC)飞度(Fit)牌HG7130(SALOON CVT)HG7131(SALOON)飞度(Fit)牌HG7150(SALOON CVT)HG7151(SALOON)飞度(Fit)牌HG7152(VTEC CVT)HG7153(VTEC)飞度(Fit)牌HG7132(i-DSI CVT)HG7133(i-DSI)奥德赛(ODYSSEY)牌HG64804、上海大众汽车有限公司上海桑塔纳3000轿车SVW7182CQi SVW7182DQi上海桑塔纳3000汽油和LPG两用燃料轿车SVW7182AQi上海桑塔纳3000 LPG单燃料轿车SVW7182BQi上海帕萨特轿车SVW7183GJi SVW7183HJi上海帕萨特轿车SVW7283HKi上海帕萨特轿车SVW7203CPi SVW7203DPi上海帕萨特轿车SVW7183LJi SVW7183MJi上海帕萨特轿车SVW7203EPi SVW7203FPi上海帕萨特轿车SVW7283KKi途安Touran多用途乘用车SVW6440EBi SVW6440FBiSVW6440GBi SVW6440HBi途安Touran多用途乘用车SVW6440AAi SVW6440BAiSVW6440CAi SVW6440DAi上海波罗轿车SVW7144BLi SVW7144MLi SVW7144DLi SVW7144NLi 上海波罗轿车SVW7164EMi SVW7164JMi上海波罗轿车SVW7164FMi SVW7164KMiSVW7180LEi SVW7181LEiSVW7165CNi SVW7165DNi5、上海通用汽车有限公司凯越SGM7161LX SGM7161LE SGM7163LX SGM7163LE SGM7161LE AT SGM7163LX AT SGM7163LE AT凯越SGM7161LX AT凯越SGM7180LE AT SGM7180LS AT凯越SGM7181LE AT SGM7181LS AT凯越SGM7180LE SGM7181LE荣御SGM7362GS荣御SGM7280GL君威SGM7200君威SGM7251G SGM7252GL君威SGM7302GL SGM7302GS凯迪拉克牌SGM7360CTS凯迪拉克牌SGM7280CTS凯迪拉克牌SGM7360SRX SGM7361SRX6、通用汽车(中国)投资有限公司凯迪拉克牌XLR凯迪拉克牌CTS (3.6L)凯迪拉克牌CTS (2.8L)凯迪拉克牌SRX (3.6L, RWD) SRX (3.6L, AWD)凯迪拉克牌SRX (4.6L)萨博牌SAAB 9-3 SAAB 9-3 ARC SAAB 9-3 VECTOR SAAB 9-3 LINEAR萨博牌SAAB 9-3 Convertible SAAB 9-3 ARC Convertible SAAB 9-3 LINEAR Convertible SAAB 9-3 VECTOR ConvertibleSAAB 9-3 AERO Convertible萨博牌SAAB 9-5 ARC萨博牌SAAB 9-5 AERO别克牌Royaum 3.6别克牌Royaum 3.6别克牌Royaum 2.8欧宝牌Astra Astra GTC欧宝牌ZAFIRA (2.2L)欧宝牌ZAFIRA (1.8L)欧宝牌VECTRA-C欧宝牌VECTRA 3.2 V67、上海通用东岳汽车有限公司景程SGM7201SX AT SGM7201SE AT乐骋SGM7140SL SGM7140SE SGM7140SE AT SGM7140SX AT 赛欧SGM7165SL SGM7165SE SGM7165SE ATSGM7166SL SGM7166SE SGM7166SX AT8、上海通用(沈阳)北盛汽车有限公司陆尊SGM6512 GL8型旅行车SGM6513 GL8型旅行车别克牌SGM6515 GL8型旅行车SGM6516 GL8型旅行车9、长安福特汽车有限公司嘉年华CAF7160嘉年华CAF7160S嘉年华CAF7160A蒙迪欧CAF7200A1蒙迪欧CAF7200BB蒙迪欧CAF7250A福克斯CAF7180M CAF7180A福克斯CAF7201M CAF7201A10、东风本田汽车有限公司DHW6461(CR-V 2.0 i-VTEC)DHW6462(CR-V 2.0 i-VTEC M)DHW6463(CR-V 2.4 i-VTEC)DHW6464(CR-V 2.4 i-VTEC M)11、东风悦达起亚汽车有限公司起亚赛拉图系列车型YQZ7181 YQZ7181AYQZ7162 YQZ7162A起亚远舰系列车型YQZ7180 YQZ7180AYQZ7200 YQZ7200A起亚千里马系列车型YQZ7131AE3YQZ7130E3YQZ7130AE3YQZ7131E3YQZ7160AE3YQZ7161E3YQZ7161AE3YQZ7160E3起亚嘉华系列车型YQZ6490E3YQZ649112、重庆长安铃木汽车有限公司雨燕手动档SC7132雨燕自动档SC7132A羚羊SC7130C13、东风汽车有限公司天籁(TEANA)EQ7350AA天籁(TEANA)EQ7230AA颐达(TIIDA)DFL7160AA骐达(TIIDA)DFL7161AA风神(NISSAN)EQ7202BA (阳光)14、神龙汽车有限公司307型轿车东风标致牌DC7164 307东风标致牌DC7204 307毕加索型轿车东风雪铁龙牌DC7200 2.0i东风雪铁龙牌DC7200 AT富康型轿车东风雪铁龙牌DC7160AXC 16V爱丽舍型轿车东风雪铁龙牌DC7163 16V东风雪铁龙牌DC7163M 16V15、一汽-大众汽车有限公司捷达(JETTA)FV7160CiF E3 FV7160GiF E3捷达(JETTA)FV7160CiX E3 FV7160GiX E3捷达(JETTA)FV7160CiF L FV7160GiF L FV7160CiF LD FV7160GiF LD 捷达(JETTA)FV7160ATF E3 FV7160CiX L FV7160GiX L奥迪(AUDI)FV7301CVT奥迪(AUDI)FV7241 FV7241CVT奥迪(AUDI)AUDI A4 1.8T CVT奥迪(AUDI)FV7183T奥迪(AUDI)FV7243CVT奥迪(AUDI)AUDI A4 3.0AT奥迪(AUDI)AUDI A6L 2.4 AUDI A6L 2.4CVT 奥迪(AUDI)AUDI A6L 2.8 AUDI A6L 2.8CVT 奥迪(AUDI)FV7301AT奥迪(AUDI)FV7421AT奥迪(AUDI)FV7201T FV7201TCVT奥迪(AUDI)FV7183TF FV7183TFCVT奥迪(AUDI)FV7203TFCVT奥迪(AUDI)FV7303FAT奥迪(AUDI)FV7181T FV7181TCVT高尔夫(Golf)FV7164 E4 FV7164AT E4高尔夫(Golf)FV7184(Golf)高尔夫(Golf)FV7184AT(Golf)开迪(CADDY)FV7165开迪(CADDY)FV5020XQC FV5020XYZ开迪(CADDY)FV6440B宝来(BORA)BORA1.8T BORA1.8T AT宝来(BORA)BORA1.8宝来(BORA)BORA1.8AT宝来(BORA)FV7162 E4 FV7162AT E4宝来(BORA)FV7182TR16、中国第一汽车集团公司红旗CA7180A4E CA7182E7红旗CA7200AT红旗CA7200MT红旗CA7230AT红旗CA7202E3 CA7202E3L CA7202E3L1红旗CA7201AT红旗CA7201MT红旗CA7231AT丰田(TOYOTA)CA6510B CA6510B117、四川一汽丰田汽车有限公司丰田(TOYOTA)SCT6490丰田(TOYOTA)牌CA7150HV A CA7150HVB混合动力轿车18、天津一汽丰田汽车有限公司丰田(TOYOTA)TV7180GL-i3 TV7180GLX-i3 TV7180GLX-iNA VI3TV7180GLX-S3 TV7180GLX-SNA VI3丰田(TOYOTA)TV7180GL-iM3 TV7180GLX-iM3 TV7180GLX-iNA VIM3TV7180GLX-SM3 TV7180GLX-SNA VIM3丰田(TOYOTA)TV7300RoyalSln3 TV7300RoyalSlnG3 TV7300Royal3 TV7300RoyalE3 丰田(TOYOTA)TV7150GLX-i3 TV7150GL-i3 TV7150GLX-S3丰田(TOYOTA)TV7150DLX-iM3 TV7150GL-iM3丰田(TOYOTA)TV7130DLXM3 TV7130GLM3丰田(TOYOTA)TV7130GL3丰田(TOYOTA)TV7250Royal TV7250丰田(TOYOTA)TV7300V3S TV7300V3NS TV7300V3N TV7300V3丰田(TOYOTA)TV7250V3S TV7250V3NS TV7250V3N TV7250V3TV7250S3 TV7250S3P丰田(TOYOTA)TV7150GL-SP3 TV7150GLX-iNS319、天津一汽夏利汽车股份有限公司夏利TJ7131BU TJ7131B TJ7131BL TJ7131BUL夏利TJ7141AU TJ7141A TJ7141AL TJ7141AUL TJ7141B TJ7141BL TJ7141BU TJ7141BULCA7166U20、一汽海马汽车有限公司海马HMC7161E3海马HMC7161E3(自动)21、东南(福建)汽车工业有限公司菱帅DN7160P3 DN7160H3 DN7160M3 DN7160L3 DN7160E3 DN5021XZH3 菱帅DN7161P3 DN7161H3 DN7161M3 DN7161L3 DN7161E3 DN5021XZHA3得利卡DN6490M3P DN6490H3P DN6490M3 DN5023XJH3 DN5023XYZ3 DN5023XQC3 DN5023XZHP3 DN5023XZH3 DN5023XXY3得利卡DN6492L3P DN6492C3P DN6492L3 DN6492C3DN5020XJH3 DN5020XYZ3 DN5020XZHP3 DN5020XZH3DN5020XQC3 DN5020XXY3富利卡/菱动DN6442L3 DN6442B3 DN6443H3 DN5025XYZ3DN5025XQC3 DN5025XZH3 DN5025XXJ3 DN5025XXY3菱绅DN6483H3 DN6483P3 DN6483M3 DN6483L3DN5027XZHA3 DN5027XYZA3 DN5027XQCA3菱利DN6402H3 DN6402M3 DN6402L3 DN5028XYZ3 DN5028XQC3 DN5028XXY3 DN5028XJH3菱利DN6403M3 DN6403L3 DN6403E3 DN5028XYZ3ADN5028XQC3A DN5028XXY3A DN5028XJH3A22、华晨宝马汽车有限公司BMW7200AA(BMW320i)BMW7250AA(BMW325i)23、沈阳华晨金杯汽车有限公司中华SY7200中华SY7200DYM中华SY7200M SY7201M SY7202M SY7200YM中华SY7240P SY7241P SY7242P金杯SY6520DS2 SY6471DS SY6470DS SY5036XBYL-DS SY5036XXYL-DS SY5036XQCL-DS SY5037XQCL-DS SY5036XJEL-D SY5037XJEL-DS SY5037XJHL-DS SY5037XYZL-DS SY5036XXYL-DS SY5036XJHL-DS SY6521DS2 SY5036XYZL-DS金杯SY6520ES2 SY6471ES SY6470ES SY5037XQCL-ES SY5037XJHL-ES SY5037XJEL-ES SY5037XYZL-ES SY6521ES2 金杯SY6483N1 SY6483N2 SY6483N3 SY6482N1 SY6482N2 金杯SY6483L1 SY6483L2 SY6483L3金杯SY6483R1 SY6483R2 SY6483R3金杯SY6483W3SY6483LT1 SY6483LT2SY6470EZ SY6471EZSY6482N3 SY5035XQC-N SY5035XJH-NSY5035XQC-R SY5035XJH-RSY5035XQC-L SY5035XJH-L24、跃进汽车集团公司依维柯牌NJ6492ATQ菲亚特(FIAT)牌派力奥(Palio)NJ7131菲亚特(FIAT)牌NJ7153B NJ7151B NJ7152B25、浙江豪情汽车制造有限公司豪情牌豪情SRV HQ7130B1HU豪情牌豪情SRV HQ7150B1HU豪情牌豪情SRV HQ7100E1U豪情牌豪情SRV HQ7100E2U豪情牌豪情SRV HQ7130B1U吉利牌优利欧JL7150X1HU吉利牌优利欧JL7130X1HU吉利牌优利欧JL7100X1U吉利牌优利欧JL7100X2U吉利牌优利欧JL7130X1U吉利牌优利欧JL7150X1U吉利牌优利欧JL7160X1 U吉利牌JL7100U吉利牌JL7101U吉利牌JL7131U吉利牌JL7130AHU吉利牌JL7150AHU吉利牌美人豹JL7155XHU26、奇瑞汽车有限公司东方之子SQR7200 SQR7200/LPG旗云SQR7162A520型SQR7201A2F27、长城汽车股份有限公司长城牌CC6460KM21 CC6460KM01长城牌CC6460D-3 CC6460DY-3 CC6481B1-3 CC6510S1-3 CC6510A1-3 CC1021AR-3 CC1022SR-3 CC1027S-328、上海汇众汽车制造有限公司上汇牌SH6490 SH6491SH6492SH6530SH6531SH5490XJH29、哈飞汽车股份有限公司哈飞民意HFJ6370U哈飞民意HFJ6370E 哈飞中意HFJ6371E 哈飞新意HFJ6376E 哈飞赛豹HFJ7161E哈飞赛马HFJ7160E哈飞赛马HFJ7130E哈飞路宝HFJ7110E30、德国大众汽车公司辉腾Phaeton 3.2辉腾Phaeton 4.2辉腾Phaeton 6.0(E3)途锐Touareg 3.2途锐Touareg 4.2新甲壳虫New Beetle 2.0 New Beetle Cabrio 2.031、德国奥迪汽车公司奥迪Audi A4 Avant 1.8T Audi A4 Cabriolet 1.8T奥迪Audi A8L 3.0奥迪Audi A8 4.2 quattro Audi A8L 4.2 quattro奥迪Audi A8L 6.0 quattro奥迪Audi TT Coupe 1.8T quattro Audi TT Roadster 1.8T quattro32、意大利兰博基尼汽车有限公司兰博基尼Lamborghini 140 Gallardo Coupe兰博基尼Lamborghini 147 Murcielago Coupe Lamborghini 147 Murcielago Roadster兰博基尼Lamborghini 140 Gallardo Coupe Lamborghini 140 Gallardo Spyder 33、英国宾利汽车公司宾利Bentley Continental GT Bentley Continental Flying Spur宾利Bentley Arnage T宾利Bentley Arnage R Bentley Arnage RL34、法国标致汽车公司标致407 6DXFVJ标致407 6D3FZF标致407SW 6E3FZF标致407 SW 6EXFVJ35、富士重工业株式会社斯巴鲁森林人FORESTER SG5(SG5CL2E)斯巴鲁森林人FORESTER SG9(SG9DL9T)斯巴鲁力狮LEGACY BL5(BL5CL9S)斯巴鲁傲虎OUTBACK BP9(BP9CLSL)36、马自达汽车株式会社马自达 RX-8, FF2337、日产(中国)投资有限公司风雅(英文:FUGA) BLJALRNY50EWA奇骏(英文:X-TRAIL) TDBNLAAT30EYA贵士(英文:QUEST) TLJALVNV42EXA38、镇江市特种车辆厂有限公司ZJT5033XJH ZJT5034XJH ZJT5035XFY39、厦门金龙旅行车有限公司XML6492E3YM XML6532E3YM40、宾安至股份有限公司宾安至轿车BINZ E350 (宾安至)41、德国宝马汽车有限公司BMW 320iBMW M6BMW ALPINA B7BMW M5BMW 630iBMW 740LiBMW 750LiBMW 523iBMW 550iBMW 650i42、江西昌河铃木汽车有限责任公司CH7140CH7160 CH7161CH7160A CH7161A43、武汉中誉汽车有限公司ZYA656044、丰田汽车(中国)有限公司LEXUS GS300 GRS190L-BETQKVLEXUS LX470 UZJ100L-GNAGKWLEXUS SC430 UZZ40L-DKTQKWTOYOTA PRIUS NHW20L-AHEEBW (混合动力车)45、意大利玛莎拉蒂汽车公司M139 (Quattroporte)M138ABE (Coupe) M138ADE (Spyder) M138ABC (GranSport)46、英国捷豹(Jaguar)汽车公司捷豹XJ8L捷豹XJ6L XJ647、戴姆勒克莱斯勒(中国)投资有限公司梅赛德斯-奔驰轿车C200 Kompressor (203042 或RF42)C200 Kompressor (203742 或RN42)C230(203052或RF52)C230 Kompressor (203740或RN40)C240 (203061或RF61)C320CLK200 Kompressor (209342 或TJ42) CLK200 Kompressor (209442 或TK42) CLK280(209354或TJ54)CLK280 (209454或TK54)CLK350(209356或TJ56)CLK350(209456或TK56)CLK500 (209375或TJ75)CLK500 (209475或TK75)CLS350 (219356或DJ56)CLS500 (219375或DJ75)E200 Kompressor (211042 或UF42)E240 (211061或UF61)E280 (211054或UF54)E350 (211056或UF56)E55AMG(211076或UF76)E500S350(220167或NG67)S350 (221056 或NF56)S350(221156或NG56)S500(221171或NG71)S500(220175或NG75)S600 (220176或NG76)S600 (220178或NG78)S600 (221176或NG76)SLK200 Kompressor(171442或WK42)SLK280(171454或WK54)SLK350 (171456或WK56)SL350 (230467或SK67)SL500 (230475或SK75)SL55AMG (230474或SK74)梅赛德斯-奔驰越野车ML500(164175或BB75)ML500(163175或AB75)ML350(164186或BB86)ML350(163157或AB57)迈巴赫轿车Maybach (240078或VF78)Maybach (240178或VG78)克莱斯勒轿车Chrysler 300C(2.7L)Chrysler 300C (3.5L)Chrysler 300C(5.7L)克莱斯勒多用途乘用车Chrysler Grand V oyager LX (大捷龙)梅赛德斯-奔驰凌特系列Sprinter 214 Sprinter 314梅赛德斯-奔驰威霆系列Vito 119梅赛德斯-奔驰唯雅诺多用途乘用车Viano 3.048、郑州日产汽车有限公司ZN6453WAG ZN6453W1GZN1032U2G ZN2032UBGZN1022U2G ZN2022UBGZN6492H2G ZN6492HBG49、长安汽车(集团)有限责任公司SC6380BSC6371BSC6350E SC6371C50、韩国双龙自动车株式会社RODIUS SV32051、英国路虎(Land Rover)汽车公司路虎发现3 (Discovery 3 V8)路虎发现3 (Discovery 3 V6)路虎Range Rover Sport路虎揽胜Range Rover52、加利福尼亚康福特汽车有限公司LIBERTY 3.7L53、意大利法拉利汽车有限公司F137F131EB (F430 Coupe) F131ED (F430 Spider)54、福特汽车公司Navigator(领航员) Ultimate 4x4Maverick XLT LTD V6 3.055、比亚迪汽车有限公司QCJ7160A57、瑞典沃尔沃(VOLVO)汽车公司沃尔沃XC90 V8 XC90 V8 EXE.沃尔沃S80 2.5T58、浙江飞碟客车制造有限公司FD639059、荣成华泰汽车有限公司SDH6470A60、江铃汽车股份有限公司JX6466A-M JX6466-L JX6466-M JX6466A-L JX6546A-M JX6546-M JX6546-H JX6546A-H。