达到国家机动车排放标准第三阶段型式核准
- 格式:pdf
- 大小:144.15 KB
- 文档页数:5
乌鲁木齐市人民政府关于执行国家第三阶段机动车污染物排放标准的通告文章属性•【制定机关】乌鲁木齐市人民政府•【公布日期】2008.06.26•【字号】乌政通[2008]13号•【施行日期】2008.07.01•【效力等级】地方规范性文件•【时效性】现行有效•【主题分类】正文乌鲁木齐市人民政府关于执行国家第三阶段机动车污染物排放标准的通告(乌政通[2008]13号)为进一步改善我市环境空气质量,从源头减少机动车排气污染,根据《乌鲁木齐市大气污染防治条例》、《乌鲁木齐市机动车排气污染防治管理办法》,市人民政府决定,自2008年7月1日起新购机动车(摩托车、拖拉机除外)在本市登记时执行国家第三阶段机动车污染物排放标准。
现将有关事宜通告如下:一、本通告所称国家第三阶段机动车污染物排放标准是指:GB18352.3-2005《轻型汽车污染物排放限值及测量方法(中国Ⅲ、Ⅳ阶段)》和GB17691-2005《车用压燃式、气体燃料点燃式发动机与汽车排气污染物排放限值及测量方法(中国Ⅲ、Ⅳ、V阶段)》中的第三阶段排放控制要求。
二、符合国家第三阶段机动车污染物排放标准的机动车车型以国家环保部机动车排污监控中心发布的《国家机动车排放型式核准目录》中第三阶段排放标准的机动车型为准。
单位和个人购车前可以登陆机动车环保网(http://)进行查询。
三、自2008年7月1日起,本市禁止销售不符合国家第三阶段机动车污染物排放标准的新机动车。
自2009年7月1日起,本市禁止销售未安装车载诊断系统(OBD)的轻型第一类汽油车。
四、凡属于政府采购的机动车应按照财政部、环保总局《关于环境标志产品政府采购实施的意见》(财库〔2006〕90号)和《关于调整环境标志产品政府采购清单的通知》(财库〔2007〕20号)的要求,优先采购环境标志产品。
五、自2008年7月1日起,对属于《国家机动车排放型式核准目录》中第三阶段排放标准范围内的新购机动车,由市环境保护行政主管部门直接核发机动车环保合格标志。
— 3 —附件一:达到国家机动车排放标准第三阶段型式核准 排放限值的新机动车型和发动机型(第63批)序号 企 业 名 称车辆型号名称型式核准号一、摩托车HD125-4G 两轮摩托车CN MT G3 Z2 05050008-001广东大福摩托车有限公司SJ125-2G 两轮摩托车 CN MT G3 Z2 05050007-00JW100T-V 两轮摩托车CN MT G3 Z2 03690026-002广东广本机电有限公司JW125T-V 两轮摩托车 CN MT G3 Z2 03690027-00KA125-2A 两轮摩托车CN MT G3 Z2 05620033-00KA125-5B 两轮摩托车 CN MT G3 Z2 05620034-00RA125-4B 两轮摩托车 CN MT G3 Z2 05620035-003广州番禺豪剑摩托车工业有限公司RA125-5B 两轮摩托车 CN MT G3 Z2 05620036-00SY100T-2两轮摩托车 CN MT G3 Z2 02510012-00SY110-20两轮摩托车CN MT G3 Z2 02510015-00SY110-22两轮摩托车 CN MT G3 Z2 02510013-004广州三雅摩托车有限公司SY110-23两轮摩托车CN MT G3 Z2 02510014-00HS110ZH-5正三轮摩托车 CN MT G3 Z2 0C520003-005河北恒胜金河摩托车有限公司HS150ZH-3正三轮摩托车 CN MT G3 Z2 0C520004-00DLS125-5V 两轮摩托车CN MT G3 Z2 08040020-00DLS125-9V 两轮摩托车CN MT G3 Z2 08040034-006江门气派摩托车有限公司 DLS150-V 两轮摩托车CN MT G3 Z2 08040029-00序号 企 业 名 称 车辆型号名称 型式核准号HL125-5V两轮摩托车 CN MT G3 Z2 08040019-00HL125-9V两轮摩托车 CN MT G3 Z2 08040035-00LF125-5V两轮摩托车 CN MT G3 Z2 08040030-00LF125-9V两轮摩托车 CN MT G3 Z2 08040036-00LF125-V两轮摩托车 CN MT G3 Z2 08040033-00LF125T-2G两轮摩托车 CN MT G3 Z2 08040032-00QP125-5V两轮摩托车 CN MT G3 Z2 08040008-016 江门气派摩托车有限公司QP125-9V两轮摩托车 CN MT G3 Z2 08040007-01QP125-N两轮摩托车 CN MT G3 Z2 08040010-00QP125T-2A两轮摩托车 CN MT G3 Z2 08040037-00QP125T-2G两轮摩托车 CN MT G3 Z2 08040031-00ZH125-5V两轮摩托车 CN MT G3 Z2 08040021-00ZH125-9V两轮摩托车 CN MT G3 Z2 08040038-00ZH150-V两轮摩托车 CN MT G3 Z2 08040039-00UA125T-A两轮摩托车 CN MT G3 Z2 08450047-007 江门市大长江集团有限公司UM125T-A两轮摩托车 CN MT G3 Z2 08450048-00BD125-2B两轮摩托车 CN MT G3 Z2 04950003-00BD125-5D两轮摩托车 CN MT G3 Z2 04950012-008 江苏宝雕机动车有限公司BD125-C两轮摩托车 CN MT G3 Z2 04950005-00BD150-20A两轮摩托车 CN MT G3 Z2 04950013-00JF110-2X两轮摩托车 CN MT G3 Z2 08590001-00JF125-2X两轮摩托车 CN MT G3 Z2 08590004-009 江苏弘州金福车业有限公司JF125-3X两轮摩托车 CN MT G3 Z2 08590002-00JF125-4X两轮摩托车 CN MT G3 Z2 08590008-00—4—序号 企 业 名 称 车辆型号名称 型式核准号JF125-6X两轮摩托车 CN MT G3 Z2 08590014-00JF125-7X两轮摩托车 CN MT G3 Z2 08590021-00JF150-2X两轮摩托车 CN MT G3 Z2 08590018-00JF150-4X两轮摩托车 CN MT G3 Z2 08590022-00JH110-2X两轮摩托车 CN MT G3 Z2 08590005-00JH125-2X两轮摩托车 CN MT G3 Z2 08590016-00JH125-3X两轮摩托车 CN MT G3 Z2 08590007-00JH125-4X两轮摩托车 CN MT G3 Z2 08590011-00JH125-6X两轮摩托车 CN MT G3 Z2 08590013-00JH125-7X两轮摩托车 CN MT G3 Z2 08590019-00JH150-2X两轮摩托车 CN MT G3 Z2 08590010-00JH150-4X两轮摩托车 CN MT G3 Z2 08590023-00JS110-2X两轮摩托车 CN MT G3 Z2 08590024-00JS125-2X两轮摩托车 CN MT G3 Z2 08590003-00JS125-3X两轮摩托车 CN MT G3 Z2 08590006-00JS125-4X两轮摩托车 CN MT G3 Z2 08590017-00JS125-6X两轮摩托车 CN MT G3 Z2 08590012-00JS125-7X两轮摩托车 CN MT G3 Z2 08590015-00JS150-2X两轮摩托车 CN MT G3 Z2 08590020-00 9 江苏弘州金福车业有限公司JS150-4X两轮摩托车 CN MT G3 Z2 08590009-0010 江苏新世纪远豪机车科技有限公司YH150T-9两轮摩托车 CN MT G3 Z2 08010004-00HL110-5T两轮摩托车 CN MT G3 Z2 08600066-00HL110-7T两轮摩托车 CN MT G3 Z2 08600067-0011 力帆实业(集团)股份有限公司HL110-8T两轮摩托车 CN MT G3 Z2 08600070-00—5—— 6 —序号 企 业 名 称 车辆型号名称 型式核准号 HL125-10C 两轮摩托车 CN MT G3 Z2 08600074-00HL150-10C 两轮摩托车 CN MT G3 Z2 08600075-00HL250-P 两轮摩托车CN MT G3 Z2 08600071-00HL250J 两轮摩托车 CN MT G3 Z2 08600069-00LF110-7T 两轮摩托车CN MT G3 Z2 08600065-00LF110-8T 两轮摩托车 CN MT G3 Z2 08600072-00LF250-P 两轮摩托车 CN MT G3 Z2 08600068-0011力帆实业(集团)股份有限公司LF250J 两轮摩托车CN MT G3 Z2 08600073-00DY150ZH-3正三轮摩托车 CN MT G3 Z2 0C680001-0012洛阳大运三轮摩托车有限公司DY200ZH-2正三轮摩托车 CN MT G3 Z2 0C680002-00SQ100T-S 两轮摩托车 CN MT G3 Z2 05980016-00SQ125T-3S 两轮摩托车CN MT G3 Z2 05980015-00SQ125T-S 两轮摩托车 CN MT G3 Z2 05980014-00ZW100T-S 两轮摩托车 CN MT G3 Z2 05980011-00ZW150T-2S 两轮摩托车 CN MT G3 Z2 05980012-0013台州市椒江之威摩托车制造有限公司ZW150T-S 两轮摩托车 CN MT G3 Z2 05980013-00ZN150T-7S 两轮摩托车CN MT G3 Z2 06150007-0014 台州市中能摩托车有限公司ZN150T-8S 两轮摩托车CN MT G3 Z2 06150008-0015五羊-本田摩托(广州)有限公司WY125-R 两轮摩托车CN MT G3 Z2 06450014-0116 西藏喜马摩托车有限公司 XM125T-28两轮摩托车 CN MT G3 Z2 08180016-0017 厦门厦杏摩托有限公司 XS125-N 两轮摩托车CN MT G3 Z2 03720019-0018浙江嘉爵摩托车制造有限公司JJ150T-A 两轮摩托车CN MT G3 Z2 07340009-00FL100T-20C 两轮摩托车CN MT G3 Z2 02410011-0019 浙江凌宇车业有限公司FL125T-20C 两轮摩托车CN MT G3 Z2 02410004-00序号 企 业 名 称 车辆型号名称 型式核准号FL125T-22两轮摩托车 CN MT G3 Z2 02410005-00FL125T-25C两轮摩托车 CN MT G3 Z2 02410002-00FL125T-2C两轮摩托车 CN MT G3 Z2 02410006-00FL125T-8C两轮摩托车 CN MT G3 Z2 02410003-00FL150T-10C两轮摩托车 CN MT G3 Z2 02410008-00FL150T-16C两轮摩托车 CN MT G3 Z2 02410009-00FL150T-3C两轮摩托车 CN MT G3 Z2 02410010-00HT125T-20C两轮摩托车 CN MT G3 Z2 02410025-00HT125T-22两轮摩托车 CN MT G3 Z2 02410017-00HT125T-25C两轮摩托车 CN MT G3 Z2 02410027-00HT125T-2C两轮摩托车 CN MT G3 Z2 02410015-00HT125T-8C两轮摩托车 CN MT G3 Z2 02410014-00 19 浙江凌宇车业有限公司HT150T-10C两轮摩托车 CN MT G3 Z2 02410018-00HT150T-16C两轮摩托车 CN MT G3 Z2 02410024-00HT150T-3C两轮摩托车 CN MT G3 Z2 02410030-00JL100T-2C两轮摩托车 CN MT G3 Z2 02410012-00JL125T-20C两轮摩托车 CN MT G3 Z2 02410023-00JL125T-22两轮摩托车 CN MT G3 Z2 02410028-00JL125T-25C两轮摩托车 CN MT G3 Z2 02410031-00JL125T-2C两轮摩托车 CN MT G3 Z2 02410022-00JL125T-8C两轮摩托车 CN MT G3 Z2 02410021-00JL150T-10C两轮摩托车 CN MT G3 Z2 02410029-00JL150T-16C两轮摩托车 CN MT G3 Z2 02410019-00JL150T-3C两轮摩托车 CN MT G3 Z2 02410032-00—7—— 8 —序号 企 业 名 称 车辆型号名称 型式核准号 QJ150-27两轮摩托车CN MT G3 Z2 01620086-0020 浙江钱江摩托股份有限公司QJ150-27A 两轮摩托车 CN MT G3 Z2 01620087-00DB110-A 两轮摩托车CN MT G3 Z2 08960001-0021 重庆东本工业有限责任公司DB150-2A 两轮摩托车CN MT G3 Z2 08960002-0022 重庆恒胜集团有限公司HS70-A 两轮摩托车CN MT G3 Z2 07210012-0023 重庆嘉陵嘉鹏工业有限公司 JP150-G 两轮摩托车 CN MT G3 Z2 0A560005-00JYM125-3C 两轮摩托车 CN MT G3 Z2 03760004-0224重庆建设·雅马哈摩托车有限公司JYM125-3D 两轮摩托车 CN MT G3 Z2 03760005-02CQ125-28D 两轮摩托车CN MT G3 Z2 04390031-00JS110-9C 两轮摩托车CN MT G3 Z2 04390008-0125重庆建设摩托车股份有限公司JS110-9G 两轮摩托车CN MT G3 Z2 04390015-0126 重庆隆鑫机车有限公司LX70-20两轮摩托车 CN MT G3 Z2 02670042-00JH125T-2A 两轮摩托车CN MT G3 Z2 05080021-00JH125T-3A 两轮摩托车CN MT G3 Z2 05080023-0027 重庆市双庆机电有限公司 SQ250ZH-A 正三轮摩托车 CN MT G3 Z2 05080022-00SS110-9A 两轮摩托车CN MT G3 Z2 05350009-00SS125-A 两轮摩托车 CN MT G3 Z2 05350010-00SS150-5A 两轮摩托车 CN MT G3 Z2 05350011-0028重庆双狮摩托车制造有限公司SS150-7A 两轮摩托车 CN MT G3 Z2 05350012-00WQ70两轮摩托车 CN MT G3 Z2 04570018-00WQ70-2两轮摩托车CN MT G3 Z2 04570017-00YX125-16两轮摩托车CN MT G3 Z2 04570021-00YX150-16两轮摩托车 CN MT G3 Z2 04570019-0029重庆银翔摩托车(集团)有限公司YX150-30两轮摩托车CN MT G3 Z2 04570020-00序号 企 业 名 称 车辆型号名称 型式核准号30 重庆宗申机车工业制造有限公司ZS110-47S两轮摩托车 CN MT G3 Z2 06260047-00ZJ110-R两轮摩托车 CN MT G3 Z2 07830013-0031 珠海珠江车业有限公司ZJ125-9R两轮摩托车 CN MT G3 Z2 07830012-0032 宗申·比亚乔佛山摩托车企业有限公司BYQ125-5E两轮摩托车 CN MT G3 Z2 07390036-00二、重型汽油车1 北京北铃专用汽车有限公司 BBL5053XJE2监测车 CN ZQ G3 Z2 00910031-002 北京载通视音频广播技术有限公司BZT5041XTX通讯车 CN ZQ G3 Z2 07030027-003 广州汽车集团客车有限公司 GZ6701Q1客车 CN ZQ G3 Z2 00310054-00—9—。
部分符合国家第三阶段机动车排放标准车型自2005年12月30起,拟在北京市销售并列入国家达标车型公告的新定型(包括全新产品及产品扩展与更改)须安装车载诊断系统(OBD);2005年12月30日前已定上市销售并发布在环保车型目录中车型可延迟安装,2006年12月1日后,停止在北京销售未安装OBD的新车。
重型汽车用发动机与轻型汽车具体配置详见我局环保车型目录,可在北京市环保局网站查询()一、达国Ⅲ排放限值的轻型汽车注:带OBD 1、东风汽车有限公司天籁(TEANA)EQ7350AB天籁(TEANA)EQ7230AB颐达(TIIDA)DFL7160AB骐达(TIIDA)DFL7161AB二、达国Ⅲ排放限值的轻型汽车注:不带OBD 1、北京奔驰-戴姆勒·克莱斯勒汽车有限公司欧蓝德牌BJ6450M2M欧蓝德牌BJ6450M2A欧蓝德牌BJ6450M4M欧蓝德牌BJ6450M4A切诺基牌(JEEP2700)BJ2021ED梅赛德斯-奔驰牌BJ7300梅赛德斯-奔驰牌BJ7180切诺基牌(JEEP2500)BJ6420EC帕杰罗速跑牌BJ6463U帕杰罗速跑牌BJ2025B帕杰罗速跑牌BJ2025U帕杰罗速跑牌BJ2025AU2、北京现代汽车有限公司索纳塔系列车型BH7200MWBH7200AWBH7200LM伊兰特系列车型BH7180AWBH7160MWBH7160AW途胜系列车型BH6431BWBH6430BWBH6430NWBH6430MWNF御翔系列车型BH7330AWBH7240MWBH7240AWBH7202MWBH7202AW3、广州本田汽车有限公司雅阁(ACCORD)牌HG7240(ACCORD 2.4 i-VTEC)雅阁(ACCORD)牌HG7201(ACCORD 2.0 i-VTEC)HG7202(ACCORD 2.0 i-VTEC M)雅阁(ACCORD)牌HG7301(ACCORD 3.0 V6 VTEC)雅阁(ACCORD)牌HG7201A(ACCORD 2.0 i-VTEC)HG7202A(ACCORD 2.0 i-VTEC M)雅阁(ACCORD)牌HG7240A(ACCORD 2.4 i-VTEC)雅阁(ACCORD)牌HG7301A(ACCORD 3.0 V6 VTEC)飞度(Fit)牌HG7130(SALOON CVT)HG7131(SALOON)飞度(Fit)牌HG7150(SALOON CVT)HG7151(SALOON)飞度(Fit)牌HG7152(VTEC CVT)HG7153(VTEC)飞度(Fit)牌HG7132(i-DSI CVT)HG7133(i-DSI)奥德赛(ODYSSEY)牌HG64804、上海大众汽车有限公司上海桑塔纳3000轿车SVW7182CQi SVW7182DQi上海桑塔纳3000汽油和LPG两用燃料轿车SVW7182AQi上海桑塔纳3000 LPG单燃料轿车SVW7182BQi上海帕萨特轿车SVW7183GJi SVW7183HJi上海帕萨特轿车SVW7283HKi上海帕萨特轿车SVW7203CPi SVW7203DPi上海帕萨特轿车SVW7183LJi SVW7183MJi上海帕萨特轿车SVW7203EPi SVW7203FPi上海帕萨特轿车SVW7283KKi途安Touran多用途乘用车SVW6440EBi SVW6440FBiSVW6440GBi SVW6440HBi途安Touran多用途乘用车SVW6440AAi SVW6440BAiSVW6440CAi SVW6440DAi上海波罗轿车SVW7144BLi SVW7144MLi SVW7144DLi SVW7144NLi 上海波罗轿车SVW7164EMi SVW7164JMi上海波罗轿车SVW7164FMi SVW7164KMiSVW7180LEi SVW7181LEiSVW7165CNi SVW7165DNi5、上海通用汽车有限公司凯越SGM7161LX SGM7161LE SGM7163LX SGM7163LE SGM7161LE AT SGM7163LX AT SGM7163LE AT凯越SGM7161LX AT凯越SGM7180LE AT SGM7180LS AT凯越SGM7181LE AT SGM7181LS AT凯越SGM7180LE SGM7181LE荣御SGM7362GS荣御SGM7280GL君威SGM7200君威SGM7251G SGM7252GL君威SGM7302GL SGM7302GS凯迪拉克牌SGM7360CTS凯迪拉克牌SGM7280CTS凯迪拉克牌SGM7360SRX SGM7361SRX6、通用汽车(中国)投资有限公司凯迪拉克牌XLR凯迪拉克牌CTS (3.6L)凯迪拉克牌CTS (2.8L)凯迪拉克牌SRX (3.6L, RWD) SRX (3.6L, AWD)凯迪拉克牌SRX (4.6L)萨博牌SAAB 9-3 SAAB 9-3 ARC SAAB 9-3 VECTOR SAAB 9-3 LINEAR萨博牌SAAB 9-3 Convertible SAAB 9-3 ARC Convertible SAAB 9-3 LINEAR Convertible SAAB 9-3 VECTOR ConvertibleSAAB 9-3 AERO Convertible萨博牌SAAB 9-5 ARC萨博牌SAAB 9-5 AERO别克牌Royaum 3.6别克牌Royaum 3.6别克牌Royaum 2.8欧宝牌Astra Astra GTC欧宝牌ZAFIRA (2.2L)欧宝牌ZAFIRA (1.8L)欧宝牌VECTRA-C欧宝牌VECTRA 3.2 V67、上海通用东岳汽车有限公司景程SGM7201SX AT SGM7201SE AT乐骋SGM7140SL SGM7140SE SGM7140SE AT SGM7140SX AT 赛欧SGM7165SL SGM7165SE SGM7165SE ATSGM7166SL SGM7166SE SGM7166SX AT8、上海通用(沈阳)北盛汽车有限公司陆尊SGM6512 GL8型旅行车SGM6513 GL8型旅行车别克牌SGM6515 GL8型旅行车SGM6516 GL8型旅行车9、长安福特汽车有限公司嘉年华CAF7160嘉年华CAF7160S嘉年华CAF7160A蒙迪欧CAF7200A1蒙迪欧CAF7200BB蒙迪欧CAF7250A福克斯CAF7180M CAF7180A福克斯CAF7201M CAF7201A10、东风本田汽车有限公司DHW6461(CR-V 2.0 i-VTEC)DHW6462(CR-V 2.0 i-VTEC M)DHW6463(CR-V 2.4 i-VTEC)DHW6464(CR-V 2.4 i-VTEC M)11、东风悦达起亚汽车有限公司起亚赛拉图系列车型YQZ7181 YQZ7181AYQZ7162 YQZ7162A起亚远舰系列车型YQZ7180 YQZ7180AYQZ7200 YQZ7200A起亚千里马系列车型YQZ7131AE3YQZ7130E3YQZ7130AE3YQZ7131E3YQZ7160AE3YQZ7161E3YQZ7161AE3YQZ7160E3起亚嘉华系列车型YQZ6490E3YQZ649112、重庆长安铃木汽车有限公司雨燕手动档SC7132雨燕自动档SC7132A羚羊SC7130C13、东风汽车有限公司天籁(TEANA)EQ7350AA天籁(TEANA)EQ7230AA颐达(TIIDA)DFL7160AA骐达(TIIDA)DFL7161AA风神(NISSAN)EQ7202BA (阳光)14、神龙汽车有限公司307型轿车东风标致牌DC7164 307东风标致牌DC7204 307毕加索型轿车东风雪铁龙牌DC7200 2.0i东风雪铁龙牌DC7200 AT富康型轿车东风雪铁龙牌DC7160AXC 16V爱丽舍型轿车东风雪铁龙牌DC7163 16V东风雪铁龙牌DC7163M 16V15、一汽-大众汽车有限公司捷达(JETTA)FV7160CiF E3 FV7160GiF E3捷达(JETTA)FV7160CiX E3 FV7160GiX E3捷达(JETTA)FV7160CiF L FV7160GiF L FV7160CiF LD FV7160GiF LD 捷达(JETTA)FV7160ATF E3 FV7160CiX L FV7160GiX L奥迪(AUDI)FV7301CVT奥迪(AUDI)FV7241 FV7241CVT奥迪(AUDI)AUDI A4 1.8T CVT奥迪(AUDI)FV7183T奥迪(AUDI)FV7243CVT奥迪(AUDI)AUDI A4 3.0AT奥迪(AUDI)AUDI A6L 2.4 AUDI A6L 2.4CVT 奥迪(AUDI)AUDI A6L 2.8 AUDI A6L 2.8CVT 奥迪(AUDI)FV7301AT奥迪(AUDI)FV7421AT奥迪(AUDI)FV7201T FV7201TCVT奥迪(AUDI)FV7183TF FV7183TFCVT奥迪(AUDI)FV7203TFCVT奥迪(AUDI)FV7303FAT奥迪(AUDI)FV7181T FV7181TCVT高尔夫(Golf)FV7164 E4 FV7164AT E4高尔夫(Golf)FV7184(Golf)高尔夫(Golf)FV7184AT(Golf)开迪(CADDY)FV7165开迪(CADDY)FV5020XQC FV5020XYZ开迪(CADDY)FV6440B宝来(BORA)BORA1.8T BORA1.8T AT宝来(BORA)BORA1.8宝来(BORA)BORA1.8AT宝来(BORA)FV7162 E4 FV7162AT E4宝来(BORA)FV7182TR16、中国第一汽车集团公司红旗CA7180A4E CA7182E7红旗CA7200AT红旗CA7200MT红旗CA7230AT红旗CA7202E3 CA7202E3L CA7202E3L1红旗CA7201AT红旗CA7201MT红旗CA7231AT丰田(TOYOTA)CA6510B CA6510B117、四川一汽丰田汽车有限公司丰田(TOYOTA)SCT6490丰田(TOYOTA)牌CA7150HV A CA7150HVB混合动力轿车18、天津一汽丰田汽车有限公司丰田(TOYOTA)TV7180GL-i3 TV7180GLX-i3 TV7180GLX-iNA VI3TV7180GLX-S3 TV7180GLX-SNA VI3丰田(TOYOTA)TV7180GL-iM3 TV7180GLX-iM3 TV7180GLX-iNA VIM3TV7180GLX-SM3 TV7180GLX-SNA VIM3丰田(TOYOTA)TV7300RoyalSln3 TV7300RoyalSlnG3 TV7300Royal3 TV7300RoyalE3 丰田(TOYOTA)TV7150GLX-i3 TV7150GL-i3 TV7150GLX-S3丰田(TOYOTA)TV7150DLX-iM3 TV7150GL-iM3丰田(TOYOTA)TV7130DLXM3 TV7130GLM3丰田(TOYOTA)TV7130GL3丰田(TOYOTA)TV7250Royal TV7250丰田(TOYOTA)TV7300V3S TV7300V3NS TV7300V3N TV7300V3丰田(TOYOTA)TV7250V3S TV7250V3NS TV7250V3N TV7250V3TV7250S3 TV7250S3P丰田(TOYOTA)TV7150GL-SP3 TV7150GLX-iNS319、天津一汽夏利汽车股份有限公司夏利TJ7131BU TJ7131B TJ7131BL TJ7131BUL夏利TJ7141AU TJ7141A TJ7141AL TJ7141AUL TJ7141B TJ7141BL TJ7141BU TJ7141BULCA7166U20、一汽海马汽车有限公司海马HMC7161E3海马HMC7161E3(自动)21、东南(福建)汽车工业有限公司菱帅DN7160P3 DN7160H3 DN7160M3 DN7160L3 DN7160E3 DN5021XZH3 菱帅DN7161P3 DN7161H3 DN7161M3 DN7161L3 DN7161E3 DN5021XZHA3得利卡DN6490M3P DN6490H3P DN6490M3 DN5023XJH3 DN5023XYZ3 DN5023XQC3 DN5023XZHP3 DN5023XZH3 DN5023XXY3得利卡DN6492L3P DN6492C3P DN6492L3 DN6492C3DN5020XJH3 DN5020XYZ3 DN5020XZHP3 DN5020XZH3DN5020XQC3 DN5020XXY3富利卡/菱动DN6442L3 DN6442B3 DN6443H3 DN5025XYZ3DN5025XQC3 DN5025XZH3 DN5025XXJ3 DN5025XXY3菱绅DN6483H3 DN6483P3 DN6483M3 DN6483L3DN5027XZHA3 DN5027XYZA3 DN5027XQCA3菱利DN6402H3 DN6402M3 DN6402L3 DN5028XYZ3 DN5028XQC3 DN5028XXY3 DN5028XJH3菱利DN6403M3 DN6403L3 DN6403E3 DN5028XYZ3ADN5028XQC3A DN5028XXY3A DN5028XJH3A22、华晨宝马汽车有限公司BMW7200AA(BMW320i)BMW7250AA(BMW325i)23、沈阳华晨金杯汽车有限公司中华SY7200中华SY7200DYM中华SY7200M SY7201M SY7202M SY7200YM中华SY7240P SY7241P SY7242P金杯SY6520DS2 SY6471DS SY6470DS SY5036XBYL-DS SY5036XXYL-DS SY5036XQCL-DS SY5037XQCL-DS SY5036XJEL-D SY5037XJEL-DS SY5037XJHL-DS SY5037XYZL-DS SY5036XXYL-DS SY5036XJHL-DS SY6521DS2 SY5036XYZL-DS金杯SY6520ES2 SY6471ES SY6470ES SY5037XQCL-ES SY5037XJHL-ES SY5037XJEL-ES SY5037XYZL-ES SY6521ES2 金杯SY6483N1 SY6483N2 SY6483N3 SY6482N1 SY6482N2 金杯SY6483L1 SY6483L2 SY6483L3金杯SY6483R1 SY6483R2 SY6483R3金杯SY6483W3SY6483LT1 SY6483LT2SY6470EZ SY6471EZSY6482N3 SY5035XQC-N SY5035XJH-NSY5035XQC-R SY5035XJH-RSY5035XQC-L SY5035XJH-L24、跃进汽车集团公司依维柯牌NJ6492ATQ菲亚特(FIAT)牌派力奥(Palio)NJ7131菲亚特(FIAT)牌NJ7153B NJ7151B NJ7152B25、浙江豪情汽车制造有限公司豪情牌豪情SRV HQ7130B1HU豪情牌豪情SRV HQ7150B1HU豪情牌豪情SRV HQ7100E1U豪情牌豪情SRV HQ7100E2U豪情牌豪情SRV HQ7130B1U吉利牌优利欧JL7150X1HU吉利牌优利欧JL7130X1HU吉利牌优利欧JL7100X1U吉利牌优利欧JL7100X2U吉利牌优利欧JL7130X1U吉利牌优利欧JL7150X1U吉利牌优利欧JL7160X1 U吉利牌JL7100U吉利牌JL7101U吉利牌JL7131U吉利牌JL7130AHU吉利牌JL7150AHU吉利牌美人豹JL7155XHU26、奇瑞汽车有限公司东方之子SQR7200 SQR7200/LPG旗云SQR7162A520型SQR7201A2F27、长城汽车股份有限公司长城牌CC6460KM21 CC6460KM01长城牌CC6460D-3 CC6460DY-3 CC6481B1-3 CC6510S1-3 CC6510A1-3 CC1021AR-3 CC1022SR-3 CC1027S-328、上海汇众汽车制造有限公司上汇牌SH6490 SH6491SH6492SH6530SH6531SH5490XJH29、哈飞汽车股份有限公司哈飞民意HFJ6370U哈飞民意HFJ6370E 哈飞中意HFJ6371E 哈飞新意HFJ6376E 哈飞赛豹HFJ7161E哈飞赛马HFJ7160E哈飞赛马HFJ7130E哈飞路宝HFJ7110E30、德国大众汽车公司辉腾Phaeton 3.2辉腾Phaeton 4.2辉腾Phaeton 6.0(E3)途锐Touareg 3.2途锐Touareg 4.2新甲壳虫New Beetle 2.0 New Beetle Cabrio 2.031、德国奥迪汽车公司奥迪Audi A4 Avant 1.8T Audi A4 Cabriolet 1.8T奥迪Audi A8L 3.0奥迪Audi A8 4.2 quattro Audi A8L 4.2 quattro奥迪Audi A8L 6.0 quattro奥迪Audi TT Coupe 1.8T quattro Audi TT Roadster 1.8T quattro32、意大利兰博基尼汽车有限公司兰博基尼Lamborghini 140 Gallardo Coupe兰博基尼Lamborghini 147 Murcielago Coupe Lamborghini 147 Murcielago Roadster兰博基尼Lamborghini 140 Gallardo Coupe Lamborghini 140 Gallardo Spyder 33、英国宾利汽车公司宾利Bentley Continental GT Bentley Continental Flying Spur宾利Bentley Arnage T宾利Bentley Arnage R Bentley Arnage RL34、法国标致汽车公司标致407 6DXFVJ标致407 6D3FZF标致407SW 6E3FZF标致407 SW 6EXFVJ35、富士重工业株式会社斯巴鲁森林人FORESTER SG5(SG5CL2E)斯巴鲁森林人FORESTER SG9(SG9DL9T)斯巴鲁力狮LEGACY BL5(BL5CL9S)斯巴鲁傲虎OUTBACK BP9(BP9CLSL)36、马自达汽车株式会社马自达 RX-8, FF2337、日产(中国)投资有限公司风雅(英文:FUGA) BLJALRNY50EWA奇骏(英文:X-TRAIL) TDBNLAAT30EYA贵士(英文:QUEST) TLJALVNV42EXA38、镇江市特种车辆厂有限公司ZJT5033XJH ZJT5034XJH ZJT5035XFY39、厦门金龙旅行车有限公司XML6492E3YM XML6532E3YM40、宾安至股份有限公司宾安至轿车BINZ E350 (宾安至)41、德国宝马汽车有限公司BMW 320iBMW M6BMW ALPINA B7BMW M5BMW 630iBMW 740LiBMW 750LiBMW 523iBMW 550iBMW 650i42、江西昌河铃木汽车有限责任公司CH7140CH7160 CH7161CH7160A CH7161A43、武汉中誉汽车有限公司ZYA656044、丰田汽车(中国)有限公司LEXUS GS300 GRS190L-BETQKVLEXUS LX470 UZJ100L-GNAGKWLEXUS SC430 UZZ40L-DKTQKWTOYOTA PRIUS NHW20L-AHEEBW (混合动力车)45、意大利玛莎拉蒂汽车公司M139 (Quattroporte)M138ABE (Coupe) M138ADE (Spyder) M138ABC (GranSport)46、英国捷豹(Jaguar)汽车公司捷豹XJ8L捷豹XJ6L XJ647、戴姆勒•克莱斯勒(中国)投资有限公司梅赛德斯-奔驰轿车C200 Kompressor (203042 或RF42)C200 Kompressor (203742 或RN42)C230(203052或RF52)C230 Kompressor (203740或RN40)C240 (203061或RF61)C320CLK200 Kompressor (209342 或TJ42) CLK200 Kompressor (209442 或TK42) CLK280(209354或TJ54)CLK280 (209454或TK54)CLK350(209356或TJ56)CLK350(209456或TK56)CLK500 (209375或TJ75)CLK500 (209475或TK75)CLS350 (219356或DJ56)CLS500 (219375或DJ75)E200 Kompressor (211042 或UF42)E240 (211061或UF61)E280 (211054或UF54)E350 (211056或UF56)E55AMG(211076或UF76)E500S350(220167或NG67)S350 (221056 或NF56)S350(221156或NG56)S500(221171或NG71)S500(220175或NG75)S600 (220176或NG76)S600 (220178或NG78)S600 (221176或NG76)SLK200 Kompressor(171442或WK42)SLK280(171454或WK54)SLK350 (171456或WK56)SL350 (230467或SK67)SL500 (230475或SK75)SL55AMG (230474或SK74)梅赛德斯-奔驰越野车ML500(164175或BB75)ML500(163175或AB75)ML350(164186或BB86)ML350(163157或AB57)迈巴赫轿车Maybach (240078或VF78)Maybach (240178或VG78)克莱斯勒轿车Chrysler 300C(2.7L)Chrysler 300C (3.5L)Chrysler 300C(5.7L)克莱斯勒多用途乘用车Chrysler Grand V oyager LX (大捷龙)梅赛德斯-奔驰凌特系列Sprinter 214 Sprinter 314梅赛德斯-奔驰威霆系列Vito 119梅赛德斯-奔驰唯雅诺多用途乘用车Viano 3.048、郑州日产汽车有限公司ZN6453WAG ZN6453W1GZN1032U2G ZN2032UBGZN1022U2G ZN2022UBGZN6492H2G ZN6492HBG49、长安汽车(集团)有限责任公司SC6380BSC6371BSC6350E SC6371C50、韩国双龙自动车株式会社RODIUS SV32051、英国路虎(Land Rover)汽车公司路虎发现3 (Discovery 3 V8)路虎发现3 (Discovery 3 V6)路虎Range Rover Sport路虎揽胜Range Rover52、加利福尼亚康福特汽车有限公司LIBERTY 3.7L53、意大利法拉利汽车有限公司F137F131EB (F430 Coupe) F131ED (F430 Spider)54、福特汽车公司Navigator(领航员) Ultimate 4x4Maverick XLT LTD V6 3.055、比亚迪汽车有限公司QCJ7160A57、瑞典沃尔沃(VOLVO)汽车公司沃尔沃XC90 V8 XC90 V8 EXE.沃尔沃S80 2.5T58、浙江飞碟客车制造有限公司FD639059、荣成华泰汽车有限公司SDH6470A60、江铃汽车股份有限公司JX6466A-M JX6466-L JX6466-M JX6466A-L JX6546A-M JX6546-M JX6546-H JX6546A-H。
国家环境保护总局公告2005年第64号——关于对达到国家第三阶段机动车排放标准车型进行型式核准的公告文章属性•【制定机关】国家环境保护总局(已撤销)•【公布日期】2005.12.27•【文号】国家环境保护总局公告2005年第64号•【施行日期】2005.12.27•【效力等级】部门规范性文件•【时效性】现行有效•【主题分类】环境标准正文国家环境保护总局公告(2005年第64号)经国务院同意,北京市将提前实施国家机动车第三阶段排放标准。
为此,我局自本公告发布之日起开始受理达到国家第三阶段机动车排放标准新定型机动车环保型式核准的申请,并将核准情况在“国家环保达标车型公告”中发布。
现就有关事项公告如下:一、凡拟在北京市销售并符合《轻型汽车污染物排放限值及测量方法(中国Ⅲ、Ⅳ阶段)》(GB18352.3-2005)和《车用压燃式、气体燃料点燃式发动机与汽车排气污染物排放限值及测量方法(中国Ⅲ、Ⅳ、Ⅴ阶段)》(GB17691-2005)两项标准中第三阶段排放控制要求的机动车生产企业,均应向我局提出型式核准申请。
二、提出申请的企业应向我局提交型式核准申报资料、环保生产一致性保证计划书以及在用车符合性自查规程等技术文件。
所有拟进行型式核准的车型型号必须与已通过国家第二阶段机动车排放标准型式核准的车型型号加以区别。
对于符合标准要求的车型,我局将向企业颁发“机动车污染物排放控制型式核准证书”,并在“国家环保达标车型公告”中发布。
通过型式核准后的车型,企业应在车辆容易识别的位置粘贴环保信息标签,内容包括型式核准编号和排放控制系统信息等。
有关具体技术要求由我局另行发布。
三、自2005年12月20日后拟在北京市销售并申请列入“国家环保达标车型公告”的车型,必须安装车载诊断系统(OBD)。
2005年12月20日前,凡达到国家机动车第三阶段排放标准且已在我局环保达标车型公告上发布的车型,企业可在本公告发布后十日内向我局提出在新公告中发布达标车型的申请,对于符合要求的,我局将在“国家环保达标车型公告”上发布。
附件1达到国家机动车排放标准第三阶段型式核准排放限值的新机动车型和发动机型(第86批)序号 企业名称 发动机型号 型式核准号 一、摩托车CK125-7E两轮摩托车 CN MT G3 Z2 08920041-001 常州光阳摩托车有限公司CK125T-3P两轮摩托车 CN MT G3 Z2 08920040-002 常州豪爵铃木摩托车有限公司 HJ110-5两轮摩托车 CN MT G3 Z2 0C110023-003 长葛市鸿舟车业有限公司 HZ175ZH-A正三轮摩托车 CN MT G3 Z2 0B430007-00FL150ZK-3A正三轮摩托车 CN MT G3 Z2 0A530011-00FL175ZK-2A正三轮摩托车 CN MT G3 Z2 0A530009-004 德州富路车业有限公司FL175ZK-3A正三轮摩托车 CN MT G3 Z2 0A530010-00HG100T-2两轮摩托车 CN MT G3 Z2 05840012-005 东莞市东阳摩托车有限公司HG100T-3两轮摩托车 CN MT G3 Z2 05840013-006 福田雷沃国际重工股份有限公司FT650ZH-3B正三轮摩托车 CN MT G3 Z2 06330049-007 广州市番禺华南摩托企业集团有限公司FH150-5B两轮摩托车 CN MT G3 Z2 04730021-01WY100T-A两轮摩托车 CN MT G3 Z2 06940010-01WY125T-9A两轮摩托车 CN MT G3 Z2 06940009-018 广州五羊摩托有限公司WY150J-10两轮摩托车 CN MT G3 Z2 06940033-009 河南隆鑫机车有限公司 LX175ZH-23正三轮摩托车 CN MT G3 Z2 07960030-0010 济南轻骑摩托车有限公司 QM125T-7R两轮摩托车 CN MT G3 Z2 04410028-00—3—序号 企业名称 发动机型号 型式核准号QP125-7E两轮摩托车 CN MT G3 Z2 08040006-0211 江门气派摩托车有限公司QP125-N两轮摩托车 CN MT G3 Z2 08040010-01QP150-N两轮摩托车 CN MT G3 Z2 08040003-01EN125-2E两轮摩托车 CN MT G3 Z2 08450022-05EN125-2F两轮摩托车 CN MT G3 Z2 08450023-07EN125-3E两轮摩托车 CN MT G3 Z2 08450012-03EN125-3F两轮摩托车 CN MT G3 Z2 08450013-03HJ125-18两轮摩托车 CN MT G3 Z2 08450063-02HJ125-18A两轮摩托车 CN MT G3 Z2 08450062-02HJ125-19两轮摩托车 CN MT G3 Z2 08450064-01HJ125-20两轮摩托车 CN MT G3 Z2 08450065-01HJ125K-3A两轮摩托车 CN MT G3 Z2 08450004-03HJ125K-5两轮摩托车 CN MT G3 Z2 08450069-01HJ125T-10A两轮摩托车 CN MT G3 Z2 08450031-0412 江门市大长江集团有限公司HJ125T-10E两轮摩托车 CN MT G3 Z2 08450050-03HJ125T-16D两轮摩托车 CN MT G3 Z2 08450035-05HJ125T-9C两轮摩托车 CN MT G3 Z2 08450044-03HJ150-11两轮摩托车 CN MT G3 Z2 08450075-01HJ150-11A两轮摩托车 CN MT G3 Z2 08450076-01HJ150-2A两轮摩托车 CN MT G3 Z2 08450033-05HJ150-2C两轮摩托车 CN MT G3 Z2 08450056-03HJ150-6A两轮摩托车 CN MT G3 Z2 08450028-04HJ150-6C两轮摩托车 CN MT G3 Z2 08450052-03HJ150-6D两轮摩托车 CN MT G3 Z2 08450060-01—4—序号 企业名称 发动机型号 型式核准号HJ150-7两轮摩托车 CN MT G3 Z2 08450068-01 12 江门市大长江集团有限公司HJ150-8两轮摩托车 CN MT G3 Z2 08450066-0113 江门市华日集团有限公司 HY125-9D两轮摩托车 CN MT G3 Z2 02620045-0014 江门市珠峰摩托车有限公司 ZF150-18两轮摩托车 CN MT G3 Z2 08100014-00CX125T-10A两轮摩托车 CN MT G3 Z2 02350022-00CX125T-2A两轮摩托车 CN MT G3 Z2 02350019-00CX125T-5A两轮摩托车 CN MT G3 Z2 02350024-00CX125T-7A两轮摩托车 CN MT G3 Z2 02350030-00CX125T-8A两轮摩托车 CN MT G3 Z2 02350017-00CX125T-9A两轮摩托车 CN MT G3 Z2 02350031-00JF100T-2A两轮摩托车 CN MT G3 Z2 02350039-00JF110-2A两轮摩托车 CN MT G3 Z2 02350035-00JF125-6A两轮摩托车 CN MT G3 Z2 02350015-00JF125-7A两轮摩托车 CN MT G3 Z2 02350018-00 15 江苏创新摩托车制造有限公司JF125-9A两轮摩托车 CN MT G3 Z2 02350013-00JF125T-2A两轮摩托车 CN MT G3 Z2 02350025-00JF125T-3A两轮摩托车 CN MT G3 Z2 02350021-00JF125T-6A两轮摩托车 CN MT G3 Z2 02350032-00JF125T-7A两轮摩托车 CN MT G3 Z2 02350028-00JJ100T-2A两轮摩托车 CN MT G3 Z2 02350038-00JJ110-2A两轮摩托车 CN MT G3 Z2 02350034-00JJ125-6A两轮摩托车 CN MT G3 Z2 02350023-00JJ125-9A两轮摩托车 CN MT G3 Z2 02350012-00JJ125T-3A两轮摩托车 CN MT G3 Z2 02350026-00—5—— 6 —序号 企业名称 发动机型号 型式核准号 JJ125T-6A 两轮摩托车 CN MT G3 Z2 02350029-00JJ125T-7A 两轮摩托车 CN MT G3 Z2 02350027-00JJ150T-3A 两轮摩托车 CN MT G3 Z2 02350037-00XJ125-3A 两轮摩托车CN MT G3 Z2 02350016-00XJ125-6A 两轮摩托车CN MT G3 Z2 02350014-00XJ125-9A 两轮摩托车 CN MT G3 Z2 02350011-00XJ125T-3A 两轮摩托车 CN MT G3 Z2 02350020-00XJ125T-6A 两轮摩托车 CN MT G3 Z2 02350033-0015 江苏创新摩托车制造有限公司 XJ150T-3A 两轮摩托车 CN MT G3 Z2 02350036-00HLW110两轮摩托车CN MT G3 Z2 06830015-00HLW125-3A 两轮摩托车 CN MT G3 Z2 06830016-00HLW125T-3A 两轮摩托车 CN MT G3 Z2 06830017-0016江苏新陵摩托车制造有限公司HLW250两轮摩托车CN MT G3 Z2 06830018-0017 金城集团有限公司 JC250-6A 两轮摩托车 CN MT G3 Z2 07800059-00LF100-7V 两轮摩托车 CN MT G3 Z2 08600026-01LF110-26C 两轮摩托车 CN MT G3 Z2 08600108-00LF110-8T 两轮摩托车CN MT G3 Z2 08600072-01LF125-2C 两轮摩托车 CN MT G3 Z2 08600110-00LF150-2C 两轮摩托车 CN MT G3 Z2 08600111-00LF250-19P 两轮摩托车 CN MT G3 Z2 08600109-0018力帆实业(集团)股份有限公司LF90-V 两轮摩托车 CN MT G3 Z2 08600045-01BX150ZH 正三轮摩托车CN MT G3 Z2 08510019-0019 洛阳北方企业集团有限公司LJ100T-8两轮摩托车CN MT G3 Z2 08510018-00— 7 —序号 企业名称发动机型号 型式核准号 DY50T-8两轮摩托车 CN MT G3 Z2 04720061-0020洛阳北方易初摩托车有限公司DY50T-A 两轮摩托车 CN MT G3 Z2 04720062-00XM125T-22F 两轮摩托车 CN MT G3 Z2 08180005-01XM125T-24两轮摩托车CN MT G3 Z2 08180018-00XM125T-26两轮摩托车 CN MT G3 Z2 08180008-01XM125T-28两轮摩托车 CN MT G3 Z2 08180016-0121 西藏喜马摩托车有限公司 XM125T-29两轮摩托车 CN MT G3 Z2 08180019-00SL100T-10两轮摩托车 CN MT G3 Z2 02330077-01SL100T-T 两轮摩托车CN MT G3 Z2 02330038-01SL110-10两轮摩托车 CN MT G3 Z2 02330052-01SL125-7T 两轮摩托车 CN MT G3 Z2 02330078-0122 增城市奔马实业有限公司 SL150-2G 两轮摩托车 CN MT G3 Z2 02330030-01CF125两轮摩托车 CN MT G3 Z2 05100017-01CF125-2两轮摩托车 CN MT G3 Z2 05100027-00CF125T-25两轮摩托车 CN MT G3 Z2 05100011-01CF125T-2D 两轮摩托车 CN MT G3 Z2 05100016-01CF150两轮摩托车 CN MT G3 Z2 05100002-01CF150-2B 两轮摩托车CN MT G3 Z2 05100022-01CF150-A 两轮摩托车 CN MT G3 Z2 05100003-01CF150-B 两轮摩托车 CN MT G3 Z2 05100020-01CF150-C 两轮摩托车 CN MT G3 Z2 05100021-01CF150J 两轮摩托车 CN MT G3 Z2 05100026-01CF150T-3H 两轮摩托车 CN MT G3 Z2 05100024-0123 浙江春风动力股份有限公司CF250T-3A 两轮摩托车CN MT G3 Z2 05100007-01— 8 —序号 企业名称 发动机型号 型式核准号 CF250T-G 两轮摩托车 CN MT G3 Z2 05100005-01CF650两轮摩托车CN MT G3 Z2 05100012-01CF650-2两轮摩托车 CN MT G3 Z2 05100018-0123 浙江春风动力股份有限公司CF650J 两轮摩托车CN MT G3 Z2 05100019-0124 浙江嘉爵摩托车制造有限公司JJ150-5两轮摩托车CN MT G3 Z2 07340012-0025浙江钱江摩托股份有限公司 QJ125T-16E 两轮摩托车 CN MT G3 Z2 01620028-03JYM125-3B 两轮摩托车 CN MT G3 Z2 03760002-0626重庆建设·雅马哈摩托车有限公司JYM125-3F 两轮摩托车 CN MT G3 Z2 03760013-0227重庆隆鑫机车有限公司 JL150-51E 两轮摩托车 CN MT G3 Z2 02670061-00JL125-75两轮摩托车 CN MT G3 Z2 0A060037-0028重庆隆鑫机车有限公司广东分公司JL150-75两轮摩托车 CN MT G3 Z2 0A060038-00SC150ZK-3正三轮摩托车CN MT G3 Z2 05080066-0029 重庆市双庆机电有限公司SC200ZK-3正三轮摩托车 CN MT G3 Z2 05080067-00WH150ZH-6A 正三轮摩托车CN MT G3 Z2 0A100012-0030 重庆万虎机电有限责任公司WH175ZH-7A 正三轮摩托车CN MT G3 Z2 0A100013-00WJ125T-3E 两轮摩托车 CN MT G3 Z2 04360050-0031重庆望江摩托车制造有限公司WJ125T-3F 两轮摩托车 CN MT G3 Z2 04360051-00XY125-12A 两轮摩托车 CN MT G3 Z2 04670031-00XY150-8C 两轮摩托车CN MT G3 Z2 04670027-00XY150-9两轮摩托车 CN MT G3 Z2 04670032-00XY175ZH-A 正三轮摩托车 CN MT G3 Z2 04670028-00XY200ZH-A 正三轮摩托车 CN MT G3 Z2 04670030-0032重庆鑫源摩托车股份有限公司XY200ZH-B 正三轮摩托车CN MT G3 Z2 04670029-00— 9 —序号 企业名称发动机型号 型式核准号 XY250GY-2A 两轮摩托车 CN MT G3 Z2 04670034-0032重庆鑫源摩托车股份有限公司XY400GY 两轮摩托车 CN MT G3 Z2 04670033-00ZS125-7S 两轮摩托车 CN MT G3 Z2 07390003-0133宗申·比亚乔佛山摩托车企业有限公司ZS125-C 两轮摩托车CN MT G3 Z2 07390022-02二、轻便摩托车 1株洲南方摩托车有限公司NY48QT-2A 两轮轻便摩托车CN QM G3 Z2 07810012-00。
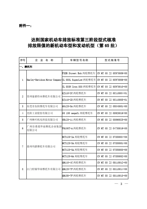
附件一:达到国家机动车排放标准第三阶段型式核准排放限值的新机动车型和发动机型(第65批)序号 企 业 名 称 车辆型号名称 型式核准号一、摩托车FXDB Street Bob两轮摩托车CN MT G3 Z2 0C970009-00XL 883L SuperLow两轮摩托车CN MT G3 Z2 0C970006-001 Harley-Davidson Motor CompanyXL 883N Iron 883两轮摩托车CN MT G3 Z2 0C970010-00HJ110-2C两轮摩托车 CN MT G3 Z2 0C110004-012 常州豪爵铃木摩托车有限公司HJ110-2D两轮摩托车 CN MT G3 Z2 0C110005-013 东莞市东阳摩托车有限公司 HG125-5A两轮摩托车 CN MT G3 Z2 05840001-004 光阳工业股份有限公司 G5 150 megafi两轮摩托车 CN MT G3 Z2 08920019-005 广州林叶机电科技有限公司 GB125-11两轮摩托车 CN MT G3 Z2 03090025-006 广州市番禺华南摩托企业集团有限公司FH100T-A两轮摩托车 CN MT G3 Z2 04730019-00MCT125-2A两轮摩托车 CN MT G3 Z2 07850004-00MCT125-3A两轮摩托车 CN MT G3 Z2 07850001-00MCT125-5A两轮摩托车 CN MT G3 Z2 07850003-007 惠州玛骐摩托车有限公司MCT125-6A两轮摩托车 CN MT G3 Z2 07850002-00QM110-4C两轮摩托车 CN MT G3 Z2 08110012-00QM125-7F两轮摩托车 CN MT G3 Z2 08110014-00 8 江门轻骑华南摩托车有限公司QM150-7F两轮摩托车 CN MT G3 Z2 08110013-00—3—序号 企 业 名 称 车辆型号名称 型式核准号GN125-2D两轮摩托车 CN MT G3 Z2 08450009-02GZ150J-A两轮摩托车 CN MT G3 Z2 08450053-00HJ125-16E两轮摩托车 CN MT G3 Z2 08450051-00HJ125T-10E两轮摩托车 CN MT G3 Z2 08450050-009 江门市大长江集团有限公司HJ150-6C两轮摩托车 CN MT G3 Z2 08450052-00UM125T两轮摩托车 CN MT G3 Z2 08450021-00UZ125T-A两轮摩托车 CN MT G3 Z2 08450020-00UZ125T-C两轮摩托车 CN MT G3 Z2 08450054-00BY125T-3A两轮摩托车 CN MT G3 Z2 09180025-00BY125T-6A两轮摩托车 CN MT G3 Z2 09180032-00BY125T-8A两轮摩托车 CN MT G3 Z2 09180029-00BY125T-9A两轮摩托车 CN MT G3 Z2 09180026-00 10 江门市联统华龙摩托车有限公司HL125T-3A两轮摩托车 CN MT G3 Z2 09180027-00HL125T-6A两轮摩托车 CN MT G3 Z2 09180030-00HL125T-8A两轮摩托车 CN MT G3 Z2 09180028-00HL125T-9A两轮摩托车 CN MT G3 Z2 09180031-00HY125-17B两轮摩托车 CN MT G3 Z2 08100002-00HY125-18A两轮摩托车 CN MT G3 Z2 08100003-00HY125-5A两轮摩托车 CN MT G3 Z2 08100001-00HY150-13两轮摩托车 CN MT G3 Z2 08100007-00 11 江门市珠峰摩托车有限公司ZF125-17B两轮摩托车 CN MT G3 Z2 08100004-00ZF125T-11C两轮摩托车 CN MT G3 Z2 08100005-00ZF125T-19A两轮摩托车 CN MT G3 Z2 08100006-00ZF125T-23A两轮摩托车 CN MT G3 Z2 08100008-00ZF150-13两轮摩托车 CN MT G3 Z2 08100009-00—4—序号 企 业 名 称 车辆型号名称 型式核准号12 三友控股集团银友摩托车有限公司SY125T-3A两轮摩托车 CN MT G3 Z2 04740001-00CT150T-2S两轮摩托车 CN MT G3 Z2 05980023-00SQ125T-2S两轮摩托车 CN MT G3 Z2 05980025-00SQ125T-4S两轮摩托车 CN MT G3 Z2 05980027-00SQ125T-5S两轮摩托车 CN MT G3 Z2 05980026-0013 台州市椒江之威摩托车制造有限公司XF150T-2S两轮摩托车 CN MT G3 Z2 05980024-00YB125T-2C两轮摩托车 CN MT G3 Z2 06860002-0014 台州市凯通摩托车制造有限公司YB150T-30C两轮摩托车 CN MT G3 Z2 06860003-00 15 台州市中能摩托车有限公司 ZN150-9S两轮摩托车 CN MT G3 Z2 06150020-00WH125-12两轮摩托车 CN MT G3 Z2 06450026-00WH150J-2两轮摩托车 CN MT G3 Z2 06450025-00WY125-P两轮摩托车 CN MT G3 Z2 06450013-02 16 五羊-本田摩托(广州)有限公司WY125-S两轮摩托车 CN MT G3 Z2 06450017-01HR110-6T两轮摩托车 CN MT G3 Z2 02330076-00 17 增城市奔马实业有限公司SL100T-10两轮摩托车 CN MT G3 Z2 02330077-00BD125T-3V两轮摩托车 CN MT G3 Z2 06890001-00 18 浙江长铃奔健机车有限公司BD125T-CV两轮摩托车 CN MT G3 Z2 06890002-00CF125两轮摩托车 CN MT G3 Z2 05100017-00CF125T-2D两轮摩托车 CN MT G3 Z2 05100016-00CF150-2A两轮摩托车 CN MT G3 Z2 05100015-00 19 浙江春风动力股份有限公司CF250T-8两轮摩托车 CN MT G3 Z2 05100014-00SL125T-2A两轮摩托车 CN MT G3 Z2 04760002-00 20 浙江黄岩三叶集团有限公司SL125T-A两轮摩托车 CN MT G3 Z2 04760003-00 21 浙江嘉爵摩托车制造有限公司 JJ125T-9A两轮摩托车 CN MT G3 Z2 07340010-00—5—序号 企 业 名 称 车辆型号名称 型式核准号JM125T-2A两轮摩托车 CN MT G3 Z2 04800002-00JM125T-2B两轮摩托车 CN MT G3 Z2 04800001-00JM125T-2C两轮摩托车 CN MT G3 Z2 04800003-00JM125T-2D两轮摩托车 CN MT G3 Z2 04800004-00 22 浙江劲野机动车工业有限公司JM125T-2G两轮摩托车 CN MT G3 Z2 04800005-00WB150T-3A两轮摩托车 CN MT G3 Z2 08020004-00WB150T-4A两轮摩托车 CN MT G3 Z2 08020005-00 23 浙江凯凯美多机车有限公司WB150T-8两轮摩托车 CN MT G3 Z2 08020003-0024 中国嘉陵工业股份有限公司(集团)JH150-8两轮摩托车 CN MT G3 Z2 01840021-00ZQ125-3C两轮摩托车 CN MT G3 Z2 07220007-00ZQ125-3D两轮摩托车 CN MT G3 Z2 07220002-00ZQ125-4C两轮摩托车 CN MT G3 Z2 07220005-00ZQ125-D两轮摩托车 CN MT G3 Z2 07220003-00ZQ150-2D两轮摩托车 CN MT G3 Z2 07220008-00ZQ150-3D两轮摩托车 CN MT G3 Z2 07220004-0025 中山国驰摩托车实业有限公司ZQ150-4D两轮摩托车 CN MT G3 Z2 07220006-00CQ110-9E两轮摩托车 CN MT G3 Z2 04390009-02JS200ZH-2正三轮摩托车 CN MT G3 Z2 04390032-00 26 重庆建设摩托车股份有限公司JS250ZH-2正三轮摩托车 CN MT G3 Z2 04390033-00JL110-38两轮摩托车 CN MT G3 Z2 02670044-00 27 重庆隆鑫机车有限公司LX110-37两轮摩托车 CN MT G3 Z2 02670045-00FHL125-27两轮摩托车 CN MT G3 Z2 05250003-00FHL125-27A两轮摩托车 CN MT G3 Z2 05250004-00FHL125-30K两轮摩托车 CN MT G3 Z2 05250006-00 28 重庆马速达机车有限公司FHL150L-24C两轮摩托车 CN MT G3 Z2 05250005-00—6—序号 企 业 名 称 车辆型号名称 型式核准号WJ150-16两轮摩托车 CN MT G3 Z2 04360020-00 29 重庆望江摩托车制造有限公司WJ150G两轮摩托车 CN MT G3 Z2 04360021-00二、轻便摩托车1 光阳工业股份有限公司 MANY 50两轮轻便摩托车 CN QM G3 Z2 08920018-00QM48QT-9B两轮轻便摩托车 CN QM G3 Z2 04410014-002 济南轻骑摩托车股份有限公司QM48QT-9C两轮轻便摩托车 CN QM G3 Z2 04410015-00QM50QT-9两轮轻便摩托车 CN QM G3 Z2 04410013-00三、重型汽油车1 安徽江淮客车有限公司 HK6700Y3客车 CN ZQ G3 Z2 02070071-002 沈阳探矿机械有限公司 STC5083XCT20C静力触探车 CN ZQ G3 Z2 07890002-00—7—。
环境保护部公告2012年第62号――关于发布达到国家机动车排放标准的新生产机动车型和发动机型的公告文章属性•【制定机关】环境保护部(已撤销)•【公布日期】2012.10.22•【文号】环境保护部公告2012年第62号•【施行日期】2012.10.22•【效力等级】部门规范性文件•【时效性】现行有效•【主题分类】环境保护综合规定正文环境保护部公告(2012年第62号)关于发布达到国家机动车排放标准的新生产机动车型和发动机型的公告经国务院同意,我部对符合国家环境保护标准的机动车产品进行型式核准。
经审核,现对符合《轻型汽车污染物排放限值及测量方法(中国Ⅲ、Ⅳ阶段)》(GB18352.3-2005)、《车用压燃式、气体燃料点燃式发动机与汽车排气污染物排放限值及测量方法(中国Ⅲ、Ⅳ、Ⅴ阶段)》(GB17691-2005)、《摩托车污染物排放限值及测量方法(工况法,中国第Ⅲ阶段)》(GB14622-2007)第Ⅲ阶段排放限值的第82批、第Ⅳ阶段排放限值的第58批和第Ⅴ阶段排放限值的第13批机动车和发动机生产企业、产品及其污染物控制装置予以公告。
详细内容见机动车环保网:。
附件:1.达到国家机动车排放标准第三阶段型式核准排放限值的新机动车型和发动机型(第82批)2.达到国家机动车排放标准第四阶段型式核准排放限值的新机动车型和发动机型(第58批)(略)3.达到国家机动车排放标准第五阶段型式核准排放限值的新机动车型和发动机型(第13批)4.自由加速排气烟度排放限值5.公告变更环境保护部2012年10月22日附件1达到国家机动车排放标准第三阶段型式核准附件3达到国家机动车排放标准第五阶段型式核准排放限值的新机动车型和发动机型(第13 批)附件4自由加速排气烟度排放限值依据《车用压燃式发动机和压燃式发动机汽车排气烟度排放限值及测量方法》(GB3847-2005),现公布第七十批机动车及发动机的型式核准自由加速排气烟度排放限值及新生产汽车检测、环保生产一致性检查、在用车检查的自由加速排气烟度排放限值。
国家第三阶段排放标准一、排放控制国家第三阶段排放标准主要针对车辆的排放进行严格控制。
对于轻型汽车,要求其排放的污染物总量不得超过规定的限值,以确保车辆对环境的影响最小化。
排放控制采用了先进的排放控制技术和装备,如燃油喷射电子控制、废弃再循环等,以提高车辆的排放性能。
二、燃油系统燃油系统是车辆的重要组成部分,其性能对车辆的排放具有重要影响。
国家第三阶段排放标准对燃油系统的要求包括:采用电动燃油泵、喷油器、燃油蒸气回收系统等,以提高燃油的经济性和排放性能。
同时,要求燃油系统的密封性能良好,以防止燃油泄漏对环境和车辆性能产生影响。
三、颗粒物过滤器颗粒物过滤器是车辆排放控制系统的重要组成部分,主要作用是捕集发动机燃烧产生的颗粒物,防止其排放到大气中。
国家第三阶段排放标准要求车辆必须安装颗粒物过滤器,并规定了其性能要求和再生技术。
同时,要求颗粒物过滤器的过滤效率不低于90%,以保证车辆的排放性能。
四、传感器和控制系统传感器和控制系统是实现车辆排放控制的关键部分。
国家第三阶段排放标准要求车辆必须安装多种传感器,如氧传感器、温度传感器、压力传感器等,以监测车辆的排放和运行状态。
同时,要求控制系统具有自我诊断功能,能够实时监测和控制车辆的排放性能,并对异常情况进行报警和处理。
五、燃油质量燃油质量对车辆的排放具有重要影响。
国家第三阶段排放标准要求燃油必须符合相关质量标准,如硫含量、烯烃含量等。
同时,要求加油站提供的燃油必须符合国家标准,以防止劣质燃油对车辆的排放性能产生影响。
六、冷启动控制冷启动时车辆排放性能较差,因此国家第三阶段排放标准要求车辆必须具备冷启动控制功能。
具体要求包括:在冷启动时,控制系统能够自动增加喷油量,以促进发动机的快速启动;同时要求车辆在行驶过程中能够自动调整喷油量,以适应不同的行驶状态和环境条件。
这些措施有助于减少冷启动时车辆的排放污染物。
七、油耗限制国家第三阶段排放标准对车辆的油耗进行了限制。
— 3 —附件一:达到国家机动车排放标准第三阶段型式 核准排放限值的新机动车型和发动机型(第29批)序号企业名称车辆型号名称型式核准号一、轻型汽油车YZK1022E 轻型载货汽车 CN QQ G3 Z2 00280008-00YZK1022E 轻型载货汽车 CN QQ G3 Z2 00280008-01YZK1022EA 轻型载货汽车 CN QQ G3 Z2 00280009-00YZK1022EA 轻型载货汽车 CN QQ G3 Z2 00280009-01YZK1022EAS 轻型载货汽车 CN QQ G3 Z2 00280010-00YZK1022EAS 轻型载货汽车CN QQ G3 Z2 00280010-01YZK1022EASY 轻型载货汽车 CN QQ G3 Z2 00280011-00YZK1022EASY 轻型载货汽车 CN QQ G3 Z2 00280011-01YZK1022EAY 轻型载货汽车 CN QQ G3 Z2 00280012-00YZK1022EAY 轻型载货汽车 CN QQ G3 Z2 00280012-01YZK1022EL 轻型载货汽车 CN QQ G3 Z2 00280013-00YZK1022EL 轻型载货汽车 CN QQ G3 Z2 00280013-01YZK1022EY 轻型载货汽车 CN QQ G3 Z2 00280014-001安徽长丰扬子汽车制造有限责任公司YZK1022EY 轻型载货汽车CN QQ G3 Z2 00280014-012 安徽华阳汽车制造有限公司BHQ6376B2客车 CN QQ G3 Z2 03910001-003 北京载通视音频广播技术有限公司 BZT5033XJC 检测车 CN QQ G3 Z2 07030010-00BJ1020V2AV3-S 载货汽车 CN QQ G3 Z2 00390374-004北汽福田汽车股份有限公司BJ1020V2AV3-S1载货汽车CN QQ G3 Z2 00390375-00— 4 —序号 企业名称 车辆型号名称型式核准号 BJ1020V3AV3-S 轻型载货汽车 CN QQ G3 Z2 00390369-00BJ1020V3JV2-S 载货汽车 CN QQ G3 Z2 00390376-00BJ1020V3JV2-S1载货汽车 CN QQ G3 Z2 00390377-00BJ1020V3JV3-S 轻型载货汽车 CN QQ G3 Z2 00390370-00BJ5020V2BV2-S 厢式运输车 CN QQ G3 Z2 00390371-00BJ5020V2DV3-S 厢式运输车CN QQ G3 Z2 00390372-00BJ5020V2DV3-S1厢式运输车 CN QQ G3 Z2 00390373-00BJ5020V3BV3-S 厢式运输车 CN QQ G3 Z2 00390368-00BJ5026TDY-S 电影电视流动放映车CN QQ G3 Z2 00390395-00BJ6438MC6VA-1多用途乘用车 CN QQ G3 Z2 00390423-00BJ6438MC6VA-2多用途乘用车 CN QQ G3 Z2 00390425-00BJ6438MC6VA-P1乘用车 CN QQ G3 Z2 00390422-004北汽福田汽车股份有限公司BJ6438MC6VA-P2多用途乘用车 CN QQ G3 Z2 00390424-00LZ5030XXYAQ3S 厢式运输车CN QQ G3 Z2 00610119-00LZ5030XXYAQ7S 厢式运输车 CN QQ G3 Z2 00610120-00LZ5030XXYAQ8S 厢式运输车 CN QQ G3 Z2 00610164-005东风柳州汽车有限公司LZ5030XYZAQ3S 邮政车CN QQ G3 Z2 00610121-00EQ1021NF22Q7载货汽车 CN QQ G3 Z2 00770069-00EQ1021NF22QN7载货汽车 CN QQ G3 Z2 00770070-00EQ1021NF24Q7载货汽车 CN QQ G3 Z2 00770071-00EQ1021NF24QN5载货汽车 CN QQ G3 Z2 00770072-00EQ1021NF24QN7载货汽车 CN QQ G3 Z2 00770073-00EQ1021TF8载货汽车 CN QQ G3 Z2 00770074-00EQ1021TFN6载货汽车 CN QQ G3 Z2 00770075-00EQ1021TFN8载货汽车 CN QQ G3 Z2 00770076-00EQ6361PF23Q1客车 CN QQ G3 Z2 00770062-00EQ6362PF 客车 CN QQ G3 Z2 00770060-006 东风汽车公司 EQ6362PF1客车CN QQ G3 Z2 00770061-00— 5 —序号 企业名称 车辆型号名称型式核准号 EQ6381LF6客车 CN QQ G3 Z2 00770005-02EQ6390PF1客车 CN QQ G3 Z2 00770063-00EQ6390PF1客车 CN QQ G3 Z2 00770063-01EQ6390PF24Q1客车 CN QQ G3 Z2 00770064-00EQ6400LF 客车CN QQ G3 Z2 00770059-00EQ6400LF24Q1客车 CN QQ G3 Z2 00770065-00EQ6400LF24QN 客车 CN QQ G3 Z2 00770066-00EQ6400LFN 客车 CN QQ G3 Z2 00770058-00EQ6410LF22QN6客车 CN QQ G3 Z2 00770067-006 东风汽车公司 EQ6410LF24Q 客车 CN QQ G3 Z2 00770068-00NHQ1021A3载货汽车 CN QQ G3 Z2 02740026-00NHQ1021A3D 载货汽车 CN QQ G3 Z2 02740024-00NHQ1027A3载货汽车 CN QQ G3 Z2 02740027-00NHQ1027A3D 载货汽车CN QQ G3 Z2 02740025-00NHQ6463A3客车 CN QQ G3 Z2 02740020-00NHQ6463A3D 客车 CN QQ G3 Z2 02740019-00NHQ6490A3客车 CN QQ G3 Z2 02740021-00NHQ6490A3D 客车 CN QQ G3 Z2 02740018-00NHQ6510A3客车 CN QQ G3 Z2 02740023-007广东福迪汽车有限公司NHQ6510A3D 客车 CN QQ G3 Z2 02740022-00HG7134DAAA 轿车CN QQ G3 Z2 01750034-00HG7134DAMA 轿车 CN QQ G3 Z2 01750035-00HG7154DAAA 轿车 CN QQ G3 Z2 01750036-008广州本田汽车有限公司HG7154DAMA 轿车CN QQ G3 Z2 01750037-00TBL5022XYCF8防弹运钞车 CN QQ G3 Z2 00370006-00TBL5022XYCF8防弹运钞车 CN QQ G3 Z2 00370006-019广州东方宝龙汽车工业股份有限公司TBL5022XYCF9防弹运钞车CN QQ G3 Z2 00370005-00— 6 —序号 企业名称 车辆型号名称型式核准号 TBL5022XYCF9防弹运钞车CN QQ G3 Z2 00370005-01TBL5029XYCF6防弹运钞车 CN QQ G3 Z2 00370004-009广州东方宝龙汽车工业股份有限公司 TBL5029XYCF8防弹运钞车 CN QQ G3 Z2 00370003-0010哈飞汽车股份有限公司HFJ6370E 乘用车 CN QQ G3 Z2 00400001-08CH7101BE 轿车 CN QQ G3 Z2 09220014-0011合肥昌河汽车有限责任公司CH7101BE3轿车 CN QQ G3 Z2 09220013-00SC6443客车CN QQ G3 Z2 03530059-00SC6443A 客车 CN QQ G3 Z2 03530058-0012河北长安汽车有限公司SC6443V 客车CN QQ G3 Z2 03530057-00LZL5025CSB3仓栅式运输车CN QQ G3 Z2 06460009-00LZL5025XXYB3厢式运输车 CN QQ G3 Z2 06460011-00LZL5027CSB3仓栅式运输车 CN QQ G3 Z2 06460010-0013柳州延龙汽车有限公司LZL5027XXYB3厢式运输车CN QQ G3 Z2 06460012-00SC5025XJHB3救护车 CN QQ G3 Z2 01800042-00SC5025XKCB3勘察车 CN QQ G3 Z2 01800043-00SC5025XQCB3囚车 CN QQ G3 Z2 01800051-00SC6363AJ3客车 CN QQ G3 Z2 01800038-00SC6363AVJ3客车 CN QQ G3 Z2 01800041-00SC6363B3客车 CN QQ G3 Z2 01800044-00SC6363BV3客车 CN QQ G3 Z2 01800045-00SC6371D3客车 CN QQ G3 Z2 01800040-00SC6371DJ3客车 CN QQ G3 Z2 01800039-00SC6371DV3客车 CN QQ G3 Z2 01800046-00SC6371DVJ3客车 CN QQ G3 Z2 01800047-00SC6371E3客车 CN QQ G3 Z2 01800037-00SC6371EJ3客车 CN QQ G3 Z2 01800048-0014南京长安汽车有限公司SC6371EV3客车CN QQ G3 Z2 01800049-00序号 企业名称 车辆型号名称 型式核准号SC6371EVJ3客车 CN QQ G3 Z2 01800050-00SQR7080S116轿车 CN QQ G3 Z2 01180013-03SQR7080S116轿车 CN QQ G3 Z2 01180013-04SQR7080S11T6轿车 CN QQ G3 Z2 01180015-01 15 奇瑞汽车有限公司SQR7110S216轿车 CN QQ G3 Z2 01180032-0216 上海阿曼特汽车制造有限公司SLX5021XYCL防弹运钞车 CN QQ G3 Z2 05470002-00SVW7180LEi上海桑塔纳轿车 CN QQ G3 Z2 00170049-0017 上海大众汽车有限公司 SVW7181LEi上海桑塔纳旅行轿车 CN QQ G3 Z2 00170050-00LZW5026XB3厢式货车 CN QQ G3 Z2 02390036-01LZW5026XXYB3厢式运输车 CN QQ G3 Z2 02390037-01LZW5026XYZB3邮政车 CN QQ G3 Z2 02390038-01LZW5029XXYB3厢式运输车 CN QQ G3 Z2 02390041-01LZW5029XYZB3邮政车 CN QQ G3 Z2 02390042-01LZW6376B3客车 CN QQ G3 Z2 02390034-01LZW6376BV3客车 CN QQ G3 Z2 02390035-01LZW6381B3客车 CN QQ G3 Z2 02390043-01LZW6381BV3客车 CN QQ G3 Z2 02390044-01LZW6386A3客车 CN QQ G3 Z2 02390138-00LZW6386AV3客车 CN QQ G3 Z2 02390139-00LZW6386B3客车 CN QQ G3 Z2 02390119-01LZW6386BV3客车 CN QQ G3 Z2 02390120-01LZW6400B3客车 CN QQ G3 Z2 02390039-01LZW6400BV3客车 CN QQ G3 Z2 02390040-01LZW7080G3轿车 CN QQ G3 Z2 02390015-01LZW7080G3Q轿车 CN QQ G3 Z2 02390017-03LZW7100H3轿车 CN QQ G3 Z2 02390016-0118 上汽通用五菱汽车股份有限公司LZW7100H3Q轿车 CN QQ G3 Z2 02390018-03—7—— 8 —序号 企业名称 车辆型号名称型式核准号 DC7146A 206轿车 CN QQ G3 Z2 00930023-0219神龙汽车有限公司DC7148A 轿车CN QQ G3 Z2 00930024-02SY5033XJH-KSBH 救护车 CN QQ G3 Z2 01780302-00SY6513HS1BH 轻型客车 CN QQ G3 Z2 01780128-01SY6521HS1BG 轻型客车 CN QQ G3 Z2 01780197-01SY6521KS1B 多用途乘用车CN QQ G3 Z2 01780053-01SY7130KSAA 轿车 CN QQ G3 Z2 01780299-00SY7130KSBAA 轿车 CN QQ G3 Z2 01780298-00SY7160RSAA 轿车 CN QQ G3 Z2 01780301-00SY7160RSBAA 轿车 CN QQ G3 Z2 01780300-00SY7181HSB 轿车 CN QQ G3 Z2 01780061-0220沈阳华晨金杯汽车有限公司SY7182HSB 轿车 CN QQ G3 Z2 01780060-02SY1027ADQ36载货汽车 CN QQ G3 Z2 09260005-00SY1027ASQ36载货汽车CN QQ G3 Z2 09260006-00SY5021CXYADQ36仓栅式运输车 CN QQ G3 Z2 09260002-00SY5021CXYASQ36仓栅式运输车 CN QQ G3 Z2 09260003-00SY5021XXYADQ36厢式运输车 CN QQ G3 Z2 09260001-0021沈阳金杯车辆制造有限公司SY5021XXYASQ36厢式运输车 CN QQ G3 Z2 09260004-00FV7162S 轿车CN QQ G3 Z2 00180003-05FV7162SAT 轿车 CN QQ G3 Z2 00180004-05FV7162SATE 轿车 CN QQ G3 Z2 00180005-0222一汽-大众汽车有限公司FV7162SE 轿车CN QQ G3 Z2 00180006-0223一汽吉林汽车有限公司CA6400客车 CN QQ G3 Z2 00290024-00NJ7250ZL 轿车 CN QQ G3 Z2 00160225-0224南京汽车集团有限公司(原跃进汽车集团公司)NJ7250ZT 轿车 CN QQ G3 Z2 00160226-02ZN1022U2G3多用途货车 CN QQ G3 Z2 00090043-0025郑州日产汽车有限公司ZN1022UBG3多用途货车CN QQ G3 Z2 00090044-00— 9 —序号 企业名称 车辆型号名称型式核准号 CA6460P6E-3轻型客车 CN QQ G3 Z2 00350080-0126中国第一汽车集团哈尔滨轻型车厂CA6480P6E-3轻型客车 CN QQ G3 Z2 00350079-01SC5016XJH4救护车 CN QQ G3 Z2 02160025-05SC5016XKC4勘察车 CN QQ G3 Z2 02160024-04SC5016XQC4囚车 CN QQ G3 Z2 02160023-04SC5020XJH6救护车 CN QQ G3 Z2 02160066-02SC5020XKC6勘察车 CN QQ G3 Z2 02160067-02SC5020XQC6囚车 CN QQ G3 Z2 02160069-02SC5020XXYF 厢式运输车CN QQ G3 Z2 02160071-02SC5020XYZ6邮政车 CN QQ G3 Z2 02160073-02SC6363A 客车 CN QQ G3 Z2 02160042-02SC6380F 客车 CN QQ G3 Z2 02160011-04SC6382B 客车 CN QQ G3 Z2 02160040-03SC6382C 客车 CN QQ G3 Z2 02160041-04SC6382F 客车 CN QQ G3 Z2 02160087-02SC6382G 客车 CN QQ G3 Z2 02160088-0227重庆长安汽车股份有限公司SC6408客车CN QQ G3 Z2 02160074-0228重庆市迪马实业股份有限公司DMT5025TKC 勘察车CN QQ G3 Z2 00720045-00二、轻型柴油车YZK1022C1轻型载货汽车 CN QC G3 Z2 00280017-00YZK1022C1S 轻型载货汽车CN QC G3 Z2 00280018-00YZK1022C1SY 轻型载货汽车 CN QC G3 Z2 00280019-00YZK1022C1Y 轻型载货汽车 CN QC G3 Z2 00280020-00YZK6510C1轻型客车 CN QC G3 Z2 00280015-001安徽长丰扬子汽车制造有限责任公司YZK6510C1S 轻型客车CN QC G3 Z2 00280016-002安徽江淮汽车股份HFC6500KA2C8T 轻型客车CN QC G3 Z2 00890365-00— 10 —序号 企业名称 车辆型号名称型式核准号 HFC6500KA2T 轻型客车 CN QC G3 Z2 00890366-00有限公司HFC7190EK 轿车 CN QC G3 Z2 00890397-00BJ5036XBY-S1殡仪车 CN QC G3 Z2 00390433-00BJ5036XJH-S1救护车 CN QC G3 Z2 00390426-00BJ5036XJH-S2救护车CN QC G3 Z2 00390427-00BJ5036XLC-S 冷藏车 CN QC G3 Z2 00390429-00BJ5036XXY-S 厢式运输车 CN QC G3 Z2 00390430-00BJ5036XXY-S1厢式运输车 CN QC G3 Z2 00390431-00BJ5036XYZ-S2邮政车 CN QC G3 Z2 00390432-003北汽福田汽车股份有限公司BJ5036XYZ-S3邮政车 CN QC G3 Z2 00390428-00BQ1021J8A 轻型货车CN QC G3 Z2 00530021-00BQ1022N 轻型货车 CN QC G3 Z2 00530018-00BQ1022NM 轻型货车 CN QC G3 Z2 00530019-004河北中兴汽车制造有限公司BQ1028N 轻型货车CN QC G3 Z2 00530020-00JX5030XXYTJ-H3厢式运输车CN QC G3 Z2 00790145-00JX6570T-H3轻型客车 CN QC G3 Z2 00790143-005江铃汽车股份有限公司JX6571T-H3轻型客车CN QC G3 Z2 00790144-00SMA7250AE3轿车 CN QC G3 Z2 01600022-006上海华普汽车有限公司(原上海杰士达汽车制造有限公司) SMA7250E3轿车CN QC G3 Z2 01600021-00SY6481JSBG 轻型客车 CN QC G3 Z2 01780303-00SY6481JSG 轻型客车 CN QC G3 Z2 01780304-00SY6521JS1BG 轻型客车CN QC G3 Z2 01780306-00SY6521JS1G 轻型客车 CN QC G3 Z2 01780307-00SY6521JS3BG 轻型客车 CN QC G3 Z2 01780305-00SY6521JS3G 轻型客车 CN QC G3 Z2 01780308-00SY7191QSBBB 轿车 CN QC G3 Z2 01780296-007沈阳华晨金杯汽车有限公司SY7192QSBBB 轿车CN QC G3 Z2 01780297-00— 11 —序号 企业名称 车辆型号名称型式核准号 HBJ6471D 旅行车 CN QC G3 Z2 01680007-018石家庄双环汽车股份有限公司HBJ6471YD 旅行车CN QC G3 Z2 01680006-01三、轻型两用燃料车1浙江豪情汽车制造有限公司JL7152CNG 轿车CN QL G3 Z2 01590083-00四、压燃式发动机C11III385PCN CJ G3 03950014-00 1 Caterpillar Inc.C13III430HCN CJ G3 03950015-00 2 IVECO S.p.A. F2BE3682C*P CN CJ G3 04310011-00 3 东风朝阳柴油机有限责任公司 NGD3.0-C3HA CN CJ G3 02690018-00 4东风汽车有限公司 dCi290-30 CN CJ G3 02370071-01 EQD160-30CN CJ G3 02370159-00 EQD180-30 CN CJ G3 02370161-00 5东风汽车有限公司商用车发动机厂 EQD210-30CN CJ G3 02370160-00 6中国重型汽车集团有限公司WD615.91CN CJ G3 01290195-00 五、装用压燃式发动机的重型车HFF6100K82D 客车 CN ZC G3 Z2 00080082-01HFF6106K05客车 CN ZC G3 Z2 00080051-02HFF6120K82D 客车 CN ZC G3 Z2 00080083-03HFF6120WZ-1豪华卧铺客车 CN ZC G3 Z2 00080074-01HFF6121WK79卧铺客车 CN ZC G3 Z2 00080049-01HFF6121WK79卧铺客车 CN ZC G3 Z2 00080049-02HFF6121WK79卧铺客车 CN ZC G3 Z2 00080049-03HFF6122GZ-4城市客车 CN ZC G3 Z2 00080031-03HFF6122KZ-4豪华客车 CN ZC G3 Z2 00080088-00HFF6122WK79卧铺客车 CN ZC G3 Z2 00080002-031安徽安凯汽车股份有限公司HFF6123GZ-4城市客车CN ZC G3 Z2 00080062-02— 12 —序号 企业名称 车辆型号名称型式核准号 HFF6123K40客车 CN ZC G3 Z2 00080013-03HFF6123WK79卧铺客车 CN ZC G3 Z2 00080014-03HFF6124K40客车 CN ZC G3 Z2 00080069-03HFF6125WK79卧铺客车CN ZC G3 Z2 00080090-00HFF6141WK86-1特大型豪华卧铺客车CN ZC G3 Z2 00080087-03HFF6870G05D 城市客车 CN ZC G3 Z2 00080080-01HFF6902KZ-8客车 CN ZC G3 Z2 00080089-00HFF6902KZ-8客车 CN ZC G3 Z2 00080089-01HFF6902KZ-8客车 CN ZC G3 Z2 00080089-021安徽安凯汽车股份有限公司HFF6902KZ-8客车 CN ZC G3 Z2 00080089-03AC6606KJ3轻型客车 CN ZC G3 Z2 04250001-01AC6606KJ3轻型客车 CN ZC G3 Z2 04250001-02AC6606KJ3轻型客车CN ZC G3 Z2 04250001-03AC6606KJ3轻型客车 CN ZC G3 Z2 04250001-04AC6608KJ2轻型客车 CN ZC G3 Z2 04250002-02AC6608KJ2轻型客车 CN ZC G3 Z2 04250002-03AC6608KJ2轻型客车 CN ZC G3 Z2 04250002-042安徽华夏车辆制造有限公司AC6608KJ2轻型客车 CN ZC G3 Z2 04250002-05HK6758K 客车CN ZC G3 Z2 02070033-00HK6758K 客车 CN ZC G3 Z2 02070033-01HK6867H 客车 CN ZC G3 Z2 02070032-003安徽江淮客车有限公司HK6867H 客车CN ZC G3 Z2 02070032-01HFC1043K2R1T 载货汽车 CN ZC G3 Z2 00890385-00HFC1043K2T 载货汽车 CN ZC G3 Z2 00890373-00HFC1060K20R1T 载货汽车 CN ZC G3 Z2 00890384-00HFC1060K20R1T 载货汽车 CN ZC G3 Z2 00890384-01HFC1060K20RT 载货汽车 CN ZC G3 Z2 00890383-004安徽江淮汽车股份有限公司HFC1060K20RT 载货汽车CN ZC G3 Z2 00890383-01— 13 —序号 企业名称 车辆型号名称型式核准号 HFC1060K20T 载货汽车 CN ZC G3 Z2 00890374-00HFC1060K20T 载货汽车CN ZC G3 Z2 00890374-01HFC1060K2R1T 载货汽车 CN ZC G3 Z2 00890375-00HFC1060K2R1T 载货汽车 CN ZC G3 Z2 00890375-01HFC1060K2T 载货汽车 CN ZC G3 Z2 00890382-00HFC1060K2T 载货汽车 CN ZC G3 Z2 00890382-01HFC1121K1R1GZT 载货汽车 CN ZC G3 Z2 00890376-00HFC1121K1R1GZT 载货汽车 CN ZC G3 Z2 00890376-01HFC1121K1R1GZT 载货汽车 CN ZC G3 Z2 00890376-02HFC1121K1R1T 载货汽车 CN ZC G3 Z2 00890377-00HFC1121K1R1T 载货汽车 CN ZC G3 Z2 00890377-01HFC1121K1R1T 载货汽车 CN ZC G3 Z2 00890377-02HFC1121K3R1ZT 载货汽车 CN ZC G3 Z2 00890378-00HFC1121K3R1ZT 载货汽车 CN ZC G3 Z2 00890378-01HFC1121K3R1ZT 载货汽车 CN ZC G3 Z2 00890378-02HFC1162K1R1GZT 载货汽车 CN ZC G3 Z2 00890379-00HFC1162K1R1GZT 载货汽车 CN ZC G3 Z2 00890379-01HFC1162K1R1GZT 载货汽车 CN ZC G3 Z2 00890379-02HFC1165KR1T 载货汽车 CN ZC G3 Z2 00890380-00HFC1165KR1T 载货汽车 CN ZC G3 Z2 00890380-01HFC1165KR1T 载货汽车 CN ZC G3 Z2 00890380-02HFC1165KR1T 载货汽车 CN ZC G3 Z2 00890380-03HFC1312K1R1LAT 载货汽车 CN ZC G3 Z2 00890381-00HFC1312K1R1LAT 载货汽车 CN ZC G3 Z2 00890381-01HFC1312K1R1LAT 载货汽车 CN ZC G3 Z2 00890381-02HFC1312K1R1LAT 载货汽车 CN ZC G3 Z2 00890381-03HFC1312K1R1LT 载货汽车 CN ZC G3 Z2 00890325-014安徽江淮汽车股份有限公司HFC1312KR1LT 载货汽车CN ZC G3 Z2 00890389-00— 14 —序号 企业名称 车辆型号名称型式核准号 HFC1312KR1LT 载货汽车 CN ZC G3 Z2 00890389-01HFC1312KR1LT 载货汽车CN ZC G3 Z2 00890389-02HFC1312KR1LT 载货汽车 CN ZC G3 Z2 00890389-03HFC3254K1R1LT 自卸汽车 CN ZC G3 Z2 00890394-00HFC3254K2R1LT 自卸汽车 CN ZC G3 Z2 00890395-00HFC3254K2R1LT 自卸汽车 CN ZC G3 Z2 00890395-01HFC3312K3R1LT 自卸汽车 CN ZC G3 Z2 00890396-00HFC3312K3R1LT 自卸汽车 CN ZC G3 Z2 00890396-01HFC3312K3R1LT 自卸汽车 CN ZC G3 Z2 00890396-02HFC5040XYZK2T 邮政车 CN ZC G3 Z2 00890372-00HFC5040XYZK2T 邮政车CN ZC G3 Z2 00890372-01HFC5043CCYK2R1T 仓栅式运输车 CN ZC G3 Z2 00890392-00HFC5043CCYK2T 仓栅式运输车 CN ZC G3 Z2 00890393-00HFC5060XXYK20R1T 厢式运输车 CN ZC G3 Z2 00890391-00HFC5060XXYK20R1T 厢式运输车 CN ZC G3 Z2 00890391-01HFC5060XXYK20RT 厢式运输车 CN ZC G3 Z2 00890390-00HFC5060XXYK20RT 厢式运输车 CN ZC G3 Z2 00890390-01HFC5060XXYK20T 厢式运输车 CN ZC G3 Z2 00890388-00HFC5060XXYK20T 厢式运输车 CN ZC G3 Z2 00890388-01HFC5060XXYK2R1T 厢式运输车 CN ZC G3 Z2 00890387-00HFC5060XXYK2R1T 厢式运输车 CN ZC G3 Z2 00890387-01HFC5060XXYK2T 厢式运输车 CN ZC G3 Z2 00890386-00HFC5060XXYK2T 厢式运输车 CN ZC G3 Z2 00890386-01HFC5062XXYK1R1T 厢式运输车 CN ZC G3 Z2 00890367-00HFC5062XXYK1R1T 厢式运输车 CN ZC G3 Z2 00890367-01HFC5121XXYKR1T 厢式运输车 CN ZC G3 Z2 00890368-00HFC5122XXYKR1T 厢式运输车 CN ZC G3 Z2 00890369-004安徽江淮汽车股份有限公司HFC5122XXYKR1T 厢式运输车CN ZC G3 Z2 00890369-01— 15 —序号 企业名称 车辆型号名称型式核准号 HFC5122XXYKR1T 厢式运输车 CN ZC G3 Z2 00890369-02HFC5122XXYKR1T 厢式运输车 CN ZC G3 Z2 00890369-03HFC5162XXYK1R1HT 厢式运输车 CN ZC G3 Z2 00890370-00HFC5162XXYK1R1HT 厢式运输车 CN ZC G3 Z2 00890370-01HFC5162XXYK1R1HT 厢式运输车CN ZC G3 Z2 00890370-02HFC5255XXYK1R1T 厢式运输车 CN ZC G3 Z2 00890371-00HFC5255XXYK1R1T 厢式运输车 CN ZC G3 Z2 00890371-01HFC5255XXYK1R1T 厢式运输车 CN ZC G3 Z2 00890371-024安徽江淮汽车股份有限公司HFC5255XXYK1R1T 厢式运输车 CN ZC G3 Z2 00890371-03HFC6128H 客车CN ZC G3 Z2 06140023-00HFC6128H 客车 CN ZC G3 Z2 06140023-015安徽江淮汽车集团有限公司HFC6128H 客车CN ZC G3 Z2 06140023-02AH3243-1自卸汽车 CN ZC G3 Z2 00760029-02AH3243-1自卸汽车 CN ZC G3 Z2 00760029-03AH3243-1自卸汽车 CN ZC G3 Z2 00760029-04AH3244自卸汽车 CN ZC G3 Z2 00760030-05AH3244自卸汽车 CN ZC G3 Z2 00760030-06AH3244自卸汽车 CN ZC G3 Z2 00760030-07AH3244自卸汽车 CN ZC G3 Z2 00760030-08AH3255自卸汽车 CN ZC G3 Z2 00760004-15AH3255自卸汽车 CN ZC G3 Z2 00760004-16AH3255自卸汽车 CN ZC G3 Z2 00760004-17AH3255自卸汽车 CN ZC G3 Z2 00760004-18AH3255自卸汽车 CN ZC G3 Z2 00760004-19AH3255自卸汽车 CN ZC G3 Z2 00760004-20AH3255自卸汽车CN ZC G3 Z2 00760004-21AH5253GJB3混凝土搅拌运输车 CN ZC G3 Z2 00760005-146 安徽星马汽车股份有限公司AH5253GJB3混凝土搅拌运输车CN ZC G3 Z2 00760005-15— 16 —序号 企业名称 车辆型号名称型式核准号 AH5253GJB3混凝土搅拌运输车 CN ZC G3 Z2 00760005-16AH5253GJB3混凝土搅拌运输车 CN ZC G3 Z2 00760005-17AH5253GJB3混凝土搅拌运输车 CN ZC G3 Z2 00760005-18AH5253GJB3混凝土搅拌运输车 CN ZC G3 Z2 00760005-19AH5253GJB3混凝土搅拌运输车 CN ZC G3 Z2 00760005-20AH5253GJB6混凝土搅拌运输车 CN ZC G3 Z2 00760027-05AH5253GJB6混凝土搅拌运输车 CN ZC G3 Z2 00760027-06AH5253GJB6混凝土搅拌运输车 CN ZC G3 Z2 00760027-07AH5253GJB6混凝土搅拌运输车 CN ZC G3 Z2 00760027-08AH5256GJB8混凝土搅拌运输车 CN ZC G3 Z2 00760025-02AH5256GJB8混凝土搅拌运输车 CN ZC G3 Z2 00760025-03AH5256GJB8混凝土搅拌运输车 CN ZC G3 Z2 00760025-04AH5311GJB4混凝土搅拌运输车CN ZC G3 Z2 00760007-13AH5311GJB4混凝土搅拌运输车 CN ZC G3 Z2 00760007-14AH5311GJB4混凝土搅拌运输车 CN ZC G3 Z2 00760007-15AH5311GJB4混凝土搅拌运输车 CN ZC G3 Z2 00760007-16AH5311GJB4混凝土搅拌运输车 CN ZC G3 Z2 00760007-17AH5311GJB4混凝土搅拌运输车 CN ZC G3 Z2 00760007-18AH5311GJB4混凝土搅拌运输车 CN ZC G3 Z2 00760007-19AH5311GJB4混凝土搅拌运输车 CN ZC G3 Z2 00760007-20AH5311GJB4混凝土搅拌运输车 CN ZC G3 Z2 00760007-21AH5313GFL 粉粒物料运输车 CN ZC G3 Z2 00760010-05AH5313GFL 粉粒物料运输车 CN ZC G3 Z2 00760010-06AH5313GFL 粉粒物料运输车 CN ZC G3 Z2 00760010-07AH5313GFL 粉粒物料运输车 CN ZC G3 Z2 00760010-086安徽星马汽车股份有限公司AH5313GFL 粉粒物料运输车CN ZC G3 Z2 00760010-09ND1160A45J 载货汽车 CN ZC G3 Z2 00010041-027包头北奔重型汽车有限公司(原包头北方奔驰重型汽车有ND1163A48J 载货汽车CN ZC G3 Z2 00010063-00— 17 —序号 企业名称 车辆型号名称型式核准号 ND1163A48J 载货汽车 CN ZC G3 Z2 00010063-01限责任公司)ND1250F44J 载货汽车 CN ZC G3 Z2 00010027-02ND1250F44J 载货汽车 CN ZC G3 Z2 00010027-03ND3251B41J 自卸车 CN ZC G3 Z2 00010064-00ND3251B41J 自卸车 CN ZC G3 Z2 00010064-01ND3253B31自卸车 CN ZC G3 Z2 00010065-00ND3253B31自卸车 CN ZC G3 Z2 00010065-01ND3254B38自卸车 CN ZC G3 Z2 00010046-04ND3311D41J 自卸车 CN ZC G3 Z2 00010030-02ND3311D41J 自卸车 CN ZC G3 Z2 00010030-03ND3315D44J 自卸车 CN ZC G3 Z2 00010066-00ND3315D44J 自卸车 CN ZC G3 Z2 00010066-01ND3315D44J 自卸车CN ZC G3 Z2 00010066-02ND3315D44J 自卸车 CN ZC G3 Z2 00010066-03ND3317D35J 自卸车 CN ZC G3 Z2 00010067-00ND3317D35J 自卸车 CN ZC G3 Z2 00010067-01ND3317D35J 自卸车 CN ZC G3 Z2 00010067-02ND3317D35J 自卸车 CN ZC G3 Z2 00010067-03ND4181A35J 牵引车 CN ZC G3 Z2 00010017-04ND4242L25J 牵引车 CN ZC G3 Z2 00010048-02ND4242L25J 牵引车 CN ZC G3 Z2 00010048-03ND4243L25J 牵引车 CN ZC G3 Z2 00010049-02ND4254B34J 牵引车 CN ZC G3 Z2 00010002-04ND4257B34J 牵引车 CN ZC G3 Z2 00010062-00ND4257B34J 牵引车CN ZC G3 Z2 00010062-01ND5254GJBZ 混凝土搅拌运输车 CN ZC G3 Z2 00010015-037包头北奔重型汽车有限公司(原包头北方奔驰重型汽车有限责任公司)ND5256GJBZ 混凝土搅拌运输车CN ZC G3 Z2 00010033-04ND5040XJH-M3救护车 CN ZC G3 Z2 02400010-008包头北方创业专用汽车有限责任公司ND5051XJC 检测车CN ZC G3 Z2 02400011-00序号 企业名称 车辆型号名称 型式核准号ND5060XGC工程车 CN ZC G3 Z2 02400009-00ND5061XJC检测车 CN ZC G3 Z2 02400012-009 宝鸡宝石特种车辆有限责任公司BSJ5193TCJ50测井车 CN ZC G3 Z2 06540001-00BDK5040ADSTXC电视应急通信车 CN ZC G3 Z2 03370017-00BDK5040CXDS电视车 CN ZC G3 Z2 03370016-0010 北京北电科林电子有限公司BDK5040DXDS电视车 CN ZC G3 Z2 03370018-0011 北京华林特装车有限公司HLT5073ZYS压缩式垃圾车 CN ZC G3 Z2 01570014-00BKC5065JGK高空作业车 CN ZC G3 Z2 03110018-0012 北京凯特专用汽车厂BKC5121JGK高空作业车 CN ZC G3 Z2 03110019-0013 北京攀尼高空作业设备有限公司BT5057JGKC-2高空作业车 CN ZC G3 Z2 01030007-0014 北京三辰环卫机械有限公司BSC5251ZXXE车厢可卸式垃圾车 CN ZC G3 Z2 03250008-0015 北京事必达汽车有限责任公司BSP5120GSS洒水车 CN ZC G3 Z2 02490010-00BK6118城市客车 CN ZC G3 Z2 01300033-0016 北京市京华客车有限责任公司 BK6126S1双层城市客车 CN ZC G3 Z2 01300028-02BQJ5070ZLJN自卸式垃圾车 CN ZC G3 Z2 01310024-00BQJ5071ZLJN自卸式垃圾车 CN ZC G3 Z2 01310025-00BQJ5120GXEE吸粪车 CN ZC G3 Z2 01310022-00BQJ5120ZLJE自卸式垃圾车 CN ZC G3 Z2 01310021-00BQJ5130ZXXE车厢可卸式垃圾车 CN ZC G3 Z2 01310020-0017 北京市清洁机械厂BQJ5140TSLD扫路车 CN ZC G3 Z2 01310023-0018 北京市政中燕工程机械制造有限公司BSZ5120XYKC3翼开启厢式运输车 CN ZC G3 Z2 01070031-0119 北京探矿机械厂 BT5094TZJDPP100-3A1钻机车 CN ZC G3 Z2 02700002-0020 北起多田野(北京)起重机有限公司BTC5342JQZGT-350E汽车起重机 CN ZC G3 Z2 08150006-0021 北汽福田汽车股份BJ1043V8AE6-MS载货汽车 CN ZC G3 Z2 00390093-01—18—— 19 —序号 企业名称 车辆型号名称型式核准号 BJ1043V8AE6-MS 载货汽车 CN ZC G3 Z2 00390093-02有限公司BJ1043V8AE6-MS 载货汽车CN ZC G3 Z2 00390093-03BJ1043V8JEA-S2载货汽车 CN ZC G3 Z2 00390383-00BJ1043V8JEA-S2载货汽车 CN ZC G3 Z2 00390383-01BJ1043V8PEA-S2载货汽车 CN ZC G3 Z2 00390384-00BJ1043V8PEA-S2载货汽车 CN ZC G3 Z2 00390384-01BJ1043V9JE6-MS 载货汽车 CN ZC G3 Z2 00390092-01BJ1043V9JE6-MS 载货汽车 CN ZC G3 Z2 00390092-02BJ1043V9JE6-MS 载货汽车 CN ZC G3 Z2 00390092-03BJ1043V9PE6-MS 载货汽车 CN ZC G3 Z2 00390097-01BJ1043V9PE6-MS 载货汽车 CN ZC G3 Z2 00390097-02BJ1043V9PE6-MS 载货汽车 CN ZC G3 Z2 00390097-03BJ1063VCJFA-1载货汽车 CN ZC G3 Z2 00390145-01BJ1063VCJFA-1载货汽车 CN ZC G3 Z2 00390145-02BJ1063VCPFA-1载货汽车 CN ZC G3 Z2 00390146-01BJ1063VCPFA-1载货汽车 CN ZC G3 Z2 00390146-02BJ1081VDJEA-S 载货汽车 CN ZC G3 Z2 00390406-00BJ1081VDJEA-S 载货汽车 CN ZC G3 Z2 00390406-01BJ1081VDPEA-S 载货汽车 CN ZC G3 Z2 00390407-00BJ1081VDPEA-S 载货汽车 CN ZC G3 Z2 00390407-01BJ1083VDJFA 载货汽车 CN ZC G3 Z2 00390197-01BJ1083VDJFA 载货汽车 CN ZC G3 Z2 00390197-02BJ1113VEJEG-S 载货汽车 CN ZC G3 Z2 00390386-00BJ1113VEPEG-S 载货汽车 CN ZC G3 Z2 00390387-00BJ1120VHPFG-S 载货汽车 CN ZC G3 Z2 00390188-01BJ1120VHPFG-S 载货汽车 CN ZC G3 Z2 00390188-02BJ1167VJPHH-S 载货汽车 CN ZC G3 Z2 00390408-0021北汽福田汽车股份有限公司BJ1167VJPHH-S 载货汽车CN ZC G3 Z2 00390408-01— 20 —序号 企业名称 车辆型号名称型式核准号 BJ3063DCPEA-S7自卸汽车 CN ZC G3 Z2 00390379-00BJ3063DCPFA-S2自卸汽车CN ZC G3 Z2 00390380-00BJ3071V4KDB-A1自卸汽车 CN ZC G3 Z2 00390418-00BJ3081V4KDB-A1自卸汽车 CN ZC G3 Z2 00390419-00BJ3081V4KDB-A1自卸汽车 CN ZC G3 Z2 00390419-01BJ3081V4KDB-A1自卸汽车 CN ZC G3 Z2 00390419-02BJ3096DDPFD-S 自卸汽车 CN ZC G3 Z2 00390381-00BJ3102V4PDB-A2自卸汽车 CN ZC G3 Z2 00390420-00BJ3102V4PDB-A3自卸汽车 CN ZC G3 Z2 00390421-00BJ3126DHPFG-S1自卸汽车 CN ZC G3 Z2 00390382-00BJ3318DMPJF-S 自卸汽车 CN ZC G3 Z2 00390378-00BJ4253SMFKB-S 半挂牵引汽车 CN ZC G3 Z2 00390396-00BJ4253SMFKB-S 半挂牵引汽车 CN ZC G3 Z2 00390396-01BJ4253SMFKB-S2半挂牵引汽车 CN ZC G3 Z2 00390397-00BJ4253SMFKB-S2半挂牵引汽车 CN ZC G3 Z2 00390397-01BJ5041V8BEA-S 厢式运输车 CN ZC G3 Z2 00390362-01BJ5041V8CEA-S 厢式运输车 CN ZC G3 Z2 00390361-01BJ5043V7BE6-MS 厢式运输车 CN ZC G3 Z2 00390094-01BJ5043V7BE6-MS 厢式运输车 CN ZC G3 Z2 00390094-02BJ5043V7BE6-MS 厢式运输车 CN ZC G3 Z2 00390094-03BJ5043V7CE6-MS 厢式运输车 CN ZC G3 Z2 00390095-01BJ5043V7CE6-MS 厢式运输车 CN ZC G3 Z2 00390095-02BJ5043V7CE6-MS 厢式运输车 CN ZC G3 Z2 00390095-03BJ5043V7DE6-MS 厢式运输车 CN ZC G3 Z2 00390096-01BJ5043V7DE6-MS 厢式运输车 CN ZC G3 Z2 00390096-02BJ5043V7DE6-MS 厢式运输车 CN ZC G3 Z2 00390096-03BJ5043V8BE6-S 邮政车 CN ZC G3 Z2 00390385-0021北汽福田汽车股份有限公司BJ5043V8BE6-S 邮政车CN ZC G3 Z2 00390385-01— 21 —序号 企业名称 车辆型号名称型式核准号 BJ5043V8BE6-S 邮政车 CN ZC G3 Z2 00390385-02BJ5043V8BE6-S 邮政车CN ZC G3 Z2 00390385-03BJ5043V8BEA-S6仓栅式运输车 CN ZC G3 Z2 00390390-00BJ5043V8BEA-S6仓栅式运输车 CN ZC G3 Z2 00390390-01BJ5043V8BEA-S7厢式运输车 CN ZC G3 Z2 00390392-00BJ5043V8BEA-S7厢式运输车 CN ZC G3 Z2 00390392-01BJ5043V8CEA-S7仓栅式运输车 CN ZC G3 Z2 00390391-00BJ5043V8CEA-S7仓栅式运输车 CN ZC G3 Z2 00390391-01BJ5043V8CEA-S8厢式运输车 CN ZC G3 Z2 00390393-00BJ5043V8CEA-S8厢式运输车 CN ZC G3 Z2 00390393-01BJ5063VBBFA-1厢式运输车 CN ZC G3 Z2 00390147-01BJ5063VBBFA-1厢式运输车 CN ZC G3 Z2 00390147-02BJ5063VBBFG-S 厢式运输车 CN ZC G3 Z2 00390394-00BJ5063VBCFA-1厢式运输车 CN ZC G3 Z2 00390148-01BJ5063VBCFA-1厢式运输车 CN ZC G3 Z2 00390148-02BJ5081VBBEA-S 厢式运输车 CN ZC G3 Z2 00390411-00BJ5081VBBEA-S 厢式运输车 CN ZC G3 Z2 00390411-01BJ5081VBCEA-S 厢式运输车 CN ZC G3 Z2 00390410-00BJ5081VBCEA-S 厢式运输车 CN ZC G3 Z2 00390410-01BJ5081VDBEA-S 仓栅式运输车 CN ZC G3 Z2 00390417-00BJ5081VDBEA-S 仓栅式运输车 CN ZC G3 Z2 00390417-01BJ5081VDCEA-S 仓栅式运输车 CN ZC G3 Z2 00390416-00BJ5081VDCEA-S 仓栅式运输车 CN ZC G3 Z2 00390416-01BJ5083VCBFA 厢式运输车 CN ZC G3 Z2 00390209-01BJ5083VCBFA 厢式运输车 CN ZC G3 Z2 00390209-02BJ5113VEBEG-S 厢式运输车 CN ZC G3 Z2 00390389-00BJ5113VECEG-S 厢式运输车 CN ZC G3 Z2 00390388-0021北汽福田汽车股份有限公司BJ5120VHCFG-S 厢式运输车CN ZC G3 Z2 00390189-01— 22 —序号 企业名称 车辆型号名称型式核准号 BJ5120VHCFG-S 厢式运输车 CN ZC G3 Z2 00390189-02BJ5120VHCFG-S1仓栅式运输车CN ZC G3 Z2 00390190-01BJ5120VHCFG-S1仓栅式运输车 CN ZC G3 Z2 00390190-02BJ5163GYY-S 运油车 CN ZC G3 Z2 00390404-00BJ5163VKCFG-S 厢式运输车 CN ZC G3 Z2 00390399-00BJ5163VKCFG-S1仓栅式运输车 CN ZC G3 Z2 00390415-00BJ5167VJCHH-S 厢式运输车 CN ZC G3 Z2 00390409-00BJ5167VJCHH-S 厢式运输车 CN ZC G3 Z2 00390409-01BJ5167VJCHH-S1仓栅式运输车 CN ZC G3 Z2 00390414-00BJ5167VJCHH-S1仓栅式运输车 CN ZC G3 Z2 00390414-01BJ5203VKCJP-S 厢式运输车 CN ZC G3 Z2 00390400-00BJ5243VKCJJ-S 厢式运输车 CN ZC G3 Z2 00390401-00BJ5243VKCJJ-S 厢式运输车 CN ZC G3 Z2 00390401-01BJ5249VKCJF-S 厢式运输车 CN ZC G3 Z2 00390402-00BJ5249VKCJJ-S 厢式运输车 CN ZC G3 Z2 00390403-00BJ5249VLCJF-S 仓栅式运输汽车 CN ZC G3 Z2 00390413-00BJ5249VLCJJ-S 仓栅式运输汽车 CN ZC G3 Z2 00390412-00BJ5254GJB-S 混凝土搅拌运输车 CN ZC G3 Z2 00390123-01BJ5317GNFJF-S1运油车 CN ZC G3 Z2 00390405-00BJ5317GNFJF-S1运油车 CN ZC G3 Z2 00390405-01BJ6102U8LHB 客车 CN ZC G3 Z2 00390039-02BJ6102U8LHB 客车 CN ZC G3 Z2 00390039-03BJ6102U8LHB 客车 CN ZC G3 Z2 00390039-04BJ6102U8LHB 客车 CN ZC G3 Z2 00390039-05BJ6102U8LHB 客车 CN ZC G3 Z2 00390039-06BJ6102U8LHB 客车 CN ZC G3 Z2 00390039-07BJ6102U8LHB-1客车 CN ZC G3 Z2 00390040-0221北汽福田汽车股份有限公司BJ6102U8LHB-1客车CN ZC G3 Z2 00390040-03— 23 —序号 企业名称 车辆型号名称型式核准号 BJ6102U8LHB-1客车 CN ZC G3 Z2 00390040-04BJ6102U8LHB-1客车 CN ZC G3 Z2 00390040-05BJ6102U8LHB-1客车 CN ZC G3 Z2 00390040-06BJ6102U8LHB-1客车 CN ZC G3 Z2 00390040-07BJ6110U7MJB 客车 CN ZC G3 Z2 00390398-00BJ6110U7MJB 客车 CN ZC G3 Z2 00390398-01BJ6110U7MJB 客车 CN ZC G3 Z2 00390398-02BJ6110U7MJB 客车 CN ZC G3 Z2 00390398-03BJ6110U7MJB 客车 CN ZC G3 Z2 00390398-04BJ6110U7MJB 客车 CN ZC G3 Z2 00390398-05BJ6110U7MJB 客车 CN ZC G3 Z2 00390398-06BJ6112C6MHB 城市客车 CN ZC G3 Z2 00390013-04BJ6112C6MHB 城市客车CN ZC G3 Z2 00390013-05BJ6120U8MHB-1客车 CN ZC G3 Z2 00390036-03BJ6120U8MHB-1客车 CN ZC G3 Z2 00390036-04BJ6120U8MJB-2客车 CN ZC G3 Z2 00390035-04BJ6120U8MJB-2客车 CN ZC G3 Z2 00390035-05BJ6121C7BGD 城市客车 CN ZC G3 Z2 00390038-03BJ6121C7BGD 城市客车 CN ZC G3 Z2 00390038-04BJ6126U8MJB 客车 CN ZC G3 Z2 00390129-05BJ6126U8MJB 客车 CN ZC G3 Z2 00390129-06BJ6126U8MJB-1客车 CN ZC G3 Z2 00390130-05BJ6126U8MJB-1客车 CN ZC G3 Z2 00390130-06BJ6830U6LFB 客车 CN ZC G3 Z2 00390048-03BJ6830U6LFB-1客车 CN ZC G3 Z2 00390041-0221北汽福田汽车股份有限公司BJ6930C5MEB 城市客车CN ZC G3 Z2 00390043-0522查特中汽深冷特种CTZ5240GDY 低温液体运输车CN ZC G3 Z2 09760001-00— 24 —序号 企业名称 车辆型号名称型式核准号 CTZ5241GDY 低温液体运输车 CN ZC G3 Z2 09760003-00车(常州)有限公司CTZ5252GDY 低温液体运输车 CN ZC G3 Z2 09760002-00CSZ5150ZLJ3自卸式垃圾车CN ZC G3 Z2 00990035-00CSZ5150ZLJ3自卸式垃圾车 CN ZC G3 Z2 00990035-01CSZ5210XXY 厢式运输车 CN ZC G3 Z2 00990034-0023常熟华东汽车有限公司CSZ5230XDS 电视车 CN ZC G3 Z2 00990033-00YTA1061R1C1载货汽车CN ZC G3 Z2 09540005-00YTA1081R1C1载货汽车 CN ZC G3 Z2 09540004-0024常州英田汽车有限公司YTA1122R1C1载货汽车 CN ZC G3 Z2 09540006-00HZC5122JSQK 随车起重运输车CN ZC G3 Z2 01520001-01HZC5122JSQK 随车起重运输车 CN ZC G3 Z2 01520001-0225大汉汽车制造有限公司HZC5122JSQK 随车起重运输车 CN ZC G3 Z2 01520001-03DD6129K64客车 CN ZC G3 Z2 01470127-00DD6600K01F 小学生校车CN ZC G3 Z2 01470129-00DD6600K01F 小学生校车 CN ZC G3 Z2 01470129-01DD6751K02F 客车 CN ZC G3 Z2 01470128-0026丹东黄海汽车有限责任公司DD6751K02F 客车CN ZC G3 Z2 01470128-01I6501LB 德特乐福斯(Dethleffs)房车CN ZC G3 Z2 09080004-0027德特乐福斯 (Dethleffs) 有限公司T5841德特乐福斯(Dethleffs)房车CN ZC G3 Z2 09080005-00DHZ6101RC6城市客车CN ZC G3 Z2 01910011-01DHZ6120RC6城市客车 CN ZC G3 Z2 01910006-0528东风杭州汽车有限公司DHZ6840HR6客车CN ZC G3 Z2 01910016-01LZ1080LAL 载货汽车 CN ZC G3 Z2 00610087-01LZ1100LAL 载货汽车 CN ZC G3 Z2 00610122-00LZ1100LAL 载货汽车 CN ZC G3 Z2 00610122-01LZ1120LAP 载货汽车 CN ZC G3 Z2 00610094-0129 东风柳州汽车有限公司LZ1121LAP 载货汽车CN ZC G3 Z2 00610095-01— 25 —序号 企业名称 车辆型号名称型式核准号 LZ1160LAP 载货汽车 CN ZC G3 Z2 00610123-00LZ1160LAP 载货汽车CN ZC G3 Z2 00610123-01LZ1160LCM 载货汽车 CN ZC G3 Z2 00610158-00LZ1160LCM 载货汽车 CN ZC G3 Z2 00610158-01LZ1161LAP 载货汽车 CN ZC G3 Z2 00610139-00LZ1161LAP 载货汽车 CN ZC G3 Z2 00610139-01LZ1200PCS 载货汽车 CN ZC G3 Z2 00610159-00LZ1200PCS 载货汽车 CN ZC G3 Z2 00610159-01LZ1200PCS 载货汽车 CN ZC G3 Z2 00610159-02LZ1244PEL 载货汽车 CN ZC G3 Z2 00610117-02LZ3070GAL 自卸汽车 CN ZC G3 Z2 00610140-00LZ3070GAL 自卸汽车 CN ZC G3 Z2 00610140-01LZ3070GAM 自卸汽车 CN ZC G3 Z2 00610141-00LZ3071LAH 自卸汽车 CN ZC G3 Z2 00610160-00LZ3071LAK 自卸汽车 CN ZC G3 Z2 00610161-00LZ3072LAL 自卸汽车 CN ZC G3 Z2 00610142-00LZ3072LAL 自卸汽车 CN ZC G3 Z2 00610142-01LZ3120LAK 自卸汽车 CN ZC G3 Z2 00610143-00LZ3160GAM 自卸汽车 CN ZC G3 Z2 00610144-00LZ3160LAH 自卸汽车 CN ZC G3 Z2 00610145-00LZ3160LAK 自卸汽车 CN ZC G3 Z2 00610146-00LZ3162LCB 自卸汽车 CN ZC G3 Z2 00610162-00LZ3200PDJ 自卸汽车 CN ZC G3 Z2 00610147-00LZ3200PDJ 自卸汽车 CN ZC G3 Z2 00610147-01LZ3200PDJ 自卸汽车 CN ZC G3 Z2 00610147-02LZ3200PDJ 自卸汽车 CN ZC G3 Z2 00610147-03LZ3200PDL 自卸汽车 CN ZC G3 Z2 00610148-0029东风柳州汽车有限公司LZ3200PDL 自卸汽车CN ZC G3 Z2 00610148-01— 26 —序号 企业名称 车辆型号名称型式核准号 LZ3200PDL 自卸汽车 CN ZC G3 Z2 00610148-02LZ3200PDL 自卸汽车CN ZC G3 Z2 00610148-03LZ3242QEH 自卸汽车 CN ZC G3 Z2 00610149-00LZ3242QEH 自卸汽车 CN ZC G3 Z2 00610149-01LZ3242QEH 自卸汽车 CN ZC G3 Z2 00610149-02LZ3242QEH 自卸汽车 CN ZC G3 Z2 00610149-03LZ3242QEK 自卸汽车 CN ZC G3 Z2 00610150-00LZ3242QEK 自卸汽车 CN ZC G3 Z2 00610150-01LZ3242QEK 自卸汽车 CN ZC G3 Z2 00610150-02LZ3252PDJ 自卸汽车 CN ZC G3 Z2 00610163-00LZ3252PDJ 自卸汽车 CN ZC G3 Z2 00610163-01LZ3252PDJ 自卸汽车 CN ZC G3 Z2 00610163-02LZ3252PDL 自卸汽车 CN ZC G3 Z2 00610165-00LZ3252PDL 自卸汽车 CN ZC G3 Z2 00610165-01LZ3252PDL 自卸汽车 CN ZC G3 Z2 00610165-02LZ3300PEF 自卸汽车 CN ZC G3 Z2 00610097-01LZ3300PEF 自卸汽车 CN ZC G3 Z2 00610097-02LZ3300PEF 自卸汽车 CN ZC G3 Z2 00610097-03LZ3300PEF 自卸汽车 CN ZC G3 Z2 00610097-04LZ3301QEH 自卸汽车 CN ZC G3 Z2 00610124-00LZ3301QEH 自卸汽车 CN ZC G3 Z2 00610124-01LZ3301QEH 自卸汽车 CN ZC G3 Z2 00610124-02LZ3301QEH 自卸汽车 CN ZC G3 Z2 00610124-03LZ3301QEK 自卸汽车 CN ZC G3 Z2 00610137-00LZ3301QEK 自卸汽车 CN ZC G3 Z2 00610137-01LZ4150LAD 牵引汽车 CN ZC G3 Z2 00610132-00LZ4150LAD 牵引汽车 CN ZC G3 Z2 00610132-0129东风柳州汽车有限公司LZ4151JAK 牵引汽车CN ZC G3 Z2 00610131-00。
附件1
达到国家机动车排放标准第三阶段型式核准
排放限值的新机动车型和发动机型(第83批)
序号 企业名称 发动机型号 型式核准号
一、摩托车
1 东莞市大裕摩托车有限公司 YH125-3B两轮摩托车 CN MT G3 Z
2 04750007-01
2 广州番禺豪剑摩托车工业有限
公司
BT125-2A两轮摩托车 CN MT G3 Z2 05620020-01
BT125-4B两轮摩托车 CN MT G3 Z2 05620019-01
BT125-5B两轮摩托车 CN MT G3 Z2 05620001-01
BT125-A两轮摩托车 CN MT G3 Z2 05620002-01
HJ110-A两轮摩托车 CN MT G3 Z2 05620018-01
HJ125-2A两轮摩托车 CN MT G3 Z2 05620016-01
HJ125-4B两轮摩托车 CN MT G3 Z2 05620039-01
HJ125-5B两轮摩托车 CN MT G3 Z2 05620017-01
HJ125-A两轮摩托车 CN MT G3 Z2 05620003-01
HJ125T-8A两轮摩托车 CN MT G3 Z2 05620006-01
HJ125T-A两轮摩托车 CN MT G3 Z2 05620005-01
HJ150-5A两轮摩托车 CN MT G3 Z2 05620038-01
HJ150-A两轮摩托车 CN MT G3 Z2 05620004-01
KA110-A两轮摩托车 CN MT G3 Z2 05620008-01
KA125-2A两轮摩托车 CN MT G3 Z2 05620033-01
KA125-4B两轮摩托车 CN MT G3 Z2 05620023-01
—3—
序号 企业名称 发动机型号 型式核准号
KA125-5B两轮摩托车 CN MT G3 Z2 05620034-01
2 广州番禺豪剑摩托车工业有限
公司
KA125-A两轮摩托车 CN MT G3 Z2 05620030-01
KA125T-8A两轮摩托车 CN MT G3 Z2 05620021-01
KA125T-A两轮摩托车 CN MT G3 Z2 05620007-01
KA150-5A两轮摩托车 CN MT G3 Z2 05620040-01
KA150-A两轮摩托车 CN MT G3 Z2 05620009-01
RA110-A两轮摩托车 CN MT G3 Z2 05620010-01
RA125-2A两轮摩托车 CN MT G3 Z2 05620022-01
RA125-4B两轮摩托车 CN MT G3 Z2 05620035-01
RA125-5B两轮摩托车 CN MT G3 Z2 05620036-01
RA125-A两轮摩托车 CN MT G3 Z2 05620031-01
RA125T-8A两轮摩托车 CN MT G3 Z2 05620024-01
RA125T-A两轮摩托车 CN MT G3 Z2 05620026-01
RA150-5A两轮摩托车 CN MT G3 Z2 05620025-01
RA150-A两轮摩托车 CN MT G3 Z2 05620041-01
SK110-A两轮摩托车 CN MT G3 Z2 05620011-01
SK125-2A两轮摩托车 CN MT G3 Z2 05620013-01
SK125-4B两轮摩托车 CN MT G3 Z2 05620037-01
SK125-5B两轮摩托车 CN MT G3 Z2 05620015-01
SK125-A两轮摩托车 CN MT G3 Z2 05620012-01
SK125T-8A两轮摩托车 CN MT G3 Z2 05620028-01
SK125T-A两轮摩托车 CN MT G3 Z2 05620027-01
SK150-A两轮摩托车 CN MT G3 Z2 05620029-02
3 广州豪进摩托车股份有限公司
HJ125-4G两轮摩托车 CN MT G3 Z2 04460026-01
HJ150-19两轮摩托车 CN MT G3 Z2 04460070-00
—4—
序号 企业名称 发动机型号 型式核准号
LK150-19A两轮摩托车 CN MT G3 Z2 04460071-00 4 广州三雅摩托车有限公司 SY150-9两轮摩托车 CN MT G3 Z2 02510016-00
5 广州市番禺华南摩托企业集团
有限公司
FY125-18A两轮摩托车 CN MT G3 Z2 04730028-00
6 广州市丰豪摩托车实业有限公司.FH125两轮摩托车 CN MT G3 Z2 06730009-00 .FH125-2两轮摩托车 CN MT G3 Z2 06730010-00 .FH125-3两轮摩托车 CN MT G3 Z2 06730011-00 .FH125T两轮摩托车 CN MT G3 Z2 06730012-00 FH100T两轮摩托车 CN MT G3 Z2 06730008-00 FH125-2A两轮摩托车 CN MT G3 Z2 06730005-00 FH125-3A两轮摩托车 CN MT G3 Z2 06730006-00 FH150-5两轮摩托车 CN MT G3 Z2 06730003-00 FH150-6两轮摩托车 CN MT G3 Z2 06730004-00 FH150-T两轮摩托车 CN MT G3 Z2 06730007-00
7 河北珠峰大江三轮摩托车有限
公司
DJ110ZH-8正三轮摩托车CN MT G3 Z2 0B830017-00
DJ110ZH-9正三轮摩托车CN MT G3 Z2 0B830015-00
DJ125ZK-6正三轮摩托车CN MT G3 Z2 0B830018-00
SF110ZH正三轮摩托车 CN MT G3 Z2 0B830014-00
SF150ZH正三轮摩托车 CN MT G3 Z2 0B830016-00
8 济南轻骑铃木摩托车有限公司
QS125-3H两轮摩托车 CN MT G3 Z2 01280008-00
QS125-5F两轮摩托车 CN MT G3 Z2 01280017-01 9 江门轻骑华南摩托车有限公司
QM100T-12B两轮摩托车CN MT G3 Z2 08110021-00
QM125-3C两轮摩托车 CN MT G3 Z2 08110017-00
10 江门市大长江集团有限公司 HJ125-11两轮摩托车 CN MT G3 Z2 08450073-00 HJ125-11A两轮摩托车 CN MT G3 Z2 08450074-00 HJ150-11两轮摩托车 CN MT G3 Z2 08450075-00
—5—
序号 企业名称 发动机型号 型式核准号
HJ150-11A两轮摩托车 CN MT G3 Z2 08450076-00
11 金城集团有限公司 JC150-6CV两轮摩托车 CN MT G3 Z2 07800027-01
12 洛阳北方企业集团有限公司 BX110ZH正三轮摩托车 CN MT G3 Z2 08510017-00
13 上海本菱摩托车制造有限公司
SHL125-11A两轮摩托车CN MT G3 Z2 04850033-00
SHL125-3A两轮摩托车 CN MT G3 Z2 04850034-00 14 五羊-本田摩托(广州)有限公司
WY125-N两轮摩托车 CN MT G3 Z2 06450003-03
WY125-R两轮摩托车 CN MT G3 Z2 06450014-02 15 浙江日雅摩托车有限公司 RY100T-30两轮摩托车 CN MT G3 Z2 04650014-00
16 重庆建设·雅马哈摩托车有限公司JYM110-2两轮摩托车 CN MT G3 Z2 03760012-01 JYM125-3B两轮摩托车 CN MT G3 Z2 03760002-05 JYM125-3C两轮摩托车 CN MT G3 Z2 03760004-05 JYM125-3D两轮摩托车 CN MT G3 Z2 03760005-05 JYM125-3E两轮摩托车 CN MT G3 Z2 03760009-04 JYM125-7A两轮摩托车 CN MT G3 Z2 03760011-04
17 重庆建设摩托车股份有限公司 JS125-6H两轮摩托车 CN MT G3 Z2 04390047-00
18 重庆望江摩托车制造有限公司 GN250-C两轮摩托车 CN MT G3 Z2 04360045-00 WJ100T-2A两轮摩托车 CN MT G3 Z2 04360046-00 WJ150GY-19两轮摩托车CN MT G3 Z2 04360047-00 WJ150R两轮摩托车 CN MT G3 Z2 04360048-00 WL100T-2A两轮摩托车 CN MT G3 Z2 04360049-00
二、轻便摩托车
1 台州市凯通摩托车制造有限公司YB48QT-3C两轮轻便摩
托车
CN QM G3 Z2 06860024-00
2 浙江凯凯美多机车有限公司
WB48QT两轮轻便摩托车CN QM G3 Z2 08020015-00
WB48QT-2两轮轻便摩托车CN QM G3 Z2 08020016-00
3 株洲南方摩托车有限公司 NF48Q-2A两轮轻便摩托车CN QM G3 Z2 07810009-00
—6—
序号 企业名称 发动机型号 型式核准号
NF48QT两轮轻便摩托车CN QM G3 Z2 07810010-00
—7—。