南京工业大学期末考试高等数学A 试卷A
- 格式:pdf
- 大小:262.42 KB
- 文档页数:4
南京邮电大学2009 /2010 学年第 二 学期《 高等数学A 》(下) 期末试卷(A )院(系) 班级 学号 姓名一、选择题(每小题3分,共15分)1、设21:x y L -=,则⎰+Lds y x )(22= ( )(A ) π2. (B ) π. (C )2π(D ) π4 2、∑为锥面 22y x z +=介于1,0==z z 之间的部分,则=⎰⎰∑zdS ( ) (A )⎰⎰1320ρρθπd d (B ) ⎰⎰1220ρρθπd d(C ) ⎰⎰102202ρρθπd d (D ) ⎰⎰13202ρρθπd d3、已知2-=x 是∑∞=1n n n x a 的收敛点,则当21=x 时,级数 ( ) (A ) 发散 (B ) 绝对收敛 (C ) 条件收敛 (D ) 无法断定4、微分方程x y y 2cos 4=+''的特解形式可设为 ( ) (A ) x a 2cos (B ) x ax 2cos (C ) )2sin 2cos (x b x a x + (D )x b x a 2sin 2cos +5、若9:22=+y x L 为逆时针方向,则⎰-+-Ldy x x dx y xy )4()22(2= ( )(A ) π9 (B )π18 (C )π18- (D )π9-装 订 线 内 不 要 答 题自觉遵 守 考 试 规 则,诚 信 考 试,绝 不作 弊二、填空题(每小题4分,共20分) 1、∑是球面,2222R z y x =++则.2=⎰⎰∑dS y2、∑∞=-11n n nx 的收敛域为_______,和函数=)(x s _____________.3、以x xe y -=为特解的二阶常系数线性齐次方程为__________________.4、设∑∞==≤≤=12,sin )(,10,)(n n x n b x s x x x f π其中⎰=12,sin 2xdx n x b n π,...3,2,1=n ,则.)21(=-s5、=+)1(i Ln ___________________,0=z 是函数521ze z-的____级极点. 三、讨论下列级数的敛散性。
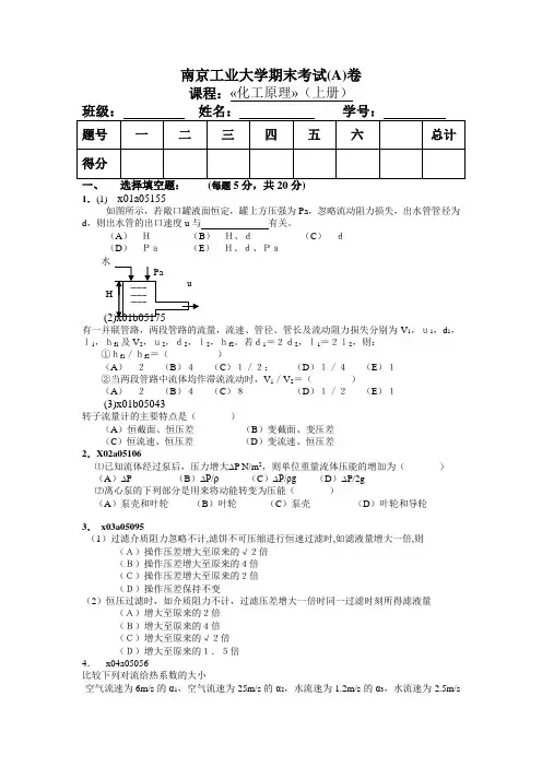
南京工业大学期末考试(A)卷课程:«化工原理»(上册)每题1.(1) x01a05155如图所示,若敞口罐液面恒定,罐上方压强为Pa,忽略流动阻力损失,出水管管径为d,则出水管的出口速度u与有关。
(A)H(B)H、d(C)d(D)Pa(E)H、d、Pa水有一并联管路,两段管路的流量,流速、管径、管长及流动阻力损失分别为V1,u1,d1,l1,hf1及V2,u2,d2,l2,hf2。
若d1=2d2,l1=2l2,则:①hf1/hf2=()(A)2(B)4(C)1/2;(D)1/4(E)1②当两段管路中流体均作滞流流动时,V1/V2=()(A)2(B)4(C)8(D)1/2(E)1(3)x01b05043转子流量计的主要特点是()(A)恒截面、恒压差(B)变截面、变压差(C)恒流速、恒压差(D)变流速、恒压差2.X02a05106⑴已知流体经过泵后,压力增大∆P N/m2,则单位重量流体压能的增加为()(A)∆P (B)∆P/ρ (C)∆P/ρg (D)∆P/2g⑵离心泵的下列部分是用来将动能转变为压能()(A)泵壳和叶轮(B)叶轮(C)泵壳(D)叶轮和导轮3.x03a05095(1)过滤介质阻力忽略不计,滤饼不可压缩进行恒速过滤时,如滤液量增大一倍,则___ (A)操作压差增大至原来的√2倍(B)操作压差增大至原来的4倍(C)操作压差增大至原来的2倍(D)操作压差保持不变(2)恒压过滤时,如介质阻力不计,过滤压差增大一倍时同一过滤时刻所得滤液量___ (A)增大至原来的2倍(B)增大至原来的4倍(C)增大至原来的√2倍(D)增大至原来的1.5倍4.x04a05056比较下列对流给热系数的大小空气流速为6m/s的α1,空气流速为25m/s的α2,水流速为1.2m/s的α3,水流速为2.5m/s的α4,蒸汽膜状冷凝的α5,自大到小的顺序为:> > > >二、填空题:(每题5分,共20分)1.t01b05027①1atm=__________kN/m2。
学院 专业 班级 学 姓名封线内不要答题 密封线内不要答题江 苏 科 技 大 学 07 - 08 学年(2)学期高等数学A2课程试题(A )卷一. 填空题(每小题4分,共20分)1.设),,(22xy e y x f z -=其中f 具有一阶连续偏导数,则____________________=∂∂xz2._____________________222=++⎰ds z y x L,其中3,sin ,cos :===z t y t x L)0(π≤≤t3.微分方程065=-'+''y y y 的通解_____________________=4.幂级数nn n xn n 11)1(21+--∑∞=-的收敛域为___________________________5.⎰=++-Lxxdy x e dx y ye_______________________________)()(33,其中L 是顺时针方向的圆周122=+y x二、单项选择题(每小题4分,共20分)1.曲面3=+-xy z e z 在点)0,1,2(P 处的法线方程是( ))(A 001122-=-=-z y x )(B 101122--=-=-z y x )(C02112-=-=-z y x )(D102112--=-=-z y x2.),(y x f x ',),(y x f y '在),(00y x 处存在是),(y x f 在该点的方向导数存在的( ))(A 充分条件)(B 必要条件 )(C 充要条件 )(D 无关条件3.设{}0,1),(22≥≤+=x y x y x D ,),(y x f 为D 上的连续函数,则dxdyy x f D)(22⎰⎰+为( ))(A rdr r f )(12⎰π⎰1)()(r d r r f B π ⎰1)(2)(r d r r f C π⎰12)(2)(r d r r f D π4.级数)cos1()1(1na n n --∑∞=(常数0>a )( ))(A 发散 )(B 条件收敛 )(C 绝对收敛 )(D 收敛性与a 的取值有关5.方程x e y y y x 2sin 52=+'-''的一个特解应具有的形式( )x Ae A x 2cos )()2s i n 2c o s ()(x B x A xe B x +)2sin 2cos ()(x B x A e C x+)2s i n 2c o s ()(2x B x A e x D x +三.解下列各题(3⨯6分=18分)1.计算dxdy x y x D)(22-+⎰⎰ 其中D 是由直线x y y ==,2及x y 2=所围成的闭区域2.判别级数nn n 5sin31π∑∞=的敛散性3.求微分方程sin =-+xx x y dxdy 满足初始条件1==πx y的特解四 .解下列各题(3⨯7分=21分) 1.设)11(11x y f x z -+=求证:222z yz yxz x =∂∂+∂∂2.计算dSy x z )342(⎰⎰∑++,其中∑为平面1432=++z y x 在第一卦限中的部分3.将积分dzz dy dx y x yx x⎰⎰⎰--+-2222222110化为球面坐标系下的积分并求其值五(本题共8分)计算⎰⎰∑++zdxdy ydzdx xdydz ,其中∑为半球面222yx R z --=的上侧六.(本题共7分) 将651)(2++=x x x f 展开成1+x 的幂级数七.(本题6分)设)(x f 与)(x g 在()+∞∞-,内可导,0)(≠x g ,且有)()(x g x f =', )()(x f x g =',)()(22x g x f ≠,试证明方程0)()(=x g x f 有且仅有一个实根07-08高等数学A2课程试题(A )卷参考答案及评分标准一.填空题(每小题4分,共20分) 1.122xy xf yf e ''+ 2.2π3.612x x y c e c e -=+ 4.(1,1)- 5.32π-二.单项选择题(每小题4分,共20分) 1(C ) 2(D ) 3(A ) 4(C ) 5(B )三.解下列各题(每小题6分,共18分) 1. 22()Dx y x dxdy +-⎰⎰解:222102()yydy x y x dx =+-⎰⎰3分=1366分2.解:1113sin5limlim3sin5n n n n n nnnu u ππ+++→∞→∞=2分=315< 5分因此原级数收敛 6分 3.解:1sin (),()x P x Q X xx==1分()()()P xdx Px dx y e Q x e dx c -⎡⎤⎰⎰=+⎢⎥⎣⎦⎰ 2分=11sin dx x x dx e dx c x x e⎰⎡⎤⎢⎥-+⎢⎥⎣⎦⎰⎰3分=1(cos )x c x-+ 4分 当,1x y ππ==时,c=-1 5分1(cos 1)y x xπ∴=-+-特解为6分三.解下列各题(每小题7分,共21分) 1.证明:令1111(,,)()F x y z f zx yx=--1分则221111()x F f xy x x ''=--2分22111111()()()y F f f yxyyx y'''=---=-3分21z F z'=-4分22111()x z F zz f x F x y x '⎡⎤∂'∴=-=--⎢⎥'∂⎣⎦ 5分2211()z z f yyyx∂'=-∂ 6分因此222z z x yz x y∂∂+=∂∂ 7分2..解:4423z x y =--42,3z z xy∂∂=-=-∂∂2分原式=44(42)233Dx y x y ⎡--++⎢⎣⎰⎰ 5分 (其中D 是0,0,123x y x y ==+=直线围攻成的区域)=43Ddxdy ⎰⎰= 7分3.解:001z y x ≤≤⎪Ω≤≤⎨⎪≤≤⎪⎩在球面坐标系下变为在球面坐标系下变为: 00402r πϕπθ⎧⎪≤≤⎪⎪≤≤⎨⎪⎪≤≤⎪⎩ 4分原式=42240cos sin d d drππθϕϕϕ⎰⎰157分五.(本题8分)解:,,P x Q y R z ===1,1,1P Q R xyZ∂∂∂===∂∂∂ 1分x d y d zy d z d xz d x d yx d y d zy d z'∑∑+++++⎰⎰⎰⎰ =3dxdydz Ω⎰⎰⎰(其中'∑为平面0z =的下侧,Ω为'∑∑与围成的封闭区域) 4分=314323R π⨯⨯=32R π 5分又xdydz ydzdx zdxdy '∑++⎰⎰=0 7分则xdydz ydzdx zdxdy ∑++⎰⎰=32R π 8分六. (本题7分)21()56f x x x =++111(2)(323x x x x ==-++++=1111(1)2(1)2x x -++++2分而1(1)(1)201(1nnn x x x ∞==-+-<<++∑4分11(1)(1)311222(1)2nnnn x x x ∞=+=--<<++∑6分因此2111()(1)(1)(1)562nnn n f x x x x ∞+===--+++∑20x -<< 7分七.证明:()()()()f x g x g x f x ''==()()f x f x ''∴= 1212()()x xx x f x c e c e g xc ec e--=+=-2分04)()(2122≠=-c c x g x f 则21c c 与都不为零 又210)(c c x g 与∴≠是异号的常数不妨设0021<>c c 和 则-∞=+∞=+∞→+∞→)(lim )(lim x f x f x x()+∞∞-∴,)(在x f 内至少有一个实根 4分又)()(x g x f ='>0 )(x f ∴单调增加 0)(=∴x f 有且仅有一个实根 0)(≠x g 0)()(=∴x g x f 有且仅有一个实根0021><c c 和的情况同理可证. 6分。
南京邮电大学2010/2011学年第二学期《高等数学A 》(下)期末试卷A 答案及评分标准 一、选择题(本大题分5小题,每题3分,共15分)1、交换二次积分⎰⎰x e dy y x f dx ln 01),(的积分次序为(c )(A ) ⎰⎰x e dx y x f dy ln 01),( (B )⎰⎰1),(dx y x f dy e e y(C )⎰⎰eeydx y x f dy ),(10(D )⎰⎰ex dx y x f dy 1ln 0),(2、锥面22y x z +=在柱面x y x 222≤+内的那部分面积为 (D )(A )⎰⎰-θππρρθcos 2022d d (B )⎰⎰-θππρρθcos 20222d d(C )⎰⎰-θππρρθcos 202222d d (D )⎰⎰-θππρρθcos 20222d d3、若级数∑∞=-1)2(n nn x a 在2-=x 处收敛,则级数∑∞=--11)2(n n n x na 在5=x (B ) (A ) 条件收敛 (B ) 绝对收敛 (C ) 发散(D ) 收敛性不确定 4、下列级数中收敛的级数为 (A )(A ) ∑∞=-1)13(n nn n (B )∑∞=+121n n n (C ) ∑∞=+111sin n n (D )∑∞=13!n n n 5、若函数)()2()(2222x axy y i xy y x z f -+++-=在复平面上处处解析,则实常数a 的值 为 (c )(A ) 0 (B ) 1 (C ) 2 (D ) -2二、填空题(本大题分5小题,每题4分,共20分)1、曲面122-+=y x z 在点)4,1,2(处的切平面方程为624=-+z y x2、已知)0(:222>=+a a y x L ,则=-+⎰Lds xy y x )]sin([22 32 a π 3、Ω是由曲面22y x z +=及平面)0(>=R R z 所围成的闭区域,在柱面坐标下化三重积分⎰⎰⎰+Ωdxdydz y x f )(22为三次积分为⎰⎰⎰RR dz f d d ρπρρρθ)(20204、函数x x f =)()0(π≤≤x 展开成以2π为周期的正弦级数为nx nx n n sin )1(211+∞=-=∑,收敛区间为π<≤x 05、=+-)1(i Ln2,1,0),243(2ln ±±=++k k i ππ=-]0,[Re 2zz e s z1-三、(本题8分)设),()(22xy y xg y x f z ++=,其中函数)(t f 二阶可导,),(v u g 具有二阶连续偏导数,求y x z x z ∂∂∂∂∂2,解:2112yg g y f x x z ++'=∂∂ … 3分=∂∂∂yx z2f xy ''4113122221g y x g y xyg g --++ 5分四、(本题8分)在已知的椭球面134222=++z y x 内一切内接的长方体(各边分别平行坐标轴)中,求最大的内接长方体体积。
南京工业大学2012-2013高等数学期末试卷A 及答案一、填空题(每小题3分,共36分)1.=⎪⎪⎭⎫⎝⎛+∞→∞→x y x xy 11lim ==⎥⎥⎦⎤⎢⎢⎣⎡⎪⎪⎭⎫ ⎝⎛+=⎪⎪⎭⎫ ⎝⎛+∞→∞→∞→∞→⋅∞→∞→01lim111lim 11lim e xy xy yxyy x yxy y x y x 1 .2.函数),(y x z z =由方程0sin =+x y e xz 确定,则=-=-=∂∂xz z y xe x y x F F y z cos 1xz ex x y 2cos - . 3.设函数222lnz y x u ++=,则它在点)1,1,1(0-M 处的方向导数的最大值为33. 4.设函数y xy ax x y x f 22),(22+++=在点)1,1(-处取得极值,则常数=a 5-.5.空间曲线x z x y -==1,222在点)22,1,21(处的切线方程为 212211121--=-=-z y x .6.改变积分次序:==⎰⎰-dy y x f dx I x x 22020),(dx y x f dy y y ⎰⎰-+--2211111),( .7.设平面曲线L 为下半圆周21x y --=,则=⋅=⋅=+⎰⎰π2221211)(LLds ds y x π . 8.设∑为曲面22y x z +=在10≤≤z 的部分,则⎰⎰∑=xdS 0 .9.设,0,10,)(⎩⎨⎧<≤<≤-=-ππx x e x f x 则其以π2为周期的傅里叶级数在π=x 处收敛于)1(21πe + . 10.设321,,y y y 是微分方程)()()(x f y x q y x p y =+'+''的三个不同的解,且≠--3221y y y y 常数,则微分方程的通解为 1322211)()(y y y C y y C +-+- .11.函数x x f -=21)(展开为x 的幂级数的形式为)2,2(2101-∈∑∞=+x x nn n .12.微分方程x xe y xy =-'1的通解为 x xe Cx + . 二、计算下列各题(每小题6分,共18分)1.设),(xye xy f z =,)(x y ϕ=,其中ϕ,f 均为一阶可微函数,求dxdz . 解:)(221y x y e f xy x y f dx dz xy'+⋅'+-'⋅'= ))()(()()(221x x x e f xx x x f xyϕϕϕϕ'+⋅'+-'⋅'= 2.求曲面)(21422y x z +-=与平面2=z 所围立体的体积.解:所围立体在xoy 面的投影域4:22≤+y x D ,所围立体的体积 dxdy y x dxdy dxdy y x V D DD ⎰⎰⎰⎰⎰⎰+-=⎭⎬⎫⎩⎨⎧-+-=)(2122)](214[2222 πππθππ4482122202202=-=-⨯=⎰⎰rdr r d3.在曲面6632222=++z y x 上第一卦限部分求一点,使该点的切平面与已知平面1=++z y x 平行.解:设曲面在第一卦限的切点的坐标为),,(z y x M ,令=),,(z y x F 6632222-++z y x ,则切平面的法向量)6,4,2(),,(z y x F F F n M z y x ==, 已知平面1=++z y x 的法向量)1,1,1(1=n依题意1//n n,即令t z y x ===161412 代入曲面方程中解的2,3,6===z y x ,即切点坐标为)2,3,6(M . 三、计算下列各题(每小题6分,共18分) 1.设Ω是由锥面22y x z +=与半球面221y x z --=围成的空间区域,∑是Ω的整个边界的外侧,求曲面积分⎰⎰∑++zdxdy ydzdx xdydz .解:已知x z y x P =),,(,y z y x Q =),,(,z z y x R =),,(,由高斯公式有dv zR y Q x P zdxdy ydzdx xdydz ⎰⎰⎰⎰⎰Ω∑∂∂+∂∂+∂∂=++)(dr r d d dv ϕϕθππsin 33122040⎰⎰⎰⎰⎰⎰==Ωππ)22(31)221(23-=⨯-⨯⨯= 2.写出级数++++43227252321的通项,判别该级数的敛散性.若级数收敛时,试求其和. 解:该数项级数的通项为nn n u 212-=;级数为正项级数,由于 21121221lim lim1=-+⋅=∞→+∞→n n u u n nn n ,由比值审敛法知该级数收敛.令)1,1()()(22)12()(211111-∈-=-=-=∑∑∑∞=∞=-∞=x x s x xs x xn x x n x s n n n n nn ,则xxx dt ntdt t s n xn n n x-===∑⎰∑⎰∞=∞=-1)(1111, 于是2011)1(1)()(x dtt s dx d x s x -=⎥⎦⎤⎢⎣⎡=⎰, 又xxx x s n n -==∑∞=1)(12, 所以)1,1()1(1)1(2)(222-∈-+=---=x x x x x x x x x s ,于是3)1(21)12()21(21221=⎥⎦⎤⎢⎣⎡-+=-==∞=∑x n n x x x n s .3.求微分方程x e y y y 223=+'-''的通解.解:微分方程对应的齐次线性微分方程的特征方程0232=+-r r 的特征根为2,121==r r ,x e x f 2)(=的1=λ为特征方程的单根,则原方程的特解为x Axe y =*,代入原方程中得2-=A ,齐次线性微分方程的通解为x x e C e C Y 221+=,所以原方程的通解为=+=*y Y y x x x xe e C e C 2221-+.四、计算下列各题(每小题6分,共18分) 1.求函数22)(4),(y x y x y x f ---=的极值.解:由于x y x f x 24),(-=,y y x f y 24),(--=,令,0),(0),(⎩⎨⎧==y x f y x f yx 得驻点,22⎩⎨⎧-==y x 又 2),(-==y x f A xx ,0),(==y x f B xy ,2),(-==y x f C yy ,及4)()2,2(2-=--AC B , 则点)2,2(-位极大值点,极大值为8)2(2)]2(2[4)2,2(22=-----=-f .2.求幂级数∑∞=-12)1(n nnn x 的收敛半径及收敛域. 解:令 1-=x t ,则 nn nn n n t n n x ∑∑∞=∞==-11212)1(,由于 212)1(2lim lim 11=+=+∞→+∞→n n n nn n n n a a , 则收敛半径2=R .又当2-=t 时,级数∑∞=-1)1(n nn 收敛,当2=t 时,级数∑∞=11n n 发散,所以)2,2[-∈t ,即级数的收敛域为)3,1[-.3.设),()sin(y x x xy z ϕ+=,其中),(v u ϕ具有二阶偏导数,求yx z∂∂∂2.解:),(1),()cos(21yxx y y x x xy y x z ϕϕ'+'+=∂∂,)(),(1),(1)(),()sin()cos(222222122yxy x x y y x x y y x y x x xy xy xy y x z -⋅''+'--⋅''+-=∂∂∂ϕϕϕ五、(本题5分)求函数2),(22+-=y x y x f 在椭圆域}14|),{(22≤+=y x y x D 上的最大值和最小值.解:由于x y x f x 2),(=,y y x f y 2),(-=,令,0),(0),(⎩⎨⎧==y x f y x f y x 在D 内求得驻点)0,0(.在D 的边界上,设)14(2),,(2222-+++-=y x y x y x F λλ,得⎪⎪⎪⎩⎪⎪⎪⎨⎧=-+==+-==+=)3(014),,()2(0212),,()1(022),,(22y x y x F y y y x F x x y x F y x λλλλλλ当0≠x ,由(1)得1-=λ,代入(2)得0=y ,在代入(3)得⎩⎨⎧=±=01y x ;同理当0≠y 得⎩⎨⎧±==20y x ;由于2)0,0(=f , 3)0,1(=±f , 2)2,0(-=±f ,所以最大值为3,最小值为2-.六、(本题5分)设在上半平面}0|),{(>=y y x D 内,函数),(y x f 具有连续偏导数,且对任意的0>t 都有),(),(2y x f t ty tx f -=,证明对D 内的任意分段光滑的有向简单闭曲线L ,都有0),(),(=-⎰dy y x xf dx y x yf L.解:由格林公式,对D 内的任意分段光滑的有向简单闭曲线L ,⎰⎰⎰----±=-1)],(),(),(),([),(),(D y xLdxdyy x yfy x f y x xf y x f dyy x xf dx y x yf .dxdy y x yf y x xf y x f y D x )],(),(),(2[1---±=⎰⎰ (*)由于函数),(y x f 具有连续偏导数,且对任意的0>t 都有),(),(2y x f t ty tx f -=,即),(),(2ty tx f y x f t =上式两端对t 求导有),(),(),(221ty tx f y ty tx f x y x tf '+'= 特取1=t 得),(),(),(2y x yf y x xf y x f y x += 由(*)式既有0),(),(=-⎰dy y x xf dx y x yf L。
南京工业大学期末高等数学A试卷AYUKI was compiled on the morning of December 16, 2020南京工业大学 高等数学A-2 试卷(A )卷(闭)2010--2011学年 第 二 学期 使用班级 江浦10级 学院 __ 班级 __学号 __ 姓名 __ ___一、选择题(本题共4小题,每小题3分,满分12分,每小题给出四个选项,请将正确答案填在题后的括号内)1.若),(y x f 在),(00y x 处可微,则在),(00y x 点下列结论中不一定成立的是( C ))(A 连续 )(B 偏导数存在 )(C 偏导数连续 )(D 切平面存在2. 直线01152312325=--+-=-+=-z y x z y x 与平面的位置关系是( D ) )(A 平行但不在平面上 )(B 在平面上 )(C 垂直 )(D 斜交3. 若曲面∑:2222a z y x =++,则2()x y z dS ∑++⎰⎰=( C )4.设)11ln()1(nu n n +-=,则级数( B ))(A ∑∞=1n n u 与∑∞=12n n u 都收敛 )(B ∑∞=1n n u 收敛而∑∞=12n n u 发散)(C ∑∞=1n n u 与∑∞=12n n u 都发散 )(D ∑∞=1n n u 发散而∑∞=12n n u 收敛二、填空题(本题共4小题,每小题3分,满分12分,请将正确答案填在题后的横线上)1.已知矢量,a b 的模分别为()2||2,||2,6a b a b a b==⋅=⨯=及,则 2 __ 。
⒉ 已知=+=)1,1(),1ln(dz y xz 则 ()12dx dy - 。
3.幂级数1(1)2nn n x n∞=-⋅∑的收敛域是 [)1,3- ____ 。
4.设函数⎩⎨⎧≤<+≤<--=ππx x x x f 0,10,1)(2,则其以π2为周期的傅里叶级数在点π=x 处收敛于 _ 。
《高等数学》期末考试A卷(附答案)【编号】ZSWD2023B0089一、填空题(每小题2分,共20分)1.设 是正整数, 为非零实数,若20001lim ()x x x x,则 _________________,______________________。
【答案】120012001,2.设)(x f 的定义域是]1,0[,且102a ,则()()f x a f x a 的定义域是____________________________ .【答案】1[,]a a3.2211sin()lim x x x x ______________________。
【答案】04.设1111010,(),x x x x e e x f x e e x,0 x 是)(x f 的___________间断点. 【答案】跳跃5.设24cos y x ,则dy ________________________. 【答案】3448sin cos x x x dx6.203sin limxx t dt x _________________________________.【答案】137. 函数2412()()x f x x的渐近线有______________________________.【答案】20,x y8.函数()x f x x e 的单调递增区间为____________________________.【答案】(,0)9.若 C x dx xx f sin )(ln ',则 )(x f .【答案】C e x )sin( 10.[()()]aaf x f x dx ______________________________________.【答案】0二、单项选择题(每小题2分,共10分) 1.若下列极限存在,则成立的是( ) .A. 0()()lim '()x f a x f a f a x B. 0000()()lim '() x f x f x x f x xC. 0(12)(1)lim '(1)t f t f f tD. 4(8)(4)lim '(4)4x f x f f x【答案】B2.当0 x 时,与x 等价的无穷小量是( )A. x x 1sinsin B. xx sin C. x x 22 D. )1ln(x【答案】D3. 当0x x 时,0'()f x ,当0x x 时,0'()f x ,则0x 必定是函数()f x 的( )A. 驻点B. 最大值点C.极小值点D. 以上都不对 【答案】D4.设'()f x 存在且连续,则()'df x ( )A. ()f xB. '()f xC. '()f x cD. ()f x c 【答案】B 5.设4()2xx f t dt,则40 f dx ( )A. 16B. 8C. 4D. 2【答案】A三、计算下列各题(每小题5分,共35分)1. 求极限)sin 11(cot lim 0xx x x解: )sin 11(cot lim 0x x x x xx x xx x tan sin sin lim 030sin lim x xx x (0 x 时x sin ~x ,x tan ~x )2031cos lim x x x 616sin lim 0 x x x2. 设3sin 2,0()9arctan 2(1),0xx ae x f x x b x x ,确定,a b 的值,使函数在0 x 处可导。
南京工业大学近些年线代期末考试卷及答案包括以下六份试卷1南京工业大学线性代数课程考试试卷(A)(江浦、浦江2005-2006学年第1学期)2南京工业大学线性代数课程考试试卷(B)(江浦、浦江2005-2006学年第1学期)3南京工业大学线性代数试题(B)卷(闭)2007--2008学年第一学期使用班级江浦各专业本科生4南京工业大学线性代数试题(A)卷(闭)2008--2009学年第一学期使用班级江浦各专业本科生5南京工业大学线性代数试题(B)卷(闭)2008--2009学年第一学期使用班级江浦各专业本科生6南京工业大学线性代数试题(A)卷(闭)2008--2009学年第二学期使用班级计软0801-3南京工业大学 线性代数 课程考试试卷(A )(江浦、浦江2005-2006学年第1学期)所在系(院) 班 级 学号 姓名一. ___ 填空题(每空3分,共15分)1、 若n 阶方阵A 满足02=+-E A A (E 为单位阵),则A 的逆矩阵=-1A ____________.2、设矩阵B 是由矩阵A 划去某一列所得, 则秩(B )________秩(A ).3、若1111320=z y x, 则=---222431111z y x ________..4、若向量⎪⎪⎪⎪⎪⎭⎫ ⎝⎛-=0112k α 与⎪⎪⎪⎪⎪⎭⎫ ⎝⎛-=110k β 正交,则=k ________.5、已知三阶矩阵A 的特征值为,2,1,1-设,223A AB -=则B 的三个特征值为 ________.二. 单项选择题(每题3分,共15分)1、齐次线性方程组0=x A 的一个基础解系为123212131,,100010001ααα--⎛⎫⎛⎫⎛⎫⎪ ⎪ ⎪- ⎪ ⎪ ⎪ ⎪ ⎪ ⎪=== ⎪ ⎪ ⎪ ⎪ ⎪ ⎪ ⎪ ⎪ ⎪⎝⎭⎝⎭⎝⎭,则A 的秩为 ( )5)()(=A R A 4)()(=A R B 3)()(=A R C 2)()(=A R D 2、设有m 个n 维向量)(n m >,则 ( ))(A 必线性相关 )(B 必线性无关 )(C 不一定 )(D 无法确定3、设A 为n 阶方阵,则下列方阵中为对称矩阵的是 ( )()A A A '- ()B CAC ' (C 为任意n 阶方阵) ()C AA ' ()()D AA B ' (B 为任意n 阶方阵)4、设A 与B 均为n 阶方阵,若A 与B 相似,则下面论断错误的是 ( ))(A 存在M ,且0M ≠,并有AM MB = )(B A 与B 有相同的特征值B E A EC -=-λλ)( )(D A 与B 均可对角化5、若向量组321,,ααα 线性无关,向量组421,,ααα线性相关, 则 ( ))(A 4α 必不可由321,,ααα 线性表示 )(B 4α必可由321,,ααα 线性表示 )(C 2α 必不可由431,,ααα 线性表示 )(D 2α必可由431,,ααα 线性表示三. (12分) 求n 阶行列式:)1(10000022000111321------n n n n 。
南京工业大学 高等数学A-2 试题(A )卷(闭)2013---2014 学年 第2学期 使用班级 江浦大一学生 班级 学号 姓名一、单项选择题(本大题共5小题, 每小题3分, 总计15分)1、直线12:201x y z l --==与平面:2+60x y z π--=之间的夹角为( ) )(A 0 )(B 6π )(C 4π )(D 2π2、设函数(,)f x y 在点(,)a b 的偏导数存在,则0(,)(,)limx f a x b f a x b x→+--=( ) )(A 0 )(B (2,)x f a b )(C (,)x f a b )(D 2(,)x f a b3、二次积分40(,)xdx f x y dy ⎰⎰交换积分次序后为( ))(A 40(,)y dy f x y dx ⎰⎰)(B 2404(,)yy dy f x y dx ⎰⎰)(C 2440(,)yydy f x y dx ⎰⎰)(D 44(,)dy f x y dx ⎰⎰4、设椭圆L :13422=+y x 的周长为l ,则⎰=+L ds y x 2)23(( ) )(A l )(B l 3 )(C l 4 )(D l 125、极限lim 0n n u →∞=是级数1nn u∞=∑收敛的( ))(A 充要条件 )(B 充分条件 )(C 必要条件 )(D 既非充分也非必要条件二、填空题(本大题共5小题, 每小题3分,总计15分)1、已知曲面224z x y =--在点M 处的切平面与平面2210x y z ++-=平行,则点M 的坐标 为__________________。
2、设函数2x y xe =是某二阶常系数线性齐次微分方程的解,则该微分方程为_________________。
3、设∑为曲面2222x y z R ++=,则曲面积分2221dS x y z ∑++⎰⎰= _______ 。
4、函数1()f x x=展开成2x -的幂级数为____________________________。
南京工业大学近些年线代期末考试卷及答案包括以下六份试卷1南京工业大学线性代数课程考试试卷(A)(江浦、浦江2005-2006学年第1学期)2南京工业大学线性代数课程考试试卷(B)(江浦、浦江2005-2006学年第1学期)3南京工业大学线性代数试题(B)卷(闭)2007--2008学年第一学期使用班级江浦各专业本科生4南京工业大学线性代数试题(A)卷(闭)2008--2009学年第一学期使用班级江浦各专业本科生5南京工业大学线性代数试题(B)卷(闭)2008--2009学年第一学期使用班级江浦各专业本科生6南京工业大学线性代数试题(A)卷(闭)2008--2009学年第二学期使用班级计软0801-3南京工业大学线性代数课程考试试卷(A)(江浦、浦江2005-2006学年第1学期)所在系(院) 班级学号姓名一. 填空题(每空3分,共15分)1、 若n 阶方阵A 满足02=+-E A A (E 为单位阵),则A 的逆矩阵=-1A ____________.2、设矩阵B 是由矩阵A 划去某一列所得, 则秩(B )________秩(A ).3、若1111320=z y x, 则=---222431111z y x ________..4、若向量⎪⎪⎪⎪⎪⎭⎫ ⎝⎛-=0112k α 与⎪⎪⎪⎪⎪⎭⎫ ⎝⎛-=110k β 正交,则=k ________.5、已知三阶矩阵A 的特征值为,2,1,1-设,223A AB -=则B 的三个特征值为________.二. 单项选择题(每题3分,共15分)1、齐次线性方程组0=x A 的一个基础解系为123212131,,100010001ααα--⎛⎫⎛⎫⎛⎫⎪ ⎪ ⎪- ⎪ ⎪ ⎪ ⎪ ⎪ ⎪=== ⎪ ⎪ ⎪ ⎪ ⎪ ⎪ ⎪ ⎪ ⎪⎝⎭⎝⎭⎝⎭,则A 的秩为 ( )5)()(=A R A 4)()(=A R B 3)()(=A R C 2)()(=A R D 2、设有m 个n 维向量)(n m >,则 ( ))(A 必线性相关 )(B 必线性无关 )(C 不一定 )(D 无法确定3、设A 为n 阶方阵,则下列方阵中为对称矩阵的是 ( )()A A A '- ()B CAC ' (C 为任意n 阶方阵) ()C AA ' ()()D AA B ' (B 为任意n 阶方阵)4、设A 与B 均为n 阶方阵,若A 与B 相似,则下面论断错误的是 ( ))(A 存在M ,且0M ≠,并有AM MB = )(B A 与B 有相同的特征值B E A EC -=-λλ)( )(D A 与B 均可对角化5、若向量组321,,ααα 线性无关,向量组421,,ααα线性相关, 则 ( ))(A 4α 必不可由321,,ααα 线性表示 )(B 4α必可由321,,ααα 线性表示 )(C 2α 必不可由431,,ααα 线性表示 )(D 2α必可由431,,ααα 线性表示三. (12分) 求n 阶行列式:)1(10000220000111321------n n n n。
南京工业大学 线 性 代 数 试题(A )卷(闭)2007--2008学年第 二 学期 使用班级通信,营销 班级 学号 姓名一、填空题(每题3分,共15分) 1、设4 阶行列式A =2343αγγγ=和B =2341βγγγ=,则行列式 B A += 。
2、设A 、B 都是n 阶方阵,则222()(2)A B A AB B ---+=。
3、设0001002003004000A ⎛⎫⎪⎪= ⎪ ⎪⎝⎭,则 =-1A 。
4、设n 元线性方程组AX b =,且()R A r =,(,)R A b s =,则方程组AX b =有解的充要条件是,有唯一解的充要条件是,有无穷多解的充要条件是。
5、矩阵1551A ⎛⎫= ⎪⎝⎭的特征值为,A 能否相似于对角阵?。
二、选择题(每题3分,共15分)1、设A 为4阶方阵,则3A -为( )。
(A )34A (B )3A (C )123A (D )43A2、若向量组1(1,1,0)ε=,2(0,1,1)ε=,3(0,0,1)ε=能由向量组1123(,,)a a a α=,2123(,,)b b b α=,3123(,,)c c c α=线性表示,则向量组123,,ααα的秩为( )(A )1 (B )2(C )3(D )不能确定3、若矩阵A 的秩等于矩阵B 的秩,则( ) (A).A 与B 合同(B).B=A(C).A 与B 是相抵(或等价)矩阵(D).A ,B 是相似矩阵4、设矩阵A 是任一n (3)n ≥阶可逆方阵,*A 为A 的伴随矩阵,又k 是一常数,且0,1k ≠±,则*()kA 等于( ) (A )*kA (B )1*n kA -(C) *n k A (D)1*k A -5、设A 是3阶矩阵,特征值是0,1,2321=-==λλλ,对应的特征向量分别是123,,ααα,若321(,3,)P ααα=-,则1P AP -=( )(A )210⎛⎫ ⎪- ⎪ ⎪⎝⎭ (B )032⎛⎫ ⎪- ⎪ ⎪-⎝⎭ (C )012⎛⎫ ⎪- ⎪⎪⎝⎭(D )012⎛⎫ ⎪ ⎪ ⎪-⎝⎭ 三、(11分)计算n 阶行列式2112112112112n D =四、(12分) 设3000250004700069A ⎛⎫⎪-⎪= ⎪-⎪-⎝⎭,且有关系式222A AX E X -=-,求矩阵X . 五、(12分)设向量组1(6,4,1,1,2)T α=-,2(1,0,2,3,4)T α=-,3(1,4,9,16,22)T α=--,=4α(7,1,0,1,3)T -,求该向量组的秩及其一个极大无关组并将其余的向量用该极大无关组线性表示。
南京工业大学 高等数学A-2试卷(A )解答2012--2013学年 第 二 学期 使用班级 江浦12级一、选择题(本大题共5小题, 每小题3分, 总计15分)1、)(C2、()A3、)(B4、()D5、)(B 二、填空题(本大题共5小题, 每小题3分,总计15分) 1、221x x y -+= ⒉、 1 3、2π 4、43-5、 2π 三、解答下列各题(本大题共4小题,每小题7分,总计28分,每题要有必要的解题步骤)1、设函数6),,(+---++=z y x yz zx xy z y x f ,问在点)0,4,3(P 处沿怎样的方向l ,f 的变化率最大?并求其最大的变化率。
解:)6,2,3()1,1,1()0,4,3(=-+-+-+=P y x z x z y gradff 沿方向(3,2,6)l =的变化率最大; ……4分其最大的变化率为(3,4,0)7Pf gradf l∂==∂。
……3分2、设22(,)y z f x y x =+,其中(,)f u v 具有二阶连续偏导数,求x z∂∂、yx z ∂∂∂2。
解:1222z yx f f x x∂''=⋅-⋅∂, ……3分2111222122221112(2)(2)z y x yf f f yf f x y x x x x∂'''''''''=+--+∂∂ 22111222223142(1)y yf xyf f f x x x'''''''=-++-- ……4分 3、计算二次积分11sinxxdx y dy y⎰⎰。
解:111000sinsin y xx xdx y dy dy y dx y y=⎰⎰⎰⎰(交换积分顺序) ……2分120(1cos1)y dy =-⎰……3分1(1cos1)3=- ……2分 4、计算Lxds ⎰,其中L 为由直线y x =及抛物线2y x =所围成的区域的整个边界。
来源于网络南京邮电大学2010/2011学年第二学期《高等数学A 》(下)期末试卷A 答案及评分标准 一、选择题(本大题分5小题,每题3分,共15分) 1、交换二次积分⎰⎰x e dy y x f dx ln 01),(的积分次序为 (c )x e ln 1e (2积为 ((35=x(4、下列级数中收敛的级数为 (A )(A ) ∑∞=-113(n nn n (B )∑∞=+121n n n (C ) ∑∞=+111sin n n (D )∑∞=13!n n n来源于网络5、若函数)()2()(2222x axy y i xy y x z f -+++-=在复平面上处处解析,则实常数a 的值 为 (c)(A ) 0 (B ) 1 (C ) 2 (D ) -2来源于网络二、填空题(本大题分5小题,每题4分,共20分)1、曲面122-+=y x z 在点)4,1,2(处的切平面=+-)1(i Ln2,1,0),243(2ln ±±=++k k i ππ=-]0,[Re 2zz e s z1-来源于网络三、(本题8分)设),()(22xy y xg y x f z ++=,其中函数)(t f 二阶可导,),(v u g 具有二阶连续偏导2028),,(=+=x yz z y x F x λ,来源于网络028),,(=+=y xz z y x F y λ,解得:1,31,32===z y x , (3)分,证明:yx ∂∂,所以曲线积分与路径无关….3分….5分装 订 线内 不 要 答 题自觉遵 守 考 试规 则,诚 信 考 试,绝 不 作 弊七、(本题8分)计算⎰⎰++∑dxdy z dzdx y dydz x 333,其中?为上半球面221y x z --=的上侧。
来源于网络设,ln )(xxx f =2ln 1)(x x x f -='当e x >时单调递减,2、沿指定曲线的正向计算下列复积分⎰=-2||2)1(z zdz z z e来源于网络解:原式 =)]1),((Re )0),(([Re 2z f s z f s i +π…2分zz 解:++220)1)(1(y n y x 1)4(11++=n n π……2 分来源于网络∑∑∞=+∞=+=010)4(11n n n n nn x n x a π,,4π=R 收敛域:)4,4[-……2 分,0)0()0(='=f f 又)(x f 的二阶导数)(x f ''在]1,1[-内连续,所以K x f ≤''|)(|,!2)()0()0()(2x f x f f x f ξ''+'+= ξ在0与x 之间来源于网络|1(|n f ,22n K ≤ 所以∑∞=1n |)1(|n f 收敛,同理∑∞=1n |11(|+n f 也收敛……5 分 由于|1)11(|||||n f b b +≤|1)11(||1)1(|||n f n f b +≤|1)11(|||+≤n f b。
南京工业大学2010-2011学年第二学期期末试卷及解答一.填空题(每小题3分, 满分15分)1. 过直线122:232x y z L -+-==-且垂直于平面325x y z +-=的平面方程是_________.【解】应填:81390x y z --+=.直线L 的方向向量{2,3,2}s =-.已知平面的法向量1{3,2,1}n =-,设所求平面的法向量为n ,由题意知n s ⊥且1n n ⊥,故可取1n s n =⨯232{1,8,13}321i j k=-=--,由条件知,所求平面过点0(1,2,2)-P ,于是所求平面方程为(1)8(2)13(2)0x y z --+++-=,即81390x y z --+=.2. 设221zx xy y ze +++=,则(0,1)dz = .【解】应填:2dx dy --.由221z x xy y ze +++=,两边求全微分,得222(1)0z xdx ydx xdy dy z e dz +++++=,当0,1x y ==时,代入原方程得0z =,所以(0,1)2dzdx dy =--.3. 椭圆抛物面∑:222=+z x y 在点0(1,1,3)P -处的法线方程是___________. 【解】应填:113421x y z -+-==--. 曲面∑在点0(1,1,3)P -处的法向量可取为{}{}(1,1,3)4,2,14,2,1-=-=--n x y ,于是曲面∑在点0(1,1,3)P -处的法线方程为113421x y z -+-==--.4. 曲面z =与22z x y =+所围立体的体积为 .【解】应填:6π. 22106rrV dv d rdr dz ππθΩ===⎰⎰⎰⎰⎰⎰.5. 设L 为上半圆周y =()22-+⎰Lxxy y ds =____________.【解】应填:π.由对称性,代入技巧及几何意义可得()220-+=+=⎰⎰LLxxy y ds ds π二.选择题(每小题3分, 满分15分)1.方程32123'''-+=+-x y y y x e 的特解形式为( ). (A)()x ax b e + (B) ()x ax b xe + (C) xax b ce ++ (D) xax b cxe ++ 【解】选(D )2.设(1)=-nn u ,则级数( ). (A )1nn u∞=∑与21nn u∞=∑都收敛 (B )1nn u∞=∑与21nn u∞=∑都发散(C )1nn u∞=∑收敛,而21nn u∞=∑发散 (D )1nn u∞=∑发散,而21nn u∞=∑收敛【解】选(C )3.二元函数(),f x y 的两个偏导数(),x f x y ¢,(),y f x y ¢在点()000,P x y 处都连续是(),f x y 在点()000,P x y 处可微分的( ) (A) 充分条件 (B) 必要条件(C) 充要条件 (D) 既非充分也非必要条件【解】若(),x f x y ¢,(),y f x y ¢在点()000,P x y 都连续,则(),f x y 在点()000,P x y 处可微分,选(A) 4.211xdx =⎰⎰( )(A ))112(B ))113(C (D【解】 原积分1dy =⎰)2111123==⎰. 选(B )5. 设20()0x x f x x x πππ⎧-≤<=⎨-≤<⎩,则周期为2π的函数()f x 的傅立叶级数在2x π=处收敛于 . (A )2-π(B )-π (C )0 (D )2π【解】选(A)三. (10分) 设)(),(xyg y x xy f z +=,其中f 有二阶连续偏导数,g 有二阶导数,求yx z∂∂∂2.【解】根据复合函数求偏导公式得1221()z y f y f g x y x∂'''=⋅+⋅+⋅-∂,122111122212222211122223323221()111[()][()]11z y f y f g y x y y x x x y f y f x f f f z x y x y f xyf f f g g y y x x f g g y y y y x xx⎛⎫∂∂∂⎛⎫'''==⋅∂∂∂''+⋅+⋅- ⎪ ⎪∂∂∂⎝⎭⎝⎭'''''''''''''='''''''+---++⋅--++⋅--⋅-⋅-=四. (10分) 求22),(y x y x f z -==在闭区域D :1422≤+y x 上的最大值和最小值.【解】在D 的内部,20(0,0)20x yf x f y '==⎧⇒⎨'=-=⎩为驻点,且(0,0)0f = 在D 的边界上,由22222221151(22)444x z x y y x x x y =-=--≤=⇒=-≤+⇒5002dz x x dx ==⇒=,此时,1,y =±,则有(0,1)1,(2,0)4±=-±=f f比较上述函数值知,函数22),(y x y x f z -==在D 上的最大值为4,最小值为-1.五. (10分) 求微分方程'''=+x y y xe x的通解. 【解】不显含y ,故令,'=y p 则'''=y p ,代入原方程得1'-=x p p xe x, 利用通解公式求得通解为1()=+x p x e C ,积分得原方程通解为2121(1)2=-++x y x e C x C .六. (12分)(Ⅰ)试确定可导函数()f x ,使在右半平面内,[2()]()y f x dx xf x dy -+为某函数(,)u x y 的全微分,其中(1)2f =; (Ⅱ)求(,)u x y ; 【解】(Ⅰ)[2()]P y f x =-,()Q xf x =.因为[2()]()y f x dx xf x dy -+是函数(,)u x y 的全微分,所以有 Q Px y∂∂=∂∂, 即()()2()f x xf x f x '+=-,故()2()2xf x f x '+=. 上述微分方程的通解为2()1Cf x x =+.由(1)2f =得1C =, 所以21()1f x x =+. (Ⅱ)在右半平面内取00(,)(1,0)x y =,则10(,)(,0)(,)xyu x y P x dx Q x y dy =+⎰⎰011()()yx dy y x x x=+=+⎰.七. (12分) 求幂级数1(1)nn n n x∞=+∑的收敛域及和函数.【解】易求得其收敛域为(1,1)-,令1()(1)nn S x n n x ∞==+∑11(1)n n x n n x∞-==+∑1()x S x =⋅, 其中 111()(1)n n S x n n x ∞-==+∑,两边积分1101()(1)xxn n S x dx n n xdx ∞-==+∑⎰⎰1(1)n n n x ∞==+∑,再积分101(())(1)x xxnn S x dx dx n x dx ∞==+∑⎰⎰⎰2111n n x xx∞+===-∑. 因此2132()()1(1)x S x x x ''==--,故原级数的和32()(1)xS x x =-,(1,1)x ∈-.八. (12分) 计算积分()(2)I y z dzdx x z dxdy∑=-++⎰⎰,其中∑是抛物面22z x y =+(01)z ≤≤,取下侧.【解】补220:1(1),z x y S =+ 取上侧,设∑与0∑围成空间区域Ω, Ω及0∑在xOy 平面上的投影区域22:1xy D x y +≤. 由Gauss 公式,()(2)()(2)I y z dzdx x z dxdy y z dzdx x z dxdy ∑+∑∑=-++--++⎰⎰⎰⎰[()(2)]()(2)y z x z dv y z dzdx x z dxdy y z Ω∑∂∂=-++--++∂∂⎰⎰⎰⎰⎰ 03()(2)dv y z dzdx x z dxdy Ω∑=--++⎰⎰⎰⎰⎰.因为0∑垂直于zOx 平面,0∑在zOx 平面上的投影区域面积为零, 所以()0y z dzdx ∑-=⎰⎰.221223[][2()]+=-++⎰⎰⎰⎰⎰xyxyx yD D I dz dxdy x x y dxdy212220(355)(35)=--=-⎰⎰⎰⎰xyD x y dxdy d r rdr πθ.2π=九. (4分) 设函数)(y ϕ具有连续导数,在围绕原点的任意分段光滑简单闭曲线L 上,曲线积分⎰++Lyx xydydx y 4222)(ϕ的值恒为同一常数.证明:对右半平面0x >内的任意分段光滑简单闭曲线C ,有022)(42=++⎰Cyx xydydx y ϕ;【证明】将C 分解为:21l l C +=,另作一条曲线3l 围绕原点且与C 相接,则=++⎰Cyx xydydx y 4222)(ϕ-++⎰+314222)(l l y x xydydx y ϕ022)(3242=++⎰+l l yx xydydx y ϕ.。
高数a上册期末试题及答案一、选择题(每题5分,共20题)1. 设函数 $f(x) = \sqrt{3x-2}$,则其定义域为A. $(-\infty, \frac{2}{3}]$B. $\left[ \frac{2}{3}, \infty \right)$C. $[\frac{2}{3}, \infty)$D. $(-\infty, \frac{2}{3}) \cup [\frac{2}{3}, \infty)$答案:C2. 函数 $y = \sin^2 x + \cos^2 x$ 的值域为A. $(-\infty, 1]$B. $[0, 1]$C. $[1, \infty)$D. $[\frac{1}{2}, 1]$答案:B3. 设函数 $f(x) = e^x \ln x$,则 $f'(x) = $A. $e^x \ln x$B. $e^x \left( \frac{1}{x} + \ln x \right)$C. $e^x \left( \ln x - \frac{1}{x} \right)$D. $e^x \left( \frac{1}{x} - \ln x \right)$答案:B4. 若直线 $y = 3x + b$ 与抛物线 $y = ax^2 + bx + 1$ 相切,则 $a + b = $A. 2B. 3C. 4D. 5答案:D5. 函数 $f(x) = \frac{x-1}{\sqrt{x^2 + 1}}$ 的渐近线为A. $y = x - 1$B. $y = x + 1$C. $y = -x + 1$D. $y = -x - 1$答案:A6. 函数 $f(x) = \ln(1 + e^{2x})$ 的反函数为A. $f^{-1}(x) = \ln(x) - \ln(1 - x^2)$B. $f^{-1}(x) = \ln(x^2 - 1)$C. $f^{-1}(x) = \frac{e^x - 1}{2}$D. $f^{-1}(x) = \frac{1}{2} \ln(x) + \ln(1 - x)$答案:D7. 设函数 $f(x) = \arcsin (\sin x)$,则当 $x = \frac{5\pi}{6}$ 时,$f(x) =$A. $\frac{5\pi}{6}$B. $\frac{\pi}{6}$C. $\frac{\pi}{3}$D. $\frac{2\pi}{3}$答案:C8. 函数 $f(x) = \frac{\sin x}{\cos^2 x}$ 的最大值为A. 1B. $\sqrt{3}$C. 2D. $2\sqrt{3}$答案:D9. 函数 $f(x) = x^2 + 2x + 1$ 在区间 $[-1, 1]$ 上的最大值为A. 0B. 1C. 2答案:D10. 函数 $f(x) = \frac{x^2 - 1}{x^2 + 1}$ 的图像关于直线 $x = a$ 对称,则 $a = $A. 1B. 0C. -1D. 2答案:B11. 设 $\sin \alpha = \frac{1}{4}$,$\cos \beta = \frac{4}{5}$,且$\alpha$ 和 $\beta$ 都是第二象限角,则下列四个式子中成立的是A. $\sin (\alpha - \beta) = -\frac{3}{4}$B. $\sin (\alpha + \beta) = \frac{3}{8}$C. $\cos (\alpha - \beta) = \frac{1}{5}$D. $\cos (\alpha + \beta) = \frac{2}{5}$答案:C12. 如果点 $A(1, 2)$ 在抛物线 $y = -x^2 + 3x + k$ 上,那么 $k = $A. -3B. -5D. -9答案:B13. 设函数 $f(x) = x^3 - 3x^2 - 4x + 12$,则 $f'(x)$ 的零点有A. -2, 2B. -1, 3C. -4, 3D. -1, 4答案:A14. 设点 $P(x, y)$ 满足 $y^2 = px$,其中 $p > 0$ 是常数,则焦点所在的直线方程为A. $y = -\frac{p}{2}$B. $x = -\frac{p}{2}$C. $y = \frac{p}{2}$D. $x = \frac{p}{2}$答案:B15. 函数 $f(x) = x^3 - 3x + 1$ 在区间 $[0, 2\pi]$ 上的最小值为A. -1B. 0D. 2答案:A16. 设直线 $y = 2x + 1$ 与曲线 $y = x^2 + bx + c$ 相切,则 $b + c = $A. 0B. $\frac{1}{2}$C. 1D. 2答案:C17. 设函数 $f(x) = (1 - x^2) \cos x$,则 $f''(x)$ 的一个零点在A. $(0, \frac{\pi}{2})$B. $(0, \pi)$C. $(\pi, 2\pi)$D. $(\pi, 3\pi)$答案:B18. 设函数 $f(x) = \sin^2 x - \sqrt{3} \sin x \cos x + \cos^2 x$,则$f(x)$ 的最大值为A. 2B. $2\sqrt{2}$C. 3D. $2 + \sqrt{3}$答案:C19. 设函数 $f(x) = e^x$,$g(x) = x^2$,则 $f(x) \cdot g(x) = $A. $e^{x^2}$B. $x^2 e^x$C. $x^2 e^{x^2}$D. $x^2 + e^x$答案:B20. 设 $a > 0$,则 $\lim\limits_{x \to +\infty} \frac{x^a}{e^x}$ 的值为A. 0B. $\frac{1}{e}$C. 1D. $+\infty$答案:A二、计算题(每题10分,共4题)1. 求函数 $f(x) = \frac{2x^2 - 3x + 1}{x - 1}$ 的极限 $\lim\limits_{x\to 1} f(x)$.解:使用“分子分母可约”的性质,可将函数 $f(x)$ 化简为 $f(x) = 2x - 1$,则 $\lim\limits_{x \to 1} f(x) = \lim\limits_{x \to 1} (2x - 1) = 2(1) - 1 = 1$.答案:12. 求曲线 $y = e^x$ 与直线 $y = kx$ 相交的两个点的坐标,其中 $k > 0$ 是常数.解:将曲线 $y = e^x$ 和直线 $y = kx$ 代入方程中,得到 $e^x = kx$,然后可以使用迭代法或图像法求得相交点的坐标.答案:相交点的坐标为 $(x_1, e^{x_1})$ 和 $(x_2, e^{x_2})$,其中$x_1$ 和 $x_2$ 是满足方程 $e^x = kx$ 的两个解.3. 求曲线 $y = \sin x$ 与直线 $y = x$ 相交的点的个数,并说明理由.解:将曲线 $y = \sin x$ 和直线 $y = x$ 代入方程中,得到 $\sin x = x$,然后可以通过分析函数的周期性和图像来确定相交点的个数.答案:方程 $\sin x = x$ 的解存在无穷个,但相交点的个数取决于给定的区间. 在区间 $[0, \pi]$ 上,方程有一个解;在区间 $[2\pi, 3\pi]$ 上,方程又有一个解. 因此,相交点的个数是不确定的.4. 求函数 $y = x^2 + x$ 在区间 $[-2, 2]$ 上的最大值和最小值,并求出取得最大值和最小值的点.解:首先求导数 $y' = 2x + 1$,然后令 $y' = 0$,解得 $x = -\frac{1}{2}$,将 $x = -2, -\frac{1}{2}, 2$ 代入函数 $y = x^2 + x$,得到对应的 $y$ 值. 最大值为 $y = y_{\text{max}}$ 对应的点为 $(-\frac{1}{2},y_{\text{max}})$,最小值为 $y = y_{\text{min}}$ 对应的点为 $(-2,y_{\text{min}})$ 和 $(2, y_{\text{min}})$.答案:最大值为 $y_{\text{max}} = \frac{5}{4}$,取得最大值的点为 $(-\frac{1}{2}, \frac{5}{4})$;最小值为 $y_{\text{min}} = -2$,取得最小值的点为 $(-2, -2)$ 和 $(2, -2)$.三、证明题(每题20分,共2题)1. 证明函数 $f(x) = \frac{x^3}{3} - x^2 + 2x$ 的导数 $f'(x)$ 恒大于零.证明:求导数 $f'(x) = x^2 - 2x + 2$,我们可以通过判别式来判断 $f'(x)$ 的正负性.判别式为 $\Delta = (-2)^2 - 4(1)(2) = 4 - 8 = -4$,由于 $\Delta < 0$,所以判别式小于零,即 $f'(x)$ 的二次项系数小于零,说明二次项的系数是正的,从而导数 $f'(x)$ 恒大于零.证毕.2. 证明函数 $f(x) = x^3 - 3x^2 + 3$ 的图像关于直线 $x = 1$ 对称.证明:要证明函数的图像关于直线 $x = 1$ 对称,需证明对于任意$x$ 值,函数 $f(x)$ 和 $f(2 - x)$ 的函数值相等.将 $f(x) = x^3 - 3x^2 + 3$ 代入 $f(2 - x)$,得到 $f(2 - x) = (2 - x)^3 -3(2 - x)^2 + 3$,对其进行展开和化简得到 $f(2 - x) = (2 - x)^3 - 3(2 -x)^2 + 3 = x^3 - 3x^2 + 3 = f(x)$,即 $f(x) = f(2 - x)$,证明了函数的图像关于直线 $x = 1$ 对称.证毕.四、应用题(每题50分,共1题)1. 求函数 $f(x) = x^3 + x^2 - 3x$ 的驻点及其对应的极值.解:求导函数 $f'(x) = 3x^2 + 2x - 3$,令 $f'(x) = 0$,求得驻点的 $x$ 坐标,然后将其代入原函数求得对应的 $y$ 坐标.求导的一阶导数方程为 $f'(x) = 3x^2 + 2x - 3 = 0$,通过求根公式求得 $x = -1$ 和 $x = \frac{1}{3}$,将其代入原函数 $f(x)$ 得到对应的$y$ 坐标.将 $x = -1$ 代入 $f(x)$,得到 $f(-1) = (-1)^3 + (-1)^2 - 3(-1) = -1 + 1+ 3 = 3$,将 $x = \frac{1}{3}$ 代入 $f(x)$,得到 $f(\frac{1}{3}) =(\frac{1}{3})^3 + (\frac{1}{3})^2 - 3(\frac{1}{3}) = \frac{1}{27} +\frac{1}{9} - 1 = 0$.因此,函数 $f(x) = x^3 + x^2 - 3x$ 的驻点及其对应的极值为 $(-1, 3)$ 和 $(\frac{1}{3}, 0)$.答案:驻点为 $(-1, 3)$ 和 $(\frac{1}{3}, 0)$,分别对应极大值和极小值.。
南京工业大学 高等数学A-2 试题(A 、闭)卷2011--2012 学年第 2 学期 使用班级 江浦2011级学院 班级 学号 姓名1)(A )xOz(B)yOz成(C )xOz(D )yOz成2、设z y y x= )(C)3、设区域是平面上以点)1,1(A 、)1,1(-B 、为顶点的三角形区域,区域1D 是D 在第一象限的部分,则:=+⎰⎰dxdy y x xy D)sin cos (( )(A)⎰⎰1)sin (cos 2D dxdy y x(B)⎰⎰12D xydxdy(C)⎰⎰+1)sin cos (4D dxdy y x xy(D) 04、设∑为曲面222()z x y =-+在xoy 平面上方的部分,则zdS∑=⎰⎰()(A )(222202r d r πθ--⎰⎰(B )(22202d r πθ-⎰⎰(C ))22002d r rdr πθ-⎰ (D )22002.d r πθ-⎰5、正项级数(1) ∑∞=1n n u 、(2) ∑∞=13n nu ,则下列说法正确的是( )(A )若(1)发散、则(2)必发散 (B )若(2)收敛、则(1)必收敛 (C )若(1)发散、则(2)不确定 (D )若(1)、(2)敛散性相同二、填空题(本大题共5小题, 每小题3分,总计15分)1、已知三个单位向量a 、b 、c 满足0a b c ++=,则a b b c c a ⋅+⋅+⋅=___________2、函数z xy x u 22+-=在点()1,2,1-处的方向导数的最小值为3、将10(,)y eedy f x y dx ⎰⎰交换积分次序得 __________________4、设∑是母线平行于oz 轴的柱面的部分,它的底是位于xoy 平面上的光滑曲线L ,它的高z 是,x y 的非负函数(,)z f x y =,用曲线积分表示柱面∑的面积A =___________5、设函数21,0(),0x f x x x ππ--<≤⎧=⎨<≤⎩,则其以π2为周期的傅里叶级数在点π=x 处收敛于 _____ 。