阻火呼吸阀安装工程施工组织设计方案
- 格式:doc
- 大小:39.00 KB
- 文档页数:5
安装参考尺寸壳体材质 Body Meterial 阻火芯件材质 阀盘、阀座材质Disc、 Seat Material碳钢、铝合金、不锈钢、衬里 不锈钢防爆阻火波纹板 铝合金、不锈钢 Aluminium、SS 密封件材质 Seal Material 工作温度(℃)Operating TemperatureA3、Aluminium、SS304、liningSS corrugated plate with flame arrestingH=635聚四氟乙烯 PTFE -40~+60 操作压力(Mpa)Ambient Temperature-295pa~+98000pa(-30mmH2O ~10000 mmH 2O)位号 审定 制图 胡露 审核 描图批准设计L=540产品名称 校对 日期2013.03图号 共1页 第1页带接管阻火单呼阀(GB50160-92)》规定:“甲、乙类液体的固定顶罐,应设阻火器和呼吸阀” 。
说明阻火器和呼吸阀是保证储罐安全的必备根据中华人民共和国石油天然气行业标准 SYT0511-1966 制造石油储罐呼吸阀,根据《石油化工企业设计防火规范前言上海路野石化设备有限公司技术部设施。
阻火器、呼吸阀不紧能维持储罐器压平衡;确保储罐在超压和真空状态下免遭破坏;而且还能减少罐能介质的损耗和挥 发。
呼吸阀系列,通气量大、泄漏量小、密封性能好;且结构紧凑、外型美观;具有安装简便、性能优良、规格齐全、 品质稳定等特点。
带接管单呼阀 一、 单呼阀结构示意图二、单呼阀主要技术参数型号 Model 规格 Size 壳体材质 Body 阻火层材质 Flame Arrestor 正压阀盘材质 Spring Hood 负压阀盘材质 Vacuum Hood 正压阀盘压力 Set Pressure 负压阀盘压力 Set Vacuum L2 A3 PTFE 316 316L HXF-DH HXF-DJ DN 25~350 PN 0.6~2.5 L2 316 A3 304 HXF-DHZ HXF-DJZ GB 81~59 FF RF 防爆等级 Explosion group 螺帽螺栓 Bolt/Nut 密封垫片 Diaphragm(P/V) 环境温度 Ambient Temperature 连接方式 Jonit Type 法兰标准 Flanges 设计制造检测标准 Manufacture Inspection 外表 Coating 丁晴橡胶 聚四氟乙烯 金属垫片 NBR PTFE Metal Gasket 304 304L 316 316L CS:–30℃~+350℃ SS:-80℃~+480℃ 法兰连接 Flange 螺纹连接 Threaded JIS 20# 304 304L 316 316L BS 5501:ⅡA ⅡB ⅡC304L Lining316L304 304L-------HG GB SH HGJ JB ANSI+36mmH2O~+1500mmH2OGB5908-86 SY7511-87---------CS:PaintSS:No Paint呼吸阀系列根据中华人民共和国石油天然气行业标准 SYT0511-1966 制造石油储罐呼吸阀, 《石油化工企业设计防火规范 (GB50160-92)》规定:“甲、乙类液体的固定顶罐,应设阻火器和呼吸阀” 。
阻火呼吸阀维护保养方案阻火呼吸阀维护保养方案XXX共有118台储罐阻火呼吸阀,为确保运行后呼吸阀使用安全,需定期对呼吸阀进行维护保养。
本文将介绍阻火呼吸阀的维护保养方案。
1、编制依据本方案根据设计的储罐分布图、施工安全手册及厂家提供的阻火呼吸阀使用说明书要求编制。
2、工程概况XXX罐区储运系统共计118台储罐阻火呼吸阀,其中包括12个3万m3罐、6个2万m3罐、20个1.5万m3罐、6个8000m3罐和8个6000m3罐。
为确保呼吸阀使用安全,每个罐都配置了相应数量的呼吸阀。
3、呼吸阀的简介根据国家标准《石油化工企业设计防火规范》(GB-90)之规定,“甲、乙类液体的固定顶罐,应用阻火器和呼吸阀”。
呼吸阀通过维持储罐气压平衡,确保储罐在超压或真空时免遭破坏。
呼吸阀和阻火器是储罐不可缺少的安全措施。
4、维护与保养概述呼吸阀的维护保养包括定期检查、清洗和更换损坏部件。
检查时需要注意呼吸阀的密封性和弹簧张力是否符合要求。
清洗时需使用清洁剂,不能使用溶剂。
更换损坏部件时需使用原厂配件。
5、维保前的准备工作维保前需要准备好相应的工具和设备,例如扳手、橡胶手套、清洁剂等。
同时,需要关闭相应的管道和阀门,确保维保过程中不会对系统造成影响。
6、维保的实施维保过程中需要按照厂家提供的维护保养手册进行操作,严格按照要求进行检查、清洗和更换损坏部件。
操作时需注意安全,避免造成人员和设备的伤害。
7、维保记录汇总维保结束后需要记录维保情况,包括维保时间、维保人员、维保内容等信息,并将记录归档保存。
8、HSE管理在维保过程中需要遵守公司的HSE管理要求,确保维保过程中不会对环境和人员造成危害。
9、施工机具施工机具需要经过检查和维护,确保其正常运行。
同时,需要使用符合要求的机具,避免因机具问题造成维保不当。
10、危害因素分析在维保过程中需要对可能存在的危害因素进行分析,采取相应的措施进行防范和避免。
11、维保记录表格为方便记录维保情况,可以制作相应的维保记录表格,记录维保时间、维保人员、维保内容等信息,以便于管理和归档。
阀门安装工程施工方案一、项目名称阀门安装工程施工方案二、项目概况阀门是工业生产过程中不可或缺的重要设备,它被广泛应用于石油、化工、冶金、电力、城市建设等领域。
阀门安装工程是确保工业安全和生产运行的重要环节。
本文将重点介绍阀门安装工程的施工方案。
三、施工前准备1. 编制施工方案:施工单位需根据设计图纸和相关规范,编制详细的阀门安装施工方案,包括施工工艺、安装顺序、验收标准等。
2. 检查材料和设备:施工前,需要对阀门、管道、法兰、密封垫等安装材料和设备进行检查,确保其质量完好。
3. 技术人员培训:施工单位应对参与施工的技术人员进行培训,确保其具备相应的安装技能和安全意识。
4. 安全防护措施:施工现场应设置明显的安全警示标志,安排专人负责安全管理,确保施工过程中的安全。
四、施工流程1. 准备工作:将所需材料和设备搬运至施工现场,组织施工人员进行安全培训和技术交底,清理施工区域,确保施工现场整洁。
2. 定位:根据设计图纸和相关要求,确定阀门安装位置,进行标志和测量,确定并标注法兰连接孔位置。
3. 安装法兰:根据设计要求,将法兰和密封垫安装在管道连接孔上,并进行初步对位。
4. 安装阀门:将阀门放置在设计位置上,并与法兰进行对接,确保连接牢固。
5. 调整阀门位置:根据设计要求,调整阀门的安装位置和方向,确保其与管道连接正确。
6. 紧固螺栓:按照规定的顺序和力度,对法兰连接螺栓进行均匀紧固,确保连接紧密。
7. 验收检查:安装完成后,进行相关验收检查,包括阀门位置及方向的调整、法兰连接的紧固、密封性能等。
8. 清理整理:清理施工现场,移除材料和设备,恢复现场秩序,并对施工过程进行总结和归档。
五、质量控制1. 严格按照设计图纸和规范要求进行施工,确保阀门安装的准确性和可靠性。
2. 对安装所用材料和设备进行认真检查,确保其符合相关标准和质量要求。
3. 对施工过程中的质量节点进行监督和复查,及时发现和解决问题。
4. 对已完成的阀门安装工程进行全面的验收检查,确保其达到设计要求和相关标准。
一、工程概况本工程为某工业项目中的阀门设备及安装工程,主要包括阀门设备的采购、运输、安装、调试及验收等工作。
工程地点位于我国某城市,施工周期为3个月。
二、施工准备1. 施工组织成立阀门设备及安装工程施工领导小组,负责工程的组织、协调、指挥和监督。
领导小组下设施工管理部、技术部、物资供应部、质量保证部、安全环保部等部门。
2. 施工人员施工人员应具备相应的资质和技能,经过专业培训,确保施工质量。
3. 施工材料(1)阀门设备:根据设计要求,选择符合国家标准的阀门设备。
(2)管道材料:根据管道设计要求,选择合适的管道材料。
(3)辅助材料:包括螺栓、垫片、密封圈等。
4. 施工设备(1)施工工具:扳手、螺丝刀、电焊机、切割机等。
(2)检测设备:压力表、流量计、超声波测厚仪等。
(3)起重设备:吊车、卷扬机等。
三、施工工艺1. 阀门设备安装(1)现场验收:对到货的阀门设备进行检查,确认设备完好、规格符合要求。
(2)设备清洗:对阀门设备进行清洗,去除表面的污垢和杂质。
(3)设备安装:按照设计图纸要求,将阀门设备安装在指定的位置。
(4)连接管道:将阀门设备与管道连接,确保连接牢固、密封良好。
(5)调试:对安装好的阀门设备进行调试,确保设备运行正常。
2. 管道安装(1)管道焊接:按照设计要求,对管道进行焊接,确保焊接质量。
(2)管道试压:对焊接完成的管道进行试压,检查管道是否存在泄漏现象。
(3)管道吹扫:对管道进行吹扫,清除管道内的杂质。
(4)管道保温:对管道进行保温,防止热量损失。
四、质量控制1. 材料质量:严格控制材料质量,确保材料符合国家标准。
2. 施工质量:严格按照施工规范和操作规程进行施工,确保施工质量。
3. 检测验收:对施工过程进行检测验收,确保工程质量。
五、安全环保1. 安全生产:加强安全生产管理,确保施工人员生命财产安全。
2. 环境保护:做好施工现场的环境保护工作,减少施工对环境的影响。
六、施工进度根据工程实际情况,制定合理的施工进度计划,确保工程按期完成。
阀门安装工程施工方案1. 引言本文档旨在提供阀门安装工程的详细施工方案,确保施工的安全性和高效性。
2. 施工准备2.1 材料准备在施工前,需要准备以下材料:- 阀门及其配件- 安装工具(扳手、气动榔头等)- 密封材料- 接口密封胶- 螺栓2.2 工作准备- 检查工作区域是否安全,确保没有危险物品。
- 准备施工图纸和相关技术资料,确保施工按照规范进行。
- 确保施工人员已经接受相关培训,具备必要的安全防护意识。
3. 施工步骤3.1 阀门安装按照施工图纸和相关技术规范,进行阀门的安装。
具体步骤如下:1. 将阀门放置在合适的位置,并确保阀门与管道连接口对齐。
2. 使用扳手或气动榔头,适当紧固阀门螺栓,确保连接牢固。
3. 检查阀门的开闭情况,确保正常运转。
3.2 密封处理在阀门安装完成后,需要进行相应的密封处理。
具体步骤如下:1. 使用密封材料将阀门与管道连接口进行密封,确保阀门的连接处不会泄漏。
2. 在阀门的外部接口处使用接口密封胶进行密封处理,以防止外界灰尘和水分进入。
3.3 功能测试在完成阀门的安装和密封处理后,进行功能测试,确保阀门正常工作。
具体步骤如下:1. 打开阀门,观察阀门的开闭情况,并确保无异常。
2. 检查阀门的密封性能,确保阀门关闭后不会有泄漏现象。
3. 测试阀门的流量控制功能,确保阀门能够按照要求调节流量。
4. 安全措施在进行阀门安装工程时,需要采取以下安全措施:- 穿戴防护设备,包括手套、安全帽和防护眼镜。
- 在高处工作时,使用安全扣具保护工人的安全。
- 遵守各项安全操作规程,如禁止吸烟、禁止乱丢工具等。
5. 结束语本文档详细介绍了阀门安装工程的施工方案,通过严格按照步骤进行施工,可确保阀门安装的安全和质量。
在施工过程中,务必遵守相关安全规程,以保障施工人员的安全。
方案审批表
二、人员配置表
三、应急小组人员:
1、准备工具
1吨的吊葫芦1个梅花扳手2把
支架1套阀门垫片1套
2、施工前检查进出口阀门是否关好,如果没有关好联系现场负责人,关好后在进行施工。
3、拆除现有阀门:
先将阀门螺栓逐个松开在井口搭建支架,用吊葫芦在将阀门取出。
4、新阀门安装:
1)、核对阀门的规格、型号,并确定安装方向。
2)、螺栓连接的阀门在关闭下安装。
3)、安装前检查阀门是否灵活,存在的问题在安装前处理好。
4)、阀门安装要便于操作、维修,符合安全及需方要求。
5)、先用掉葫芦将阀门放到井下,然后再在井下搭建支架,将阀门吊起,掉在合适的位置安装螺栓及垫片,对好垫片位置上好螺栓。
6)、检查阀门是否牢固。
7)、先开其中任意一个阀门,检查是否存在问题,如果存在问题,将阀门关
闭。
8)、处理好后在开另外一个阀门,如果正常进行手动测试,在电动调试。
5、施工完成后,工完料净产地清。
6、拆装阀门预计用时为6个小时。
新疆克拉玛依市桑达通讯建设有限公司 2011年11月
HAFNIUM(新港)石油开发公司流化床工业水池改造
示意图。
浙江舟山世纪太平洋化工有限公司化工品中转基地罐区储运系统阻火呼吸阀检修方案确认书检修方:上海顺发炼化设备厂业主方:舟山世纪太平洋化工有限公司目录1、工程概况 (2)2、编制依据 (2)3、施工方案概述 (2)4、施工准备 (2)5、安装方案 (3)6、质量管理 (6)7、HSE管理 (7)8、施工机具及措施用料 (8)9、施工记录表格 (8)1、工程概况受浙江舟山世纪太平洋化工有限公司(又称业主)委托,上海顺发炼化设备厂(又称检修方)对业主的化工品中转基地罐区储运系统26台储罐的呼吸阀投产运行至今的使用情况进行逐罐逐台专项的检查。
对发现的存在的问题予以记录备案,并提出实际的、切实可靠的维护保养改进措施以消除隐患,确保阻火呼吸阀各项操作的性能的正常和储罐运行的安全。
2、编制依据业主提供的储罐分布图、施工安全手册及上海顺发炼化设备厂提供的阻火呼吸阀使用说明书。
3、检查方案概述业主在确保罐顶操作环境,检修方遵守进场规定的前提下,进行呼吸阀的检查操作。
主要分为检查前的准备、检查的实施、检查结论汇总等3个方面。
4、检查前的准备4.1业主相关部门的准备4.1.1根据业主生产运行部提供的呼吸阀所在储罐的运行规律,确定适宜的施工时间为每天上午5:00~8点和下午18~22点。
4.1.2业主生产运行部根据呼吸阀的检查施工进度或装置实际运行状况,确定被检查的呼吸阀储罐编号,确保罐内操作压力低于1300Pa。
4.1.3业主生产运行部确保在检修方进场前60分钟对被检查储罐进行氮封处理。
4.1.4业主生产运行部对呼吸阀出气口气体取样分析,确保在安全的情况下,告知检修方检查施工。
4.1.5业主在检修作业现场派员监护并提供便携式防爆手电照明工具及干粉灭火器。
4.2施工维修方的准备4.2.1根据业主的提供的适宜的施工时间,提前1天进行作业申请。
4.2.2根据业主提供的施工安全手册库区安全规定要求,确保进场施工的必要条件——严禁携带香烟、火柴、打火机进入库区;不配带移动手机、手表、戒指、首饰及任何易脱落的吊件或挂件攀登储罐或在罐顶作业。
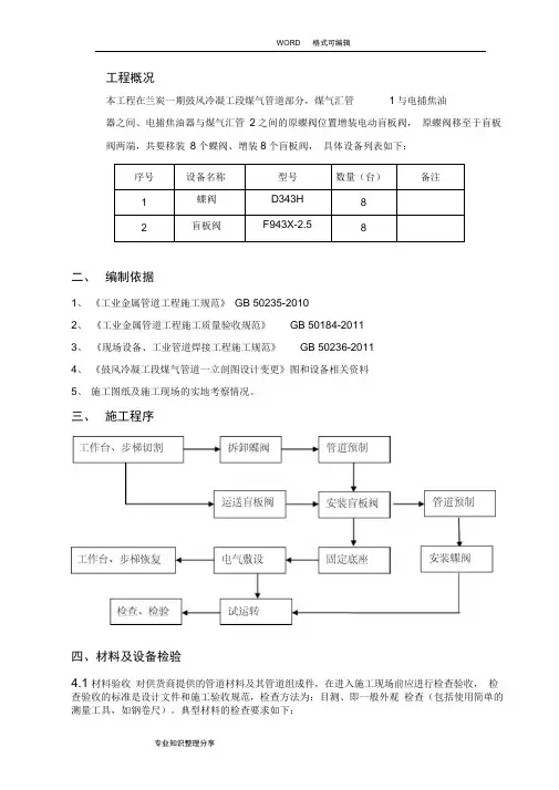
工程概况本工程在兰炭一期鼓风冷凝工段煤气管道部分,煤气汇管1与电捕焦油器之间、电捕焦油器与煤气汇管2之间的原蝶阀位置增装电动盲板阀,原蝶阀移至于盲板阀两端,共要移装8个蝶阀、增装8个盲板阀,具体设备列表如下:二、编制依据1、《工业金属管道工程施工规范》GB 50235-20102、《工业金属管道工程施工质量验收规范》GB 50184-20113、《现场设备、工业管道焊接工程施工规范》GB 50236-20114、《鼓风冷凝工段煤气管道一立剖图设计变更》图和设备相关资料5、施工图纸及施工现场的实地考察情况。
三、施工程序四、材料及设备检验4.1材料验收对供货商提供的管道材料及其管道组成件,在进入施工现场前应进行检查验收,检查验收的标准是设计文件和施工验收规范,检查方法为:目测、即一般外观检查(包括使用简单的测量工具,如钢卷尺)。
典型材料的检查要求如下:(1)一般管道及其组成件外表面应无裂纹、缩孔、夹渣、折迭、重皮、凹陷及其它机械损伤等缺陷,规格尺寸应符合材料预算要求。
(2)法兰密封面不得有径向划痕,其它部位应符合(1)的要求。
(3)缠绕垫不得有松散、翘曲等缺陷,石棉垫表面应平整光滑,不得有气泡、分层、折皱等缺陷,八角垫、椭圆型垫不允许有划痕。
(4)螺栓、螺母的螺纹应完整、无划痕、毛刺等缺陷,并应配合良好,无松动或卡涩现象,应有材质标记。
(5)质量证明文件应符合相应标准要求,技术指标应符合设计文件要求。
4.2设备检验a•装箱清单,设备和设计技术文件应齐全,并附有厂合格证、质量证明书及安装说明等技术文件;设备、材料的数量、型号和规格应符合设计规定;机电设备应无缺损件,表面应无损坏、变形和锈蚀等情况;b. 阀门安装前应进行外观质量检查,阀体应完好,开启机构应灵活,阀杆应无歪斜、变形、卡涩现象,标牌应齐全。
c. 进行壳体压力试验和密封试验,对具有上密封结构的阀门进行上密封试验。
阀门的壳体试验压力应为阀门在20C时最大允许工作压力的1.5倍,密封试验压力为阀门在20 E时最大允许工作压力的1.1倍.阀门在试验压力下的持续时间不得小于5mi n。
★ 石油化工安全环保技术 ★阻火呼吸阀是储罐重要的安全和环保设备,不仅可以防止储罐因超压和超真空遭受损坏,而且能够有效阻灭油气闪爆或者燃烧,保护储罐安全,把大量油气封闭在储罐内,减少储罐VOCs 排放。
紧急泄压阀是防止储罐在紧急事故状态下,比如罐内外发生火灾、氮封阀失效,大量气体涌入罐内时,避免产生的急剧升压破坏储罐。
传统分体式阻火呼吸阀和紧急泄压阀存在本质不安全,密封差,泄漏量大,储罐氮气耗损高等问题,已经不能满足国家最新的安全和环保要求。
文章分析了在用阻火呼吸阀和紧急泄压阀现状,介绍了新型高效一体式阻火呼吸阀及紧急泄压阀技术在某炼化企业储罐区的应用效果。
VOCs 是挥发性有机物的总称,包括烷烃、芳香烃、烯烃、卤烃、脂、醛以及酮8大类化合物,共300多种。
研究发现:VOCs 是导致PM2.5和雾霾形成的主要原因。
长期接触VOCs 气体会导致一系列呼吸系统疾病,引起白血病、肝肾功能衰竭,增加癌症发病率,对环境和人体有严重的危害性。
自2013年以来,国家生态环境部相继出台了一系列政策、法律法规,确保VOCs 的治理进程,包括“大气污染防治行动计划”(大气十条),《京津冀及周边地区落实大气污染防治行动计划收稿日期:2020-08-03作者简介:张慧,女,2004年毕业于北京交通大学人力资源管理专业,主要从事安全和环保管理工作,工程师。
电话:************,E-mail:****************新型高效一体式阻火呼吸阀及紧急泄压阀 在炼化企业储罐区VOCs 治理中的应用张 慧(中国石油化工股份有限公司沧州分公司,河北 沧州 061000)摘 要:传统的分体式阻火呼吸阀和紧急泄压阀结构不合理,本质不安全,泄漏量大,不能满足日益严格的安全和环保要求。
介绍了一种新型高效的一体式阻火呼吸阀和紧急泄压阀,其结构合理,本质安全,密封性能高,可满足国际和国内现行最严格的环保标准。
新型高效一体式阻火呼吸阀和紧急泄压阀在储罐区的实际应用收到了良好效果,能够大幅减少储罐区VOCs 排放,同时节省大量氮封气。
阻火呼吸阀拆检施工方案及流程一、施工方案概述。
1.1 施工前准备。
首先呢,咱得把工具啥的都准备齐全喽。
这就好比打仗前得把武器弹药备齐一样。
要用到的工具,像扳手、螺丝刀这些那是一个都不能少。
而且呀,还得了解这个阻火呼吸阀的基本构造和工作原理,不然就像盲人摸象,乱搞一通可不行。
这时候就得去翻翻设备的说明书或者相关资料,做到心中有数。
1.2 安全措施。
安全可是重中之重啊,这就如同走路得看脚下一样。
施工人员必须得佩戴好安全帽、防护手套这些防护用品。
施工现场周围呢,要设置警示标识,告诉其他人这儿正在施工,别瞎闯。
要是在一些特殊环境,比如有易燃易爆气体的地方,还得有防火防爆的措施,像灭火器得放在旁边随时待命。
二、拆检流程。
2.1 拆卸外部连接部件。
先从外面下手,把那些连接在阻火呼吸阀上的管道、法兰啥的给卸下来。
拆卸的时候可得小心点儿,别使蛮劲,就像拆个精密的小玩意儿似的。
用扳手慢慢拧松螺栓,按照对角的顺序来拧,这样能保证受力均匀,不至于把部件给搞坏了。
要是碰到锈住的螺栓,可别硬来,可以喷点除锈剂,等一会儿再拧,这就叫对症下药。
2.2 取出阻火芯。
把外面的连接部件拆了之后,就该把阻火芯拿出来瞅瞅了。
这阻火芯可是个关键的部件,就像人的心脏一样重要。
取的时候要轻拿轻放,防止它受到碰撞或者损坏。
仔细看看阻火芯有没有堵塞啊,有没有被腐蚀的地方。
要是发现有杂物堵塞,那就得把杂物清理干净,可不能含糊,这就好比打扫卫生不能留死角一样。
2.3 检查阀盘和阀座。
接下来就是检查阀盘和阀座了。
这俩部件得配合得严丝合缝才行,就像齿轮之间得咬合得精准一样。
看看阀盘有没有磨损,阀座表面是不是平整。
要是有磨损或者不平整的地方,那就得考虑是修复还是更换了。
如果磨损不太严重,可以进行研磨修复,就像打磨一件艺术品一样,慢慢把它磨平,让它恢复原来的状态。
三、组装与测试。
3.1 组装。
等检查完了,没问题了,就可以开始组装了。
组装的时候按照拆卸的逆顺序来操作。
阻火呼吸阀安装施工方案一、施工前准备工作1.根据设计要求和施工图纸,确定阻火呼吸阀的型号、规格和数量。
2.购买所需的施工材料和设备,包括阻火呼吸阀、管材、管件、密封胶、螺丝等。
3.确定施工区域,清理施工区域,确保施工区域干净、整洁,并满足安全要求。
4.检查施工区域的涂装和墙面是否完好,如有需要,进行修复和翻新。
二、施工步骤1.根据设计图纸和规范,确定阻火呼吸阀的安装位置。
2.根据阻火呼吸阀的尺寸和规格,用标尺、铅笔和水平仪在施工区域上画出安装点的位置和水平线。
3.使用电钻和钻头在预定位置上钻孔,确保钻孔位置准确无误。
4.使用适合的螺丝和螺帽将阻火呼吸阀固定在钻孔位置上,确保安装稳固可靠。
5.使用相应的管材和管件连接阻火呼吸阀与通风管道系统。
6.使用螺丝刀和扳手将管材和管件连接牢固,并使用密封胶密封接口处,确保无漏气。
7.检查阻火呼吸阀和管道的固定和连接是否牢固可靠,调整和加固必要的部分。
8.清理施工区域,将施工过程中产生的垃圾和杂物清理干净。
三、安全措施1.在进行施工前,工作人员应进行相关的安全培训,了解施工过程中的安全注意事项和应急措施。
2.施工现场应设置明显的安全警示标志,提醒工作人员和他人注意施工现场的危险。
3.工作人员应佩戴适合的个人防护装备,如安全帽、防尘口罩、工作手套等。
4.在施工过程中,应注意阻火呼吸阀和管道的选用和安装,确保产品的质量和安全性能。
5.当施工现场有其他施工工作进行时,应加强工作人员之间的协调与合作,避免安全事故的发生。
6.施工结束后,检查施工区域是否干净,没有遗留的材料和设备。
四、质量控制1.施工现场应有专人进行巡查和监督,确保施工过程符合设计要求和规范要求。
2.施工过程中,应进行仪器测量和检测,确保安装位置和连接的精度和质量。
3.完成阻火呼吸阀的安装后,应进行试运行和检验,确保产品的正常使用和安全性能。
4.施工完成后,应进行验收,确保阻火呼吸阀的安装质量和性能符合要求。
阻火呼吸阀拆检施工方案及流程下载温馨提示:该文档是我店铺精心编制而成,希望大家下载以后,能够帮助大家解决实际的问题。
文档下载后可定制随意修改,请根据实际需要进行相应的调整和使用,谢谢!并且,本店铺为大家提供各种各样类型的实用资料,如教育随笔、日记赏析、句子摘抄、古诗大全、经典美文、话题作文、工作总结、词语解析、文案摘录、其他资料等等,如想了解不同资料格式和写法,敬请关注!Download tips: This document is carefully compiled by theeditor. I hope that after you download them,they can help yousolve practical problems. The document can be customized andmodified after downloading,please adjust and use it according toactual needs, thank you!In addition, our shop provides you with various types ofpractical materials,such as educational essays, diaryappreciation,sentence excerpts,ancient poems,classic articles,topic composition,work summary,word parsing,copy excerpts,other materials and so on,want to know different data formats andwriting methods,please pay attention!一、方案制定1.1 确定施工地点和时间:选择安全、易于施工的场地,并避开高峰期,确保施工顺利进行。
一、工程概略本工程在兰炭一期鼓风冷凝工段煤气管道部分,煤气汇管 1 与电捕焦油器之间、电捕焦油器与煤气汇管 2 之间的原蝶阀地点增装电动盲板阀,原蝶阀移至于盲板阀两头,共要移装8 个蝶阀、增装 8 个盲板阀,详细设施列表以下:序号设施名称型号数目(台)备注1蝶阀D343H82盲板阀8二、编制依照1、《工业金属管道工程施工规范》GB 50235-20102、《工业金属管道工程施工质量查收规范》GB 50184-20113、《现场设施、工业管道焊接工程施工规范》GB 50236-20114、《鼓风冷凝工段煤气管道—立剖图设计更改》图和设施有关资料5、施工图纸及施工现场的实地观察状况。
三、施工程序工作台、步梯切割拆卸蝶阀管道预制运送盲板阀安装盲板阀管道预制工作台、步梯恢复电气敷设固定底座安装蝶阀检查、检验试运行四、资料及设施检验4.1 资料查收对供货商供给的管道资料及其管道构成件,在进入施工现场前应进行检查查收,检查查收的标准是设计文件和施工查收规范,检查方法为:目测、即一般外观检查(包含使用简单的丈量工具,如钢卷尺)。
典型资料的检查要求以下:(1)一般管道及其构成件表面面应无裂纹、缩孔、夹渣、折迭、重皮、凹陷及其余机械损害等缺点,规格尺寸应切合资料估算要求。
(2)法兰密封面不得有径向划痕,其余部位应切合( 1)的要求。
(3)环绕垫不得有松懈、翘曲等缺点,石棉垫表面应平坦圆滑,不得有气泡、分层、折皱等缺点,八角垫、椭圆型垫不同意有划痕。
(4)螺栓、螺母的螺纹应完好、无划痕、毛刺等缺点,并应配合优秀,无松动或卡涩现象,应有材质标志。
(5)质量证明文件应切合相应标准要求,技术指标应切合设计文件要求。
4.2 设施检验a.装箱清单,设施和设计技术文件应齐备,并附有厂合格证、质量证明书及安装说明等技术文件;设施、资料的数目、型号和规格应切合设计规定;机电设施应无缺损件,表面应无破坏、变形和锈蚀等状况;b.阀门安装前应进行外观质量检查,阀体应完满,开启机构应灵巧,阀杆应无倾斜、变形、卡涩现象,标牌应齐备。
阻火呼吸阀技术参数
阻火呼吸阀技术参数
阻火呼吸阀技术参数,是衡量阻火呼吸阀性能和质量的关键指标。
在防火保护系统中,阻火呼吸阀是至关重要的组成部分,它能够阻止火势扩散、控制烟雾蔓延,保障人员的生命安全。
因此,掌握阻火呼吸阀技术参数十分必要。
首先,我们来看看阻火呼吸阀的阻气系数。
阻气系数是指阻碍气体通过的程度,它与阀门的孔径大小、形状和材质有关。
阻气系数越小,则防火效果越好。
目前市面上的阻火呼吸阀,阻气系数一般在1.5~2.5之间。
其次,阻火呼吸阀的启闭时间也是重要参数之一。
启闭时间过长会导致防火效果不理想,因此,良好的阻火呼吸阀在启闭时间上应当能够实现瞬间响应。
标准的阻火呼吸阀启闭时间一般在1秒以内。
此外,阻火呼吸阀的密封性能也是关键指标。
好的阻火呼吸阀应当具有良好的密封性,能够有效抑制火势的蔓延。
目前市面上常见的阻火呼吸阀密封性能要求为压差25Pa下漏气量不大于10mL/s。
最后,我们需要了解的是阻火呼吸阀的耐火能力。
良好的阻火呼吸阀
应当能够承受高温、高压的环境,保持稳定的防火效果。
针对不同的场合和用途,阻火呼吸阀的耐火能力要求也不尽相同。
在选择阻火呼吸阀时,除了考虑以上技术参数之外,还应当根据实际需要选购合适的规格和型号,以及结合建筑的特点和设计要求进行综合考虑。
阻火呼吸阀技术参数虽然看起来复杂,但对于保障一栋建筑的防火安全而言,每个指标都至关重要。
希望今后能够有更多的优秀阻火呼吸阀产品能够问世,为我们的生活和工作带来更多的保障和便利。
防爆阻火呼吸阀执行标准(一)防爆阻火呼吸阀执行标准1. 背景介绍•防爆阻火呼吸阀是一种用于控制燃烧过程中产生的压力和温度的装置。
•防爆阻火呼吸阀具有重要的安全功能,能有效预防爆炸事故的发生。
2. 标准概述•防爆阻火呼吸阀执行标准是为了规范防爆阻火呼吸阀的设计、生产和使用过程,确保其安全可靠。
•标准设立的目的是保障人员生命安全、维护生产设备的正常运行以及防止环境污染。
3. 标准内容•标准对防爆阻火呼吸阀的材质、结构、工艺及检测方法等方面进行了详细规定,包括但不限于以下内容:–材质要求:选择适用的材料,确保防爆阻火呼吸阀具备耐高温、耐腐蚀等特性。
–结构设计:要求合理的结构设计,确保阻火效果、防爆性能和通气能力达到标准要求。
–生产工艺:规范生产工艺,确保防爆阻火呼吸阀的加工质量和稳定性。
–检测方法:明确检测的要求和方法,确保防爆阻火呼吸阀的性能符合标准要求。
4. 标准执行•防爆阻火呼吸阀的生产企业应当严格按照该标准执行,加强质量控制,确保产品合格。
•用户单位在使用防爆阻火呼吸阀时,应当遵守标准要求,按照正确的方法进行安装和维护。
•相关监管部门应加强对防爆阻火呼吸阀行业的监管,确保市场上销售的产品符合标准要求。
5. 标准的意义•防爆阻火呼吸阀执行标准的实施,有利于防止爆炸事故的发生,保护人员的生命安全。
•标准的推行还能提高防爆阻火呼吸阀行业的整体技术水平,推动企业的创新与发展。
•同时,标准的实施有助于增强企业和产品在国际市场上的竞争力。
以上是对防爆阻火呼吸阀执行标准的简要介绍,希望该标准的推行能够有效提升安全生产水平,确保人员的生命安全和设备的正常运行。
防爆阻火呼吸阀安装要注意的事项在正常情况下,罐内外的压力下相等时,呼出阀盘与吸入阀都处于关闭状态;当罐内压力上升达到定压值时,作用在呼出阀盘的作用力大于呼出阀盘的重力,此时呼出阀盘打开,吸入阀盘依然关闭,罐内与罐外联通,压力得到释放,当罐内外压力相等时,呼出阀盘关闭,从而保证了储罐的安全;当罐内压力下降达到定压值时,作用在吸入阀盘上的作用力大于吸入阀盘的重力,此时吸入阀盘打开,呼出阀盘依然关闭,罐内与罐外联通,罐内压力迅速得到回升,当罐内外压力相等,吸入法盘关闭,从而使储罐处于安全状态。
安装及注意事项:呼吸阀还可以和气封系统一起使用。
常用的气封气体有氮气、燃料气等。
当罐内物料被泵抽出,或由于温度降低,罐内的气体冷凝收缩时,要补入气封防止空气进入罐内。
当向罐内送料或温度升高使罐内压力升高时,呼吸阀自动打开,将超压的气体排入大气。
当罐内压力低于大气压,而气封系统又不能正常工作,呼吸阀内的真空阀开启,空气进入罐内保证储罐不受破坏。
呼吸阀和气封系统一起使用时应该注意下如下:呼吸阀是固定在储罐顶上的通风装置,以保证罐内压力的正常状态,防止罐内超压或真空使储罐遭受损坏,也可减少罐内液体挥发损失。
根据中国《石油化工设计防火规范》(GB50160-92)的规定:“甲、乙类液体的固定顶罐,应设阻火器和呼吸阀。
在正常情况下,罐内外的压力下相等时,呼出阀盘与吸入阀都处于关闭状态;当罐内压力上升达到定压值时,作用在呼出阀盘的作用力大于呼出阀盘的重力,此时呼出阀盘打开,吸入阀盘依然关闭,罐内与罐外联通,压力得到释放,当罐内外压力相等时,呼出阀盘关闭,从而保证了储罐的安全;当罐内压力下降达到定压值时,作用在吸入阀盘上的作用力大于吸入阀盘的重力,此时吸入阀盘打开,呼出阀盘依然关闭,罐内与罐外联通,罐内压力迅速得到回升,当罐内外压力相等,吸入法盘关闭,从而使储罐处于安全状态。
安装及注意事项:呼吸阀还可以和气封系统一起使用。
常用的气封气体有氮气、燃料气等。
世纪太平洋化工
化工品中转基地罐区储运系统
阻火呼吸阀
检
修
方
案
确
认
书
检修方:顺发炼化设备厂
业主方:世纪太平洋化工
目录
1、工程概况 (2)
2、编制依据 (2)
3、施工方案概述 (2)
4、施工准备 (2)
5、安装方案 (3)
6、质量管理 (6)
7、HSE管理 (7)
8、施工机具及措施用料 (8)
9、施工记录表格 (8)
1、工程概况
受世纪太平洋化工(又称业主)委托,顺发炼化设备厂(又称检修方)对业主的化工品中转基地罐区储运系统26台储罐的呼吸阀投产运行至今的使用情况进行逐罐逐台专项的检查。
对发现的存在的问题予以记录备案,并提出实际的、切实可靠的维护保养改进措施以消除隐患,确保阻火呼吸阀各项操作的性能的正常和储罐运行的安全。
2、编制依据
业主提供的储罐分布图、施工安全手册及顺发炼化设备厂提供的阻火呼吸阀使用说明书。
3、检查方案概述
业主在确保罐顶操作环境,检修方遵守进场规定的前提下,进行呼吸阀的检查操作。
主要分为检查前的准备、检查的实施、检查结论汇总等3个方面。
4、检查前的准备
4.1业主相关部门的准备
4.1.1根据业主生产运行部提供的呼吸阀所在储罐的运行规律,确定适宜的施工时间为每天上午5:00~8点和下午18~22点。
4.1.2业主生产运行部根据呼吸阀的检查施工进度或装置实际运行状况,确定被检查的呼吸阀储罐编号,确保罐操作压力低于1300Pa。
4.1.3业主生产运行部确保在检修方进场前60分钟对被检查储罐进行氮封处理。
4.1.4业主生产运行部对呼吸阀出气口气体取样分析,确保在安全的情况下,告知检修方检查施工。
4.1.5业主在检修作业现场派员监护并提供便携式防爆手电照明工具及干粉灭火器。
4.2施工维修方的准备
4.2.1根据业主的提供的适宜的施工时间,提前1天进行作业申请。
4.2.2根据业主提供的施工安全手册库区安全规定要求,确保进场施工的必要条件——严禁携带香烟、火柴、打火机进入库区;不配带移动手机、手表、戒指、首饰及任何易脱落的吊件或挂件攀登储罐或在罐顶作业。
4.2.3配备个人安全防护装置——安全帽、防静电服装、工作鞋和操作用棉手套。
4.2.4必要的检查用防爆工具——铜扳手。
5、检查的实施
5.1施工维修方将当日的作业申请单按要求交1份给业主生产运行部中控室,便于对现场工作的监控、调度和协调。
5.2进入罐区和攀登罐前,应触摸静电释放装置以消除上的静电。
5.3对罐上所有呼吸阀进行逐台检查,不能遗漏。
5.4对发现的问题按要求填写《阻火呼吸阀检查记录》。
5.5在拆卸和安装呼吸阀零件时,注意轻拿轻放,要文明施工,不要野蛮操作。
5.6请理检查后的杂物,罐顶没有遗漏工具或零配件。
5.7撤离罐区时同样要进行身体静电的释放。
5.8 将当日随身携带的作业单交由业主生产运行部中控室处理。
5.9现场监护人员随时做好呼吸阀出口可燃气体的检测,确保作业安全。
6、检查记录汇总
6.1对所有呼吸阀的检查记录进行汇总。
6.2根据汇总结果,提出维护修理的方案供业主参考。
7、HSE管理
7.1、HSE管理组织机构
7.2、进场前所有施工人员要认真学习各项政策法规和制度,贯彻落实“安全第一,预
防为主”的方针,对职工进行安全教育,使全体施工人员的安全意识变为具体的行动。
7.3、做好工程的安全工作就是要“消灭事故”,各项工作必须把安全工作放在首位,各人员各工种都要制定相应的安全措施,对达不到安全施工条件的决不盲目施工,杜绝各种习惯性的违章作业发生。
8、施工机具及措施用料
主要施工机具设备明细表
JHA危害因素分析表
项目名称:储运系统阻火呼吸阀检修
项目所在地:世纪太平洋化工。