美式箱变设计.
- 格式:doc
- 大小:175.50 KB
- 文档页数:20
美式箱变和欧式箱变由于结构不同可靠性不同,应用的场合也不同。
现将两种箱变的基本情况分别介绍如下:一、美式箱变和欧式箱变的区别:1、美式箱变:1)、箱变的接线形式一路或两路10KV进线;单台变压器,容量一般选用500KVA~800KVA;低压出线电缆4~6路。
2)、箱变的主要部件变压器、10KV环网开关、10KV电缆插头、低压桩头箱体等主要部件组成。
它具体积小、有造价低便于安装等优点。
美式箱变的优缺点3)、优点:体积小占地面积小、便于安放、便于伪装,容易与小区的环境相协调。
可以缩短低压电缆的长度,降低线路损耗,还可以降低供电配套的造价。
4)、缺点:供电可靠性低;无电动机构,无法增设配电自动化装置;无电容器装置,对降低线损不利;噪音较Ⅲ型站和Ⅴ型站要高,因为Ⅲ型站和Ⅴ型站是将变压器安放在室内,起到隔音的作用;另外,将Ⅲ型站和Ⅴ型站的集中一电磁辐射分解成多点辐射;由于不同容量箱变的土建基础不同,使箱变的增容不便;当箱变过载后或用户增容时,土建要重建,会有一个较长的停电时间,增加工程的难度。
2、欧式箱变:1)、箱变的接线形式a、单台配变形式—两路10KV进线;单台变压器容量一般在500KVA~800KVA;低压出线电缆一般为4~6路。
b、两台配变形式—两路10KV进线;两台变压器,每台变压器的容量在500KVA~800KKVA;低压出线电缆一般为8~12路。
2)、箱变的主要部件变压器、10KV环网开关柜、低压电容器、低压开关等主要部件组成,相当于将Ⅲ型站的设备紧凑安装在金属的箱体内,使Ⅲ型站小型化。
欧式箱变的体积比美式箱变要高要大,造价也比美式箱变要大。
3)、优点:噪音与Ⅲ型站和Ⅰ型站相当;辐射较美式箱变要低,因为欧式箱变的变压器是放在金属的箱体内起到屏蔽的作用;可以设置配电自动化,不但具有Ⅲ型站和Ⅰ型站的优点,而且还有美式箱变的主要优点。
4)、缺点:体积较大,不利于安装,对小区的环境布置有一定的影响;二、由于箱变的结构的不同使用的地方也不同,供电的网络也不同因为美式箱变和欧式箱变的结构不同可靠性不同,因此适用的场合也不同。
箱式变压器箱式变压器将传统变压器集中设计在箱式壳体中,具有体积小、重量轻、低噪声、低损耗、高可靠性,广泛应用于住宅小区、商业中心、轻站、机场、厂矿、企业、医院、学校等场所。
组合式变压器(俗称美式箱变也叫箱式变压器)是将变压器、高压受电部分的负荷开关及保护装置、低压配电装置、低压计量系统和无功补偿装置组合在一起的成套变配电设备。
组合式变压器(俗称美式箱变)组合式变压器(俗称美式箱变)主要特点:全密封、全绝缘、结构紧凑、外形美观、体积仅为箱式变电站(欧式箱变)的1/3左右。
无须配电房,可直接安放在室内或室外,也可安放在街道两旁和绿化带内,可靠地保证了人身安全,既是供电设施,又可装点环境。
组合式变压器(俗称美式箱变也叫箱式变压器)可用于终端供电和环网供电,转换十分方便,保证了供电的可靠性、灵活性。
采用双熔丝全范围保护方式,大大降低了运行成本。
10kV套管电缆头可在200A负荷电流下多次插拔,在紧急情况下作负荷开关使用,并具有隔离开关的特点。
组合式变压器(俗称美式箱变也叫箱式变压器)采用国内9型、11型配电变压器,损耗低,噪音低,使用寿命长。
箱式变电站的特点箱式变电站主要由多回路高压开关系统、铠装母线、变电站综合自动化系统、通讯、远动、计量、电容补偿及直流电源等电气单元组合而成,安装在一个防潮、防锈、防尘、防鼠、防火、防盗、隔热、全封闭、可移动的钢结构箱体内,机电一体化,全封闭运行,主要有以下特点:(1)技术先进安全可靠:箱体部分采用目前国内领先技术及工艺,外壳一般采用镀铝锌钢板,框架采用标准集装箱材料及制作工艺,有良好的防腐性能,保证20年不锈蚀,内封板采用铝合金扣板,夹层采用防火保温材料,箱体内安装空调及除湿装置,设备运行不受自然气候环境及外界污染影响,可保证在-40℃~+40℃的恶劣环境下正常运行。
箱体内一次设备采用全封闭高压开关柜(如:XGN型)、干式变压器、干式互感器、真空断路器,弹簧操作机构、旋转隔离开关等国内技术领先设备,产品无裸露带电部分,为全封闭、全绝缘结构,完全能达到零触电事故,全站可实现无油化运行,安全性高,二次采用微机综合自动化系统,可实现无人值守。
美式箱变和欧式箱变的区别(2)1、美式箱变:1)箱变的接线形式一路或两路10KV进线;单台变压器,容量一般选用500KVA~800KVA;低压出线电缆4~6路。
2)箱变的主要部件变压器、10KV环网开关、10KV电缆插头、低压桩头箱体等主要部件组成。
它具体积孝有造价低便于安装等优点。
美式箱变的优缺点3)优点:体积小占地面积孝便于安放、便于伪装,容易与小区的环境相协调。
可以缩短低压电缆的长度,降低线路损耗,还可以降低供电配套的造价。
4)缺点:供电可靠性低;无电动机构,无法增设配电自动化装置;无电容器装置,对降低线损不利;噪音较Ⅲ型站和Ⅴ型站要高,因为Ⅲ型站和Ⅴ型站是将变压器安放在室,起到隔音的作用;另外,将Ⅲ型站和Ⅴ型站的集中一电磁辐射分解成多点辐射;由于不同容量箱变的土建基础不同,使箱变的增容不便;当箱变过载后或用户增容时,土建要重建,会有一个较长的停电时间,增加工程的难度。
2、欧式箱变:1)箱变的接线形式a、单台配变形式—两路10KV进线;单台变压器容量一般在500KVA~800KVA;低压出线电缆一般为4~6路。
b、两台配变形式—两路10KV进线;两台变压器,每台变压器的容量在500KVA~800KKVA;低压出线电缆一般为8~12路。
2)箱变的主要部件变压器、10KV环网开关柜、低压电容器、低压开关等主要部件组成,相当于将Ⅲ型站的设备紧凑安装在金属的箱体,使Ⅲ型站小型化。
欧式箱变的体积比美式箱变要高要大,造价也比美式箱变要大。
3)优点:噪音与Ⅲ型站和Ⅰ型站相当;辐射较美式箱变要低,因为欧式箱变的变压器是放在金属的箱体起到屏蔽的作用;可以设置配电自动化,不但具有Ⅲ型站和Ⅰ型站的优点,而且还有美式箱变的主要优点。
4)缺点:体积较大,不利于安装,对小区的环境布置有一定的影响;二、由于箱变的结构的不同使用的地方也不同,供电的网络也不同因为美式箱变和欧式箱变的结构不同可靠性不同,因此适用的场合也不同。
10kV终端型美式箱变技术规范书工程项目:XXX公司年月1总则1.1本设备技术规范书适用于10kV终端型美式箱变,本技术规范书提出了该产品的功能设计、结构、性能、和试验等方面的技术要求。
1.2需方在本规范书中提出了最低限度的技术要求,并未规定所有的技术要求和适用的标准,未对一切技术细则作出规定,也未充分引述有关标准和规范的条文,供方应提供一套满足本规范书和现行有关标准要求的高质量产品及其相应服务。
1.3如果供方没有以书面形式对本规范书的条款提出异议,则意味着供方提供的设备(或系统)完全满足本规范书的要求。
如有异议,应在投标书中以“对规范书的意见和与规范书的差异”为标题的专门章节加以详细描述。
1.4本设备技术规范书经需供双方确认后作为订货合同的技术附件,与合同正文具有同等的法律效力。
1.5供方须执行现行国家标准和行业标准。
应遵循的主要现行标准如下。
本技术规范出版时,所示版本均为有效。
所有标准都会被修订,供需双方应探讨使用下列标准最新版本的可能性。
有矛盾时,按现行的技术要求较高的标准执行。
DL/T 537-2002 《高压/低压预装箱式变电站选用导则》GB/T 17467-1998 《高压/低压预装式变电站》JB/T 10217-2000 组合式变压器GB/T17467-1998《高压/低压预装式变电站》GB/T11022-1999《高压开关设备和控制设备标准的共同技术要求》GB/T14048-1993《低压开关设备和控制设备总则》DL/T537-2002《6~35kV箱式变电站订货技术条件》1.6本设备技术规范书未尽事宜,由需供双方协商确定。
1.7供方应获得ISO9000(GB/T 19000)资格认证书或具备等同质量认证证书,必须已经生产过三台以上或高于本招标书技术规范的设备,并在相同或更恶劣的运行条件下持续运行三年以上的成功经验。
提供的产品应有鉴定文件或等同有效的证明文件。
对于新产品,必须经过挂网试运行,并通过产品鉴定。
(1)与同容量的欧式箱变相比较,美式箱变的结构更为合理:由于欧式箱变是将变压器及普通的高压电器设备装于同一个金属外壳箱体中,变压器室温很高,引起散热困难,影响出力;另一方面在箱体中采用普通的高压负荷开关和熔断器、低压开关柜,所以箱式变体积较大。
美式箱变与欧式箱变结构上不一样。
从布置上看,其低压室、变压器室、高压室不是目字型布置,而是品字型布置。
从结构上看,这种箱式变分为前、后两部分:前面为高、低压操作间隔,操作间隔内包括高低压接线端子,负荷开关操作柄,无载调压分节开关,插入式熔断器,油位计等;后部为注油箱及散热片,将变压器绕组、铁芯、高压负荷开关和熔断器放入变压器油箱中。
避雷器也采用油浸式金属氧化物避雷器。
变压器取消油枕,采取油加气隙体积恒定原则设计密封式油箱,油箱及散热器暴露在空气中,没有散热困难。
低压断路器采用塑壳断路器作为主断路器及出线断路器。
由于结构简化,这种箱式变电站的占地面积和体积大大减小,由于其体积很小再加上只是一侧开门,其所需占地面积仅是欧式箱变的1/4,体积仅为同容量欧式箱变的1/5~1/3。
(2)保护方式简单:美式箱变高压侧采用熔断器保护,低压侧采用塑壳自动空气断路器保护,与我国10kV配变保护方式相同。
高压熔断器保护变压器内部故障,自动空气断路器保护低压侧线路的过电流、短路、欠电压故障。
(3)美式箱变存在的缺点:由于负荷开关浸在油里,油被电弧碳化、分解,产生乙炔等有害气体,使得性能下降,曾发生事故。
看不到明显断开点,检修不方便。
因为美国低压保护及计量方式与我国不同,美式箱变本身不带低压保护和计量。
为满足国内用户的需要,国产箱变在低压侧加装低压配电柜。
由于箱式变长期处于太阳的直晒下,影响塑壳断路器的散热,使得断路器不能正常开断负载及短路电流,易引发高压侧故障。
(项目单位名称)10 kV 箱式变电站工程10kV箱式变电站(美变)技术规范书(范本)目录表1:货物需求及供货范围一览 (3)表2:必备的备品备件、专用工具和仪器仪表供货表 (4)表3:推荐的备品备件、专用工具和仪器仪表供货表(制造厂提供) (4)投标人应具备的条件 (5)1. 总则 (6)2. 工程概况 (6)5. 技术参数和性能要求 (7)6. 拖车技术要求 (12)7. 技术差异 (13)8. 安装说明及安装示意图 (13)9. 性能试验及质量保证 (13)10.服务 (14)11. 服务承诺 (14)附录A 投标产品的销售及运行业绩表(近五年) (16)附录B 技术参数通用部分条款变更表 (16)表1:货物需求及供货范围一览10kV箱式变电站(美变): 成套组合式型号:电压: 10kV\0.4kV容量:套数:表2:必备的备品备件、专用工具和仪器仪表供货表表3:推荐的备品备件、专用工具和仪器仪表供货表(制造厂提供)投标人应具备的条件1、投标人或制造商必须具备生产投标产品所需的整体组装厂房,并进行全部出厂试验,或在国家认可的权威试验机构进行出厂试验。
2、投标人或制造商对外购原材料、配套元件和外部委托加工及进口散装的部件应具备进行进厂验收所必需的检测设备,或由生产方提供检测合格证明。
3、国产、合资工厂生产的投标产品应按现行电力行业标准(DL)、国家标准(GB)和IEC标准在有资质的试验室进行型式试验,进口产品应在国际认可的有资质的试验室进行型式试验。
4、进口的关键元件应取得供应商的供货承诺函。
5、投标人应具备相应的生产条件(检测、加工、组装、试验等)和有效的型式试验报告。
1. 总则1.1投标人应具备招标公告所要求的资质,具体资质要求详见招标文件的商务部分。
1.2投标人须仔细阅读包括本技术规范(技术规范通用和专用部分)在内的招标文件阐述的全部条款。
投标人提供的10kV美式箱变应符合招标文件所规定的要求,投标人亦可以推荐符合本招标文件要求的类似定型产品,但必须提供详细的技术偏差。
配电网美式、欧式箱变技术规范前言按照南方电网有限责任公司管理思想现代化、管理制度规范化、管理手段信息化、管理机制科学化的要求,科学地建立健全中山供电局的标准体系,指导和规范本企业配电运行管理的工作,实现配电运行管理标准化、科学化、现代化,加速技术进步和提高企业经济效益,特制定本规范。
本规范执行国家和行业有关法律、法规、规程和规范,执行南方电网公司、广东电网公司的有关文件精神,并结合中山供电局的实际而制定。
本规范由中山供电局生技部负责解释。
1.应遵循标准规范中所有设备及其备品备件,除本规范中规定的技术参数和要求外,均应遵循最新版本的国家标准(GB)、电力行业标准(DL)和国际单位制(SI)。
现行标准如下:JB/T 10217-2000 《组合式变压器》高低压开关柜相关技术标准变压器相关技术标准低压动态无功补偿装置技术标准GB3096-1993 《城市区域环境噪声标准》2. 环境及系统条件2.1环境条件2.1.1 周围空气温度最高温度: 45℃(24小时内平均值≤35℃)最热月平均温度: 30℃最低温度: -10℃最大日温差: 25K2.1.2 海拔高度: ≤1000m2.1.3 环境湿度: 日平均相对湿度不大于95%日平均水蒸汽压力值不超过2.2kPa月平均相对湿度不大于90%月平均水蒸汽压力值不超过1.8kPa2.1.4 地震烈度:7度2.1.5 污秽等级:Ⅲ级2.1.6安装场所:户内、户外2.2系统条件2.2.1 系统电压:10kV2.2.2系统频率:50Hz2.2.3系统中性点接地方式:不接地、消弧线圈接地。
3、主要电气参数及附件配置要求3.1主要电气参数3.1.1变压器接线方式为 D/yn11,空载、负载损耗执行省公司标准。
各种电气参数详见中山供电局油浸或干式变压器技术规范的要求。
3.1.2高压开关柜及低压开关的电气参数满足中山供电局高低压开关柜技术规范的要求,低压开关运行短路电流分断能力如下:1)变压器容量在315kVA及以下,其低压侧分支开关的运行额定短路电流分断能力为25kA及以上,总开关的运行额定短路电流分断能力为35kA 及以上2)变压器容量在400—630kVA之间,其低压侧开关的运行额定短路电流分断能力为35kA及以上3)变压器容量为750—1000kVA,其低压侧开关的运行额定短路电流分断能力为40kA及以上3.1.3美式箱变内的二位置或四位置负荷开关的热稳定电流按20kA/2s 选择。
图说欧式箱变、美式箱变和仿美式箱变的本质区别前言:目前国内流行有ZBW欧式箱变、ZGS美式箱变、YB-12仿美式箱变三种基本的外观类型(从功能上而言的光伏箱变、风能箱变、地埋式箱变以及智能箱变等等基本也在这个范围内),关于它们的概念、特点和区别,网上一搜一大堆信息,有相对专业一点的,有不专业的,也有信口乱说一气纯粹为了蹭流量的,下面就针对它们的本质区别,配以多幅实物(及CAD)图片,简单明了、直截了当地讲一下这几种类型箱变的不同:1、欧式箱变之所以称为欧式箱变,因为最早起源于欧洲因此才有欧式箱变之称;欧式箱变是将变压器、高压柜、低压柜共同安装于预先设计好的一个大外壳内(这个外壳代替了传统的配电房)从而完成接受和分配电能的一种配电设备。
它具有高压室、低压室、变压器室三个明显的、各自独立的功能空间;变压器可以是油浸式变压器,也可以是干式变压器。
(详见图1至图5以及图14图15)2、美式箱变,因为最早起源于美国因此才有美式箱变之称;美式箱变是将油浸式变压器吊芯(去掉外壳)(如图17图18)然后装入美式箱变自带的油箱内,没有明显的“高压柜”,高压部分的负荷开关、熔断器(均为插入式)也同变压器芯一样插入到油箱内;最后注入变压器油;低压部分是一个将进线框架断路器、出线塑壳断路器以及补偿电容等元件组合在一起的“低压小车”,其功能就是传统的“低压柜”的功能。
注意:美式箱变的变压器只能是油浸式变压器。
(详见图6至图11以及图14图15)3、仿美式箱变,其实是国产化改进型美式箱变,也叫紧凑式箱变(俗语也有的叫假美变);甚至目前很多地区直接叫“美式箱变”了(因为某些地区市场上不管真美变还是假美变直接一律做这种型式的);仿美式箱变的特点是综合采取了欧变和美变的特点,专门设计了BS11型油浸式变压器(高低压桩头、压力表、注油孔、泄油阀等所有功能桩头均改为横出方式),不再像美变那样设计油箱,直接将这种变压器与壳体连接固定好即可;注意:同美式箱变一样,仿美式箱变的变压器只能是油浸式变压器;高压柜同欧式箱变,采用真正意义上的“高压柜”;低压部分可以采用真正意义上“低压柜”型式,也可以直接用金属梁、板等搭接而成(外观看像低压柜,其实内部不是)。
美式箱变设计随着城市建设规模的扩⼤及对环境的考虑,过去的那种集中降压、长距离配电以及架空电⽹已经不能适应现代城市的供电发展。
城⽹改造要求⾼压直接进市区,变电设备深⼊负荷中⼼,电能通过地下电缆传输,配电设备与周围环境协调⼀致。
同时因为配电设备深⼊到负荷中⼼,要求运⾏可靠性⾼,⾼性能(低损耗、低噪声、⾼抗短路强度),体积要⼩型化,安装简便,免维护。
由此组合变压器应运⽽⽣。
组合变压器是20世纪90年代初从美国引⼊的技术,(所以也熟称为美式箱变)。
因其结构紧凑,安装便捷,运⾏灵活,安全可靠,维护简单等优点⽽迅速被接受。
⽬前,组合变压器已经有了飞速的发展,⽣产⼚家不完全统计已有上百家,相关元器件配套⼚家也发展有数⼗家,包括可配套⾼电压元器件。
性能优良:性能⽔平⾼,采⽤10、11型系列或⾮晶合⾦系列,损耗低、噪声低,抗短路能⼒强。
功能齐全、简单可靠:可切断负荷电流,进⾏全范围的电流保护,⾼压进线⽅式灵活(环⽹、终端),可实现断相(⽋压保护),具有变电站的基本功能。
投⼊少、占地⼩、安装⽅便、见效快;体积⼩,约为同容量组合式变电站体积的1/3,省时,安装⽅便,现场安装只需要拧紧四个螺栓及接好进出电缆即可;安全性好。
全封闭,外表⽆任何导电部件,因此⽆需考虑绝缘距离,能保证⼈⾝安全,采⽤全绝缘的肘型电缆插头配合固定在⽀座上的⾼压套管接头,插拔⽅便。
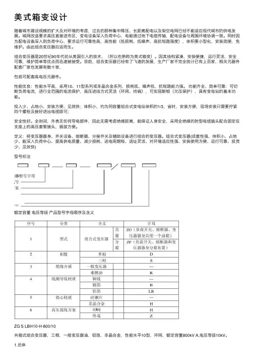
定义:将变压器器⾝、开关设备、熔断器、分接开关及辅助设备进⾏组合的变压器。
组合式变压器(成套性强、体积⼩、占地少、能深⼊负荷中⼼、提⾼供电质量、减少损耗、送电周期短、选址灵活、对环境适应性强、安装使⽤⽅便、运⾏可靠、投资少、见效快)型号标注额定容量电压等级产品型号字母顺序及含义ZG S LBH10-H-800/10共箱式组合变压器,三相,⼀般变压器油,铝箔,⾮晶合⾦,性能⽔平10型,环⽹,额定容量800kV A,电压等级10kV。
1.总体组合式变压器是⼀种将⾼压负荷开关、插⼊式熔断器、后备保护熔断器、变压器器⾝和⽆励磁开关等电器组合在⼀个密封的油箱内,由变压器油作为绝缘介质的⼀种变压器。
10kV预装式变电站(美式箱变)技术规范书10kV紧凑型美式箱变技术规范书(2008.09)⼯程项⽬:⼴西电⽹公司年⽉⽬录1 总则2 使⽤环境条件3 技术参数和要求4 试验5 监督制造6 技术资料和图纸交付进度7 运输要求8 技术服务9 附表1总则1.1本设备技术规范书适⽤于10kV美式(预装式)箱变,本技术规范书提出了该产品的功能设计、结构、性能、和试验等⽅⾯的技术要求。
1.2需⽅在本规范书中提出了最低限度的技术要求,并未规定所有的技术要求和适⽤的标准,未对⼀切技术细则作出规定,也未充分引述有关标准和规范的条⽂,供⽅应提供⼀套满⾜本规范书和现⾏有关标准要求的⾼质量产品及其相应服务。
1.3如果供⽅没有以书⾯形式对本规范书的条款提出异议,则意味着供⽅提供的设备(或系统)完全满⾜本规范书的要求。
如有异议,应在投标书中以“对规范书的意见和与规范书的差异”为标题的专门章节加以详细描述。
1.4本设备技术规范书经需供双⽅确认后作为订货合同的技术附件,与合同正⽂具有同等的法律效⼒。
1.5供⽅须执⾏现⾏国家标准和⾏业标准。
应遵循的主要现⾏标准如下。
本技术规范出版时,所⽰版本均为有效。
所有标准都会被修订,供需双⽅应探讨使⽤下列标准最新版本的可能性。
有⽭盾时,按现⾏的技术要求较⾼的标准执⾏。
DL/T 537-2002 《⾼压/低压预装箱式变电站选⽤导则》GB/T 17467-1998 《⾼压/低压预装式变电站》JB/T 10217-2000 组合式变压器GB/T17467-1998《⾼压/低压预装式变电站》GB/T11022-1999《⾼压开关设备和控制设备标准的共同技术要求》GB/T14048-1993《低压开关设备和控制设备总则》DL/T537-2002《6~35kV箱式变电站订货技术条件》《⼴西电⽹公司低压⽆功补偿及配变监测计量装置技术规范书(2007.4)》《⼴西电⽹公司电⼒需求侧管理系统数据传输规约(2005年)》第⼀部分《⼴西电⽹公司低压⽆功补偿及配变监测计量装置通信规约(2007.4)》1.6本设备技术规范书未尽事宜,由需供双⽅协商确定。
解析 35kV风电美式箱变特点及设计注意事项摘要:各种资源在人们的生活中都发挥着重要作用,而在全球经济不断发展的过程中,资源危机也来了。
当前国家想要发展,就需要对风电项目引起重视。
而人们物质生活水平不断提高,日常生活中的资源消耗在增加,人们对35KV美式箱变压器的需求也有了增长。
接下来文章将会分析35kv风电美式箱变的特点及设计过程中的注意事项,以此来满足人们的需求。
关键词:35kv风电;美式箱变;特点;设计;注意事项国家的发展和人们的生都离不开对资源的使用,而资源有些不可再生,有些可再生,其中风电就是一种可再生资源。
这种可再生资源在我国也得到了合理的利用以及广泛应用。
从我国目前使用的35KV风电箱变的结构上来讲,今天的风电箱变一共有两个类型,分别是欧式箱变和美式箱变,箱变的结构不同自然也就有着不同的特点。
对于美式箱变来说,它的结构更加封闭密实,体积较小,这也给维修带来了便利,因此美式箱变在我国应用的较多。
而为了保证美式箱变能更好的为人们的生活提供电力资源,我国还需要对美式箱变的特点和设计进行更深一步的研究。
1 35kV风电美式箱变的工作原理分析实际上风电美式箱变是一种组合变压器,这种变压器虽然常被人们称为升压变压器,但是它在工作的过程中可以对低压和高压进行转换。
之所以会这样说,是因为它在开始工作时首先会把从风力发电机中的出现的电压由0.6KV级变换到35KV级,最后再将这些电送到系统电网中。
从另一种方面来说,这种变压器的主要组成成分有高压负荷开关、熔断器、分段开关。
而这些成分也分别在变压器中的不同位置,比如高压开关和熔断器都在油箱的内部,这也是美式箱变体积比欧式箱变更加小巧的主要原因,行内的人们也亲切的称这种变压器为"风力发电用美式箱变"。
2 35kV风电美式箱变的特点2.1 在较为恶劣的环境下使用因为风电场环境的特殊性,所以在西北方、东北风以及沿海等地可以经常看到风电场的身影,在这里也能有足够的风力进行发电活动。
美式箱式变压器箱式变压器将传统变压器集中设计在箱式壳体中,具有体积小、重量轻、低噪声、低损耗、高可靠性,广泛应用于住宅小区、商业中心、轻站、机场、厂矿、企业、医院、学校等场所。
国内箱式变压器专业生产厂商有浙江江山市双鹏特种变压器厂等。
组合式变压器(俗称美式箱变也叫箱式变压器)是将变压器、高压受电部分的负荷开关及保护装置、低压配电装置、低压计量系统和无功补偿装置组合在一起的成套变配电设备。
组合式变压器(俗称美式箱变)组合式变压器(俗称美式箱变)主要特点:全密封、全绝缘、结构紧凑、外形美观、体积仅为箱式变电站(欧式箱变)的1/3左右。
无须配电房,可直接安放在室内或室外,也可安放在街道两旁和绿化带内,可靠地保证了人身安全,既是供电设施,又可装点环境。
组合式变压器(俗称美式箱变也叫箱式变压器)可用于终端供电和环网供电,转换十分方便,保证了供电的可靠性、灵活性。
采用双熔丝全范围保护方式,大大降低了运行成本。
10kV套管电缆头可在200A负荷电流下多次插拔,在紧急情况下作负荷开关使用,并具有隔离开关的特点。
组合式变压器(俗称美式箱变也叫箱式变压器)采用国内9型、11型配电变压器,损耗低,噪音低,使用寿命长。
[编辑本段]箱式变电站的特点箱式变电站主要由多回路高压开关系统、铠装母线、变电站综合自动化系统、通讯、远动、计量、电容补偿及直流电源等电气单元组合而成,安装在一个防潮、防锈、防尘、防鼠、防火、防盗、隔热、全封闭、可移动的钢结构箱体内,机电一体化,全封闭运行,主要有以下特点:(1) 技术先进安全可靠:箱体部分采用目前国内领先技术及工艺,外壳一般采用镀铝锌钢板,框架采用标准集装箱材料及制作工艺,有良好的防腐性能,保证20年不锈蚀,内封板采用铝合金扣板,夹层采用防火保温材料,箱体内安装空调及除湿装置,设备运行不受自然气候环境及外界污染影响,可保证在-40℃~+40℃的恶劣环境下正常运行。
箱体内一次设备采用全封闭高压开关柜(如:XGN型)、干式变压器、干式互感器、真空断路器,弹簧操作机构、旋转隔离开关等国内技术领先设备,产品无裸露带电部分,为全封闭、全绝缘结构,完全能达到零触电事故,全站可实现无油化运行,安全性高,二次采用微机综合自动化系统,可实现无人值守。
(工程名称)二期30MW光伏并网发电项目工程35kV美式箱变技术规范书买方:设计方:卖方:2014年09月目录第1章一般规定与规范 (1)1.1总则 (1)1.2工作内容及招标设备范围 (1)1.3电站概况及自然条件 (3)1.4 设备运行环境条件及布置 (3)室外箱式升压变电站布置在光伏阵列逆变器室附近,户外落地式布置。
(3)本技术条件中各个设备在设计、制造时,应根据本电站实际海拔按国家有关标准对设备外绝缘放电电压进行修正并附相关试验报告及文字说明。
(3)1.5 标准及规范 (3)1.6 接口与协调 (5)1.7 供方技术文件 (5)1.8 材料、工厂涂漆和保护涂层 (8)1.9 备品备件、专用工具和仪器 (8)1.10 铭牌与标志 (9)1.11 工厂组装、试验见证 (9)1.12 包装、起吊、运输和安装 (10)1.13 对规定设备、组件和材料的变更 (10)1.14 对成套性和互换性的要求 (10)1.15 培训 (11)第2章专用技术条款 (11)2.1 美式箱变 (11)2.1.1美式箱式变电站的总体要求 (11)2.1.2 35kV箱式升压变电站内部电气设备主要参数 (13)2.2 质量保证和试验 (18)2.3 试运行 (20)2.4考核运行 (20)设备各主要部件一览表(配置清单) (21)签字页 (26)第1章一般规定与规范1.1总则1.本技术文件提出的是最低限度的技术要求,并未对一切技术细节做出规定,也未充分引述有关标准的条文,供方应提供符合本规范和有关最新工业标准的优质产品。
2.供方应参加设备在现场的调试运行,试运行中如出现质量问题应负责及时处理。
3.如未对本技术文件提出偏差,将认为供方提供的设备符合规范书和标准的要求。
偏差(无论多少)都必须清楚地表示在技术文件中的“差异表”中。
4.合同签订后,供方应指定负责本工程的项目经理,负责协调供方在工程中的各项工作,如设计图纸、工程进度、设备制造、包装运输、现场安装、调试验收等。
辽宁大唐国际昌图红山风电场新建工程35kV美式箱式变电站招标文件(技术规范部分)招标人:辽宁大唐国际昌图风电有限责任公司设计单位:辽宁电力勘测设计院二〇一一年四月目录附件1:技术规范 (1)附件2:供货范围 (31)附件3:技术资料和交付进度 (33)附件4:交货进度 (35)附件5:监造、检验和性能验收试验 (36)附件6:技术服务和设计联络 (39)附件7:差异表 (43)附件1:技术规范1 总则1.1 本技术规范适用于辽宁大唐国际昌图红山风电场新建工程的35kV美式箱式变电站。
它包括变压器本体及其辅助设备的功能设计、结构、性能、安装和试验等方面的技术要求。
1.2 本技术规范提出的是最低限度的技术要求,并未对一切技术要求做出详细规定,也未充分引述有关标准及规范的条文。
投标方应保证提供符合本技术规范和相关的国际、国内工业标准的功能齐全的优质产品及其相应服务,对国家有关安全、环保等强制性标准必须满足其要求。
1.3 如投标方没有以书面形式对本技术规范提出异议,招标方将认为投标方提供的设备完全符合技术规范和标准的要求。
偏差(无论多少)都必须清楚地表示在投标文件中的“差异表”中。
1.4 本技术规范所引用的标准若与投标方所执行的标准发生矛盾时,按较严格的标准执行。
1.5 合同签订后3个月内,投标方提出合同设备的设计、制造、检验、装配、安装、调试、试运、验收、试验、运行和维护等标准清单给招标方, 招标方确认。
1.6 若本技术规范各附件前后有不一致的地方,应以有利于设备安全运行、工程质量为原则,由招标方确认。
1.7 本技术规范及相关会议纪要和澄清文件,均与合同正文具有同等法律效力。
2 工程概况辽宁大唐国际昌图红山风电场新建工程(以下简称“昌图红山风电场”)位于辽宁省北部的昌图县泉头镇,规划区域为东经124°3′~124°7′、北纬42°50′~42°53′,海拔 136m~183m 之间。
美式箱变设计随着城市建设规模的扩大及对环境的考虑,过去的那种集中降压、长距离配电以及架空电网已经不能适应现代城市的供电发展。
城网改造要求高压直接进市区,变电设备深入负荷中心,电能通过地下电缆传输,配电设备与周围环境协调一致。
同时因为配电设备深入到负荷中心,要求运行可靠性高,高性能(低损耗、低噪声、高抗短路强度),体积要小型化,安装简便,免维护。
由此组合变压器应运而生。
组合变压器是20世纪90年代初从美国引入的技术,(所以也熟称为美式箱变)。
因其结构紧凑,安装便捷,运行灵活,安全可靠,维护简单等优点而迅速被接受。
目前,组合变压器已经有了飞速的发展,生产厂家不完全统计已有上百家,相关元器件配套厂家也发展有数十家,包括可配套高电压元器件。
性能优良:性能水平高,采用10、11型系列或非晶合金系列,损耗低、噪声低,抗短路能力强。
功能齐全、简单可靠:可切断负荷电流,进行全范围的电流保护,高压进线方式灵活(环网、终端),可实现断相(欠压保护),具有变电站的基本功能。
投入少、占地小、安装方便、见效快;体积小,约为同容量组合式变电站体积的1/3,省时,安装方便,现场安装只需要拧紧四个螺栓及接好进出电缆即可;安全性好。
全封闭,外表无任何导电部件,因此无需考虑绝缘距离,能保证人身安全,采用全绝缘的肘型电缆插头配合固定在支座上的高压套管接头,插拔方便。
定义:将变压器器身、开关设备、熔断器、分接开关及辅助设备进行组合的变压器。
组合式变压器(成套性强、体积小、占地少、能深入负荷中心、提高供电质量、减少损耗、送电周期短、选址灵活、对环境适应性强、安装使用方便、运行可靠、投资少、见效快) 型号标注额定容量电压等级产品型号字母顺序及含义ZG S LBH10-H-800/10共箱式组合变压器,三相,一般变压器油,铝箔,非晶合金,性能水平10型,环网,额定容量800kV A,电压等级10kV。
1.总体组合式变压器是一种将高压负荷开关、插入式熔断器、后备保护熔断器、变压器器身和无励磁开关等电器组合在一个密封的油箱内,由变压器油作为绝缘介质的一种变压器。
组合式变压器高压回路和变压器器身组装在油箱内,高压回路进线和操作在高压侧进行。
低压回路一般由低压断路器、电流互感器与测量计量仪表等低压元件组成,安装在低压室内。
2.变压器变压器设计与普通变压器设计原理基本一致。
铁心材料可采用高导磁硅钢片、也可采用非晶合金,铁心结构可采用叠片式、也可采用卷铁心结构,绕组可采用铜导线,也可采用铜箔。
根据我国电网的实际情况,10kV中性点绝缘,在变压器设计时应注意联结组别,宜采用D,yn。
因为高压为D联结,零序电流及三次谐波电流可在D联结内流通,不会引起输出电压波形畸变和由于负载不平衡而引起的中性点漂移。
而不宜采用Y 联结,因为Yyn在负载不平衡是容易引起中性点漂移,影响输出电压的质量。
3.高压系统及出线方式高压系统接线方式有环网型、终端型、终端双回路型。
环网型即“一进两出”,一个电源进线,一个从变压器的低压侧出线,另一个引至另一台变压器或其他电器,为另一台变压器的低压侧或其他电器提供电源。
终端型即“一进一出”,一个电源进线,一个从变压器的低压侧出线。
终端回路型即“一进一出一备”,一个电源进线,一个从变压器低压侧出线,另一个为备用电源,当主进电源发生故障时,由备用电源供电。
4.肘型套管(肘型电缆插头)组合式变压器的高压进线由地下电缆通过肘形电缆头来完成,肘形电缆头由肘形连接头、负荷插座及套管护套3部分组成。
该肘形分单通和双通两种,单通时直接与电缆连接,接入高压电网,双通时一头接入避雷器,一头引入电压。
5.避雷器避雷器主要作用是防雷击,分为内置、外置两种。
内置式放在油箱内部高压出线处,起保护作用。
6.其他元件无励磁开关、油位表、压力表、温度表、释放阀等元件。
根据需要还可安装低压空气断路器、二次侧计量、补偿装置等。
这种变压器的熔丝、多工位环网负荷开关、无励磁调压分接开关都作为变压器的组部件安装在油箱内,在油箱外很容易更换熔丝或操作负荷开关而改变变压器运行的工况。
高压侧由可以带负载插拔的肘形电缆输入电能,油箱外另装低压出线仓,仓内空间可按要求加装保护装置仪表。
所有带电部位都在油箱内,无裸露带电部分。
7.保护系统组合变压器保护系统是高压采用高压限流熔断器和过载保护熔丝串联保护,低压侧采用空气断路器,用于低压回路的过载和短路保护。
插入式熔断器(过载保护熔丝)具有很好的耐受变压器冲击的能力,主要用于变压器过载和低压侧短路时对变压器的保护。
后备保护熔断器(高压限流熔断器)能够安全分断所有能引起融化的预期电流,主要用于变压器内部故障时对变压器和配电系统进行保护。
8. 优点组合式变压器重量轻,并有多种供电方案可供选择,既可采用终端供电,又可实现环网和双电源供电,高压电缆与变压器的连接采用电缆插接件,变压器采用插入式过载熔丝和后备限流熔断器的双熔丝保护,较合适于城市电网供电。
组合式箱变是将变压器、高压室、低压室组成“品字形”结构,变压器位于后部,成为后仓,高、低压室位于前部,称为前仓。
由于结构紧凑、体积小、安装迅速、操作方便、全绝缘、全密封、能够深入负载中心而被接受。
箱体是有密封的油箱与封闭的高、低压室所组成的组合体。
油箱用来放置器身和高压开关等元器件及绝缘油。
高、低压室是借助于油箱壁、采用钢板将高、低压电缆接线和电气元件的操作、控制封闭起来。
JB/T10217-2000 组合式变压器引用标准GB311.1—1997 高压输变电设备的绝缘配合GB1094.1-1999电力变压器第一部分总则GB1094.2-1996电力变压器第二部分温升GB1094.3-2003电力变压器第三部分绝缘水平和绝缘试验GB1094.5-2003电力变压器第五部分承受短路的能力GB/T2900.20 高压开关设备GB3804 3~63kV交流高压负荷开关GB4208 外壳防护等级GB/T6451-1999三相油浸式电力变压器技术参数和要求GB6450 干式变压器GB/T17211 干式变压器负载导则GB/T10228-1997干式电力变压器技术参数和要求GB/T15164 油浸式变压器负载导则GB/T7328 变压器和电抗器的升级测定GB/T11022 高压开关设备通用技术条件GB/T14048.1 低压开关设备和控制设备总则GB/T16927.1.2 高电压试验技术第一、二部分GB/T16935.1 低压系统内设备绝缘配合GB/T17467-1998 高压/低压预装式变电站DL/T537-93 6~35kV箱式变电站订货技术条件JB/T3837 变压器类产品型号编制办法一、基本参数和要求运行环境(1) 气候环境a. 海拔高度在海拔高度为1000m 及以下地区使用的变压器可不考虑海拔高度的影响。
在海拔高度为1000m 以上地区使用的变压器必须考虑高海拔处的空气比较稀薄,它对变压器的散热与外绝缘的电介质稳定性有影响。
温升限值要折算:1000m以上,每升高400m,降低1K高压开关设备海拔高度为1000m以下,超过时按GB/T11022低压开关设备海拔高度为2000m以下,超过时按GB/T7251.1环境温度-1最高温度+40-2最热月平均气温+30-3最高年平均气温+20-4最低气温-25(户外)-5(户内)-5严寒气候-50~ +40(安装处的环境温度)-6酷热气候-5~+50 (安装处的环境温度)b. 风速风速对套管及装在变压器油箱上的附属设备有影响。
c. 湿度以某一温度下的百分值表示相对温度。
在有高相对湿度时,易繁殖霉菌对油箱表面的喷漆有影响。
另外,高温下的高相对湿度在温度变化时,如温度下降,相对温度增加,这就易凝成水,高湿度还影响金属的腐蚀。
一般产品应按25 ℃时相对湿度为90% 考虑。
如有特殊要求,可在合同上注明。
(2) 地质环境主要是考虑变压器能承受地震力。
正常使用条件中规定的地面水平加速度小于0.2g 。
当变压器安装地点属地震区时,可在订货时指明变压器应承受住的里氏地震裂度。
对变压器内部结构而言,由于已考虑在运输中已能较好的固定紧,并已能承受短路电流产生的机械应力,因此,变压器内部不受地震裂度的影响。
主要是外部结构件的耐地震力。
(3) 生态环境a. 污染对表面喷漆有影响b. 沿海环境沿海空气中含盐雾,对表面喷漆有影响c. 其他霉菌的分泌物会污染油漆,昆虫等一些环境因素。
(4).安装环境:无明显污秽、无爆炸性、腐蚀气体、粉尘、无剧烈震动冲击。
(5).电源电压的波形近似于正弦波,并且三相大致对称。
变压器技术要求1、基本技术要求1.1 GB1094.1-1999电力变压器第一部分总则GB1094.2-1996电力变压器第二部分温升GB1094.3-2003电力变压器第三部分绝缘水平和绝缘试验GB1094.5-2003电力变压器第五部分承受短路的能力1.2 允许偏差空载损耗:+15%负载损耗:+15%总损耗:+10%(不含辅机损耗)短路阻抗大于10% ±7.5%小于10% ±10%空载电流+30%2、技术参数额定电压高压侧额定电压:6、10、35kV高压侧最高电压:6.9、11.5、40.5kV低压侧额定电压:0.4kV高压分接范围:±5%,±2*2.5%联结组标号:Dyn11,Yyn0变压器额定容量50、100、125、160、200、250、315、400、500、630、800、1000、1250、1600、2000kV A (变压器容量等级的优先系列:1010)额定频率50Hz额定电流:高压回路:10、12.5、20、25、31.5、40、50、63、80、100、125、160、200、250、315、400、630、800、1000A低压回路:40、50、63、100、200、315、400、500、630、800、1000、1250、1600、2000、2500、3150、4000外壳防护等级:户内不低于IP2x户外不低于IP33温升:符合GB1094.2和GB6450电力变压器产品性能水平代号的确定表A1干式电力变压器性能水平代号的确定二、总体结构要求组合式变压器的设计应能保证安全进行使用和维护、检查。
结构预装式变电站的最大额定值是指变压器的最大额定容量(容量与损耗)(对应于预装式变电站额定最大容量)外壳的级别:同一变压器在外壳内外的温升之差。
分三个等级10/20/30 分别对应于10K/20K/30K的最大温升值额定外壳等级额定外壳等级是对应于预装式变电站额定最大容量的外壳等级。
额定外壳等级用来决定变压器的负荷系数,使变压器的温度不超过GB1094.1.2和GB6450的规定。
共分三级:10,20,30 分别对应于10K,20K,30K的最大温升。