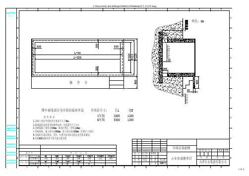
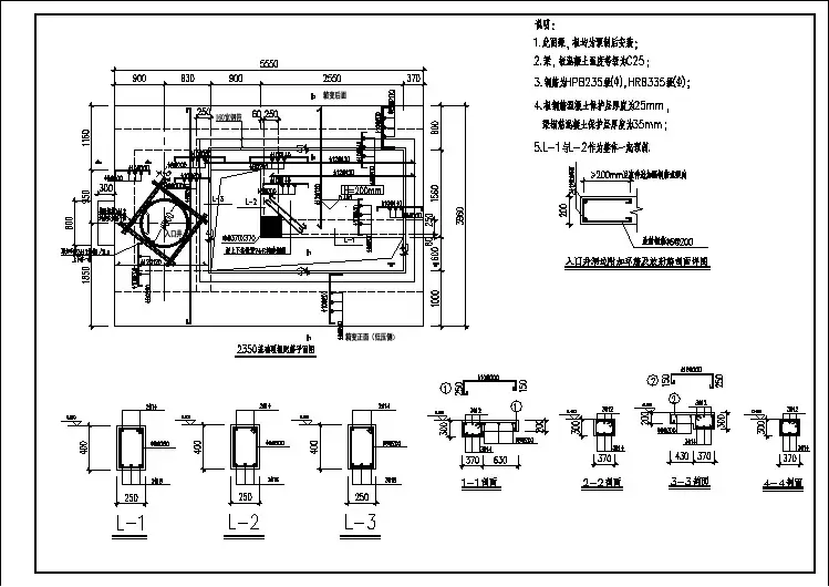
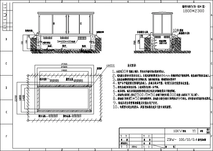
37602450376022802450铭牌}止步,高压危险标牌}止步,高压危险低压电缆入口}高压电缆室}变压器油箱}高压操作室}高压电缆入口}37037037040160200160160100160800\fFangSong_GB23121400\fFangSong_GB2312\fFangSong_GB231220037055502005008003450500400900∅8006005550156060010003960830345020020030030025021604009001000400205025060050100504001800箱变后面}\H1.229x{%%P}0.000B-B}{%%P}0.000C-C}B}配筋混凝土过梁}炉灰渣}预埋50*50*5角钢梁,电缆抱箍用于固定出线电缆}低压进线管\P预埋*根}高压出线管预埋*根}200X300渗水坑}入口井}技术要求:\P1.台基、底面、横梁材料为C20钢筋混凝土;}\P{\fSimHei|b0|i0|c134|p2顶部钢带120X10}钢带160宽钢带底标-1200B}电缆固定角钢此处设一构柱φ8@200(双向)C10细石混凝土垫层2φ12砖结构φ6@2002 φ12构柱意图构柱顶标500顶标500370(墙两侧抹防水砂浆1:2) L2 (1) 250x400 L1 (2) 250x40037037037040160200160160100160800\fFangSong_GB23121400\fFangSong_GB2312\fFangSong_GB231220037055502005008003450500400900∅8006005550156060010003960830345020020030030025021604009001000400205025060050100504001800箱变后面}\H1.229x{%%P}0.000B-B}{%%P}0.000C-C}B}配筋混凝土过梁}炉灰渣}预埋50*50*5角钢梁,电缆抱箍用于固定出线电缆}低压进线管\P预埋*根}高压出线管预埋*根}200X300渗水坑}入口井}技术要求:\P1.台基、底面、横梁材料为C20钢筋混凝土;}\P{\fSimHei|b0|i0|c134|p2顶部钢带120X10}钢带160宽钢带底标-1200B}电缆固定角钢此处设一构柱φ8@200(双向)C10细石混凝土垫层2φ12砖结构φ6@2002 φ12构柱意图构柱顶标500顶标500370(墙两侧抹防水砂浆1:2) L2 (1) 250x400 L1 (2) 250x40037037037040160200160160100160800\fFangSong_GB23121400\fFangSong_GB2312\fFangSong_GB231220037055502005008003450500400900∅8006005550156060010003960830345020020030030025021604009001000400205025060050100504001800箱变后面}\H1.229x{%%P}0.000B-B}{%%P}0.000C-C}B}配筋混凝土过梁}炉灰渣}预埋50*50*5角钢梁,电缆抱箍用于固定出线电缆}低压进线管\P预埋*根}高压出线管预埋*根}200X300渗水坑}入口井}技术要求:\P1.台基、底面、横梁材料为C20钢筋混凝土;}\P{\fSimHei|b0|i0|c134|p2顶部钢带120X10}钢带160宽钢带底标-1200B}电缆固定角钢此处设一构柱φ8@200(双向)C10细石混凝土垫层2φ12砖结构φ6@2002 φ12构柱意图构柱顶标500顶标500370(墙两侧抹防水砂浆1:2) L2 (1) 250x400 L1 (2) 250x40037037037040160200160160100160800\fFangSong_GB23121400\fFangSong_GB2312\fFangSong_GB231220037055502005008003450500400900∅8006005550156060010003960830345020020030030025021604009001000400205025060050100504001800箱变后面}\H1.229x{%%P}0.000B-B}{%%P}0.000C-C}B}配筋混凝土过梁}炉灰渣}预埋50*50*5角钢梁,电缆抱箍用于固定出线电缆}低压进线管\P预埋*根}高压出线管预埋*根}200X300渗水坑}入口井}技术要求:\P1.台基、底面、横梁材料为C20钢筋混凝土;}\P{\fSimHei|b0|i0|c134|p2顶部钢带120X10}钢带160宽钢带底标-1200B}电缆固定角钢此处设一构柱φ8@200(双向)C10细石混凝土垫层2φ12砖结构φ6@2002 φ12构柱意图构柱顶标500顶标500370 L1 (2) 250x40037037037040160200160160100160800\fFangSong_GB23121400\fFangSong_GB2312\fFangSong_GB231220037055502005008003450500400900∅8006005550156060010003960830345020020030030025021604009001000400205025060050100504001800箱变后面}\H1.229x{%%P}0.000B-B}{%%P}0.000C-C}B}配筋混凝土过梁}炉灰渣}预埋50*50*5角钢梁,电缆抱箍用于固定出线电缆}低压进线管\P预埋*根}高压出线管预埋*根}200X300渗水坑}入口井}顶部钢带120X10}钢带160宽钢带底标-1200B}电缆固定角钢此处设一构柱φ8@200(双向)C10细石混凝土垫层2φ12砖结构φ6@2002 φ12构柱意图构柱顶标500顶标500370(墙两侧抹防水砂浆1:2) L2 (1) 250x400 L1 (2) 250x400∅1600500800230459152502280100110250650770110555502525120250120800216010001604040160400250250600131020031550100250120240012025050100240050252525255058505025032001530250100120503701001008701206505550250770110525252506801530870880396011609508001850300∅100600∅100∅1001140400250250400400250200300300300300185185160160610315135550250100370入口井}L-2L-1L-3160宽钢带2350基础顶板配筋平面图砖柱370X370\H1.229x箱变后面}%%13112@120%%13112@120%%13112@120%%13110@140%%13112@120板上下各设置2%%1308构造钢筋%%13010@200%%13010@200%%13010@200%%13110@140%%13110@140%%13110@140|a8@200%%1308@200%%1308@200%%13010@200%%1308@200%%1308@2000.3002|b143|b18|a8@200L-10.3002|b143|b16|a8@200L-20.3002|b143|b18L-3|a8@200∅8008808701530680250650770110525252503960800185095011605550补强钢筋2%%13112斜放在主筋平面300La附加环筋2%%13112搭接1/2La上下各一根500H=200mm说明:2.梁,板混凝土强度等级为C25;3.钢筋为HPB235级(%%130),HRB335级(%%131);4.板钢筋混凝土保护层厚度为25mm,2%%13112附加环筋且应伸进加强钢筋或梁内放射钢筋%%1306@200入口井洞边附加环筋及放射筋剖面详图%%1308@200%%1308@200%%1308@200%%1308@200%%1308@2004002500.4805.L-1与L-2作为整体一起预制.l125125624100015606008002275250370900830 梁钢筋混凝土保护层厚度为35mm;90025502506025060250112233443|b143|b123706301-1剖面2-2剖面3-3剖面4-4剖面37037043037037063040404040%%1308@200%%13010@200%%13110@140%%1308@200%%13010@200125015013|b143|b126303706303002003|b143|b12225015023706303|b143|b123703001.此图梁,板均为预制后安装;%%13110@200%%13110@2000.4800.4800.4800.480≥200mm200400250400250370630300200370300300200370430|a8@200|a8@200