智能数显电流表
- 格式:docx
- 大小:22.49 KB
- 文档页数:4
HC-300系列智能电压电流表说明书HC-300系列智能电压电流表说明书一、概述HC-300系列智能电压电流表采用微处理器进行控制运算,配合不同的互感器可满足各种测量量程的要求,可对电压电流进行高精度的显示、控制及变送输出。
主要特点:?采用当今最先进的ATMEL单片微机作主机,减少了外围部件,提高了可靠性。
?集多种输入型号、输出方式于一机。
?采用WATCHDOG电路、软件陷阱与冗余、掉电保护、数字滤波等技术,注重现场容错能力,使整机具有很强的抗干扰能力。
?采用双四位LED数码显示,可同时显示测量值与报警点设定值。
二、主要技术指标:基本误差:0.2,FS?1个字分辨力:1、0.1显示:双四位LED数码管显示输入信号:交流电流输入直流电流输入0,5A直接输入 0,5A直接输入5,2000A配电流互感器输入 5,2000A配电流分流器输入交流电压输入直流电压输入0,500V直接输入 0,500V直接输入 500,2000V配电压互感器输入 500,2000V配电压互感器输入报警输出:二限报警或四限报警,每个输出根据需要可设定为上限报警、下限报警或禁止使用,继电器输出触点容量 AC220V/3A或AC220V/1A。
变送输出:4,20mA(负载电阻?500Ω)、0,10mA(负载电阻?1000Ω) 1,5V、0,5V(负载电阻?200KΩ)通讯输出:接口方式——隔离串行双向通讯接口RS485/RS422/RS232/Modem波特率——300,9600bps内部自由设定电源:开关电源 85,265VAC功耗:4W环境温度:0,50?环境湿度:<85,RH面板尺寸: 160mm×80mm、96mm×96mm、96mm×48mm、72mm×72mm三、型号说明型谱说明智能电压、电流表 HC-,00横式160×80×125 mm A 外型尺寸方式96×96×110 mm BHC-300系列智能电压电流表说明书横式96×48×110 mm C竖式48×96×110 mm C/S方式72×72×110 mm D报警点数 B0无报警输出;B1-B4,1-4点报 B? 警4-20mA输出 X10-10mA输出变送输 X2X3 1-5V输出出 X4 0-5V输出微型打印机 P 通讯输出R 串行通讯RS232S 串行通讯RS485交流电压输入,内记入输入量程AV 输入信号DV 直流电压输入,内记入输入量程AA 交流电流输入,内记入输入量程DA 直流电流输入,内记入输入量程四、操作说明(一)面板说明HA-HA报警灯LA-LA报警灯OUT-输出指示灯COM- 通讯指示灯PV-测量值显示窗SV-设定值显示窗(二)上电自检?按仪表的端子接线图连接好仪表的电源、输入、输出、报警等接线。
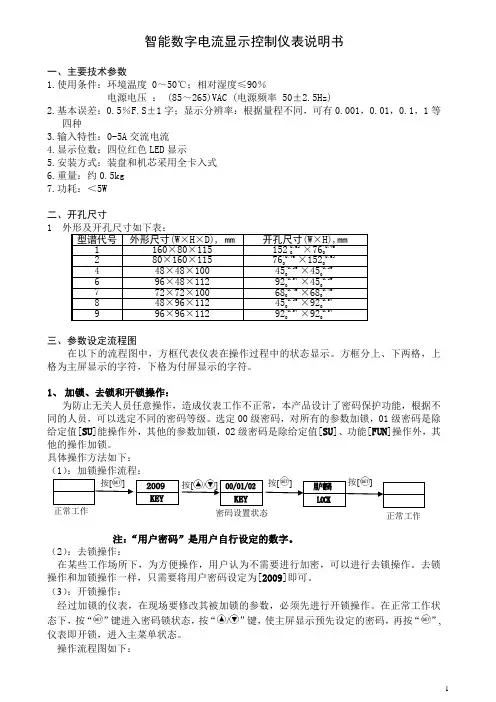
智能数字电流显示控制仪表说明书一、主要技术参数1.使用条件:环境温度 0~50℃;相对湿度≤90%电源电压 : (85~265)VAC (电源频率 50±2.5Hz)2.基本误差:0.5%F.S ±1字;显示分辨率:根据量程不同,可有0.001,0.01,0.1,1等四种3.输入特性:0-5A 交流电流4.显示位数:四位红色LED 显示5.安装方式:装盘和机芯采用全卡入式6.重量:约0.5kg7.功耗:<5W二、开孔尺寸1三、参数设定流程图在以下的流程图中,方框代表仪表在操作过程中的状态显示。
方框分上、下两格,上格为主屏显示的字符,下格为付屏显示的字符。
1、 加锁、去锁和开锁操作:为防止无关人员任意操作,造成仪表工作不正常,本产品设计了密码保护功能,根据不同的人员,可以选定不同的密码等级。
选定00级密码,对所有的参数加锁,01级密码是除给定值[SU ]能操作外,其他的参数加锁,02级密码是除给定值[SU ]、功能[FUN ]操作外,其他的操作加锁。
具体操作方法如下: (1):加锁操作流程:注:“用户密码”是用户自行设定的数字。
(2):去锁操作:在某些工作场所下,为方便操作,用户认为不需要进行加密,可以进行去锁操作。
去锁操作和加锁操作一样,只需要将用户密码设定为[2009]即可。
(3):开锁操作:经过加锁的仪表,在现场要修改其被加锁的参数,必须先进行开锁操作。
在正常工作状态下,按“”键进入密码锁状态,按“/”键,使主屏显示预先设定的密码,再按“”,仪表即开锁,进入主菜单状态。
操作流程图如下:密码设置状态 正常工作 正常工作2、 给定值[SU]的操作:此项操作用于给定值[SU ]和回差[SU-d ]的设定。
上限和下限的回差值相等,为滞后型回差。
如:给定值[SU ]为10.00时,回差[SU-d ]为0.1,当测量值[PV ]上行到达给定值[SU ]时,继电器并不动作,直到[PV ]≥[SU ]+ [SU-d ]时,即10.10时,继电器动作;下行时,测量值[PV ]经过[SU ]+[SU-d ]时,继电器不动作,直到[PV ]≤[SU ]+ [SU-d ]时,继电器动作。
重庆莱格特电气有限公司智能型数显表使用说明书本文档包括普通型和智能型两大类数显表,如不够详尽,敬请垂询。
一、概述LGT数显表系列包括普通型和智能型两大类,普通数显表主要以测量显示单相或三相电压、电流、频率、功率、功率因数等常用电力参数为主,也可以作直流电压电流信号测量用;智能型则是在普通型基础上增加RS-485接口及模拟量变送输出功能。
LGT系列数显表作为数显电测仪表的新一代产品,具有以下的特点:1)、显示倍率通过面板上按钮操作,随时可以任意设置,使用非常方便灵活;2)、适用范围广、组合功能强,可以测量常用参数的任意组合;3)、采用16位高精度AD进行数字采样;真有效值测量电压电流,精度等级高; 二、通用指标测量参数指标精度等级 0.2级、0.5级;频率±0.2Hz显示四位一体LED 显示;显示数据更新时间:约1 秒输入标称输入电流AC:1A、5A;DC4-20mA;或根据客户要求定制;电压AC:100V、220V、380V、660V;DC75mV过量程持续:1.2 倍,瞬时:电流10 倍/5秒,电压2 倍/10 秒频率40Hz~65Hz电源辅助电源 AC(DC)85~265V功耗<3VA隔离耐压电源与输入为AC2kV/1min 绝缘电阻≥100MΩ环境温度工作:-15~+60℃ 存储 -30~+70℃湿度≤93%RH,不结露,无腐蚀性气体场所海拔≤2000m三、产品规格外形型号面框尺寸屏装配合尺寸开孔尺寸安装总长备注72型 72×72 66×66 67×67 71 80型 83×83 75×75 76×76 71 96型 96×96 90×90 91×91 71 42型 120×120 110×110 111×111 71四、外形尺寸及接线方式1 外形尺寸72型80型96型42型2 接线方式(1)电流表(2)电压表(3)功率表(4)开关量注:1、标有“*”的为电流进线端;2、频率表接线请参考单相电压表;2、组合表接线图参考功率表。
PMAC625/PMAC625H 三相交流智能数显仪表说明书Installation & Operation ManualV2.0安全注意事项危险和警告⏹本设备只能由专业人士进行安装。
⏹对于因不遵守本手册的说明而引起的故障,厂家将不承担任何责任。
触电、燃烧或爆炸的危险⏹设备只能由取得资格的工作人员才能进行安装和维护。
⏹对设备进行任何操作前,应隔离电压输入和电源供应,并且短路所有电流互感器的二次绕组。
⏹要用一个合适的电压检测设备来确认电压已切断。
⏹在将设备通电前,应将所有的机械部件,门和盖子恢复原位。
⏹设备在使用中应提供正确的额定电压。
不注意这些预防措施可能会引起严重伤害。
目 录一、PMAC625/PMAC625H技术规格参数 (5)二、PMAC625/PMAC625H外形和安装尺寸 (7)三、PMAC625低压三相交流智能数显仪表订货说明 (8)四、PMAC625H高压三相交流智能数显仪表订货说明 (9)五.PMAC25低压三相交流智能数显仪表型号列表 (10)六.PMAC625H高压三相交流智能数显仪表型号列表 (12)五、PMAC625/PMAC625H显示及按键操作说明 (13)六、通讯协议 (19)七、附录 (24)1. PMAC625/PMAC625H端子定义 (24)2. PMAC625/PMAC625H典型接线图 (25)概 述PMAC625/PMAC625H三相交流智能数显仪表, 广泛适用于各行业供配电场所、能源管理、自动化以及智能化网络监控系统等。
PMAC625系列仪表适用于220/380V低压系统,PMAC625H系列仪表适用于6KV(含6KV)以上高压系统。
产品提供电压、电流、有功功率、无功功率、功率因数、频率、有功电度、无功电度等电参数的组合测量,扩展两路外部有源开关量输入与控制开关动作的两路继电器报警输出功能,通过RS485/MODBUS总线通讯,对仪表进行组网管理,实现自动控制。
直流电流表、直流电压表、标准信号表用户手册一、产品简介MNF系列数显直流电流表、直流电压表、标准信号表,是一种具有可编程测量、显示、报警、数字通讯和模拟量变送输出等功能的智能仪表,广泛应用于配电自动化、智能建筑、自动化生产线、测试台等。
真有效值测量,精度高,稳定性好。
标准信号输入时,对应的量程下限,上限可根据需要自由设定。
4位高亮度红色LED显示;可选一路或二路继电器报警输出,实现上下限报警功能;可选RS-485数字接口通讯,采用国际标准MODBUS-RTU通讯协议,可与各种PLC、HMI、组态软件实现组网;可选模拟量(DC0~20mA、DC4~20mA、DC0~5V、DC1~5V、DC0~10V等)变送输出,输入信号与模拟量输出信号隔离,成线性关系。
二、技术参数说明:模拟量输出与RS485通讯两选一,两种功能不能同时选择。
三、用户选型3.13.2命名方式MNF①-②K1-③④①、输入信号类型:电压输入为U,电流输入为I。
②、外型代号:所选仪表尺寸的外形代号,具体见3.1外形代号列表。
③、模拟量变送输出代号为D,RS485数字接口代号为R,无输出为空。
④、继电器报警输出:一路继电器输出代号为A,二路继电器输出代号为A2,无继电器输出为空。
举例:96×48外型仪表,信号输入为DC0~5A,带RS485接口,型号为:195I-5K1-R。
四、面板说明①、测量值显示。
②、测量值的单位,电流表为A、电压表为V,压力表为MPa,转速表为RPM,或用户指定显示的单位。
③、操作按键。
④、Lo下限报警指示,Lo上的指示灯亮,表示超过下限。
⑤、Ho上限报警指示,Ho上的指示灯亮,表示超过上限。
五、面板按键操作5.1 按键定义功能键SET:用于进入菜单项,确认设置值。
位选键◄:循环选定要设置的数码管,选定的数码管呈闪烁状态。
增加键▲:改变闪烁位数码管的数值(数码管数值从0到9循环)。
5.2 操作方法按住SET键不放,大约1秒钟进入参数设置菜单,▲键进入菜单项的设置值,用◄键、▲键调整要设置的值,按SET键确认设置值,并进入下一设置项,如果没有下一设置项则退出到测量状态。
数字智能仪表电流表安全操作及保养规程引言数字智能仪表电流表是一种用于测量电路中电流的重要仪器。
为了保证使用电流表的安全性和准确性,必须遵循正确的操作方法,并进行适当的保养。
本文将介绍数字智能仪表电流表的安全操作规程以及保养注意事项。
安全操作规程1.检查仪表的工作状态:在使用电流表之前,确保仪表处于正常工作状态,并检查是否有损坏或异常现象。
如有破损或不正常工作,请勿使用该仪表,应及时送修或更换。
2.正确接入电路:在进行电流测量之前,确保电路处于断开状态,并正确接入电流表。
确保电路中的电流不超过仪表的额定测量范围。
3.遵循正确的测量方法:使用数字智能仪表电流表时,应遵循正确的测量方法。
首先,将电流表选择旋钮选择到电流测量档位,并将测量插头插入电流测量孔。
然后,闭合电路,让电流通过仪表。
在测量过程中,保持仪表稳定,避免晃动或剧烈震动。
4.防止过载:在进行电流测量时,应注意不要超过仪表的额定测量范围,以免引起仪表损坏或测量结果不准确。
如果需要测量较大电流,可以采用并联方式,确保电流在允许范围内。
5.防止短路:在接入电路时,要确保电路没有短路现象,以免引起仪表烧坏或发生危险。
在接线时,应仔细检查连接线的绝缘情况,并保持电路的正常运行状态。
6.避免接触高压:数字智能仪表电流表通常用于测量低压电路,避免使用在高压电路中,以免发生触电事故。
在使用和操作仪表时,应注意保持双手干燥和避免触碰裸露的导线。
保养规程1.定期清洁:为了维持数字智能仪表电流表的正常工作,应定期清洁仪表表面和连接接头。
使用软布擦拭表面,避免使用有腐蚀性的溶剂来清洁仪表。
2.防尘和防湿:保持仪表干燥和清洁是防止仪表损坏的关键。
在非使用状态下,应将仪表放置在防尘和防湿的环境中。
3.避免过温:在使用数字智能仪表电流表时,应避免过温情况。
长时间暴露在高温环境下可能会对仪表造成损坏,应选择适当的使用环境。
4.定期校准:为了保证测量结果的准确性,应定期校准数字智能仪表电流表。
单相数显电流表
产品名称:单相数显电流表
型号系列:B600-AC1-1A1
本表功能:测量并显示单相电流
可集成功能:RS485通讯,报警功能,4-20ma输出,可编程
1、概述
B600数显电流表适用于电力电网、自动化控制等领域,用于监测单相电流参量。
产品具有常规测量显示功能,可集成编程功能、DC4~20mA模拟量输出、RS485串行口和开关量输出等功能,可以实现与监控系统的联网或数据的远程传输等功能。
仪表采用LED数码管显示形式,具有精度高,电磁兼容性好,性价比高,是电气配套商、工程总包和“甲方”单位值得醒信赖的电工产品。
2、通用技术参数
3、数显电流表主要外形及开孔尺寸
4、订货须知
订购请标明仪表完整型号及数量,工作电源及额定输入参数,若为简易型数显仪表,还需提供CT或PT变比。
例如:
B600-AC6-3V2三相交流电压表2只,工作电源:AC220V,输入:5A ;
B600-AC6-3A2三相交流电流表2只,工作电源:AC220V,输入:5A ;
B600-AC1-1A1D单相交流电流表2只,工作电源:AC220V,输入:5A ,CT变比100/5 ;B600-AC6-3AV1三相交流电流电压组合表2只,工作电源:AC220V,输入:5A/380V ;B600-AC1-1Y2功率因数表2只,工作电源:AC220V,输入:5A/100V ;
B600-DC5-1A1直流电流表2只,工作电源:AC220V,输入:4-20mA,显示0-50Hz。
三相数显电流表
产品名称:三相数显电流表
型号系列:B600-AC6-3A1
本表功能:测量并显示单相电流
可集成功能:RS485通讯,报警功能,4-2ma输出,可编程
名称三相交流电流表
型号B600-AC6-3A3
主要功能测量并显示单相交流电流值,CT变比可设
可集成功能带一路开出(报警),RS485通讯,带4~20mA输出
显示方式数码管显示
标准输入5A/1A
精确度0.5级
正常工作温度-15~55摄氏度
外形尺寸96*96*102
开孔尺寸92*92
该系列其他尺寸111*111 67*67 45*45
1、概述
B600利亿达数显电流表适用于电力电网、自动化控制等领域,用于监测单相电流参量。
产品具有常规测量显示功能,可集成编程功能、DC4~20mA模拟量输出、RS485串行口和开关量输出等功能,可以实现与监控系统的联网或数据的远程传输等功能。
仪表采用LED数码管显示形式,具有精度高,电磁兼容性好,性价比高,是电气配套商、工程总包和“甲方”单位值得醒信赖的电工产品。
2、通用技术参数
3、数显电流表主要外形及开孔尺寸
电流表分为直流电流表和交流电流表。
直流电流表主要采用磁电系电表的测量机构。
一般可直直流电流表接测量微安或毫安数量级的电流,为测更大的电流,电流表应有并联电阻器(又称分流器)。
分流器的电阻值要使满量程电流通过时,电流表满偏转,即电流表指示达到最大。
对于几安的电流,可在电流表内设置专用分流器。
电磁系测量机构的最低量程约为几十毫安,为提高量程,要按比例减少线圈匝数,并加粗导线。
用电动系测量机构构成电流表时,动圈与静圈并联,其最低量程约为几十毫安。
为提高量程,要减少静圈匝数,并加粗导线,或将两个静圈由串联改为并联,则电流表的量程将增大一倍。
用整流式电表测交流电流时,仅当交流为正弦波形时,电流表读数才正确。
为扩大量程也可利用分流器。
对于几安以上的电流,则采用外附分流器。
大电流分流器的电阻值很小,为避免引线电阻和接触电阻附加于分流器而引起误差,分流器要制成四端形式,即有两个电流端,两个电压端。
例如,当用外附分流器和毫伏表来测量200A 的大电流时,若采用的毫伏表标准化量程为45mV(或75mV),则分流器的电阻值为
0.045/200=0.000225Ω(或0.075/200=0.000375Ω)。
若利用环形(或称梯级)分流器,可制成多量程电流表。
交流电流表主要采用电磁系电表、电动系电表和整流式电表的测量机构。
此外,也可用热电式电表测量机构测量高频电流。
在电力系统中使用的大量程交流电流表多是用5A或1A的电磁系电流表,并配以适当电流变比的电流互感器。