BA系列交流电流传感器说明书V1.1
- 格式:pdf
- 大小:510.39 KB
- 文档页数:14
Baelz自动化控制器第一页操作指南微处理器——基于控制器ucelsitron baelz 6490/baelz 6590通用型三位——步控制器带有特殊的PID逐级控制器计算工业控制器操作简单使用者定义操作级过程参数与设定值数字显示PI和PID控制结构两位控制3位控制Pt100,电流和电压信号的测量输入手动/自动转换紧凑设计96㎜×96㎜×135㎜2个可调的设定值遥控设定值设定值斜线上升通过数字输入进行控制串行接口强大的自我优化数据保护的半导体记忆插入式接线端保护级别Front 1P65紧凑设计 48㎜×96㎜×140㎜目录第二页1.功能简介2.操作与设置2.1在自动模式下设定值2.2手动模式下打开/关闭执行元件2.3参数/结构级分支2.4第二操作级分支(使用者定义操作级)2.5设定参数/结构点3.参数化/结构级3.1优化:自动决定有利的控制参数3.2比例带Pb3.2.3位控制器3.3积分作用时间tn3.3.1双位控制器3.4微分作用时间3.5死区3.6动作时间/阀门起动时间3.7报警(649010/01/2和659010/1/2)3.8报警继电器(在6490/3/4/5和6590/3/4/5)3.9 LED显示小数点3.10过程变量显示PV缩放3.11设定值限值3.12遥控/本地转换(6490/1/2/5和6590/1/2/5)3.13第二定值SP2(6490/2/3/4和6590/2/3/4)3.14定值斜线变化Spr3.15定值斜线变化趋势3.16过程增益P.G3.17过程变量PV的输入(输入PV)3.18遥控定值的输入(输入SP)(6490/1/2/5和6590/1/2/5)3.19进程变量PV的测量值过滤器3.20对传感器故障PV的应答(传感器断开)3.21自动/手动转换互锁3.22控制器动作趋势3.23数字化输入(开始、关闭、停止)的功能(6490/3/4和6590/3/4)3.24串行接口传输速度(6490/3/4和6590/3/4)3.25串行接口地址/名称(6490/3/4和6590/3/4)3.26串行通信(6490/3/4和6590/3/4)3.27第二操作级(操作级2)3.28参数/结构级访问(密码)4.安装5.电力连接5.1线路图6.试运转/试车7.技术参数8.订货号码baelz 6490/baelz /65909.参数/结构级,数据列表总览警告:在电力设备操作中,部分元件与高压相联的危险性是不可避免的。
CSA202-P042T01电流传感器使用说明书V1.1本手册为湖南银河电气有限公司产品CSA202-P042T01电流传感器用户手册,本手册为用户提供安装调试、操作使用及日常维护的有关注意事项,在安装、使用前请仔细阅读。
本手册随产品一起提供,请妥善保管、以备查阅和维护使用。
声明我们非常认真的整理此手册,但我们对本手册的内容不保证完全正确。
因为我们的产品一直在持续的改良及更新,故我方保留随时修改本手册的内容而不另行通知的权利。
同时我们对不正确使用本手册所包含内容而导致的直接、间接、有意、无意的损坏及隐患概不负责。
安全操作知识◆产品使用前,请您务必仔细阅读用户手册。
◆需对产品进行搬动时,请您务必先断电并将与之相连的所有连接线缆等拔掉。
◆如果发现机壳、稳固件、电源线、连接线缆,或相连的设备有任何损坏,请您立即将装置与电源断开。
◆如果对设备的安全运行存在疑虑,应立即关闭设备和相应附件,并在最快时间内与本公司技术支持部门取得联系,沟通解决。
!安全警示电流传感器不允许开路使用,即母线有电流或传感器已上电的状态下,都不允许断开输出端;仅母线无电流且传感器未上电的状态下,才可以断开传感器的电流输出端或主机与探头的连接。
否则有感应高压,发生电击的危险!CSA202-P042T01是一种能在原边、副边完全隔离条件下测量直流、交流、脉冲以及各种不规则波形的电流传感器,它主要用于要求准确度高的计量检定和计量校准领域,以及要求高灵敏度、高稳定性和高可靠性的电能质量分析、功率分析仪、医疗、航空航天、导弹、舰艇等领域。
2技术特点●极高的准确度●极好的线性度●极高的稳定性●极高的灵敏度●极高的分辨率●极低的温度漂移●极低的失调电流●极低的插入损耗●抗干扰能力强●响应速度快●极低的噪声●极小的角差●宽频带●模拟量输出3应用场合●计量检定与校准●实验室电流测量●仪器仪表(如功率分析仪)●医疗设备(如核磁共振MRI)●电池组检测●电力控制●电源●舰船●新能源●轨道交通●航空航天●工业测量电气性能4电气性能6 一般特性7 安全特性8.1电流传感器外形及尺寸图图1 产品外形尺寸(单位:mm)外形图说明:●公差:外形尺寸、安装定位尺寸公差按照GB/T1804-2000 C级标准执行。
DED-BA-E7501 DDC 通用控制模块安装安装使用说明书使用说明书使用说明书((Ver.1.01,2011. 1)重庆德易安科技发展有限公司重庆德易安科技发展有限公司Chongqing EHS Technology Development Co.,Ltd.Chongqing EHS Technology Development Co.,Ltd.目 录目 录录 ..................................................................................................................................................................................... I 一 概述概述 ..................................................................................................................................................................................... 2 二 特点特点 ..................................................................................................................................................................................... 2 三 技术特性技术特性 ......................................................................................................................................................................... 2 四 结构特征与工作原理结构特征与工作原理 ........................................................................................................................................... 4 五、安装与接线安装与接线 .................................................................................................................................................................. 5 六 控制器使用与调试控制器使用与调试 .............................................................................................................................................. 1212 七 故障分析与排除故障分析与排除 .................................................................................................................................................... 1212 八 产品选型产品选型 . (12)12一、概述DED-BA-E7501DDC控制模块是智能楼宇控制系统的一部分,它采用LonWorks现场总线技术与外界进行通讯,具有网络布线简单、易于维护等特点。
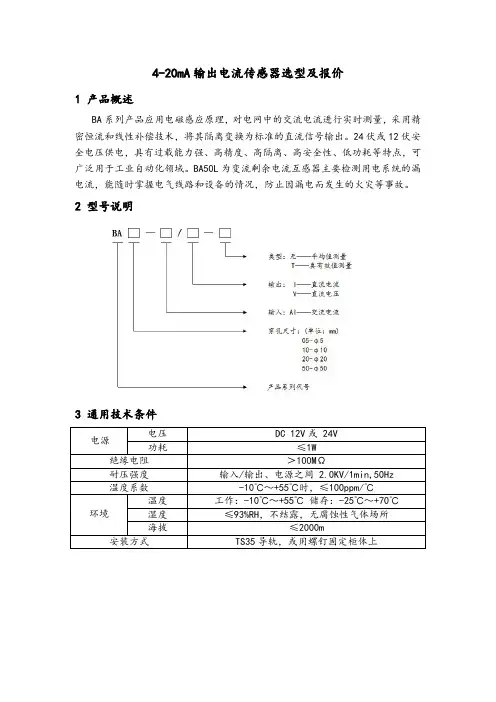
目录1概述 (1)2产品型号 (1)3产品规格 (1)4外形及安装 (2)4.1一体式 (2)4.2分体式 (2)4.3端子及接线 (2)4.3.1电源和模拟量输出 (2)4.3.2485通讯和网口 (3)5通讯协议 (3)5.1协议简述 (3)5.2传输方式 (4)5.2.1数据帧格式 (4)5.2.2地址域 (4)5.2.3功能域 (4)5.2.4数据域 (4)5.2.5错误校验域 (4)5.2.6错误检测的方法 (4)5.3功能码简介 (5)5.3.1功能码03H:读寄存器 (5)5.3.2功能码10H:写寄存器 (5)5.4通讯地址表 (6)5.5电流信号解析 (6)6订货范例 (7)1概述智能型BA系列电流传感器应用电磁感应原理,对电网中的交流电流进行实时测量,采用恒流和线性补偿技术,将其隔离变换为标准的直流信号输出,或通过RS485接口(Modbus-RTU协议)将测量数据进行传输。
DC24V或12V安全电压供电,可广泛用于工业自动化领域。
BA50L(Ⅱ)-AI为交流剩余电流互感器,主要检测用电系统的漏电流,能随时掌握电气线路和设备的情况,防止因漏电而发生的火灾等事故。
外形分为一体式和分体式,如图1和图2所示。
图1一体式外形图2分体式外形2产品型号安科瑞变送器系列代号穿孔尺寸: 20--φ20(单位:mm) 50,50L--φ50输入: AI--单相交流电流BA输出:I--直流电流 如DC4-20mAV--直流电压 如DC0-5V/类型:无--平均值测量T--真有效值测量C--RS485通讯结构:无--一体式F--分体式(Ⅱ)3产品规格技术参数指标精度等级0.5级输入标称值BA20(Ⅱ)-AI电流AC0.5A、50A、200A等AC0~(0.5~200)ABA50(Ⅱ)-AI电流AC60A、300A、600A等AC0~(60~600)ABA50L(Ⅱ)-AI电流AC0.1A、1A等AC0~(0.1~1)A过载持续1.2倍,瞬时电流10倍/1S吸收功率≤1VA频响25Hz~800Hz,特别适合工频场合输出标称值DC4~20mA,或0~20mA,0~5V,0~10V①等负载电阻DC12V供电时,电流输出时≤250ΩDC24V供电时,电流输出时≤500Ω,电压输出时≥1KΩ通讯RS485接口/Modbus-RTU②响应时间≤400ms电源电压DC12V或24V功耗≤1W绝缘电阻>100MΩ耐压强度输入/输出、电源之间 2.0KV/1min,50Hz 温度系数-10℃~+55℃时,≤400ppm/℃环境温度工作:-10℃~+55℃储存:-25℃~+70℃湿度≤93%RH,不结露,无腐蚀性气体场所海拔≤2000m安装方式TS35导轨,或用螺钉固定柜体上注:①0~10V输出仅适用于DC24V供电;②通讯功能为可选功能。
穿孔式电流变送器BA50-AI/I(V)安科瑞徐孝峰江苏安科瑞电器制造有限公司江苏江阴2144051产品概述BA系列穿孔式电流变送器采用电磁感应原理,对电网中的交流电流进行实时测量,采用精密恒流技术和线性温度补偿技术,将其隔离变换为标准的直流信号输出。
为PLC或DCS系穿孔式电流变送器统一提供电流信号。
采用24伏或12伏安全电压供电,具有过载能力强、高精度、高隔离、高安全性、低功耗等特点,可广泛用于工业自动化领域。
-穿孔式电流变送器BA50-AI/I(V)穿孔式电流变送器2型号说明3技术参数BA05电流传感器BA10电流传感器BA20电流传感器BA50电流传感器5、接线示例如图所示穿心输入Iac,电流输出型传感器的输出为共地电流源,电压输出型传感器的输出为共地电压源。
图中RL是用户负载,输出为电流时,负载≤400Ω(12V供电)或≤800Ω(24V供电);输出为电压时负载≥1kΩ。
6实际应用下面以无锡某空调设备生产公司为例,介绍BA系列穿孔式电流变送器在工业制冷设备中的应用。
无锡某空调设备生产公司是一家致力于生产、销售、维护工业制冷设备为一体的企业,产品主要包括风冷式冷水机组、水冷螺杆式冷水机组、水冷箱式冷水机组、风冷式油冷机组,冷冻除湿机等。
产品广泛适用于医药、化工、食品、注塑、电子、造纸印刷等多个行业。
该单位生产的水冷式冷水机组(图1)采用名牌压缩机及电控元件加工制造,配套壳管式冷凝器及不锈钢水箱式、板式、壳管式蒸发器,外形美观、冷量充足、效能高、易于维护。
图1:水冷式冷水机组其产品内部的电器控制部分,机组启动与控制的所有元件均安装在电控箱(图2)内,由工厂接线并完成功能测试,电器控制部分包括:文本控制器、主接触器、塑壳断路器等。
图2:水冷式冷水机组内部构造图制冷机组采用微电脑控制,主芯片与江苏安科瑞BA系列穿孔式电流变送器相连,通过监测机组电流间接监测机组的运行功率,内部数据在机组外面的液晶屏上实现可视化,并配置多重保护装置,能准确控制运行状况,稳定性高。
Products Solutions Services操作手册iTEMP TMT72温度变送器BA01854T/28/ZH/04.20715255132020-10-20自下列版本起生效01.01(版本号)iTEMP TMT72目录Endress+Hauser 3目录1文档信息 (4)1.1文档功能 (4)1.2安全指南(XA) (4)1.3信息图标 (4)1.4工具图标 (5)1.5文档资料代号 (6)1.6注册商标 (6)2基本安全指南 (7)2.1人员要求 (7)2.2预定用途 (7)2.3操作安全 (7)3到货验收和产品标识 (8)3.1到货验收 (8)3.2产品标识 (8)3.3供货清单 (9)3.4证书和认证 (10)3.5运输和储存 (10)4安装 (11)4.1安装条件 (11)4.2安装 (11)4.3安装后检查 (16)5电气连接 (17)5.1接线 (17)5.2快速接线指南 (18)5.3连接传感器电缆 (18)5.4连接变送器 (19)5.5特殊接线指南 (20)5.6连接后检查 (21)6操作方式 (22)6.1操作方式概览 (22)6.2操作菜单的结构和功能 (25)6.3通过调试软件访问操作菜单 (27)6.4通过SmartBlue App 访问操作菜单 (29)7系统集成 (31)7.1设备描述文件概述 (31)7.2HART 通信的测量变量 (31)7.3支持的HART ®命令 (31)8调试 (34)8.1安装后检查 (34)8.2打开变送器 (34)8.3设置测量设备 (34)8.4写保护设置,防止未经授权的访问 (36)9诊断和故障排除...................379.1常规故障排除........................379.2现场显示单元上的诊断信息..............399.3通过通信接口查看诊断信息..............399.4诊断信息列表........................399.5事件日志............................409.6诊断事件概览........................409.7固件变更历史........................4110维护..............................4211维修..............................4211.1概述...............................4211.2备件...............................4211.3返厂...............................4211.4废弃...............................4212附件..............................4212.1设备专用附件........................4312.2通信专用附件........................4312.3服务专用附件........................4312.4系统组件............................4413技术参数..........................4513.1输入...............................4513.2输出...............................4613.3电源...............................4713.4性能参数............................4813.5环境条件............................5513.6机械结构............................5613.7证书和认证..........................5913.8补充文档资料........................6114操作菜单和菜单参数说明...........6214.1Diagnostics:诊断菜单.................6614.2Application:应用菜单.................7214.3System:系统菜单....................82索引.. (97)文档信息iTEMP TMT724Endress+Hauser1 文档信息1.1 文档功能文档中包含仪表生命周期各个阶段内所需的所有信息:从产品标识、到货验收和储存,至安装、电气连接、操作和调试,以及故障排除、维护和废弃。
2.配线注意事项:1)热电偶输入的场合,请使用规定的补偿导线;如果被测量设备为金属加热物请使用带绝缘的热电偶。
2)热电阻输入的场合,请使用导线电阻较小的,且(3线式)无电阻差的线材,但总长度应在5m 内。
3)为了避免噪声干扰的影响,请将输入信号远离仪器电源线、动力电源线、负载线进行配线。
4)为了减小动力电源线以及大负载电源线对本产品的影响,请在容易受到影响的场合,建议使用噪声滤波器。
如果使用噪声滤波器,请务必将其安装在接地的盘面等上,并使噪声滤波器输出侧与电源端子间的配线最短;不要在噪声滤波器输出侧的配线上安装保险丝、开关等,否则会降低滤波器的效果。
5)本产品在投入电源时到有输出时间约为5秒。
如果有联锁动作的电路等信号使用的场合,请使用延时继电器。
6)变送输出线请尽量使用带屏蔽层的双绞线;确保信号可靠稳定。
7)远距离RS485通讯线请使用带屏蔽层的双绞线,并将屏蔽层在主机侧接地处理;确保通讯可靠稳定。
8)本产品没有保险丝;需要的场合请按额定电压250V,额定电流1A 配置,保险丝种类:延时保险丝。
9)请使用适合的螺丝力及适合的压接端子端子螺丝尺寸:M4X8(带7.0X7.0方座)推荐拧紧力矩:0.7N.m合适线材:0.25~1.65mm 的单线或多芯软线10)请不要将压接端子或裸露线部分与相邻的端子接触。
智能传感器仪表说明书四、主要技术参数三、常规型号说明二、仪表型号SF 系列传感器表C:版本辅助电压:B: DC 24V 空白: 无T:温度传感器信号输入 空白:电压、电流输入通讯功能:0:无通讯 8: RS 485通讯 变送功能:I: DC 4-20MA变送输出 空白:无外形尺寸:3: 72W*36H*70.5L 4: 48W*48H 6: 48W*96H 7: 72W*72H 8: 96W*48H 9: 96W*96H 16:80W*160H 80:160W*80H 报警路数:空白: 无报警 2: 两路 3: 三路 报警类型:A :无报警 R:继电器报警输出输入信号4~20mA/0~10V4~20mA/0~10V 4~20mA/0~10V 4~20mA/0~10V 4~20mA/0~10V TC/RTD/mV/RT TC/RTD/mV/RT TC/RTD/mV/RT TC/RTD/mV/RT TC/RTD/mV/RT SF□-A0SF □-R20BSF □-R28BSF □-IR20BSF □-IR28BSF □-A0-T SF □-R20B -T SF □-R28B -T SF □-IR20B -T SF □-IR28B -T 22222222●●●●●●●●●●●●●●●●报警点数辅助电压变送输出485通讯型号1、电气参数表:3、隔离模式框图:五、通用面板名称1)在正常测量模式下,且参数2)进入参数3)4)在使用CAS、CAK 标定功能前,长按“SET”+“ ”(确保PSB=0)。
ESM-BA 301User InformationEmergency Stop Safety Relay ESM-BA3..V1.1.0• Cyclical monitoring of the output contacts • Indication of the switching state via LED • 2 start behaviors possible: - Monitored manual start - Automatic start• Short circuit and earth fault monitoring • Up to PL e, SILCL 3, category 4Correct UseThe ESM-BA3.. is a universal emergency stop safety switching device with three safe relay outputs that can quickly and safely stop the moving parts of a machine or system in case of danger. Applicationsfor the ESM-BA3.. include single or dual-channel emergency stop circuits and guard monitoring on machines and systems.Features• 3 safe, redundant relay outputs1 auxiliary contact (signaling contact) • Connection of:- Emergency stop buttons - Safety switches- Non-contact safety switches - OSSD-Outputs• Single and dual-channel operation possible• Feedback loop for monitoring downstream contactors or expansion modulesFunctionThe emergency stop safety switching device ESM-BA3.. is designed for safe isolation ofsafety circuits according to EN 60204-1 and can be used up to safety category 4, PL e according to EN ISO 13849-1.The internal logical system closes the safety contacts when the start button is pressed.When the safety switch is opened, the positively driven safety contacts are opened and safely switch the machine off. It is ensured that a single fault does not lead to a loss of the safety function and that every fault is detected by cycli-cal self-monitoring no later than when the system is swit-ched off and switched on again.Electrical Connection• When the 24 V version is used, a safety transformeraccording to EN 61558-2-6 or a power supply unit with electrical isolation from the mains must be connected. • External fusing of the safety contacts (6A slow-blow or 8A quick-action or 10 A gG) must be provided.•A maximum length of the control lines of 1000 meters with a line cross section of 0.75 mm 2 must not be ex-ceeded.• The line cross section must not exceed 2.5 mm 2. •If the device does not function after commissioning, it must be returned to the manufacturer unopened. Ope-ning the device will void the warranty.InstallationAs per EN 60204-1, the device is intended for installation in control cabinets with a minimum degree of protection of IP54. It is mounted on a 35 mm DIN rail according to DIN EN 60715 TH35.SafetyPrecautionsFig. 1 Block diagram ESM-BA3..Fig. 2 Installation / removalFig. 3 ConnectionsA1: Power supply A2 : Power supplyS11: DC 24V control voltage S10: Control line S21: Start control line S13: Control line S14: Control line S12: Control line13-14: Safety contact 1 23-24: Safety contact 2 33-34: Safety contact 3 41-42: Auxiliary contact• All relevant safety regulations and standards are to beobserved.• The overall concept of the control system in which the device is incorporated must be validated by the user. • Failure to observe the safety regulations can result in death, serious injury and serious damage.• Note down the version of the product (see label “Vx.x.x”) and check it prior to every commissioning of a new de-vice. If the version has changed, the overall concept of the control system in which the device is incorporated must be validated again by the user.• Installation and commissioning of the device must be performed only by authorized personnel .• Observe the country-specific regulations when installing the device.• The electrical connection of the device is only allowed to be made with the device isolated.•The wiring of the device must comply with the instruc-tions in this user information, otherwise there is a risk that the safety function will be lost.•It is not allowed to open the device, tamper with the device or bypass the safety devices.User InformationEmergency Stop Safety Relay ESM-BA3..V1.1.0Note: The items listed under “Electrical connection” must be observed during commissioning. Commissioning Procedure1. Wiring emergency stop circuit:Wire the emergency stop circuit according to the required Performance Level determined (see Fig. 1 to Fig. 5). 2. Wiring start circuit:Wire the start circuit according to Fig. 6 or Fig. 7 to set the starting behavior. Warning:If “Automatic start” is set, bear in mind that the safety con-tacts will switch immediately after the power supply is connected. If “Monitored manual start” is set, the start button must be opened after wiring. 3. Wiring feedback loop:If your application provides for external contactors or ex-pansion modules, connect them to the device according to Fig.8 or Fig. 9.4. Wiring power supply:Connect the power supply to terminals A1 and A2 (Fig. 10). Warning: Wiring only in de-energized state.5. Starting the device:Switch the operating voltage on. Warning:If the “Automatic start” starting behavior is set, the safety contacts will close immediately.If the “Monitored manual start” starting behavior is set, close the start button to close the safety contacts. LEDs K1 and K2 are lit.6. Triggering safety function:Open the emergency stop circuit by actuating the connec-ted safety switch. The safety contacts open immediately. 7. Reactivation:Close the emergency stop circuit. If “Automatic start” is selected, the safety contacts will close immediately.If the “Monitored manual start” starting behavior is set, close the start button to close the safety contacts.Fig. 6:Monitored manual start. It is monitored that the start button was opened before the emergency stop button closes. (Prerequisite: operating voltage must not be interrupted.)Fig. 7:Automatic start.Max perm. delay during closing of the safety switches on S12 and S13:S12 before S13: 300 ms S13 before S12: anyWarning:Safety contacts switchimmediately when theDepending on the application or the result of the risk assessment according to EN ISO 13849-1, the device must be wired as shown in Fig. 1 to Fig. 11.ApplicationsFig. 3:Single-channel emergency stop circuit with earth fault monitor-ing.(category 1, up to PL c)Fig. 2:Two-channel emergency stop circuit with earth fault monitoring. (category 3, up to PL d)Fig. 1:Two-channel emergency stop circuit with short circuit and earth fault monitoring.(category 4, up to PL e)Fig. 4:Two-channel sliding guardmonitoring with short circuit and earth fault monitoring. (category 4, up to PL e)Emergency Stop CircuitStarting BehaviorFig. 5:Two-channel emergency stop with pnp-outputs/OSSD-outputs with short circuit monitoring. (category 4, up to PL e)Fig. 8:Feedback loop for monitored manualstart:The feedback loop monitors contactors or the expansion modules .Feedback LoopFig. 9:Feedback loop for automatic start: The feedback loop monitors contac-tors or the expansion modules .Power supply andSafety contactsFig. 10:Power supply A1 and A2.(Power supply according to techn. data )Fig. 11:Connecting load to safety contacts.(Figure shows example.Voltage …+V“ according to techn. data)Notice:In order to activate earth fault monitoring, S10 must be con-nected to PE (protective earth) on the AC115/230V devices. With AC/DC 24V, connect PE only to the power supply unit according to EN60204-1.User InformationEmergency Stop Safety Relay ESM-BA3..V1.1.0MaintenanceThe device must be checked once per month for proper function and for signs of tampering and bypassing of the safety function.Techn. DataOperating voltage ESM-BA301 ESM-BA302 ESM-BA303AC/DC 24V AC 115V AC 230V Rated supply frequency 50-60 Hz Permissible deviation + / - 10% Power consumption DC 24V AC 230Vapprox. 2.3 W approx. 6.9 VA Control voltage at S11 DC 24 VControl current S11...S14 approx. 60 mA Safety contacts 3 NO contacts Auxiliary contacts 1 NC contact Max. switching voltageAC 250 VSafety contact breaking capacity (13-14, 23-24, 33-34) AC: 250 V, 2000 VA, 8 A for ohmic load, 250 V, 3 A for AC-15DC: 50 V, 400 W, 8 A for ohmic load; 24 V, 3 A for DC-13Max. total current through all 3 contacts15 A (13-14, 23-24, 33-34) *)Auxiliary contact breaking capacity (41-42) AC: 250 V, 500 VA, 2 A for AC-12 DC: 50 V, 100 W, 2 A for DC-12 Minimum contact load 24 V, 5 mAContact fuses 6 A slow-blow or 8 A quick-action or 10 A gG Line cross section 0.14 - 2.5 mm 2Max. length of control line 1000 m with 0.75 mm 2 Contact material AgSnO 2Contact service life mech. approx. 1 x 107Test voltage2.5 kV (control voltage/contacts) Rated impulse withstand voltage, leakage path/air gap 4 kV (DIN VDE 0110-1) Rated insulation voltage 250 V Degree of protection IP20Temperature range -15°C to +40°C *) Degree of contamination 2 (DIN VDE 0110-1) Overvoltage category 3 (DIN VDE 0110-1) Weight approx. 230 gMounting DIN rail according to EN 60715TH35SafetyCharacteristics According to EN ISO 13849-1Note:Additional data can be requested from the manufacturer for applications that deviate from these conditions.The device is certified according to EN ISO 13849-1 up to a Performance Level of PL e.Device cannot be switched on again after an emergency stop:• Check whether the emergency stop circuit was closed again.• Was the start button opened before closing of the emer-gency stop circuit (with manual start)? • Is the feedback loop closed?If the fault still exists, perform the steps listed under “Commissioning Procedure”.If these steps do not remedy the fault either, return the device to the manufacturer for examination.Opening the device is impermissible and will void the warranty.Device does not switch on:• Check the wiring by comparing it to the wiring diagrams. • Check the safety switch used for correct function and adjustment.• Check whether the emergency stop circuit is closed. • Check whether the start button (with manual start) is closed.• Check the operating voltage at A1 and A2. •Is the feedback loop closed?What to Do in Case of a Fault?The device is otherwise maintenance free, provided that it was installed properly.*) If several ESM-BA3.. devices are closely spaced under load, the max. total current at the ambient temperature of T=20°C: 9A; at T=30°C: 3A; at T=40°C =1A. If these currents are exceeded, a spacing of 5 mm between the devices must be observed.Safety characteristics according to EN ISO 13849-1 for all variants of ESM-BA3 Load (DC-13; 24V) <= 0,1A <= 1A <= 2A T10d [years] 20 20 20 Category: 4 4 4 PLe e e PFHd [1/h]: 1,2E-08 1,2E-08 1,2E-08 nop [cycle / year]<= 500.000<= 350.000<= 100.000User InformationEmergency Stop Safety Relay ESM-BA3..V1.1.0Dimension DrawingS u b j e c t t o t e c h n i c a l m o d i f i c a t i o n s , n o r e s p o n s i b i l i t y i s a c c e p t e d f o r t h e a c c u r a c y o f t h i s i n f o r m a t i o n . © E U C H N E R G m b H + C o . K G 090073-07-04/15 (T r a n s l a t i o n o f t h e O r i g i n a l O p e r a t i n g I n s t r u c t i o n s ) Fixed TerminalsPlug-InTerminalsESM-BA 301。
BA控制系统的操作说明书一、概述本BA系统是采用思迈特的控制器、OPC和西门子组态软件WINCC组成。
思迈特控制器做控制单元,OPC做数据服务端,WINCC做人机对话窗口。
在本指南中着重讲述操作系统的使用及控制要求。
二、系统介绍本操作系统是用WINCC组态软件制作,在本系统中主要分为:控制系统网络图、冷热水群控系统、空调风柜系统、排风系统、地下室通风系统、;数据曲线、报警记录和用户权限。
用户权限是用来确认操作身份,根据不同权限给予不同的操作。
在本操作系统中设置一个管理员身份,身份确认后放才能设置控制参数。
其他界面是对相应的设备操作和显示设备运行状态。
三、系统界面及操作介绍每个子系统里相对的设备的操作和状态显示,每种设备的控制工艺和要求不同而进行不同的操作。
在此针对每个子系统做一一说明。
1、群控系统群控系统是整个空调提供冷源的设备,在群控系统主要是冷水机组、冷却塔、冷冻泵和冷却泵组成。
也就是整个系统的核心。
冷水机组冷水机组主要由冷机、冷冻水泵、冷却水泵和冷却塔、等组成。
中央空调系统的控制分冬季控制和夏季的控制。
冬季主要是供暖,夏季主要是制冷。
在本系统中只有夏季模式的控制,也就是本系统只提供制冷。
在本BA 系统中把冷源部分分成2个系统即冷源一和冷源二。
冷源系统流程图如下所示:✓冷源机组的控制:⏹监控内容监控设备数量监控内容程序最优开关控制,手自动状态运行状态,故障状态,水流冷水机组4台开关冷冻泵水泵5台程序最优开关控制, 运行状态,故障状态,手自动状态冷却水泵5台程序最优开关控制, 运行状态,故障状态,手自动状态电动蝶阀12台程序最优开关控制, 运行状态,故障状态,手自动状态冷却塔4台程序最优开关控制, 运行状态,故障状态,手自动状态⏹启停顺序控制冷冻水系统启动顺序:冷却塔进出口蝶阀→冷却塔风机→冷却电动蝶阀→冷却水泵→冷冻机进出口蝶阀→冷冻水泵→冷水机组。
冷冻水系统关机顺序:冷水机→冷却塔风机→冷却水泵→冷却塔进出口蝶阀→冷机冷却蝶阀→冷冻水泵→冷冻蝶阀(这样的关机顺序能最大限度利用剩余的冷源)。
施耐德楼宇自控产品5.1、中央监控软件Vista 5 Standalone提供顺序控制程序、功能联锁程序、用电管理程序、照明控制程序、维修记录程序、统计程序、报表产生程序和历史数据与处理等程序。
系统平台应按实时、多用户和多进程对资源进行分配和管理,系统将拥有事件驱动顺序以及优先结构装置,以便于系统能在同一时间里处理实时情况与紧急任务。
同时,系统平台还具备网络管理、标准网络协议、远程通信管理以及符合计算机技术发展趋势的要求。
软件按模块形式设计,除具备基本功能外,还能提供各种丰富的应用开发功能,例如:OPC、DDE、ODBC等,以利于程序的开发、扩展和修改,支持Lontalk协议,符合有关国际标准和国家标准。
用户界面全部汉化,具备多窗口功能、动态图形显示并且操作直观、简便。
5.2、OPC服务包OPC Client/Sever用于冷热源及变配电系统的集成。
利用定制数据访问,对数据库的数据点进行读/写,从而与OPC Server进行通讯,通过报警接口,接收OPC Server中的报警和事件。
5.3、通讯接口卡PCLTA-21 PCI-card, FTT10LonTalk适配卡、TP/FT-10、通讯速率为78kbps5.4、通讯中继器TAC Xenta Repeater⏹Lonworks网络中继器,用来将网络信号放大,但不会给通讯带来影响。
⏹供电电压24VAC±20%,50-60HZ或19-40VDC,8-28VAC,50/60HZ或8-40VDC⏹功率:最大1.5W⏹环境温度:存储(-20到75摄氏度),运行(0到75摄氏度),湿度(最大90%RH,无冷凝)⏹防护等级IP20⏹中继器数量:任何两个路由器之间最多一个5.5、通讯终端模块LTM网络终端模块,lonworks FTT105.6、直接数字控制器TAC Xenta 401:C⏹微处理器为基础的可编程DDC,CPU采用32位,12.28MHZ 2MB flash memory ,128KB SRAM,最大50条趋势记录,时间表,报警,PID运算控制, DDC通讯符合LonMark标准,并具有lonmark认证标志,具有可脱离中央控制主机独立运行和联网运行能力,最大可支持15个I/O模块。
CDBA系列物联网小型断路器CDBALE系列物联网小型漏电断路器CDGA-4G物联网网关物联网云平台作为中国改革开放第一代优秀民营企业,德力西集团历经近四十载的不懈奋斗,在广大客户和合作伙伴的长期信赖与支持下,于2007年与全球500强施耐德电气强强携手,合资成立德力西电气有限公司(简称“德力西电气”)。
德力西电气业务覆盖配电电气、工业控制自动化、家居电气三大领域,致力于以高性价比、高效率和高质量的产品与服务,为全球新兴市场客户创造舒适、美观、安全、智能的居家用电环境和专业、安全、可靠、高效的工业自动化用电环境,探索中国低压电气行业企业发展新模式。
我们以客户和合作伙伴的利益为出发点,坚持以技术创新、质量保障、五星服务、品牌驱动为经营理念,打造电气全产业链新生态。
我们拥有700多家一级代理商、60000多家线下门店、多个线上销售平台和合作伙伴、5个研发中心、3个国家级实验室、3大自动化工业生产基地、五星级客户支持服务团队、17个国内物流中心以及数十个运输合作伙伴、1个国际物流中心和在发展中国家的4大业务合作伙伴,以及持续一致的全方位品牌建设及宣传,致力在全球范围内创造最佳客户体验闭环。
我们秉承“客户第一、合作、敏捷、创新、超越”的价值观,全心全意服务于我们的客户,同时携手合作伙伴建立具有统一价值观的社会责任生态圈,通过“德基金”全情回馈社会,用实际行动践行企业社会责任,持续打造具有德力西电气特色的“一老一小传统文化”的企业公益品牌,构建一个有温度的国际化低压电气领军企业 。
19技术参数主要特性执行标准GB 4943.1-2011额定电压AC230V通信方式上行:4G网络下行:RS-485安装方式TH35-7.5导轨工作环境温度-35℃~+70℃储存环境温度-40℃~+85℃技术参数主要特性执行标准GB/T10963.1;NB/T42149额定频率50/60Hz 极数1P 、2P 、3P 、4P 额定电压AC230V (1P/2P ),AC400V (3P/4P )额定电流6,10,16,20,25,32,40,50,63A 瞬时脱扣特性C,D 分断能力6kA 机械寿命10000次电气寿命4000次安装方式TH35-7.5导轨接线能力25mm ²最大接线扭矩2.5N·m 电流测量精度0.5级电压测量精度0.5级功率测量精度0.5级过电压动作整定值默认275±10V 延时3s 脱扣,可远程整定参数过电压动作恢复值默认1.1Ue ,延时30±5s ,可远程整定参数欠电压保护整定值默认160±10V 延时3s 脱扣,可远程整定参数欠电压动作恢复值默认0.85Ue ,延时30±5s ,可远程整定参数分合闸方式手动远程遥控操作检修模式时不能合闸工作环境温度-35℃~+70℃储存环境温度-40℃~+85℃认证CCC,CE,RoHSCDBA10技术参数主要特性执行标准GB/T16917.1;GB/T16917.22;NB/T42149额定频率50/60Hz 极数2P,4P 额定电压AC230V (2P ),AC400V (4P )瞬时脱扣特性C,D 额定电流6,10,16,20,25,32,40,50,63A 额定剩余动作电流30,100,300mA 额定剩余动作类型A 型,AC 型分断能力6kA 机械寿命10000次电气寿命4000次安装方式TH35-7.5导轨接线能力25mm²最大接线扭矩2.5N·m 电流测量精度0.5级电压测量精度0.5级功率测量精度0.5级温度测量-过电压动作整定值默认275±10V延时3s 脱扣,可远程整定参数过电压动作恢复值默认1.1Ue ,延时30±5s ,可远程整定参数欠电压保护整定值默认160±10V 延时3s 脱扣,可远程整定参数欠电压动作恢复值默认0.85Ue ,延时30±5s ,可远程整定参数分合闸方式手动远程遥控操作检修模式时不能合闸工作环境温度-35℃~+70℃储存环境温度-40℃~+85℃符合认证CCC,CE,RoHS产品功能与选型CDBA系列物联网小型断路器产品选型111213产品概述CDBA(Z)-63B系列特殊应用物联网小型断路器具有过载和短路保护功能外,还有远程控制、定时控制、电参数计量、过欠压自恢复、故障预警、RS485通讯等功能;适用于交流50Hz,额定工作电压AC230V或DC80V及以下,额定工作电流至63A的线路中。
BA0300集中抄表器使用说明书北京黑蚂蚁节能技术有限公司二零一四年三月第一章产品简介1.1产品概述CMR(Concentrated Meter Reading)集中抄表器主要应用在远程抄表行业,实现了热表集抄,水表集抄,电表集抄,燃气表集抄、数据远传等功能。
广泛应用于热力、电力、水利、天然气等行业。
其提供M-BUS总线和RS485总线接口,适用于接口形式为M-BUS 从机或RS485从机的设备。
1.2产品特点✧主控系统采用高性能ARM处理器,使用了实时操作系统。
主板进行了防雷击、EMC抗干扰设计。
✧提供多种数据传输方式,上行支持GPRS(RS232与DTU连接)、以太网、RS485通讯,可任选其一。
✧支持在线远程升级,支持在线远程管理和维护。
✧可同时支持多种国内外主流水表、电表、热表、燃气表,同时支持CJ/T188协议、EN1434协议,Modbus协议。
✧可同时支持RS485总线和M-BUS总线的仪表设备。
✧支持定时自动抄表,支持自动解析协议,支持离线脱机工作,支持本地数据存储,支持故障上报功能。
✧具有实时时钟,支持自动校时功能。
✧提供多种二次开发接口,可以方便接入第三方抄表管理系统。
✧免费提供配套软件,软件功能强大,可以设置工作参数,读取、下载表ID信息,读取历史数据等功能。
1.3工作原理集中抄表器由主控制器,M-BUS模块,RS485模块、通讯模块(GPRS(RS232与DTU连接)、以太网、RS485三种可选择其一)、电源管理模块组成,针对热力、电力、水利、天然气等行业实现了抄表、数据远传功能。
集中抄表器原理框图如下所示:1.4技术参数第二章安装2.1概述集中抄表器必须正确安装方可达到设计的功能,通常设备的安装必须在我公司认可合格的工程师指导下进行。
注意事项:请不要带电安装集中抄表器。
2.2开箱为了安全运输,集中抄表器通常需要合理的包装,当您开箱时请保管好包装材料,以便日后需要转运时使用。
Application Manual1800.888.5538 : Relay and Current Sensor in OneDirectly start/stop load and current sensing all in one package (no external ring is needed.) Wire colors to “Load” and “60 Hz ac” differ depending on the model being used. Configurations are either YELLOW & ORANGE, BLUE & YELLOW, or ORANGE & ORANGE.Internal 20 AmpRIBX24BF RIBX24SBF RIBX24BA RIBX24SBAInternal 10 AmpRIBXLCF RIBXLSF RIBXLCA RIBXLSAInternal 5 AmpRIBXLCEA RIBXLSEAMotor StarterAllows relay to control a motor starter while sensing current flowing to the motor.External Sensor RingRIBXLCRF RIBXLCRA RIBXLCJF RIBXLCJA RIBXLSRF RIBXLSRA RIBXLSJF RIBXLSJASensor only for 1.25 Amp to 150 Amp LoadUse sensor only devices without relay where start/stop is not required.External Sensor RingRIBXRA RIBXRFPanel Mounted Relay and Internal SensorStart/Stop Relays with Internal Current Sensors measure current flow through the relay contacts, no external ring is needed. Senses current as low as .50 Amp.Internal 20 AmpRIBMX24BFRIBMX24SBFRIBMX24BARIBMX24SBAInterlocking LoadsSome RIBX current sensor relays can be used to sense 1 or more loads to turn on another.Internal 10 AmpRIBXLCRFRIBXLCRARIBXLCJFRIBXLCJARIBXLSRFRIBXLSRARIBXLSJFRIBXLSJAInterlocking Loads (No Transformer)Self-powered Current Sensors of the RIBX Series and relays of the Dry Contact Input RIB® Series may be applied to interlock Load 2 to Load 1.Dry Contact Input RelaysRIB21CDCRIB01BDCRIB01SBDCRIB02BDCRIB02SBDCRIBM01ZNDCRIBM02ZNDCRIBM013PNDCRIBD01BDC (Time Delay)RIBD02BDC (Time Delay)RIBD01BDC-DOB (Time Delay)RIBD02BDC-DOB (Time Delay)Current SensorsRIBXKFRIBXKTFRIBXKARIBXKTARIBXGARIBXGFRIBXGTARIBXGTFRIBXGFLRIBXGTFLRIBXFRIBXARIBXRFRIBXRARIBXJFRIBXJARIBMXFRIBMXARIBMXRFRIBMXRA2Functional Devices, Inc. : American Made. American Owned.3800.888.5538 : Damper Motor Control with True-HOAThe damper motor can be stopped in mid position for debugging. When auto/manual selector is in auto, relay controls the load. When in manual, use the manual switch to control the load.24 Vac From Controller10 & 15 Amp RIBU1SC RIBH1SC RIBTU1SC RIBTH1SC RIBMU1SC RIBMH1SCRIBU1S vs. RIBU1SCStock model RIBU1SC for relay control applications that require true-HOA on either N/O or N/C. No jumpers and no wrong orders.20 Amp RIB2401SBC RIB2402SBC RIBT2401SBC RIBT2402SBC RIBM2401SBC RIBM2402SBC10 & 15 Amp RIBU1SC RIBH1SC RIBTU1SC RIBTH1SC RIBMU1SC RIBMH1SC 20 Amp RIB2401SBC RIB2402SBC RIBT2401SBC RIBT2402SBC RIBM2401SBCRIBM2402SBCManual Analog Override SwitchInitial installation or trouble shooting can be smoother and much less costly by adding the RIBMNA1D0. It allows you to manually control an analog output without accessing complicated algorithms in a controller. An indicator is provided for visual confirmation of percentage output. When you are finished, you can switch back to auto to put the controller back in control.4Functional Devices, Inc. : American Made. American Owned.Limit Extra Transformers with Dry Contact Input RelaysEliminate the expense of extra transformer(s) and associated wiring.Detect Water Levels with Dry Contact Input RelaysIf the water touches the wires, the relay will turn on (closes COMMON to N/O and opens COMMON to N/C.)Uses UL Approved low-voltage to sense water and activate relay.Enclosed Relays RIB21CDC RIB01BDC RIB01SBDC RIB02BDC RIB02SBDCRIBD01BDC (Time Delay)RIBD02BDC (Time Delay)RIBD01BDC-DOB (Time Delay)RIBD02BDC-DOB (Time Delay)Track Relays RIBM01ZNDC RIBM02ZNDC RIBM013PNDCEnclosed Relays RIB21CDC RIB01BDC RIB01SBDC RIB02BDC RIB02SBDCRIBD01BDC (Time Delay)RIBD02BDC (Time Delay)RIBD01BDC-DOB (Time Delay)RIBD02BDC-DOB (Time Delay)Track Relays RIBM01ZNDC RIBM02ZNDC RIBM013PNDCMonitoring Switch Position with a ControllerDigital In 1 and 2 of the controller can be used to monitor the position of the HOA switch. The controller can be programmed to log the status of the HOA and provide a warning if the switch is in an override position.Enclosed Relays 10 Amp RIBU1SM RIBH1SMTrack Relays 15 Amp RIBMU1SM RIBMH1SM RIBMNU1SM RIBMNH1SMHigh Voltage Optoisolated RelaysOptoisolated relays help isolate noisy loads from the controller. Good for controlling power relays from analog outputs.Enclosed RelaysRIBTE01BRIBTE02BRIBTE01SBRIBTE02SBRIBTE01PRIBTE02PLow Voltage Optoisolated RelaysOptoisolated relays help isolate noisy loads from the controller. Good for controlling power relays from low powerdigital or analog outputs.Enclosed RelaysRIBTELCRIBTELSRIBTE24BRIBTE24SBRIBTE24PPolarized RelaysRelays are polarized to work in a supervised system and may be turned on and off by reversing polarity.For fire alarm systems, smoke control systems, etc.Track RelaysRIBME2401BRIBME2402BRIBME2401SBRIBME2402SBRIBME2401PRIBME2402PTrack RelaysRIBME2401BRIBME2402BRIBME2401SBRIBME2402SBRIBME2401PRIBME2402PEnclosed RelaysRIB12C-FARIB24C-FARIB12S-FARIB24S-FARIBT24B-FARIB24P-FATrack RelaysRIBMN12C-FARIBMN24C-FARIBMN12S-FARIBMN24S-FA5800.888.5538 : 6Functional Devices, Inc. : American Made. American Owned.Condense Work Space and Wiring (Power Control)Power Control Centers allow you to save large amounts of time, space, and wiring throughout your panel.By using one of Functional Devices' Power Control Centers you will greatly reduce installation time, as well as save space in your enclosure.There is a lot of extra wiring in this enclosure which not only takes up space but also increases the di culty and time associated with installation.Enclosed 4 Amp PSPT2RB4PSPW2RB4Condense Work Space and Wiring (Power Supplies)The PSC, PSH, and PSB Series Power Supplies allow you to save large amounts of time, space, and wiring throughout your panel.By using one of Functional Devices' Power Supplies you will greatly reduce installation time, as well as save space in your enclosure.There is a lot of extra wiring in this enclosure which not only takes up space but also increases the di culty and time associated with installation.Power SuppliesAny models ending in “B10” in the PSC, PSH, or PSB Power Supply SeriesSwitch in a Box Enclosed ControlsPre-labeled 20 Amp switches are great for new installations or last minute corrections to controls jobs. Switch labels may be custom selected when ordering.2 Position SIB04S SIB05S3 Position SIB02S SIBLSEnclosed 10 Amp PSPT2RB10PSPW2RB107800.888.5538 : Electronic Air CleanerModels RIBXGHF, RIBXGHTF, RIBXGHA, or RIBXGHTA can be used to control an electronic air cleaner based on whether or not the blower motor is turned on.Humidifier ControlSolid and split core current sensors can be used along with a humidistat for control of a humidifier based on whetheror not the blower motor is turned on.Enclosed Mini Current Sensors RIBXKF RIBXKTF RIBXKA RIBXKTA RIBXGF RIBXGTF RIBXGA RIBXGTAOccupancy Sensor on Open Protocol NetworkA LonMark® certified or a BACnet® compatible relay with a digital input can be used with an occupancy sensor in a room and turn on and off loads based on that status. This saves the cost of buying a LonMark® compatible or BACnet®compatible occupancy sensor by utilizing the digital input on our device.LonMark® Certified Relays RIBTW2401B-LN RIBTW2402B-LN RIBTW2401SB-LN RIBTW2402SB-LNBACnet® Compatible Relays RIBTW2401B-BC RIBTW2402B-BC8Functional Devices, Inc. : American Made. American Owned.Loop-Powered RIBXK420 Series and RIBXG420 Series (High-Accuracy)Enclosed Mini Current Sensors RIBXK420-20RIBXK420-50RIBXK420-100RIBXG420-20RIBXG420-50RIBXG420-100Hands and tools exposed to high voltage while adjusting potentiometer ofcurrent sensor( OLD WAY )DangerHands safely away from high voltage becauseSCAL adjusts itself( NEW WAY )SafeSelf-Calibrating Current Sensors RIBXGA-SCAL RIBXGTA-SCALSelf-Calibrating Current SensorsThe self-calibrating current sensor begins its 30 second self calibration process the first time current is applied within the operating range. This procedure uses the user selected differential to set the trip threshold at a 15% or 25% level. Selection is completed prior to install using the appropriate DIP switch setting, keeping the installer’s hands away from possible shock hazard, as well as saving installation time.Enclosed Mini Current Sensors RIBXK420-20RIBXK420-50RIBXK420-100RIBXG420-20RIBXG420-50RIBXG420-100Enclosed Relays RIBTELC RIBTELS RIBTE24B RIBTE24SB RIBTE24PTrack Relays RIBME2401B RIBME2402B RIBME2401SB RIBME2402SB RIBME2401P RIBME2402PControl Optoisolated Relay with 4-20mA LoopAdd 250Ω across Optoisolated Relay 5-25 Vdc control input. Relay turns on at approximately 10mA and off at 8mA.Echelon® Thermistor-In ApplicationA thermistor is used to read the temperature of a room or area. That data is fed back to the LonWorks® system. When the temperature is out of range, the relay is commanded by the network, activating the exhaust fan, heater, or other device. A current sensor is used to feed back load status to the network. If there is a command and status mismatch, the network can issue an alarm to the operator’s console.Enclosed RelayRIBTW24SB-LNT2RIBTW24SB-LNT3Track RelayRIBMW24SB-LNT2RIBMW24SB-LNT3Enclosed Mini Current SensorsRIBXKFRIBXKTFRIBXKARIBXKTAEchelon® Relay / Current Sensor ApplicationSave time, money, and messy wiring. LonMark® certified relay contains an internal current sensor for load status. Relay control andload status are easily accessible from the FT-10 Network.Enclosed ModelRIBTWX2401SB-LNRIBTWX2402SB-LNTrack ModelRIBMNWX2401SB-LNRIBMNWX2402SB-LNRIBXGFRIBXGTFRIBXGARIBXGTARIBXGFLRIBXGTFL9800.888.5538 : Delay on Break (DOB) Time Delay Load 2 stays on selected amount of time after load 1 goes off.In this example, voltage can beSelect RIB® with coil inputappropriate to sense Load 1.Time Delay Relays RIBD2421CEnclosed RelayRIBTW24SB-LNAITrack RelayRIBMW24SB-LNAIEnclosed Mini Current SensorsRIBXKFRIBXKTFRIBXKARIBXKTA Echelon® Analog-In ApplicationSimple and easy load control and status along with analog input provide everything needed to control andinterface to your HVAC application. Save the expense of a controller for smaller remote jobs or complete largerjobs, as well.RIBXGFRIBXGTFRIBXGARIBXGTARIBXGFLRIBXGTFLEnclosed RelaysRIBD01BDCRIBD02BDCActivate Load for Pre-Determined Time Using Dry Contact Input / Time Delay Relay and Normally Closed Switch• Activate (open) switch until load comes on.• Release switch.• Load will be powered until time delay exprires.AM578M 05.21.1510Functional Devices, Inc. : American Made. American Owned.。
Type 692 pressure transmitters have a unique, well proven ceramic technolgy. There are variety of pressure and electrical connections available, together with several standardised output signals. The wide variety of options makes these transmitters ideal for applications across a broad spectrum of industries.Relative and di ff erential pressure transmitter Type 692Differential pressure transmitter+ Very low temperature sensitivity + High resistance to extreme temperatures + No mechanical creepage+ Modular system and choice of materials to suit individual applicationsPressure range 0 ... 0.1 – 25 barPressure rangeRelative and differential0 ... 0.1 – 25 barOperating conditionsM e diumLiquids and neutral gases TemperatureMedium / ambient -15 ... +85 ºCStorage -40 ... +85 ºC Tolerable overload on one sideSee order code selection tableSystem pressure< 6 bar PVDF 12 bar Stainless steel 1.4305 / AISI 303 25 bar > 10 bar 50 bar Rupture pressure1.5x system pressure Materials CaseStainless steel 1.4305 / AISI 303Materials in contact with the mediumPressure connection Stainless steel 1.4305 / AISI 303,PVDF, CuZn nickel platedS e nsor c e ramic Al 2O 3 (96%)Sealing material FPM, EPDM, NBR, MVQElectrical overview Output Power supply Load Current consumption (at nominal pressure)2 wire4 ... 20 mA 11 ... 33 VDC < supply voltage - 11 V [Ohm] < 20 mA 3 wire 0 ...5 V 11 ... 33 VDC / 24 VAC ±15% >10 kOhm < 5 mA 0 ... 10 V 18 ... 33 VDC / 24 VAC ±15% >10 kOhm < 5 mAratiom. 10 ... 90% 5 VDC ±5% >10 kOhm < 5 mAPolarity reversal protection Short circuit proof and protected against polarity reversal. Each connection is protected against crossover up to max. supply voltage.Dynamic response Response time < 5 ms Load cycle< 50 HzElectrical connectionProtection standard Connector DIN EN 175301-803-A IP 65Connector DIN EN 60130-9 IP 65Cable 1.5 m (PG7)IP 65Pressure connectionPressure tube tipØ 4 mmØ 6 mmPipe fittingØ 6 mmØ 8 mmOutside thread 7/16 -20 UNFG ⅛Inside thread ⅛ -27 NPTG ⅛Mounting instructionInstallation arrang m nt Unr e strict e d Mounting Mounting brack e t Tests / AdmissionsElectromagnetic compatibilityCE conformity acc. EN 61326-2-3Weight ~ 430 gPackagingSingle packaging in cardboardaccessories included0.02 A Legend to cross-section drawing 1 El ctrical conn ction 2 S als 3 C ramic l m nt4 P2 Pressure connection (lower pressure)5P1 Pressure connection (higher pressure)Female connector DIN EN 175301-803-A with seal IP 65, when installed and screwed 103510Female connector DIN EN 60130-9 IP 65, when installed and screwed 103524Mounting bracket incl. screws 101999Calibration certificate104551Test conditions: 25 ºC, 45% RH, Power supply 24 VDCParameterUnitVersions with overload on one side < 2x nominal pressureVersions with overload on one side < 3x nominal pressureVersions with overload on one side < 7.5x nominal pressureTolerance zero point max.% fs ±0.4±0.75±1.25Tolerance full scale max.% fs ±0.4±0.75±1.25Resolution% fs 0.1 0.15 0.25Total of linearity, hysteresis and repeatability max.% fs ±0.5±0.75±1.25Long term stability acc. to DIN EN 60770% fs±0.5±0.5±0.5TC zero point 1) max.% fs/10K See order code selection tableSee order code selection tableSee order code selection tableTC sensitivity 1)max.% fs/10K ±0.15±0.23±0.38Huba Control AG Headquarters Schweiz Industriestrasse 17CH-5436 Würenlos Telefon +41 56 436 82 00Fax+41 56 436 82 82***********************Huba Control AGBranch O ff ice United KingdomUnit 13 Berkshire House, County Park Business Centre, Shrivenham Road Swindon Wiltshire SN1 2NR Phone +44 1993 77 66 67Fax+44 1993 77 66 71***********************Huba Control SA Succursale France Rue LavoisierTechnopôle Forbach-Sud F-57602 Forbach Cedex Téléphone +33 3 87 84 73 00Télécopieur +33 3 87 84 73 01***********************Huba Control AG Niederlassung Deutschland Schlattgrabenstrasse 24D-72141 Walddorfhäslach Telefon +49 7127 2393 00Fax+49 7127 2393 20***********************Huba Control USA, Inc.O ff ice United States of America 303 Wyman Street Suite #300Waltham MA 02451Tel: +1 866-6HUBACO (+1 866-648-2226)************************Huba Control AG Vestiging Nederland Hamseweg 20A NL-3828 AD-Hoogland Telefoon +31 33 433 03 66Telefax+31 33 433 03 77***********************。