建设工程开工前现场踏勘情况记录表
- 格式:doc
- 大小:35.00 KB
- 文档页数:1
建筑工程现场踏勘情况记录表
此表一式四份,质监站留存两份、建设单位、施工各执一份。
项目编号应与施工许可申请表编号相一致。
现场踏勘须知
为进一步加强我市建设工程施工现场规范化、标准化管理,提高工程文明施工水平,营造和谐美观的施工环境,建设工程现场踏勘必须按照下列要求执行:
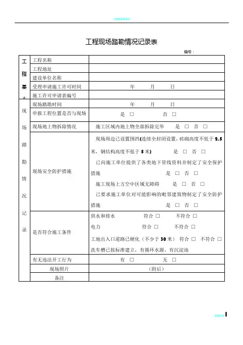
1、工地大门:施工现场必须设置封闭式金属大门,大门净宽不小于5米,净高不小于5米,门框四面须全包。
门垛宜采用混凝土构件或型钢组合构件,不得采用单排钢构件,门头横梁上应标注施工企业名称和工程名称。
2、施工现场围挡:围挡必须沿工地四周连续设置,市区主要路段工地的封闭围挡高度不得低于2.5米,其它地区围挡高度不得低于1.8米。
临街围挡有公益广告且不得少于总面积的1/3。
沿街围挡严禁使用单层彩钢瓦。
3、冲洗设施:施工现场大门内侧必须设置冲洗台,并配备高压水枪等冲洗设备,其周边设置排水沟、沉淀池
4、“八牌两图”:“八牌两图”应设置在施工现场主要出入口明显处、做到坚固美观;宜采用不锈钢材料为骨架、玻璃镶嵌的方式固定,严禁将“八牌两图”固定在木板上。
5、施工场地:施工现场的主要道路、生活区、加工区及出入口必须做成混凝土地面,并满足车辆行驶要求。
施工现场的其他区域可采用不同的硬化措施,使现场地面平整坚实,并应有良好的排水设施。
现场踏勘情况记录范文表模版本
适用文档
现场踏勘状况记录表
年月日
建设单位负责人职务
工程名称建筑面积构造形式
工程地址(详尽地址)投资本额
职手机
联系人联系方式
务固定电话
内容踏勘记录备注
1.申报工程地点与现场踏勘地点能否符合
2.资本筹集到位状况
3.施工现场拆迁进度能否切合施工要求,施
现
工地区内陆上物能否所有拆掉
场
4. 建设单位能否向施工单位供给了各种地下
踏
管线资料,并拟订了安全保护举措
勘
5.施工活动能否能给毗邻建筑物造成影响,
情
能否拟订了安全防备举措
况
6.按规定能否设置了合格的围挡,施工现场
记
能否有高压线等空中架设阻碍物的存在
录
7.图纸会审状况,能否编制施工图估算
8.施工现场供水和排水、电力以及施工道路
能否知足施工要求,并平坦了施工场所
9.能否违纪提早动工。
建设单位建议现场踏勘建议审察建议
负责人署名:踏勘人员署名:
年月日年月日年月日现场建设单位相关人员应配合踏勘工作,主动供给相关资料,仔细查对记录状况,若有异议应该场提出;
如无异议,应署名确认,并对已署名确认状况肩负相应法律责任。
此表一式两份,建设单位、施工允许证发证部门各执一份。
.。