现场踏勘记录表格模板
- 格式:doc
- 大小:34.50 KB
- 文档页数:1
工程现场踏勘情况记录表
项目概述
本项目是一座新建商业综合楼,位于城市中心区域,总建筑面积为10000平方米,包括商业零售区、写字楼、餐饮区等。
本文档记录了我们在工程现场踏勘的情况及发现的问题。
现场踏勘时间
2022年6月7日
踏勘人员
•张三:项目经理
•李四:工程师
踏勘情况
外观
建筑外观上,还需进行电梯井墙面与楼体幕墙模块的衔接处理,以及除尘工作。
室内
商业区
•商业区顶部应预留适当孔洞,并预留管道空间,以备后续水、电、通风等设施敷设。
•水电插座布置不够科学,需调整位置,避免影响其他设施的敷设。
•店铺隔板严重脱落,需紧急处理。
•地面瓷砖铺设未规范,需重新施工。
写字楼
•吊顶缺失,需开始安装,以免损坏未安装的其他设施。
•电梯门未安装,应该优先安装以确保其他进度稳定推进。
餐饮区
•餐饮区内墙面涂料颜色不符合设计要求,需重新涂刷,以保证食堂区域的整体感觉。
动力系统
•电力接线存在短路现象,需立即解决。
已采取的措施
我们已经将上述问题及时向施工方提出,要求加快处理进度,并随时关注现场施工进度,确保工程质量。
后续工作
•随时关注施工进度,确保工程按计划顺利完成。
•处理已发现的问题,确保施工质量和安全。
•进行下次踏勘,并记录踏勘情况和问题。
结论
本次踏勘发现了一些问题,但施工方已经采取措施解决,我们将继续关注现场进度,确保项目按计划顺利完成。
现场踏勘记录表(可以直接使用,可编辑优质资料,欢迎下载)
现场踏勘情况记录表
工程现场踏勘情况记录表
年月日
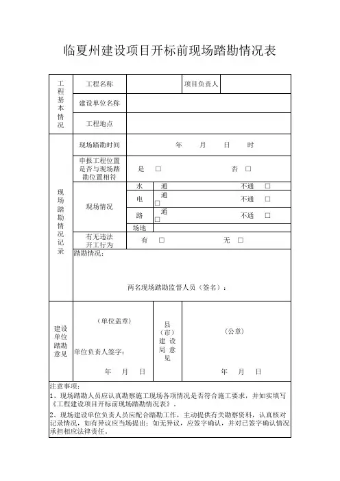
现场建设单位有关人员应配合踏勘工作,主动提供有关资料,认真核对记录情况,如有异议应当场提出;如无异议,应签字确认,并对已签字确认情况承担相应法律责任。
此表一式两份,建设单位、施工许可证发证部门各执一份。
酰化车间设备现场调试检查记录表
酰化车间设备调试记录表
电气调试记录表
工程质量、安全、环保检查记录表
检查人:检查日期:。
现场踏勘情况记录表实用
1 / 1
现场踏勘情况记录表
年 月
日
建设单位
负责人 职务
工程名称
工程地址
(详细地址)
建筑面积
结构形式
投资本额
联系人
职 务 内 容
联系方式
手机
固定电话
踏勘记录
备注
1. 申报工程地址与现场踏勘地址可否吻合
2. 资本筹集到位情况
3.施工现场拆迁进度可否吻合施工要求, 施 现
工地域内地上物可否全部拆掉
场
4. 建设单位可否向施工单位供应了各样地下
踏
管线资料,并拟定了安全保护措施
勘
5. 施工活动可否能给毗邻建筑物造成影响, 情
可否拟定了安全防范措施
况
6. 按规定可否设置了合格的围挡,施工现场 记
可否有高压线等空中架设阻挡物的存在 录 7. 图纸会审情况,可否编制施工图估量
8. 施工现场供水和排水、电力以及施工道路
可否满足施工要求,并平展了施工场所
9. 可否违纪提前动工。
建设单位建议 现场踏勘建议 审查建议
负责人签字:
踏勘人员签字:
年 月 日
年 月 日 年 月 日
现场建设单位有关人员应配合踏勘工作,主动供应有关资料,认真核对记录情况,如有异议应当场提出;如无异议,应签字确认,并对已签字确认情况肩负相应法律责任。
此表一式两份,建设单位、施工同意证发证部门各执一份。