级配砂砾及级配砾石基层及底基层施工检验批质量检验记录表
- 格式:docx
- 大小:18.59 KB
- 文档页数:2
单元工程质量检验评定表
分项工程名称:级配碎石底基层所属分部工程名称:所属建设项目:开关站道路
工程部位:施工单位:中国水利水电第三工程局有限公司监理单位:中国水利水电建设工程咨询西北公司
检验负责人:检测:记录:复核:检查日期:年月日
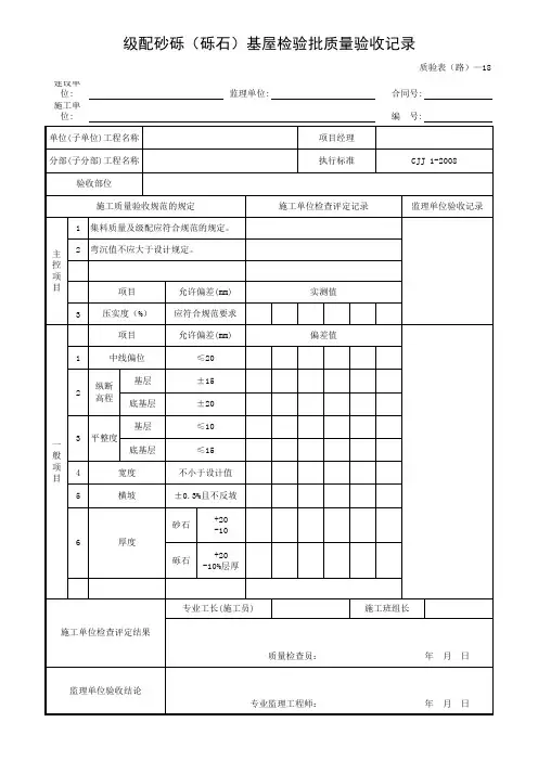
级配碎石底基层检验记录表
施工单位:中国水利水电第三工程局有限公司溧阳项目部合同编号:LX/C-2010-2
监理单位:中国水利水电建设工程咨询西北公司
级配碎石底基层工程报验单
级配碎石底基层质量检验报告单
施工单位:中国水利水电第三工程局有限公司溧阳项目部合同编号:LX/C-2010-2
级配碎石底基层施工记录表
施工单位:中国水利水电第三工程局有限公司溧阳项目部合同编号:LX/C-2010-2
(注:文档可能无法思考全面,请浏览后下载,供参考。
可复制、编制,期待你的好评与关注)。
市政工程填隙砾石基层和底基层现场质量检验报告单工程名称:市政工程填隙砾石基层和底基层工程地点:(详细地址)工程单位:(单位名称)报告人:(姓名)工程编号:(编号)施工时间:(具体时间)填隙砾石基层和底基层的质量是市政工程的重要组成部分,为了确保施工质量,特进行现场质量检查,并做出以下报告:一、工程概况在施工期间,我们对填隙砾石基层和底基层进行了质量检查。
本工程的填隙砾石基层和底基层采用了(具体材料),按照工程设计要求进行施工。
二、质量检查内容1.基层平整度检查:通过使用水平仪和测量工具,检查填隙砾石基层和底基层的平整度。
我们发现整个基层平整度符合设计要求,未出现明显的高低差和起伏。
2.基层厚度检查:在不同位置选择了若干点进行基层厚度的检测,通过测量和记录,我们发现基层厚度均匀,符合设计要求。
3.基层密实度检查:根据设计要求,使用振动锤对基层进行密实度检测。
测得的密实度值符合施工规范要求,能够满足工程的使用要求。
4.基层承载力检查:通过荷载试验,测试了填隙砾石基层和底基层的承载力。
测试结果显示,基层具有足够的承载力,能够满足工程的使用要求。
5.基层防水性检查:通过使用防水材料和检查漏水情况,对填隙砾石基层和底基层的防水性进行了检查。
检查结果显示,基层的防水性良好,不存在漏水情况。
三、结论与意见通过对填隙砾石基层和底基层的现场质量检查,我们得出以下结论:1.填隙砾石基层和底基层的施工质量符合设计要求和施工规范要求。
2.基层平整度、厚度、密实度、承载力以及防水性均满足工程的使用要求。
在工程施工过程中,我们注意到施工人员严格按照施工技术规范进行施工,操作规范,有效控制了施工质量。
未发现施工过程中的质量问题和安全隐患。
综上所述,填隙砾石基层和底基层的施工质量良好,建议继续按照设计要求和施工规范进行后续施工工作。
报告人签名:(签名)。