建筑构造(高层建筑构造)
- 格式:ppt
- 大小:2.06 MB
- 文档页数:65
一1.高层建筑结构定义:大于等于十层或超过28米的混凝土结构民用建筑2.高建结构受力及变形特点,设计时考虑问题:高建结构可设想成为支承在地面上的竖向悬臂构件,承受着竖向荷载和水平荷载的作用。
特点:a水平荷载称谓设计的决定性因素(地震作用风荷载)b侧移成为设计的控制指标c轴向变形的影响在设计中不容忽视d延性成为结构设计的重要指标e结构材料用量显著增加3.从结构材料区分高建结构类型,特点:a砌体结构取材容易、施工简便、造价低廉等优点,但由于砌体是一种脆性材料,其抗拉、抗弯、抗剪强度均较低,抗震性能较差,现代高层建筑很少采用无尽砌体结构建造b混凝土结构取材容易、耐久性和耐火性好、承载能力大、刚度好、节约钢材、降低造价、可模性好以及能浇制成各种复杂的截面和形状等优点,现浇整体式混凝土结构还具有整体性好,经过合理设计,可获得较好的抗震性能。
但由于其结构自重大,导致构件截面较大,占用较大的面积。
此外其施工施工工序复杂、建造周期长、受季节影响c钢结构具有材料强度高、截面小、自重轻、塑性和韧性好、制造简便、施工周期短、抗震性能好等优点,在高层建筑中有广泛应用。
但由于高层建筑钢结构用钢量大,造价高,再加之因钢结构防火性能差,需要采取防火保护措施,增加造价。
其应用还收钢铁产量和造价限制d钢混结构具有告诫够自重轻、截面尺寸小、施工进度快、抗震性能好等优点,同时还兼具混凝土结构刚度大、防火性能好、造价低的优点。
二4.高建混凝土结构体系,其优缺点、受力特点和应用范围:a框架结构体系优点:建筑平面布置灵活,能获得较大空间;建筑立面易处理;结构自重较轻;计算理论比较成熟;在一定高度范围内造价较低缺点:其侧向刚度较小或在框架结构房屋的高度较大时,水平荷载作用下侧移较大b剪力墙结构体系优点:此结构房屋的楼板直接支承在墙上,房间墙面及天花板平整,层高较小;剪力墙的水平承载力和侧向刚度均很大,侧向变形较小缺点:结构自重较大,建筑平面布置局限性大,较难活的大的建筑空间c框架-剪力墙结构体系优点:充分发挥框架结构平面布置灵活和剪力墙结构侧向刚度大的特点5.框-剪结构和框-核心筒结构有何异同?框-核心筒结构和框筒结构有何区别?带加层高层建筑结构与框-核心筒结构有何不同?特点及协同工作原理类似,水平布置灵活。
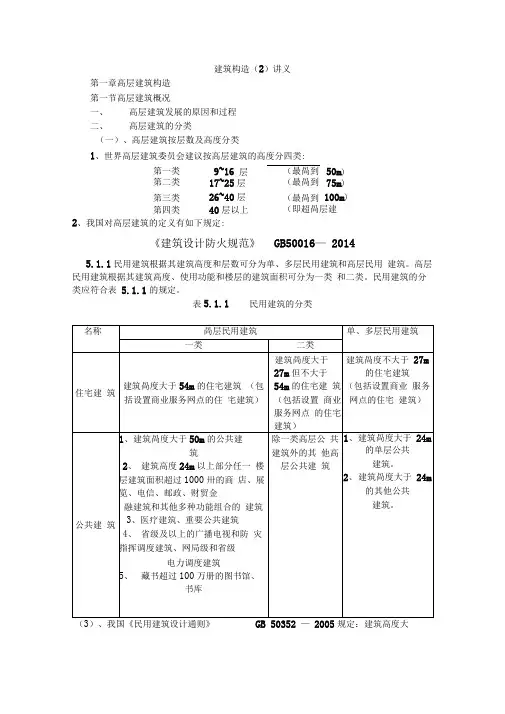
建筑构造(2)讲义第一章高层建筑构造第一节高层建筑概况一、高层建筑发展的原因和过程二、高层建筑的分类(一)、高层建筑按层数及高度分类1、世界高层建筑委员会建议按高层建筑的高度分四类:第一类9~16 层(最咼到50m)第二类17~25层(最咼到75m)第三类26~40层(最咼到100m)第四类40层以上(即超咼层建筑)2、我国对高层建筑的定义有如下规定:《建筑设计防火规范》GB50016—20145.1.1民用建筑根据其建筑高度和层数可分为单、多层民用建筑和高层民用建筑。
高层民用建筑根据其建筑高度、使用功能和楼层的建筑面积可分为一类和二类。
民用建筑的分类应符合表5.1.1的规定。
表5.1.1 民用建筑的分类(3)、我国《民用建筑设计通则》GB 50352 —2005规定:建筑高度大于100m的民用建筑为超高层建筑。
附录A 建筑高度和建筑层数的计算方法A.0.1 建筑高度的计算应符合下列规定:1建筑屋面为坡屋面时,建筑高度应为建筑室外设计地面至其檐口与屋脊的平均高度;2建筑屋面为平屋面(包括有女儿墙的平屋面)时,建筑高度应为建筑室外设计地面至其屋面面层的高度;3同一座建筑有多种形式的无眠时,建筑高度应按上述方法分别计算后,取其中最大值;4对于台阶式地坪,当位于不同高程地坪上的同一建筑之间有防火墙分隔,各自有符合规范规定的安全出口,且可沿建筑的两个长边设置贯通式或尽头式消防车道时,可分别计算各自的高度。
否则,应按其中建筑高度最大者确定该建筑的建筑高度;5局部突出屋顶的瞭望塔、冷却塔、水箱间、微波天线间或设施、电梯机房、排风和排烟机房以及楼梯出口小间等辅助用房占屋面面积不大于1/4 者,可不计入建筑高度;6对于住宅建筑,设置在底部且室内高度不大于2.2m 的自行车库、储藏室、敞开空间,室内外高差或建筑的地下或半地下室的顶板面高出室外设计地面的高度不大于1.5 m 的部分,可不计入建筑高度。
(二)、高层建筑按功能要求分类:教材(三)、高层建筑按体型分类1、板式高层建筑——建筑平面呈长条形的高层建筑,其体型如板状。
建筑构造下—复习题知识讲解《建筑构造》下册问题集1-高层建筑构造1.1 高层建筑概况1.我国《高层民用建筑设计防火规范》(GB50045-95)对高层建筑如何规定?我国:《高层民用建筑设计防火规范》(GB50045-95):10层和超过10层的居住建筑和超过24m高的其他民用建筑为高层建筑。
3.建筑高度的定义及图示?建筑物室外地面到其檐口或屋面面层的高度,屋顶上的水箱间、电梯机房、排烟楼房和楼梯出入口小间等不计入建筑高度5.我国《高层民用建筑设计防火规范》(GB50045-95)根据哪些因素将高层建筑分为一类和二类?根据建筑使用性质、火灾危险性、疏散及扑救难度等因素1.2 高层建筑结构与造型6.从建筑材料如何划分高层建筑的结构形式?砌体结构、钢筋混凝土结构、钢结构、钢-混凝土混合结构7.高层建筑结构主要受哪些力共同作用?受竖向荷载和水平荷载的共同作用,水平承重结构主要承担风荷载和水平地震作用、竖向承重结构主要承担以重力为代表的竖向荷载。
8.高层建筑结构基本体系和组合体系主要有哪几类?基本体系:纯框架体系纯剪力墙体系筒体体系。
组合体系:框支剪力墙体系框架剪力墙体系框架筒体体系筒中筒体系束筒体系。
9.何为纯框架体系?整个结构的纵向和横向全部由框架单一构件组成的体系称为纯框架体系。
10.纯框架结构体系中,框架梁跨度、梁截面高度及宽度的尺度如何规定?框架梁的跨度在4-9m之间,过大过小都不经济,梁的截面高度h 可根据梁的跨度l来估计,一般h=(1/15-1/10)l。
梁宽度b=(1/2-1/3)h,但是不宜小于200mm。
柱截面高度h一般不小于300mm (矩形)或350mm(圆形)柱横截面高宽比不大于311.何谓纯剪力墙体系?竖向承重结构全部由一系列横向和纵向的钢筋混凝土剪力墙所组成的结构体系12.剪力墙结构布置要求?剪力墙宜双向布置,在抗震设计中必须沿双向布置,赢避免仅单向有墙的结构布置形式。
剪力墙宜自下到上连续布置,避免刚度突变。
高层建筑结构定义在当今的城市中,高层建筑如雨后春笋般拔地而起,成为了现代化都市的一道独特风景线。
然而,你是否真正了解这些高耸入云的建筑背后的结构奥秘呢?让我们一同走进高层建筑结构的世界,揭开它神秘的面纱。
所谓高层建筑结构,简单来说,就是指那些高度较高,需要特殊设计和构造来保证其稳定性、安全性和功能性的建筑结构体。
一般来说,当建筑物的高度超过一定限度,常规的建筑结构设计方法和材料就不再适用,需要采用更加复杂和精细的结构体系。
要明确高层建筑结构的定义,首先得清楚“高层”的界定标准。
在不同的国家和地区,对于高层建筑的定义可能会有所差异。
但通常情况下,当建筑物的高度超过 24 米或者层数超过 10 层,就可以被视为高层建筑。
这个高度和层数的划分并非是随意的,而是基于建筑结构、消防安全、使用功能等多方面因素综合考虑得出的。
高层建筑结构的主要特点可以概括为以下几个方面。
一是高度大。
这是高层建筑最显著的特征,也是其结构设计的最大挑战之一。
随着高度的增加,风荷载、地震作用等水平力对建筑结构的影响会显著增大。
因此,在设计高层建筑结构时,必须充分考虑这些水平荷载的作用,采取有效的抗侧力结构体系,以保证建筑在水平力作用下的稳定性和安全性。
二是荷载大。
高层建筑不仅要承受自身的重量,还要承受大量的人员、设备、家具等活荷载。
此外,由于高度大,风荷载和地震作用产生的荷载也相当可观。
因此,高层建筑结构需要具备足够的强度和刚度来承受这些巨大的荷载。
三是对结构的稳定性要求高。
高层建筑的重心较高,在受到水平力作用时容易产生较大的倾覆力矩。
为了保证建筑的稳定性,结构设计中需要采取措施增加结构的抗倾覆能力,例如设置足够的基础埋深、加强结构的竖向构件等。
四是对建筑功能的要求复杂。
高层建筑通常集多种功能于一体,如办公、居住、商业等。
这就要求结构设计在满足安全性的前提下,还要尽可能地满足建筑功能的需求,为各种设备、管道的布置提供足够的空间,同时要保证室内空间的舒适性和灵活性。