多功能数字钟电路设计
- 格式:doc
- 大小:1.44 MB
- 文档页数:26
多功能数字钟电路设计1、功能要求:①基本功能: 以数字形式显示时、分、秒的时间,小时计数器的计时要求为“12翻1”,并要求能手动快校时、快校分或慢校时、慢校分。
②扩展功能: 定时控制,其时间自定;仿广播电台正点报时—自动报正点时数。
2、设计步骤与要求:①拟定数字钟电路的组成框图,要求先实现电路的基本功能,后扩展功能,使用的器件少,成本低;②设计各单元电路,并用Multisim软件仿真;③在通用电路板上安装电路,只要求显示时分;④测试数字钟系统的逻辑功能;⑤写出设计报告。
设计报告要求:写出详细地设计过程(含数字钟系统的整机逻辑电路图)、调试步骤、测试结果及心得体会。
3、给定的主要器件:74LS00(4片),74LS160(4片)或74LS161(4片),74LS03(OC,1片),74LS04(2片),74LS20(2片),74LS48(4片),数码管BS202(4只),发光二极管(2只),555(2片)。
4、仪器和设备:稳压电源(或数字逻辑学习机),双宗示波器,数字万用表、数字通用板、拨线钳和电烙铁等。
5、设计报告要求(1)写出各单元电路的工作原理、设计过程及器件选择;(2)画出完整的电路原理图,并标明各元器件的参数值;(3)绘出电路中的时序波形,整理实验数据,并加以说明;(4)写出设计过程中出现的故障现象及其解决办法;(5)设计心得、体会及建议。
6、参考文献:1、《电子技术基础课程设计指南》清华大学出版社、焦宝文主编;2、《电子线路设计大全》华中科技大学出版社、陈碗儿主编3、《数字电子技术基础》清华大学出版社、阎石主编4、《TTL集成电路大全》电子工业出版社7、数字电子钟的设计提示1)、数字电子计时器组成原理图1数字电子计时器的结构框图2)、用74160实现12进制计数器3)、校时电路当刚接通电源或时钟走时出现误差时,都需要进行时间的校准。
校时是数字钟应具有的基本功能,一般电子钟都有时、分、秒校时功能。
多功能数字钟电路设计1设计内容简介数字钟是一个简单的时序组合逻辑电路,数字钟的电路系统主要包括时间显示,脉冲产生,报时,闹钟四部分。
脉冲产生部分包括振荡器、分频器;时间显示部分包括计数器、译码器、显示器;报时和闹钟部分主要由门电路构成,用来驱动蜂鸣器。
2设计任务与要求Ⅰ以十进制数字形式显示时、分、秒的时间。
Ⅱ小时计数器的计时要求为“24翻1”,分钟和秒的时间要求为60进位。
Ⅲ能实现手动快速校时、校分;Ⅳ具有整点报时功能,报时声响为四低一高,最后一响为整点。
Ⅴ具有定制控制(定小时)的闹钟功能。
Ⅵ画出完整的电路原理图3主要集成电路器件计数器74LS162六只;74LS90三只;CD4511六只;CD4060六只;三极管74LS191一只;555定时器1只;七段式数码显示器六只,74LS00 若干;74LS03(OC) 若干;74LS20 若干;电阻若干,等4设计方案数字电子钟的原理方框图如图(1)所示。
该电路由秒信号发生器、“时,分,秒”计数器、译码器及显示器、校时电路、整点报时电路、闹钟定时等电路组成。
秒信号产生器决定了整个计时系统的精度,故用石英晶体振荡器加分频器来实现。
将秒信号送入“秒计时器”,“秒计时器”采用六十进制计数器,每累计60秒发出一个“分脉冲”信号,该信号将作为“分计数器”的时钟脉冲。
“分计数器”也采用六十进制计数器,每60分钟,发出一个“时脉冲”,该信号经被送到“时计数器”作为“时计数器”的时钟脉冲,而“时计数器”采用二十四进制计数器,实现“24翻1”的计数方式,可实现对一天二十四小时的累计。
译码显示电路将“时”、“分”、“秒”计数器的输出状态通过七段式显示译码器译码,通过刘伟LED 七段显示器显示出来。
整点报时电路是根据计时系统的输出状态产生一脉冲信号,然后触发一音频发生器实现整点报时,定时电路与此类似。
校时电路是用“时”、“分”、“秒”显示数5电路设计5.1秒信号发生器秒信号发生器是数字钟的核心部分,它的精度和稳定度决定了数字钟的质量,通常用晶体整荡器产生的脉冲经过整形、分频获得1 Hz的秒脉冲。
实验设计报告项目名称:多功能数字钟电路设计作者姓名:指导教师:年级专业:所在学院:提交日期摘要20世纪末,电子技术获得了飞速的发展,在其推动下,现代电子产品几乎渗透了社会的各个领域,有力地推动了社会生产力的发展和社会信息化程度的提高,同时也使现代电子产品性能进一步提高,产品更新换代的节奏也越来越快。
现代生活的人们越来越重视起了时间观念,可以说是时间和金钱划上了等号。
对于那些对时间把握非常严格和准确的人或事来说,时间的不准确会带来非常大的麻烦,所以以数码管为显示器的时钟比指针式的时钟表现出了很大的优势。
数码管显示的时间简单明了而且读数快、时间准确显示到秒。
而机械式的依赖于机械震荡器,可能会导致误差。
数字钟是采用数字电路实现对“时”、“分”、“秒”数字显示的计时装置。
数字钟的精度、稳定度远远超过老式机械钟。
在这次设计中,我们采用LED数码管显示时、分、秒,以24小时计时方式,根据数码管动态显示原理来进行显示,用12MHz的晶振产生振荡脉冲,定时器计数。
在此次设计中,电路具有显示时间的其本功能,还可以实现对时间的调整。
数字钟以其小巧,价格低廉,走时精度高,使用方便,功能多,便于集成化而受广大消费的喜爱,因此得到了广泛的使用。
数字钟从原理上讲是一种典型的数字电路,其中包括了组合逻辑电路和时序电路。
因此,我们此次设计与制做数字钟就是为了了解数字钟的原理,从而学会制作数字钟.而且通过数字钟的制作进一步的了解各种在制作中用到的中小规模集成电路的作用及实用方法。
且由于数字钟包括组合逻辑电路和时叙电路。
通过它可以进一步学习与掌握各种组合逻辑电路与时序电路的原理与使用方法。
目录第一章:设计要求 (1)第二章:方案论证 (2)第三章:单元电路设计与计算 (13)第四章:软件设计 (20)第五章:系统测试 (36)第六章:结论 (38)参考文献 (39)附录 (40)第一章:设计要求1.1 基本要求1.1.1 时钟功能设计一个具有时、分、秒计时的数字钟电路,计时采用24小时制。
多功能数字钟电路设计实验报告实验目的:设计一个多功能数字钟电路,能够显示当前时间,并具备闹钟、秒表和计时等功能。
实验原理:1. 数码管显示:使用4位共阴极数码管进行显示,采用BCD码方式输入。
2. 按键输入:使用按键进行时间的调节和选择功能。
3. 时钟频率:使用晶体振荡器提供系统时钟,通过分频电路控制时钟频率。
实验器材:1. 4位共阴极数码管2. 按键开关3. 74LS90分频器4. 时钟晶体振荡器5. 耐压电容、电阻等元件6. 电路连接线实验步骤:1. 连接电路:根据电路原理图,将数码管、按键开关、74LS90分频器、晶体振荡器等连接起来,注意接线正确。
2. 编写程序:根据实验要求,编写相应的程序,实现时钟、闹钟、秒表和计时等功能。
3. 调试电路:将电路通电并运行程序,观察数码管的显示情况和按键功能是否正常。
4. 测试功能:分别测试多功能数字钟的时钟、闹钟、秒表和计时等功能,确保功能正常。
5. 完善实验报告:根据实验结果和观察情况,完善实验报告,并附上电路原理图、程序代码等。
实验结果:经过调试和测试,多功能数字钟电路能够正常显示时间,并具备时钟、闹钟、秒表和计时功能。
使用按键进行时间调节和功能选择,数码管根据不同功能进行相应的显示。
实验总结:通过本次实验,我掌握了多功能数字钟电路的设计原理和实现方法,并且了解了数码管显示、按键输入、时钟频率控制等相关知识。
实验过程中,我发现电路连接正确性对功能实现起到关键作用,同时合理编写程序也是确保功能正常的重要环节。
通过实验,我对数字电路的设计和实现有了一定的了解,并且培养了动手实践和解决问题的能力。
多功能数字钟电路设计
1.时钟显示:设计一个数字时钟显示电路,可以显示当前的时间(小
时和分钟)。
可以使用七段显示器来显示数字。
2.闹钟功能:设计一个闹钟功能,可以设置闹钟时间,并在到达闹钟
时间时发出提示声音或闹铃。
3.温度显示:设计一个温度传感器电路,并将当前温度显示在数字时
钟上。
4.日历功能:设计一个日历功能,可以显示当前的日期和星期。
5.定时器功能:设计一个定时器功能,可以设置一个特定的时间间隔,并在到达时间间隔时发出提示声音或闹铃。
6.闹钟休眠功能:设计一个闹钟休眠功能,可以设置一个特定的时间
间隔,在此时间间隔内按下按钮可以将闹钟功能暂时关闭。
7.闹钟重复功能:设计一个闹钟重复功能,可以设置一个特定的时间
间隔,使闹钟在每天相同的时间段重复响铃。
8.亮度调节功能:设计一个亮度调节功能,可以调整数字时钟的显示
亮度。
这些功能可以根据需求进行组合设计,可以使用逻辑门、计数器、显
示器驱动器、温度传感器、按钮等元件来完成电路设计。
多功能数字钟电路设计一功能要求1 基本功能:⑴准确计时,以数字形式显示时、分、秒的时间;⑵小时的计时要求为24进位,分和秒的计时要求为60进位;⑶校正时间,时、分快校(1HZ)。
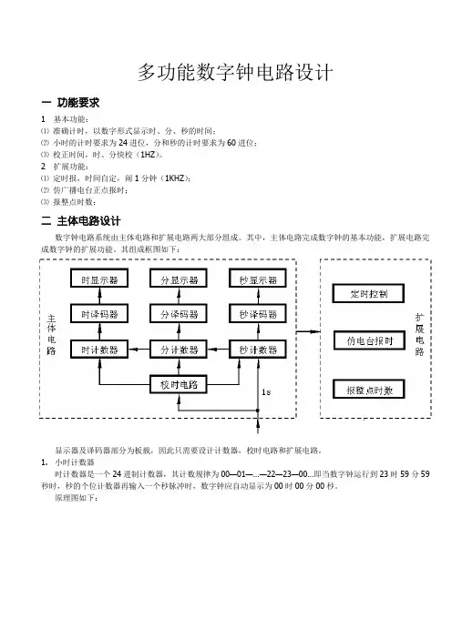
2 扩展功能:⑴定时报,时间自定,闹1分钟(1KHZ);⑵仿广播电台正点报时;⑶报整点时数;二主体电路设计数字钟电路系统由主体电路和扩展电路两大部分组成。
其中,主体电路完成数字钟的基本功能,扩展电路完成数字钟的扩展功能。
其组成框图如下:显示器及译码器部分为板载,因此只需要设计计数器,校时电路和扩展电路。
1.小时计数器时计数器是一个24进制计数器,其计数规律为00—01—…—22—23—00…即当数字钟运行到23时59分59秒时,秒的个位计数器再输入一个秒脉冲时,数字钟应自动显示为00时00分00秒。
原理图如下:使用了两片74LS161(4位二进制同步加法计数器)来实现小时计数,即模24的计数器。
HOUR[0]~HOUR[3]为小时个位,HOUR[4]~HOUR[7]为小时十位。
2. 分秒计数器分和秒计数器都是模60的计数器。
其计数规律为00—01—…—58—59—00…其原理图如下:秒计数器与上图相同,图略。
分别使用了两片74LS161来实现分和秒的计数,均为。
其中MIN[0]~MIN[3]为分个位,MIN[4]~MIN[7]为分时位,SEC[0]~SEC[3]为秒个位,SEC[4]~SEC[7]为秒时位。
3. 校时电路当数字钟接通电源或者计数出现误差时,需要校正时间(或称校时)。
校时是数字中应具备的基本功能。
为使电路简单,这里只进行分和小时的校时。
对校时电路的要求是,在小时校正时不影响分和秒的正常计数;再分校正时不影响秒和小时的正常计数。
校时方式有“快校时”和“慢校时”两种,“快校时”是,通过开关控制,使计数器对1Hz的校时脉冲计数。
“慢校时”使用手动产生单脉冲作校时脉冲。
本实验只要求实现“快校时”。
其原理图如下:4. 定时控制电路数字钟在指定的时刻发出信号,或驱动音响电路“闹时”。
多功能数字钟的电路设计报告书
报告书内容包括:
1.引言:介绍设计任务的背景和目的,解释为什么需要设计多功能数字钟电路。
2.设计要求:详细说明设计的功能要求和性能要求,例如显示时间、闹钟设置、温度显示等。
3.设计方案:展示设计的整体思路和方案,包括电路图和设计参数。
可以提供一些关键性的设计考虑和解决方案。
4.设计步骤:详细描述设计的步骤和过程,包括所选用的元器件、电路图的细节、电路的连接方法等。
5.实验结果:给出实验的结果和测试数据,包括电路工作的准确性、稳定性、可靠性和其他性能指标的测试结果。
6.结论:总结设计的过程和结果,评估电路设计的优点和不足之处,提出可能的改进方案。
8.附录:将电路图、元器件清单、代码等相关材料作为附录提供,方便读者参考和复制。
以上是一个可能的电路设计报告书的框架,具体的内容可以根据设计任务的要求和自己的实际情况进行调整。
多功能数字钟电路设计.txt如果青春的时光在闲散中度过,那么回忆岁月将是一场凄凉的悲剧。
杂草多的地方庄稼少,空话多的地方智慧少。
即使路上没有花朵,我仍可以欣赏荒芜。
本文由海豚050505奉献doc文档可能在WAP端浏览体验不佳。
建议您优先选择TXT,或下载源文件到本机查看。
多功能数字钟电路设计摘要:多功能数字钟是一种用数字电路技术实现时、分、秒计时的装置。
无论是日常生活还是在工业应用计时领域,都发挥着重要的作用。
本系统进展了各单元的设计和调试,可以完成准确的完成计时、定时和校时。
电路由晶体振荡器、分频器、计数器、译码显示器和校时电路以及报时电路组成。
总体方案设计由主体电路和扩展电路两大局部组成。
本电路具有走时精度高,稳定性好,使用方便,价格廉价等特点。
关键词:关键词:32768 晶振;分频器;计数器;校时;报时;数字钟1 引言在当今社会,时间是非常重要,尤其是随着信息大爆炸时代的降临,人们的时间观念越来越强,人们一切都是围绕时间来安排自己方案。
数字钟的数字显示清晰直观就能够为我们的日常生活提供便利。
它集成度高,时间准确,体积小,携带方便,而且报时功能,应用十分广泛。
2 总体设计方案2.1 设计思路利用32768 晶振产生稳定度高的高频方波信号,将高频方波经分频电路分频为1HZ 的脉冲,输入到六十进制的秒计数器,秒计数器和分计数器都是有一个个位十进制和十位六进制组成,当秒计数器的十位在清零时也向分六十进制的计数器个位发一个脉冲使分计数器加1,当分计数器的十位在清零时也同时向二十四进制时和十二进制计数器的个位发一个脉冲,使其加1。
将时,分,秒计数器的输出端分别接上译码器和显示器,最大显示值为23 小时59 分59 秒,再输入一个秒脉冲后,显示复零。
并且能通过开关实现12 与24 的时时转换和上下午显示。
利用校准电路分别对时,分校准电路进展设计,另外又增加了报时电路。
本电路的报时电路利用秒个位计数器的状态进在接收分计数器和秒计数器的信号后完成在整点的报时。
课程设计课程名称电子技术课题名称多功能数字钟专业班级学号姓名指导教师2012年12月3日设计内容与设计要求一.设计内容:1、准确计时,以数字形式显示时、分、秒的时间;2、小时计时要求“24翻1”,分和秒的计时为60进制。
3、可手动较正:能进行时、分、秒的时间校正,只要将开关置于手动位置,可对时、分、秒进行手动脉冲输入调整或连续脉冲输入的校正。
4、整点报时:整点报时电路要求在每个整点前鸣叫5次低音(500HZ),整点时再鸣叫1次高音(1000HZ)。
5、闹铃功能。
二、设计要求:1、思路清晰,给出整体设计框图和总电路图;2、单元电路设计,给出具体设计思路和电路;3、写出设计报告;主要设计条件1.提供调试用实验室;2.提供调试用实验箱和电路所需元件及芯片;说明书格式1.课程设计封面;2.任务书;3.说明书目录;4.设计总体思路,基本原理和框图(总电路图);5.单元电路设计(各单元电路图);6.安装、调试步骤;7.故障分析与电路改进;8.总结与体会;9.附录(元器件清单);10.参考文献11、课程设计成绩评分表进度安排第14周星期一:课题内容介绍和查找资料;星期二:总体电路设计和分电路设计;星期三:电路仿真,修改方案星期四:确定设计方案,拟订调试方案,画出调试电路图,安装电路;星期五:安装、调试电路;第15周星期一~二: 安装、调试电路;星期三:验收电路;星期四~五:,写设计报告,打印相关图纸;星期五下午:带调试电路板及设计报告书进行答辩;整理实验室及其它事情。
一设计总体思路 (1)1.总体思路 (1)2.基本原理和框图 (2)3.总电路图 (3)二单元电路设计 (4)1.秒计数单元 (4)2.分计数单元 (5)3.时计数单元 (5)4.调时电路 (6)5.闹钟电路 (7)6.分频器 (9)7.整点报时模块 (10)三安装、调试步骤 (11)四故障分析与电路改进 (12)五总结和体会 (12)一设计总体思路1.总体思路数字钟由函数脉冲发生器、分频器、计数器、译码显示、报时等电路组成。
4. 触摸报整点时数电路的设计在有些场合(如夜间),不便于直接看显示时根据功能要求,不难设想在图5.5.8所示电间,希望数字钟有触摸报时功能。
即触摸数字钟路的基础上,增加一触发脉冲控制电路,或将的某端,能够报当时的整点时数。
图5.5.8所示的电路的自动报时改为触摸报时电路即可。
产生触摸控制脉冲的电路有单次脉冲产生器,555集成电路定时器,单稳态触发器等,这些电路已在第二章中介绍过。
五、设计任务功能要求给定的主要器件 74LS00 4片,74LS90 2片, 74LS03(OC) 2片,74LS92 2片,74LS04 2片,基本功能以数字形式显示时、分、秒的时间,为节省器 74LS93 2片,74LS20 2片,74LS191 2片,74LS48 件,其中秒的个位和小时的十位均用发光二极管指示,灯亮为“1”,灯灭为“0”。
小时计数器的计时要求为“12翻1”,1” 0” 12 1” 4片,发光二极管 4只,74LS74 2片,数码显示器但不要直接采用图5.5.5所示的电路,应采用其它方案设计 BS202 4只,555 2片。
“12翻1”电路。
要求手动快校时、快校分或慢校时、慢校分。
可编程逻辑器件---- GAL16V8 3片。
扩展功能(其电路尽可能不与前述电路相同)定时控制,其时间自定;仿广播电台正点报时,触摸报整点时数或自动报整点时数。
周任务:振荡和分频出1Hz信号。
信号。
第4周任务:1000Hz振荡和分频出周任务振荡和分频出信号五、设计任务--设计步骤与要求设计任务设计步骤与要求①拟定数字钟电路的组成框图,要求电路的基本功能与扩展功能同时实现,使用的器件少,成本低;②设计并安装各单元电路,要求布线整齐、美观,便于级联与调试;③测试数字钟系统的逻辑功能,同时满足基本功能与扩展功能的要求;④画出数字钟系统的整机逻辑电路图;⑤写出设计性实验报告。
实验与思考题 5.5.3 若用OC门实现图5.5.7所示报时电路功能,应 5.5.1 你所设计的数字钟电路: 5.5.7 为什么数字电路的布线可以平行走线?如何设计电路?①标准秒脉冲信号是怎样产生的?振荡器的 5.5.8在图5.5.8所示报整点时数电路中,两级反相器数字电路系统中,有哪些因素会产生 5.5.4 稳定度为多少?脉冲干扰?其现象为何?结合数字钟的实 G3与G4校时电路在校时开关合上或断开时,是否②有何作用?不接这两级反相器会出现什么现验现象举例说明。
题目: 多功能数字钟电路设计器材:74LS390,74LS48,数码显示器BS202, 74LS00 3片,74LS04,74LS08,电容,开关,蜂鸣器,电阻,导线要求完成的主要任务:用中、小规模集成电路设计一台能显示日、时、分秒的数字电子钟,要求如下:1.由晶振电路产生1HZ标准秒信号。
2.秒、分为00-59六十进制计数器。
3.时为00-23二十四进制计数器。
4.可手动校正:能分别进行秒、分、时的校正。
只要将开关置于手动位置。
可分别对秒、分、时进行连续脉冲输入调整。
5.整点报时。
整点报时电路要求在每个整点前鸣叫五次低音(500HZ),整点时再鸣叫一次高音(1000HZ)。
索引摘要 (3)Abstract (3)1系统原理框图............................................. 错误!未定义书签。
2方案设计与论证 (5)2.1时间脉冲产生电路 (5)2.2分频器电路 (8)2.3时间计数器电路 (9)2.4译码驱动及显示单元电路 (10)2.5校时电路 (11)2.6报时电路 (12)3单元电路的设计 (13)3.1时间脉冲产生电路的设计 (13)3.2计数电路的设计 (14)3.2.1 60进制计数器的设计 (14)3.2.2 24进制计数器的设计 (14)3.3译码及驱动显示电路 (15)3.4 校时电路的设计 (16)3.5 报时电路 (17)3.6电路总图 (19)4仿真结果及分析 (20)4.1时钟结果仿真 (20)4.2 秒钟个位时序图 (20)4.3报时电路时序图 (21)4.4测试结果分析 (21)5心得与体会 (22)6参考文献 (23)附录1原件清单 (24)附录2部分芯片引脚图与功能表 (25)摘要多功能数字钟具有时间显示、闹钟设置、环境温度测量、电网电压、电网频率显示,闹铃控制和电网电压的过压、欠压报警等功能,深受人们欢迎。
数字钟是采用数字电路实现对.时,分,秒.数字显示的计时装置,广泛用于个人家庭,车站, 码头办公室等公共场所,成为人们日常生活中不可少的必需品,由于数字集成电路的发展和石英晶体振荡器的广泛应用,使得数字钟的精度,远远超过老式钟表, 钟表的数字化给人们生产生活带来了极大的方便,而且大大地扩展了钟表原先的报时功能。
多功能数字钟的电路设计
1.时钟计数器:使用数字逻辑门和触发器组成的计数器电路,用于实
现时钟的计数功能。
计数器需要能够准确地计时,并能够在到达一定计数
值时进行复位操作。
2.时钟显示器:使用数码管显示器来显示当前的时、分、秒。
每个数
码管都需要能够接收计数器输出的数值,并将其转换成对应的数字显示。
3.按键输入:多功能数字钟通常会包括一些功能设置,例如闹钟、日期、温度等。
因此需要设计一个按键输入电路,用于接收用户的按键输入,并实现对应的功能操作。
4.闹钟功能:在设计中可以添加一个闹钟电路,用于在特定时间发出
警报。
这个电路可以通过比较计数器的当前值和闹钟设定的时间值来判断
何时触发警报。
5.温度传感器:如果需要实现温度显示的功能,可以添加一个温度传
感器,将温度值转换成数字信号,并通过数码管显示出来。
6.日期功能:类似于时钟显示器,设计一个可以显示日期的电路。
可
以通过按键输入来设置日期,并将其显示在数码管上。
7.电源电路:为了供电整个电路,需要设计一个合适的电源电路,可
以通过插座或电池为电路提供稳定的电源。
在电路设计过程中,需要注意的是不同功能模块之间的连接与通讯方式,以及合理的信号处理和控制逻辑。
同时,还要考虑电路的稳定性、抗
干扰能力和功耗等方面的设计要求。
课程设计任务书学生:XXX 专业班级:指导教师:题目: 多功能数字钟电路设计要求完成的主要任务:用中、小规模集成电路设计一台能显示日、时、分秒的数字电子钟,要求如下:1.由晶振电路产生1HZ标准秒信号。
2.秒、分为00-59六十进制计数器。
3.时为00-23二十四进制计数器。
4.可手动校正:能分别进行秒、分、时的校正。
只要将开关置于手动位置。
可分别对秒、分、时进行连续脉冲输入调整。
5.整点报时。
整点报时电路要求在每个整点前鸣叫五次低音(500HZ),整点时再鸣叫一次高音(1000HZ)。
指导教师签名:年月日系主任(或责任教师)签名:年月日多功能数字钟电路设计摘要 (1)Abstract (2)1系统原理框图 (3)2方案设计与论证 (4)2.1时间脉冲产生电路 (4)2.2分频器电路 (6)2.3时间计数器电路 (7)2.4译码驱动及显示单元电路 (8)2.5校时电路 (8)2.6报时电路 (10)3单元电路的设计 (12)3.1时间脉冲产生电路的设计 (12)3.2计数电路的设计 (12)3.2.1 60进制计数器的设计 (12)3.2.2 24进制计数器的设计 (13)3.3 译码及驱动显示电路 (14)3.4 校时电路的设计 (14)3.5 报时电路 (16)3.6电路总图 (17)4仿真结果及分析 (18)4.1时钟结果仿真 (18)4.2 秒钟个位时序图 (18)4.3报时电路时序图 (19)4.4测试结果分析 (19)5心得与体会 (20)6参考文献 (21)附录1原件清单 (22)附录2部分芯片引脚图与功能表 (23)74HC390引脚图与功能表 (23)摘要数字钟是一种用数字电路技术实现时、分、秒计时的装置,与机械式时钟相比具有更高的准确性和直观性,且无机械装置,具有更更长的使用寿命,因此得到了广泛的使用。
数字钟从原理上讲是一种典型的数字电路,其中包括了组合逻辑电路和时序电路。
目前,数字钟的功能越来越强,并且有多种专门的大规模集成电路可供选择。
课程设计任务书学生姓名: XXX 专业班级:指导教师:工作单位:题目: 多功能数字钟电路设计初始条件:74LS390,74LS48,数码显示器BS202各6片,74LS00 3片,74LS04,74LS08各 1片,电阻若干,电容,开关各2个,蜂鸣器1个,导线若干。
要求完成的主要任务:用中、小规模集成电路设计一台能显示日、时、分秒的数字电子钟,要求如下:1.由晶振电路产生1HZ标准秒信号。
2.秒、分为00-59六十进制计数器。
3.时为00-23二十四进制计数器。
4.可手动校正:能分别进行秒、分、时的校正。
只要将开关置于手动位置。
可分别对秒、分、时进行连续脉冲输入调整。
5.整点报时。
整点报时电路要求在每个整点前鸣叫五次低音(500HZ),整点时再鸣叫一次高音(1000HZ)。
时间安排:第20周理论设计、实验室安装调试,地点:鉴主15楼通信实验室一指导教师签名:年月日系主任(或责任教师)签名:年月日多功能数字钟电路设计摘要 (1)Abstract (2)1系统原理框图 (3)2方案设计与论证 (4)2.1时间脉冲产生电路 (4)2.2分频器电路 (6)2.3时间计数器电路 (7)2.4译码驱动及显示单元电路 (8)2.5校时电路 (8)2.6报时电路 (10)3单元电路的设计 (12)3.1时间脉冲产生电路的设计 (12)3.2计数电路的设计 (12)3.2.1 60进制计数器的设计 (12)3.2.2 24进制计数器的设计 (13)3.3译码及驱动显示电路 (14)3.4 校时电路的设计 (14)3.5 报时电路 (16)3.6电路总图 (17)4仿真结果及分析 (18)4.1时钟结果仿真 (18)4.2 秒钟个位时序图 (18)4.3报时电路时序图 (19)4.4测试结果分析 (19)5心得与体会 (20)6参考文献 (21)附录1原件清单 (22)附录2部分芯片引脚图与功能表 (23)74HC390引脚图与功能表 (23)摘要数字钟是一种用数字电路技术实现时、分、秒计时的装置,与机械式时钟相比具有更高的准确性和直观性,且无机械装置,具有更更长的使用寿命,因此得到了广泛的使用。
多功能数字钟的电路设计目录:一、设计题目二、设计任务和要求三、电路原理分析与程序设计四、元器件五、仿真图六、心得体会七、参考文献资料八、实物图一、题目:多功能数字钟的电路设计二、设计任务与要求1)时钟显示功能,能够以十进制显示“时”、“分”、“秒”。
2)具有校准时、分的功能。
3)整点自动报时,在整点时,便自动发出鸣叫声,时长1s。
选做:1)闹钟功能,可按设定的时间闹时。
2)日历显示功能。
将时间的显示增加“年”、“月”、“日”。
三,电路原理分析与程序设计1.数字钟的构成数字钟实际上是一个对标准频率(1HZ)进行计数的计数电路。
由于计数的起始时间不可能与标准时间(如北京时间)一致,故需要在电路上加一个校时电路,同时标准的1HZ时间信号必须做到准确稳定。
通常使用石英晶体振荡器电路构成数字钟。
一个具有计时、校时、报时、显示等基本功能的数字钟主要由振荡器、分频器、计数器、译码器、显示器、校时电路、报时电路等七部分组成。
石英晶体振荡器产生的信号经过分频器得到秒脉冲,秒脉冲送入计数器计数,计数结果通过“时”、“分”、“秒”译码器译码,并通过显示器显示时间。
数字钟的整机逻辑框图如下:1)555秒脉冲发生电路与晶振秒脉冲发生电路的比较555与RC组成的多谐振荡器,产生频率 f=1kHz的方波信号,则可设计出相应的电路,其中RP可微调振荡器的输出频率f。
555由电阻分压器、电压比较器、基本R-S触发器、放电三极管和输出缓冲器5部分组成。
要产生秒脉冲既可以采用555脉冲发生电路也可以采用晶振脉冲发生电路。
但是相比二者的稳定性,晶振电路比555电路能够产生更加稳定的脉冲,所以最后决定采用晶振脉冲发生电路。
石英晶体振荡器的特点是振荡频率准确、电路结构简单、频率易调整,它是电子钟的核心,用它产生标准频率信号,再由分频器分成秒时间脉冲。
晶体振荡器电路给数字钟提供一个频率稳定准确的32768Hz的方波信号,可保证数字钟的走时准确及稳定。
多功能数字钟电路设计
多功能数字钟电路可以用来显示时间、日期、闹钟和定时器等功能。
下面是一个简单的多功能数字钟电路设计,它基于CD4511七段译码器和CD4543 BCD-七段译码器。
1. 时间显示功能
为了显示时间,我们需要使用CD4543 BCD-七段译码器。
该译码器接收来自实时时钟(RTC)模块的BCD编码输出。
RTC模块可以用来跟踪时间和日期,它通常包括一个晶体振荡器、计数器和存储器。
BCD 编码输出通过CD4543译码器转换为七段LED显示。
2. 日期显示功能
类似于时间显示功能,日期显示也需要使用RTC模块。
RTC模块可以提供年份、月份和日期的BCD编码输出。
这些编码输出通过CD4543译码器转换为七段LED显示。
3. 闹钟功能
闹钟功能可以通过计时器和比较器实现。
我们可以使用555定时器作
为计时器,它可以生成一个固定的时间间隔。
然后,我们可以使用一个比较器来比较当前时间和闹钟时间。
如果它们匹配,闹钟就会响起。
4. 定时器功能
定时器功能可以通过555定时器来实现。
我们可以设置计时器的时间间隔,并使用CD4511七段译码器来显示剩余时间。
当定时器完成计时时,它可以触发一个报警器或执行其他操作。
总之,多功能数字钟电路可以实现时间、日期、闹钟和定时器等多种功能。
这些功能可以通过RTC模块、CD4511七段译码器、CD4543 BCD-七段译码器和555定时器等元件来实现。
课程设计任务书学生姓名: XXX 专业班级:指导教师:工作单位:题目: 多功能数字钟电路设计初始条件:74LS390,74LS48,数码显示器BS202各6片,74LS00 3片,74LS04,74LS08各 1片,电阻若干,电容,开关各2个,蜂鸣器1个,导线若干。
要求完成的主要任务:用中、小规模集成电路设计一台能显示日、时、分秒的数字电子钟,要求如下:1.由晶振电路产生1HZ标准秒信号。
2.秒、分为00-59六十进制计数器。
3.时为00-23二十四进制计数器。
4.可手动校正:能分别进行秒、分、时的校正。
只要将开关置于手动位置。
可分别对秒、分、时进行连续脉冲输入调整。
5.整点报时。
整点报时电路要求在每个整点前鸣叫五次低音(500HZ),整点时再鸣叫一次高音(1000HZ)。
时间安排:第20周理论设计、实验室安装调试,地点:鉴主15楼通信实验室一指导教师签名:年月日系主任(或责任教师)签名:年月日多功能数字钟电路设计摘要 (1)Abstract (2)1系统原理框图 (3)2方案设计与论证 (4)2.1时间脉冲产生电路 (4)2.2分频器电路 (6)2.3时间计数器电路 (7)2.4译码驱动及显示单元电路 (8)2.5校时电路 (8)2.6报时电路 (10)3单元电路的设计 (12)3.1时间脉冲产生电路的设计 (12)3.2计数电路的设计 (12)3.2.1 60进制计数器的设计 (12)3.2.2 24进制计数器的设计 (13)3.3译码及驱动显示电路 (14)3.4 校时电路的设计 (14)3.5 报时电路 (16)3.6电路总图 (17)4仿真结果及分析 (18)4.1时钟结果仿真 (18)4.2 秒钟个位时序图 (18)4.3报时电路时序图 (19)4.4测试结果分析 (19)5心得与体会 (20)6参考文献 (21)附录1原件清单 (22)附录2部分芯片引脚图与功能表 (23)74HC390引脚图与功能表 (23)摘要数字钟是一种用数字电路技术实现时、分、秒计时的装置,与机械式时钟相比具有更高的准确性和直观性,且无机械装置,具有更更长的使用寿命,因此得到了广泛的使用。
数字钟从原理上讲是一种典型的数字电路,其中包括了组合逻辑电路和时序电路。
目前,数字钟的功能越来越强,并且有多种专门的大规模集成电路可供选择。
数字钟适用于自动打铃、自动广播,也适用于节电、节水及自动控制多路电器设备。
它是由数子钟电路、定时电路、放大执行电路、电源电路组成。
为了简化电路结构,数字钟电路与定时电路之间的连接采用直接译码技术。
具有电路结构简单、动作可靠、使用寿命长、更改设定时间容易、制造成本低等优点。
从有利于学习的角度考虑,这里主要介绍以中小规模集成电路设计数字钟的方法。
AbstractA digital clock is a kind of digital circuit technology, minutes and seconds when the timing device, and the mechanical clock is higher than the accuracy and intuitive, and no machinery, has more longer service life, so it has been widely used.From the principle of digital clock is a kind of typical digital circuits, including the assembly logic circuit and the sequential circuits. At present, a digital clock function is more and more strong, and a variety of special options. Applicable for automatic digital clock rung, automatic broadcasting, also suitable for electricity, water and automatic control and electrical equipment. It is by several children clock circuit, timing circuit, amplifier circuit, the power circuit implementation. In order to simplify the circuit structure, a digital clock circuit and timing circuits using direct connection between decoding technology. With simple structure, reliable operation, long service life, change the setting time for easy and manufacturing cost etc.To learn from the point of view, there are mainly introduced in small scale integrated circuit design method of digital clock。
1系统原理框图数字钟实际上是一个对标准频率(1HZ)进行计数的计数电路。
由于计数的起始时间不可能与标准时间(如北京时间)一致,故需要在电路上加一个校时电路,同时标准的1HZ 时间信号必须做到准确稳定。
通常使用石英晶体振荡器电路构成数字钟。
图1所示为数字钟的一般构成框图。
图 1系统原理框图⑴晶体振荡器电路:晶体振荡器电路给数字钟提供一个频率稳定准确的32768Hz的方波信号,可保证数字钟的走时准确及稳定。
不管是指针式的电子钟还是数字显示的电子钟都使用了晶体振荡器电路。
2)次分频后得到⑵分频器电路:分频器电路将32768HZ的高频方波信号经32768(151Hz的方波信号供秒计数器进行计数。
分频器实际上也就是计数器。
⑶时间计数器电路:时间计数电路由秒个位和秒十位计数器、分个位和分十位计数器及时个位和时十位计数器电路构成,其中秒个位和秒十位计数器、分个位和分十位计数器为60进制计数器,而根据设计要求,时个位和时十位计数器为24进制计数器。
⑷译码驱动电路:译码驱动电路将计数器输出的8421BCD码转换为数码管需要的逻辑状态,并且为保证数码管正常工作提供足够的工作电流。
⑸整点报时电路:一般时钟都应具备整点报时电路功能,即在时间出现整点前数秒内,数字钟会自动报时,以示提醒.其作用方式是发出连续的或有节奏的音频声波,较复杂的也可以是实时语音提示。
2方案设计与论证2.1时间脉冲产生电路方案一:由集成电路定时器555与RC组成的多谐振荡器作为时间标准信号源。
图 2 555与RC组成的多谐振荡器图方案二:振荡器是数字钟的核心。
振荡器的稳定度及频率的精确度决定了数字钟计时的准确程度,通常选用石英晶体构成振荡器电路。
石英晶体振荡器的作用是产生时间标准信号。
因此,一般采用石英晶体振荡器经过分频得到这一时间脉冲信号。
图 3 石英晶体振荡器图方案三:由集成逻辑门与RC组成的时钟源振荡器。
图 4 门电路组成的多谐振荡器图用555组成的脉冲产生电路: R1=15*103Ω,R2=68*103Ω,C=10μF,则555所产生的脉冲的为:f=1.43/[(R1+2*R2)*103*10*106=0.947Hz,而设计要求为1Hz,因此其误差为5.3%,在精度要求不是很高的时候可以使用。
石英晶体振荡电路:采用的32768晶体振荡电路,其频率为32768Hz,然后再经过15分频电路可得到标准的1Hz的脉冲输出.R的阻值,对于TTL门电路通常在0.7~2KΩ之间;对于CMOS门则常在10~100MΩ之间。
由门电路组成的多谐振荡器的振荡周期不仅与时间常数RC有关,而且还取决于门电路的阈值电压VTH ,由于VTH容易受到温度、电源电压及干扰的影响,因此频率稳定性较差,只能用于对频率稳定性要求不高的场合。
综上分析,选择方案二,石英晶体振荡电路能够作为最稳定的信号源。
2.2分频器电路通常,数字钟的晶体振荡器输出频率较高,为了得到1Hz 的秒信号输入,需要对振荡器的输出信号进行分频。
通常实现分频器的电路是计数器电路,一般采用多级2进制计数器来实现。
例如,将32768Hz 的振荡信号分频为1HZ 的分频倍数为32768(152),即实现该分频功能的计数器相当于15级2进制计数器。
从尽量减少元器件数量的角度来考虑,这里可选多极2进制计数电路CD4060和CD4040来构成分频电路。
CD4060和CD4040在数字集成电路中可实现的分频次数最高,而且CD4060还包含振荡电路所需的非门,使用更为方便。
CD4060计数为14级2进制计数器,可以将32768Hz 的信号分频为2Hz ,其内部框图如图2.1所示,从图中可以看出,CD4060的时钟输入端两个串接的非门,因此可以直接实现振荡和分频的功能。
图 5.1 CD4046内部框图 图5.2 CD4040内部框图CD4040计数器的计数模数为4096(122),其逻辑框图如图5.2。
如将32768Hz 信号分频为1Hz ,则需外加一个8分频计数器,故一般较少使用CD4040来实现分频。
综上所述,可选择CD4060同时构成振荡电路和分频电路。
照图5.1,在0CP 和0CP 之间接入振荡器外接元件可实现振荡,并利用时计数电路中多一个2分频器(后述)可实现15级2分频,即可得1Hz 信号。
2.3时间计数器电路一般采用10进制计数器来实现时间计数单元的计数功能。
为减少器件使用数量,可选74HC390,其内部逻辑框图如图6所示。
该器件为双2-5-10异步计数器,并且每一计数器均提供一个异步清零端(高电平有效)。
图 6 74HC390(1/2)内部逻辑框图秒个位计数单元为10进制计数器,无需进制转换,只需将QA与CPB(下降沿有效)相连即可。
CPA(下降没效)与1Hz 秒输入信号相连,Q3可作为向上的进位信号与十位计数单元的CPA相连。
秒十位计数单元为6进制计数器,需要进制转换。
将10进制计数器转换为6进制计数器的电路连接方法如图7所示,其中Q2可作为向上的进位信号与分个位的计数单元的CPA相连。
图 7 10进制-6进制计数器转换电路分个位和分十位计数单元电路结构分别与秒个位和秒十位计数单元完全相同,只不过分个位计数单元的Q3作为向上的进位信号应与分十位计数单元的CPA相连,分十位计数单元的Q2作为向上的进位信号应与时个位计数单元的CPA相连。