内燃机机油新分类标准及产品选用
- 格式:doc
- 大小:37.00 KB
- 文档页数:2
一、正确选用内燃机油内燃机油分类内燃机油的分类一般按用途、粘度、质量进行分类。
按用途分为汽油机油、柴油机油、船用柴油机油、气体燃料发动机油等。
按粘度分为0W、5W、10W、15W、20W、25W、20、30、40、50、60。
各粘度级别对应的粘度有一定要求。
按质量等级分类汽油机油分为: SA(废除)、SB(废除)、SC、SD、SE、SF、SG、SH、SJ、SL等。
柴油机油分为:CA(废除)、CB(废除)、CC、CD、CE、CF、CF-4、CG-4、CI-4等。
英文字母越往后质量等级越高。
正确识辨产品等级单级油:例40 SE 40为黏度等级 S汽油机油 E质量等级多级油:例10W/40 SJ 10W为低温黏度等级 40为黏度等级 S汽油机油 J质量等级黏度等级由来根据美国汽车工程师协会 (The Society of Automotive Engineers ,SAE) 最新的标准,每一个粘度范围给出一个编号(等级)。
编号从0开始,一直到60。
编号的数值越大,粘度就越大,也就越稠。
另外,有些数字(0 到 25)的后面跟着一个大写字母 "W" 。
这里的 "W" 代表冬天,"W" 级的润滑油与不带 "W" 的润滑油相比,在低温下有较好的流动性。
所以,"W"级别的润滑油适合在冬天使用,而不带 "W" 级别的润滑油比较稠,适于在较高环境温度下使用。
这种标识方法于20世纪初在美国诞生。
由于冬天非常寒冷,温度低,所以为了保证润滑油有足够的流动特性,必须采用粘度较小的稀润滑油。
为了保证润滑油在夏天有足够的粘度,使发动机得到足够的保护,所以必须采用不带"W"的润滑油。
这样一来,在一年中要至少更换两次润滑油,夏天一次,冬天一次。
现在,由于采用了许多特殊的添加剂,可以使一种润滑油在寒冷的条件下既具有"W"级别的粘度,在高温条件下又具有不带 "W" 级别的粘度。
二、车用润滑油的分类及选用2.1美国汽车工程师协会(SAE)的粘度分类内燃机油粘度分类*多级油不仅具有低温特性(低温起动、泵送性)还应具备高温性能(热稳定性、高温粘度、蒸发损失) *多级油不仅可以改善发动机的低温冷起动性能,而且应用于发动机单级油节省燃料2.2美国石油协会(API)美国汽油机油API分级我国汽油机油质量分类2.3车辆齿轮油美国石油学会齿轮油使用规格我国车辆齿轮油分类与API性能对应关系车辆齿轮油的粘度分类三、润滑油使用知识问答3.1什么是汽、柴油机通用油?汽、柴油机通用油,即一种内燃机油既可以用于汽油机润滑,也可以用于柴油机润滑。
汽、柴油机通用润滑油特别适用于混合车队。
多级的汽、柴油机通用润滑油,既可以用于汽油机和柴油机润滑,同时还可以四季通用,如15W/40SF/CD 即"双通用"内燃机油。
3.2机油粘度与使用环境温度有何关系?为了正确选用汽、柴油机油的粘度级别,先看一下油品粘度等级与使用环境温度范围的关系。
粘度等级与使用环境温度范围表133.3车辆齿轮油的代号85W/90的含义是什么?85w/90代表车辆齿轮油的粘度等级,此油在-12℃下的表观粘度不大于150Pa·S,在100℃下的粘度不大于24.0mm2/s,不小于13.5mm2/s,为多级油150Pa·S表观粘度是由后桥台架试验得出的,此试验使用专门设计的后桥。
试验表明,齿轮油的粘度高于150Pa·S时,主动轴的轴承损坏。
用布氏粘度计测定表观粘度。
3.4车辆齿轮油可否用其它油代替?有些类型汽车的手动变速箱根据生产厂家推荐可以使用内燃机油或液力自动传动油,汽车后桥用齿轮油不能用其它油品代替,必须使用专用的车辆齿轮油。
四润滑脂小知识4.1润滑脂按使用场合可分为:通用、专用、高温三大类。
起到减摩、密封、防护等作用。
4.2汽车通用锂基脂具有优良的机械安定性、胶体安定性、抗氧化性、抗水性、防锈性、热安定性。
机油等级划分和选用标准机油是保护发动机的关键润滑剂,它可以减少摩擦、冷热磨损和杂质沉积,延长发动机的使用寿命。
机油的等级划分和选用标准是为了确保机油具有合适的性能和质量,以满足发动机的需求。
下面将介绍机油的等级划分和选用标准的相关内容。
1. 机油等级划分:机油等级是根据机油在不同工况下的性能来划分的,常用的机油等级有SAE和API两种。
1.1 SAE等级:SAE(Society of Automotive Engineers)国际汽车工程师学会根据机油在不同温度下的流动性能将机油等级分为多个等级。
常见的有0W、5W、10W、15W、20W等冬季起动等级,以及20、30、40、50等高温工作等级。
其中,数字越小代表机油在相应温度下流动性能越好。
1.2 API等级:API(American Petroleum Institute)美国石油学会将机油等级分为不同的分类,以标示机油的性能和性质。
目前最常用的分类体系是API SN、API CK-4和API FA等。
2. 机油选用标准:选择适合的机油是确保发动机正常运行的重要环节,以下是一些选用机油的标准和要点。
2.1 粘度等级:根据气温条件和发动机制造商的建议,选择合适的机油粘度等级是非常重要的。
对于冷启动和寒冷气候,选择低温起动等级较低的机油,如0W或5W等级;对于高温工况,选择高温工作等级适当的机油,如40或50等级。
发动机制造商通常会在用户手册中建议适合的粘度等级。
2.2 API等级:根据发动机制造商的建议,选择符合相应API标准的机油。
不同API等级的机油具有不同的性能和用途,如API SN适用于汽油发动机,API CK-4适用于重型柴油发动机等。
在选用机油时,要注意了解发动机所需要的API等级要求。
2.3 品牌信誉:选择知名度高、信誉好的机油品牌是确保机油质量的一种方式。
知名品牌通常在机油的研发、生产和质量控制上都具有严格要求和高标准。
2.4 保养周期:根据发动机工况和机油使用时间建议的更换周期,及时更换机油是保障发动机运行正常的重要步骤。
机油等级划分和选用标准1. SAE粘度等级:机油等级的第一部分通常是SAE(Society of Automotive Engineers)粘度等级。
SAE粘度等级指示了机油的流动性能,即它在不同温度下的流动特性。
常见的SAE粘度等级包括5W、10W、15W、20W、30、40和50等。
其中,数字越小表示机油在低温下的流动性越好,而字母“W”表示“冬季”。
例如,SAE 10W-30表示这款机油在低温下的流动性能很好(适合冬季使用),同时在高温下也保持稳定的粘度。
2. API服务类别:机油等级的第二部分是API(American Petroleum Institute)服务类别。
API服务类别通常由两个字母组成,例如API SN或API CJ-4。
这些字母代表了机油的性能标准,以适应不同的发动机技术和排放要求。
API不断更新和改进这些标准,以反映新的技术和要求。
选择适合您车辆的机油:要正确选择适合您车辆的机油,您需要考虑以下因素:制造商建议:首先,查阅您车辆的用户手册或在引擎盖下的标签,了解制造商建议使用的机油等级和品牌。
遵循制造商的建议是确保发动机运行良好的关键。
气温范围:考虑您所在地区的气温范围。
如果您生活在寒冷的地方,可能需要使用低温下流动性更好的机油,如SAE 5W-30。
而在炎热的气候下,SAE 10W-40或SAE 15W-40可能更合适。
发动机类型:不同类型的发动机(汽油发动机、柴油发动机、涡轮增压发动机等)可能需要不同的机油,因此请确保选择适合您车辆发动机类型的机油。
API服务类别:确保机油的API服务类别符合或超过制造商的要求。
较新的API服务类别通常反映了更先进的发动机技术和更严格的排放标准。
了解机油等级划分对于正确选择适合您车辆的机油至关重要。
遵循制造商的建议、考虑气温范围和发动机类型,并选择符合或超过API服务类别要求的机油,可以确保您的发动机在不同条件下运行顺畅,延长其寿命并提高燃油效率。
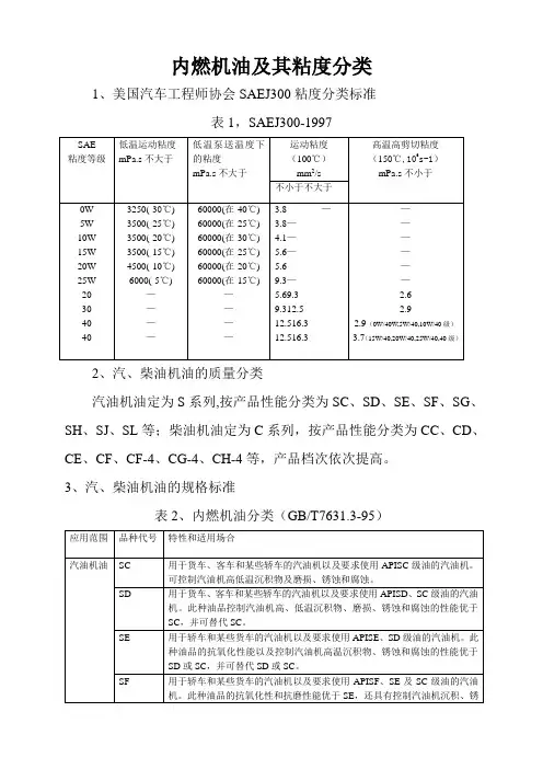
内燃机油及其粘度分类1、美国汽车工程师协会SAEJ300粘度分类标准表1,SAEJ300-19972、汽、柴油机油的质量分类汽油机油定为S系列,按产品性能分类为SC、SD、SE、SF、SG、SH、SJ、SL等;柴油机油定为C系列,按产品性能分类为CC、CD、CE、CF、CF-4、CG-4、CH-4等,产品档次依次提高。
3、汽、柴油机油的规格标准表2、内燃机油分类(GB/T7631.3-95)4.汽、柴油机油的命名、组成与性能4.1产品名称表示式举例:品种品种(柴油机油及质量等级)组别(内燃机油)类别(润滑油)4.2基础油:主要依油品粘度等级,选择天然原油、合成油或酯类,也可几者复配使用。
4.3添加剂:汽车发动机油常用添加剂一般有清静分散剂、抗氧化剂、防锈剂、降凝剂、粘度指数改进剂、抗泡剂等几种,依据油品使用性能不同有不同复配比例。
4.4性能要求4.4.1粘度性能内燃机油粘度指数要求不小于754.4.2清静分散性能清净分散性能好的内燃机油能抑制氧化胶状物和积炭的生成,并能将其悬浮在油品中,使其不易沉积在润滑机件上。
清净分散剂是通过胶溶作用,增溶作用和酸中合作用来抑制或减少各种内燃机油沉积物的。
4.4.3抗氧化性能在油品配方中使用二烷基二硫代磷酸锌(ZDDP)及其他抗氧化剂来改善内燃机油的抗氧化性能。
4.4.4抗磨性能内燃机油的抗磨性与油品的粘度、粘温性能、清净分散性以及抗腐蚀等性能有关。
良好的润滑性能保证机件的可靠润滑,避免机件的磨损。
4.4.5抗泡性能发动机曲轴高速回转搅拌会使机油产生泡沫,泡沫造成机油溢流,供油系统气阻,以致供油不足、中断继而发生干摩擦烧坏轴承。
采用在机油中加入抗泡剂的方法来减缓泡沫的产生。
5.等级质量的选择5.1汽油机油主要考虑发动机的压缩比。
目前保有量较多的东风汽车可选用压缩比7左右,可选用SD级汽油机油;一般小轿车压缩比8~10,可选用SF级油;排量大(一般≥2.5)压缩比在10以上的轿车,应选用档次更高的SG、SH、SJ级汽油机油。
内燃机油的质量等级和适用内燃机油的质量等级分类,国际上通常采用美国石油学会API分类。
1996年8月1日我国实施了GB/T7631.3—1995《内燃机油分类》标准,该标准根据产品特性、使用场合和使用对象确定了汽油机油、柴油机油详细分类及代号,该标准的分类是参照API分类标准。
在内燃机油分类标准中,“S”代表汽油机油,“C”代表柴油机油,我国将汽油机油分为SA、SB、SC、SD、SE、SF、SG、SH等8个质量等级(SA、SB已废除),柴油机油分为CA、CB、CC、CD、CD-2.CE、CF-4等7个质量等级(CA、CB已废除)。
无论汽油机油还是柴油机油,其质量等级以“A、B、C……H”为序,序号靠后的质量越高,其特性及使用场合如下:(1)SC,适用于货车、客车或其他汽油机以及要求使用AH SC 级油的汽油机。
可控制汽油机高、低温沉积物及磨损、锈蚀和腐蚀。
(2)SD,适用于货车、客车和某些轿车的汽油机,以及要求使用APISD,API SC级油的汽油机。
此种油品控制汽油机高、低温沉积物及磨损、锈蚀和腐蚀的性能优于SC,并可取代SC级油。
(3)SE,适用于轿车和某些货车的汽油机,以及要求使用API SE。
API SD级油的汽油机。
此种油品的抗氧化性、控制汽油机高、低温沉积物及锈蚀、腐蚀的性能优于SD和SC,并可取代SC和SD级油。
(4)SF,适用于轿车和某些货车的汽油机,以及要求使用API SF,AH SE,API SD,API SC级油的汽油机。
这种油品的抗氧化、抗磨损性能优于SE,还具有控制汽油机沉积物、锈蚀和腐蚀的性能,并可取代SE,SD,SC级油。
(5)SG,适用于轿车、货车和轻卡车的汽油机,以及要求使用API SG级油的汽油机。
SG级油的质量还包括CC,CD柴油机油的使用性能。
此种油品改进了SF级油沉积物、磨损及氧化安定性,并具有抗锈蚀和腐蚀的性能,可代替SF,SF/CD,SE或SE/CC级油。
大型内燃机润滑油的使用管理摘要:随着公司的快速发展,大型矿用内燃设备的不但增加,发动机作为一台设备心脏,其状态和性能的优劣,是保证设备稳定运行的必备条件。
发动机的稳定运转和使用寿命,很大程度上又决定于润滑工作好坏,设备润滑就像人体的血液循环一样,血液循环一旦出现问题,便危及生命。
机械润滑是一门涉及多科学的技术,然而它又与管理工作机密相关,润滑离不开管理。
目前世界各国对设备的润滑管理都给予了很大重视。
这是由于它与节约能源、材料,提高管理质量,保证设备正常运转、延长使用寿命及提高企业经济效益都有极大的关系。
关键词:内燃机润滑使用管理一、概述神华北电胜利能源有限公司位于锡林浩特市北郊,地形标高970-1100m。
年平均温度2℃,最高气温达38℃,最低气温为-39℃,冻结期为10月初至12月上旬,解冻期为3月末至4月中旬,属大陆性气候,冬季时间长且寒冷,夏季短且酷热,白天与夜间的温差较大;本地区的地震烈度为6度;设备在露天条件下使用,煤尘大,春季风沙大,风向多为南西,风速2-8m/s,瞬时最大风速36m/s,10分钟平均最大风速21m/s,属露天煤矿。
据不完全统计,我公司现有大型内燃设备约100余台,200吨级卡车36台、100吨级卡车32台、50吨级卡车5台、工程机械30台,随着生产规模的不断扩大,陆续还在增加,在购进新设备时,首先碰到的一个问题是如何正确使用润滑油。
特此,本文将围绕大型柴油机的润滑油如何使用和管理来展开论述。
因为一台设备的发动机润滑油一旦选用不当,必将出现故障,甚至造成设备损坏或人身伤亡事故等严重后果,同时还将给企业带来重大经济损失。
由此可见大型内燃机的润滑管理工作的重要性。
二、目的为切实提高设备管理水平,带动身边的技术人员从润滑开始,从设备故障源头抓起,最大程度避免设备因润滑不良,造成早期磨损或恶性故障,规范设备保养润滑工作,降低维护成本,提高内燃设备的出动率。
三、内燃机油的使用内燃机油的使用,除了根据发动机的特点,还与很多因素有关:不同质量等级、使用地区的气候条件和季节气温的变化、粘度等级等等。
内燃机油基础知识(总6页) -CAL-FENGHAI.-(YICAI)-Company One1-CAL-本页仅作为文档封面,使用请直接删除内燃机油是发动机的“血液”,在发动机各摩擦表面中担负着润滑、清洁、冷却、防锈等重要作用。
正确选用内燃机油能保证汽车正常可靠行驶,减少零件磨损、节省燃油消耗、延长发动机使用寿命。
因此,使用者应了解内燃机油的作用、规格牌号,并正确掌握其使用方法。
1 内燃机油的分类目前,美国润滑油的API性能分类法和SAE黏度分类法已被世界各国所公认和广泛采用,我国也参照该两种润滑油的分类方法制定了GB/T7631.3-1995《内燃机油分类》和GB/T14906一94《内燃机油黏度分类》两项国家标准,相应制定了我国内燃机油的质量分类法和黏度分类法。
1.1质量等级由于现在发动机压缩比、转速、功率等不断提高,为使内燃机油能满足使用要求,因此,在以精制的矿物油、合成油为基础油中添加各种不同的添加剂,用以提高机油的高温清净性、低温分散性、抗磨性、抗氧抗腐性、抗泡沫性等,根据加入添加剂的品种、数量的不同形成不同的质量级别。
API发动机润滑油等级分类API是American Petroleum lnstitute“美国石油工程学会”的缩写。
通过APl测试认证的油品可以在机油瓶身标打上API的双环标志,它区分机油等级标准主要依据油品的低温流动性、高温清净性,扩散过滤性,氧化稳定性、耐磨耗性,防腐蚀及防锈性,触媒兼容性以及环保要求。
API发动机油分为两类:“S”系列代表汽油发动机用油;“C”系列代表柴油发动机用油;当“S”和“C”两个字母同时存在,则表示此机油为汽柴通用型。
如“S”在前,则主要用于汽油发动机。
反之,则主要用于柴油发动机。
目前汽油机油共有SA、SB、SC、SD、SE、SF、SG、SH、SJ、SL、SM这11种等级,以SM等级为最新。
其中:SA 1930 年代初期,纯矿物油,不含添加剂。
内燃机润滑油的合理使用作者:李峰森来源:《中国新技术新产品》2009年第06期摘要:内燃机润滑油对内燃机的动力性、经济性及运行可靠性有着直接影响。
本文通过对内燃机润滑油合理选用、使用、更换几个方面提出了解决和改善措施。
关键词:内燃机;润滑油;选用;使用;更换当前中国经济正面临持续高速发展,汽车行业的发展势头更加迅猛,随着汽车进入家庭步伐的加快,节能和环保已成为可持续发展的必要条件。
润滑油作为汽车发动机的“血液”,在发动机各摩擦表面中担负着润滑、清洁、冷却、防锈等重要作用。
它是内燃机正常工作的保证,并直接影响到车辆的舒适性、尾气排放水平甚至影响到发动机的寿命。
根据《中国汽车相关工业“十一五”专题发展规划研究概要》数据,我国的润燃比(机油消耗量占燃油消耗量的百分数,数值越小,用油水平越高)接近2.5%,美国约为1.0%,日本不到0.9%,欧洲约为0.8%,我国的用油水平还远远低于发达国家水平,造成了能源的不必要浪费。
1 正确认识内燃机润滑油摩擦、磨损与润滑是汽车在设计、制造、使用与维修中不可避免而又必须妥善解决的问题。
随着世界各地日趋严格的排放和节能法规的相继出台,发动机厂家和汽车厂家对各摩擦部件减摩性能的要求越来越高;而在改善燃料油消耗和排放的途径中,通过润滑油配方技术来改善燃油经济性的成本要远远低于其他方法。
截止08年,我国汽车年产量已达955万辆,汽车年保有量已超过6467万辆,其中轿车和微型车约占55.7%。
未来几年,普通经济性轿车必将成为市场主导产品。
为满足法规要求的排放标准,目前汽车均采用电控燃油喷射技术,广泛安装催化转化器;柴油车还要安装颗粒物来过滤器,以满足日益严格的节能减排技术要求。
润滑油是由基础油和添加剂严格按一定比例调配而成。
主要的添加剂有:抗磨剂、抗氧化剂、清洁分散剂等。
目前,我国润滑油的标准已与国际标准接轨,机油分类体系以美国石油协会品质分类系统使用最为广泛,它是根据机油的工作能力,采用简单的代码来描述发动机机油的。
第48卷第6期 当 代 化 工 Vol.48,No.6 2019年6月 Contemporary Chemical Industry June,2019收稿日期:2019-03-14 作者简介:王慧宇(1986-),女,北京市人,工程师,硕士,2012年毕业于中国石油大学(北京)工业催化专业,研究方向:石油产品标准化研究。
E-mail:wanghy.ripp@。
内燃机油黏度特性和分类标准王慧宇,陈延(中国石化石油化工科学研究院,北京100083)摘 要:内燃机油的黏度是影响其润滑性能的重要指标,包括低温启动黏度、低温泵送黏度、运动黏度和高温高剪切黏度等。
介绍了内燃机油的黏度指标和试验方法,以及我国内燃机油分类标准的情况,解读了将于2019年7月1日实施的GB/T 14906-2018《内燃机油黏度分类》标准修订内容。
关 键 词:内燃机油;黏度;分类;标准中图分类号:TE626.3+2 文献标识码: A 文章编号: 1671-0460(2019)06-1330-04Viscosity Characteristics and Classification Standard ofInternal Combustion Engine OilsWANG Hui-yu , CHEN Yan(Sinopec Research Institute of Petroleum Processing, Beijing 100083, China )Abstract : The viscosity characteristics are essential indexes for internal combustion engine oils, such as low-temperature cranking viscosity, low-temperature pumping viscosity, low-shear-rate kinematic viscosity and high-shear-rate viscosity. In this paper, the viscosity indexes of internal combustion engine oils were introduced as well as the test methods. The national standards and the revised contents of GB/T 14906-2018 were interpreted. Key words : Engine oils; Viscosity; Classification; Standard内燃机油的黏度是影响其润滑性能的重要指标,适当的黏度有助于润滑油顺利达到发动机的摩擦表面,并且在高温和高压条件下形成并保持油膜。
内燃机(柴油机)机油的选用
1、根据内燃机(柴油机)和车辆的特点,即负荷和转速选用油。
负荷高转速低的,例如一些大型推土机,起重机和钻井机等一般选用粘度较大的润滑油,如SF40、CD50等。
负荷轻转速高的,如小轿车、吉普车、小型动力设备一般选用粘度较小的润滑油,如SG5W/40、SF30等。
2、根据内燃机(柴油机)工作的苛刻程度,如柴油机环区温度高于230~250℃,强化系数大于5,增压的柴油机选用CD级以上的油,如CD40、SG/CD40、SH/CF40等。
汽油机根据压缩比和是否有曲轴箱正压换气、废气再循环及催化转化器等选用机油,压缩比越大,选用机油级别越高,有上述附加装置的,一般选用SG级以上的机油。
3、机油容量与功率比也是选用机油的因素,机油容量大对油品质量不苛刻,机油容量小对机油的质量要求高。
一般欧洲生产的发动机休积小,功率大,要求使用质量高的机油,如SG、SH油。
内燃机标准目录活塞式内燃机与其他动力设备综合GB/T 725—2008 内燃机产品名称和型号编制规则GB/T 725—1991 GB/T 726—1994往复式内燃机旋转方向、气缸和气缸盖上气门的标志及直列式内燃机右机、左机和发动机方位的定义idt ISO 1204:1990GB/T 726—1986GB/T 3270—1982GB/T 4673—1984GB/T 6929—1986GB/T 1859—2000 往复式内燃机辐射的空气噪声测量工程法及简易法idt ISO 6798:1995GB/T 1859—1989GB/T 8194—1987GB/T 1883.1—2005 往复活塞式内燃机词汇第1部分:发动机设计与运行术语ISO 2710-1:2000,IDT GB/T 1883—1989 GB/T 1883.2—2005 往复活塞式内燃机词汇第2部分:发动机维修术语ISO 2710-2:1999,IDT GB/T 1883—1989 GB/T 3821—2005 中小功率内燃机清洁度测定方法GB/T 3821—1983 GB 4556—2001 往复式内燃机防火idt ISO 6826:1997 GB 4556—1984GB/T 4672—2003 往复式内燃机手操纵控制机构标准动作方向ISO 2261:1994,IDT GB 4672—1984GB/T 6809.1—2009 往复式内燃机零部件和系统术语第1部分:固定件及外部罩盖ISO 7967-1:1987,IDT GB/T 6809.1—2003 GB/T 6809.2—2006 往复式内燃机零部件和系统术语第2部分:气门、凸轮轴传动和驱动机构ISO 7967-1:2005,IDT GB/T 6809.2—1988 GB/T 6809.3—2006 往复式内燃机零部件和系统术语第3部分:主要运动件neq ISO 7967-2:1987 GB/T 724—1965部分GB/T 6809.4—2007 往复式内燃机零部件和系统术语第4部分:增压及进排气管系统neq ISO 7967-4:1983 GB/T 724—1965GB/T 6809.5—2010 往复式内燃机零部件和系统术语第5部分:冷却系统ISO 7967-5:2003,IDT GB/T 6809.5—1999 GB/T 6809.6—2009 往复式内燃机零部件和系统术语第6部分:润滑系统idt ISO 7967-6:1992 GB/T 6809.6—1999 GB/T 6809.7—2009 往复式内燃机零部件和系统术语第7部分:调节系统ISO 7967-7:1998,IDT GB/T 6809.7—2005 GB/T 6809.8—2010 往复式内燃机零部件和系统术语第8部分::起动系统ISO 7967-8:2005,IDT GB/T 6809.8—2000 GB/T 6809.9—2007 往复式内燃机零部件和系统术语第9部分:监控系统GB/T 7184—2008中小功率柴油机振动测量及评级GB/T 10397—2003, GB/T 7184—1987GB/T 8188—2003 内燃机排放术语和定义idt SAE J 1145-1993 GB/T 8188—1987GB/T 8190.1—2010 往复式内燃机排放测量第1部分:气体和颗粒排放物的试验台测量ISO 8178-1:2006,IDT GB/T 8190.1—1999GB/T 8190.2—1999 往复式内燃机排放测量第2部分:气体和颗粒排放物的现场测量idt ISO 8178-2:1996 GB/T 8190~8192—1987GB/T 8190.3—2003 往复式内燃机排放测量第3部分:稳态工况排气烟度的定义和测量方法ISO 8178-3:1994,IDTGB/T 8190.4—2010 往复式内燃机排放测量第4部分:不同用途发动机的试验循环ISO 8178-4:2007,IDT GB/T 8190.4—1999 GB/T 8190.5—2005 往复式内燃机排放测量第5部分:试验燃料ISO 8178-5:1997,IDTGB/T 8190.6—2006 往复式内燃机排放测量第6部分:测量结果和试验报告GB/T 8190.7—2003 往复式内燃机排放测量第7部分:发动机系族的确定ISO 8178-7:1996,IDTGB/T 8190.8—2003 往复式内燃机排放测量第8部分:发动机系组的确定ISO 8178-8:1996,IDTGB/T 8190.9—2010 往复式内燃机排放测量第9部分:压燃式发动机瞬态工况排气烟度的现场测量用试验循环和测试规程ISO 8178-9:2000,IDTGB/T 8190.10—2010 往复式内燃机排放测量第10部分:压燃式发动机瞬态工况排气烟度的现场测量用试验循环和测试规程ISO 8178-10:2002,IDTGB/T 8190.11—2009 往复式内燃机排放测量第11部分:非道路移动机械用发动机瞬态工况下气体和颗粒排放物的试验台测量GB 9486—1988 柴油机稳态排气烟度及测定方法neq ΓOCT 19025:1973GB/T 9487—2008 柴油机自由加速排气烟度的测量方法GB/T 9487-1988 GB/T 10397—2003 中小功率柴油机振动评级ISO 10816-6:1995,IDT GB/T 10397—1989 GB/T 17804—2009 往复式内燃机图形符号ISO 8999:2001,IDT GB/T 17804—2003 GB/T 17805—1999 柴油机进、排气流量的测量idt SAE J244:1992GB/T 20064.1—2006 往复式内燃机手摇起动装置第1部分:安全要求和试验GB/T 20064.2—2006 往复式内燃机手摇起动装置第2部分:脱开角试验方法GB/T 20651.1—2006 往复式内燃机安全第1部分:压燃式发动机JB 8891—1999 中小功率柴油机排气污染物排放限值GBn 267—1987JB/T 9744—2010 内燃机零、部件磁粉检测JB/T 9744—1999JB/T 51127—1999中小功率柴油机产品可靠性考核JB/T 51127.1~51127.3—1994内燃机与附属装置GB/T 727—2003 涡轮增压器产品命名和型号编制方法GB/T 727—1985 GB/T 1147.1—2007 中小功率内燃机第1部分:通用技术条件GB/T 1147—1987 GB/T 1147.2—2007 中小功率内燃机第2部分:试验方法GB/T 3821—1983 中小功率内燃机清洁度测定方法GB/T 6072.1—2008 往复式内燃机性能第1部分:功率、燃料消耗和机油消耗的标定及试验方法通用发动机的附加要求idt ISO 3046-1:1995 GB/T 1105.1~1105.3—1987GB/T 6072.1—2000GB/T 6072.3—2008 往复式内燃机性能第3部分:试验测量ISO 3046-3:2006,IDT GB/T 6072.3—2003 GB/T 6072.4—2000 往复式内燃机性能第4部分:调速idt ISO 3046-4:1997GB/T 6072.5—2003 往复式内燃机性能第5部分:扭转振动ISO 3046-5:2001,IDTGB/T 6072.6—2000 往复式内燃机性能第6部分:超速保护idt ISO 3046-6:1990 GB/T 6072—1985 GB/T 6072.7—2000 往复式内燃机性能第7部分:发动机功率代号idt ISO 3046-7:1995GB/T 8243.1—2003 内燃机全流式机油滤清器试验方法第1部分:压差-流量特性ISO 4548-1:1997,IDT GB/T 8243.1—1987GB/T 8243.2—2003 内燃机全流式机油滤清器试验方法第2部分:滤芯旁通阀特性ISO 4548-2:1997,IDTGB/T 8243.4—1987JB/T 5099—1991GB/T 8243.3—2003 内燃机全流式机油滤清器试验方法第3部分:耐高压差和耐高温特性ISO 4548-3:1997,IDTGB/T 8243.3—1987JB/T 5099—1991GB/T 8243.4—2003 内燃机全流式机油滤清器试验方法第4部分:原始滤清效率、寿命和累积效率(重量法)ISO 4548-4:1997,IDT JB/T 5099—1991 GB/T 8243.5—2006 内燃机全流式机油滤清器试验方法第5部分:冷起动模拟和液压脉冲耐久试验GB/T 8243.6—2006 内燃机全流式机油滤清器试验方法第6部分:静压耐破度试验GB/T 8243.7—2006 内燃机全流式机油滤清器试验方法第7部分:振动疲劳试验GB/T 8243.9—2006 内燃机全流式机油滤清器试验方法第9部分:进、出口止回阀试验GB/T 8243.11—2007 内燃机全流式机油滤清器试验方法第11部分:自净式滤清器GB/T 8243.12—2007 内燃机全流式机油滤清器试验方法第12部分:采用颗粒计数法测定滤清效率和容灰量GB/T 9485—2003 径流式涡轮增压器联接尺寸GB/T 9485—1988 GB/T 10398—1989 小型汽油机振动测试方法GB/T 10399—1989 小型汽油机振动评级eqv ISO 2372:1974GB 14097—1999 中小功率柴油机噪声限值GB 14097—1993 GB 15739—1995 小型汽油机噪声限值GBn 264—1986 GB/T 20787—2006 往复式内燃机中、高速往复式内燃机底脚结构噪声测试规范GB/T 21404—2008 内燃机发动机功率的确定和测量方法一般要求GB/T 21405—2008 往复式内燃机发动机功率的确定和测量方法排气污染物排放试验的附加要求GB/T 21406—2008 内燃机发动机的重量(质量)标定GB/T 23342—2009 往复式内燃机回弹式绳索起动装置基本安全要求GB/T 23341.1—2009 涡轮增压器第1部分:一般技术条件GB/T 23341.2—2009 涡轮增压器第2部分:试验方法JB/T 4198.1—2001 工程机械用柴油机技术条件JB/T 4198.1—1999 JB/T 4198.2—1999 工程机械用柴油机性能试验方法JB/T 3826—1984 JB/T 5135.1—2001 通用小型汽油机台架性能试验方法JB/T 5135.1—1999JB/T 5135.2—2001 通用小型汽油机可靠性、耐久性试验与评定方法JB/T 5135.2—1999 JB/T 5135.3—200l 通用小型汽油机技术条件JB/T 5135—1991 JB/T 5136—1991 工程机械用汽油机技术条件JB/T 5140.1—1999 磁电机技术条件ZB J91 003—1987 JB/T 5144—1991 工程机械用汽油机性能试验方法JB/T 6002—1992 涡轮增压器清洁度限值及测定方法JB/T 7763.1—1995 内燃机起动液及装置技术条件JB/T 7763.2—1995 内燃机起动液及装置试验方法JB/T 8123.1—1999 磁电机用点火器技术条件JB/T 8123.1—1995 JB/T 8123.2—1999 磁电机用点火器试验方法JB/T 8123.2—1995 JB/T 8839.1—1999 内燃机用磁电式压力表技术条件neq DIN 75551-77 NJ 390.1—1986 JB/T 8839.2—1999 内燃机用磁电式压力表试验方法neq DIN 75551-77 NJ 390.2—1986 JB/T 8840.1—1999 内燃机用磁电式温度表技术条件neq DIN 75551-77 NJ 391.1—1986 JB/T 8840.2—1999 内燃机用磁电式温度表试验方法neq DIN 75551-77 NJ 391.2—1986 JB/T 8841.1—1999 内燃机用磁电式电压表技术条件neq DIN 75551-77 NJ 392.1—1986 JB/T 8841.2—1999 内燃机用磁电式电压表试验方法neq DIN 75551-77 NJ 392.2—1986 JB/T 8842.1—1999 内燃机用温度报警器技术条件idt STAS 9292-76 NJ 393.1—1986 JB/T 8842.2—1999 内燃机用温度报警器试验方法neq STAS 9292-76 NJ 393.2—1986 JB/T 8843.1—1999 内燃机用压力报警器技术条件neq DIN 75553-76 NJ 394.1—1986 JB/T 8843.2—1999 内燃机用压力报警器试验方法neq DIN 75553-76 NJ 394.2—1986 JB/T 8844.1—1999 内燃机用真空管报警器技术条件NJ 395.1—1986 JB/T 8844.2—1999 内燃机用真空管报警器试验方法NJ 395.2—1986 JB 8890—1999 往复式内燃机安全要求JB/T 8895—1999 中小功率柴油机通用技术条件JB/T 9752.1—2005 涡轮增压器第1部分:一般技术条件JB/T 9752.1—1999 JB/T 9752.2—2005 涡轮增压器第2部分:试验方法JB/T 9752.2—1999JB/T 9752.3—2004涡轮增压器转子平衡品质及校验方法JIS B0905:1978, NEQ JB/T 9752.3—1999 JB/T 5094—1991JB/T 9759—1999 内燃机发电机组轴系扭转振动的限值及测量方法ZB J91 005—1988 JB/T 9773.1—1999 柴油机台架试验考核方法NJ 289—1983JB/T 9773.2—1999 柴油机起动性能试验方法ZB J90 002—1987 JB/T 9774—2005 中小功率内燃机清洁度限值JB/T 9774—1999 JB/T 9860.1—1999 断电器用钨触点技术条件ZB J94 006—1988 JB/T 9860.2—1999 断电器触点用钨杆技术条件NJ 385—1985JB/T 9864.1—1999 磁电机用断电器技术条件ZB J94 005—1988 JB/T 9864.2—1999 磁电机用断电器试验方法ZB J94 012—1989 JB/T 9865.1—1999 磁电机用点火线圈技术条件ZB J94 011.1—1989 JB/T 9865.2—1999 磁电机用点火线圈试验方法ZB J94 011.2—1989 JB/T 9870—1999 水力测功器ZB J91 009—1989 JB/T 50188—1999 工程机械用柴油机可靠性、耐久性试验方法JBn 3827—1984JB/T 11013—2010 通用小型汽油机用密封垫片技术条件JB/T 11014—2010 通用小型汽油机密封性能技术要求与试验方法机体与运动件GB/T 1148—2010 内燃机铝活塞技术条件GB 1148—1993GB/T 1149.1—2008 内燃机活塞环第1部分:通用规则eqv ISO 6621-4:1988 GB/T 1149—1982 GB/T 1149.1—1994GB/T 1149.2—2010 内燃机活塞环第2部分:术语ISO 6621-1:2007,IDT GB/T 1149.2—1994 GB/T 1149.3—2010 内燃机活塞环第3部分:材料规范ISO 6621-3:2000,IDT GB/T 1149.3—1994GB/T 1149.4—2008 内燃机活塞环第4部分:质量要求eqv ISO 6621-3:1983eqv ISO 6621-5:1988 GB/T 1149—1982 GB/T 1149.4—1994GB/T 1149.5—2008 内燃机活塞环第5部分:检验方法eqv ISO 6625:1986 GB/T 1149.5—1992GB/T 1149.6—2008 内燃机活塞环第6部分:铸铁刮环eqv ISO 6621-2:1984 GB/T 1149—1982 GB/T 1149.6—1994GB/T 1149.7—2010 内燃机活塞环第7部分:矩形铸铁环ISO 6621-1:2003,IDT GB/T 1149.7—1994 GB/T 1149.8—2008 内燃机活塞环第8部分:矩形钢环GB/T 14222-1993 GB/T 1149.9—2008 内燃机活塞环第9部分:梯形铸铁环GB/T 14223-1993 GB/T 1149.11—2010 内燃机活塞环第11部分:楔形铸铁环ISO 6624-2:2003,IDTGB/T 1149.13—2008 内燃机活塞环第13部分:油环GB/T 1149.14—2008 内燃机活塞环第14部分:螺旋撑簧油环GB/T 1150—2010 内燃机湿式铸铁气缸套技术条件GB/T 1150—1993 GB/T 1151—1993 内燃机主轴瓦及连杆轴瓦技术条件neq ISO 3548:1978 GB/T 1151—1982 GB/T 3162—1991 滑动轴承薄壁轴瓦尺寸、结构要素与公差GB/T 7308—1987 滑动轴承薄壁翻边轴瓦尺寸、公差及检验方法GB/T 14910—1994 滑动轴承厚壁多层轴承衬背技术要求GB/T 15371—2008 曲轴轴系扭转振动的测量与评定方法GB/T 23339-2009 内燃机曲轴技术条件GB/T 23340-2009 内燃机连杆技术条件GB/T 24748—2009 往复式内燃机飞轮技术条件GB/T 25361.1—2010 内燃机活塞销第1部分:技术要求ISO 18669-1:2004,IDTGB/T 25361.2—2010 内燃机活塞销第2部分:检验规则ISO 18669-2:2004,IDTGB/T 25362-2010 汽油机电磁阀式喷油器总成技术条件GB/T 25363-2010 汽油机电磁阀式喷油器总成试验方法GB/T 25364.1—2010 涡轮增压器密封环第1部分:技术条件GB/T 25364.2—2010 涡轮增压器密封环第2部分:检验方法GB/T 25365.1—2010 柴油机电控共轨喷油系统总成技术条件第1部分:机械GB/T 25366—2010 柴油机电控共轨喷油系统共轨管总成技术条件GB/T 25367—2010 柴油机电控共轨喷油系统喷油器总成技术条件GB/T 25368—2010 柴油机电控共轨喷油系统高压供油泵总成技术条件JB/T 2330—1993 内燃机高磷铸铁气缸套金相检验JB/T 2330—1978 JB/T 5082.1—2008 内燃机气缸套第1部分:硼铸铁金相检验JB/T 5082-1991JB/T 5082.4—2008 内燃机气缸套第4部分:风冷气缸套技术条件JB/T 6006-1992 JB/T 5082.5—2008 内燃机气缸套第5部分:钢质镀铬气缸套技术条件 JB/T 7295-1994 JB/T 5083—2005 内燃机干式铸铁气缸套技术条件JB/T 5083—1991 JB/T5084—2007 内燃机曲轴止推垫圈技术条件JB/T 5084—1991 JB/T 6016.1—2008 内燃机活塞环金相检验第1部分:单体铸造活塞环GB/T 2805—1981JB/T 6016-1992 JB/T 6016.3—2008 内燃机活塞环金相检验第3部分:球墨铸铁活塞环 JB/T 6724-1993 JB/T 6016.4—2008 内燃机活塞环金相检验第4部分:中高合金铸铁活塞环JB/T 6289—2005 内燃机铸造铝活塞金相检验JB/T 6289—1992 JB/T 6290—2007 内燃机筒体铸造活塞环金相检验JB/T 6290—1992 JB/T 6721—1993 内燃机连杆技术条件NJ 20—1985JB/T 6721.2—2007 内燃机连杆第2部分:磁粉探伤JB/T 6722—1993 JB/T 6727—2000 内燃机曲轴技术条件JB/T 6727—1993 JB/T 6729—2007 内燃机曲轴、凸轮轴磁粉探伤JB/T 6729—1993 JB/T7293—2007 内燃机主轴承盖螺栓与螺母技术条件JB/T 7293—1994 JB/T 7293.2—2010 内燃机螺栓与螺母第2部分:连杆螺栓技术条件JB/T 8416—1996 JB/T 7293.4—2010 内燃机螺栓与螺母第4部分:连杆螺栓磁粉检测JB/T 9743—1999 JB/T 7293.8—2010 内燃机螺栓与螺母第8部分:连杆螺母技术条件JB/T 8417—1996 JB/T 7762—2007 内燃机气缸盖垫片技术条件JB/T 7762—1995 JB/T 8118—1997 内燃机活塞销技术条件JB/T 8118—1995 JB/T 8118.2—1999 内燃机活塞销金相检验NJ 326—1984JB/T 8118.3—1999 内燃机活塞销磁粉探伤技术条件NJ 327—1984JB/T 8415—1996 内燃机正时齿轮技术条件GB/T 3269—1982 JB/T 8578—1997 内燃机凸轮轴楔横轧毛坯技术条件JB/T 8579—1997 内燃机进、排气管技术条件JB/T 8837—2000 内燃机连杆螺栓金相检验JB/T 8837—1999 JB/T 8892—1999 内燃机稀土共晶铝硅合金活塞金相检验JB/T 8894—1999 往复式内燃机飞轮离合器用安装尺寸idt ISO 11055:1996JB/T 9742—1999 内燃机灰铸铁气缸盖和机体铸件技术条件NJ 308—1986JB/T 9743—1999 内燃机连杆螺栓磁粉探伤技术条件NJ 310—1983JB/T 9745—1999 内燃机硼铸铁单体铸造活塞环金相检验NJ 325—1984JB/T 9749—1999 内燃机铸造铜铅合金轴瓦金相检验NJ 355—1985JB/T 9753—1999 内燃机铸铁机体技术条件NJ 424—1986JB/T 9754—1999 内燃机灰铁铸件缺陷焊补技术条件NJ 431—1986JB/T 9760—1999 内燃机整圆主轴承技术条件ZB J92 001—1987 JB/T 9761—1999 内燃机曲轴止推垫片技术条件ZB J92 002—1988 JB/T 9762—1999 内燃机镶耐磨圈铝活塞技术条件ZB J92 003—1987 JB/T 9763—1999 内燃机精密电镀减摩层轴瓦检验规范ZB J92 004—1987 JB/T 9764—1999 内燃机卷制连杆衬套技术条件ZB J92 005—1987 JB/T 9765.1—1999 内燃机气缸盖螺栓技术条件ZB J92 006—1988JB/T 9765.2—1999 内燃机飞轮螺栓技术条件ZB J92 007—1988JB/T 9765.3—1999 内燃机气缸盖螺母及飞轮螺母技术条件ZB J92 009—1989JB/T 9766—1999 内燃机铸铁气缸盖技术条件ZB J92 008—1988JB/T 9767—1999 内燃机钢带组合油环技术条件ZB J92 010—1989JB/T 9768—1999 内燃机气缸套平台珩磨网纹技术规范及检测方ZB J92 011—1989 法JB/T 9770—1999 内燃机机油泵齿轮技术条件JB/T 10406—2004 内燃机激光淬火气缸套技术条件JB/T 10407—2004 内燃机铝活塞奥氏体铸铁镶圈金相检验JB/T 10628—2006 内燃机活塞环矩形钢环JB/T10737—2007 内燃机粉末冶金气门座技术条件进、排气系统GB/T 4759—2009 内燃机排气消声器测量方法GB/T 4759—1995GB/T4760—1995 声学消声器测量方法neq ISO 7325:1991 GB/T 4760—1984GB/T 23337—2009 内燃机进、排气门技术条件JB/T 5080—2008 内燃机铸铁气门导管技术条件NJ 28—1964JB/T 5080—1991 JB/T 5081—1991 中小功率柴油机排气消声器技术条件JB/T 5137—1991 小型汽油机排气消声器技术条件NJ 274—1982JB/T 5141—1991 小型汽油机排气消声器设计参数NJ/Z 2—1982JB/T6004—2007 内燃机油浴及油浸式空气滤清器总成技术条件JB/T 6004—1992JB/T6007—2007 内燃机油浴及油浸式空气滤清器滤芯技术条件JB/T 6007—1992JB/T 6008—2008 内燃机空气、柴油、机油滤清器型号编制规则JB/T 6008—1992JB/T 6012—2005 内燃机进、排气门技术条件JB/T 6012—1992JB/T 6012.2—2008 内燃机进、排气门第2部分:金相检验JB/T 6720-1993JB/T 6012.3—2008 内燃机进、排气门第3部分: 磁粉探伤 JB/T 6719-1993JB/T 6012.4—2008 内燃机进、排气门第4部分:摩擦焊气门超声波JB/T 5093-1991 探伤JB/T 6720—1993 内燃机进、排气门金相检验NJ 354—1985JB/T 6728.1—2008 内燃机凸轮轴第1部分:技术条件NJ 25—1986JB/T 6728—1993JB/T 6728.2—2008 内燃机凸轮轴第2部分:楔横轧毛坯JB/T 8578-1997JB/T7292.1—2007 内燃机衬套连杆衬套技术条件JB/T 7292.1—1994JB/T7292.2—2007 内燃机衬套凸轮轴衬套技术条件JB/T 7292.2—1994JB/T7292.3—2007 内燃机衬套摇臂衬套技术条件JB/T 7292.3—1994JB/T 7294—2008 内燃机气门推杆技术条件JB/T 7294—1994JB/T 9741—1999 内燃机气门挺柱技术条件NJ 26—1986JB/T 9747—2005 内燃机空气滤清器性能试验方法JB/T 9747—1999JB/T 9750.1—1999 内燃机气门摇臂技术条件NJ 406—1986JB/T 9750.2—1999 内燃机气门摇臂轴技术条件NJ 389—1986JB/T 9755—1999 内燃机纸质滤芯空气滤清器总成技术条件NJ 429—1986JB/T 9756—2004 内燃机空气滤清器纸质滤芯技术条件JB/T 9756—1999JB/T 9757—1999 内燃机空气、机油、柴油滤清器纸质滤芯系列尺NJ 434—1986寸JB/T 9769.1—2010 内燃机铸铁气门座第1部分:技术条件JB/T 9769—1999JB/T 9769.2—2010 内燃机铸铁气门座第2部分:金相检验JB/T 8893—1999JB/T 9769—1999 内燃机气门座技术条件ZB J93 002—1987JB/T 9869—1999 工程机械用内燃机排气消声器技术条件ZB J93 001—1987JB/T 11034—2010 内燃机气门弹簧座技术条件JB/T 11035—2010 内燃机气门锁夹技术条件JB/T 11036—2010 内燃机气门锁夹技术条件燃油供给系统GB/T 5264—2010 柴油机喷油泵柱塞偶件技术条件GB/T 5770—1997 柴油机柱塞式喷油泵总成技术条件GB/T 5771—2010 柴油机喷油泵出油阀偶件技术条件GB/T 5772—2010 柴油机喷油泵油嘴偶件技术条件GB/T 10826.1—2007 燃油喷射装置词汇第1部分:喷油泵neq ISO 7876-1:1984 GB/T 10826—1989GB/T 10826.2—2008 燃油喷射装置词汇第2部分:喷油器GB/T 10826.3—2008 燃油喷射装置词汇第3部分:泵喷嘴GB/T 10826.4—2008 燃油喷射装置词汇第4部分:高压油管和管端连接件GB/T 10826.5—2008 燃油喷射装置词汇第5部分:共轨式燃油喷射系统GB/T 14096—2008 喷油泵试验台试验方法ISO 4008-1:1980,NEQ GB/T 14096—1993JB/T 3923—2005 柴油机喷油泵联轴器型式及基本尺寸JB/T 3923—1993JB/T 50063—2000 柴油机喷油泵供油角度自动提前器总成可靠性评JB/T 50063—1993 定方法、试验方法、故障分类及判定规则JB/T 51178—2000 合成式喷油泵总成可靠性考核评定方法、试验方JB/T 51178.1~3—1994 法、故障分类及判定规则JB/T 51179—2000 活塞式输油泵总成可靠性考核评定方法、试验方JB/T 51179—1994 法、故障分类及判定规则JB/T 51180—2000 分列式喷油泵总成可靠性考核评定方法、试验方JB/T 51180.1~.3—1994 法、故障分类及判定规则JB/T 51181—2000 喷油泵出油阀偶件可靠性考核评定方法、台架试验JB/T 51181—1994 方法及失效判定JB/T 51182—2000 喷油泵柱塞偶件可靠性考核评定方法、台架试验方JB/T 51182—1994 法及失效判定JB/T 51183—2000 喷油泵总成可靠性考核评定方法、试验方法、故障JB/T 51183—1994 分类及判定规则JB/T 51183—2000 喷油嘴偶件可靠性考核评定方法、试验方法、故障JB/T 51184—1994 分类及判定规则JB/T 5079—2008 中小功率内燃机燃油箱技术条件JB/T 5079—1991JB/T 5138—1991 小型汽油机用化油器系列型谱JB/T 5139—1991 小型汽油机用磁电机系列型谱JB/T 5140—1991 磁电机术语JB/T 5142—1991 化油器综合流量试验台技术条件JB/T 5143—1991 化油器综合流量试验台试验方法JB/T 5173—2005喷油器总成安装方式及连接尺寸ISO 2697:1999 ,NEQISO 2699:1994 ,NEQJB/T 5173—1991JB/T 5174—2005 喷油嘴偶件型式及连接尺寸ISO 2697:1999, NEQ JB/T 5174—1991 JB/T 5175—1991 柴油机喷油泵、喷油器总成主要零件金相检验JB/T 5176—2005 单柱塞式分配泵总成技术条件JB/T 5176—1991 JB/T 5239—1991 柴油机纸质滤芯柴油滤清器总成技术条件neq ISO 4020:1979 NJ 425—1986 JB/T 5240—1991 柴油机柴油滤清器纸质滤芯技术条件neq ISO 4020:1979 NJ 425—1986 JB/T 5241—1991 旋装式柴油滤清器技术条件neq ISO 4020:1979JB/T 6013—2000 柴油机低压金属油管组件技术条件JB/T 6013—1992JB/T 6014—2000柴油机高压油管组件技术条件JB/T 6011—1992 JB/T 6014—1992JB/T 6015—2000 柴油机低压输油胶管组件技术条件JB/T 6015—1992 JB/T 6020—1992 磁电机用电子点火器型号编制规则JB/T 6021—1992 磁电机型号编制规则ZB J91 002—1987 JB/T 6023—1992 化油器夹紧式出口连接尺寸JB/T 6024—1992 小型汽油机化油器量孔型式及结构尺寸JB/T 6025.1—1992 汽油机用混合气加热器型号编制方法JB/T 6025.2—1992 汽油机用混合气加热器技术条件JB/T 6025.3—1992 汽油机用混合气加热器试验方法JB/T 6026—1992 化油器通道堵头钢球JB/T 6291.1—2004 活塞式输油泵总成技术条件JB/T 6291.1—1992 JB/T 6291.2—2004 活塞式输油泵总成性能试验方法JB/T 6291.2—1992 JB/T 6292—1992 活塞式输油泵安装型式及连接尺寸NJ 353—1985JB/T 6293—1992 手压式喷油器校验器技术条件neq ISO 8984-1:1987JB/T 6295—2005 柱塞式喷油泵安装型式及连接尺寸ISO 7299:1996, NEQ JB/T 6295—1993 JB/T 6730—1993 磁电机点火系统测试方法neq ISO 6518-2:1982JB/T 6731.1—1993 小型汽油机用化油器技术条件NJ 321—1984JB/T 6731.3—1993 小型汽油机用化油器产品名称和型号编制规则NJ 438—1986JB/T 7146.1—1993 化油器阀针型材JB/T 7173.1—2004 柴油机喷油泵柱塞偶件技术条件JB/T 7173.1—1993 JB/T 7173.2—2004 柴油机喷油泵柱塞偶件性能试验方法JB/T 7173.2—1993 JB/T 7174.1—2004 柴油机喷油泵出油阀偶件技术条件JB/T 7174.1—1993 JB/T 7174.2—2004 柴油机喷油泵出油阀偶件性能试验方法JB/T 7174.2—1993 JB/T 7296—2004 柴油机喷油嘴偶件技术条件JB/T 7296—1994 JB/T 7297—2004 柴油机喷油嘴偶件性能试验方法JB/T 7297—1994 JB/T 7298—1994 出油阀偶件主要尺寸和安装尺寸JB/T 7299—1994 柱塞偶件主要尺寸和安装尺寸JB/T 7661—2004 柴油机油泵油嘴产品清洁度限值及测定方法JB/T 7661—1995 JB/T 7761.1—2004 柴油机喷油泵供油角度自动提前器技术条件JB/T 7761.1—1995 JB/T 7761.2—2004 柴油机喷油泵供油角度自动提前器性能试验方法JB/T 7761.2—1995 JB/T 7763.2—1995 内燃机起动液及装置试验方法JB/T 8120.1—2000 压燃式发动机高压油管用钢管第 1 部分:单壁idt ISO 8535-1:1996 JB/T 8120—1995 冷拉无缝钢管技术条件JB/T 8120.2—2000 压燃式发动机高压油管用钢管第 2 部分:复合idt ISO 8535-2:1993式钢管技术条件JB/T 8121—1999 柴油机喷油泵试验台用高压油管组件neq ISO 4093:1986 JB/T 8121—1995 JB/T 8122—1999 柴油机柴油滤清器试验方法JB/T 8122—1995 JB/T 8818—1998 柴油机喷油器总成技术条件GB/T 5769—1986 JB/T 8819—1998 柴油机燃油喷射装置产品型号编制方法GB/T 10177—1988 JB/T 9728—2010 分配式喷油泵总成安装及连接尺寸JB/T 9728—1999JB/T 9729—1999 柴油机喷油泵柱塞偶件、出油阀偶件、喷油嘴偶件径ZB J94 027—1990 部密封值样品技术条件JB/T 9730—1999 柴油机喷油嘴偶件、喷油泵柱塞偶件、喷油泵出油ZB J94 007—1988 阀偶件金相检验JB/T 9731.1—2010 柴油机喷油泵凸轮轴第1部分:技术条件JB/T 9731.1—1999JB/T 9731.2—2010 柴油机喷油泵凸轮轴第2部分:轴端尺寸JB/T 9731.2—1999 JB/T 9732—1999 轴针式标准喷油嘴偶件neq ISO 4010:1998 ZB J94 010—1989 JB/T 9733—1999 标准喷油泵技术条件ZB J94 015—1990 JB/T 9734—1999 喷油泵试验台技术条件neq ISO 4008-1:1980 ZB J94 016—1990 JB/T 9735—1999 喷油泵试验台用标准喷油器总成技术条件neq ISO 7440-1:1991 ZB J94 017—1990 JB/T 9736—1999 喷油嘴偶件、柱塞偶件、出油阀偶件磁粉探伤方法ZB J94 019—1990 JB/T 9751—1999 柴油机液压调速器技术条件NJ 404—1986润滑系统JB/T 5087—1991 内燃机机油滤清器纸质滤芯技术条件neq ISO 4548:1982 NJ 428—1986JB/T 5088.1—2008 内燃机旋装式机油滤清器第1部分:技术条件neq ISO 4548:1982 JB/T 5088—1991JB/T 5088.2—2008 内燃机旋装式机油滤清器第2部分:试验方法JB/T 6725-1993JB/T 5089.1—2010 内燃机纸质滤芯机油滤清器第1部分:总成技术neq ISO 4548:1982 JB/T 5089—1991 条件JB/T 5089.2—2010 内燃机纸质滤芯机油滤清器第2部分:滤芯技术JB/T 5087—1991 条件JB/T 5089.3—2010 内燃机纸质滤芯机油滤清器第3部分:试验方法JB/T 5099—1991JB/T 5090—1991 内燃机机油泵粉末冶金转子技术条件NJ259—1982JB/T 5091—1991 内燃机机油泵粉末冶金齿轮技术条件NJ 260—1982JB/T 5096—1991 内燃机纸质机油滤芯胶接工艺技术条件JB/T 5097—1991 内燃机旋装式机油滤清器系列尺寸neq ISO 6415:1981JB/T 5098—1991 内燃机纸质机油滤芯胶粘剂技术条件JB/T 5099—1991 内燃机纸质滤芯机油滤清器总成试验方法neq ISO 4548:1982JB/T 6019—1992 分流离心式机油滤清器技术条件GB/T 2783—1991 JB/T 6725—1993 内燃机旋装式机油滤清器试验方法neq ISO 4548:1982JB/T 7298—1994 出油阀偶件主要尺寸和安装尺寸JB/T 7907—1999 粉末冶金机油泵齿轮技术条件JB/T 7907—1995 JB/T 7908—1999 内燃机粉末冶金机油泵转子技术条件JB/T 7908—1995 JB/T 8124—1999 内燃机离心式机油滤清器试验方法JB/T 8124—1995 JB/T 8413.1—2010 内燃机机油泵第1部分:总成技术条件JB/T 8413—1996 JB/T 8413.2—2010 内燃机机油泵第2部分:总成试验方法JB/T 8886—1999 JB/T 8413.3—2008 内燃机机油泵第3部分:粉末冶金转子技术条件JB/T 5090-1991JB/T 8413.5—2008 内燃机机油泵第5部分:粉末冶金齿轮技术条件JB/T 5091-1991JB/T 8414—1996 内燃机机油泵传动轴端的型式和尺寸JB/T 8886—1999 内燃机机油泵试验方法NJ 432—1986JB/T 10505—2005 内燃机机油散热器技术条件JB/T 51051—1999 内燃机机油泵产品可靠性考核JB/T 51051—1993 冷却系统与加热装置JB/T 5085—2010 柴油机水冷却器技术条件JB/T 5085—1991 JB/T 5086.1—1999 内燃机水封技术条件JB/T 5086—1991 JB/T 5982.2—1999 内燃机水封试验方法JB/T 5092—1991 JB/T 6003—2004 内燃机板翅式机油冷却器技术条件JB/T 6003—1992 JB/T 6003.2—2010 内燃机机油冷却器第2部分:管壳式机油冷却器JB/T 8125—1999 技术条件JB/T 6003.3—2008 内燃机机油冷却器第3部分:传热性能试验方法JB/T 5095-1991 JB/T 6009—1992 小功率柴油机水箱技术条件JB/T 6723.1—2008 内燃机冷却风扇第1部分:金属冷却风扇技术条JB/T 6723.1—1993 件JB/T 6723.2—1993 JB/T 6723.2—2008 内燃机冷却风扇第2部分:塑料冷却风扇技术条件JB/T 6723.3—2008 内燃机冷却风扇第3部分:冷凝式内燃机冷却风JB/T 6723.3—1999 扇技术条件JB/T 6723.4—1999 JB/T 6723.4—2008 内燃机冷却风扇第4部分:冷凝式内燃机冷却风扇试验方法JB/T 6726.1—1993 内燃机冷凝式散热器技术条件JB/T 6726.2—1993 内燃机冷凝式散热器试验方法JB/T 8126.1—2010 内燃机冷却水泵第1部分:总成技术条件JB/T 8126.1—1999 JB/T 8126.2—2010 内燃机冷却水泵第2部分:总成试验方法JB/T 8126.2—1999 JB/T 8126.6—2010 内燃机冷却水泵第6部分:V带轮技术条件JB/T 6718—1993 JB/T 8127.1—1995 燃油加热器基本参数GB/T 10907—1989 JB/T 8127.2—1995 燃油加热器技术条件GB/T 10908—1989 JB/T 8127.3—1995 燃油加热器试验方法GB/T 10909—1989 JB/T 8577—2005 内燃机水散热器技术条件JB/T 8577—1997 JB/T 8580—1997 柴油机用氮化硅电热塞技术条件JB/T 10408—2004 内燃机换热器可靠性试验方法JB/T 10505—2005 内燃机机油散热器技术条件JB/T 10506—2005 内燃机增压空气冷却器技术条件JB/T 50033—1999 内燃机冷却水泵台架可靠性考核。
内燃机油的质量等级是如何划分的?我国内燃机油分类标准GB/T7361.3 — 1995。
该标准根据特性、使用场合和使用对象确定了汽油机油、柴油机油详细分类及代号。
“S“代表汽油机油,”C“代表柴油机油,第三个字母或第二个字母及数字相结合代表质量等级。
每个特定品种代号应附有按 GB/T14906规定的粘度等级,如SE30代表SE级30号汽油机油、SE/CC15W/40 代表SE/CC级汽油机、柴油机通用的15W/40号机油等等。
按照新标准,汽油机油分为SA 、 SB 、 SC 、 SD 、 SE 、SF 、 SG 、SH八个品种,柴油机油分为 CA 、CB 、CC 、CD—Ⅱ、CE 、CF—4七个品种。
其中 SA,SB,CA,CB 四个品种于1996 年 8 月 1 日起废除,不再生产和使用。
各级别适用车型(略)四、内燃机机油为什么有很多品种牌号?按照国家标准分类,内燃机油分为汽油机油、柴油机油、二冲程汽油机油、铁路机车内燃机油五个组,每个组有若干个质量等级,总数有数十种之多。
为什么有这么多品种牌号呢?主要是由于: 1 、发动机的类型的不同。
以汽车用往复活塞式发动机为例:按所用燃料划分,可分为汽油机、柴油机:按冲程可分为四冲程发动机、二冲程发动机;按转速分,可分为高速发动机、中低速发动机。
不同类型发动机的工作特点不同,对润滑油的要求也不相同,如汽油机要用汽油机油,柴油机要用柴油机油,二冲程汽油机要用二冲程汽油机油等。
2 、发动机的结构不同。
同是一种类型发动机,有单缸机、有多缸机;有的是自然吸气式、有的是增压进气式;有的压缩比高、有的压缩比低,对润滑油的品质要求也各有不同,以汽油机油为例,压缩比 6.0-7.0的使用 SB 级油;压缩比 7.0-8.0 的使用 SC-SD 级油;压缩比 8.0以上的则需使用SE、SF甚至 SG、SH级油。
柴油发动机也是如此,自然吸气式发动机和增压比不太高的可用CC 级油、增压比高的则要用 CD 或 CF — 4 级油。
汽油机油和柴油机油的分类、品种和标准
1、内燃机油的粘度分类
美国汽车工程师协会(SAE)制定的内燃机油粘度等级分类是世界公认的内燃机油粘度分类标准。
表一即为SAEJ300FEB92通过的标准。
表一
表中规定了两个系列的粘度牌号,含W字母和不含W字母,含W字母牌号是基于最大的低温粘度,最高的边界泵送温度以及最小的100℃运动粘度和最小的高温/高剪切(HT/HS)粘度,不含W字母的则仅基于100℃时的运动粘度。
至于多级油的粘度,指内燃机油的100℃运动粘度在某一个不含W字母的粘度级(如20、30、40…)范围内,而低温粘度和边界泵送温度又能满足含W字母的粘度等级指标(5W、10W、15W…)。
则这种油便称作多级内燃机油,例如较常用的5W/30、10W30、15W/40等均为多级内燃机油。
低温动力粘度是用冷启动模拟试验机在规定的低温高剪切速率下测得的最大低温动力粘度,又称CCS粘度。
低温启动能否成功,曲轴箱内机油的粘度影响不大,停车时残留在气缸壁上的机油在启动温度下的粘度是关键。
CCS粘度即为模拟了发动机气缸和活塞之间冷启动下的工况。
它所测得的粘度与发动机的低温启动状况有良好相关性。
内燃机机油新分类标准及产品选用
河北省平泉县农机监理站刘森
进入九十年代,我国内燃机油实行了新的分类标准,然而目前仍有许多石油销售部门和用户对此一无所知,下面对我国内燃机油的新分类标准作一简介:
1.内燃机油分类
新标准将汽油机机油分为EQB、EQC、EQD、EQE、EQF共五类;柴油机机油分为ECA、ECB、ECC、ECD共四类,其中ECB现无产品。
2.常用内燃机机油分类牌号新旧标准对照
常用内燃机机油分类牌号新旧标准对照表
3.常用内燃机机油的选用
华北地区,中、小型汽车夏季一般选用EQB—30汽油机机油,大型汽车或磨损严重的汽油机夏季选用EQB—40;冬季选用EQB—20汽油机机油;若冬季、夏季都使用同一种机油,须选
用稠化机油。
华北地区,拖拉机、柴油汽车春秋两季选用ECA—30柴油机机油;夏季选用ECA—40柴油机机油,它适于气温高于30℃的盛夏或磨损严重的柴油机车;冬季选用ECA—20柴油机机油。
刘森。