关于对成都市等22个市(2009)人工费调整系数表
- 格式:doc
- 大小:187.00 KB
- 文档页数:8
四川省建设工程造价管理总站关于对成都市等11个市、州2009年
《四川省建设工程工程量清单计价定额》人工费调整的批复
川建价发〔2014〕16号
各有关市、州工程造价管理机构:
你们关于2009年《四川省建设工程工程量清单计价定额》人工费调整的请示收悉。
根据2009年《四川省建设工程工程量清单计价定额》(川建造价发[2008]453号)及《关于明确计日工人工单价计算方法的通知》(川建价发〔2011〕17号)和《关于印发2009年<四川省建设工程工程量清单计价定额>人工费调整系数公式的通知》(川建价发[2009]11号)的要求,现批准成都市等11个市、州2009年《四川省建设工程工程量清单计价定额》人工费调整幅度及计日工人工单价(见附件)。
此次批准的人工费调整幅度和计日工人工单价从2014年7月1日起与2009年《四川省建设工程工程量清单计价定额》配套执行,2014年7月1日以前开工,但未竣工的工程,按结转工程量分段执行。
人工费调整的计算基础是定额人工费,调整的人工费不作为计取其他费用的基础(税金除外)。
附件:成都市等11个市、州2009年《四川省建设工程工程量清单计价定额》人工费调整幅度及计日工人工单价
四川省建设工程造价管理总站
2014年5月30日
1
2
3
4
5
注:市政工程中的给水、燃气、给排水机械设备安装、路灯工程执行安装工程相应标准。
6。
[资料]成都会等19个市、州2009年《四川省培植工程工程量清单计价定额》人工费调剂幅度及计日工人工单价]精1成都市等19个市、州2009年《四川省建设工程工程量清单计价定额》人工费调整幅度及计日工人工单价序号地区本次调整后人工费调整幅度(%)本次调整后人工费调整幅度与上次人工费调整幅度差值(%)计日工人工单价(元/工日)备注建筑、市政、园林绿化、抹灰工程、措施项目装饰工程(抹灰工程除外)安装工程建筑、市政、园林绿化、抹灰工程、措施项目装饰工程(抹灰工程除外)安装工程建筑、市政、园林绿化、抹灰工程、措施项目普工建筑、市政、园林绿施项目混凝土工建筑、市政、园林绿化、抹灰工程、措施项目技工装饰普工(抹灰工程除外)装饰技灰工程除外)装饰细木工安装技工、普工1 成都市成都市区,,,,,,,,,,,,,, ,,,,,,,,,,,,,,, ,,,,,,,,,,,,,,, ,,,,,,,,,,,,,,, ,,,,,,,,,,,,,,, ,,,,,,,,,,,,,,,,(青羊、锦江、金牛、武侯、成华及高新区)84.00 94.00 96.00 7.00 10.00 10.00 66 84 90 73105 120 98 序号地区本次调整后人工费调整幅度(%)本次调整后人工费调整幅度与上次人工费调整幅度差值(%)计日工人工单价(元/工日)备注建筑、市政、园林绿化、抹灰工程、措施项目装饰工程(抹灰工程除外)安装工程建筑、市政、园林绿化、抹灰工程、措施项目装饰工程(抹灰工程除外)安装工程建筑、市政、园林绿化、抹灰工程、措施项目普工建筑、园林绿化、措施项目混凝土工建筑、市政、园林绿化、抹灰工程、措施项目技工装饰普工(抹灰工程装饰技工(抹灰工程除外)装饰细木工安装技工、普工近郊区(龙泉、新都、双流、郫县、温江)79.00 88.00 90.00 7.00 9.00 9.00 62 79 85 6999 113 92 成都市的其他区(市)、县76.00 85.00 86.00 7.00 9.00 9.00 59 76 81 6695 108 88 2 德市德阳市63.86 52.70 51.36 9.46,,,,, 5.23,,,,, 7.36,,,,, 58 80 88 58 92 98 80不含广汉市旌阳区62.23 51.17 49.85 9.37,,,,, 5.17,,,,, 7.29,,,,, 57 79 87 57 91 97 79 绵竹市59.77 48.88 47.58 9.23,,,,, 5.10,,,,, 7.18,,,,, 57 78 86 57 90 96 78序号地区本次调整后人工费调整幅度(%)本次调整后人工费调整幅度与上次人工费调整幅度差值(%)计日工人工单价(元/工日)备注建筑、市政、园林绿化、抹灰工程、措施项装饰工程(抹灰工程除外)安装工程建筑、市政、园林绿化、抹灰工程、措施项目装饰工程(抹灰工程除外)安装工程建筑、市政、园林绿化、抹灰工程、措施项目普工市政、园林绿化、措施项目混凝土工建筑、市政、园林绿化、抹灰工程、措施项目技工装饰普工(抹除外)装饰技工(抹灰工程除外)装饰细木工安装技工、普工什邡市59.77 48.88 47.58 9.23,,,,, 5.10,,,,, 7.18,,,,, 57 78 86 57 90 96 78中江县55.67 45.07 43.79 8.99,,,,, 4.96,,,,, 6.99,,,,, 55 76 84 55 87 93 76罗江县54.85 44.30 43.04 8.94,,,,, 4.94,,,,, 6.96,,,,, 55 76 83 55 87 93 763 广,,,,,,,,,,汉45.00 38.40 40.00 3.20 3.20 4.00 51 66 72 54 74 绵阳市市区49.37 42.50 46.00 7.37 10.00 10.00 51 69 75 51 80 75 73绵阳市江油47.47 40.28 46.00 8.76 11.81 12.00 48 66 77 48 79 80 73三台45.10 36.55 42.00 9.66 11.81 8.00 47 67 75 47 77 76 71盐亭46.00 29.31 40.00 7.63 8.71 8.00 46 63 73 46 72 74 70序号地区本次调整后人工费调整幅度(%)本次调整后人工费调整幅度与上次人工费调整幅度差值(%)计日工人工单价(元/工日)备注建筑、市政、园林绿化、抹灰工程、措施项目装饰工程(抹灰工程除外)安装工程建筑、市政、园林绿化、抹灰工程、措施项目装饰工程(抹灰工程除外)安装工程建筑、市政、园林绿化、抹灰工程、措施项建筑、市政、园林绿化、措施项目混凝土工建筑、市政、园林绿化、抹灰工程、措施项目技工装饰普灰工程除外)装饰技工(抹灰工程除外)装饰细木工安装技工、普工安县43.62 32.73 40.00 8.76 8.03 10.00 47 66 74 47 74 76 70梓潼41.20 31.85 38.00 8.96 6.69 8.00 46 67 72 46 74 74 69平武42.17 28.60 36.00 8.48 7.91 7.00 47 65 73 47 71 74 68北川48.10 39.50 48.00 2.21 -7.42 1.00 49 70 75 49 78 80 745 南充市顺庆区45.80 45.00 45.00 7.80 8.00 8.00 65 75 83 65 88 110 80仅适用于城市规划区内高坪、嘉陵区44.50 43.80 43.80 7.50 7.80 7.80 58 72 80 58 83 104 77仅适用于城市规划区内阆中市43.50 42.80 42.80 7.50 7.80 7.80 58 72 80 58 83 104 77 仅适用于保宁镇南部县43.50 42.80 42.80 7.50 7.80 7.80 58 72 80 58 83 104 77 仅适用于南隆镇序号地区本次调整后人工费调整幅度(%)本次调整后人工费调整幅度与上次人工费调整幅度差值(%)计日工人工单价(元/工日)备注建筑、市政、园林绿化、抹灰工程、措施项目装饰工程(抹灰工程除外)安装工程建筑、市政、园林绿化、抹灰工程、措施项目装饰工程(抹灰工程除外)安装工程建筑、市政、园林绿化、抹灰工程、措施项目普工建筑、市政、园林绿化、措施项目混凝土工建筑、市政、园林绿化、抹灰工程、措施项目技工装饰普工(抹灰工程除外)装饰技工(抹灰工程除外)装饰细木工安装技工、普工西充县43.50 42.80 42.80 7.50 7.80 7.80 58 72 80 58 83 104 77 仅适用于晋城镇仪陇县43.50 42.80 42.80 7.50 7.80 7.80 58 72 80 58 83 104 77 仅适用于新政镇蓬安县43.50 42.80 42.80 7.50 7.80 7.80 58 72 80 58 83 104 77 仅适用于周口镇营山县43.50 42.80 42.80 7.50 7.80 7.80 58 72 80 58 83 104 77 仅适用于朗池镇其余乡镇41.00 40.30 40.30 7.00 7.30 7.30 55 68 77 55 80 94 72除上述区域外所有乡镇6 资阳市39.00 38.00 40.00 6.00 6.00 6.00 60 70 80 65 90 100 907 遂宁市市城区30.16 23.97 24.96 4.91 4.48 2.84 43 59 68 45 68 82 63 船山区21.04 15.66 19.28 4.19 4.48 2.84 39 53 64 39 64 78 60[资料]电修车间安全管理制度2010年1电修车间安全管理制度制度目的:为规范车间安全管理,强化一级管一级、层层抓落实适用范围:本制度适用于车间全体人员(包括二十冶人员)(一)对班组长及车间管理人员的考核一、班组建设、过程控制各项记录1、班组安全管理手册填写不正确(1、班组成员台帐更新不及时或缺少;2、班组成员安全教育台帐未填写或填写不正确;3、互保联保对子更新不及时或未填写;4、活动记录弄虚作假;5、应到、实到人数填写错误;6、无活动主题或主题不明确;7、代签名或不签名等);2、手册考评与控制栏考评不一致;3、班组建设抽查不合格;4、安全考试不合格;5、各种记录填写不认真或代签名;6、安全活动会、班后总结会不认真召开;7、重要岗位不执行登记制度或拒不认真登记;以上每项考核30元二、安全生产文明8、穿工作服不戴工作证;(考核30元)9、男职工留长发、烫发、或把头发染成其它颜色;10、敞怀、赤臂、光脚或穿拖鞋;11、待人接物粗鲁、无礼貌或讲不文明用语;12、会议期间响铃;(考核5元)以上每项考核50元三、违纪一般违纪13、工作时间看杂志、或与工作无关的书籍;14、工作时间去澡堂洗澡(特殊情况下除外);15、严重影响会议纪律;16、白班、夜班出现问题不按程序汇报每人考核;17、上班时间干私活;18、上班时间用手机听音乐或上网;19、无理蛮横,不尊重管理人员;20、不按时召开例会(迟到每分钟10元,旷会100元)以上每项考核50元严重违纪21、打架者;22、班中精神不振;23、班前4小时或班中饮酒;24、脱岗;25、私带外来人员进入工作岗位;以上每项考核150元四、违章26、一般违章(详情见附件一);每项考核50元;27、较大违章(详情见附件二);每项考核100元;28、严重违章(详情见附件三);每项考核150元;五、隐患29、一般隐患(详情见附件四);每项考核30元;(公司查到单倍考核,分厂、车间查到不做考核)30、较大隐患(详情见附件五);每项考核50元;(公司查到双倍考核,分厂、车间查到单倍考核)31、环保事项(详情见附件六);每项考核100元;(公司查到以分厂考核为准)六、事故演练32、演练过程不符合要求;33、不认真组织演练或弄虚作假;34、演练失败;以上每项考核100元或在工资评议中扣除七、综合治理35、一般综合治理事项(详情见附件七);每项考核10元;36、严重综合治理事项(详情见附件八);每项考核20元;37、定置管理每项考核30元;八、对班组长的其他考核及奖励38、休风计划、反思、班组安全管理手册不按时上交,考核班长20元;上交时间为休风前一天的上午11:00前;39、各种计划不按时完成的,考核班长50元;40、车间安排工作完成不及时的,考核班长50元;41、五小创新每组每两个月(1月2月;3月4月等)上交一次(共分为三组,7#8#电工班、9#10#电工班、11#12#电工班、13#14#电工班、供料电工班为一组,组长为刘建春,每次上交两份;仪表班为一组,组长为杨军;高压班为一组,组长为穆良),所有上交的创新必须经组长审核,同意后上交车间,如果存在应付和不按时上交等现象,直接考核组长50元;如果上交的质量合格分别奖励责任班长、组长30元、20元;42、稿件(以通讯、报道、图片说明为主)每组每月上交一篇(共分为三组,7#8#电工班、9#10#电工班、11#12#电工班、13#14#电工班、供料电工班为一组,组长为刘建春,每次上交两篇;仪表班为一组,组长为杨军;高压班为一组,组长为穆良),所有上交的稿件必须经组长审核,同意后上交车间,如果存在应付和不按时上交等现象,直接考核组长50元;如果上交的质量合格分别奖励责任班长、组长30元、20元;43、因班组管理出现的问题,考核班长200元—500元;44、公司、分厂组织的各项活动取得优异成绩的,奖励责任班长30元;(按分厂制度,如分厂制度取消则按本条例);45、车间考评最好班组班长奖励200元;(按分厂制度,如分厂制度取消则按本条例);46、车间考评最差班组班长考核200元;47、发现较大隐患奖励30元、重大隐患奖励50元;制止较大违章奖励50元、严重违章奖励100元;制止严重违纪奖励50元;48、班组出现一般险肇事故考核100元、严重险肇事故考核200元;49、对于日常工作中存在的问题隐瞒、不认真处理、推卸责任,考核100元;50、日常工作,较大问题以上的事情处理及时、得当,奖励100元;51、一季度内班组未出现隐患、违章、违纪现象,奖励100元;九、说明52、第一项到第五十一项条例只针对班组长及以上人员;(如班组员工出现问题,车间只考核班组长,员工的考核由班组长向车间申报;此类通报班组长上交车间安全员,由安全员上报主任,同意后由车间下发到各班组);由二十冶人员管理的区域出现问题,乙方班长连带50%,甲方班长负管理责任连带25%。
成都市等19个市、州2009年《四川省建设工程工程量清单计价定额》人工费调整幅度及计日工人工单价序号地区本次调整后人工费调整幅度(%)本次调整后人工费调整幅度与上次人工费调整幅度差值(%)计日工人工单价(元/工日)备注建筑、市政、园林绿化、抹灰工程、措施项目装饰工程(抹灰工程除外)安装工程建筑、市政、园林绿化、抹灰工程、措施项目装饰工程(抹灰工程除外)安装工程建筑、市政、园林绿化、抹灰工程、措施项目普工建筑、市政、园林绿化、措施项目混凝土工建筑、市政、园林绿化、抹灰工程、措施项目技工装饰普工(抹灰工程除外)装饰技工(抹灰工程除外)装饰细木工安装技工、普工1 成都市成都市区(青羊、锦江、金牛、武侯、成华及高新区)84.00 94.00 96.00 7.00 10.00 10.00 66 84 90 73105 120 98近郊区(龙泉、新都、双流、郫县、温江)79.00 88.00 90.00 7.00 9.00 9.00 62 79 85 6999 113 92成都市的其他区(市)、县76.00 85.00 86.00 7.00 9.00 9.00 59 76 81 6695 108 88序号地区本次调整后人工费调整幅度(%)本次调整后人工费调整幅度与上次人工费调整幅度差值(%)计日工人工单价(元/工日)备注建筑、市政、园林绿化、抹灰工程、措施项目装饰工程(抹灰工程除外)安装工程建筑、市政、园林绿化、抹灰工程、措施项目装饰工程(抹灰工程除外)安装工程建筑、市政、园林绿化、抹灰工程、措施项目普工建筑、市政、园林绿化、措施项目混凝土工建筑、市政、园林绿化、抹灰工程、措施项目技工装饰普工(抹灰工程除外)装饰技工(抹灰工程除外)装饰细木工安装技工、普工2 德阳市德阳市63.86 52.70 51.36 9.46 5.23 7.36 58 80 88 58 92 98 80不含广汉市旌阳区62.23 51.17 49.85 9.37 5.17 7.29 57 79 87 57 91 97 79 绵竹市59.77 48.88 47.58 9.23 5.10 7.18 57 78 86 57 90 96 78 什邡市59.77 48.88 47.58 9.23 5.10 7.18 57 78 86 57 90 96 78 中江县55.67 45.07 43.79 8.99 4.96 6.99 55 76 84 55 87 93 76 罗江县54.85 44.30 43.04 8.94 4.94 6.96 55 76 83 55 87 93 763 广汉45.00 38.40 40.00 3.20 3.20 4.00 51 66 72 54 75 78 70序号地区本次调整后人工费调整幅度(%)本次调整后人工费调整幅度与上次人工费调整幅度差值(%)计日工人工单价(元/工日)备注建筑、市政、园林绿化、抹灰工程、措施项目装饰工程(抹灰工程除外)安装工程建筑、市政、园林绿化、抹灰工程、措施项目装饰工程(抹灰工程除外)安装工程建筑、市政、园林绿化、抹灰工程、措施项目普工建筑、市政、园林绿化、措施项目混凝土工建筑、市政、园林绿化、抹灰工程、措施项目技工装饰普工(抹灰工程除外)装饰技工(抹灰工程除外)装饰细木工安装技工、普工4 绵阳市市区49.37 42.50 46.00 7.37 10.00 10.00 51 69 75 51 80 75 73绵阳市江油47.47 40.28 46.00 8.76 11.81 12.00 48 66 77 48 79 80 73三台45.10 36.55 42.00 9.66 11.81 8.00 47 67 75 47 77 76 71盐亭46.00 29.31 40.00 7.63 8.71 8.00 46 63 73 46 72 74 70安县43.62 32.73 40.00 8.76 8.03 10.00 47 66 74 47 74 76 70梓潼41.20 31.85 38.00 8.96 6.69 8.00 46 67 72 46 74 74 69平武42.17 28.60 36.00 8.48 7.91 7.00 47 65 73 47 71 74 68北川48.10 39.50 48.00 2.21 -7.42 1.00 49 70 75 49 78 80 74序号地区本次调整后人工费调整幅度(%)本次调整后人工费调整幅度与上次人工费调整幅度差值(%)计日工人工单价(元/工日)备注建筑、市政、园林绿化、抹灰工程、措施项目装饰工程(抹灰工程除外)安装工程建筑、市政、园林绿化、抹灰工程、措施项目装饰工程(抹灰工程除外)安装工程建筑、市政、园林绿化、抹灰工程、措施项目普工建筑、市政、园林绿化、措施项目混凝土工建筑、市政、园林绿化、抹灰工程、措施项目技工装饰普工(抹灰工程除外)装饰技工(抹灰工程除外)装饰细木工安装技工、普工5 南充市顺庆区45.80 45.00 45.00 7.80 8.00 8.00 65 75 83 65 88 110 80仅适用于城市规划区内高坪、嘉陵区44.50 43.80 43.80 7.50 7.80 7.80 58 72 80 58 83 104 77仅适用于城市规划区内阆中市43.50 42.80 42.80 7.50 7.80 7.80 58 72 80 58 83 104 77 仅适用于保宁镇南部县43.50 42.80 42.80 7.50 7.80 7.80 58 72 80 58 83 104 77 仅适用于南隆镇西充县43.50 42.80 42.80 7.50 7.80 7.80 58 72 80 58 83 104 77 仅适用于晋城镇仪陇县43.50 42.80 42.80 7.50 7.80 7.80 58 72 80 58 83 104 77 仅适用于新政镇蓬安县43.50 42.80 42.80 7.50 7.80 7.80 58 72 80 58 83 104 77 仅适用于周口镇营山县43.50 42.80 42.80 7.50 7.80 7.80 58 72 80 58 83 104 77 仅适用于朗池镇其余乡镇41.00 40.30 40.30 7.00 7.30 7.30 55 68 77 55 80 94 72除上述区域外所有乡镇序号地区本次调整后人工费调整幅度(%)本次调整后人工费调整幅度与上次人工费调整幅度差值(%)计日工人工单价(元/工日)备注建筑、市政、园林绿化、抹灰工程、措施项目装饰工程(抹灰工程除外)安装工程建筑、市政、园林绿化、抹灰工程、措施项目装饰工程(抹灰工程除外)安装工程建筑、市政、园林绿化、抹灰工程、措施项目普工建筑、市政、园林绿化、措施项目混凝土工建筑、市政、园林绿化、抹灰工程、措施项目技工装饰普工(抹灰工程除外)装饰技工(抹灰工程除外)装饰细木工安装技工、普工6 资阳市39.00 38.00 40.00 6.00 6.00 6.00 60 70 80 65 90 100 907 遂宁市市城区30.16 23.97 24.96 4.91 4.48 2.84 43 59 68 45 68 82 63 船山区21.04 15.66 19.28 4.19 4.48 2.84 39 53 64 39 64 78 60 安居区26.57 19.58 23.54 5.22 4.47 4.26 41 57 66 41 66 78 62 射洪县21.98 15.66 20.70 4.19 3.57 3.55 39 55 64 39 64 78 60 蓬溪县23.40 16.87 22.12 4.29 2.57 4.26 39 55 65 41 64 78 61 大英县25.86 16.47 20.70 5.11 1.76 2.13 41 57 65 40 64 78 60序号地区本次调整后人工费调整幅度(%)本次调整后人工费调整幅度与上次人工费调整幅度差值(%)计日工人工单价(元/工日)备注建筑、市政、园林绿化、抹灰工程、措施项目装饰工程(抹灰工程除外)安装工程建筑、市政、园林绿化、抹灰工程、措施项目装饰工程(抹灰工程除外)安装工程建筑、市政、园林绿化、抹灰工程、措施项目普工建筑、市政、园林绿化、措施项目混凝土工建筑、市政、园林绿化、抹灰工程、措施项目技工装饰普工(抹灰工程除外)装饰技工(抹灰工程除外)装饰细木工安装技工、普工8 巴中市巴州区29.70 28.30 27.00 9.00 8.30 8.50 51 60 62 52 70 82 64仅适用于城市规划区内平昌县25.75 25.50 25.50 8.00 8.80 8.50 50 58 60 50 69 77 64仅适用于江口镇通江县25.70 25.00 24.30 8.50 8.50 8.00 50 57 60 51 68 76 63仅适用于诺江镇南江县26.70 25.30 25.50 8.70 8.80 8.50 50 58 61 50 68 79 64仅适用于南江镇其余乡镇23.70 22.60 22.70 9.30 9.00 8.70 47 56 60 47 66 75 61除上述区域外的所有乡镇9 内江市43.90 46.00 46.90 4.80 4.50 4.60 52 60 73 55 79 88 74序号地区本次调整后人工费调整幅度(%)本次调整后人工费调整幅度与上次人工费调整幅度差值(%)计日工人工单价(元/工日)备注建筑、市政、园林绿化、抹灰工程、措施项目装饰工程(抹灰工程除外)安装工程建筑、市政、园林绿化、抹灰工程、措施项目装饰工程(抹灰工程除外)安装工程建筑、市政、园林绿化、抹灰工程、措施项目普工建筑、市政、园林绿化、措施项目混凝土工建筑、市政、园林绿化、抹灰工程、措施项目技工装饰普工(抹灰工程除外)装饰技工(抹灰工程除外)装饰细木工安装技工、普工10 泸州市50.9540.6642.00 5.608.27 6.005469745476857111 自贡市54.10 55.30 58.00 6.36 3.00 7.00 53 60 82 56 90 86 7912 宜宾市屏山县新发乡及其他迁建点65.27 59.39 58.42 14.62 11.66 12.42 58 72 84 58 87 98 79除屏山县新发乡及其他迁建点以外地区55.56 51.71 49.72 9.66 7.10 7.22 55 68 78 55 83 96 7513 雅安市39.50 37.00 32.00 2.40 2.39 2.00 50 66 71 55 75 86 70 含七县一区序号地区本次调整后人工费调整幅度(%)本次调整后人工费调整幅度与上次人工费调整幅度差值(%)计日工人工单价(元/工日)备注建筑、市政、园林绿化、抹灰工程、措施项目装饰工程(抹灰工程除外)安装工程建筑、市政、园林绿化、抹灰工程、措施项目装饰工程(抹灰工程除外)安装工程建筑、市政、园林绿化、抹灰工程、措施项目普工建筑、市政、园林绿化、措施项目混凝土工建筑、市政、园林绿化、抹灰工程、措施项目技工装饰普工(抹灰工程除外)装饰技工(抹灰工程除外)装饰细木工安装技工、普工14广安广安38.08 39.48 40.70 6.21 7.08 6.50 49 62 68 49 77 89 70 武胜35.20 34.06 34.40 6.40 5.66 6.64 48 60 67 48 74 84 67 岳池35.20 34.06 34.40 6.40 5.66 6.64 48 60 67 48 74 84 67 华蓥43.81 40.95 38.60 7.41 7.55 6.60 52 64 70 52 77 87 69 邻水43.81 40.95 38.60 7.41 7.55 6.60 52 64 70 52 77 87 6915 眉山市46.80 41.20 46.00 9.00 5.10 6.00 50 63 76 50 78 88 73序号地区本次调整后人工费调整幅度(%)本次调整后人工费调整幅度与上次人工费调整幅度差值(%)计日工人工单价(元/工日)备注建筑、市政、园林绿化、抹灰工程、措施项目装饰工程(抹灰工程除外)安装工程建筑、市政、园林绿化、抹灰工程、措施项目装饰工程(抹灰工程除外)安装工程建筑、市政、园林绿化、抹灰工程、措施项目普工建筑、市政、园林绿化、措施项目混凝土工建筑、市政、园林绿化、抹灰工程、措施项目技工装饰普工(抹灰工程除外)装饰技工(抹灰工程除外)装饰细木工安装技工、普工16 乐山市乐山市39.50 34.80 34.80 8.8 5.3 5.6 60 67 83 60 90 96 78 海拔2000米以上61.60 60.00 59.00 8.1 7.9 7.3 85 93 112 83 118 125 10517 凉山州39.84 38.27 40.00 8.47 8.17 8.00 54 66 62 54 74 86 7018 攀枝花市43.00 40.00 42.00 8.38 8.01 6.00 50 61 73 50 76 93 7119 阿坝州汶川县理县茂县67.00 65.00 64.00 10.00 10.00 10.00 60 7482 60 90 102 82序号地区本次调整后人工费调整幅度(%)本次调整后人工费调整幅度与上次人工费调整幅度差值(%)计日工人工单价(元/工日)备注建筑、市政、园林绿化、抹灰工程、措施项目装饰工程(抹灰工程除外)安装工程建筑、市政、园林绿化、抹灰工程、措施项目装饰工程(抹灰工程除外)安装工程建筑、市政、园林绿化、抹灰工程、措施项目普工建筑、市政、园林绿化、措施项目混凝土工建筑、市政、园林绿化、抹灰工程、措施项目技工装饰普工(抹灰工程除外)装饰技工(抹灰工程除外)装饰细木工安装技工、普工阿坝州金川县马尔康县小金县松潘县九寨沟县黑水县76.00 73.00 72.00 10.00 10.00 10.00 64 78 86 64 94 106 86阿坝县若尔盖县红原县壤塘县92.00 89.00 88.00 9.00 10.00 10.00 71 86 93 71 103 115 94注:市政工程中的给水、燃气、给排水机械设备安装、路灯工程执行安装工程相应标准。
成都人工费调整川建价发————————————————————————————————作者:————————————————————————————————日期:关于对成都市等18个市、州2009年《四川省建设工程工程量清单计价定额》人工费调整的批复发表时间:2012-6-1 9:37:03四川省建设工程造价管理总站川建价发〔2012〕10号各有关市、州工程造价管理机构:你们关于2009年《四川省建设工程工程量清单计价定额》人工费调整的请示收悉。
根据2009年《四川省建设工程工程量清单计价定额》(川建造价发[2008]453号)、《关于明确计日工人工单价计算方法的通知》(川建价发〔2011〕17号)和《关于印发2009年<四川省建设工程工程量清单计价定额>人工费调整系数公式的通知》(川建价发[2009]11号)的要求,现批准成都市等18个市、州2009年《四川省建设工程工程量清单计价定额》人工费调整幅度及计日工人工单价(见附件)。
此次批准的人工费调整幅度和计日工人工单价从2012年7月1日起与2009年《四川省建设工程工程量清单计价定额》配套执行。
人工费调整的计算基础是定额人工费,调整的人工费不作为计取其他费用的基础(税金除外)。
附件:成都市等18个市、州2009年《四川省建设工程工程量清单计价定额》人工费调整幅度及计日工人工单价二Ο一二年五月三十一日四川省建设工程造价管理总站办公室2012年5月31日印5 / 12成都市等18个市、州2009年《四川省建设工程工程量清单计价定额》人工费调整幅度及计日工人工单价序号地区本次调整后人工费调整幅度(%)本次调整后人工费调整幅度与上次人工费调整幅度差值(%) 计日工人工单价(元/工日)备注建筑、市政、园林绿化、抹灰工程、措施项目装饰工程(抹灰工程除外)安装工程建筑、市政、园林绿化、抹灰工程、措施项目装饰工程(抹灰工程除外)安装工程建筑、市政、园林绿化、抹灰工程、措施项目普工建筑、市政、园林绿化、措施项目混凝土工建筑、市政、园林绿化、抹灰工程、措施项目技工装饰普工(抹灰工程除外)装饰技工(抹灰工程除外)装饰细木工安装技工、普工1 成 都市成都市区(青羊、锦江、金牛、武侯、 成华及高新区) 91.00 104.00 106.00 7.00 10.00 10.00 69 87 93 78 110 126 103近郊区(龙泉、新都、双流、郫县、温江)86.00 98.00 100.00 7.00 10.00 10.00 65 82 87 73 103 118 97成都市的其他区(市)、县 82.00 94.00 95.00 6.00 9.00 9.00 62 78 84 70 99 113 93 2 德阳市德阳市73.27 62.77 60.00 9.41 10.07 8.64 58 80 88 58 90 98 80 不含广汉市旌阳区 71.54 61.1458.409.31 9.97 8.55 57 79 87 57 89 97 79 绵竹市 68.94 58.70 56.00 9.17 9.82 8.42 57 78 86 57 88 96 78 什邡市 68.94 58.70 56.00 9.17 9.82 8.42 57 78 86 57 88 96 78 中江县 64.61 54.63 52.00 8.94 9.56 8.21 55 76 84 55 86 93 76 罗江县63.7453.8151.208.899.518.1655768355859376序号地区本次调整后人工费调整幅度(%)本次调整后人工费调整幅度与上次人工费调整幅度差值(%)计日工人工单价(元/工日)备注建筑、市政、园林绿化、抹灰工程、措施项目装饰工程(抹灰工程除外)安装工程建筑、市政、园林绿化、抹灰工程、措施项目装饰工程(抹灰工程除外)安装工程建筑、市政、园林绿化、抹灰工程、措施项目普工建筑、市政、园林绿化、措施项目混凝土工建筑、市政、园林绿化、抹灰工程、措施项目技工装饰普工(抹灰工程除外)装饰技工(抹灰工程除外)装饰细木工安装技工、普工3 广汉市48.20 41.70 43.00 3.20 3.30 3.00 52 67 74 55 77 80 71.54 绵阳市市区55.7947.1850.14 6.42 4.68 4.1452707852838976绵阳市江油53.6444.7150.14 6.17 4.43 4.1449687949828276三台50.9640.5745.78 5.86 4.02 3.7848687848807874盐亭52.0032.5343.60 5.98 3.22 3.6048647548757573安县49.2936.3343.60 5.67 3.60 3.6548677748777873梓潼46.5635.4041.42 5.36 3.55 3.4248687548777672平武47.6531.7539.24 5.48 3.15 3.2448667648747671北川51.46%43.8549.00 3.36 4.35 1.00507078508081766 / 12序号地区本次调整后人工费调整幅度(%)本次调整后人工费调整幅度与上次人工费调整幅度差值(%)计日工人工单价(元/工日)备注建筑、市政、园林绿化、抹灰工程、措施项目装饰工程(抹灰工程除外)安装工程建筑、市政、园林绿化、抹灰工程、措施项目装饰工程(抹灰工程除外)安装工程建筑、市政、园林绿化、抹灰工程、措施项目普工建筑、市政、园林绿化、措施项目混凝土工建筑、市政、园林绿化、抹灰工程、措施项目技工装饰普工(抹灰工程除外)装饰技工(抹灰工程除外)装饰细木工安装技工、普工5 南充市顺庆区50.50 49.70 49.70 4.70 4.70 4.70 71 82 90 72 93 117 85仅适用于城市规划区内高坪、嘉陵区49.00 48.30 48.30 4.50 4.50 4.50 67 79 87 66 88 111 82仅适用于城市规划区内阆中市48.00 47.30 47.30 4.50 4.50 4.50 67 78 86 65 87 110 81仅适用于保宁镇南部县48.00 47.30 47.30 4.50 4.50 4.50 66 78 86 65 87 110 81仅适用于南隆镇西充县48.00 47.30 47.30 4.50 4.50 4.50 66 78 86 65 87 110 81仅适用于晋城镇仪陇县48.00 47.30 47.30 4.50 4.50 4.50 66 78 86 65 87 110 81仅适用于新政镇蓬安县48.00 47.30 47.30 4.50 4.50 4.50 66 78 86 65 87 110 81仅适用于周口镇营山县48.00 47.30 47.30 4.50 4.50 4.50 66 78 86 65 87 110 81仅适用于朗池镇其余乡镇45.00 44.30 44.30 4.00 4.00 4.00 61 74 83 61 85 100 78除上述区域外所有乡镇7 / 12序号地区本次调整后人工费调整幅度(%)本次调整后人工费调整幅度与上次人工费调整幅度差值(%)计日工人工单价(元/工日)备注建筑、市政、园林绿化、抹灰工程、措施项目装饰工程(抹灰工程除外)安装工程建筑、市政、园林绿化、抹灰工程、措施项目装饰工程(抹灰工程除外)安装工程建筑、市政、园林绿化、抹灰工程、措施项目普工建筑、市政、园林绿化、措施项目混凝土工建筑、市政、园林绿化、抹灰工程、措施项目技工装饰普工(抹灰工程除外)装饰技工(抹灰工程除外)装饰细木工安装技工、普工6 资阳市46.00 45.00 46.00 7.00 7.00 6.00 63 73 83 65 90 105 907 遂宁市市城区39.00 30.06 32.06 8.84 6.09 7.10 50 60 70 50 70 85 66 船山区29.21 22.20 24.96 8.17 6.54 5.68 43 57 67 43 67 78 62 安居区33.59 25.14 27.80 7.02 5.56 4.26 46 58 68 46 68 78 64 射洪县29.84 22.20 26.38 7.86 6.54 5.68 43 58 67 43 67 78 63 蓬溪县31.03 23.42 26.38 7.63 6.55 4.26 45 57 67 45 67 78 63 大英县31.98 23.42 27.80 6.12 6.95 7.10 45 59 67 45 67 78 648 / 12序号地区本次调整后人工费调整幅度(%)本次调整后人工费调整幅度与上次人工费调整幅度差值(%)计日工人工单价(元/工日)备注建筑、市政、园林绿化、抹灰工程、措施项目装饰工程(抹灰工程除外)安装工程建筑、市政、园林绿化、抹灰工程、措施项目装饰工程(抹灰工程除外)安装工程建筑、市政、园林绿化、抹灰工程、措施项目普工建筑、市政、园林绿化、措施项目混凝土工建筑、市政、园林绿化、抹灰工程、措施项目技工装饰普工(抹灰工程除外)装饰技工(抹灰工程除外)装饰细木工安装技工、普工8 达州市通川区54.6754.4952.008.358.858.00707390709711090达县54.6754.4952.008.358.858.00707390709711090达州市经开区54.6754.4952.008.358.858.00707390709711090大竹县50.5150.5048.008.358.858.00687088689510588宣汉县50.5150.5048.008.358.858.00687088689510588开江县47.2147.2344.008.358.858.00656885659310385万源市47.2147.2344.008.358.858.00656885659310385渠县47.2147.2344.008.358.858.006568856593103859 / 12序号地区本次调整后人工费调整幅度(%)本次调整后人工费调整幅度与上次人工费调整幅度差值(%)计日工人工单价(元/工日)备注建筑、市政、园林绿化、抹灰工程、措施项目装饰工程(抹灰工程除外)安装工程建筑、市政、园林绿化、抹灰工程、措施项目装饰工程(抹灰工程除外)安装工程建筑、市政、园林绿化、抹灰工程、措施项目普工建筑、市政、园林绿化、措施项目混凝土工建筑、市政、园林绿化、抹灰工程、措施项目技工装饰普工(抹灰工程除外)装饰技工(抹灰工程除外)装饰细木工安装技工、普工9 巴中市巴州区城区37.70 36.30 35.50 8.00 8.00 8.50 53 62 65 53 73 86 68仅适用于巴州城区内兴文区33.20 32.00 32.20 9.50 9.40 9.50 52 60 62 52 71 80 66仅适用于兴文城区内平昌县32.75 32.50 32.50 7.00 7.00 7.00 52 59 62 52 71 81 66仅适用于江口镇通江县32.70 32.00 31.30 7.00 7.00 7.00 52 59 62 52 71 80 66仅适用于诺江镇南江县33.20 32.30 32.50 6.50 7.00 7.00 52 60 63 52 71 80 66仅适用于南江镇其余乡镇29.20 28.60 28.70 5.50 6.00 6.00 50 58 61 50 69 78 64除上述区域外的所有乡镇10 内江市51.70 53.50 54.50 7.80 7.50 7.60 55 64 80 59 85 92 8011 泸州市53.7042.8444.00 2.75 2.18 2.006262736274867210 / 1211 / 12序号地区本次调整后人工费调整幅度(%)本次调整后人工费调整幅度与上次人工费调整幅度差值(%) 计日工人工单价(元/工日)备注建筑、市政、园林绿化、抹灰工程、措施项目装饰工程(抹灰工程除外)安装工程建筑、市政、园林绿化、抹灰工程、措施项目装饰工程(抹灰工程除外)安装工程建筑、市政、园林绿化、抹灰工程、措施项目普工建筑、市政、园林绿化、措施项目混凝土工建筑、市政、园林绿化、抹灰工程、措施项目技工装饰普工(抹灰工程除外)装饰技工(抹灰工程除外)装饰细木工安装技工、普工12自贡市 60.54 60.15 62.00 6.44 4.85 4.00 53 70 84 56 88 105 8113 宜宾市屏山县新发乡及其他迁建点 74.1466.9965.888.877.607.46627588629110083除屏山县新发乡及其他迁建点以外地区 64.32 59.76 57.52 8.76 8.05 7.80 59 70 82 59 87 98 7914广安广 安43.59 45.10 46.00 5.51 5.62 5.30 51 65 71 51 80 92 73武 胜 41.29 41.67 42.00 6.09 7.61 7.60 50 64 70 50 78 90 71岳 池 41.29 41.67 42.00 6.09 7.61 7.60 50 64 70 50 78 90 71华 蓥 48.00 46.09 44.00 4.19 5.14 5.40 53 67 73 53 80 92 72邻 水 48.00 46.09 44.00 4.19 5.14 5.40 53 67 73 53 80 92 7212 / 12序号地区本次调整后人工费调整幅度(%)本次调整后人工费调整幅度与上次人工费调整幅度差值(%) 计日工人工单价(元/工日)备注建筑、市政、园林绿化、抹灰工程、措施项目装饰工程(抹灰工程除外)安装工程建筑、市政、园林绿化、抹灰工程、措施项目装饰工程(抹灰工程除外)安装工程建筑、市政、园林绿化、抹灰工程、措施项目普工建筑、市政、园林绿化、措施项目混凝土工建筑、市政、园林绿化、抹灰工程、措施项目技工装饰普工(抹灰工程除外)装饰技工(抹灰工程除外)装饰细木工安装技工、普工15 眉山市 49.75 44.24 48.00 2.95 3.04 2.00 50 65 78 50 80 90 74 16 凉山州 46.71 44.68 46.00 6.87 6.41 6.00 58 63 69 58 77 88 73 17攀枝花市 50.0048.0048.007.00 8.00 6.00 52 63 77 52 81 99 7418 阿坝州汶川县理 县 茂 县 77.00 75.00 74.0010.0010.0010.00648087649610787金川县 马尔康县 小金县 松潘县 九寨沟县 黑水县 86.00 83.00 82.00 10.00 10.00 10.00 68 84 91 68 100 111 91阿坝县 若尔盖县 红原县 壤塘县102.00 99.00 98.00 10.00 10.00 10.00 75 91 99 75 108 119 99注:市政工程中的给水、燃气、给排水机械设备安装、路灯工程执行安装工程相应标准。
.................................. 关于对成都市等17个市、州2009年《四川省建设工程工程量清单计价定额》人工费调整的批复发表时间:2010-12-14 16:30:37 阅读:2603次川建价发〔2010〕42号有关市、州工程造价管理机构:你们关于2009年《四川省建设工程工程量清单计价定额》人工费调整的请示收悉。
根据2009年《四川省建设工程工程量清单计价定额》(川建造价发[2008]453号)及《关于印发2009年<四川省建设工程工程量清单计价定额>人工费调整系数公式的通知》(川建价发[2009]11号)的要求,现批准成都市等17个市、州2009年《四川省建设工程工程量清单计价定额》人工费调整幅度及计日工人工单价(见附件)。
此次批准的人工费调整幅度和计日工人工单价从2011年1月1日起与2009年《四川省建设工程工程量清单计价定额》配套执行。
人工费调整的计算基础是定额人工费,调整的人工费不作为计取其他费用的基础(税金除外)。
附件:成都市等17个市、州2009年《四川省建设工程工程量清单计价定额》人工费调整幅度及计日工人工单价.................................. 二Ο一Ο年十二月十四日成都市等17个市、州2009年《四川省建设工程工程量清单计价定额》人工费调整幅度及计日工人工单价..........................................................................................................................................................................注:市政工程中的给水、燃气、给排水机械设备安装、路灯工程执行安装工程相应标准。
.................。
附件:成都市等18个市、州2009年《四川省建设工程工程量清单计价定额》人工费调整幅度及计日工人工单价序号地区本次调整后人工费调整幅度(%)本次调整后人工费调整幅度与上次人工费调整幅度差值(%)计日工人工单价(元/工日)备注建筑、市政、园林绿化、抹灰工程、措施项目装饰工程(抹灰工程除外)安装工程建筑、市政、园林绿化、抹灰工程、措施项目装饰工程(抹灰工程除外)安装工程建筑、市政、园林绿化、抹灰工程、措施项目普工建筑、市政、园林绿化、措施项目混凝土工建筑、市政、园林绿化、抹灰工程、措施项目技工装饰普工(抹灰工程除外)装饰技工(抹灰工程除外)装饰细木工安装技工、普工1 成都市成都市区(青羊、锦江、金牛、武侯、成华及高新区)77.00 84.00 86.00 8.00 9.00 10.00 63 81 87 69 100 115 93近郊区(龙泉、新都、双流、郫县、温江)72.00 79.00 81.00 7.00 8.00 9.00 59 76 82 65 94 108 87成都市的其他区(市)、县69.00 76.00 77.00 7.00 8.00 9.00 57 73 78 62 90 104 84序号地区本次调整后人工费调整幅度(%)本次调整后人工费调整幅度与上次人工费调整幅度差值(%)计日工人工单价(元/工日)备注建筑、市政、园林绿化、抹灰工程、措施项目装饰工程(抹灰工程除外)安装工程建筑、市政、园林绿化、抹灰工程、措施项目装饰工程(抹灰工程除外)安装工程建筑、市政、园林绿化、抹灰工程、措施项目普工建筑、市政、园林绿化、措施项目混凝土工建筑、市政、园林绿化、抹灰工程、措施项目技工装饰普工(抹灰工程除外)装饰技工(抹灰工程除外)装饰细木工安装技工、普工2 德阳市德阳市54.40 47.47 44.00 16.37 17.10 8.00 56 80 88 56 92 96 80不含广汉市旌阳区52.86 46.00 42.56 14.83 15.63 6.56 55 79 87 55 91 95 79绵竹市50.54 43.79 40.40 12.51 13.42 4.40 55 78 86 55 90 94 78什邡市50.54 43.79 40.40 12.51 13.42 4.40 55 78 86 55 90 94 78中江县46.68 40.10 36.80 8.65 9.73 0.80 53 76 84 53 87 91 76罗江县45.91 39.36 36.08 7.88 8.99 0.08 53 76 83 53 87 91 763 广汉41.80 35.20 36.00 12.23 11.60 10.00 50 65 70 53 73 78 68序号地区本次调整后人工费调整幅度(%)本次调整后人工费调整幅度与上次人工费调整幅度差值(%)计日工人工单价(元/工日)备注建筑、市政、园林绿化、抹灰工程、措施项目装饰工程(抹灰工程除外)安装工程建筑、市政、园林绿化、抹灰工程、措施项目装饰工程(抹灰工程除外)安装工程建筑、市政、园林绿化、抹灰工程、措施项目普工建筑、市政、园林绿化、措施项目混凝土工建筑、市政、园林绿化、抹灰工程、措施项目技工装饰普工(抹灰工程除外)装饰技工(抹灰工程除外)装饰细木工安装技工、普工4 绵阳市市区42.00 30.47 36.00 5.47 5.27 4.00 45 64 75 45 73 77 68 绵阳市江油38.71 28.47 34.00 4.61 4.88 2.00 44 63 73 44 72 76 67三台35.41 24.74 34.00 3.63 3.42 6.00 43 62 71 43 70 72 64盐亭32.80 20.60 32.00 4.45 3.54 6.00 43 59 69 43 67 70 66安县34.86 24.70 30.00 2.76 5.64 2.00 43 63 70 43 70 72 65梓潼32.25 25.16 30.00 3.90 9.38 2.00 43 60.5 68.5 43 66.5 70.5 65平武33.69 20.69 29.00 3.47 1.34 1.00 43 61.5 69.5 43 67 70.5 64.55 资阳市33.00 32.00 34.00 10.00 15.00 15.00 55 65 75 55 80 100 80序号地区本次调整后人工费调整幅度(%)本次调整后人工费调整幅度与上次人工费调整幅度差值(%)计日工人工单价(元/工日)备注建筑、市政、园林绿化、抹灰工程、措施项目装饰工程(抹灰工程除外)安装工程建筑、市政、园林绿化、抹灰工程、措施项目装饰工程(抹灰工程除外)安装工程建筑、市政、园林绿化、抹灰工程、措施项目普工建筑、市政、园林绿化、措施项目混凝土工建筑、市政、园林绿化、抹灰工程、措施项目技工装饰普工(抹灰工程除外)装饰技工(抹灰工程除外)装饰细木工安装技工、普工6 遂宁市市城区25.25 19.49 22.12 2.63 2.62 1.42 40 57 65 43 65 78 61 船山区16.85 11.18 16.44 1.72 0.64 1.42 37 51 62 37 62 75 58 安居区21.35 15.11 19.28 4.27 3.26 2.84 39 54 64 39 64 75 60 射洪县17.79 12.09 17.15 3.34 2.85 3.55 37 53 62 37 62 75 59 蓬溪县19.11 14.30 17.86 4.59 4.47 4.26 38 53 63 38 64 75 59 大英县20.75 14.71 18.57 6.30 5.47 4.97 38 54 64 38 64 75 597 南充市顺庆区38.00 37.00 37.00 9.40 9.00 9.00 59 68 76 59 80 100 73仅适用于城市规划区内高坪、嘉陵区37.00 36.00 36.00 10.00 9.50 9.50 53 66 73 53 76 95 70仅适用于城市规划区内序号地区本次调整后人工费调整幅度(%)本次调整后人工费调整幅度与上次人工费调整幅度差值(%)计日工人工单价(元/工日)备注建筑、市政、园林绿化、抹灰工程、措施项目装饰工程(抹灰工程除外)安装工程建筑、市政、园林绿化、抹灰工程、措施项目装饰工程(抹灰工程除外)安装工程建筑、市政、园林绿化、抹灰工程、措施项目普工建筑、市政、园林绿化、措施项目混凝土工建筑、市政、园林绿化、抹灰工程、措施项目技工装饰普工(抹灰工程除外)装饰技工(抹灰工程除外)装饰细木工安装技工、普工南充市阆中市36.00 35.00 35.00 9.50 9.50 9.00 53 66 73 53 76 90 70仅适用于保宁镇南部县36.00 35.00 35.00 9.50 9.50 9.00 53 66 73 53 76 90 70仅适用于南隆镇西充县36.00 35.00 35.00 9.50 9.50 9.00 53 66 73 53 76 90 70仅适用于晋城镇仪陇县36.00 35.00 35.00 9.50 9.50 9.00 53 66 73 53 76 90 70仅适用于新政镇蓬安县36.00 35.00 35.00 9.50 9.50 9.00 53 66 73 53 76 90 70仅适用于周口镇营山县36.00 35.00 35.00 9.00 9.50 9.00 53 66 73 53 76 90 70仅适用于朗池镇其余乡镇34.00 33.00 33.00 9.00 9.00 9.00 50 62 70 50 73 86 66除上述区域外所有乡镇序号地区本次调整后人工费调整幅度(%)本次调整后人工费调整幅度与上次人工费调整幅度差值(%)计日工人工单价(元/工日)备注建筑、市政、园林绿化、抹灰工程、措施项目装饰工程(抹灰工程除外)安装工程建筑、市政、园林绿化、抹灰工程、措施项目装饰工程(抹灰工程除外)安装工程建筑、市政、园林绿化、抹灰工程、措施项目普工建筑、市政、园林绿化、措施项目混凝土工建筑、市政、园林绿化、抹灰工程、措施项目技工装饰普工(抹灰工程除外)装饰技工(抹灰工程除外)装饰细木工安装技工、普工8 广安市广安31.87 32.40 34.20 9.97 12.00 12.20 47 59 65 47 73 85 67 武胜28.80 28.40 27.76 11.70 11.40 11.60 46 57 64 46 70 80 64 岳池28.80 28.40 27.76 11.70 11.40 11.60 46 57 64 46 70 80 64 华蓥36.40 33.40 32.00 12.40 12.06 12.00 50 61 67 50 73 83 66 邻水36.40 33.40 32.00 12.40 12.06 12.00 50 61 67 50 73 83 669 达州市通川区(达县)46.3245.6444.00 6.917.43 6.0053657253808872大竹县42.1641.6540.00 6.05 6.85 6.0051647051788670宣汉县42.1641.6540.00 6.05 6.85 6.0051647051788670开江县38.8638.3836.00 6.05 6.85 6.0050636850768568万源市38.8638.3836.00 6.05 6.85 6.0050636850768568渠县38.8638.3836.00 6.05 6.85 6.0050636850768568序号地区本次调整后人工费调整幅度(%)本次调整后人工费调整幅度与上次人工费调整幅度差值(%)计日工人工单价(元/工日)备注建筑、市政、园林绿化、抹灰工程、措施项目装饰工程(抹灰工程除外)安装工程建筑、市政、园林绿化、抹灰工程、措施项目装饰工程(抹灰工程除外)安装工程建筑、市政、园林绿化、抹灰工程、措施项目普工建筑、市政、园林绿化、措施项目混凝土工建筑、市政、园林绿化、抹灰工程、措施项目技工装饰普工(抹灰工程除外)装饰技工(抹灰工程除外)装饰细木工安装技工、普工10 巴中市巴州区20.70 20.00 18.50 4.00 4.70 5.50 47 55 57 48 65 76 59仅适用于城市规划区内平昌县17.75 16.70 17.00 5.00 4.20 4.50 46 54 56 46 64 71 59仅适用于江口镇通江县17.20 16.50 16.30 4.50 4.50 5.30 46 53 55 47 63 70 58仅适用于诺江镇南江县18.00 16.50 17.00 4.30 4.20 4.50 46 53 56 46 63 73 59仅适用于南江镇其余乡镇14.40 13.60 14.00 6.70 5.60 4.80 43 52 55 43 61 69 56除上述区域外的所有乡镇11 内江市39.10 41.50 42.30 9.80 9.50 9.60 50 57 71 53 77 86 72序号地区本次调整后人工费调整幅度(%)本次调整后人工费调整幅度与上次人工费调整幅度差值(%)计日工人工单价(元/工日)备注建筑、市政、园林绿化、抹灰工程、措施项目装饰工程(抹灰工程除外)安装工程建筑、市政、园林绿化、抹灰工程、措施项目装饰工程(抹灰工程除外)安装工程建筑、市政、园林绿化、抹灰工程、措施项目普工建筑、市政、园林绿化、措施项目混凝土工建筑、市政、园林绿化、抹灰工程、措施项目技工装饰普工(抹灰工程除外)装饰技工(抹灰工程除外)装饰细木工安装技工、普工12 自贡市47.74 52.30 51.00 10.01 8.40 9.16 52 60 76 55 83 99 75.513 宜宾市屏山县新发乡50.65 47.73 46.00 15.42 18.47 14.00 53 68 75 53 82 85 73 除屏山县新发乡以外地区45.90 44.61 42.00 10.67 15.35 10.00 52 66 72 52 80 85 7114 泸州市45.3532.3936.00 2.757.238.525267715271806815 雅安市37.10 34.61 30.00 6.80 6.87 6.00 48 63 68 52 73 78 65 含七县一区16 凉山州31.37 30.10 32.00 6.61 6.37 6.98 48 59 64 48 71 80 6617 攀枝花市34.62 31.99 36.00 7.16 7.73 8.00 47 57 69 48 72 84 68序号地区本次调整后人工费调整幅度(%)本次调整后人工费调整幅度与上次人工费调整幅度差值(%)计日工人工单价(元/工日)备注建筑、市政、园林绿化、抹灰工程、措施项目装饰工程(抹灰工程除外)安装工程建筑、市政、园林绿化、抹灰工程、措施项目装饰工程(抹灰工程除外)安装工程建筑、市政、园林绿化、抹灰工程、措施项目普工建筑、市政、园林绿化、措施项目混凝土工建筑、市政、园林绿化、抹灰工程、措施项目技工装饰普工(抹灰工程除外)装饰技工(抹灰工程除外)装饰细木工安装技工、普工18阿坝州汶川县理县茂县57.00 55.00 54.00 13.00 12.00 12.00 56 70 78 56 85 96 77金川县马尔康县小金县松潘县九寨沟县黑水县66.00 63.00 62.00 13.00 12.00 12.00 60 75 82 60 89 100 81阿坝县若尔盖县红原县壤塘县83.00 79.00 78.00 13.00 12.00 12.00 67 82 89 67 97 108 89 注:市政工程中的给水、燃气、给排水机械设备安装、路灯工程执行安装工程相应标准。
四川省建设工程造价管理总站
川建价发〔2011〕21号
关于成都市等18个市、州2009年《四川省建设工程工程量清单计价定额》人工
费调整的批复
各有关市、州工程造价管理机构:
你们关于2009年《四川省建设工程工程量清单计价定额》人工费调整的请
示收悉。
根据2009年《四川省建设工程工程量清单计价定额》(川建造价发[2008]453号)及《关于明确计日工人工单价计算方法的通知》(川建价发〔2011〕
17号)和《关于印发2009年<四川省建设工程工程量清单计价定额>人工费调整
系数公式的通知》(川建价发[2009]11号)的要求,现批准成都市等18个市、
州2009年《四川省建设工程工程量清单计价定额》人工费调整幅度及计日工人
工单价(见附件)。
此次批准的人工费调整幅度和计日工人工单价从2011年7月1日起与2009
年《四川省建设工程工程量清单计价定额》配套执行。
人工费调整的计算基础是
定额人工费,调整的人工费不作为计取其他费用的基础(税金除外)。
附件:成都市等18个市、州2009年《四川省建设工程工程量清单计价定额》人
工费调整幅度及计日工人工单价
二Ο一一年六月二十四日
主题词:工程造价计价定额管理批复
抄送:各市、州工程造价管理站(处、办)
四川省建设工程造价管理总站办公室2011年6月24日印
附件:
成都市等18个市、州2009年《四川省建设工程工程量清单计价定额》人工费调整幅度及计日工人工单价。
附件:成都市等18个市、州2009年《四川省建设工程工程量清单计价定额》人工费调整幅度及计日工人工单价序号地区本次调整后人工费调整幅度(%本次调整后人工费调整幅度与上次人工费调整幅度差值(%计日工人工单价(元/工日备注建筑、市政、园林绿化、抹灰工程、措施项目装饰工程(抹灰工程除外安装工程建筑、市政、园林绿化、抹灰工程、措施项目装饰工程(抹灰工程除外安装工程建筑、市政、园林绿化、抹灰工程、措施项目普工建筑、市政、园林绿化、措施项目混凝土工建筑、市政、园林绿化、抹灰工程、措施项目技工装饰普工(抹灰工程除外装饰技工(抹灰工程除外装饰细木工安装技工、普工1 成都市成都市区(青羊、锦江、金牛、武侯、成华及高新区77.00 84.00 86.00 8.00 9.00 10.00 63 81 87 69 100 115 93 近郊区(龙泉、新都、双流、郫县、温江72.00 79.00 81.00 7.00 8.00 9.00 59 76 82 65 94 108 87 成都市的其他区(市、县69.00 76.00 77.00 7.00 8.00 9.00 57 73 78 62 90 104 84 序号地区本次调整后人工费调整幅度(%本次调整后人工费调整幅度与上次人工费调整幅度差值(%计日工人工单价(元/工日备注建筑、市政、园林绿化、抹灰工程、措施项目装饰工程(抹灰工程除外安装工程建筑、市政、园林绿化、抹灰工程、措施项目装饰工程(抹灰工程除外安装工程建筑、市政、园林绿化、抹灰工程、措施项目普工建筑、市政、园林绿化、措施项目混凝土工建筑、市政、园林绿化、抹灰工程、措施项目技工装饰普工(抹灰工程除外装饰技工(抹灰工程除外装饰细木工安装技工、普工2 德阳市德阳市54.40 47.47 44.00 16.37 17.10 8.00 56 80 88 56 92 96 80不含广汉市旌阳区52.86 46.00 42.56 14.83 15.63 6.56 55 79 87 55 91 95 79 绵竹市50.54 43.79 40.40 12.51 13.42 4.40 55 78 86 55 90 94 78什邡市50.54 43.79 40.40 12.51 13.42 4.40 55 78 86 55 90 94 78中江县46.68 40.10 36.80 8.65 9.73 0.80 53 76 84 53 87 91 76罗江县45.91 39.36 36.08 7.88 8.99 0.08 53 76 83 53 87 91 763 广汉41.80 35.20 36.00 12.23 11.60 10.00 50 65 70 53 73 78 68序号地区本次调整后人工费调整幅度(%本次调整后人工费调整幅度与上次人工费调整幅度差值(%计日工人工单价(元/工日备注建筑、市政、园林绿化、抹灰工程、措施项目装饰工程(抹灰工程除外安装工程建筑、市政、园林绿化、抹灰工程、措施项目装饰工程(抹灰工程除外安装工程建筑、市政、园林绿化、抹灰工程、措施项目普工建筑、市政、园林绿化、措施项目混凝土工建筑、市政、园林绿化、抹灰工程、措施项目技工装饰普工(抹灰工程除外装饰技工(抹灰工程除外装饰细木工安装技工、普工4 绵阳市市区42.00 30.47 36.00 5.47 5.27 4.00 45 64 75 45 73 77 68 绵阳市江油38.71 28.47 34.00 4.61 4.88 2.00 44 63 73 44 72 76 67三台35.41 24.74 34.00 3.63 3.42 6.00 43 62 71 43 70 72 64盐亭32.80 20.60 32.00 4.45 3.54 6.00 43 59 69 43 67 70 66安县34.86 24.70 30.00 2.76 5.64 2.00 43 63 70 43 70 72 65梓潼32.25 25.16 30.00 3.90 9.38 2.00 43 60.5 68.5 43 66.5 70.5 65平武33.69 20.69 29.00 3.47 1.34 1.00 43 61.5 69.5 43 67 70.5 64.55 资阳市33.00 32.00 34.00 10.00 15.00 15.00 55 65 75 55 80 100 80序号地区本次调整后人工费调整幅度(%本次调整后人工费调整幅度与上次人工费调整幅度差值(%计日工人工单价(元/工日备注建筑、市政、园林绿化、抹灰工程、措施项目装饰工程(抹灰工程除外安装工程建筑、市政、园林绿化、抹灰工程、措施项目装饰工程(抹灰工程除外安装工程建筑、市政、园林绿化、抹灰工程、措施项目普工建筑、市政、园林绿化、措施项目混凝土工建筑、市政、园林绿化、抹灰工程、措施项目技工装饰普工(抹灰工程除外装饰技工(抹灰工程除外装饰细木工安装技工、普工6 遂宁市市城区25.25 19.49 22.12 2.63 2.62 1.42 40 57 65 43 65 78 61 船山区16.85 11.18 16.44 1.72 0.64 1.42 37 51 62 37 62 75 58 安居区21.35 15.11 19.28 4.27 3.26 2.84 39 54 64 39 64 75 60 射洪县17.79 12.09 17.15 3.34 2.85 3.55 37 53 62 37 62 75 59 蓬溪县19.11 14.30 17.86 4.59 4.47 4.26 38 53 63 38 64 75 59 大英县20.75 14.71 18.57 6.30 5.47 4.97 38 54 64 38 64 75 597 南充市顺庆区38.00 37.00 37.00 9.40 9.00 9.00 59 68 76 59 80 100 73仅适用于城市规划区内高坪、嘉陵区37.00 36.00 36.00 10.00 9.50 9.50 53 66 73 53 76 95 70仅适用于城市规划区内序号地区本次调整后人工费调整幅度(%本次调整后人工费调整幅度与上次人工费调整幅度差值(%计日工人工单价(元/工日备注建筑、市政、园林绿化、抹灰工程、措施项目装饰工程(抹灰工程除外安装工程建筑、市政、园林绿化、抹灰工程、措施项目装饰工程(抹灰工程除外安装工程建筑、市政、园林绿化、抹灰工程、措施项目普工建筑、市政、园林绿化、措施项目混凝土工建筑、市政、园林绿化、抹灰工程、措施项目技工装饰普工(抹灰工程除外装饰技工(抹灰工程除外装饰细木工安装技工、普工南充市阆中市36.00 35.00 35.00 9.50 9.50 9.00 53 66 73 53 76 90 70仅适用于保宁镇南部县36.00 35.00 35.00 9.50 9.50 9.00 53 66 73 53 76 90 70 仅适用于南隆镇西充县36.00 35.00 35.00 9.50 9.50 9.00 53 66 73 53 76 90 70仅适用于晋城镇仪陇县36.00 35.00 35.00 9.50 9.50 9.00 53 66 73 53 76 90 70仅适用于新政镇蓬安县36.00 35.00 35.00 9.50 9.50 9.00 53 66 73 53 76 90 70仅适用于周口镇营山县36.00 35.00 35.00 9.00 9.50 9.00 53 66 73 53 76 90 70仅适用于朗池镇其余乡镇34.00 33.00 33.00 9.00 9.00 9.00 50 62 70 50 73 86 66除上述区域外所有乡镇本次调整后人工费调整幅度(%)序号建筑、市地区政、园林绿装饰工程化、抹灰工(抹灰工安装工程程、措施项程除外)目本次调整后人工费调整幅度与上次人工费调整幅度差值(%)建筑、市政、园林绿化、抹灰工程、措施项目建筑、市计日工人工单价(元/工日)建筑、市建筑、市政、政、园林绿政、园林绿装饰普工装饰技工园林绿化、措化、抹灰工(抹灰工(抹灰工化、抹灰工施项目混凝程、措施项程除外)程除外)程、措施项土工目普工目技工装饰工程(抹灰工程除外)安装工程装饰细木工安装技工、普工备注安 8 8 8 8 8 8 8 8 8 8 广安 8 市 8 8 区() 8 8 8 8 8 8 8 8 88 8 8 8 8 8 8 8 8 市市 8 8 8 8 8 8 8 8 8 8 8 8 8 8 8本次调整后人工费调整幅度(%)序号建筑、市地区政、园林绿装饰工程化、抹灰工(抹灰工安装工程程、措施项程除外)目本次调整后人工费调整幅度与上次人工费调整幅度差值(%)建筑、市政、园林绿化、抹灰工程、措施项目建筑、市计日工人工单价(元/工日)建筑、市建筑、市政、政、园林绿政、园林绿装饰普工装饰技工园林绿化、措化、抹灰工(抹灰工(抹灰工化、抹灰工施项目混凝程、措施项程除外)程除外)程、措施项土工目普工目技工装饰工程(抹灰工程除外)安装工程装饰细木工安装技工、普工备注区 0 0 0 00 1 0 00 0 0 市区 1 1 0 1 00 00 0 0 1 巴中 10 市 1 0 1 0 1 0 0 0 0 0 1 00 1 0 1 00 0 0 0 除上区外 1 0 1 0 1 00 0 0 0 1 11 市 10 1 0 0 0 0 0 0 1本次调整后人工费调整幅度(%)序号建筑、市地区政、园林绿装饰工程化、抹灰工(抹灰工安装工程程、措施项程除外)目 12 本次调整后人工费调整幅度与上次人工费调整幅度差值(%)建筑、市政、园林绿化、抹灰工程、措施项目建筑、市计日工人工单价(元/工日)建筑、市建筑、市政、政、园林绿政、园林绿装饰普工装饰技工园林绿化、措化、抹灰工(抹灰工(抹灰工化、抹灰工施项目混凝程、措施项程除外)程除外)程、措施项土工目普工目技工装饰工程(抹灰工程除外)安装工程装饰细木工安装技工、普工备注自贡市 47.74 52.30 51.00 10.01 8.40 9.16 52 60 76 55 83 99 75.5 宜宾 13 50.65 47.73 46.00 15.42 18.47 14.00 53 68 75 53 82 85 73 市除 45.90 外地区 44.61 42.00 10.67 15.35 10.00 52 66 72 52 80 85 71 14 市 45.35 32.39 36.00 2.75 7.23 8.52 52 67 71 52 71 80 68 15 安市 37 10 34.61 30.00 6.80 6.87 6.00 48 63 68 52 73 78 65 区 16 31.37 30.10 32.00 6.61 6.37 6.98 48 59 64 48 71 80 66 17 市 34.62 31.99 36.00 7.16 7.73 8.00 47 57 69 48 72 84 68本次调整后人工费调整幅度(%)序号建筑、市地区政、园林绿装饰工程化、抹灰工(抹灰工安装工程程、措施项程除外)目本次调整后人工费调整幅度与上次人工费调整幅度差值(%)建筑、市政、园林绿化、抹灰工程、措施项目建筑、市计日工人工单价(元/工日)建筑、市建筑、市政、政、园林绿政、园林绿装饰普工装饰技工园林绿化、措化、抹灰工(抹灰工(抹灰工化、抹灰工施项目混凝程、措施项程除外)程除外)程、措施项土工目普工目技工装饰工程(抹灰工程除外)安装工程装饰细木工安装技工、普工备注1 1 1 8 8 阿坝 18 州 1 1 1 8 8 1 81 8 8 1 1 1 8 8 1 8 8 注市政工程、、备安装、工程安装工程。
成都市等17个市、州2009年《四川省建设工程工程量清单计价定额》人工费调整幅度及计日工人工单价本次调整后人工费调整幅度本次调整后人工费调整幅度与上次人工费调整幅度差值建筑、市建筑、市政、园林绿化、措施项目混凝土工计日工人工单价(元/工日)建筑、市政、园林装饰普装饰技绿化、抹工(抹灰工(抹灰装饰细木安装技灰工程、工程除工程除措施项目技工外)外)工工、普工序号地区建筑、市政、园林绿化、抹灰工程、措施项目装饰工程安装工程除外)建筑、市政、园林绿化、抹灰工程、措施项目装饰工程安装工程除外)政、园林绿化、抹灰工程、措施项目普工备注(抹灰工程(抹灰工程广安 21.90% 20.40% 22.00% 2.90% 2.04% 4.00% 43 54 61 43 66 77 61 武广 11 安市岳胜 17.10% 17.00% 16.00% 2.00% 2.00% 2.00% 42 52 58 42 64 73 58 池 17.10% 17.00% 16.00% 2.00% 2.00% 2.00% 42 52 58 42 64 73 58 华蓥 24.00% 21.34% 20.00% 3.00% 2.34% 2.00% 45 55 61 45 66 75 60 邻水 23.00% 20.00% 20.00% 3.60% 2.73% 2.00% 45 54 60 45 65 74 60 自贡市区、荣县、富顺 12 自贡市 37.72% 43.89% 41.84% 11.86% 22.3% 19.53% 50 62 70 52 74 93 71 13 内江市 29.3% 32.0% 32.7% 14.5% 14.5% 14.5% 48 63 67 54 73 84 71本次调整后人工费调整幅度本次调整后人工费调整幅度与上次人工费调整幅度差值建筑、市建筑、市政、园林绿化、措施项目混凝土工计日工人工单价(元/工日)建筑、市政、园林装饰普装饰技绿化、抹工(抹灰工(抹灰装饰细木安装技灰工程、工程除工程除措施项目技工仅适用于城市外)外)工工、普工序号地区建筑、市政、园林绿化、抹灰工程、措施项目装饰工程安装工程除外)建筑、市政、园林绿化、抹灰工程、措施项目装饰工程安装工程除外)政、园林绿化、抹灰工程、措施项目普工备注(抹灰工程(抹灰工程巴州区 16.70% 15.30% 13.00% 3.70% 4.30% 5.00% 45 53 55 46 62 73 56 规划区内仅适用于江口平昌县 12.75% 12.50% 12.50% 4.75% 4.50% 4.50% 44 51 53 44 61 68 56 镇仅适用于诺江 14 巴中市通江县 12.70% 12.00% 11.00% 4.70% 6.00% 6.00% 44 51 53 45 60 67 55 镇仅适用于南江南江县 13.70% 12.30% 12.50% 3.70% 5.30%4.50% 44 51 54 44 60 70 56 镇除上述区域外其余乡镇 7.70% 8.00% 9.20%5.70%6.00% 6.20% 40 49 52 41 58 66 54 的所有乡镇本次调整后人工费调整幅度本次调整后人工费调整幅度与上次人工费调整幅度差值建筑、市建筑、市政、园林绿化、措施项目混凝土工计日工人工单价(元/工日)建筑、市政、园林装饰普装饰技绿化、抹工(抹灰工(抹灰装饰细木安装技灰工程、工程除工程除措施项目技工外)外)工工、普工序号地区建筑、市政、园林绿化、抹灰工程、措施项目装饰工程安装工程除外)建筑、市政、园林绿化、抹灰工程、措施项目装饰工程安装工程除外)政、园林绿化、抹灰工程、措施项目普工备注(抹灰工程(抹灰工程 15 泸州市42.87% 24.55% 28.0% 15.73% 7.14% 8% 53 64 69 53 65 75 64 16 凉山州 24.76% 23.73% 25.02% 6.22% 6.68% 7.20% 47 61 59 47 69 76 64 乐 17 山乐山市 30.7% 29.5% 29.2% 5% 5% 5% 58 65 80 58 87 94 74.5 海拔 2000 米以市上 53.5% 52.1% 51.7% 2.3% 2.6% 1.1% 80 90 108 80 115 122 101 注:市政工程中的给水、燃气、给排水机械设备安装、路灯工程执行安装工程相应标准。
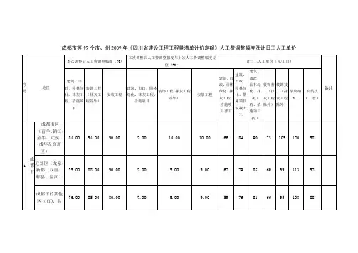
成都市等19个市、州2009年《四川省建设工程工程量清单计价定额》人工费调整幅度及计日工人工单价2012年1月1日开始执行序号地区本次调整后人工费调整幅度(%本次调整后人工费调整幅度与上次人工费调整幅度差值(%计日工人工单价(元/工日备注建筑、市政、园林绿化、抹灰工程、措施项目装饰工程(抹灰工程除外安装工程建筑、市政、园林绿化、抹灰工程、措施项目装饰工程(抹灰工程除外安装工程建筑、市政、园林绿化、抹灰工程、措施项目普工建筑、市政、园林绿化、措施项目混凝土工建筑、市政、园林绿化、抹灰工程、措施项目技工装饰普工(抹灰工程除外装饰技工(抹灰工程除外装饰细木工安装技工、普工1 成都市成都市区(青羊、锦江、金牛、武侯、成华及高新区84.00 94.00 96.00 7.00 10.00 10.00 66 84 90 73105 120 98 近郊区(龙泉、新都、双流、郫县、温江79.00 88.00 90.00 7.00 9.00 9.00 62 79 85 6999 113 92成都市的其他区(市、县76.00 85.00 86.00 7.00 9.00 9.00 59 76 81 6695 108 88序号地区本次调整后人工费调整幅度(%本次调整后人工费调整幅度与上次人工费调整幅度差值(%计日工人工单价(元/工日备注建筑、市政、园林绿化、抹灰工程、措施项目装饰工程(抹灰工程除外安装工程建筑、市政、园林绿化、抹灰工程、措施项目装饰工程(抹灰工程除外安装工程建筑、市政、园林绿化、抹灰工程、措施项目普工建筑、市政、园林绿化、措施项目混凝土工建筑、市政、园林绿化、抹灰工程、措施项目技工装饰普工(抹灰工程除外装饰技工(抹灰工程除外装饰细木工安装技工、普工2 德阳市德阳市63.86 52.70 51.36 9.46 5.23 7.36 58 80 88 58 92 98 80不含广汉市旌阳区62.23 51.17 49.85 9.37 5.17 7.29 57 79 87 57 91 97 79 绵竹市59.77 48.88 47.58 9.23 5.10 7.18 57 78 86 57 90 96 78 什邡市59.77 48.88 47.58 9.23 5.10 7.18 57 78 86 57 90 96 78 中江县55.67 45.07 43.79 8.99 4.96 6.99 55 76 84 55 87 93 76 罗江县54.85 44.30 43.04 8.94 4.94 6.96 55 76 83 55 87 93 763 广汉45.00 38.40 40.00 3.20 3.20 4.00 51 66 72 54 75 78 70序号地区本次调整后人工费调整幅度(%本次调整后人工费调整幅度与上次人工费调整幅度差值(%计日工人工单价(元/工日备注建筑、市政、园林绿化、抹灰工程、措施项目装饰工程(抹灰工程除外安装工程建筑、市政、园林绿化、抹灰工程、措施项目装饰工程(抹灰工程除外安装工程建筑、市政、园林绿化、抹灰工程、措施项目普工建筑、市政、园林绿化、措施项目混凝土工建筑、市政、园林绿化、抹灰工程、措施项目技工装饰普工(抹灰工程除外装饰技工(抹灰工程除外装饰细木工安装技工、普工4 绵阳市市区49.37 42.50 46.00 7.37 10.00 10.00 51 69 75 51 80 75 73 绵阳市江油47.47 40.28 46.00 8.76 11.81 12.00 48 66 77 48 79 80 73 三台45.10 36.55 42.00 9.66 11.81 8.00 47 67 75 47 77 76 71盐亭46.00 29.31 40.00 7.63 8.71 8.00 46 63 73 46 72 74 70安县43.62 32.73 40.00 8.76 8.03 10.00 47 66 74 47 74 76 70梓潼41.20 31.85 38.00 8.96 6.69 8.00 46 67 72 46 74 74 69平武42.17 28.60 36.00 8.48 7.91 7.00 47 65 73 47 71 74 68北川48.10 39.50 48.00 2.21 -7.42 1.00 49 70 75 49 78 80 74序号地区本次调整后人工费调整幅度(%本次调整后人工费调整幅度与上次人工费调整幅度差值(%计日工人工单价(元/工日备注建筑、市政、园林绿化、抹灰工程、措施项目装饰工程(抹灰工程除外安装工程建筑、市政、园林绿化、抹灰工程、措施项目装饰工程(抹灰工程除外安装工程建筑、市政、园林绿化、抹灰工程、措施项目普工建筑、市政、园林绿化、措施项目混凝土工建筑、市政、园林绿化、抹灰工程、措施项目技工装饰普工(抹灰工程除外装饰技工(抹灰工程除外装饰细木工安装技工、普工5 南充市顺庆区45.80 45.00 45.00 7.80 8.00 8.00 65 75 83 65 88 110 80仅适用于城市规划区内高坪、嘉陵区44.50 43.80 43.80 7.50 7.80 7.80 58 72 80 58 83 104 77仅适用于城市规划区内阆中市43.50 42.80 42.80 7.50 7.80 7.80 58 72 80 58 83 104 77 仅适用于保宁镇南部县43.50 42.80 42.80 7.50 7.80 7.80 58 72 80 58 83 104 77 仅适用于南隆镇西充县43.50 42.80 42.80 7.50 7.80 7.80 58 72 80 58 83 104 77 仅适用于晋城镇仪陇县43.50 42.80 42.80 7.50 7.80 7.80 58 72 80 58 83 104 77 仅适用于新政镇蓬安县43.50 42.80 42.80 7.50 7.80 7.80 58 72 80 58 83 104 77 仅适用于周口镇营山县43.50 42.80 42.80 7.50 7.80 7.80 58 72 80 58 83 104 77 仅适用于朗池镇其余乡镇41.00 40.30 40.30 7.00 7.30 7.30 55 68 77 55 80 94 72除上述区域外所有乡镇序号地区本次调整后人工费调整幅度(%本次调整后人工费调整幅度与上次人工费调整幅度差值(%计日工人工单价(元/工日备注建筑、市政、园林绿化、抹灰工程、措施项目装饰工程(抹灰工程除外安装工程建筑、市政、园林绿化、抹灰工程、措施项目装饰工程(抹灰工程除外安装工程建筑、市政、园林绿化、抹灰工程、措施项目普工建筑、市政、园林绿化、措施项目混凝土工建筑、市政、园林绿化、抹灰工程、措施项目技工装饰普工(抹灰工程除外装饰技工(抹灰工程除外装饰细木工安装技工、普工6 资阳市39.00 38.00 40.00 6.00 6.00 6.00 60 70 80 65 90 100 907 遂宁市市城区30.16 23.97 24.96 4.91 4.48 2.84 43 59 68 45 68 82 63 船山区21.04 15.66 19.28 4.19 4.48 2.84 39 53 64 39 64 78 60 安居区26.57 19.58 23.54 5.22 4.47 4.26 41 57 66 41 66 78 62 射洪县21.98 15.66 20.70 4.19 3.57 3.55 39 55 64 39 64 78 60 蓬溪县23.40 16.87 22.12 4.29 2.57 4.26 39 55 65 41 64 78 61 大英县25.86 16.47 20.70 5.11 1.76 2.13 41 57 65 40 64 78 60序号地区本次调整后人工费调整幅度(%本次调整后人工费调整幅度与上次人工费调整幅度差值(%计日工人工单价(元/工日备注建筑、市政、园林绿化、抹灰工程、措施项目装饰工程(抹灰工程除外安装工程建筑、市政、园林绿化、抹灰工程、措施项目装饰工程(抹灰工程除外安装工程建筑、市政、园林绿化、抹灰工程、措施项目普工建筑、市政、园林绿化、措施项目混凝土工建筑、市政、园林绿化、抹灰工程、措施项目技工装饰普工(抹灰工程除外装饰技工(抹灰工程除外装饰细木工安装技工、普工8 巴中市巴州区29.70 28.30 27.00 9.00 8.30 8.50 51 60 62 52 70 82 64仅适用于城市规划区内平昌县25.75 25.50 25.50 8.00 8.80 8.50 50 58 60 50 69 77 64 仅适用于江口镇通江县25.70 25.00 24.30 8.50 8.50 8.00 50 57 60 51 68 76 63仅适用于诺江镇南江县26.70 25.30 25.50 8.70 8.80 8.50 50 58 61 50 68 79 64仅适用于南江镇其余乡镇23.70 22.60 22.70 9.30 9.00 8.70 47 56 60 47 66 75 61 除上述区域外的所有乡镇9 内江市43.90 46.00 46.90 4.80 4.50 4.60 52 60 73 55 79 88 74序号地区本次调整后人工费调整幅度(%本次调整后人工费调整幅度与上次人工费调整幅度差值(%计日工人工单价(元/工日备注建筑、市政、园林绿化、抹灰工程、措施项目装饰工程(抹灰工程除外安装工程建筑、市政、园林绿化、抹灰工程、措施项目装饰工程(抹灰工程除外安装工程建筑、市政、园林绿化、抹灰工程、措施项目普工建筑、市政、园林绿化、措施项目混凝土工建筑、市政、园林绿化、抹灰工程、措施项目技工装饰普工(抹灰工程除外装饰技工(抹灰工程除外装饰细木工安装技工、普工10 泸州市50.9540.6642.00 5.608.27 6.005469745476857111 自贡市54.10 55.30 58.00 6.36 3.00 7.00 53 60 82 56 90 86 7912 宜宾市屏山县新发乡及其他迁建点65.27 59.39 58.42 14.62 11.66 12.42 58 72 84 58 87 98 79除屏山县新发乡及其他迁建点以外地区55.56 51.71 49.72 9.66 7.10 7.22 55 68 78 55 83 96 7513 雅安市39.50 37.00 32.00 2.40 2.39 2.00 50 66 71 55 75 86 70 含七县一区序号地区本次调整后人工费调整幅度(%本次调整后人工费调整幅度与上次人工费调整幅度差值(%计日工人工单价(元/工日备注建筑、市政、园林绿化、抹灰工程、措施项目装饰工程(抹灰工程除外安装工程建筑、市政、园林绿化、抹灰工程、措施项目装饰工程(抹灰工程除外安装工程建筑、市政、园林绿化、抹灰工程、措施项目普工建筑、市政、园林绿化、措施项目混凝土工建筑、市政、园林绿化、抹灰工程、措施项目技工装饰普工(抹灰工程除外装饰技工(抹灰工程除外装饰细木工安装技工、普工14广安广安38.08 39.48 40.70 6.21 7.08 6.50 49 62 68 49 77 89 70 武胜35.20 34.06 34.40 6.40 5.66 6.64 48 60 67 48 74 84 67 岳池35.20 34.06 34.40 6.40 5.66 6.64 48 60 67 48 74 84 67 华蓥43.81 40.95 38.60 7.41 7.55 6.60 52 64 70 52 77 87 69 邻水43.81 40.95 38.60 7.41 7.55 6.60 52 64 70 52 77 87 6915 眉山市46.80 41.20 46.00 9.00 5.10 6.00 50 63 76 50 78 88 73序号地区本次调整后人工费调整幅度(%本次调整后人工费调整幅度与上次人工费调整幅度差值(%计日工人工单价(元/工日备注建筑、市政、园林绿化、抹灰工程、措施项目装饰工程(抹灰工程除外安装工程建筑、市政、园林绿化、抹灰工程、措施项目装饰工程(抹灰工程除外安装工程建筑、市政、园林绿化、抹灰工程、措施项目普工建筑、市政、园林绿化、措施项目混凝土工建筑、市政、园林绿化、抹灰工程、措施项目技工装饰普工(抹灰工程除外装饰技工(抹灰工程除外装饰细木工安装技工、普工16 乐山市乐山市39.50 34.80 34.80 8.8 5.3 5.6 60 67 83 60 90 96 78 海拔2000米以上61.60 60.00 59.00 8.1 7.9 7.3 85 93 112 83 118 125 10517 凉山州39.84 38.27 40.00 8.47 8.17 8.00 54 66 62 54 74 86 7018 攀枝花市43.00 40.00 42.00 8.38 8.01 6.00 50 61 73 50 76 93 7119 阿坝州汶川县理县茂县67.00 65.00 64.00 10.00 10.00 10.00 60 7482 60 90 102 82序号地区本次调整后人工费调整幅度(%本次调整后人工费调整幅度与上次人工费调整幅度差值(%计日工人工单价(元/工日备注建筑、市政、园林绿化、抹灰工程、措施项目装饰工程(抹灰工程除外安装工程建筑、市政、园林绿化、抹灰工程、措施项目装饰工程(抹灰工程除外安装工程建筑、市政、园林绿化、抹灰工程、措施项目普工建筑、市政、园林绿化、措施项目混凝土工建筑、市政、园林绿化、抹灰工程、措施项目技工装饰普工(抹灰工程除外装饰技工(抹灰工程除外装饰细木工安装技工、普工阿坝州金川县马尔康县小金县松潘县九寨沟县黑水县76.00 73.00 72.00 10.00 10.00 10.00 64 78 86 64 94 106 86 阿坝县若尔盖县红原县壤塘县92.00 89.00 88.00 9.00 10.00 10.00 71 86 93 71 103 115 94注:市政工程中的给水、燃气、给排水机械设备安装、路灯工程执行安装工程相应标准。
关于对成都市等19个市、州2009年《四川省建设工程工程量清单计价定额》人工费调整的批复川建价发〔2011〕41号各有关市、州工程造价管理机构:你们关于2009年《四川省建设工程工程量清单计价定额》人工费调整的请示收悉。
根据2009年《四川省建设工程工程量清单计价定额》(川建造价发[2008]453号)、《关于明确计日工人工单价计算方法的通知》(川建价发〔2011〕17号)和《关于印发2009年<四川省建设工程工程量清单计价定额>人工费调整系数公式的通知》(川建价发[2009]11号)的要求,现批准成都市等19个市、州2009年《四川省建设工程工程量清单计价定额》人工费调整幅度及计日工人工单价(见附件)。
此次批准的人工费调整幅度和计日工人工单价从2012年1月1日起与2009年《四川省建设工程工程量清单计价定额》配套执行。
人工费调整的计算基础是定额人工费,调整的人工费不作为计取其他费用的基础(税金除外)。
附件:成都市等19个市、州2009年《四川省建设工程工程量清单计价定额》人工费调整幅度及计日工人工单价二Ο一一年十二月十四日成都市等19个市、州2009年《四川省建设工程工程量清单计价定额》人工费调整幅度及计日工人工单价序号地区本次调整后人工费调整幅度(%)本次调整后人工费调整幅度与上次人工费调整幅度差值(%)计日工人工单价(元/工日)备注建筑、市政、园林绿化、抹灰工程、措施项目装饰工程(抹灰工程除外)安装工程建筑、市政、园林绿化、抹灰工程、措施项目装饰工程(抹灰工程除外)安装工程建筑、市政、园林绿化、抹灰工程、措施项目普工建筑、市政、园林绿化、措施项目混凝土工建筑、市政、园林绿化、抹灰工程、措施项目技工装饰普工(抹灰工程除外)装饰技工(抹灰工程除外)装饰细木工安装技工、普工1 成都市成都市区(青羊、锦江、金牛、武侯、成华及高新区)84.00 94.00 96.00 7.00 10.00 10.00 66 84 90 73105 120 98近郊区(龙泉、新都、双流、郫县、温江)79.00 88.00 90.00 7.00 9.00 9.00 62 79 85 6999 113 92成都市的其他区(市)、县76.00 85.00 86.00 7.00 9.00 9.00 59 76 81 6695 108 88序号地区本次调整后人工费调整幅度(%)本次调整后人工费调整幅度与上次人工费调整幅度差值(%)计日工人工单价(元/工日)备注建筑、市政、园林绿化、抹灰工程、措施项目装饰工程(抹灰工程除外)安装工程建筑、市政、园林绿化、抹灰工程、措施项目装饰工程(抹灰工程除外)安装工程建筑、市政、园林绿化、抹灰工程、措施项目普工建筑、市政、园林绿化、措施项目混凝土工建筑、市政、园林绿化、抹灰工程、措施项目技工装饰普工(抹灰工程除外)装饰技工(抹灰工程除外)装饰细木工安装技工、普工2 德阳市德阳市63.86 52.70 51.36 9.46 5.23 7.36 58 80 88 58 92 98 80不含广汉市旌阳区62.23 51.17 49.85 9.37 5.17 7.29 57 79 87 57 91 97 79 绵竹市59.77 48.88 47.58 9.23 5.10 7.18 57 78 86 57 90 96 78 什邡市59.77 48.88 47.58 9.23 5.10 7.18 57 78 86 57 90 96 78 中江县55.67 45.07 43.79 8.99 4.96 6.99 55 76 84 55 87 93 76 罗江县54.85 44.30 43.04 8.94 4.94 6.96 55 76 83 55 87 93 763 广汉45.00 38.40 40.00 3.20 3.20 4.00 51 66 72 54 75 78 70序号地区本次调整后人工费调整幅度(%)本次调整后人工费调整幅度与上次人工费调整幅度差值(%)计日工人工单价(元/工日)备注建筑、市政、园林绿化、抹灰工程、措施项目装饰工程(抹灰工程除外)安装工程建筑、市政、园林绿化、抹灰工程、措施项目装饰工程(抹灰工程除外)安装工程建筑、市政、园林绿化、抹灰工程、措施项目普工建筑、市政、园林绿化、措施项目混凝土工建筑、市政、园林绿化、抹灰工程、措施项目技工装饰普工(抹灰工程除外)装饰技工(抹灰工程除外)装饰细木工安装技工、普工4 绵阳市市区49.37 42.50 46.00 7.37 10.00 10.00 51 69 75 51 80 75 73绵阳市江油47.47 40.28 46.00 8.76 11.81 12.00 48 66 77 48 79 80 73三台45.10 36.55 42.00 9.66 11.81 8.00 47 67 75 47 77 76 71盐亭46.00 29.31 40.00 7.63 8.71 8.00 46 63 73 46 72 74 70安县43.62 32.73 40.00 8.76 8.03 10.00 47 66 74 47 74 76 70梓潼41.20 31.85 38.00 8.96 6.69 8.00 46 67 72 46 74 74 69平武42.17 28.60 36.00 8.48 7.91 7.00 47 65 73 47 71 74 68北川48.10 39.50 48.00 2.21 -7.42 1.00 49 70 75 49 78 80 74序号地区本次调整后人工费调整幅度(%)本次调整后人工费调整幅度与上次人工费调整幅度差值(%)计日工人工单价(元/工日)备注建筑、市政、园林绿化、抹灰工程、措施项目装饰工程(抹灰工程除外)安装工程建筑、市政、园林绿化、抹灰工程、措施项目装饰工程(抹灰工程除外)安装工程建筑、市政、园林绿化、抹灰工程、措施项目普工建筑、市政、园林绿化、措施项目混凝土工建筑、市政、园林绿化、抹灰工程、措施项目技工装饰普工(抹灰工程除外)装饰技工(抹灰工程除外)装饰细木工安装技工、普工5 南充市顺庆区45.80 45.00 45.00 7.80 8.00 8.00 65 75 83 65 88 110 80仅适用于城市规划区内高坪、嘉陵区44.50 43.80 43.80 7.50 7.80 7.80 58 72 80 58 83 104 77仅适用于城市规划区内阆中市43.50 42.80 42.80 7.50 7.80 7.80 58 72 80 58 83 104 77 仅适用于保宁镇南部县43.50 42.80 42.80 7.50 7.80 7.80 58 72 80 58 83 104 77 仅适用于南隆镇西充县43.50 42.80 42.80 7.50 7.80 7.80 58 72 80 58 83 104 77 仅适用于晋城镇仪陇县43.50 42.80 42.80 7.50 7.80 7.80 58 72 80 58 83 104 77 仅适用于新政镇蓬安县43.50 42.80 42.80 7.50 7.80 7.80 58 72 80 58 83 104 77 仅适用于周口镇营山县43.50 42.80 42.80 7.50 7.80 7.80 58 72 80 58 83 104 77 仅适用于朗池镇其余乡镇41.00 40.30 40.30 7.00 7.30 7.30 55 68 77 55 80 94 72除上述区域外所有乡镇序号地区本次调整后人工费调整幅度(%)本次调整后人工费调整幅度与上次人工费调整幅度差值(%)计日工人工单价(元/工日)备注建筑、市政、园林绿化、抹灰工程、措施项目装饰工程(抹灰工程除外)安装工程建筑、市政、园林绿化、抹灰工程、措施项目装饰工程(抹灰工程除外)安装工程建筑、市政、园林绿化、抹灰工程、措施项目普工建筑、市政、园林绿化、措施项目混凝土工建筑、市政、园林绿化、抹灰工程、措施项目技工装饰普工(抹灰工程除外)装饰技工(抹灰工程除外)装饰细木工安装技工、普工6 资阳市39.00 38.00 40.00 6.00 6.00 6.00 60 70 80 65 90 100 907 遂宁市市城区30.16 23.97 24.96 4.91 4.48 2.84 43 59 68 45 68 82 63 船山区21.04 15.66 19.28 4.19 4.48 2.84 39 53 64 39 64 78 60 安居区26.57 19.58 23.54 5.22 4.47 4.26 41 57 66 41 66 78 62 射洪县21.98 15.66 20.70 4.19 3.57 3.55 39 55 64 39 64 78 60 蓬溪县23.40 16.87 22.12 4.29 2.57 4.26 39 55 65 41 64 78 61 大英县25.86 16.47 20.70 5.11 1.76 2.13 41 57 65 40 64 78 60序号地区本次调整后人工费调整幅度(%)本次调整后人工费调整幅度与上次人工费调整幅度差值(%)计日工人工单价(元/工日)备注建筑、市政、园林绿化、抹灰工程、措施项目装饰工程(抹灰工程除外)安装工程建筑、市政、园林绿化、抹灰工程、措施项目装饰工程(抹灰工程除外)安装工程建筑、市政、园林绿化、抹灰工程、措施项目普工建筑、市政、园林绿化、措施项目混凝土工建筑、市政、园林绿化、抹灰工程、措施项目技工装饰普工(抹灰工程除外)装饰技工(抹灰工程除外)装饰细木工安装技工、普工8 巴中市巴州区29.70 28.30 27.00 9.00 8.30 8.50 51 60 62 52 70 82 64仅适用于城市规划区内平昌县25.75 25.50 25.50 8.00 8.80 8.50 50 58 60 50 69 77 64仅适用于江口镇通江县25.70 25.00 24.30 8.50 8.50 8.00 50 57 60 51 68 76 63仅适用于诺江镇南江县26.70 25.30 25.50 8.70 8.80 8.50 50 58 61 50 68 79 64仅适用于南江镇其余乡镇23.70 22.60 22.70 9.30 9.00 8.70 47 56 60 47 66 75 61除上述区域外的所有乡镇9 内江市43.90 46.00 46.90 4.80 4.50 4.60 52 60 73 55 79 88 74序号地区本次调整后人工费调整幅度(%)本次调整后人工费调整幅度与上次人工费调整幅度差值(%)计日工人工单价(元/工日)备注建筑、市政、园林绿化、抹灰工程、措施项目装饰工程(抹灰工程除外)安装工程建筑、市政、园林绿化、抹灰工程、措施项目装饰工程(抹灰工程除外)安装工程建筑、市政、园林绿化、抹灰工程、措施项目普工建筑、市政、园林绿化、措施项目混凝土工建筑、市政、园林绿化、抹灰工程、措施项目技工装饰普工(抹灰工程除外)装饰技工(抹灰工程除外)装饰细木工安装技工、普工10 泸州市50.9540.6642.00 5.608.27 6.005469745476857111 自贡市54.10 55.30 58.00 6.36 3.00 7.00 53 60 82 56 90 86 7912 宜宾市屏山县新发乡及其他迁建点65.27 59.39 58.42 14.62 11.66 12.42 58 72 84 58 87 98 79除屏山县新发乡及其他迁建点以外地区55.56 51.71 49.72 9.66 7.10 7.22 55 68 78 55 83 96 7513 雅安市39.50 37.00 32.00 2.40 2.39 2.00 50 66 71 55 75 86 70 含七县一区序号地区本次调整后人工费调整幅度(%)本次调整后人工费调整幅度与上次人工费调整幅度差值(%)计日工人工单价(元/工日)备注建筑、市政、园林绿化、抹灰工程、措施项目装饰工程(抹灰工程除外)安装工程建筑、市政、园林绿化、抹灰工程、措施项目装饰工程(抹灰工程除外)安装工程建筑、市政、园林绿化、抹灰工程、措施项目普工建筑、市政、园林绿化、措施项目混凝土工建筑、市政、园林绿化、抹灰工程、措施项目技工装饰普工(抹灰工程除外)装饰技工(抹灰工程除外)装饰细木工安装技工、普工14广安广安38.08 39.48 40.70 6.21 7.08 6.50 49 62 68 49 77 89 70 武胜35.20 34.06 34.40 6.40 5.66 6.64 48 60 67 48 74 84 67 岳池35.20 34.06 34.40 6.40 5.66 6.64 48 60 67 48 74 84 67 华蓥43.81 40.95 38.60 7.41 7.55 6.60 52 64 70 52 77 87 69 邻水43.81 40.95 38.60 7.41 7.55 6.60 52 64 70 52 77 87 6915 眉山市46.80 41.20 46.00 9.00 5.10 6.00 50 63 76 50 78 88 73序号地区本次调整后人工费调整幅度(%)本次调整后人工费调整幅度与上次人工费调整幅度差值(%)计日工人工单价(元/工日)备注建筑、市政、园林绿化、抹灰工程、措施项目装饰工程(抹灰工程除外)安装工程建筑、市政、园林绿化、抹灰工程、措施项目装饰工程(抹灰工程除外)安装工程建筑、市政、园林绿化、抹灰工程、措施项目普工建筑、市政、园林绿化、措施项目混凝土工建筑、市政、园林绿化、抹灰工程、措施项目技工装饰普工(抹灰工程除外)装饰技工(抹灰工程除外)装饰细木工安装技工、普工16 乐山市乐山市39.50 34.80 34.80 8.8 5.3 5.6 60 67 83 60 90 96 78 海拔2000米以上61.60 60.00 59.00 8.1 7.9 7.3 85 93 112 83 118 125 10517 凉山州39.84 38.27 40.00 8.47 8.17 8.00 54 66 62 54 74 86 7018 攀枝花市43.00 40.00 42.00 8.38 8.01 6.00 50 61 73 50 76 93 7119 阿坝州汶川县理县茂县67.00 65.00 64.00 10.00 10.00 10.00 60 7482 60 90 102 82序号地区本次调整后人工费调整幅度(%)本次调整后人工费调整幅度与上次人工费调整幅度差值(%)计日工人工单价(元/工日)备注建筑、市政、园林绿化、抹灰工程、措施项目装饰工程(抹灰工程除外)安装工程建筑、市政、园林绿化、抹灰工程、措施项目装饰工程(抹灰工程除外)安装工程建筑、市政、园林绿化、抹灰工程、措施项目普工建筑、市政、园林绿化、措施项目混凝土工建筑、市政、园林绿化、抹灰工程、措施项目技工装饰普工(抹灰工程除外)装饰技工(抹灰工程除外)装饰细木工安装技工、普工阿坝州金川县马尔康县小金县松潘县九寨沟县黑水县76.00 73.00 72.00 10.00 10.00 10.00 64 78 86 64 94 106 86阿坝县若尔盖县红原县壤塘县92.00 89.00 88.00 9.00 10.00 10.00 71 86 93 71 103 115 94注:市政工程中的给水、燃气、给排水机械设备安装、路灯工程执行安装工程相应标准。