常用蛋白质分子量标准参照物(精)
- 格式:doc
- 大小:300.50 KB
- 文档页数:24
实验室常用技术参数资料一、核酸及蛋白质常用数据1.核苷三磷酸的物理常数2.常用核酸的长度与分子量3.常用核酸蛋白换算数据(1)重量换算1μg=10-6g1pg=10-12g1ng=10-9g 1fg=10-15g(2)分光光度换算:1A260双链DNA=50μg/ml1A260单链DNA=30μg/ml1A260单链RNA=40μg/ml(3)DNA摩尔换算:1μg 100bp DNA=1.52pmol=3.03pmol末端1μg pBR322 DNA=0.36pmol1pmol 1000bp DNA=0.66μg1pmol pBR322=2.8μg1kb双链DNA(钠盐)=6.6×105道尔顿1kb单链DNA(钠盐)=3.3×105道尔顿1kb单链RNA(钠盐)=3.4×105道尔顿(4)蛋白摩尔换算:100pmol分子量100,000蛋白质=10μg100pmol分子量50,000蛋白质=5μg100pmol分子量10,000蛋白质=1μg氨基酸的平均分子量=126.7道尔顿(5)蛋白质/DNA换算:1kb DNA=333 个氨基酸编码容量=3.7×104MW蛋白质10,000MW蛋白质=270bp DNA30,000MW蛋白质=810bp DNA50,000MW蛋白质=1.35kb100,000MW蛋白质=2.7kb DNA4.常用蛋白质分子量标准参照物5.常用DNA分子量标准参照物续上表二、常用缓冲液1.分子克隆常用缓冲液2.磷酸缓冲液(1)25℃下0.1mol/L磷酸钾缓冲液的配制※(2)25℃下0.1mol/L磷酸钠缓冲液的配制※※:用蒸馏水将混合的两种1mol/L贮存液稀释至1000ml,根据Henderson-Hasselbalch方程计算其pH 值:pH=pK’+1g([质子受体]/[质子供体])在此,pK’=6.86(25℃)。
3.电泳缓冲液测序凝胶加样缓冲液98%去离子甲酰胺10mol/L EDTA(pH8.0)0.025%二甲苯青FF0.025%溴酚蓝甲酰胺:许多批号的试剂级甲酰胺,其纯度符合使用要求,无须再进行处理。
常见蛋白质分子量参考值(单位:dalton)蛋白质分子量肌球蛋白[myosin]甲状腺球蛋白[thyroglobulin]β-半乳糖苷酶[β-galactosidase]副肌球蛋白[paramyosin]磷酸化酶a[phosphorylase a]血清白蛋白[serum albumin]L-氨基酸氧化酶[L-amino acid oxidase]地氧化氢酶[catalase]丙酮酸激活酶[pyruvate kinase]谷氨酸脱氢酶[glutamate dehydrogenase]亮氨酸氨肽酶[glutamae dehydrogenase]γ-球蛋白,H链[γ-globulin, H chain]延胡索酸酶(反丁烯二酸酶)[fumarase]卵白蛋白[ovalbumin]醇脱氢酶(肝)[alcohol dehydrogenase (liver)]烯醇酶[enolase]醛缩酶[aldolase]肌酸激酶[creatine kinase]220,000 165,000 130,000 100,000 94,000 68,000 63,000 60,000 57,000 53,000 53,000 50,000 49,000 43,000 41,000 41,000 40,000 40,000胃蛋白酶原[pepsinogen]D-氨基酸氧化酶[D-amino acid oxidase]醇脱氢酶(酵母)[alcohol dehydrogenase (yeast)]甘油醛磷酸脱氢酶[dlyceraldehyde phosphate dehydrogenase]原肌球蛋白[tropomyosin]乳酸脱氢酶[lactate dehydrgenase]胃蛋白酶[pepsin]转磷酸核糖基酶[phosphoribosyl transferase]天冬氨酸氨甲酰转移酶,C链[aspertate transcarbamylase, C chain]羧肽酶A[carboxypeptidase A]碳酸酐酶[carbonic anhydrase]枯草杆菌蛋白酶[subtilisin]γ-球蛋白,L链γ-blobulin,L chain[]糜蛋白酶原(胰凝乳蛋白酶原)[chymotrypsinogen胰蛋白酶[trypsin]木瓜蛋白酶(羧甲基)[papain (carboxymethyl)]β-乳球蛋白[β-lactoglobulin]烟草花叶病毒外壳蛋白(TWV外壳蛋白)[TWV coat protein肌红蛋白[myoglobin]天门冬氨酸氨甲酰转移酶,R链[aspartate transcarbamylase, R chain]血红蛋白[h(a)emoglobin]40,000 37,000 37,000 36,000 36,000 36,000 35,000 35,000 34,000 34,000 29,000 27,600 23,500 25,700 23,300 23,00018,400 17,50017,200 17,000Qβ外壳蛋白[Qβ coat protein]溶菌酶[lysozyme]R17外壳蛋白[R17 coat protein]核糖核酸酶[ribonuclease或RNase]细胞色素C[cytochrome C]糜蛋白酶(胰凝乳蛋白酶)[chymotrypsin]15,500 15,000 14,300 13,750 13,700 11,700 11,000。
蛋白质的标准数据是多少
首先,蛋白质的标准数据包括其化学结构。
蛋白质是由氨基酸组成的,不同种类的蛋白质含有不同数量和种类的氨基酸。
一般来说,蛋白质的分子量在10,000到1,000,000之间,而其氨基酸残基的数量则在50到2,000之间。
此外,蛋白质的结构可以分为原生结构、二级结构、三级结构和四级结构,这些结构对蛋白质的功能起着决定性的作用。
其次,蛋白质的标准数据还包括其组成和含量。
人体内的蛋白质主要包括20种氨基酸,其中有9种是人体无法自行合成的必需氨基酸。
蛋白质的含量在不同的组织和器官中有所差异,肌肉、皮肤、头发等含有较高的蛋白质,而脂肪组织、骨骼等含量较低。
此外,不同种类的食物中也含有不同的蛋白质,例如动物性食物中的蛋白质含量较高,而植物性食物中的蛋白质含量较低。
再次,蛋白质的标准数据还涉及到其功能。
蛋白质在生物体内有多种功能,包括结构支持、酶催化、免疫防御、运输传导等。
不同的蛋白质具有不同的功能,这些功能对于维持生物体的正常生理活动至关重要。
例如,酶是一类重要的蛋白质,它可以催化生物体内的化学反应,是生命活动得以进行的关键。
综上所述,蛋白质的标准数据是一个综合性的概念,涉及到其化学结构、组成和含量、功能等多个方面。
对于科研工作者来说,准确了解蛋白质的标准数据对于开展相关研究具有重要意义;对于医学工作者来说,了解蛋白质的标准数据可以帮助他们更好地指导临床实践;对于普通大众来说,了解蛋白质的标准数据可以帮助他们更科学地进行膳食搭配,保持健康生活方式。
因此,深入了解蛋白质的标准数据,对于个人和社会都具有重要的意义。
蛋白分子量测定实验报告蛋白分子量测定实验报告引言:蛋白质是生命体内最重要的分子之一,它们在细胞功能、结构和代谢中发挥着关键作用。
蛋白质的功能与其分子量密切相关,因此准确测定蛋白质的分子量对于研究其功能和结构具有重要意义。
本实验旨在通过几种常用的方法来测定蛋白质的分子量,并对实验结果进行分析和讨论。
材料与方法:1. 蛋白质样品:本实验选取了几种不同分子量的蛋白质标准品作为样品。
2. SDS-PAGE凝胶:使用12%的聚丙烯酰胺凝胶,准备好电泳缓冲液。
3. 蛋白质电泳样品制备:将蛋白质样品与SDS-PAGE样品缓冲液混合,加热至95°C,然后冷却至室温。
4. 蛋白质电泳:将电泳样品注入凝胶槽中,施加电压使蛋白质样品迁移。
5. Coomassie蓝染色:将凝胶浸泡在Coomassie蓝染色液中,使蛋白质样品显现出带状条纹。
6. 分子量标记物:将已知分子量的蛋白质标记物与样品一起电泳,用于分子量校正。
结果与讨论:通过SDS-PAGE电泳和Coomassie蓝染色,我们观察到了蛋白质样品在凝胶上的迁移和染色结果。
根据迁移距离和分子量标记物的位置,我们可以初步估计样品的分子量。
然而,由于蛋白质的结构和电荷特性的差异,蛋白质在凝胶上的迁移速度可能会受到影响。
因此,为了更准确地测定蛋白质的分子量,我们需要建立一个标准曲线,将迁移距离与已知分子量标记物的分子量进行关联。
在本实验中,我们选取了几种已知分子量的蛋白质标准品作为参照物,测定它们在凝胶上的迁移距离,并绘制标准曲线。
通过线性回归分析,我们可以根据样品的迁移距离在标准曲线上找到对应的分子量。
然而,需要注意的是,标准曲线的制备和分析过程中可能存在误差。
例如,蛋白质的折叠状态、修饰和聚集状态都可能影响其迁移速度。
此外,凝胶的制备和电泳条件的选择也可能对实验结果产生影响。
为了进一步提高测定蛋白质分子量的准确性,我们可以结合其他方法进行验证。
例如,质谱法可以直接测定蛋白质的分子量,具有较高的精确度和灵敏度。
动物蛋白的分子量动物蛋白是构成动物体内各种生物结构和功能的基础物质之一,分子量可以作为衡量蛋白质大小和复杂性的一个重要指标。
本文将从小到大介绍几种常见动物蛋白的分子量,并探讨其在生物体内的功能和重要性。
一、血红蛋白(分子量约64,500 Da)血红蛋白是存在于红细胞中的一种蛋白质,其主要功能是运输氧气和二氧化碳。
血红蛋白分子由四个亚基组成,每个亚基中含有一个铁元素,可以与氧气结合,形成氧合血红蛋白。
血红蛋白的分子量决定了其在红细胞中的稳定性和运输能力。
二、胶原蛋白(分子量约300,000 Da)胶原蛋白是一种存在于动物体内结缔组织中的主要蛋白质,具有结构支持和保护作用。
胶原蛋白的分子量较大,由三个多肽链螺旋结构组成,其中包含大量的甘氨酸、羟脯氨酸和脯氨酸。
胶原蛋白的分子量决定了其在组织中的稳定性和强度,对维持组织结构和功能发挥重要作用。
三、肌动蛋白(分子量约43,000 Da)肌动蛋白是一种存在于肌肉中的重要蛋白质,参与肌肉收缩和运动。
肌动蛋白由多个亚基组成,形成肌纤维,同时与肌球蛋白相互作用,通过ATP的供能,实现肌肉的收缩和松弛。
肌动蛋白的分子量决定了肌肉的收缩能力和力量输出。
四、免疫球蛋白(分子量约150,000 Da)免疫球蛋白是一种存在于免疫系统中的抗体蛋白质,具有免疫识别和防御作用。
免疫球蛋白由两个重链和两个轻链组成,通过其特异性结构可以与抗原结合并触发免疫反应。
免疫球蛋白的分子量决定了其在体内的稳定性和抗原结合能力,对免疫应答发挥重要作用。
五、酶类蛋白(分子量不定)酶类蛋白是一类具有催化作用的蛋白质,参与生物体内的代谢和调节。
酶类蛋白的分子量因其种类而异,有的较小,如乳酸脱氢酶(分子量约36,000 Da),有的较大,如DNA聚合酶(分子量约400,000 Da)。
酶类蛋白的分子量决定了其在反应底物中的选择性和催化效率,对生物体内的代谢过程和调节机制发挥重要作用。
总结:动物蛋白的分子量是其大小和复杂性的重要指标之一,不同分子量的蛋白质在生物体内具有不同的功能和重要性。
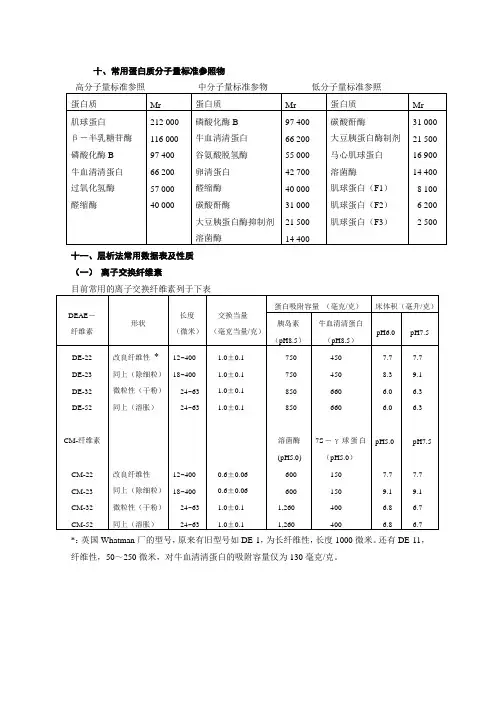
十、常用蛋白质分子量标准参照物十一、层析法常用数据表及性质(一)离子交换纤维素*:英国Whatman厂的型号,原来有旧型号如DE-1,为长纤维性,长度1000微米。
还有DE-11,纤维性,50~250微米,对牛血清清蛋白的吸附容量仅为130毫克/克。
注:上述各种型号的凝胶都是亲水性的多孔颗粒,在水和缓冲溶液中很容易膨胀,生产厂为Bio-Rad Laboratories,Rich-mond, California, U. S. A.(三)琼脂糖凝胶的技术数据十二、常用缓冲溶液的配制方法1.甘氨酸–盐酸缓冲液(0.05mol/L)甘氨酸分子量= 75.07,0.2 mol/L甘氨酸溶液含15.01克/升。
2.邻苯二甲酸–盐酸缓冲液(0.05 mol/L)邻苯二甲酸氢钾分子量= 204.23,0.2 mol/L邻苯二甲酸氢溶液含40.85克/升Na2HPO4分子量= 14.98,0.2 mol/L溶液为28.40克/升。
Na2HPO4-2H2O分子量= 178.05,0.2 mol/L溶液含35.01克/升。
C4H2O7·H2O分子量= 210.14,0.1 mol/L溶液为21.01克/升。
①使用时可以每升中加入1克克酚,若最后pH值有变化,再用少量50% 氢氧化钠溶液或浓盐酸调节,冰箱保存。
柠檬酸C6H8O7·H2O:分子量210.14,0.1 mol/L溶液为21.01克/升。
柠檬酸钠Na3 C6H5O7·2H2O:分子量294.12,0.1 mol/L溶液为29.41克/毫升。
Na2Ac·3H2O分子量= 136.09,0.2 mol/L溶液为27.22克/升。
7.磷酸盐缓冲液Na2HPO4·2H2O分子量= 178.05,0.2 mol/L溶液为85.61克/升。
Na2HPO4·2H2O分子量= 358.22,0.2 mol/L溶液为71.64克/升。
十、常用蛋白质分子量标准参照物十一、层析法常用数据表及性质(一)离子交换纤维素*:英国Whatman厂的型号,原来有旧型号如DE-1,为长纤维性,长度1000微米。
还有DE-11,纤维性,50~250微米,对牛血清清蛋白的吸附容量仅为130毫克/克。
注:上述各种型号的凝胶都是亲水性的多孔颗粒,在水和缓冲溶液中很容易膨胀,生产厂为Bio-Rad Laboratories,Rich-mond, California, U. S. A.(三)琼脂糖凝胶的技术数据十二、常用缓冲溶液的配制方法1.甘氨酸–盐酸缓冲液(0.05mol/L)甘氨酸分子量 = 75.07,0.2 mol/L甘氨酸溶液含15.01克/升。
2.邻苯二甲酸–盐酸缓冲液(0.05 mol/L)邻苯二甲酸氢钾分子量 = 204.23,0.2 mol/L邻苯二甲酸氢溶液含40.85克/升Na2HPO4分子量 = 14.98,0.2 mol/L溶液为28.40克/升。
Na2HPO4-2H2O分子量 = 178.05,0.2 mol/L溶液含35.01克/升。
C4H2O7·H2O分子量 = 210.14,0.1 mol/L溶液为21.01克/升。
①使用时可以每升中加入1克克酚,若最后pH值有变化,再用少量50%氢氧化钠溶液或浓盐酸调节,冰箱保存。
柠檬酸C6H8O7·H2O:分子量210.14,0.1 mol/L溶液为21.01克/升。
柠檬酸钠Na3 C6H5O7·2H2O:分子量294.12,0.1 mol/L溶液为29.41克/毫升。
Na2Ac·3H2O分子量 = 136.09,0.2 mol/L溶液为27.22克/升。
7.磷酸盐缓冲液Na2HPO4·2H2O分子量 = 178.05,0.2 mol/L溶液为85.61克/升。
Na2HPO4·2H2O分子量 = 358.22,0.2 mol/L溶液为71.64克/升。
蛋白质电泳分子量标准(蛋白marker 14.4-97.4 kd)【篇名】:探究蛋白质电泳分子量标准1. 引言在生物学研究中,蛋白质电泳是一种重要的实验方法,用于分离和分析蛋白质。
而蛋白质电泳分子量标准(蛋白marker)则是在蛋白质电泳实验中用来确定待测蛋白分子量的重要工具。
本文将探讨蛋白质电泳分子量标准的概念、应用以及其在生物学研究中的重要性。
2. 蛋白质电泳分子量标准的概念蛋白质电泳分子量标准是一系列已知分子量的蛋白质,它们被用作电泳实验中的参照物。
常见的蛋白marker包括14.4-97.4 kd等不同分子量的标准物质,通过蛋白电泳实验,可以通过蛋白marker的分离情况来确定待测蛋白的分子量。
3. 蛋白质电泳分子量标准的应用蛋白质电泳分子量标准可用于验证电泳实验的准确性,评估蛋白质分子的大小和形状,以及在分析未知蛋白质时提供参照标准。
通过与已知分子量的蛋白marker进行对比,未知蛋白的分子量可以被确定,从而为后续的生物学研究提供重要参考。
4. 蛋白质电泳分子量标准在生物学研究中的重要性在生物学研究中,蛋白质电泳分子量标准的应用极其重要。
它不仅可以帮助科研人员确定蛋白质标准品的分子量,还可以作为蛋白质分析实验的质量控制工具,确保实验结果的准确性和可靠性。
蛋白marker在蛋白质电泳实验中的使用,也有助于扩大科学家对蛋白质研究的视野,从而推动生物学领域的进步。
5. 个人观点作为生物学研究领域的从业人员,我深刻理解蛋白质电泳分子量标准的重要性。
对于生物学实验来讲,实验结果的准确性是至关重要的,而蛋白marker作为质量控制的一个重要环节,能够有效提高实验数据的可信度,也为科研人员提供更可靠的实验结果。
6. 总结蛋白质电泳分子量标准在生物学研究中具有重要作用。
通过对蛋白marker的使用,科研人员可以准确地确定蛋白质的分子量,从而为生物学研究提供可靠的数据和结果。
深入了解和掌握蛋白质电泳分子量标准的实验原理和应用方法,对于开展生物学研究具有重要的意义。
常见蛋白质分子量参考值(单位:dalton)蛋白质分子量肌球蛋白[myosin]甲状腺球蛋白[thyroglobulin]β-半乳糖苷酶[β-galactosidase]副肌球蛋白[paramyosin]磷酸化酶a[phosphorylase a]血清白蛋白[serum albumin]L-氨基酸氧化酶[L-amino acid oxidase]地氧化氢酶[catalase]丙酮酸激活酶[pyruvate kinase]谷氨酸脱氢酶[glutamate dehydrogenase]亮氨酸氨肽酶[glutamae dehydrogenase]γ-球蛋白,H链[γ-globulin, H chain]延胡索酸酶(反丁烯二酸酶)[fumarase]卵白蛋白[ovalbumin]醇脱氢酶(肝)[alcohol dehydrogenase (liver)]烯醇酶[enolase]醛缩酶[aldolase]220,000 165,000 130,000 100,000 94,000 68,000 63,000 60,000 57,000 53,000 53,000 50,000 49,000 43,000 41,000 41,000 40,000肌酸激酶[creatine kinase]胃蛋白酶原[pepsinogen]D-氨基酸氧化酶[D-amino acid oxidase]醇脱氢酶(酵母)[alcohol dehydrogenase (yeast)]甘油醛磷酸脱氢酶[dlyceraldehyde phosphate dehydrogenase]原肌球蛋白[tropomyosin]乳酸脱氢酶[lactate dehydrgenase]胃蛋白酶[pepsin]转磷酸核糖基酶[phosphoribosyl transferase]天冬氨酸氨甲酰转移酶,C链[aspertate transcarbamylase, C chain]羧肽酶A[carboxypeptidase A]碳酸酐酶[carbonic anhydrase]枯草杆菌蛋白酶[subtilisin]γ-球蛋白,L链γ-blobulin,L chain[]糜蛋白酶原(胰凝乳蛋白酶原)[chymotrypsinogen胰蛋白酶[trypsin]木瓜蛋白酶(羧甲基)[papain (carboxymethyl)]β-乳球蛋白[β-lactoglobulin]烟草花叶病毒外壳蛋白(TWV外壳蛋白)[TWV coat protein肌红蛋白[myoglobin]天门冬氨酸氨甲酰转移酶,R链[aspartate transcarbamylase, R chain]40,000 40,000 37,000 37,000 36,000 36,000 36,000 35,000 35,000 34,000 34,000 29,000 27,600 23,500 25,700 23,300 23,00018,400 17,50017,200血红蛋白[h(a)emoglobin]Qβ外壳蛋白[Qβ coat protein]溶菌酶[lysozyme]R17外壳蛋白[R17 coat protein]核糖核酸酶[ribonuclease或RNase]细胞色素C[cytochrome C]糜蛋白酶(胰凝乳蛋白酶)[chymotrypsin]17,000 15,500 15,000 14,300 13,750 13,700 11,700 11,000。
常见蛋白质分子量参考1PDF
原理
与Southern或Northern杂交方法类似,但WesternBlot采用的是聚丙烯酰胺凝胶电泳,被检测物是蛋白质,“探针”是抗体,“显色”用标记的二抗。
经过PAGE分离的蛋白质样品,转移到固相载体(例如硝#纤维素薄膜)上,固相载体以非共价键形式吸附蛋白质,且能保持电泳分离的多肽类型及其生物学活性不变。
以固相载体上的蛋白质或多肽作为抗原,与对应的抗体起免疫反应,再与酶或同位素标记的第二抗体起反应,经过底物显色或放射自显影以检测电泳分离的特异性目的基因表达的蛋白成分。
该技术也广泛应用于检测蛋白水平的表达。
分类普通蛋白质分子量标准(低范围,5-66kDa)现常用的有底物化学发光ECL和底物DAB呈色,体同水平和实验条件的是用*种方法,目前发表文章通常是用底物化学发光ECL。
只要买现成的试剂盒就行,操作也比较简单,原理如下(二抗用HRP标记):反应底物为过氧化物+鲁米诺,如遇到HRP,即发光,可使胶片曝光,就可洗出条带。
—1—。
蛋白质组学标准品-概述说明以及解释1.引言1.1 概述概述部分:蛋白质组学作为生物科学领域中的一个重要分支,研究蛋白质在整个生物体中的表达、功能和相互作用,是理解生物体内部复杂生物过程的关键。
近年来,蛋白质组学研究受到广泛关注,并在疾病诊断、新药研发、生物标记物发现等领域展现出巨大的应用潜力。
蛋白质组学的发展离不开蛋白质组学标准品的支持和推动。
蛋白质组学标准品是指用于蛋白质组学研究中作为参照物的一类物质,具有一定的特定性、稳定性和可比性。
通过与标准品进行对照,研究人员可以准确评估样品中的蛋白质表达水平以及各个蛋白质之间的相对数量。
蛋白质组学标准品的分类和特点多种多样。
根据其来源可以分为人源标准品、动物源标准品和细菌源标准品等;根据其制备方法可以分为合成标准品和天然标准品等。
不同类型的标准品具有不同的应用场景和优势,可以满足不同研究需求。
标准品的制备方法和质量控制对于蛋白质组学研究的可靠性和稳定性至关重要。
标准品的制备需要选择合适的蛋白质样本、提取和纯化标准品,以确保蛋白质的质量和纯度;同时,还需要根据实验要求对标准品的质量进行严格的质量控制,以保证标准品的准确性和可靠性。
蛋白质组学标准品在蛋白质组学研究中具有重要的意义和应用前景。
它可以用于蛋白质定量和鉴定的标准化,提高实验的可比性和结果的可靠性;同时,通过与标准品比对,也可以发现新的蛋白质指标和生物标记物,为疾病诊断和新药研发提供更多可能性。
本文将详细介绍蛋白质组学标准品的概念、意义、分类和特点,以及其制备方法和质量控制等内容。
通过对蛋白质组学标准品的研究,我们可以更全面地认识蛋白质组学研究的重要性和应用前景,为相关领域的科学研究和发展提供有力支持。
1.2 文章结构文章结构指的是文章主体部分的组织方式和内容安排。
本文的结构分为引言、正文和结论三个部分。
在引言部分,我们将对蛋白质组学标准品的概述、文章结构和目的进行介绍。
在正文部分,我们将分为四个小节来探讨蛋白质组学标准品的相关内容。
蛋白质的分子量蛋白质是生命体中最为重要的有机物之一,其分子量是评价蛋白质性质和功能的重要指标之一。
蛋白质的分子量通常用dalton(Da)或kilo dalton(kDa)来表示,其中1kDa等于1000Da。
本文将从蛋白质分子量的定义、测定方法、影响因素和意义等方面进行详细介绍。
一、蛋白质分子量的定义蛋白质分子量是指一个蛋白质分子中所有氨基酸残基的相对分子量之和。
每个氨基酸残基都有一个相对分子量,这些相对分子量加在一起就得到了整个蛋白质分子的相对分子量。
二、测定方法1. SDS-PAGE法SDS-PAGE法是目前最常用的测定蛋白质相对分子量的方法之一。
该方法利用SDS(十二烷基硫酸钠)使样品中的所有蛋白质带有同等数量的电荷,从而使它们在电场作用下按照大小排列成带状图谱。
通过与已知相对分子量的标准品比较,可以确定样品中各蛋白质的相对分子量。
2. 质谱法质谱法是一种高灵敏度、高分辨率的测定蛋白质相对分子量的方法。
该方法将蛋白质分子离子化后,通过质谱仪测定其离子的质荷比,从而计算出其相对分子量。
3. 其他方法除了上述两种方法外,还有许多其他测定蛋白质相对分子量的方法,如凝胶过滤色谱法、反射光谱法等。
三、影响因素1. 氨基酸序列不同氨基酸序列的蛋白质具有不同的相对分子量。
例如,含有大量重氮酸(D)和丙氨酸(P)残基的蛋白质相对分子量较低。
2. 翻译后修饰翻译后修饰可以改变蛋白质中氨基酸残基的性质和数量,从而影响其相对分子量。
例如,磷酸化会增加蛋白质的相对分子量。
3. 聚合状态某些蛋白质在特定条件下可以形成聚合体,其相对分子量会随着聚合体的大小而增加。
四、意义蛋白质的相对分子量是评价蛋白质性质和功能的重要指标之一。
不同相对分子量的蛋白质具有不同的生物学功能和结构特点。
例如,小分子量的蛋白质通常具有较强的扩散性和可溶性,而大分子量的蛋白质则通常具有较高的稳定性和复杂结构。
总之,蛋白质分子量是评价蛋白质性质和功能的重要指标之一。
蛋白质分子量 ku
"蛋白质分子量"通常以kDa(千道尔顿)为单位表示,其中kDa是蛋白质分子的质量单位。
kDa是千道尔顿(kilodalton)的缩写,一道尔顿(dalton,Da)等于1/12碳-12的原子质量,大致等于1.66 x 10^-24克。
在生物化学和生物物理学中,kDa 通常用来表示蛋白质的相对分子质量或分子量。
因此,当我们提到蛋白质的分子量时,经常会使用“kDa”作为单位,表示蛋白质的质量大致在几千道尔顿的范围内。
例如,一个蛋白质的分子量可以表示为"30 kDa",意味着该蛋白质的质量大约为30千道尔顿。
十、常用蛋白质分子量标准参照物十一、层析法常用数据表及性质(一)离子交换纤维素*:英国Whatman厂的型号,原来有旧型号如DE—1,为长纤维性,长度1000微米。
还有DE-11,纤维性,50~250微米,对牛血清清蛋白的吸附容量仅为130毫克/克.注:上述各种型号的凝胶都是亲水性的多孔颗粒,在水和缓冲溶液中很容易膨胀,生产厂为Bio—Rad Laboratories,Rich—mond,California, U. S。
A。
(三)琼脂糖凝胶的技术数据十二、常用缓冲溶液的配制方法1.甘氨酸–盐酸缓冲液(0。
05mol/L)甘氨酸分子量= 75。
07,0.2 mol/L甘氨酸溶液含15.01克/升。
2.邻苯二甲酸–盐酸缓冲液(0。
05 mol/L)邻苯二甲酸氢钾分子量= 204。
23,0。
2 mol/L邻苯二甲酸氢溶液含40。
85克/升Na 2HPO 4分子量 = 14.98,0.2 mol/L 溶液为28.40克/升.Na 2HPO 4-2H 2O 分子量 = 178。
05,0。
2 mol/L 溶液含35。
01克/升。
C 4H 2O 7·H 2O 分子量 = 210.14,0。
1 mol/L 溶液为21。
01克/升。
①使用时可以每升中加入1克克酚,若最后pH 值有变化,再用少量50% 氢氧化钠溶液或浓盐酸调节,冰箱保存。
柠檬酸C6H8O7·H2O:分子量210.14,0。
1 mol/L溶液为21。
01克/升。
柠檬酸钠Na3 C6H5O7·2H2O:分子量294.12,0。
1 mol/L溶液为29。
41克/毫升。
Na2Ac·3H2O分子量= 136。
09,0。
2 mol/L溶液为27。
22克/升。
7.磷酸盐缓冲液Na2HPO4·2H2O分子量= 178.05,0。
2 mol/L溶液为85.61克/升。
Na2HPO4·2H2O分子量= 358。
动物蛋白的分子量动物蛋白是由氨基酸组成的生物大分子,其分子量是指一个蛋白质分子中所含氨基酸的总质量。
不同的蛋白质分子具有不同的分子量,这是由其氨基酸序列所决定的。
本文将介绍几种常见的动物蛋白的分子量及其在生物体内的作用。
1. 血红蛋白血红蛋白是一种存在于红细胞中的蛋白质,它负责将氧气从肺部输送到全身各个组织。
血红蛋白的分子量约为64,500道尔顿,由四个亚基组成,每个亚基中含有一个铁离子,能够与氧气结合形成氧合血红蛋白。
当氧气结合后,血红蛋白呈现红色,使得血液呈现鲜红色。
2. 胰岛素胰岛素是由胰岛β细胞分泌的一种蛋白质激素,它能够调节血糖水平。
胰岛素的分子量约为5808道尔顿,它由两个多肽链组成,分别是A链和B链。
胰岛素通过与细胞膜上的胰岛素受体结合,促进葡萄糖的摄取和利用,从而降低血糖浓度。
3. 细胞色素C细胞色素C是一种存在于线粒体内的蛋白质,它参与细胞呼吸链中的电子传递过程。
细胞色素C的分子量约为12,327道尔顿,它含有一个铁离子,可以在电子传递链上接收和释放电子。
细胞色素C还具有调节细胞凋亡(程序性细胞死亡)的功能,在维持细胞内稳态和防止肿瘤发生中起着重要作用。
4. 雌激素受体雌激素受体是一种存在于细胞核中的蛋白质,它能够与雌激素结合并调控基因的转录过程。
雌激素受体的分子量约为66,000道尔顿,它由多个功能区域组成,包括DNA结合区、转录激活区和转录抑制区。
雌激素受体的活化能够调控雌激素靶基因的表达,参与生殖系统发育、乳腺癌的发生等生理过程。
5. 骨胶原骨胶原是一种存在于胶原纤维中的主要蛋白质,它是构成皮肤、骨骼、肌腱等结缔组织的重要成分。
骨胶原的分子量因其类型的不同而有所差异,一般在100,000-500,000道尔顿之间。
骨胶原具有维持组织的稳定性和弹性、促进伤口愈合等功能,是人体内含量最丰富的蛋白质之一。
总结:动物蛋白的分子量因其结构和功能的差异而有所不同。
血红蛋白、胰岛素、细胞色素C、雌激素受体和骨胶原作为常见的动物蛋白,它们在生物体内发挥着重要的生理功能。
十、常用蛋白质分子量标准参照物
十一、层析法常用数据表及性质
(一)离子交换纤维素
*:英国Whatman厂的型号,原来有旧型号如DE-1,为长纤维性,长度1000微米。
还有DE-11,纤维性,50~250微米,对牛血清清蛋白的吸附容量仅为130毫克/克。
注:上述各种型号的凝胶都是亲水性的多孔颗粒,在水和缓冲溶液中很容易膨胀,生产厂为Bio-Rad Laboratories,Rich-mond, California, U. S. A.
(三)琼脂糖凝胶的技术数据
十二、常用缓冲溶液的配制方法
1.甘氨酸–盐酸缓冲液(0.05mol/L)
甘氨酸分子量= 75.07,0.2 mol/L甘氨酸溶液含15.01克/升。
2.邻苯二甲酸–盐酸缓冲液(0.05 mol/L)
邻苯二甲酸氢钾分子量= 204.23,0.2 mol/L邻苯二甲酸氢溶液含40.85克/升
Na2HPO4分子量= 14.98,0.2 mol/L溶液为28.40克/升。
Na2HPO4-2H2O分子量= 178.05,0.2 mol/L溶液含35.01克/升。
C4H2O7·H2O分子量= 210.14,0.1 mol/L溶液为21.01克/升。
①使用时可以每升中加入1克克酚,若最后pH值有变化,再用少量50% 氢氧化钠溶液
或浓盐酸调节,冰箱保存。
柠檬酸C6H8O7·H2O:分子量210.14,0.1 mol/L溶液为21.01克/升。
柠檬酸钠Na3 C6H5O7·2H2O:分子量294.12,0.1 mol/L溶液为29.41克/毫升。
Na2Ac·3H2O分子量= 136.09,0.2 mol/L溶液为27.22克/升。
7.磷酸盐缓冲液
Na2HPO4·2H2O分子量= 178.05,0.2 mol/L溶液为85.61克/升。
Na2HPO4·2H2O分子量= 358.22,0.2 mol/L溶液为71.64克/升。
Na2HPO4·2H2O分子量= 156.03,0.2 mol/L溶液为31.21克/升。
Na2HPO4·2H2O分子量= 178.05,1/15M溶液为11.876克/升。
KH2PO4分子量= 136.09,1/15M溶液为9.078克/升。
8.磷酸二氢钾–氢氧化钠缓冲液(0.05M)
巴比妥钠盐分子量=206.18;0.04M溶液为8.25克/升
10.Tris–盐酸缓冲液(0.05M,25℃)
50毫升0.1M三羟甲基氨基甲烷(Tris)溶液与X毫升0.1N盐酸混匀后,加水稀释至100毫
三羟甲基氨基甲烷(Tris)HOCH2 CH2OH
C
HOCH2 NH2
分子量=121.14;
0.1M 溶液为12.114克/升。
Tris 溶液可从空气中吸收二氧化碳,使用时注意将瓶盖严。
硼砂Na 2B 4O 7·H 2O,分子量=381.43;0.05M 溶液(=0.2M 硼酸根)含19.07克/升。
硼酸H 2BO 3,分子量=61.84,0.2M 溶液为12.37克/升。
硼砂易失去结晶水,必须在带塞的瓶中保存。
硼砂Na 2B 4O 7·10H 2O,分子量=381.43;0.05M 溶液(=0.2M 硼酸根)含19.07克/升。
硼酸H 2BO 3,分子量=61.84, 0.2M 溶液为12.37克/升。
硼砂 易
失去结晶水,必须在带塞的瓶中保存。
12.甘氨酸–氢氧化钠缓冲液(0.05M )
甘氨酸分子量=75.07;0.2M 溶液含15.01克/升。
13.硼砂-氢氧化钠缓冲液(0.05M 硼酸根)
X 毫升0.05M 硼砂+Y 毫升0.2NNaOH 加水稀释至200毫升
硼砂Na 2B 4O 7·10H 2O,分子量=381.43;0.05M 溶液为19.07克/升。
14.碳酸钠-碳酸氢钠缓冲液(0.1M )
2+2+Na 2CO
2·10H 2O 分子量=286.2;0.1M 溶液为28.62克/升。
N 2HCO 3分子量=84.0;0.1M 溶液为8.40克/升。
十四、硫酸铵饱和度的常用表
①在25℃下,硫酸铵溶液由初浓度调到终浓度时,每升溶液所加固体硫酸铵的克数。
①在0℃下,硫酸铵溶液由初浓度调到终浓度时,每100毫升溶液所加固体硫酸铵的克数。
r为离心机头的半径(角头),或离心管中轴底部内壁到离心机转轴中心的距离(甩平头),单位为厘米。
rpm为离心机每分钟的转速。
RCF为相对离心力,以地心引力即重力加速度的倍数来表示,一般用g(或数字×g)表示。
附图11是由下述公式计算而来的:
RCF = 1.119 × 10-5× r × (rpm)2
将离心机转数换算为离心
力时,首先,在r标尺上取已知的半径和rpm标尺
上取已知的离心机转数,然后,将这两点间划一条
直线,在图中间RCF标尺上的交叉点即为相应离
心力数值。
注意,若已知转数值处于rpm标尺的右
边,则应读取RCF标尺右边的数值。
同样,转数
值处于rpm标尺左边,则读取RCF标尺左边的数
值。