新版无刷电机控制器规格书
- 格式:pdf
- 大小:366.12 KB
- 文档页数:3
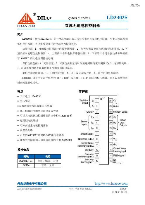
丹东华奥电子有限公司简介LD33035(替代MC33035)是一种高性能的第二代单片无刷直流电机控制器。
用于三相或四相电机控制系统,可以实现全开环的全部动力控制功能。
功能包括:1、准确转动位置测序的转子译码器;2、参考与电源电压传感器的温度补偿;3、可预设频率的锯齿波振荡器;4、上部的三个集电极开路驱动器;5、下部的三个用于驱动功率场效应管MOSFET 的大电流图腾柱电路。
保护功能包括:1、欠压锁定;2、可预设关断延迟时间的逐周期电流限制模式;3、内部热关断;4、可以连接到微处理器控制系统的故障输出端口。
电机控制功能包括:1、开环时间控制;2、正、反向运行控制;3、可控的启用和制动。
LD33035设计用于运行角度为60°/300°或120°/240°的电相位传感器,也可以有效地控制直流无刷电动机。
特点管脚图●工作电压10~30V ●欠压锁定●6.25V 的参考电源电压传感器●闭环伺服应用的全接近误差放大器●可以大电流驱动控制外部的三个相位MOSFET 桥●逐周期电流限制●可外部设定电流检测基准●内置热关断●可选的60°/300°或120°/240°相位传感器●能有效控制外部无刷直流电机的H 桥MOSFET系列信息封装说明SOP24L (W )管装,编带,无铅DIP24管装,无铅直流无刷电机控制器管脚功能描述丹东华奥电子有限公司功能示意图丹东华奥电子有限公司极限参数丹东华奥电子有限公司电参数(V CC=V C=20V,R T=4.7k,C T=10nF,T A=25℃,除非另外说明)丹东华奥电子有限公司CC C T T A注:1、输入共模电压或输入信号电压不应超过-0.3V。
2、调节电压不得超过−0.3至V REF范围。
丹东华奥电子有限公司介绍LD33035(替代MC33035)是一种单片的直流无刷电机控制器,它包含了开环控制的三、四相电机控制系统所需的全部功能。
BLDCM相关技术要求沛城内部使用2012年3月7日起草接口类参数针座间距设计2. 3.96mm 间距(适用于电机最大工作电流大于2A 但是小于5A 的设计)3. 5.08mm 间距 (适用于电机最大工作电流大于5A 但是小于12A 的设计)1. 2.5 mm 间距(适用于电机最大工作电流为 2A 的设计)4 .7.62mm间距(适用于D=225mm以上的离心风机用电机)针座定义电气类参数额定工作电压♦ 12V DC ♦ 24V DC ♦ 48V DC ♦ 110V AC ♦ 220V AC工作电压范围♦ 12V DC ( 7~15V DC) ♦ 24V DC (12~30V DC) ♦ 48V DC (28~72V DC)♦ 110V AC ♦ 220V AC ---( 宽电压范围 90~265V AC)三启动电压即是工作电压范围中的最低电压值(V)。
四额定电流即是产品在额定工作电压下的工作电流(A)。
五最大启动电流即是最高工作电压时的启动电流(A)。
六最大工作电流即是最咼工作电压时的输入电流(A)。
七堵转电流即是在最咼工作电压时的堵塞保护时的电流(常规是 1.5倍工作电流, 可持续10S)(A)。
八电流波形即是在米样电阻处可检测的电流形式。
正玄波/方波九额定转速即是在全速时的转速,要求规定参考值和允许偏差值(RPM。
十最高转速即是在最咼工作电压时所能达到的最咼转速(RPM。
十^一额定功率即是在自由空间,额定工作电压下的功率(W)十二最大功率即是在最高工作电压、最大静压下的最大功率( W。
基本性能指标最大风量是指单位时间内的空气流通量(下图是风量换算公式)CF5:Cubic Feet F»er Second・二方处呎/秒追3沟)CFM; Cubic Feet Per Minute. J.方见呎/分CMS: Cubic Meter Per Second. Q 打处尺/ 纱〔rrM/s)CMM: Cubic Meter Per Minute. 7.厅公尺/分CMH: Cubic Meter Peter Hour.直力舍尺/时(m3/h)U/s: Liter Per Second,欝升/秒(Lf訂L/min:Liter Per Second.处升/分(________________________CBS L/i cut CFS erai w Illi0 0167I 1Ck胸o see35 551H L 110.06柯 3 40.0353 2 LIS ■ liiili0 014?i58Sp0 OlfiT w/?"VsseG 0^8328 3 1 tmt101 9[60000 <723d a1備0 1671umoo . ooi 尸onooi噪声规定额定噪声和最大噪声(行业要求w 50dB)控制信号和调速方式一控制方式二信号电平范围三输入控制信号频率范围四额定电压下,启动所需最小占空比五占空比w 10%寸应状态六PWM控制端子悬空(NC对应状态七占空比=100%寸应状态九占空比10%~100对应转速10%电机停转(Stop)全速全速(PWM视控制信号输出MCH勺I/O VDD值而定。
UC1625-SP ZHCS012A–SEPTEMBER2011–REVISED SEPTEMBER2011耐辐射V类,无刷DC电机控制查询样品:UC1625-SP特性•装有理想二极管的高速电流感应放大器•逐脉冲和平均电流感应•经QML-V标准认证,SMD5962-91689•过压及欠压保护•耐辐射:40kRad(Si)TID(1)•用于安全方向反转的方向闩•直接驱动功率场效应管(MOSFET)或者达灵顿功率管(Darlington)•转速计•50-V开路集电极高层驱动器•修整参考源30mA•锁存软启动•可编程交叉传导保护(1)辐射容限是基于初始器件鉴定(放射量率=10mrad/sec)的•两象限和四象限运算典型值。
可提供辐射批量接受测试——详情请与厂家联系。
说明/订购信息UC1625电机控制器在一个封装内集成了高性能无刷dc电机控制所需的大多数功能。
当与外部功率场效应管(MOSFET)或者达灵顿功率管(Darlington)耦合的时候,此器件在电压或者电流模式下件执行固定频率PWM 电机控制的同时执行闭环速度控制和具有智能噪音抑制功能的刹车,安全方向反转,和交叉传导保护。
虽然额定工作电压范围是10V至18V,UC1625可借助于外部电平位移组件来控制具有更高电源电压的器件。
UC1625含有用于低侧功率器件的快速、高电流推挽驱动器和用于高侧功率器件或者电平位移电路的50V开路集电极输出。
UC1625额定军用工作温度范围是-55°C至125°C。
ORDERING INFORMATION(1)ORDERABLE PARTT A PACKAGE(2)TOP-SIDE MARKINGNUMBER5962-9168902VYA–55°C to125°C CDIP–JT5962-9168902VYAUC1625-SP(1)For the most current package and ordering information,see the Package Option Addendum at the endof this document,or see the TI website at .(2)Package drawings,thermal data,and symbolization are available at /packaging.Please be aware that an important notice concerning availability,standard warranty,and use in critical applications of TexasInstruments semiconductor products and disclaimers thereto appears at the end of this data sheet.UC1625-SPZHCS012A –SEPTEMBER 2011–REVISED SEPTEMBER 2011Typical ApplicationABSOLUTE MAXIMUM RATINGS (1)(2)over operating free-air temperature range (unless otherwise noted)VALUEUNITVCC 20Supply voltage PWR VCC20PWM IN–0.3to 6E/A IN(+),E/A IN(–)–0.3to 12V ISENSE1,ISENSE2–1.3to 6OV-COAST,DIR,SPEED-IN,SSTART,QUAD SEL –0.3to 8H1,H2,H3–0.3to 12PU Output Voltage–0.3to 50PU +200continuous PD ±200continuousE/A ±10Output currentmA I SENSE –10TACH OUT ±10VREF –50continuousT J Maximum Junction Temperature 150°C (1)Currents are positive into and negative out of the specified terminal.(2)Stresses above these ratings may cause permanent damage.Exposure to absolute maximum conditions for extended periods may degrade device reliability.These are stress ratings only and functional operation of the device at these or any other conditions beyond those specified is not implied.PWR VCCRC-OSC PWM IN E/A OUT VCC SSTART OV-COAST QUAD SEL E/A IN(-)ISENSE VREF H3SPEED-INH2ISENSE1ISENSE2DIR E/A IN(+)H1PDC PUB RC-BRAKE TACH-OUT PUA PDB PDAGNDPUCUC1625-SPZHCS012A –SEPTEMBER 2011–REVISED SEPTEMBER 2011RECOMMENDED OPERATING CONDITIONSover operating temperature range (unless otherwise noted)MINNOMMAX UNIT V CC Supply Voltage 1018V PU Output Current+85mA continuous PD ±85mA continuousT AOperating temperature range-55125°CTable 1.THERMAL RATINGS TABLER θJA (°C/W)R θJC (°C/W)PACKAGE (Junction-to-ambient thermal resistance)(Junction-to-case thermal resistance)DIL-28(JT)43.14.95Figure 1.CONNECTION DIAGRAMUC1625-SPZHCS012A–SEPTEMBER2011–REVISED ELECTRICAL CHARACTERISTICSUnless otherwise stated,these specifications apply over the full temperature range,typical values at T A=25°C;Pwr V CC=V CC=12V;R OSC=20kΩto V REF;C OSC=2nF;R TACH=33kΩ;C TACH=10nF;and all outputs unloaded.T A=T J.PARAMETER TEST CONDITIONS MIN TYP MAX UNIT OverallSupply current14.530.0mAVCC turn-on threshold-55°C to125°C8.658.959.55V VCC turn-off threshold7.758.058.55 Overvoltage/CoastOV-COAST inhibit threshold 1.65 1.75 1.85OV-COAST restart threshold 1.535 1.65 1.75V-55°C to125°COV-COAST hysteresis0.050.100.155OV-COAST input current–10–110μA Logic InputsH1,H2,H3low threshold0.8 1.0 1.25-55°C to125°C V H1,H2,H3high threshold 1.6 1.9 2.0H1,H2,H3input current-55°C to125°C,to0V–400–250–120μAQUAD SEL,dir thresholds0.8 1.4 3.0VQUAD SEL hysteresis70130mVDIR hysteresis-55°C to125°C0.40.60.9VQUAD SEL input current–3050150μA DIR input current–30–130PWM Amp/ComparatorE/A IN(+),E/A IN(–)input current To2.5V–5.0–0.1 5.0μA PWM IN input current To2.5V0330Error amp input offset0V<V COMMON-MODE<3V–1010mVError amp voltage gain7090dBE/A OUT range25°C to125°C0.25 3.50V-55°C0.25 4.2 Pullup current To0V,25°C-16–10–5μATo0V,-55°C to125°C–17.5-5S STARTDischarge current To2.5V0.10.4 3.0mARestart threshold0.10.20.3V Current AmpGain I SENSE1=0.3V,I SENSE2=0.5V to0.7V 1.75 1.95 2.15V/VLevel shift I SENSE1=0.3V,I SENSE2=0.3V 2.4 2.5 2.65Peak current threshold0.140.200.26VI SENSE1=0V,force I SENSE2Over current threshold0.260.300.36I SENSE1,I SENSE2input current–850–3200To0VμAI SENSE1,I SENSE2offset current-12±212Range I SENSE1,I SENSE2–12V Tachometer/BrakeTACH-OUT high level 4.75 5.3-55°C to125°C,10kΩto2.5V V TACH-OUT low level0.2On time170220280μsOn time change with temp-55°C to125°C0.1%RC-BRAKE input current To0V–4.0–1.9mAUC1625-SP ZHCS012A–SEPTEMBER2011–REVISED SEPTEMBER2011ELECTRICAL CHARACTERISTICS(continued)Unless otherwise stated,these specifications apply over the full temperature range,typical values at T A=25°C;Pwr V CC=V CC=12V;R OSC=20kΩto V REF;C OSC=2nF;R TACH=33kΩ;C TACH=10nF;and all outputs unloaded.T A=T J.PARAMETER TEST CONDITIONS MIN TYP MAX UNIT Threshold to brake,RC-brake0.8 1.0 1.2V Brake hysteresis,RC-brake0.090.4-55°C to125°CSPEED-IN threshold220257290mVSPEED-IN input current–30–530μA Low-Side Drivers(1)Voh,–1mA,down from V CC 1.60 2.50Voh,–50mA,down from V CC 1.75 2.45-55°C to125°C V Vol,1mA0.050.4Vol,50mA0.360.9Rise/fall time10%to90%slew time,into1nF50500ns High-Side DriversVol,1mA0.10.4-55°C to125°C V Vol,50mA 1.0 1.8Leakage current Output voltage=50V30μAFall time10%to90%slew time,50mA load50ns OscillatorFrequency-55°C to125°C3080kHz ReferenceIref=0mA,25°C 4.85 5.0 5.15 Output voltage V-55°C to125°C 4.7 5.0 5.3 Load regulation0mA to–20mA load–40–5mV Line regulation10V to18V V CC–10–110Short circuit current-55°C to125°C20100150mA MiscellaneousOutput turn-on delay1μs Output turn-off delay1(1)Current available from these pins can peak as high as0.5A.QUAD SELRC-OSCPW M IN E/A OUT E/A IN(+) E/A IN(–)SSTARTISENSE ISENSE1 ISENSE2VCC OV-COASTDIR SPEED-INH1H2H3 RC-BRAKE PUAPUBPUCPDAPDBPDC GND TACH-OUT PW R VCC VREFUC1625-SPZHCS012A–SEPTEMBER2011–REVISED Block DiagramUC1625-SP ZHCS012A–SEPTEMBER2011–REVISED SEPTEMBER2011DEVICE INFORMATIONTerminal FunctionsTERMINALDESCRIPTIONNAME NO.The position decoder logic translates the Hall signals and the DIR signal to the correct driversignals(PUs and PDs).To prevent output stage damage,the signal on DIR is first loadedinto a direction latch,then shifted through a two-bit register.As long as SPEED-IN is less than250mV,the direction latch is transparent.WhenSPEED-IN is higher than250mV,the direction latch inhibits all changes indirection.SPEED-IN can be connected to TACH-OUT through a filter,so that the direction latch is onlytransparent when the motor is spinning slowly,and has too little stored energy to damagepower devices.Additional circuitry detects when the input and output of the direction latch are different,or DIR,SPEED-IN6,7when the input and output of the shift register are different,and inhibits all output drivesduring that time.This can be used to allow the motor to coast to a safe speed beforereversing.The shift register ensures that direction can not be changed instantaneously.The register isclocked by the PWM oscillator,so the delay between direction changes is always going to bebetween one and two oscillator periods.At40kHz,this corresponds to a delay of between25μs and50μs.Regardless of output stage,25μs deadtime should be adequate to ensureno overlap cross-conduction.Toggling DIR causes an output pulse on TACH-OUTregardless of motor speed.E/A IN(+)and E/A IN(–)are not internally committed to allow for a wide variety of uses.Theycan be connected to the ISENSE,to TACH-OUT through a filter,to an external commandvoltage,to a D/A converter for computer control,or to another op amp for more elegantfeedback loops.The error amplifier is compensated for unity gain stability,so E/A OUT canbe tied to E/A IN(–)for feedback and major loop compensation.E/A IN(+),E/A IN(–),E/A1,28,27,26E/A OUT and PWM In drive the PWM comparator.For voltage-mode PWM systems,PWM In OUT,PWM INcan be connected to RC-OSC.The PWM comparator clears the PWM latch,commandingthe outputs to chop.The error amplifier can be biased off by connecting E/A IN(–)to a higher voltage than/EAIN(+).When biased off,E/A OUT appears to the application as a resistor to ground.E/A OUTcan then be driven by an external amplifier.GND15All thresholds and outputs are referred to the GND pin except for the PD and PU outputs.The three shaft position sensor inputs consist of hysteresis comparators with input pullupresistors.Logic thresholds meet TTL specifications and can be driven by5-V CMOS,12-VCMOS,NMOS,or open-collectors.Connect these inputs to motor shaft position sensors that are positioned120electricaldegrees apart.If noisy signals are expected,zener clamp and filter these inputs with6-VH1,H2,H38,9,10zeners and an RC filter.Suggested filtering components are1kΩand2nF.Edge skew inthe filter is not a problem,because sensors normally generate modified gray code with onlyone output changing at a time,but rise and fall times must be shorter than20μs for correcttachometer operation.Motors with60electrical degree position sensor coding can be used ifone or two of the position sensor signals is inverted.The current sense amplifier has a fixed gain of approximately two.It also has a built-in levelshift of approximately2.5V.The signal appearing on ISENSE is:I SENSE=2.5V+(2×ABS(I SENSE1–I SENSE2))I SENSE1and I SENSE2are interchangeable and can be used as differential inputs.Thedifferential signal applied can be as high as±0.5V before saturation.If spikes are expected on ISENSE1or ISENSE2,they are best filtered by a capacitor fromISENSE to ground.Filtering this way allows fast signal inversions to be correctly processed ISENSE1,ISENSE2,by the absolute value circuit.The peak-current comparator allows the PWM to enter a3,4,5ISENSE current-limit mode with current in the windings never exceeding approximately0.2V/R SENSE.The overcurrent comparator provides a fail-safe shutdown in the unlikely case ofcurrent exceeding0.3V/R SENSE.Then,softstart is commanded,and all outputs are turnedoff until the high current condition is removed.It is often essential to use some filter drivingISENSE1and ISENSE2to reject extreme spikes and to control slew rate.Reasonablestarting values for filter components might be250-Ωseries resistors and a5-nF capacitorbetween ISENSE1and ISENSE2.Input resistors should be kept small and matched tomaintain gain accuracy.This input can be used as an over-voltage shut-down input,as a coast input,or both.ThisOV-COAST23input can be driven by TTL,5-V CMOS,or12-V CMOS.UC1625-SPZHCS012A–SEPTEMBER2011–REVISED Terminal Functions(continued)TERMINALDESCRIPTIONNAME NO.These outputs can drive the gates of N-channel power MOSFETs directly or they can drivethe bases of power Darlingtons if some form of current limiting is used.They are meant todrive low-side power devices in high-current output stages.Current available from these pins PDA,PDB,PDC12,13,14can peak as high as0.5A.These outputs feature a true totem-pole output stage.Beware ofexceeding device power dissipation limits when using these outputs for high continuouscurrents.These outputs pull high to turn a“low-side”device on(active high).These outputs are open-collector,high-voltage drivers that are meant to drive high-sidepower devices in high-current output stages.These are active low outputs,meaning thatthese outputs pull low to command a high-side device on.These outputs can drivePUA,PUB,PUC16,17,18low-voltage PNP Darlingtons and P-channel MOSFETs directly,and can drive anyhigh-voltage device using external charge pump techniques,transformer signal coupling,cascode level-shift transistors,or opto-isolated drive(high-speed opto devices arerecommended).(See applications).This supply pin carries the current sourced by the PD outputs.When connecting PD outputsdirectly to the bases of power Darlingtons,the PWR VCC pin can be current limited with a PWR VCC11resistor.Darlington outputs can also be"Baker Clamped"with diodes from collectors back toPWR VCC.(See Applications)The device can chop power devices in either of two modes,referred to as“two-quadrant”(Quad Sellow)and“four quadrant”(Quad Sel high).When two-quadrant chopping,thepulldown power devices are chopped by the output of the PWM latch while the pullup driversremain on.The load chops into one commutation diode,and except for back-EMF,willexhibit slow discharge current and faster charge current.Two-quadrant chopping can be QUAD SEL22more efficient than four-quadrant.When four-quadrant chopping,all power drivers are chopped by the PWM latch,causing theload current to flow into two diodes during chopping.This mode exhibits better control of loadcurrent when current is low,and is preferred in servo systems for equal control overacceleration and deceleration.The QUAD SEL input has no effect on operation duringbraking.Each time the TACH-OUT pulses,the capacitor tied to RC-BRAKE discharges fromapproximately3.33V down to1.67V through a resistor.The tachometer pulse width isapproximately T=0.67R T C T,where R T and C T are a resistor and capacitor fromRC-BRAKE to ground.Recommended values for R T are10kΩto500kΩ,andrecommended values for C T are1nF to100nF,allowing times between5μs and10ms.Best accuracy and stability are achieved with values in the centers of those ranges.RC-BRAKE also has another function.If RC-BRAKE pin is pulled below the brake threshold, RC-BRAKE21the device enters brake mode.This mode consists of turning off all three high-side devices,enabling all three low-side devices,and disabling the tachometer.The only things that inhibitlow-side device operation in braking are low-supply,exceeding peak current,OV-COASTcommand,and the PWM comparator signal.The last of these means that if current sense isimplemented such that the signal in the current sense amplifier is proportional to brakingcurrent,the low-side devices will brake the motor with current control.(See applications)Simpler current sense connections results in uncontrolled braking and potential damage tothe power devices.The UC1625can regulate motor current using fixed-frequency pulse width modulation(PWM).The RC-OSC pin sets oscillator frequency by means of timing resistor R OSC from theRC-OSC pin to VREF and capacitor COSC from RC-OSC to Gnd.Resistors10kΩto100kΩand capacitors1nF to100nF works the best,but frequency should always be below500kHz.Oscillator frequency is approximately:F=2/(R OSC x C OSC)RC-OSC25Additional components can be added to this device to cause it to operate as a fixed off-timePWM rather than a fixed frequency PWM,using the RC-OSC pin to select the monostabletime constant.The voltage on the RC-OSC pin is normally a ramp of about1.2V peak-to-peak,centered atapproximately1.6V.This ramp can be used for voltage-mode PWM control,or can be usedfor slope compensation in current-mode control.O n T i m eC T –m F1 m 10 m 100 m100 Hz1 kHz 10 kHz100 kHz 1 MHzO s c i l l a t o r F r e q u e n c yC OSC (m F)UC1625-SPZHCS012A –SEPTEMBER 2011–REVISED SEPTEMBER 2011Terminal Functions (continued)TERMINAL DESCRIPTIONNAMENO.Any time that VCC drops below threshold or the sensed current exceeds the over-current threshold,the soft-start latch is set.When set,it turns on a transistor that pulls down on SSTART.Normally,a capacitor is connected to this pin,and the transistor will completely discharge the capacitor.A comparator senses when the NPN transistor has completely discharged the capacitor,and allows the soft-start latch to clear when the fault is removed.When the fault is removed,the soft-start capacitor charges from the on-chip current source.SSTART clamps the output of the error amplifier,not allowing the error amplifier output SSTART 24voltage to exceed SSTART regardless of input.The ramp on RC-OSC can be applied to PWM In and compared to E/A OUT.With SSTART discharged below 0.2V and the ramp minimum being approximately 1.0V,the PWM comparator keeps the PWM latch cleared and the outputs off.As SSTART rises,the PWM comparator begins to duty-cycle modulate the PWM latch until the error amplifier inputs overcome the clamp.This provides for a safe and orderly motor start-up from an off or fault condition.A 51-k Ωresister is added between VREF and SSTART to ensure switching.Any change in the H1,H2,or H3inputs loads data from these inputs into the position sensor latches.At the same time data is loaded,a fixed-width 5-V pulse is triggered on TACH-OUT.The average value of the voltage on TACH-OUT is directly proportional to speed,so this output can be used as a true tachometer for speed feedback with an external filter or TACH-OUT 20averaging circuit which usually consists of a resistor and capacitor.Whenever TACH-OUT is high,the position latches are inhibited,such that during the noisiest part of the commutation cycle,additional commutations are not possible.Although this effectively sets a maximum rotational speed,the maximum speed can be set above the highest expected speed,preventing false commutation and chatter.This device operates with supplies between 10V and 18V.Under-voltage lockout keeps all outputs off below 7.5V,insuring that the output transistors never turn on until full drive VCC 19capability is available.Bypass VCC to ground with an 0.1-μF ceramic ing a 10-μF electrolytic bypass capacitor as well can be beneficial in applications with high supply impedance.This pin provides regulated 5V for driving Hall-effect devices and speed control circuitry.VREF reaches 5V before VCC enables,ensuring that Hall-effect devices powered from VREF 2VREF becomes active before the UC1625drives any output.For proper performance VREF should be bypassed with at least a 0.1-μF capacitor to ground.TYPICAL CHARACTERISTICSOscillator FrequencyTachometer on Timevsvs C OSC and R OSCRT and CTFigure 2.Figure 3.-75Temperature –5C -50-250755025125100S u p p l y C u r r e n t – m A02468101214161820-75Temperature –5C-50-250755025125100S o f t S t a r t C u r r e n t – m A-15-14-13-12-11-10-9-8-7-6-5-75Temperature –5C-50-25755025125100S o f t S t a r t C u r r e n t – m A0.25.50.751.001.25I SENSE2 – I SENSE1 – VI S E N S E – V0.50.0-0.52.533.5UC1625-SPZHCS012A –SEPTEMBER 2011–REVISED SEPTEMBER 2011TYPICAL CHARACTERISTICS (continued)Supply CurrentSoft-Start Pullup CurrentvsvsTemperatureTemperatureFigure 4.Figure 5.Soft-Start Discharge CurrentCurrent Sense Amplifier Transfer FunctionvsvsTemperatureI SENSE2–I SENSE1Figure 6.Figure 7.PUAPDAPULL DOWNPULL UP FROMUC1625-SPZHCS012A –SEPTEMBER 2011–REVISED SEPTEMBER 2011APPLICATION INFORMATIONCross Conduction PreventionThe UC1625inserts delays to prevent cross conduction due to overlapping drive signals.However,some thought must always be given to cross conduction in output stage design because no amount of dead time can prevent fast slewing signals from coupling drive to a power device through a parasitic capacitance.The UC1625contains input latches that serve as noise blanking filters.These latches remain transparent through any phase of a motor rotation and latch immediately after an input transition is detected.They remain latched for two cycles of the PWM oscillator.At a PWM oscillator speed of 20kHz,this corresponds to 50μs to 100μs of blank time which limits maximum rotational speed to 100kRPM for a motor with six transitions per rotation or 50kRPM for a motor with 12transitions per rotation.This prevents noise generated in the first 50μs of a transition from propagating to the output transistors and causing cross-conduction or chatter.The UC1625also contains six flip flops corresponding to the six output drive signals.One of these flip flops is set every time that an output drive signal is turned on,and cleared two PWM oscillator cycles after that drive signal is turned off.The output of each flip flop is used to inhibit drive to the opposing output (Figure 8).In this way,it is impossible to turn on driver PUA and PDA at the same time.It is also impossible for one of these drivers to turn on without the other driver having been off for at least two PWM oscillator clocks.Figure 8.Cross Conduction PreventionUC1625-SPZHCS012A–SEPTEMBER2011–REVISED Power Stage DesignThe UC1625is useful in a wide variety of applications,including high-power in robotics and machinery.The power output stages used in such equipment can take a number of forms,according to the intended performance and purpose of the system.Figure9show four different power stages with the advantages and disadvantages of each.For high-frequency chopping,fast recovery circulating diodes are essential.Six are required to clamp the windings.These diodes should have a continuous current rating at least equal to the operating motor current, since diode conduction duty-cycle can be high.For low-voltage systems,Schottky diodes are preferred.In higher voltage systems,diodes such as Microsemi UHVP high voltage platinum rectifiers are recommended.In a pulse-by-pulse current control arrangement,current sensing is done by resistor R S,through which the transistor's currents are passed(Fig.A,B,and C).In these cases,R D is not needed.The low-side circulating diodes go to ground and the current sense terminals of the UC1625(I SENSE1and I SENSE2)are connected to R S through a differential RC filter.The input bias current of the current sense amplifier causes a common mode offset voltage to appear at both inputs,so for best accuracy,keep the filter resistors below2kΩand matched. The current that flows through R S is discontinuous because of chopping.It flows during the on time of the power stage and is zero during the off time.Consequently,the voltage across R S consists of a series of pulses, occurring at the PWM frequency,with a peak value indicative of the peak motor current.To sense average motor current instead of peak current,add another current sense resistor(R D in Fig.D)to measure current in the low-side circulating diodes,and operate in four quadrant mode(pin22high).The negative voltage across R D is corrected by the absolute value current sense amplifier.Within the limitations imposed by Table2,the circuit of Fig.B can also sense average current.TOMOTORFIGURE ATOMOTORFIGURE BTOMOTORFIGURE CTOMOTORFIGURE DUC1625-SPZHCS012A –SEPTEMBER 2011–REVISED SEPTEMBER 2011Figure 9.Four Power Stage Designs Table 2.Imposed Limitations for Figure 9CURRENT SENSESAFE 2QUADRANT4QUADRANTPOWER REVERSEBRAKINGPulse-by-PulseAverage Figure A Yes No No N0Yes No Figure B Yes Yes No In 4-quad mode only Yes Yes Figure C Yes Yes Yes In 4-quad mode only Yes No Figure DYesYesYesIn 4-quad mode onlyYesYesUC1625-SPZHCS012A –SEPTEMBER 2011–REVISED SEPTEMBER 2011For drives where speed is critical,P-channel MOSFETs can be driven by emitter followers as shown in Figure 10.Here,both the level shift NPN and the PNP must withstand high voltages.A zener diode is used to limit gate-source voltage on the MOSFET.A series gate resistor is not necessary,but always advisable to control overshoot and ringing.High-voltage optocouplers can quickly drive high-voltage MOSFETs if a boost supply of at least 10V greater than the motor supply is provided (See Figure 11)To protect the MOSFET,the boost supply should not be higher than 18V above the motor supply.For under 200-V 2-quadrant applications,a power NPN driven by a small P-Channel MOSFET performs well as a high-side driver as in Figure 12.A high voltage small-signal NPN is used as a level shift and a high voltage low-current MOSFET provides drive.Although the NPN does not saturate if used within its limitations,the base-emitter resistor on the NPN is still the speed-limiting component.Figure 13shows a power NPN Darlington drive technique using a clamp to prevent deep saturation.By limiting saturation of the power device,excessive base drive is minimized and turn-off time is kept fairly ck of base series resistance also adds to the speed of this approach.Figure 10.Fast High-Side P-Channel DriverFigure 11.Optocoupled N-Channel High-SideDriverUC1625-SP ZHCS012A–SEPTEMBER2011–REVISED SEPTEMBER2011Figure12.Power NPN High-Side Driver Figure13.Power NPN Low-Side DriverUC1625-SPZHCS012A–SEPTEMBER2011–REVISED Fast High-Side N-Channel Driver with Transformer IsolationA small pulse transformer can provide excellent isolation between the UC1625and a high-voltage N-Channel MOSFET while also coupling gate drive power.In this circuit(shown in Figure14),a UC3724is used as a transformer driver/encoder that duty-cycle modulates the transformer with a150-kHz pulse train.The UC3725 rectifies this pulse train for gate drive power,demodulates the signal,and drives the gate with over2-A peak current.Figure14.Fast High-Side N-Channel Driver with Transformer IsolationBoth the UC3724and the UC3725can operate up to500kHz if the pulse transformer is selected appropriately. To raise the operating frequency,either lower the timing resistor of the UC3724(1kΩmin),lower the timing capacitor of the UC3724(500pF min)or both.If there is significant capacitance between transformer primary and secondary,together with very high output slew rate,then it may be necessary to add clamp diodes from the transformer primary to12V and ground. General purpose small signal switching diodes such as1N4148are normally adequate.The UC3725also has provisions for MOSFET current limiting.See the UC3725data sheet for more information on implementing this.UC1625-SP ZHCS012A–SEPTEMBER2011–REVISED SEPTEMBER2011Computational Truth TableTable3shows the outputs of the gate drive and open collector outputs for given hall input codes and direction signals.Numbers at the top of the columns are pin numbers.These devices operate with position sensor encoding that has either one or two signals high at a time,never all low or all high.This coding is sometimes referred to as"120°Coding"because the coding is the same as coding with position sensors spaced120magnetic degrees about the rotor.In response to these position sense signals, only one low-side driver turns on(go high)and one high-side driver turns on(pull low)at any time.putational Truth TableINPUTS OUTPUTSDIR H1H2H3Low-Side High-Side68910121314161718 1001L H L L H H 1011L L H L H H 1010L L H H L H 1110H L L H L H 1100H L L H H L 1101L H L H H L 0101L L H H L H 0100L L H L H H 0110L H L L H H 0010L H L H H L 0011H L L H H L 0001H L L H L H X111L L L H H H X000L L L H H H。
0103Specifications04User Guide05ESC Programming06Programmable Items07Data CheckingProgrammable Item List of Platinum 60A V4 ESC. (“*” in the form below indicate factory defaults. )USER MANUALHV 130A V4 / HV 130A OPTO V4Brushless Electronic Speed Controller1. Flight Mode:1.1 In “Fixed-wing” mode, the motor will start up when the throttle amount reaches 5% or above. There is no soft start-up, the motor responds to the throttle increase rapidly.1.2 In “Helicopter (Linear Throttle)” mode, the motor will start up when the throttle amount reaches 5% and it will start up in a soft way with the throttle (from 0 to 100%) acceleration time is fixed to 3.5 seconds. It will accelerate to the RPM corresponds to the specific throttle amount at the fixed rate.1.3 In “Helicopter (Elf Governor)” mode, the motor will start up when the throttle amount reaches 40% or above. And it will complete the speed standardization and enter the speed-governing operation in the preset start-up time (4~25s). In this mode, the motor will standardize its speed every time it starts up. Due to different discharge rates/capabilities of different batteries, the RPM you standardize each time may be a little different. In consequence, at the same throttle amount, the RPM may be a bit different when using different batteries, but this won’t affect the speed-governing effect.1.4 In “Helicopter (Store Governor)” mode, the motor will start up when the throttle amount reaches 40% or above. It will also start up in a very soft way. And it will also complete the speed standardization and enter the speed-governing operation in the preset start-up time. In this mode, the motor will only standardize its speed the first time when it starts up. When performing RPM standardization for the first time, we recommend using a fully-charged battery with good discharge capability. After the RPM standardization, change another battery to fly your aircraft. At the same throttle amount, the RPM should be the same as the RPM of the first flight. For consistent control feel, we recommend using this mode. About RPM Standardization & OthersI. The motor will enter the soft start-up when user switches the throttle amount from 0 to 40% or above (50%throttle is recommended). The pitch of main blades should be 0 degree during the• High performance microprocessor for excellent motor speed-governing and super soft start-up.• Microprocessor powered by independent DC regulator has better anti-interference performance, which greatly reduces the risk of losing control.• DEO (Driving Efficiency Optimization) Technology adopted greatly improves throttle response & driving efficiency, reduces ESC temperature.• New switch-mode BEC with adjustable output voltage ranges from 5V to 8V and continuous/peak current of 10A/25A.• BEC is separated from other circuits of the ESC, it will keep its normal output when the MOSFET board of the ESC is burnt. • Multiple flight modes: Fixed-wing, Helicopter (Linear Throttle), Helicopter (Elf Governor),Helicopter (Store Governor).• New governor program with adjustable governor parameter P/I brings excellent speed-governing effect, guarantees the stability of the propeller’s revs when the load changes dramatically. • Data logging records the standardized RPM, minimum voltage and maximum temperature of the flight.• "Restart in auto rotation" can manually interrupt the auto rotation and quickly restart the motor to avoid crashes caused by incorrect operations. • Independent output port for RPM (that is: motor speed) signals.• Separate programming port for ESC programming or parameter setting.• WIFI module (sold separately) for programming the ESC wirelessly with your smart phone (IOS or Android).• Online data checking, ESC programming, firmware upgrade (Multifunction LCD program box or WIFI Express is needed) supported.• Multiple protections like start-up protection, ESC thermal protection, capacitor thermal protection, over-current protection, overload protection, and throttle signal loss protection.Model Applications Input Voltage Cont./Peak Current (10s)BEC OutputThrottle Signal/BEC Output/RPM Signal Transmission WiresSize/WeightSeparate Programming PortPlatinum HV 130A V4White Throttle Signal Wire/Red & Black BEC Output Wires/Yellow RPM Signal Transmission WireFor connecting Multifunction LCD Program Box/WIFI module or fanSwitch-mode, 5V-8V Adjustable (Step:0.1V), 10A/25A Cont./Peak101x45.5x27mm / 168.5gProgrammingConnect the LCD program box and a battery to your ESC as shown above.successfully connected to your ESC.relates to the ESC.main blades =R ÷ Motor Poles ÷ 2 ÷ Gear Ratio × Throttle Amount (%).channel on the VBAR system. About which channel you should plug it in, it depends on your receiver and flybarless system. The White wire is for transmitting Program Your ESC with a WIFI Express: For detailed information, please refer to the user manual of WIFI Express.The ESC will record the standardized RPM, minimum voltage, maximum current and maximum temperatures of the flight but won’t save these data, so you need to keep the ESC on if you want to check theinformation of the flight.08Normal Start-up ProcessTurn on the transmitter, and then move the throttle stick to the bottom position.After connected to a battery, the ESC will emit “♪123” indicating it’s normally powered on.The motor will emit several beeps to indicate the number of LiPo cells.The motor emits a long beep indicating the ESC is ready to go.09Explanations for Warning Tones1. Input voltage is abnormal:The ESC will measure the input voltage the moment when it’s powered on. The motor will keep beeping “BB, BB, BB” (the interval between two BBs is 1 second) when the input voltage is beyond the normal range. The warning tone won’t stop until the voltage turns normal. 2. Throttle signal loss protection is activated:The motor will beep “B-, B-, B-” (the interval between two B-s is 2 seconds) when the ESC doesn’t detect any throttle signal. 3. Throttle stick is not at the bottom position:The motor will beep “B-B-B-B-B-” when the throttle stick is not moved to the bottom position.4. Throttle range is to narrow:The motor will beep “B-B-B-B-B-” when the throttle range you set is too narrow (when designing this ESC, it requires that the entire throttle range you set cannot be less than 50% of the whole throttle range available on the transmitter.) The warning tone indicates the throttle range you set is void and you need to set it again.10Explanations for Multiple Protections11Different Troubles & Status LEDs1. Start-up Protection:The ESC will monitor the motor speed during the start-up process. When the speed stops increasing or the speed increase is not stable, the ESC will take it as a start-up failure. At that time, if the throttle amount is less than 15%, the ESC will automatically try to restart up; if it is larger than 15%, you need to move the throttle stick to back the bottom position and then restart up the ESC. (Possible causes of this problem: poor connection/ disconnection between the ESC and motor wires, propellers are blocked, etc.)2. ESC Thermal Protection:The ESC will gradually reduce the output but won’t cut it off completely when the ESC temperature goes above 110℃. For ensuring the motor can still get some power and won’t cause crashes, so the maximum reduction is about 50% of the full power. The ESC will gradually resume its maximum power after the temperature lowers down. In addition, the ESC temperature cannot exceed 70℃ when it’s powered on. Otherwise, it cannot be started up. (Here we are describing the ESC’s reaction in soft cutoff mode, while if in hard cutoff mode; it will immediately cut off the power.) 3. Capacitor Thermal Protection:The ESC will activate this protection when the operating temperature of capacitors goes over 130℃. It protects capacitors in the same way as the ESC thermal protection does to the ESC .4. Throttle Signal Loss Protection:When the ESC detects loss of signal for over 0.25 second, it will cut off the output immediately to avoid an even greater loss which may be caused by the continuous high-speed rotation of propellers or rotor blades. The ESC will resume the corresponding output after normal signals are received. 5. Overload Protection:The ESC will cut off the power/output or automatically restart itself when the load suddenly increases to a very high value. (Possible cause to sudden load increase is that propellers are blocked.)6. Over-current Protection:The ESC will cut off the power when the current gets close to the short circuit current (of 400A). This protection may be activated by the burnt motor or some others.soft start-up process, the RPM standardization completes when the soft start-up ends, and the ESC makes the motor enter the speed-governing state. In “Helicopter (Store Governor)” mode, if user wants to re-standardize the speed, he needs to set the flight mode to “Helicopter (Elf Governor)” and save this mode first, and then reset the flight mode back to “Helicopter (Store Governor)”, then the ESC will re-standardize the motor speed when the motor rotates for the first time after the ESC is powered off and then on again.II. For ensuring the speed-governing effect, we recommend setting the throttle amount to 85% or below in both speed-governing modes (Helicopter (Store Governor) & Helicopter (Elf Governor)), so there will besufficient compensating room to maintain the consistency of the RPM. We recommend replacing the motor or adjusting the gear ratio if the expected RPM still cannot be reached when the throttle amount exceeds 85%. (Note: You need to re-standardize the RPM after replacing the motor, blades, body frame or adjusting the gear ratio.)III. In “Helicopter (Store Governor)” mode, if you fly your aircraft with another pack that has poor discharge capability after the RPM standardization (with a pack which has good discharge capability), the pack has poor discharge capability will get damaged.IV. In “Helicopter (Store Governor)” mode, different battery packs can bring the same stable RPM only if they have the same cell count. This won’t change even when you change the battery pack. However, battery packs with different cell count don’t have the same effect. For instance, in “Helicopter (Store Governor)” mode, you can not use a 4S to calibrate the motor RPM and then use a 6S to drive the motor, hoping it can run at the same RPM.V. User can decide the control feel via adjusting Governor Parameter P/I. In “Helicopter (Store Governor) or Helicopter (Elf Governor)” mode, connect your ESC to a smart phone or PC, then you can check the throttle vs speed chart.2. LiPo Cells: The ESC will automatically calculate the number of LiPo cells you have plugged in as per the “3.7V/Cell” rule if “Auto Calc.” is selected. Or user can set this item manually. 3. Voltage Cutoff Type:The ESC will gradually reduce the output to 50% of the full power in 3 seconds after the voltage cutoff protection is activated, if soft mode is selected . It will immediately cut off all the output when hard mode is selected. 4. Cutoff Voltage: 2.8V-3.8V (custom), 3.0V (default).5. BEC Voltage: 5-8V (adjustable), 0.1V (step), 6V (default).6. Start-up Time: 4-25s (adjustable), 1s (step), 15s (default). (Note: It only functions in Helicopter (Store Governor) and Helicopter (Elf Governor))7. Governor Parameter P: Control the ESC maintaining the stability of the current motor speed.8. Governor Parameter I: Control the dynamic response. To be specific, control the supplement extent when the actual motor speed is below expectation. If you choose a very big value, then the supplement may be too much. If select a very small value, then the supplement may not sufficient.9. Auto Restart Time:the ESC will cut off its output when the throttle amount is between 25% and 40%. If you increase the throttle amount to above 40% within preset time period (0-90s), the motor will rapidly start up and accelerate to the speed (in the programmed Restart Acceleration Time) corresponds to the specific throttle amount, complete the shutdown and restart up . If you move the throttle stick to over 40% beyond the preset time period, the ESC will enter the soft start-up process. (Note: This function won’t effect unless the throttle amount is over 25% and it only effects in “Helicopter (Store Governor) and Helicopter (Elf Governor)” mode.)10. Restart Acceleration Time:1-3s (adjustable), 0.5s (step), 1.5s (default). This item controls the time the motor will cost to restart and accelerate to the full speed. (This function only effects in “Helicopter Governor Elf/Store” mode) 11. Brake Type:11.1 Proportional Brake: when the throttle range on the transmitter is between 20% and 100%, the corresponding ESC throttle output is between 0% and 100%.When the throttle range on the transmitter is between 20% and 0%, the corresponding brake force is between 0 and 100%.11.2 Reverse: after selecting this option, the RPM signal wire will turn into a reverse signal wire (the signal range is in line with the throttle range). After setting a channel on the transmitter, when the reverse signal length is above 20% signal length, the Reverse mode will be activated. The reverse signal length must be below 20% signal length when the ESC is powered on for the first time. When the reverse signal length is below 20% signal length, 0-100%throttle corresponds to “CW”; when the reverse signal length is above 20% signal length, the motor will stop spinning CW (and then spin CCW); at this time, 0-100% throttle corresponds to “CCW”. Any signal loss will activate the throttle signal loss protection, no matter it happens to the RPM signal wire or the throttle signal cable during the flight.12. Brake Force: 0-100% (adjustable), 1% (step), 0 (default). (Note: this function only effects in “Normal Brake” mode.)13. Timing: 0-30° (adjustable), 1° (step), 15° (default).14. Motor Rotation: CW/CCW. User can adjust this item via a multifunction LCD program box.15. DEO (Freewheel): User can decide this function “Enabled” or “Disabled” in “Fixed Wing” mode or in “Helicopter (Linear Throttle)” mode. This item has been preset to “Enabled” and cannot be adjusted in “Helicopter (Store Governor) and Helicopter (Elf Governor)” mode. This function can brings better throttle linearity.During the normal operation, the Blue LED on the ESC will turn solid after the start-up completes. The Red LED will come on at full throttle and dies out at partial throttle.。
感谢您选择本公司产品,为确保您在使用中更了解本产品功能,请详细阅读下面规格书。
锂电电动车控制器线束定义
锂电控制器使用方法
1.将各功能线正确接入车;
2.打开电源,电机慢速转;
3.调整电机方向则拨插学习线;或再拧一次转把(学习线未拔时)
4.方向确认后必须拨掉学习线
5.拧转加速手把,电机正常转动,OK!
锂电控制器的双门锁线用法
说明:子弹壳长带电,实际就是电池的正极电压;
子弹头,门锁电压输入端,这根线只有接入电池电压控制器才可以工作.
***有的车子习惯直接用电池正极粗线接入钥匙开关,这样就
省掉了电门锁线,但是此时必须对插双门锁线.否则控制器不工作!
注:对于不用门锁线的控制器(电池总正极直接接入电锁开关时,原因是当电门长时间关闭后控制器失去记忆电压后,极少数控制器可能在车电门打开时反转,此时只需重新学习一下即可。
)
使用中控制器常见的问题
1.刹车不断电:低电平刹车线接入电池的负极是否可刹车,黄
线常态为4.7-5V。
2.不能变速:检查变速线是否接入牢固,电机霍尔损坏也影响
变速。
当负载电流超过8A时,超速不明显。
检验超速功能是否有效的办法是:将车子架空加速测试。
3.不能助力:拨掉助力总成霍尔插头.测控制器助力红黑线常态
应为4.7-5V,绿线电压应为5V左右.否则不正常.
4.不能定速:检查控制器白色线是否与地线对接,对接后电压为
0V,定速时为0V.不定速为4.7-5V!。
无刷直流电机驱动器说明书无刷驱动器DBLS-02一概述:本控制驱动器为闭环速度型控制器,采用最近型IGBT和MOS功率器,利用直流无刷电机的霍尔信号进行倍频后进行闭环速度控制,控制环节设有PID速度调节器,系统控制稳定可靠,特别是在低速下总能达到最大转矩,速度控制范围150~10000rpm。
二产品特征:1、 PID速度、电流双环调节器2、高性能低价格3、 20KHZ 斩波频率4、电气刹车功能,使电机反应迅速5、过载倍数大于2,在低速下转矩总能达到最大6、具有过压、欠压、过流、过温、霍尔信号非法等故障报警功能三电气指标标准输入电压:24VDC~48VDC,最大电压不超过60VDC。
最大输入过载保护电流:15A、30A两款连续输出电流:15A加速时间常数出厂值:0.2秒其它可定制四端子接口说明 :1、电源输入端:GND:信号地F/R:正、反转控制,接GND反转,不接正转,正反转切换时,应先关断ENEN:使能控制:EN接地,电机转(联机状态),EN不接,电机不转(脱机状态)BK:刹车控制:当不接地正常工作,当接地时,电机电气刹车,当负载惯量较大时,应采用脉宽信号方式,经过调整脉宽幅值来控制刹车效果。
SV ADJ:外部速度衰减:能够衰减从0~100%,当外部速度指令接6.25V时,经过该电位器能够调速试机PG:电机速度脉冲输出:当极对数为P时,每转输出6P个脉冲(OC门输入)ALM:报警输出:当电路处于报警状态时,输出低电平(OC门输出)+5V:调速电压输出,可用电位器在SV和GND形成连续可调内置电位器:调节电机速度增益,能够从0~100%范围内调速。
五驱动器与无刷电机接线图六机械安装:。
产品手册ZM-6405E驱动器))高性能直流无刷控制器((驱动器高性能直流无刷控制器�在使用本品前,请仔细阅读本手册�请妥善保管本手册,以备日后参考�本册外观图片仅供参考,请以实物为准感谢您购买时代超群产品。
ZM-6405E是我公司基于最新BiCD工艺集成电路开发的高性能直流无刷控制器(驱动器),具有体积小、发热低、可靠性高、寿命长、易于使用等特点。
在使用本产品前,强烈建议您阅读以下安全注意事项,并在充分理解手册所有内容以后,再开始使用。
安全注意事项�本产品属于专业电器设备,应由专业技术人员进行安装、调试、操作和维护。
不正确的使用将导致触电、火灾、爆炸等危险�本产品为直流电源供电,请确认电源正负极正确后通电�无刷电机的相线和霍尔线必须与驱动器完全接对※才能通电,否则可能因电流过大导致驱动器烧毁�请勿带电插拔连接线缆,且通电中不允许有线缆短路,否则将导致产品损坏�电机运行中如需改变方向,必须先减速致电机停止后,再换方向�驱动器非密封,请勿在内部混入镙丝、金属屑等导电性异物或腐蚀性异物,储存和使用时请注意防潮防尘�驱动器为功率设备,尽量保持工作环境的散热通风※电机的相线和霍尔共8条线都有明确定义,必须与驱动器一一对应完全匹配;在电机线定义不确定的前提下,仅采用简单的颜色对应接法是错误的。
目录安全注意事项安全注意事项………………………………………………………………………………1产品特点产品特点…………………………………………………………………………………………3主要功能主要功能…………………………………………………………………………………………3产品工作条件产品工作条件………………………………………………………………………………4接口定义接口定义…………………………………………………………………………………………5限流说明限流说明…………………………………………………………………………………………6调速方式示意调速方式示意………………………………………………………………………………6方向及使能控制方向及使能控制…………………………………………………………………………7保护及恢复方法保护及恢复方法……………………………………..........................................9外形尺寸外形尺寸 (10)10常见问题解答常见问题解答 (1)11质保条例质保条例…………………………………………… (12)�高集成度高可靠性无刷直流(BLDC)电机控制器�三相全桥,PWM斩波方式�闭环稳速,大负载时电机仍能保持转速�纯硬件设计,高速度,高抗干扰能力�周波限电流方式,保护更加精确快速�低发热,大功率�欠电压(≤13V)、过热(>150℃)自动保护�堵转6秒自动保护�霍尔错误保护�输出限流线性可调:0.5-5A�支持内置电位器、外接电位器、模拟电压和PWM调速�带有使能功能�具有缓启动功能,避免电流过冲,有效保护电机负载加大时电流过大导致工作异常。
无刷驱动器DBLS-02一概述:本控制驱动器为闭环速度型控制器,采取最近型IGBT和MOS功率器,利用直流无刷电机霍尔信号进行倍频后进行闭环速度控制,控制步骤设有PID速度调整器,系统控制稳定可靠,尤其是在低速下总能达成最大转矩,速度控制范围150~10000rpm。
二产品特征:1、 PID速度、电流双环调整器2、高性能低价格3、 20KHZ 斩波频率4、电气刹车功效,使电机反应快速5、过载倍数大于2,在低速下转矩总能达成最大6、含有过压、欠压、过流、过温、霍尔信号非法等故障报警功效三电气指标标准输入电压:24VDC~48VDC,最大电压不超出60VDC。
最大输入过载保护电流:15A、30A两款连续输出电流:15A加速时间常数出厂值:0.2秒其它可定制四端子接口说明 :1、电源输入端:GND:信号地F/R:正、反转控制,接GND反转,不接正转,正反转切换时,应先关断ENEN:使能控制:EN接地,电机转(联机状态),EN不接,电机不转(脱机状态)BK:刹车控制:当不接地正常工作,当接地时,电机电气刹车,当负载惯量较大时,应采取脉宽信号方法,经过调整脉宽幅值来控制刹车效果。
SV ADJ:外部速度衰减:能够衰减从0~100%,当外部速度指令接6.25V时,经过该电位器能够调速试机PG:电机速度脉冲输出:当极对数为P时,每转输出6P个脉冲(OC门输入)ALM:报警输出:当电路处于报警状态时,输出低电平(OC门输出)+5V:调速电压输出,可用电位器在SV和GND形成连续可调内置电位器:调整电机速度增益,能够从0~100%范围内调速。
五驱动器和无刷电机接线图六机械安装:七功效和使用调速方法本驱动器提供以下两种调速方法用户可任选一个:内部电位器调速: 逆时针旋转驱动器面板上电位器电机转速减小,顺时针则转速增大。
用户使用外部输入调速时必需将电位器设于最小状态。
外部输入调速将外接电位器两个固定端分别接于驱动器GND和+5v一端,将调整端接于SV端即可使用外接电位器(10K~50K)调速,也能够经过其它控制单元(如PLC、单片机等)输入模拟电压到SV端实现调速(相对于GND),SV端口接收范围为DC OV~+5V,对应电机转速为0~额定转速。
T h e E l e k t r a i s a n e n t r y -l e v e l m i d -f r e q u e n c y s p e e d c o n t r o l c r e a t e d w i t h t h e h i g h -e n d r a c i n g t e c h n o l o g y t h a t N o v a k E l e c t r o n i c s i s k n o w n f o r .S e t -U p ™ f o r q u i c k a n d e a s y ELEKTRA ACCESSORIESMOTOR CAPACITORSTo prevent radio interference problems, you must have F capacitors properly installed on every motor.Included with the Elektra speed control are three 0.1µF (enough for one motor). Additional 0.1µF (50V) capacitors are available as Novak Accessory Kit which contains 25 capacitors. Please refer to Step 4 on the back page for proper motor capacitor A replacement heat sink set is available for the Elektra Accessory Kit #5408. These purple anodized Micro-Fin heat sinks provide the proper transistor cooling that is required to get the best performance from your speed control. The heat operating temperatures low to prevent overheating and thermal shut down, and result in more efficient speed control operation.PRECAUTIONSREAD INSTRUCTIONS CAREFULLY BEFORE USING!WATER & ELECTRONICS DON'T MIX! Do not operate model in or around water. Never allow water, moisture, or other foreign materials to get inside the ESC.Never use more or fewer than 6 sub-C cells (1.2 volt DC/cell) in the main battery pack.MOTOR CAPACITORS REQUIRED Three 0.1µF (50V)ceramic capacitors must be properly installed on every to prevent radio interference.DO NOT REMOVE BATTERY OR MOTOR CONNECTORS Internal damage can occur and will void the warranty.DON'T LET TRANSISTOR TABS TOUCH Never allow the two transistor tab banks or the heat sinks to touch each other or any exposed metal, as this will create a short circuit DISCONNECT THE BATTERIES Always disconnect the pack from the speed control when not in use.Always turn on the power ofGround / motor can2.CONNECT SPEED CONTROL TO THE RECEIVERPlug the speed control into the THROTTLE CHANNEL of the receiver.3.CONNECT SPEED CONTROL TO THE BATTERY PACKPlug the white JST connector from the speed control into the JST/Tamiya style connector on a fully charged6 cell battery pack (1.2 volts DC/cell)negative (-) and the red wire is positive (4.CONNECT SPEED CONTROL TO THE MOTORPlug the bullet connector on the red wire (speed control to motor positive. Plug the other bullet connector, on the blue wire (-), to motor negative.Removing or changing the battery or motor connectors may cause internal ESC damage and will void the warranty. USE ONLY STOCK & MILD MODIFIED MOTORS (20 or more turns only!) with the Elektra speed control––Using hotter motors and lower gear ratios will cause the speed control to overheat.TIP: Twisting the BLUE & RED motor wires one or two times around each other as they go to motor can help reduce any radio noise that may be emitted from the power wires. Refer to Set-Up photo.5.OPTIONAL USE OF SCHOTTKY DIODEThe Elektra does not require an external Schottky diode.However, using one will increase the efficiency and reduce the operating temperature of the ESC.Solder the lead CLOSEST to the silver stripe on the body of the Schottky diode to the POSITIVESolder the lead OPPOSITE the silver stripe on the body of the Schottky to the NEGATIVE (-) motor tab.Schottky diodes are available in Novak kit #5640.If installed backwards, a Schottky diode will be destroyed. The body of a bad diode will normally crack open. Replace only with diodes that have a minimum rating of 35 volts / 8 amps.CUSTOMER SERVICECUSTOMER SERVICE HOURS (PST)Monday-Thursday:8:00am-5:00pmFriday:8:00am-4:00pm (closed every other Fri.)(949) 833-8873 • FAX (949) 833-1631©1999 Novak Electronics, Inc. • All Rights ReservedNo part of these operating instructions may be reproduced without thewritten permission of Novak Electronics, Inc.All Novak speed controls are designed and manufactured in the U.S.A.Elektra™, Polar Drive Technology™, Radio Priority Circuitry™, One-Touch Set-Up™, and Digital Anti-Glitch Circuitry™ are all trademarks ofNovak Electronics, Inc.Printed in the U.S.A. 11/99 • #IM-1930-1blue wire(motor negative)red wire(motor positive)Trail excess wireoff antenna mast.(Do not cut or coil)Tip: Twist motor wiresto reduce radio noise!Keep receiverand antennaaway frommotor, servo,battery, andpower wires.red wire(battery positive)black wire(battery negative)(-)(+)Mount switchwhere it will beeasy to get to.(-)(+)Extra 0.1µF capacitorsavailable in Novak kit #5620.NOVAK ELECTRONICS, INC.18910 Teller AvenueIrvine, CA 92612motor with20 or moreturns6 cellbatterypack。
`FT3107TThree Phase Sensorless BLDC Motor ControllerDescriptionThe FT3107T is a Three Phase sensorless BLDC Motor controller. It provides several drive modes (BLDC, Pseudo-BLDC, Pseudo-SINE, Narrow BLDC) with constant/variable lead angle intended for a wide range of motor characteristics . Open/Closed loop speed adjustment can be achieved through either direct-PWM or analog voltage or frequency control, initiated by soft-start. Speed indicator is provided through a Frequency Generator output, generating digital pulse with a configurable frequency proportional to the speed of the motor.Protection functions of FT3107T are comprehensive including lock protection and automatic recovery, thermal shutdown and current limit protections. These prevent the control circuits and the motor from being damaged, particularly under stressed applications and demanding environments.Feature⚫Sensorless BLDC/Pseudo-BLDC /Pseudo-SINE/Narrow BLDC drives⚫Two speed adjustment methods can be selected (direct-PWM and analog voltage control) ⚫ Intelligent Soft-start⚫ Constant/Variable lead angle control⚫Open/Closed loop speed adjustment can be selected (direct-PWM and analog voltage control). ⚫ FG (Frequency Generator) output ⚫ Current limit protectio n⚫Built-in lock protection and automatic recovery circuit⚫Built-in thermal shutdown protection (TSD)Block DiagramSPEED/PWM BRAKEFR UL WLVH UH WH VLPin AssignmentFT3107EMFVEMFUISENSE WLVL UL WH VH UH VREG10EMFWFR ILIMITFG BRAKE TM VDD5VSS VCCAbsolute Maximum RatingsStresses exceeding the absolute maximum ratings may damage the device. The device may be damaged or may not function or be operational above these ratings and stressing the device to/above these levels is not recommended. Fortior does not recommend exceeding or designing about the Absolute Maximum Ratings.Recommended Operating ConditionsThe Recommended Operating Conditions table defines the conditions for actual device operation. Recommended operating conditions are specified to ensure optimal performance to the datasheet specifications.Electrical Characteristics2. Note2: BRAKE、PWM、FR.3.Note3: UH、VH、WH4.Note4: UL、VL、WLFunctional Description and NotesPlease read the following notes before designing driver circuits with FT3107T.1. Power Up SequenceUpon powering up of IC, VCC needs to rise to 3V and above within 30ms; Any IO input control sequence must not be connected before VCC is stable.VCCOther2. Drive ModeFT3107T can be programmed to drive the motor with different drive modes, BLDC/Pseudo-BLDC/Pseudo-SINE/ Narrow BLDC. BLDC is driven at 120 degrees pulse width, Pseudo BLDC is driven at an increased pulse width with edges of the width superimposed with PWM. This mode is useful where acoustic noise is a concern over BLDC. Under some conditions, for acoustic noise reduction, Pseudo Sine can be used where the motor is driven sinusoidally except for a single window for back-EMF detection. In the event where the flyback current is large, narrow BLDC can be use where the pulse width is smaller and flyback current pulse can be accommodated for.3. Speed Control MethodsFT3107T has two methods to control speed, through direct digital PWM input or analog voltage input. If digital PWM input is used, PWM input duty direct input to control speed. If analog voltage speed control is used, the voltage seen at SPEED will generate an internal PWM with its duty cycle determined by the following equation:0.5_4SPEED V Duty cycle −=The selection of digital PWM input control or analog voltage is done through efuse.4. Closed loop speed controlClosed loop speed control can be is controlled through the duty cycle of the digital input PWM or the voltage level of the analog input PWM. Additional efuses (VLOW and VRANGE) together with SMIN_DUTY can be set in order to achieve the speed profiles. This is achieved using an internal PI loop with its proportional and integral gains configurable through efuses.5. Frequency Generator FunctionThe Frequency Generator output generates a rotation pulse providing information about the speed of motor. It can be programmed using internal efuse to give 2 mechanical rotation for motor pole pairs ranging from 2-8, or 1-3 per electrical rotation. The default setting is 1 pulse per electrical degree. The FG pin is an open drain output, which is to be connected to a logical voltage level through an external pull-up resistor when used. This pin can be left open if unused.6. EMF FeedbackEMF_U\ EMF_V\ EMF_W are motor back-EMF inputs and must be proportionately stepped down to less than VDD5 for protection of the IC.7. Brake FunctionFT3107T comes with brake function. Braking operates intelligently for protective purpose. When BRAKE pin is set low, if the motor is rotating above the brake threshold speed, output MOSFETs will be turned off to slow down the motor. However, if the motor is rotating below the brake threshold speed, and the lower legs of the output MOSFETs will be turned on to brake the motor. The reason for this distinction is to protect the MOSFETs from excessive braking currents due to large back-EMF.8. Lead Angle CorrectionThe lead angle of generated motor driving signal related to the induced magnetic voltage can be shifted by an angle between 0 and 15 degrees. Lead angle control can be achieved by directly applying a voltage to the ISENSE pin.0.51.01.52.02.53.03.54.04.55.003691215°Lead angle 0°LA = 330 mV(typ.)ISENSE = 0 VISENSE (V)L e a d A n g l e (°)ISENSE(V)vs. Lead Angle(°)Figure 1 ISENSE vs Lead Angle<Typical Characteristics of the ISENSE versus Lead Angle>9. Lockup Protection and Automatic RestartIf motor rotation is abnormal, the internal detection circuit starts self-locking detection for a given number of cycles (Trun). If the motor rotation is abnormal for Trun cycles, the lock-up protection circuit will disable the driver (by setting its outputs to high-impedance) in order to prevent the motor coil from burnout. After a “waiting time (Twait)”, the lock-up protection is released and normal operation resumes. Similarly if rotation is abnormal for another time period, Trun, lock-up protection will once again be triggered. Twait and Trun timings are configurable with internal efuse and can be modified by user.Figure2 Lockup Protection and Automatic Restart10. Current ProtectionThere are two methods of current protection: overload current protection and cycle by cycle current protection. Cycle by cycle current protection is only available for BLDC. The overload current protection and cycle by cycle current protection of the motor is selected by setting internal efuseThe current limit circuit limits the output current peak value to a level determined by the equation:/ISENSE I Vref R = For the overload current protection mode, the current limit circuit detects the peak current of the output transistors at the ISENSE pin and will reduce the duty cycle of PWM.For the cycle by cycle current protection mode, when the voltage at the ISENSE input is higher than VREF, the current limit protection is generated and the output PWM will be turned off. Being cycle by cycle, it is reset every PWM cycle. The VREF voltage can be selected to internal voltage or ILIMIT pin input analog voltage using efuse.VERF(ILIMIT)ISESNPWMCycle by cycle FaultprotectionFigure 3 Cycle by cycle current protection mode11.Thermal Protection.FT3107T has a built in thermal shunt down function, which will shut down the device when the junction temperature is over 150°C and will resume operating when the junction temperature drops back to 120°C.12.One time programmable.FT3107T Efuse for chip configuration can only be programmed once. It is not reprogrammable.Application Circuit ExamplePackage InformationTSSOP-20Copyright Notice` FT3107T Copyright by Fortior Technology (Shenzhen) Co., Ltd. All Rights Reserved.Right to make changes —Fortior Technology (Shenzhen) Co., Ltd reserves the right to make changes in the products - including circuits, standard cells, and/or software - described or contained herein in order to improve design and/or performance. The information contained in this manual is provided for the general use by our customers. Our customers should be aware that the personal computer field is the subject of many patents. Our customers should ensure that they take appropriate action so that their use of our products does not infringe upon any patents. It is the policy of Fortior Technology (Shenzhen) Co., Ltd. to respect the valid patent rights of third parties and not to infringe upon or assist others to infringe upon such rights.This manual is copyrighted by Fortior Technology (Shenzhen) Co., Ltd. You may not reproduce, transmit, transcribe, store in a retrieval system, or translate into any language, in any form or by any means, electronic, mechanical, magnetic, optical, chemical, manual, or otherwise, any part of this publication without the expressly written permission from Fortior Technology (Shenzhen) Co., Ltd.Fortior Technology (Shenzhen) Co.,Ltd.Room203, 2/F, Building No.11, Keji Central Road2,Software Park, High-Tech Industrial Park, Shenzhen, P.R. China 518057Tel**************Fax**************URL: Contained hereinCopyright by Fortior Technology (Shenzhen)Co.,Ltd all rights reserved.REV 1.111 。
YU TIAN MOTOR CO.,LTD型号:BLC-70规格书品名:直流无刷电机驱动器雨田电机有限公司该规格书适用于3A 的BLC-70直流无刷驱动器。
1 应用2 额定参数额定电压额定电流峰值电流额定转速DC12V ~30V3A6A适用电动机的最大转速20000RPM额定参数测量办法使用测功机测量额定电流和额定转速时,应在额定功率、额定转矩情况下测得。
使用测功机和示波器测量峰值电流时,应在额定转速启动瞬间测得。
3 外观与尺寸3-1 外观驱动器的外观应光洁完好,若存在开裂、凹陷是不被允许的。
当驱动器递交给客户时,驱动器的快速刹车(BRK)端和霍尔电源负极(DC-)端的连接线应已如图1连接完好。
图1注意:快速刹车(BRK)端和霍尔电源负极(DC-)端连接好的驱动器应与图1所示图样相同。
VDC: +12V ~ +24VB L DC M O T O RD R I VE RRUN/ALMSV F/RBRK DC-W V U HU HV HW DC+VCC RVBRKDC-B LC _70图4 功能与运行4-1 启动和停止当驱动器递交给客户的时,快速刹车(BRK)端和霍尔电源负极(DC-)端之间的连接线已连接完好。
当接通电源时,驱动器BLD-70便能带动电动机自行运转。
连接或断开快速刹车(BRK)端和霍尔电源负极(DC-)端的连接线可控制电动机的运行和停止。
当快速刹车4-2 方向控制连接或断开F/R端和COM端的连接线可实现电动机不同方向的运转。
当断开F/R端和COM端的连接线时,电动机顺时针运转。
当连接F/R端和COM端的连接线时,电动机逆时针运转。
4-3 快速停止当驱动器递交给客户的时,快速刹车(BRK)端和霍尔电源负极(DC-)端并已连接。
当接通电源时,驱动器BLD-70便能带动电动机自行运转。
断开或连接快速刹车(BRK)端和霍尔电源负极(DC-)端的连接线可控制电动机的自然运行和快速停止。
当断开BRK端和COM端的连接线时,电动机快速停止。
奥伟斯科技为您提供马达控制芯片MC33035DWR2G应用参考设计方案●内容导航:●公司简介●MC33035DWG MC33035DWR2G MC33035P MC33035PG产品规格书●产品图片●主营产品及优势产品简介●公司简介深圳市奥伟斯科技有限公司是一家专注触摸芯片,单片机,电源管理芯片,语音芯片,场效应管,显示驱动芯片,网络接收芯片,运算放大器,红外线接收头及其它半导体产品的研发,代理销售推广的高新技术企业.奥伟斯科技自成立以来一直致力于新半导体产品在国内的推广与销售,年销售额超过壹亿人民币是一家具有综合竞争优势的专业电子元器件代理商.本公司代理推广的一系列优秀触摸芯片及语音芯片,现以大批量应用到智能电子锁、饮水机、电饭煲、LED台灯等控制器为顾客提供最佳解决方案,受到广大客户的一致赞誉。
奥伟斯科技优势行业集中在家用电器和汽车电子领域,包括:智能电子锁、饮水机、抽烟机、空调、洗衣机、冰箱、洗碗机、电饭煲、电磁炉、微波炉、电动自行车、汽车仪表、汽车音响、汽车空调等。
销售网络覆盖华东、华南及华北地区。
奥伟斯科技已为众多世界著名企业提供服务如:美的、小米、云米、长虹、创维、三星、LG、飞利浦、TCL、海尔、美菱、沁园、等众多中国一流品牌电家厂商奥伟斯科技提供专业的智能电子锁触摸解决方案,并提供电子锁整套的芯片配套:低功耗触摸芯片低功耗单片机马达驱动芯片显示驱动芯片刷卡芯片时针芯片存储芯片语音芯片低压MOS管 TVS二极管主要品牌产品:OWEIS-TECH一.电容式触摸芯片ADSEMI触摸芯片代理芯邦科技触控芯片万代科技触摸按键芯片博晶微触摸控制芯片海栎创触摸感应芯片启攀微触摸IC 融和微触摸感应IC 合泰触摸按键IC 通泰触摸芯片二.汽车电子/电源管理/接口芯片/逻辑芯片:IKSEMICON一级代理 ILN2003ADT IK62783DT IL2596 IL2576 ILX485 ILX3485 ILX232 ILX3232 三.功率器件/接收头/光电开关:KODENSHI AUK SMK系列MOS管SMK0260F SMK0460F SMK0760F SMK1260F SMK1820F SMK18T50F四. LED显示驱动芯片:中微爱芯AIP系列 AIP1668 AIP1628 AIP1629 AIP1616天微电子TM系列 TM1628 TM1668TM1621五.电源管理芯片:Power Integrations LNK364PN LNK564PN 芯朋微PN8012 PN8015 AP5054 AP5056 力生美晶源微友达天钰电子FR9886 FR9888六.语音芯片:APLUS巨华电子AP23085 AP23170 AP23341 AP23682 AP89085 AP89170 AP89341 AP89341K AP89682七.运算放大器:3PEAK运算放大器聚洵运算放大器圣邦微运算放大器八.发光二极管:OSRAM欧司朗发光二极管 Lite-On光宝发光二极管 Everlight亿光发光二极管 Kingbright今台发光二极管九. CAN收发器:NXP恩智浦CAN收发器 Microchip微芯CAN收发器十.分销产品线:ONSEMI安森美 TI德州仪器 ADI TOSHIBA东芝 AVAGO安华高十一 MCU单片机ABOV现代单片机MC96F系列 Microchip微芯单片机PIC12F PIC16F PIC18F系列 FUJITSU富仕通单片机MB95F系列 STM单片机STM32F STM32L系列 CKS中科芯单片机CKS32F系列 TI单片机MSP430系列 TMS320F系列 NXP单片机LPC系列MC33035, NCV33035Brushless DC Motor ControllerThe MC33035 is a high performance second generation monolithic brushless DC motor controller containing all of the active functions required to implement a full featured open loop, three or four phase motor control system. This device consists of a rotor position decoder for proper commutation sequencing, temperature compensated reference capable of supplying sensor power, frequency programmable sawtooth oscillator, three open collector top drivers, and three high current totem pole bottom drivers ideally suited for driving power MOSFETs.Also included are protective features consisting of undervoltage lockout, cycle−by−cycle current limiting with a selectable time delayed latched shutdown mode, internal thermal shutdown, and a unique fault output that can be interfaced into microprocessor controlled systems.Typical motor control functions include open loop speed, forward or reverse direction, run enable, and dynamic braking. The MC33035 is designed to operate with electrical sensor phasings of 60︒/300︒ or 120︒/240︒, and can also efficiently control brush DC motors. Features123P SUFFIXPLASTIC PACKAGE CASE 724241DW SUFFIXPLASTIC PACKAGE CASE 751E24(SO−24L)1PIN CONNECTIONS∙ 10 to 30 V Operation ∙ Undervoltage Lockout∙ 6.25 V Reference Capable of Supplying Sensor Power ∙ Fully Accessible Error Amplifier for Closed Loop ServoApplications∙ High Current Drivers Can Control External 3−Phase MOSFET Bridge∙ Cycle−By−Cycle Current Limiting ∙ Pinned−Out Current Sense Reference ∙ Internal Thermal Shutdown∙ Selectable 60︒/300︒ or 120︒/240︒ Sensor Phasings∙ Can Efficiently Control Brush DC Motors with External MOSFET H−Bridge∙ NCV Prefix for Automotive and Other Applications Requiring Site and Control Changes∙ Pb−Free Packages are AvailableTop Drive B T OutputA TFwd/RevS A Sensor S InputsS COutput EnableReference Output Current Sense Noninverting Input Oscillator Error AmpNoninverting Input Error Amp Inverting Input C TBrake 60︒/120︒ Select A B Bottom B B Drive OutputsC B V C V CC Gnd Current Sense Inverting InputFault Output Error Amp Out/PWM Input(Top View)ORDERING INFORMATIONSee detailed ordering and shipping information in the package dimensions section on page 27 of this data sheet.DEVICE MARKING INFORMATIONSee general marking information in the device marking section on page 27 of this data sheet.© Semiconductor Components Industries, LLC, 20041 Publication Order Number:13 1214 11151016 917 818 7 19 620 5 21 422 23 24 BRepresentative Schematic Diagram This device contains 285 active transistors.MAXIMUM RATINGS1. The input common mode voltage or input signal voltage should not be allowed to go negative by more than 0.3 V.2. The compliance voltage must not exceed the range of −0.3 to V ref.3. NCV33035: T low = −40︒C, T high = 125︒C. Guaranteed by design. NCV prefix is for automotive and other applications requiring site and changecontrol.4. MC33035: T A = −40︒C to +85︒C; NCV33035: T A = −40︒C to +125︒C.5. Maximum package power dissipation limits must be observed.φ, E X C E S S P H A S E (D E G R E E S )V s a t , O U T P U T S A T U R A T I O N V O L T A G E (V )∆ , f O S C O S C I L L A T O R F R E Q U E N C Y C H A N G E (%)1004.02.0 10−0 1.010 1001000−R T , TIMING RESISTOR (k Ω) Figure 1. Oscillator Frequency versusTiming Resistor T A , AMBIENT TEMPERATURE (︒C)Figure 2. Oscillator Frequency Changeversus Temperature5648 40 32 24 16 8.0 0 − 8.0 −16 − 24 1.0 k10 k100 k1.0 M40 60 80100 120 140 160180 200 220 240 10 M− 0.8−1.61.60.8 0 01.02.03.04.05.0f, FREQUENCY (Hz)Figure 3. Error Amp Open Loop Gain andPhase versus Frequency I O , OUTPUT LOAD CURRENT (mA)Figure 4. Error Amp Output SaturationVoltage versus Load Current3.053.02.954.53.01.51.0 μs/DIVFigure 5. Error Amp Small−SignalTransient Response 5.0 μs/DIVFigure 6. Error Amp Large−SignalTransient ResponseA V O L , O P E N L O O P V O L T A G E G A I N (dB )f O S C , O S C I L L A T O R F R E Q U E N C Y (k H z )V O , O U T P U T V O L T A G E (V )V O , O U T P U T V O L T A G E (V )V s a t , O U T P U T S A T U R A T I O N V O L T A G E (V )− 4.0 − 8.0 − 12 − 16− 20− 241020304050607.0 6.0 5.0 4.0 3.0 2.01.00 010203040I ref , REFERENCE OUTPUT SOURCE CURRENT (mA)Figure 7. Reference Output Voltage Changeversus Output Source Current V CC , SUPPLY VOLTAGE (V)Figure 8. Reference Output Voltageversus Supply Voltage4020− 2− 41.02.03.04.05.0T A , AMBIENT TEMPERATURE (︒C) Figure 9. Reference Output Voltageversus Temperature PWM I NPUT V OLTAGE (V)Figure 10. Output Duty Cycle versusPWM Input Voltage250200 0.250.2150100 0.150.150 0.050 1.02.03.04.05.0 06.07.08.09.0104.08.0 12 16CURRENT SENSE INPUT VOLTAGE (NORMALIZED TO V th )Figure 11. Bottom Drive Response Time versusCurrent Sense Input Voltage I Sink , SINK CURRENT (mA)Figure 12. Fault Output Saturationversus Sink Current∆V r e f , R E F E R E N C E O U T P U T V O L T A G E C H A N G E (m V )∆V r e f , N O R M A L I Z E D R E F E R E N C E V O L T A G E C H A N G E (m V )t H L , B O T T O M D R I V E R E S P O N S E T I M E (n s ) O U T P U T D U T Y C Y C L E (%)V r e f , R E F E R E N C E O U T P U T V O L T A G E (V )1.21000.80.40 01020 I Sink , S INK C URRENT (mA)3040100 ns/DIVFigure 13. Top Drive Output SaturationVoltage versus Sink CurrentFigure 14. Top Drive Output Waveform1001000 050 ns/DIV50 ns/DIVFigure 15. Bottom Drive Output Waveform Figure 16. Bottom Drive Output Waveform−1.0− 2.02.01.00 02040601614 12 10 8.0 6.0 4.0 2.0 0 805.01015202530I O , OUTPUT LOAD CURRENT (mA)Figure 17. Bottom Drive Output SaturationVoltage versus Load Current V CC , SUPPLY VOLTAGE (V)Figure 18. Power and Bottom Drive SupplyCurrent versus Supply VoltageV s a t , O U T P U T S A T U R A T I O N V O L T A G E (V )O U T P U T V O L T A G E (%) V s a t , O U T P U T S A T U R A T I O N V O L T A G E (V )I C , I C C , P O W E R S U P P L Y C U R R E N T (m A )O U T P U T V O L T A G E (%)O U T P U T V O L T A G E (%)INTRODUCTIONThe MC33035 is one of a series of high performance monolithic DC brushless motor controllers produced by Motorola. It contains all of the functions required to implement a full−featured, open loop, three or four phase motor control system. In addition, the controller can be made to operate DC brush motors. Constructed with Bipolar Analog technology, it offers a high degree of performance and ruggedness in hostile industrial environments. The MC33035 contains a rotor position decoder for proper commutation sequencing, a temperature compensated reference capable of supplying a sensor power, a frequency programmable sawtooth oscillator, a fully accessible error amplifier, a pulse width modulator comparator, three open collector top drive outputs, and three high current totem pole bottom driver outputs ideally suited for driving power MOSFETs.Included in the MC33035 are protective features consisting of undervoltage lockout, cycle−by−cycle current limiting with a selectable time delayed latched shutdown mode, internal thermal shutdown, and a unique fault output that can easily be interfaced to a microprocessor controller.Typical motor control functions include open loop speed control, forward or reverse rotation, run enable, and dynamic braking. In addition, the MC33035 has a 60︒/120︒select pin which configures the rotor position decoder for either 60︒ or 120︒ sensor electrical phasing inputs. FUNCTIONAL DESCRIPTIONA representative internal block diagram is shown in Figure 19 with various applications shown in Figures 36, 38, 39, 43, 45, and 46. A discussion of the features and function of each of the internal blocks given below is referenced to Figures 19 and 36.Rotor Position DecoderAn internal rotor position decoder monitors the three sensor inputs (Pins 4, 5, 6) to provide the proper sequencing of the top and bottom drive outputs. The sensor inputs are designed to interface directly with open collector type Hall Effect switches or opto slotted couplers. Internal pull−up resistors are included to minimize the required number of external components. The inputs are TTL compatible, with their thresholds typically at 2.2 V. The MC33035 series is designed to control three phase motors and operate with four of the most common conventions of sensor phasing. A 60︒/120︒Select (Pin 22) is conveniently provided and affords the MC33035 to configure itself to control motors having either 60︒, 120︒, 240︒or 300︒electrical sensor phasing. With three sensor inputs there are eight possible input code combinations, six of which are valid rotor positions. The remaining two codes are invalid and are usually caused by an open or shorted sensor line. With six valid input codes, the decoder can resolve the motor rotor position to within a window of 60 electrical degrees.The Forward/Reverse input (Pin 3) is used to change the direction of motor rotation by reversing the voltage across the stator winding. When the input changes state, from high to low with a given sensor input code (for example 100), the enabled top and bottom drive outputs with the same alpha designation are exchanged (A T to A B, B T to B B, C T to C B). In effect, the commutation sequence is reversed and the motor changes directional rotation.Motor on/off control is accomplished by the Output Enable (Pin 7). When left disconnected, an internal 25 μA current source enables sequencing of the top and bottom drive outputs. When grounded, the top drive outputs turn off and the bottom drives are forced low, causing the motor to coast and the Fault output to activate.Dynamic motor braking allows an additional margin of safety to be designed into the final product. Braking is accomplished by placing the Brake Input (Pin 23) in a high state. This causes the top drive outputs to turn off and the bottom drives to turn on, shorting the motor−generated back EMF. The brake input has unconditional priority over all other inputs. The internal 40 kΩpull−up resistor simplifies interfacing with the system safety−switch by insuring brake activation if opened or disconnected. The commutation logic truth table is shown in Figure 20. A four input NOR gate is used to monitor the brake input and the inputs to the three top drive output transistors. Its purpose is to disable braking until the top drive outputs attain a high state. This helps to prevent simultaneous conduction of the the top and bottom power switches. In half wave motor drive applications, the top drive outputs are not required and are normally left disconnected. Under these conditions braking will still be accomplished since the NOR gate senses the base voltage to the top drive output transistors.Error AmplifierA high performance, fully compensated error amplifier with access to both inputs and output (Pins 11, 12, 13) is provided to facilitate the implementation of closed loop motor speed control. The amplifier features a typical DC voltage gain of 80 dB, 0.6 MHz gain bandwidth, and a wide input common mode voltage range that extends from ground to V ref. In most open loop speed control applications, the amplifier is configured as a unity gain voltage follower with the noninverting input connected to the speed set voltage source. Additional configurations are shown in Figures 31 through 35.OscillatorThe frequency of the internal ramp oscillator is programmed by the values selected for timing components R T and C T. Capacitor C T is charged from the Reference Output (Pin 8) through resistor R T and discharged by an internal discharge transistor. The ramp peak and valley voltages are typically 4.1 V and 1.5 V respectively. To provide a good compromise between audible noise and output switching efficiency, an oscillator frequency in the range of 20 to 30 kHz is recommended. Refer to Figure 1 for component selection.S A45 Sensor S BInputs 6S C3 Forward/Reverse60︒/120︒S elect22Output Enable 720 k20 k40 k25 μA20 k40 kRotorPositionDecoderV M14Fault Output2A T1 TopDriveB T Outputs24C TV in17V CC18V CUndervoltageLockout ReferenceReference Output 8Noninv. Input 11Faster 12 R T 13RegulatorError AmpPWM9.1 V4.5 VThermalShutdownLatch21A B20 BottomB B DriveOutputsError A mp Out R 19 PWM Input Q C BS10 Oscillator LatchC TSQ 40 kR9 Current Sense Input Sink Only= Positive TrueLogic WithHysteresis16 Gnd100 mV23Brake Input15 Current SenseReference InputFigure 19. Representative Block DiagramNOTES: 1. V = Any one of six valid sensor or drive combinations X = Don’t care.2. The digital inputs (Pins 3, 4, 5, 6, 7, 22, 23) are all TTL compatible. The current sense input (Pin 9) has a 100 mV threshold with respect to Pin 15.A logic 0 for this input is defined as < 85 mV, and a logic 1 is > 115 mV.3. The fault and top drive outputs are open collector design and active in the low (0) state.4. With 60︒/120︒select (Pin 22) in the high (1) state, configuration is for 60︒sensor electrical phasing inputs. With Pin 22 in low (0) state, configurationis for 120︒sensor electrical phasing inputs.5. Valid 60︒or 120︒sensor combinations for corresponding valid top and bottom drive outputs.6. Invalid sensor inputs with brake = 0; All top and bottom drives off, Fault low.7. Invalid sensor inputs with brake = 1; All top drives off, all bottom drives on, Fault low.8. Valid 60︒or 120︒sensor inputs with brake = 1; All top drives off, all bottom drives on, Fault high.9. Valid sensor inputs with brake = 1 and enable = 0; All top drives off, all bottom drives on, Fault low.10. Valid sensor inputs with brake = 0 and enable = 0; All top and bottom drives off, Fault l ow.11. All bottom drives off, Fault low.Figure 20. Three Phase, Six Step Commutation Truth Table (Note 1)Pulse Width ModulatorThe use of pulse width modulation provides an energy efficient method of controlling the motor speed by varying the average voltage applied to each stator winding during the commutation sequence. As C T discharges, the oscillator sets both latches, allowing conduction of the top and bottom drive outputs. The PWM comparator resets the upper latch, terminating the bottom drive output conduction when the positive−going ramp of C T becomes greater than the error amplifier output. The pulse width modulator timing diagram is shown in Figure 21. Pulse width modulation for speed control appears only at the bottom drive outputs.Current Limit sensing an over current condition, immediately turning off the switch and holding it off for the remaining duration of oscillator ramp−up period. The stator current is converted to a voltage by inserting a ground−referenced sense resistor R S (Figure 36) in series with the three bottom switch transistors (Q4, Q5, Q6). The voltage developed across the sense resistor is monitored by the Current Sense Input (Pins 9 and 15), and compared to the internal 100 mV reference. The current sense comparator inputs have an input common mode range of approximately 3.0 V. If the 100 mV current sense threshold is exceeded, the comparator resets the lower sense latch and terminates output switch conduction. The value for the current sense resistor is:Continuous operation of a motor that is severely over−loaded results in overheating and eventual failure.R S =I0.1stator(max)This destructive condition can best be prevented with the use of cycle−by−cycle current limiting. That is, each on−cycle is treated as a separate event. Cycle−by−cycle current limiting is accomplished by monitoring the stator current build−up each time an output switch conducts, and upon The Fault output activates during an over current condition. The dual−latch PWM configuration ensures that only one single output conduction pulse occurs during any given oscillator cycle, whether terminated by the output of the error amp or the current limit comparator.Capacitor C TError A mpOut/PWMInputCurrentSense InputLatch “Set"InputsTop D riveOutputsBottom DriveOutputsFault OutputFigure 21. Pulse Width Modulator Timing Diagram Reference Undervoltage LockoutA triple Undervoltage Lockout has been incorporated to prevent damage to the IC and the external power switch transistors. Under low power supply conditions, it guarantees that the IC and sensors are fully functional, and that there is sufficient bottom drive output voltage. The positive power supplies to the IC (V CC) and the bottom drives (V C) are each monitored by separate comparators that have their thresholds at 9.1 V. This level ensures sufficient gate drive necessary to attain low R DS(on) when driving standard power MOSFET devices. When directly powering the Hall sensors from the reference, improper sensor operation can result if the reference output voltage falls below 4.5 V. A third comparator is used to detect this condition. If one or more of the comparators detects an undervoltage condition, the Fault Output is activated, the top drives are turned off and the bottom drive outputs are held in a low state. Each of the comparators contain hysteresis to prevent oscillations when crossing their respective thresholds.The on−chip 6.25 V regulator (Pin 8) provides charging current for the oscillator timing capacitor, a reference for the error amplifier, and can supply 20 mA of current suitable for directly powering sensors in low voltage applications. In higher voltage applications, it may become necessary to transfer the power dissipated by the regulator off the IC. This is easily accomplished with the addition of an external pass transistor as shown in Figure 22. A 6.25 V reference level was chosen to allow implementation of the simpler NPN circuit, where V ref − V BE exceeds the minimum voltage required by Hall Effect sensors over temperature. With proper transistor selection and adequate heatsinking, up to one amp of load current can be obtained. Fault OutputThe open collector Fault Output (Pin 14) was designed to provide diagnostic information in the event of a system malfunction. It has a sink current capability of 16 mA and can directly drive a light emitting diode for visual indication. Additionally, it is easily interfaced with TTL/CMOS logic for use in a microprocessor controlled system. The Fault Output is active low when one or more of the following conditions occur:1)Invalid Sensor Input code2)Output Enable at logic [0]3)Current Sense Input greater than 100 mVV in1718REF UVLO 4)Undervoltage Lockout, activation of one or more ofthe comparators5)Thermal Shutdown, maximum junction temperaturebeing exceededThis unique output can also be used to distinguish betweenMPS 8 U01ATo motor start−up or sustained operation in an overloaded condition. With the addition of an RC network between the Fault Output and the enable input, it is possible to create aV in SensorPower5.6 V39ControlCircuitry6.25 V1718UVLOtime−delayed latched shutdown for overcurrent. The addedcircuitry shown in Figure 23 makes easy starting of motorsystems which have high inertial loads by providingadditional starting torque, while still preserving overcurrentprotection. This task is accomplished by setting the currentlimit to a higher than nominal value for a predetermined time.MPSU51A0.1 8REF During an excessively long overcurrent condition, capacitorC DLY will charge, causing the enable input to cross itsthreshold to a low state. A latch is then formed by the positiveTo Control Circuitryand Sensor Power6.25 VThe NPN circuit is recommended for powering Hall or opto sensors, where the output voltage temperature coefficient is not critical. The PNP circuit is slightly more complex, but is also more accurate over temperature. Neither circuit has current limiting.Figure 22. Reference Output Buffers feedback loop from the Fault Output to the Output Enable. Once set, by the Current Sense Input, it can only be reset by shorting C DLY or cycling the power supplies.(Drive OutputsThe three top drive outputs (Pins 1, 2, 24) are open collector NPN transistors capable of sinking 50 mA with a minimum breakdown of 30 V. Interfacing into higher voltage applications is easily accomplished with the circuits shown in Figures 24 and 25.The three totem pole bottom drive outputs (Pins 19, 20, 21) are particularly suited for direct drive of N−Channel MOSFETs or NPN bipolar transistors (Figures 26, 27, 28 and 29). Each output is capable of sourcing and sinking up to 100 mA. Power for the bottom drives is supplied from V C (Pin 18). This separate supply input allows the designer added flexibility in tailoring the drive voltage, independent of V CC . A zener clamp should be connected to this input when driving power MOSFETs in systems where V CC is greater than 20 V so as to prevent rupture of the MOSFET gates.The control circuitry ground (Pin 16) and current sense inverting input (Pin 15) must return on separate paths to the central input source ground.Thermal ShutdownInternal thermal shutdown circuitry is provided to protect the IC in the event the maximum junction temperature is exceeded. When activated, typically at 170 C, the IC acts as though the Output Enable was grounded.t DLY = R DLY C DLY InV ref – (I IL enable R DLY )V th enable – (I IL enable R DLY )(6.25 – (20 x 10–6 R DLY ))Transistor Q 1 is a common base stage used to level shift from V CC to the = R DLY C DLY In 1.4 – (20 x 10–6 RDLY )high motor voltage, V M . The collector diode is required if V CC is present while V M is low.Figure 23. Timed Delayed LatchedOver Current Shutdown Figure 24. High Voltage Interface withNPN Power Transistors)The addition of the RC filter will eliminate current−limit instability caused by the leading edge spike on the current waveform. Resistor R S should be a low in- ductance type.Figure 25. High Voltage Interface withN−Channel Power MOSFETsFigure 26. Current Waveform Spike SuppressionI B+ 0 t−Base Charge RemovalSeries gate resistor R g will dampen any high frequency oscillations caused by the MOSFET input capacitance and any series wiring induction in the gate−source circuit. Diode D is required if the negative current into the Bot- tom Drive Outputs exceeds 50 mA.The totem−pole output can furnish negative base current for enhanced tran- sistor turn−off, with the addition of capacitor C.Figure 27. MOSFET Drive PrecautionsFigure 28. Bipolar Transistor Drive21D SENSEFETG S MK20199 15R SPower Ground:To Input Source ReturnR S · I pk · R DS(on)100 mVV Pin 9 =r DM(on) + R S16 GndIf: SENSEFET = MPT10N10M R S = 200 Ω, 1/4 W Then : V Pin 9 ≈ 0.75 I pkControl Circuitry Ground (Pin 16) and Current Sense Inverting Input (Pin 15) must return on separate paths to the Central Input Source Ground.Virtually lossless current sensing can be achieved with the implementation of SENSEFET power switches.This circuit generates V Boost for Figure 25.Figure 29. Current Sensing Power MOSFETs Figure 30. High Voltage Boost SupplyV AV BV = V (R 3 + R 4) R 2(R 4 V )Resistor R 1 with capacitor C sets the acceleration time constant while R 2 controls the deceleration. The values of R 1 and R 2 should be at least ten Pin 13 A R 1 + R 2 3 —R 3 Btimes greater than the speed set potentiometer to minimize time constant variations with different speed settings.Figure 31. Differential Input Speed Controller Figure 32. Controlled Acceleration/DecelerationR B o o s t V o l t a g e (V )S N 74L S 145 ( )5.0 V16 11V CC Q 910 Q 8166 k 145 k100 k 8 REFQ 9 126 k 12 P313 BCD 14 P2 Inputs P1 7Q 6 7 Q 5 6 Q 4 5 108 k92.3 k 77.6 k 7 25 μA11EA1215 P0 Q 3 4 Q2 363.6 k 51.3 k 13 PWMQ 1Gnd Q 082 40.4 k 1The SN74LS145 is an open collector BCD to One of Ten decoder. When con- nected as shown, input codes 0000 through 1001 steps the PWM in incre- ments of approximately 10% from 0 to 90% on−time. Input codes 1010 through 1111 will produce 100% on−time or full motor speed.The rotor position sensors can be used as a tachometer. By differentiating the positive−going edges and then integrating them over time, a voltage proportional to speed can be generated. The error amp compares this volt- age to that of the speed set to control the PWM.Figure 33. Digital Speed Controller Figure 34. Closed Loop Speed ControlVR 3 + R 4RR4Pi n 3 =V ref V V ref 1 23 3 8 B =R 5 + 1 R 6R 1T7 R 511 R 2 312 25 μAEAR 3 >> R 5 ǁ R 66R 413PWM This circuit can control the speed of a cooling fan proportional to the differencebetween the sensor and set temperatures. The control loop is closed as the forced air cools the NTC thermistor. For controlled heating applications, ex- change the positions of R 1 and R 2.Figure 35. Closed Loop Temperature ControlR R。
九牛智能无刷控制器说明书一、产品概述九牛智能无刷控制器是一款用于驱动无刷电机的控制器。
它采用先进的无刷电机控制技术,能够精准控制电机的转速和转向,并具有高效能、低噪音、长寿命等优点。
本说明书将详细介绍九牛智能无刷控制器的特点、使用方法和注意事项,以帮助用户充分了解和正确使用该产品。
二、产品特点1. 先进的控制技术:九牛智能无刷控制器采用先进的无刷电机控制算法,能够实现高效准确的转速和转向控制,提供稳定可靠的驱动效果。
2. 宽电压输入:该控制器适用于广泛的电压范围,可支持多种电源供电,具有较高的适应性。
3. 多种控制模式:九牛智能无刷控制器支持多种控制模式,包括速度控制模式、转向控制模式和位置控制模式,可根据实际需求进行选择。
4. 丰富的保护功能:该控制器具有过压保护、过流保护、过热保护等多种保护功能,能够有效保护电机和控制器的安全运行。
5. 简便的接口:九牛智能无刷控制器采用标准接口设计,与电机的连接简单方便,可与各种类型的无刷电机配合使用。
三、使用方法1. 接线连接:首先,将九牛智能无刷控制器与电源和无刷电机进行正确的接线连接,确保连接牢固可靠。
接线时要注意正负极性的正确性,避免短路或反接等问题。
2. 控制参数设置:根据实际需求,通过控制器上的参数设置界面,设置相应的控制参数,包括速度、转向、加速度等。
确保参数设置正确,以获得理想的控制效果。
3. 控制信号输入:通过外部控制设备(如遥控器、编码器等),向九牛智能无刷控制器发送相应的控制信号,以实现对电机的控制。
控制信号可以是模拟信号或数字信号,控制方式灵活多样。
4. 监测和保护:在使用过程中,及时监测电机的工作状态,如转速、温度等参数,以及控制器的工作状态,如电压、电流等参数。
如发现异常情况,应及时采取相应的保护措施,避免损坏电机和控制器。
四、注意事项1. 请按照说明书要求正确安装和使用九牛智能无刷控制器,避免不必要的故障和损坏。
2. 在使用过程中,应注意控制器和电机的散热问题,确保其在适宜的温度范围内工作,避免过热损坏。
BLDC300W24V直流无刷控制器有霍尔/无霍尔使用手册版本1.3目录声明 (2)安全注意事项 (2)前言 (3)产品概述 (3)规格摘要 (3)使用前检查 (3)安装和接线 (4)安装 (4)控制器参数 (5)接线定义 (6)接线 (6)应用功能 (9)质保条例 (14)声明本手册内容如有变更,恕不另行通知。
我们希望您请仔细阅读本使用手册,以帮助您更加恰当安装和使用该控制器。
但是本公司不对本手册的使用或其他用途作任何形式的保证,故因本手册的增减、错误、展示或以其他方法使用本手册造成的直接、间接、突发性、或持续的损害,本公司将不负任何责任。
如果您在使用过程中有任何疑问和需要帮助之处,请尽快联系我们。
安全注意事项本产品属于专业电器设备,应由专业技术人员进行安装、调试、维护,不正确的使用方法将导致火灾、爆炸等危险。
本产品为直流电源供电,请按要求使用。
请勿带电接线或插拔线缆。
本控制器无装保险,请在电源输入增加保险。
控制器几乎无防护,请做好防护,勿混入螺丝,金属屑,注意防潮。
本产品为功率设备,注意通风散热。
木瓜工作室OVERVIEW前言产品概述BLDC300W24V直流无刷控制器是一款简单易用的,适合6-60V内符合参数范围内的直流无刷电机。
广泛应用在各种直流无刷风扇,直流无刷水泵,割草机,滑板车,平衡车,机器人,油泵,电动车窗,空调风机,玩具,航模,电动工具等开发和设计。
采用螺丝固定端子,接线简单,免去爱好者为了接不同电机需要每个电机焊接接线座之苦。
带散热器更能解决大功率使用散热问题。
宽电压范围设计,耐压范围可达0-80V。
6-60V 电压使用范围满足各种电压等级应用。
规格摘要堵转保护带速度反馈缓启动功能输出限流支持电位器,模拟电压,PWM占空比等方式控制霍尔角度120°开环控制速度反馈有霍尔带刹车功能尺寸:45.00mm*85.00mm*37.00mm使用前检查本产品在出厂前会经过严格的检查和测试,确保每个控制器都符合出厂标准,但运输过程中造成的损害是我们无法控制的。
友谊提示 : 禁止随意剪断原厂控制器线束, 不然不予保修 !感谢您选择本企业产品,为保证您在使用中更认识本产品功能,请详尽阅读下边规格书。
锂电电动车控制器线束定义插件图片功能定义颜色定义备注电源粗红 = 正极粗黑 = 负极电门锁细红 =36-48V (弹壳)细红 = 电门锁(弹头)子弹壳黄=A 绿=B 黄=C 相通用插头霍尔红黑黄绿蓝通用插头学习线黑+ 橙色黑线两重功能调速红=5V; 黑= 地绿 = 调速配双调速 SM 头1+1 助力红=5V; 黑= 地;绿= 助力外配助力总成即可实现刹车黑= 地;黄= 低电刹低刹两线对接实现刹车 .巡航白色 (选配 )白线对黑线对插为巡航变速灰= 高速 ;白= 低速和黑线对接可实现变速友谊提示 : 禁止随意剪断原厂控制器线束, 不然不予保修 !1锂电控制器使用方法1.将各功能线正确接入车 ;2.翻开电源 ,电机慢速转 ;3.调整电机方向则拨插学习线;或再拧一次转把(学习线未拔时)4.方向确认后一定拨掉学习线5.拧转加快手把 ,电机正常转动 ,OK!锂电控制器的双门锁线用法说明 :子弹壳长带电 ,实质就是电池的正极电压;子弹头 ,门锁电压输入端,这根线只有接入电池电压控制器才能够工作 .*** 有的车子习惯直接用电池正极粗线接入钥匙开关,这样就友谊提示 : 禁止随意剪断原厂控制器线束, 不然不予保修 !2免却了电门锁线,可是此时一定对插双门锁线.不然控制器不工作 !注:关于不用门锁线的控制器(电池总正极直接接入电锁开关时,原因是当电门长时间封闭后控制器失掉记忆电压后,很少量控制器可能在车电门翻开时反转,此时只要从头学习一下即可。
)使用中控制器常有的问题1.刹车不停电:低电平刹车线接入电池的负极能否可刹车,黄线常态为 4.7-5V 。
2.不可以变速:检查变速线能否接入坚固,电机霍尔破坏也影响变速。
当负载电流超出 8A 时,超速不显然。
查验超速功能能否有效的方法是:将车子架空加快测试。