电动葫芦试车记录
- 格式:doc
- 大小:125.00 KB
- 文档页数:7
山东省特种设备检验研究院电动葫芦验收检验原始记录№共 5 页第 1 页使用单位设备注册代码规格型号设备名称工作级别额定起重量 (t) 产品出厂编号制造单位用户设备编号安装单位安装地点工作环境露天□;非露天□;有毒□;高温□;粉尘□;其它□检验条件检验日期年月日检验依据1.国质检锅【2002】第296号《起重机械监督检验规程》;2.国家质检总局【2007】第92号令《起重机械安全监察规定》;3.JB/T5317.2-1991《环链电动葫芦技术条件》;4.JB/T9008.2-1999《钢丝绳电动葫芦技术条件》;5.JB/T9008.4-1999《钢丝绳电动葫芦试验方法》;6.JB9009-1999《钢丝绳电动葫芦安全规程》;7.JB/T10222-2001《防爆钢丝绳电动葫芦技术条件》主要检验仪器设备序号仪器设备名称规格型号院内编号1 钳型电流表DM6266WH-WJ-2 接地电阻测量仪CA6415WH-WJ-3 绝缘电阻测量仪3021WH-WJ-4 手持激光测距仪729528WH-WJ-5检验结论备注“/”表示无此项,“√”表示符合,“×”表示不符合,“※”表示重要项目。
校核:检验:陪检人员:序号检验项目编号检验内容与要求实测结果1 制造相关资料 1.1 制造单位应提供:有效的资格证明;产品合格证;安装使用维护说明书等随机文件;必要时应提供型式试验报告。
2 安装相关资料 1.2 安装单位应提供:a.施工情况记录和自检报告;b.安装过程中事故记录与处理报告;c.安装过程中经制造单位同意的变更设计的证明文件。
3 改造(大修)相关资料 1.3 改造(大修)单位除提供1、2项要求的内容外,还应提供改造(大修)部分的清单、主要部件合格证、改造部分经改造单位批准并签章的图样和计算资料。
4 使用相关资料 1.4 使用单位应提供注册登记和运行管理制度资料以及设备技术档案(内容包括1.1、1.2和1.3项要求的资料,维修保养、常规检查和故障与事故的记录等)。
电动葫芦起重机械负荷实验记录1. 引言在现代工业生产中,起重机械被广泛应用于各种场景。
电动葫芦作为一种常见的起重设备,具有操作简单、效率高、安全可靠等特点。
为了评估电动葫芦的负荷能力,进行负荷实验是必不可少的步骤。
本文将详细记录电动葫芦的负荷实验过程以及实验结果分析。
2. 实验设计2.1 实验目的本实验旨在确定电动葫芦的最大负荷能力,即能够安全举起的最大重量。
2.2 实验装置与材料•电动葫芦•各类钢丝绳•负重物•实验记录表格2.3 实验步骤1.准备实验装置与材料,确保各项设备正常运作。
2.将电动葫芦安装在合适的位置,并调整好其位置。
3.准备不同重量的负重物并将其连接至电动葫芦。
4.逐步增加负重物的重量直至出现异常情况,记录下负荷能力达到上限的负重物重量。
5.重复实验多次以获得更准确的数据,并计算平均值。
3. 实验记录3.1 实验数据根据上述实验步骤,记录了电动葫芦的负荷能力实验数据如下:实验次数负重物重量 (kg)1 5002 5103 5154 5035 4983.2 数据分析根据实验数据,我们计算了电动葫芦的负荷能力实验平均值,得到结果为506.2kg。
通过这一数据,我们可以初步判断电动葫芦的最大负荷能力约为506.2kg。
4. 结论通过电动葫芦负荷能力实验,我们得出以下结论: 1. 电动葫芦的最大负荷能力约为506.2kg。
2. 在实际应用中,应根据具体情况选择合适的安全负荷范围使用电动葫芦。
5. 实验总结经过本次实验,我们熟悉了电动葫芦的负荷能力测试方法,并获得了负荷能力数据。
然而,本实验仅在实验室条件下进行,并没有考虑到现实工作环境中的各种因素,因此对于实际工程应用的负荷能力还需要进一步验证和调整。
在今后的工作中,我们还将探索其他参数对电动葫芦负荷能力的影响,以获得更完整的实验数据。
电葫芦日常检查记录日期:XXXX年X月X日检查人员:XXX本次检查目标:电葫芦1.外观检查在本次检查中,我们首先对电葫芦进行了外观检查。
我们检查了电葫芦的机身、控制面板、按钮、插头、电缆等部件,确认其是否存在损坏、变形、松动等情况。
我们仔细观察了电葫芦的外观,并记录了如下情况:a.机身表面无划痕、变形等问题;b.控制面板按钮清晰,无松动或卡住的现象;c.插头连接牢固,无松动情况;d.电缆外皮完好,无损坏、裂开现象。
2.功能检查在外观检查完毕后,我们对电葫芦的功能进行了检查。
我们操作了电葫芦的起升、下降、前进、后退等功能,并记录了如下情况:a.起升功能:电葫芦能够顺利完成起升操作,无异常声音,能够停在设定的位置;b.下降功能:电葫芦能够顺利完成下降操作,无异常声音,能够停在设定的位置;c.前进功能:电葫芦能够顺利完成前进操作,无异常声音,能够停在设定的位置;d.后退功能:电葫芦能够顺利完成后退操作,无异常声音,能够停在设定的位置。
3.安全装置检查电葫芦的安全装置对于操作人员的安全至关重要,因此我们对其进行了仔细检查。
我们主要检查了限位开关、过载保护装置等安全装置,并记录了如下情况:a.限位开关:限位开关能够准确感知电葫芦的位置,能够及时切断电源,保护电葫芦的正常运行;b.过载保护装置:过载保护装置能够准确感知电葫芦的负载情况,当负载超过设定的限制时,能够及时停止工作,保护电葫芦的安全。
4.润滑检查电葫芦的正常运行需要保持机械部件的良好润滑。
我们对电葫芦的主要润滑部位进行了检查,并记录了如下情况:a.钢丝绳:钢丝绳表面干净,无明显磨损、断丝现象。
我们通过给钢丝绳滴加适量的润滑油来保持其良好的润滑状态;b.齿轮系统:齿轮系统无生锈、卡滞现象,通过给齿轮轴承部位添加适量的润滑剂来保持其良好润滑状态。
5.电气系统检查最后,我们对电葫芦的电气系统进行了检查。
我们检查了电葫芦的电源线、控制线、接线端子等部分,并注意观察是否存在插头松动、电线断裂等情况。
高压电机单机试运转记录
高压电机单机试运转记录
高压电机单机试运转记录
高压电机单机试运转记录
直流电机单机试运转记录
高压电机单机试运转记录
高压电机单机试运转记录
高压电机单机试运转记录
高压电机单机试运转记录
高压电机单机试运转记录
高压电机单机试运转记录
高压电机单机试运转记录
高压电机单机试运转记录
高压电机单机试运转记录
高压电机单机试运转记录
高压电机单机试运转记录
高压电机单机试运转记录。
电动葫芦安装检验批质量检验记录一、引言为了确保电动葫芦的安全、可靠及高效运行,根据相关标准和要求,在电动葫芦安装完成后,进行了质量检验。
本文档旨在记录电动葫芦安装检验批的过程和结果,以便于日后的参考和复查。
二、检验过程1. 检验人员准备:在进行质量检验前,我们先要准备好检验所需的相关文件和工具,包括但不限于规范文件、测量工具、测试设备等。
2. 外观检验:首先,对电动葫芦的外观进行检验。
检查葫芦外壳是否完整、无损伤,表面是否光滑、无划痕。
检验葫芦上的标识是否清晰、正确。
3. 功能检验:接着,进行电动葫芦的功能检验。
检查葫芦的起升、放下、路段行走等功能是否正常,是否符合规范要求。
检验葫芦的行走速度、起升速度等参数是否符合规范。
4. 安全性检验:重要的一项是对电动葫芦的安全性进行检验。
检查葫芦的限位装置是否正常,是否能够准确停止在规定的位置。
检验葫芦的紧急停止装置是否灵活,能够在紧急情况下迅速停止葫芦的运转。
5. 配套设备检验:此外,还应对电动葫芦的配套设备进行检验。
例如,对电源线、控制线、接地线等进行检查,确保其无损坏、无老化现象,保证电动葫芦正常供电和安全运行。
三、检验结果经过以上的检验过程,我们得出了以下的检验结果:1. 外观检验:电动葫芦外观完整无损,表面光滑无划痕,标识清晰正确。
2. 功能检验:电动葫芦的起升、放下、路段行走等功能正常,速度符合规范要求。
3. 安全性检验:电动葫芦的限位装置正常可靠,紧急停止装置灵活可靠。
4. 配套设备检验:电源线、控制线、接地线等配套设备无损坏、无老化现象,能够正常供电和安全运行。
综上所述,经过质量检验,本次电动葫芦安装检验批顺利通过,达到了预期的安全、可靠和高效运行要求。
四、结论本文档详细记录了电动葫芦安装检验批的过程和结果。
通过各项检验指标的合格,我们可以确认这批电动葫芦的质量达到了要求,并且可以安全、可靠地使用。
在使用过程中,仍需遵守操作规程,定期进行检查和维护,以确保电动葫芦的长期正常运行。
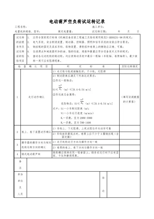
电动葫芦试运转记录(三)
设备安装报验申请表
工程名称:中煤能源25万吨/年甲醇项目编号:
电动葫芦试运转记录(三)
设备安装报验申请表
工程名称:中煤能源25万吨/年甲醇项目编号:
电动葫芦试运转记录(三)
设备安装报验申请表
工程名称:中煤能源25万吨/年甲醇项目编号:
电动葫芦试运转记录(三)
设备安装报验申请表
工程名称:中煤能源25万吨/年甲醇项目编号:
电动葫芦试运转记录(三)
设备安装报验申请表
工程名称:中煤能源25万吨/年甲醇项目编号:
电动葫芦试运转记录(三)
设备安装报验申请表
工程名称:中煤能源25万吨/年甲醇项目编号:
电动葫芦试运转记录(三)
设备安装报验申请表
工程名称:中煤能源25万吨/年甲醇项目编号:
电动葫芦试运转记录(三)
设备安装报验申请表
工程名称:中煤能源25万吨/年甲醇项目编号:。
内部编号:电动葫芦门式起重机制造过程检验记录规格型号:出厂编号:设备代码:额定起重量:跨度:工作级别:起升高度:操纵型式:□司机室□地操□遥控使用单位:×××××××××××××制说明1、本报告适用于电动葫芦门式起重机(以下简称起重机)的制造、改造施工过程和出厂检验记录,专用的起重机中相同或类似的部分亦可参照使用。
2、检验依据《特种设备安全监察条例》《起重机械制造监督检验规则》TSGQ7001-2006《起重机械安全规程》GB6067《起重机设计规范》GB/T3811《电动葫芦门式起重机》JB/T5663设计文件及相关产品合同以上文件和标准均为现行有效版本3、本自检报告为过程检验和出厂检验,其中主梁隐蔽件自检完毕后,应提交监检员进行必要确认。
4、如起重机制造仅为局部改造,则相关记录表卡内容可作部分填写,并加以必要说明。
5、制造过程结束后,检验员应及时完成最终自检,提交监检机构确认,并由制造单位存档。
6、所有表中的“检验结果”栏如有测量数据要求时应填写实测数据,无如数据要求时应采用“√”、“×”和“/”分别表示“合格”、“不合格”和“无此项”。
7、检验用仪器设备应完好并在计量检定期内。
8、检验员应对自检结果进行核对,对检测数据负责,制造单位对自检结果负责。
备料工序检验记录主梁隐蔽件检验记录(图号:)主梁结构件制造工序检验记录(图号:)门架装配工序检验记录序号检验项目技术要求(mm)测量结果(mm)1.主梁上拱度F(1.0/1000~1.4/1000)S,且最大上拱度应控制在跨中的S/10范围内2.主梁有效悬臂上翘度(1.0/350~1.4/350)L1(L2)L1(L2)为左(右)悬臂有效长度馈电侧:非馈侧:3.主梁旁弯度f f≤S+ L1 +L2 /20004.主梁腹板的局部翘曲腹板高度不大于700mm时,离上翼缘板H/3以内不应大于3.5 mm,其余区域不应大于5.5mm ; 腹板高度大于700mm时,离上翼缘板H/3以内不应大于5.5 mm,其余区域不应大于8mm。