BNII简易操作流程
- 格式:doc
- 大小:175.00 KB
- 文档页数:5
BNMS网管安装一、安装准备 (2)二、操作系统安装 (2)三、安装数据库软件包 (3)四、安装BNMS主服务器(server) (3)五、安装BNMS采集机(proxy) (5)BNMS安装说明一、安装准备1、硬件准备:请按照文档《BNMS配置说明》文档准备硬件设备。
2、软件准备:安装BNMS系统所需软件列表如下:二、操作系统安装1、安装基本操作系统将操作系统安装光盘插入光驱,引导进入安装界面,根据界面提示安装。
在安全配置步骤,选择SELinux状态为Disabled(禁用);选择防火墙状态为开启。
在软件包选择步骤进行自定义软件包选择,根据如下规则选择安装的软件包:三、安装数据库软件包1、安装数据库软件包。
将MySQL压缩软件包拷入系统的/opt目录下,解压后之后进入解压后的文件夹,右键*在终端中打开,ls可以看到解压出来的4个数据库文件,然后依次用rpm –ivh xxx.rpm命令安装;如不能安装加上强制选项--nodeps(命令格式rpm –ivh xxx.rpm –nodeps)继续安装。
MySQL安装完成后,启动(/etc/init.d/mysql start)以确认安装成功,并修改默认root密码(命令:mysqladmin -u root password "123456",将root 密码修改为123456)2、系统设置根据组网需要配置系统IP地址、掩码、网关、路由等;(操作方法请查阅Linux 基本操作手册)新增系统用户bnms(小写),该用户为BNMS后台进程运行用户,因此该步骤是必须的;(命令为:adduser bnms)根据组网/客户需要设置系统的主机名、系统时间、时区信息、为bnms用户设置口令等。
四、安装BNMS主服务器(server)BNMS系统在组网及硬件结构上可分为主服务器(SERVER)与采集机(PROXY),两者安装在独立的设备上;在一个BNMS系统中需且仅需一台主服务器,采集机可以根据被管网络规模增减,在小规模网络中可以不需要采集机仅使用一台主服务器。
中国银联信息处理中心中国银联离线测试仿真系统用户操作手册(完整版)第1.03版中国银联股份有限公司二○一一年八月一日目录1编写说明--------------------------------------------------------------- 11.1术语、缩略语及定义----------------------------------------------- 11.1.1术语------------------------------------------------------------- 1 2概述------------------------------------------------------------------- 22.1主要功能--------------------------------------------------------- 2 2.2基本概念和设计思想----------------------------------------------- 33安装------------------------------------------------------------------- 4 3.1安装环境准备----------------------------------------------------- 43.1.1支持的操作系统--------------------------------------------------- 43.1.2对系统资源的要求------------------------------------------------- 43.1.3对系统字体和分辨率设置的要求------------------------------------- 43.1.4加密狗驱动的安装------------------------------------------------- 4 3.2安装说明--------------------------------------------------------- 4 4联机测试使用说明 ------------------------------------------------------- 54.1主界面----------------------------------------------------------- 5 4.2参数配置管理----------------------------------------------------- 64.2.1基本配置--------------------------------------------------------- 64.2.2通讯参数--------------------------------------------------------- 84.2.3密钥信息--------------------------------------------------------- 94.2.4机构参数--------------------------------------------------------- 94.2.5帐户信息-------------------------------------------------------- 104.2.6引用常数-------------------------------------------------------- 114.2.7公共支付-------------------------------------------------------- 124.3建立通讯连接---------------------------------------------------- 13 4.4功能测试-------------------------------------------------------- 134.4.1发卡方交易测试-------------------------------------------------- 134.4.2受理方交易测试-------------------------------------------------- 154.4.3测试用例集管理-------------------------------------------------- 164.4.4应答路由设置---------------------------------------------------- 204.5功能测试示例---------------------------------------------------- 244.5.1测试用例集配置-------------------------------------------------- 244.5.2应答路由配置---------------------------------------------------- 324.5.3联机测试-------------------------------------------------------- 41 4.6认证测试-------------------------------------------------------- 434.6.1新建认证测试案例集---------------------------------------------- 434.6.2练习测试与认证测试---------------------------------------------- 454.6.3受理方案例测试-------------------------------------------------- 464.6.4发卡方案例测试-------------------------------------------------- 464.6.5重新开始认证测试------------------------------------------------ 474.6.6生成报告-------------------------------------------------------- 474.7认证测试示例---------------------------------------------------- 47 4.8系统日志-------------------------------------------------------- 555性能测试使用说明 ------------------------------------------------------ 565.1性能指标-------------------------------------------------------- 56 5.2发卡机构进行压力测试-------------------------------------------- 575.2.1数据准备(功能测试) ---------------------------------------------- 575.2.2参数配置-------------------------------------------------------- 575.2.3开始测试-------------------------------------------------------- 59 5.3受理机构进行压力测试-------------------------------------------- 605.3.1数据准备(功能测试) ---------------------------------------------- 605.3.2参数配置-------------------------------------------------------- 615.3.3开始测试-------------------------------------------------------- 615.4性能测试示例---------------------------------------------------- 625.4.1发卡机构进行压力测试-------------------------------------------- 625.4.2受理机构进行压力测试-------------------------------------------- 66 6流方式文件传输使用说明 ------------------------------------------------ 666.1流方式文件传输-------------------------------------------------- 66 7特定业务的离线测试方法 ------------------------------------------------ 687.1固话业务-------------------------------------------------------- 687.1.1软件和案例集版本要求-------------------------------------------- 687.1.2测试方法-------------------------------------------------------- 69 7.2无卡业务-------------------------------------------------------- 707.2.1软件和案例集版本要求-------------------------------------------- 707.2.2测试方法-------------------------------------------------------- 71 8常见问题-------------------------------------------------------------- 73 9附录1 域取值说明------------------------------------------------------ 78 10附录2 案例集和应答路由的导出与导入 ------------------------------------ 9210.1案例集的导出---------------------------------------------------- 92 10.2案例集的导入---------------------------------------------------- 93 10.3应答路由的导出-------------------------------------------------- 93 10.4应答路由的导入-------------------------------------------------- 931 编写说明1.1 术语、缩略语及定义1.1.1 术语列表和列:如图所示为列表,描述为“测试案例配置信息”列表,其中列表中每一列数据称为列,如获取方式一列描述为“获取方式”列。
表①化学试剂纯度和规格中、英文及其缩写符号对照表为了使各种规格和化学试剂实行标准化和控制试剂产品的质量,并使买卖双方在发生争议时有据可依,人们便制定了《试剂标准》。
为了保证试剂质量,试剂还需要进行多种检验.本节着重讨论试剂规格和试剂标准主,主要介绍试剂检验中的一些注意事项。
试剂规格试剂规格又称试剂级别或类别。
一般按实际的用途或纯度、杂质含量来划分规格标准.目前,国外试剂厂生产的化学试剂的规格趋向于按用途划分.例如德国伊默克公司生产的硝酸有13 种规格:最低浓度为65% (密度约1。
40 )的特纯试剂硝酸双硫腙试验通过的最低浓度为65% (密度约1.40 , Hg 的最高浓度0。
0000005% )的保证试剂(GR )硝酸、双硫腙试验通过的最低浓度为65%(密度约1.40 )的保证试剂(GR )硝酸、最低浓度为65% (密度约1.40 )的光学与电子学专用特纯(Selectipur )硝酸、100% (密度约1.52 )的保证试剂(GR )硝酸、100%(密度约,1。
42 )的光学与电子学专用特纯(Seletipur )发烟硝酸、重氢度小于99% 的重氢试剂硝酸-di( 在D2O 中,不小于65%DNO3) 、滴定用0。
1mo1/L 硝酸溶液和滴定用1mo1/L 硝酸溶液。
伊默克公司还按用户的需要生产各种规格的试剂,如生化试剂、默克诊断试剂、医学研究、农业和环境监测试剂等等。
试剂规格按用途划分的优点简单明了,从规格即可知此试剂的用途,用户不必在使用哪一种纯度级和试剂上反复考虑.我国的试剂规格基本上按纯度划分,共有高纯、光谱纯、基准、分光纯、优级纯、分析和化学纯等7 种.国家和主管部门颁布质量指标的主要优级纯、分级纯和化学纯 3 种。
⑴优级纯又称一级品,这种试剂纯度最高,杂质含量最低,适合于重要精密的分析工作和科学研究工作用绿色瓶签。
⑵分析纯又称二级品,纯度很高,略次于优级纯,适合于重要分析及一般研究工作,使用红色瓶签。
基因检测标准化操作流程
基因检测是一种用于检测个体基因组中特定基因或基因组序列的技术,可以帮助人们了解自己的遗传信息,预测疾病风险,指导个性化治疗等。
然而,由于基因检测技术的复杂性和多样性,标准化操作流程对于确保检测结果的准确性和可靠性至关重要。
基因检测标准化操作流程包括以下几个关键步骤:
1. 样本采集:首先,需要采集来自被检测个体的生物样本,通常是唾液、血液或组织样本。
样本采集的质量和准确性对后续的检测结果至关重要。
2. 样本处理:采集到的样本需要进行处理,包括提取DNA或RNA等核酸物质。
样本处理的过程中需要遵循严格的操作规程,以确保提取到的核酸质量和纯度符合检测要求。
3. 实验操作:在进行基因检测实验时,需要按照标准化的实验操作流程进行。
这包括PCR扩增、测序、基因芯片分析等步骤,每一步都需要严格控制实验条件和操作流程,以确保结果的准确性和可重复性。
4. 数据分析:得到实验数据后,需要进行数据分析和解读。
这包括对基因序列、变异位点等信息进行比对和分析,以确定个体的基因型和可能的遗传风险。
5. 结果报告:最后,需要将分析结果整理成报告,向被检测个
体提供详细的基因检测结果和解读。
报告中需要包括检测方法、结
果解读、可能的遗传风险等信息,以帮助个体理解自己的遗传信息。
在整个基因检测标准化操作流程中,严格遵循操作规程、保证
实验条件的稳定性和结果的准确性是至关重要的。
只有通过标准化
操作流程,才能确保基因检测结果的可靠性和可信度,为个体提供
准确的遗传信息和健康指导。
EZ Read 400(Anthos 2010) 酶标仪操作说明书郑州博赛生物快速使用在打开该软件之前,请确认酶标仪已经上电。
打开软件以后,出现用户登录界面,选择相应的用户名,并输入密码,点击“登录”按钮,登录系统。
默认账户为Admin,密码为空。
登录后的界面如下图所示:点击工具栏里面的“系统参数”按钮,进入到“系统参数”的设置界面。
点击“自动获取端口”(注:确保酶标仪已上电,并且安装好了驱动程序)。
软件会自动获取电脑的端口。
获取完端口以后,关闭该窗口。
回到主界面后,点击工具栏的“单项测量”按钮。
选择所需测量的项目。
选择所需填充的样本个数,点击“自动填充”。
软件会自动填充样品。
点击“测量”按钮,酶标仪开始工作。
测量完成以后,会在界面上显示结果。
测量完成后,选择“保存数据”。
点击工具栏的“病案(样本)录入”按钮。
进入到病案录入的界面。
点击“建立新批次”批次编号和批次描述,可以根据需要改写,此处选择默认值。
点击确定。
双击新健的批次,进入“编写病案信息”的窗口。
如下图,填写病人信息,按“添加”按钮或者“F5”键增加病人信息。
病人信息编写完成以后,关闭该窗口,回到主界面。
点击工具栏的“报到单打印”选择需要打印的报告单,点击右下角的“添加到队列”。
需要打印的病人报告添加到“打印队列”中。
点击右下角的“打印”按钮,开始打印报告单。
菜单功能详解一:文件1.1:注销/登录,用于软件的注销及登录操作1.2:系统退出,用于退出系统1.3:软件注册,用于软件的注册。
首次使用软件的时候,需要提供医院的名称,注册软件,用于注册的医院名称会在打印报告单上显示出来。
二:系统设置2.1:系统参数主要用来设置系统和电脑的连接端口、读取及设定酶标仪的波长、检测灯源是否正常、滤光片复位等。
2.2:输入字典:用于标本类型、科别、送检医师、常用医嘱等字典的设置,方便医护人员进行病人信息的录入。
2.3:打印设置:用于设置每张纸打印报告单的数量,设置保存测量数据前是否需要输入板号等。
一步一步教你使用NCBI数据库资源随着ncbi数据库各种资源的涌现,NCBI已经成为科研工作者必不可少的资料查找,数据分析的工具。
那么NCBI数据如何使用,新手入门一步一步教你认识和使用NCBI数据库。
一综合数据库NCBI数据库集美国国立生物技术信息中心(National Center for Biotechnology Information),即我们所熟知的NCBI是由美国国立卫生研究院(NIH)于1988年创办。
创办NCBI的初衷是为了给分子生物学家提供一个信息储存和处理的系统。
除了建有GenBank核酸序列数据库(该数据库的数据资源来自全球几大DNA数据库,其中包括日本DNA数据库DDBJ、欧洲分子生物学实验室数据库EMBL以及其它几个知名科研机构)之外,NCBI还可以提供众多功能强大的数据检索与分析工具。
目前,NCBI提供的资源有Entrez、Entrez Programming Utilities、My NCBI、PubMed、PubMed Central、Entrez Gene、NCBI Taxonomy Browser、BLAST、BLAST Link (BLink)、Electronic PCR等共计36种功能,而且都可以在NCBI的主页上找到相应链接,其中多半是由BLAST功能发展而来的。
1 NCBI最新进展1.1 PubMed搜索功能的增强去年,NCBI对PubMed进行了几项改进工作,改动最大的是搜索界面和摘要浏览界面。
其中,搜索界面中新增了“Advanced Search”选项(这实际上是对以往“Limits”和“Preview/Index”功能的整合),并且增加了一个新的窗口,用户可以在此窗口下通过“论文作者名”、“论文所属杂志名称”、“论文出版日期”等限定条件进行搜索。
而且,“论文作者名”和“论文所属杂志名称”还设有文本框自动填充功能。
现在,在PubMed数据库中进行文本搜索的同时还可以立即通过两个“内容传感器(content sensors)”进行分析。
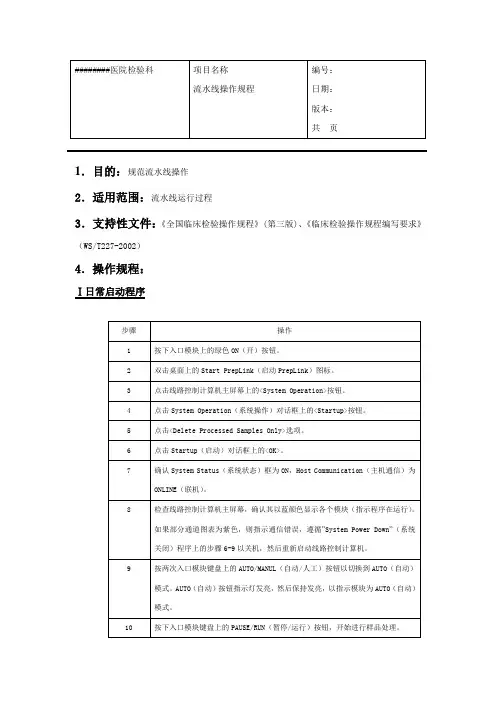
1.目的:规范流水线操作2.适用范围:流水线运行过程3.支持性文件:《全国临床检验操作规程》(第三版)、《临床检验操作规程编写要求》(WS/T227-2002)4.操作规程:Ⅰ日常启动程序1.标本前处理系统A起始平台运行及操作:i.装载样品至本系统入口模块的收集架上,每个收集架可以容纳50个标本,被连续装载到样品管输送器上,并在系统中传送。
在收集架为空时闪光标灯将起动。
操作人员便可装载其他已装满的收集架,提供连续的样品管,使其在系统中移动。
ii.样品在离开入口模块后,便进入条形码读取器(位于条形码校验模块和所有出口模块上)。
读取器对样品管条形码进行读取,并校验样品程序。
如果条形码标签已损坏、缺失或条形码标签长度或类型错误读取器将无法读取。
样品程序不被接受,样品管将被移送到入口模块的错误通道内。
iii.当错误通道内样品管堆满时,音响警报和闪光标灯闪动。
此时,操作人员必须将样品管从错误通道上移走。
注意:条形码校验模块将样品移送到错误通道上的原因有以下几个方面:条形码受损、缺失或不能读取。
样品程序不一致或无效。
样品条形码之前已被读取(条形码数字重复)。
条形码标签长度或类型错误。
样品管无样品程序。
由于设置信息上的归类出现冲突。
B自动离心模块运行及操作:智能自动机械臂可连续地将样品管移到离心机内四组样品固定装置中的一组。
每组样品固定装置有两排,每排5个,可装载10个样品管。
离心机转速范围为500~3000r/min,离心时间范围为60~999s,可设定最佳(时间和转速)程序,当标本量不足40个时,可按优先按钮,系统会自动根据实际标本量自动使用一个或多个装有水的平衡管平衡后进行离心。
C开盖模快运行及操作:i.开盖模块只可选用一种相同规格试管盖的试管,使用的试管长度也要求一致。
ii.如果盖子不能从样品管上去除,开盖装置将重复操作两次以上,但如果盖子仍然不能去除,音响警报和闪光标灯闪动,系统停止操作,操作人员应立刻进行检查原因,排除故障。
【精品文档】业务操作手册(北京华大智宝)E动终端操作手册中国建设银行股份有限公司E终端业务操作手册北京华大智宝电子系统有限公司2010年10月目录第1页E动终端操作手册中国建设银行股份有限公司 ................................................................................................................................ ...... 1 E终端业务操作手册 ................................................................................................................................ ................... 1 第一章关于本操作手册的说明 ..............................................................................................................................5 1.1 使用对象 ................................................................................................................................ ..................... 5 1.2 E动终端硬件操作事项 ...............................................................................................................................5 1.3 E动终端软件操作事项 ...............................................................................................................................5 第二章系统管理 ...................................................................................................................错误~未定义书签。
BNII 特定蛋白分析仪标准操作程序1 目的建立规范标准的 BNII 特定蛋白分析仪操作程序,确保检测结果及报告的准确性、可靠性和有效性。
2 适用范围适用于免疫室经授权的检验专业技术人员操作使用。
3 职责经过培训合格后,经授权的检验专业技术人员操作,由免疫室组长负责技术指导和质量监督。
4 程序4.1 仪器简介SIEMENS BNII 蛋白分析系统是美国德灵诊断公司于 1994 年向全球推出的最快速的全自动特定蛋白散射比浊仪,它可以分析人体内的血清、血浆、尿液及脑脊液中的特殊蛋白。
仪器的整体结构示意图如图 1,图 2 和图 3。
图 1 仪器正面观图2 试剂、质控及样本进样区图 3 60 个比色杯及稀释条架分析仪中最重要的功能单元为:架单位;分配单位;传送臂;反应区;清洗区4.1.1 架单位(图4,图5)可以装载样品、标准血清、质控品、试剂和辅助试剂。
架单位由15 个通道组成。
试剂和辅助试剂被置于第1~5通道。
第6~15通道比第1~5通道要窄,用于装载样品、质控血清和标准血清。
用于样品、质控血清和标准血清的架比试剂架要窄,所以只能放入6~15通道。
各个架子都标记了编号和条形码。
它们可以按以下方式装载:样品架:每个10个样本管标准品架:每个8个标准品或质控血清瓶试剂架:每个7个试剂瓶试剂和标准品架中的瓶子倾斜12°,以便能使瓶子中的液体得到尽可能多的利用。
4.1.2 分配单位是由试剂稀释器和样品稀释器组成的。
试剂稀释器由一根1000ul的移液针和2个阀组成。
它可以吸取试剂和辅助试剂,并用稀释液、缓冲液或清洗液进行冲洗。
样品稀释器由2根移液针和2个阀组成:一根2500 ul 移液针一根250 ul的移液针250ul的移液针主要用来传送样品。
在某些项目程序中,该移液针也能吸取辅助试剂。
2500ul 的移液针用稀释液、缓冲液或清洗液进行冲洗,随后吸取所需要的量分配给探针并在清洗区中进行冲洗。
当仪器将要关闭时,会冲洗所有的管路并灌充满冲洗液以避免在阀上形成缓冲液的沉积。
BNII操作快速参考(注:本快速参考仅为操作参考,非完整操作步骤)·开机:BNII电源—电脑—双击桌面BNII图标——点OK登录,初始化完成(10分钟)——确认稀释条。
·关机:File菜单——Quit—Perform—Close——等待架子指示灯全部灭(约10分钟)——关闭BNII电源。
电脑上点Cancel Prematurely——点桌面左上角苹果图标——点Shut down——点Shut down。
·做标本:·Rountine菜单——Enter job list输入标本·Rountine菜单——Loading指派标本位置·放试剂和标本·看结果:点屏幕第一区块的Number·重做标本:点屏幕第一区块的Number——选项目——点上方的Action——Repeat·重新发送结果:点屏幕第一区块的Number——选项目或标本——点上方的Action——Send to host again ·删除标本:点屏幕第一区块的的Number——选项目或标本——点垃圾桶图标——点Complete selection ·弹出架子:System菜单——Rack Status·更换稀释条:点屏幕第五区块的Dil. Wells·更换反应杯:点屏幕第五区块的Cuvettes·更换液体:点屏幕第五区块的System liquids——点Reload liquids——更换稀释液或缓冲液或清洗液·定标:(第一次要扫标准品条码)放试剂—点屏幕第四区块的Reference—选项目—选试剂批号—Measure ·看错误记录:点屏幕第六区块的Logbook——打勾View Old events·复位仪器:点屏幕第六区块的Logbook——点右上角的Reset BNII·手工指派试剂瓶位置:(用于不能正确读条码时)Rountine菜单——Loading——左上方Rack选Reagent,选架子和位置——选试剂——点Take·手工指派标准品或质控品位置:(用于不能正确读条码时)Rountine菜单——Loading——左上方Rack 选control/standard,选架子和位置——选标准品或质控品——点Take注意事项·仪器运行过程请勿开盖或按Stop按钮。
建恒身份及访问管理系统基本配置及操作手册目录一. 接通电源及配置IP地址 (2)二. 登录及单点登录控件下载安装 (4)三. 目录树 (9)四. 自然人 (9)五. 资源 (10)六. 资源授权 (10)七. 单点登录 (11)八. 行为审计 (11)九. 内部审计 (12)十. 内部角色 (12)十一. 计划管理 (13)十二. 策略配置 (14)十三. 证书认证管理 (16)一. 接线及配置IP 地址用电脑连接建恒身份及访问管理系统管理口(eth3,前置面板从左往右数第四个口网口,IP 地址默认为 192.168.2.92),电脑的IP 配置成192.168.2.*;通过浏览器(IE 内核)访问https://192.168.2.92进入到建恒身份及访问管理系统登录界面;输入初始化账号及口令: 初始化账号:admin初始化口令:123进入建恒身份及访问管理系统管理界面后点击(配置管理-系统配置-网络配置-网卡配置);在eth0项点击编辑(eth0为从左往右第一个网口),弹出编辑框,输入分配给建恒身份及访问管理系统的IP信息(名称选择eth0、IP地址、MASK、网关)后保存;测试连通性可以在运维终端直接访问建恒身份及访问管理系统,也可以在建恒身份及访问管理系统上直接ping或telnet网内主机,以测试其联通性。
(具体位置:元目录>>资源管理>>添加任意类型资源)填写资源的IP,点击测试网络可进行ping测;填写端口,点击测试端口可进行端口测试。
绿色代表正常,红色代表测试失败。
二.登录及单点登录控件下载安装打开IE浏览器输入刚刚配置的IP地址https://***.***.***.***登录到建恒身份及访问管理系统主界面;点击工具下载:下载单点登录控件(集成审计查看工具标准版),保存到桌面;安装控件(全都默认)三.目录树点击元目录,在左边会看到目录树(目录树可以以树形结构管理人员、资源、审计);点击目录树上面的添加按钮可以建立目录结构,结构可以层级添加;点击修改按钮可以修改目录的名称;点击列表可以删除创建的目录名称;四.自然人点击元目录-自然人自然人账号—登录建恒身份及访问管理系统账号(管理员账号、审计员账号、运维人员账号等);点击添加按钮添加自然人输入自然人的ID(英文)、名称(中文英文都可)、口令之后保存;五.资源点击元目录-资源管理先选择左边的目录树,再点击右边的添加会弹出资源类型选择,例UNIX主机资源;输入资源的名称、IP、连接器类型选择Common Linux、协议、端口;如果需要收集资源上的账号或者管理资源时代填账号登陆则需要输入管理员的账号和口令;最后提交。
BEP III 全自动免疫分析系统标准操作规程本文件仅供参考,各实验室需根据各自情况建立自己的操作规程BEPIII 全自动免疫分析系统标准操作规程修订登记:审查登记:[目的] 描述BEPIII 全自动免疫分析系统的使用和维护。
[范围] 适用于BEPIII 全自动免疫分析的操作。
[标本要求]1. 种类血浆、血清2. 保存样本新鲜备检,在18–25℃的室温环境中,8 小时内完成检测。
为维持样本的稳定性,在2–8℃保存最多不超过7 天,-20℃低温可保存11 个月,避免反复冻溶,反复冻溶三次以内不影响检测结果。
[试剂]1. 开放式分析试剂请于2-8℃冷藏保存, 在有效期内使用,详见试剂盒说明书。
2.定标品及质控品在有效期内使用,详见试剂盒说明书。
[运行条件]为保证分析系统正常运行,必须在满足下列条件的环境中的运行该仪器1. 在相对清洁、独立的实验室使用,保证室内空气的清洁度2. 仪器台应能承重200KG以上,长度〉200cm, 宽度〉80cm。
必须放置在一个不会摇动的水平平面上。
3. 避免阳光直射。
4. 电源连接必须按照国家有关规定进行接地。
5. 该分析系统符合适用的EMC标准的要求。
使用过程中,操作者应避免同时使用超过EMC标准所规定辐射限度的电子装置,例如GSM 和其他手持移动装置,以免干扰仪器的正常检测。
6. 电源要求交流电200-240 V;线频50/60 Hz;电能消耗320VA;安装类别II (按照IEC664)7. 环境要求室温保持在18 到28 °C,最大相对湿度85%(非冷凝),不超过污染度2。
(按照IEC664)。
8.辅助设备冷却单位还需工作空间84 cm²,操作电压220 VAC±10%,线频50/60Hz。
[开机程序]1. 系统准备1.1 清空分析系统的废液容器。
1.2 配装好当天测试需要的冲洗液容器。
水质要求为传导率应<30 μS,微生物计数应<10 CFU/ml。
Triage®BNP快速检测试验标准操作规程试验名称:Triage®BNP快速检测试验本规程每年复审一次。
审核日期:2011年1月3日1.检测原理Triage®BNP试验利用单次使用的免疫荧光检测板对EDTA抗凝的全血或血浆标本中BNP 浓度进行测定。
当标本加入后,将检测板插入Triage仪器。
当标本到达检测板试剂位时,仪器中的固有程序会自动进行BNP测试。
检测时间约为15分钟。
仪器根据在检测板测量区检测到的荧光数量对BNP进行测量,仪器检测到的荧光数量越多表明标本中BNP的浓度越高。
2.试剂品牌和包装规格采用英维利斯医疗器械(北京)有限公司提供Biosite公司生产的Triage®BNP检测板。
2.1试剂成分:标记有荧光颜料的鼠BNP单克隆抗体和多克隆抗体。
该类抗体固定在固相稳定器上。
2.2.试剂规格:检测板25T移液管25T试剂密码芯片1个打印纸1卷3.产品检测参数Triage® BNP检测范围:5-5,000pg/mL4.样本采集及处理要求符合该产品测试要求的标本为EDTA抗凝全血或血浆。
注意事项:●待测血液或血浆标本可立即进行测试,也可于采集后24小时内测试。
血液和血浆标本可于室温或冷藏状态储存24小时。
●如果在24小时内不能测试,应将血浆分离,储存于零下20℃,直至测试为止。
●标本可在室温或用冰袋运输,但要避免出现温度极端。
●如果标本出现严重溶血,重采1份标本进行测试。
5.检测试剂要求5.1未开封的检测板放2-8℃冰箱保存时可稳定至失效期。
5.2检测板在室温可稳定14天,但不要超过外包装上的失效期。
在外包装上写上从冰箱取出的日期,把厂商打印的失效期钩掉,仔细记录产品在室温存放的时间。
5.3在使用冷藏(2-8℃)的检测板前,要使之达到室温,单包装检测板最少需要15分钟,如果从冰箱取出的是含多个检测板的试剂盒,最少需要1小时才能达室温。
5.4用前将检测板从包装中取出,用后要丢掉。
一,开机和启动程序
(一),准备
注意:在放上分析仪之前,打开所有试剂,质控和标准瓶的盖子,另外如果样品杯盖也要打开。
请预先从冰箱里取出试剂,质控和标准品。
(二),开启开关
1.开启分析仪器开关。
2.开苹果电脑。
(显示器和外置接口开关)。
3.开启打印机。
(三)启动BNII软件
1.在苹果电脑上启动BNII程序
●双击BNII图标
●在信息栏里显示着初始化状态
●大约10到15分钟初始化完成
2.装载稀释条
稀释条对话框自动打开:
●点更换稀释条按钮
●左新, 右新和OK 按钮自动被激活
●手工装入和更换新的稀释条,并在相应位置进行选定,最后点OK认可
3.信息主菜单
BNII总体信息对话框显示如下:
登入和注销
在Login/Logout 对话框里找到相应的用户名并输入密码即可
QR-5.3 Manual creation
二,完成定标测试
(一),打开定标对话框
点定标信息框进入:
(二),选择需要测试的项目
●选择需要定标的项目
●选择对应的试剂批号
●点测试按钮并放上试剂和标准品,仪器自动查找和测试
(三)查看定标参考曲线
点显示曲线后可以查看参考曲线:
●可以对曲线的某个点重新定标
●也可以整个曲线用老的稀释或新的稀释来重新定标
●每个项目可以保存3条曲线
●制定定标曲线或取平均值作为曲线
●三,完成质控测试(一),质量控制要求
从菜单选择日常-要求质控下面对话框被打开:
它只显示那些:
→至少有一个项目通过定标
→定义过批号的质控品
它只会显示出满足下列条件的项目:
→测定方案中项目位置编号大于0
→测定项目具有有效的参考曲线
→已经为所显示的测定项目定义了质控品
(二),选择质控项目
1. 选择需要测定的单个项目
2. 或选择质控组合项目
3. 点击测定钮并放上试剂和质控品,仪器自动查找并测试(三)查看QC结果
1.你可以在菜单结果栏的第二条里查看质控的测试结果2.也可以点入QC信息框,进入质控的结果查看
四,常规样本测试
(一),手工录入工作表
●点实验室日志信息框,也可以从菜单的日常-实验室工作表进入●录入样本编号(一定要),也可以用成批输入方式
●通过单项或组合,选择所要测试的项目
(二),指派样本位置
●点装载信息框进入,显示如下:
●将样本分别指派给样品架的相应位置
●放上样品架,仪器自动查找样品并作测试
(三),测试结果查询
在菜结果-样品栏打开对话框可以查看相应的测试结果
五,退出程序和关机
(一),从菜单里选择文件-退出,会显示如下对话框:
(二),结果文档资料保存
如果你要以ASCII格式保留结果,则退出激活保存文件。
复选框,会打开如下:
(三)退出BNII应用软件
退出程序时,分析仪作如下步骤:
1. 用清洗液充分冲洗管路,防止形成结晶。
2. 仪器将所有架子退回装载位置处。
3. 试剂针和样品针回到各自冲洗位置。
4. 清洗比色杯并注入清洁液。
5. 到架子上所有指示等熄灭后,该程序退出才算完成。
→关闭打印机
→关闭电脑,显示器和外置接口器电源开关
→关闭分析仪。