悬挑架 悬挑工字钢阳台梁 承载验算
- 格式:doc
- 大小:31.00 KB
- 文档页数:2
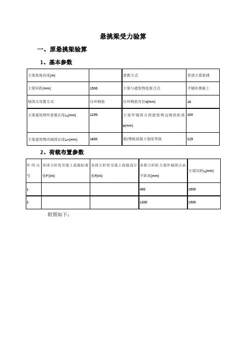
悬挑梁受力验算一、原悬挑梁验算1、基本参数主梁离地高度(m) 25.2 悬挑方式普通主梁悬挑主梁间距(mm) 1500 主梁与建筑物连接方式平铺在楼板上锚固点设置方式压环钢筋压环钢筋直径d(mm) 16主梁建筑物外悬挑长度L x(mm) 1250 主梁外锚固点到建筑物边缘的距离a(mm)100主梁建筑物内锚固长度L m(mm) 1600 梁/楼板混凝土强度等级C252、荷载布置参数作用点号各排立杆传至梁上荷载标准值F'(kN)各排立杆传至梁上荷载设计值F(kN)各排立杆距主梁外锚固点水平距离(mm)主梁间距l a(mm)1 8.27 10.35 400 15002 8.27 10.35 1200 1500附图如下:平面图立面图3、主梁验算主梁材料类型工字钢主梁合并根数n z 1主梁材料规格16号工字钢主梁截面积A(cm2) 26.1主梁截面惯性矩I x(cm4) 1130 主梁截面抵抗矩W x(cm3) 141主梁自重标准值g k(kN/m) 0.205 主梁材料抗弯强度设计值[f](N/mm2) 215主梁材料抗剪强度设计值[τ](N/mm2) 125 主梁弹性模量E(N/mm2) 206000 主梁允许挠度[ν](mm)1/250荷载标准值:q'=g k=0.205=0.205kN/m第1排:F'1=F1'/n z=8.27/1=8.27kN第2排:F'2=F2'/n z=8.27/1=8.27kN荷载设计值:q=1.2×g k=1.2×0.205=0.246kN/m第1排:F1=F1/n z=10.35/1=10.35kN第2排:F2=F2/n z=10.35/1=10.35kN3.1、强度验算弯矩图(kN·m)σmax=M max/W=16.752×106/141000=118.81N/mm2≤[f]=215N/mm2符合要求!3.2、抗剪验算剪力图(kN)τmax=Q max/(8I zδ)[bh02-(b-δ)h2]=21.007×1000×[88×1602-(88-6)×140.22]/(8××6)=24.82 7N/mm2τmax=24.827N/mm2≤[τ]=125N/mm2符合要求!3.3、挠度验算变形图(mm) νmax=6.331mm≤[ν]=2×l x/250=2×1250/250=10mm 符合要求!二、荷载加至1.5倍情况下悬挑梁验算荷载设计值:q=1.2×g k=1.2×0.205=0.246kN/m第1排:F1=1.5×F1/n z=10.35/1=15.53kN第2排:F2=1.5×F2/n z=10.35/1=15.53kN1、强度验算弯矩图(kN·m)σmax=M max/W=25.04×106/141000=177.6N/mm2≤[f]=215N/mm2符合要求!2、抗剪验算剪力图(kN)τmax=Q max/(8I zδ)[bh02-(b-δ)h2]=31.37×1000×[88×1602-(88-6)×140.22]/(8××6)=37.074 N/mm2τmax=37.074N/mm2≤[τ]=125N/mm2符合要求!3、挠度验算变形图(mm)νmax=6.331mm≤[ν]=2×l x/250=2×1250/250=10mm符合要求!。
悬挑脚手架作用下阳台梁承载力验算根据本工程特点,型钢工具式悬挑脚手架分别在二层、八层、十四层、二十层结构悬挑,考虑到阳台处脚手架外附加荷载较大,为保证结构传力可靠,需对阳台梁承载力进行验算。
结合结构图,以27-29轴最大阳台跨度为最不利受力计算,见图1、图2。
图一图二根据外脚手架方案,立杆纵向间距,单立杆竖向力P=20KN,则型钢作用于阳台上,其受力简图如下:一、阳台连系梁承载力验算阳台连系梁截面为200*550,混凝土强度等级为C30,受力纵筋采用HRB400三级钢,箍筋采用HRB400三级钢。
2 计算条件:荷载条件:均布恒载标准值: m 活载准永久值系数:均布活载标准值: m 支座弯矩调幅幅度: %梁容重 : m3计算时考虑梁自重: 考虑恒载分项系数 : 活载分项系数 :活载调整系数 :配筋条件:抗震等级 : 不设防纵筋级别 : HRB400混凝土等级 : C30 箍筋级别 : HRB400配筋调整系数 : 上部纵筋保护层厚: 25mm面积归并率 : % 下部纵筋保护层厚: 25mm最大裂缝限值 : 挠度控制系数C : 200截面配筋方式 : 双筋3 计算结果:单位说明:弯矩: 剪力:kN纵筋面积:mm2箍筋面积:mm2/m裂缝:mm 挠度:mm-----------------------------------------------------------------------梁号 1: 跨长 = 600 B×H = 200 × 550左中右弯矩(-) :弯矩(+) :剪力:上部as: 35 35 35下部as: 35 35 35上部纵筋: 220 220 220下部纵筋: 220 220 220箍筋Asv: 191 191 191上纵实配: 2E14(308) 2E14(308) 2E14(308)下纵实配: 2E14(308) 2E14(308) 2E14(308)箍筋实配: 2E6@250(226) 2E6@250(226) 2E6@250(226)腰筋实配: 6d8(302) 6d8(302) 6d8(302)上实配筋率: % % %下实配筋率: % % %箍筋配筋率: % % %裂缝:挠度:最大裂缝:<最大挠度:<(600/200)本跨计算通过.-----------------------------------------------------------------------梁号 2: 跨长 = 1600 B×H = 200 × 550左中右弯矩(-) :弯矩(+) :剪力:上部as: 35 35 35下部as: 35 35 35上部纵筋: 220 220 220下部纵筋: 220 220 220箍筋Asv: 191 191 191上纵实配: 2E14(308) 2E14(308) 2E14(308)下纵实配: 2E14(308) 2E14(308) 2E14(308)箍筋实配: 2E6@250(226) 2E6@250(226) 2E6@250(226)腰筋实配: 6d8(302) 6d8(302) 6d8(302)上实配筋率: % % %下实配筋率: % % %箍筋配筋率: % % %裂缝:挠度:最大裂缝:<最大挠度:<(1600/200)本跨计算通过.-----------------------------------------------------------------------梁号 3: 跨长 = 1600 B×H = 200 × 550左中右弯矩(-) :弯矩(+) :剪力:上部as: 35 35 35下部as: 35 35 35上部纵筋: 220 220 220下部纵筋: 220 220 220箍筋Asv: 191 191 191上纵实配: 2E14(308) 2E14(308) 2E14(308)下纵实配: 2E14(308) 2E14(308) 2E14(308)箍筋实配: 2E6@250(226) 2E6@250(226) 2E6@250(226)腰筋实配: 6d8(302) 6d8(302) 6d8(302)上实配筋率: % % %下实配筋率: % % %箍筋配筋率: % % %裂缝:挠度:最大裂缝:<最大挠度:<(1600/200)本跨计算通过.-----------------------------------------------------------------------梁号 4: 跨长 = 1300 B×H = 200 × 550左中右弯矩(-) :弯矩(+) :剪力:上部as: 35 35 35下部as: 35 35 35上部纵筋: 220 220 220下部纵筋: 220 220 220箍筋Asv: 191 191 191上纵实配: 2E14(308) 2E14(308) 2E14(308)下纵实配: 2E14(308) 2E14(308) 2E14(308)箍筋实配: 2E6@250(226) 2E6@250(226) 2E6@250(226)腰筋实配: 6d8(302) 6d8(302) 6d8(302)上实配筋率: % % %下实配筋率: % % %箍筋配筋率: % % %裂缝:挠度:最大裂缝:<最大挠度:<(1300/200)本跨计算通过.-----------------------------------------------------------------------4 所有简图:由此可知原结构设计梁安全二、阳台悬挑梁承载力验算阳台梁截面尺寸200mm*550mm,混凝土强度等级C30,弯曲抗拉强度设计值为fcm=mm2,轴心抗压强度设计值fc = N/mm2,纵向受力钢筋为三级钢,fy=360N/mm2,fy'=360N/mm2,受拉钢筋为3Φ20,受压钢筋为2Φ16,箍筋为三级钢Φ8@100。
悬挑梁受力验算一、原悬挑梁验算1、基本参数2、荷载布置参数附图如下:平面图立面图3、主梁验算主梁材料类型工字钢主梁合并根数n z1主梁材料规格16号工字钢主梁截面积A(cm2)主梁截面惯性矩I x(cm4)1130主梁截面抵抗矩W x(cm3)141主梁自重标准值g k(kN/m)主梁材料抗弯强度设计值[f](N/mm2)215125主梁弹性模量E(N/mm2)206000主梁材料抗剪强度设计值[τ](N/mm2)主梁允许挠度[ν](mm)1/250荷载标准值:q'=g k==m第1排:F'1=F1'/n z=1=第2排:F'2=F2'/n z=1=荷载设计值:q=×g k=×=m第1排:F1=F1/n z=1=第2排:F2=F2/n z=1=、强度验算弯矩图(kN·m)σmax=M max/W=×106/141000=mm2≤[f]=215N/mm2符合要求!、抗剪验算剪力图(kN)τmax=Q max/(8I zδ)[bh02-(b-δ)h2]=×1000×[88×1602-(88-6)×]/(8××6)=mm2τmax=mm2≤[τ]=125N/mm2符合要求!、挠度验算变形图(mm)νmax=≤[ν]=2×l x/250=2×1250/250=10mm符合要求!二、荷载加至倍情况下悬挑梁验算荷载设计值:q=×g k=×=m第1排:F1=×F1/n z=1=第2排:F2=×F2/n z=1=1、强度验算弯矩图(kN·m)σmax=M max/W=×106/141000=mm2≤[f]=215N/mm2符合要求!2、抗剪验算剪力图(kN)τmax=Q max/(8I zδ)[bh02-(b-δ)h2]=×1000×[88×1602-(88-6)×]/(8××6)=mm2τmax=mm2≤[τ]=125N/mm2符合要求!3、挠度验算变形图(mm)νmax=≤[ν]=2×l x/250=2×1250/250=10mm 符合要求!。
悬挑脚手架作用下阳台梁承载力验算阳台梁是建筑物结构的重要组成部分,它起到支撑楼板和承重墙体的作用。
为了保证阳台梁的安全性和稳定性,需要对其承载力进行验算。
首先,需要确定阳台梁的材料和尺寸。
常见的阳台梁材料有钢筋混凝土和钢结构,不同材料的承载力计算方法有所不同。
尺寸方面,需要考虑阳台梁的长、宽和高等参数。
在进行承载力验算之前,我们需要明确阳台梁的受力形式和作用荷载。
阳台梁主要受到自重和附加荷载的作用。
自重是指阳台梁自身的重量,需要根据材料密度和尺寸计算得出。
附加荷载包括人员负荷、施工荷载等,根据实际情况确定。
接下来,我们可以根据阳台梁的受力情况,进行承载力验算。
常见的验算方法有以下几种:1.静力计算法:根据静力学原理,进行受力分析和计算。
静力计算需要考虑阳台梁的弯矩、剪力和轴力等受力情况,采用力学公式进行计算。
2.有限元分析法:利用计算机软件进行数值模拟,对阳台梁进行受力分析和计算。
有限元分析法可以更精确地模拟阳台梁的受力情况,考虑到材料的非线性性和复杂的受力分布。
3.抗弯强度验算法:根据阳台梁材料的抗弯强度和受力情况,进行验算。
抗弯强度验算需要考虑材料的弯曲应力和弯曲强度,根据弯矩和截面形状进行计算。
4.极限承载力验算法:根据阳台梁的极限承载能力,进行验算。
极限承载力验算需要考虑阳台梁的整体稳定性和局部稳定性,采用强度理论和抗变形理论进行计算。
在进行承载力验算时,还需要将阳台梁与其他结构的连接方式和受力情况考虑在内。
同时,还需要考虑施工期间的荷载变化和临时荷载的影响,以保证阳台梁的安全性和稳定性。
最后,为了确保阳台梁的承载力,需要进行验收和监测工作。
验收工作包括对阳台梁的材料和尺寸进行检查,验证验算结果的准确性。
监测工作包括对阳台梁的实际受力情况进行定期检测和记录,及时发现和解决潜在的问题。
总之,悬挑脚手架在阳台梁承载力验算中起到了重要的作用。
通过正确的计算方法和严格的验收监测工作,可以保证阳台梁的安全可靠,为高层建筑的施工提供良好的工作条件。
悬挑脚手架作用下阳台梁承载力验算根据本工程特点,外脚手架需进行分段卸荷于主体结构上,结合脚手架施工方案,型钢悬挑脚手架分别设置在8#栋7、13层,9、10、14#栋10层,考虑到阳台处脚手架外附加荷载较大,为保证结构传力可靠,需对阳台梁承载力进行验算。
结合8、9、10、14#栋结构图,选取以下阳台进行受力验算:1、9、10、14#栋南向大阳台选取跨度和荷载都较大的9、10#栋6~15轴南向阳台进行结构受力验算。
2、8#栋阳台选取跨度最大的14~22及29~37轴内阳台进行结构受力验算,3、14#栋10层北向阳台(2~8、10~16、18~24、26~32轴)验算4、8#栋7、13层南向阳台(10~14、37~41轴)验算5、8#栋7、13层北向阳台验算(16~18、33~35轴)验算6、8#栋7、13层南向阳台(3~5、46~48轴)验算7、9、10#栋10层北向阳台(7~9、12~14、26~28、31~33轴)验算验算成果见附件各栋阳台加强配筋图。
阳台梁上由外架传来的集中力大小及位置详见附图9、10#栋6~15轴南向阳台受力验算一、阳台连系梁承载力验算阳台连系梁截面为200*400,混凝土强度等级为C30,受力纵筋采用HRB400三级钢,箍筋采用HPB300一级钢,阳台板厚为100mm。
1、荷载统计恒荷载阳台连系梁自重:q1=0.2*0.4*25=2KN/M阳台板传给连系梁自重:q2=0.65*0.10*25=1.625KN/M阳台活荷载:q3=2.5KN/M2*1=2.5 KN/M则均布荷载设计值为q=1.2*( q1+ q2)+1.4* q3=1.2*(2+1.625)+1.4*2.5=7.85KN/M 外脚手架型型钢传给阳台连系梁的集中力为27.2KN,集中力间距为1.3m。
考虑连系梁两端固接于阳台悬挑梁上,其受力计算简图如下:经计算,其弯矩包络图及剪力包络图如下:2、阳台连系梁正截面承载力验算连系梁截面尺寸bxh=200mm*400mm ,混凝土强度等级C30,弯曲抗拉强度设计值为f t =1.43N/mm 2,轴心抗压强度设计值f c =14.3 N/mm 2,纵向受力钢筋为三级钢,f y =360N/mm 2,f y '=360N/mm 2,ξb=0.518,受拉钢筋为2Φ14,A s =308mm 2,受压钢筋为2Φ14,A s '=308mm 2,。
悬挑脚手架局部验算说明书一、本说明书验算阳台处脚手架悬挑工字钢采用斜支撑方式加固,对悬挑和支撑的工字钢强度及稳定性验算;悬挑每段高度为2.95m×6层=17.70m,验算高度取17.7m。
悬挑钢梁拟采用16#工字钢,其钢梁间距等同于立杆纵距1.5m,立杆横杆0.80m,步距1.8m。
斜支撑采用16#工字钢。
计算模型二、主要材料:φ48×3.5钢管、扣件,HPB235级的16#工字钢,HPB235级的φ16钢筋套环。
三、验算方式:第一、验算悬挑钢梁(16#工字钢)时,钢丝绳的承载力不予考虑,仅作为安全储备;第二、验算斜支撑工字钢的稳定性。
四、高架体的强度和稳定性计算已在落地式脚手架部份进行了验算五、悬挑梁使用安全验算:1:荷载计算:①脚手架立杆承受的结构自重标准值:0.1248×17.7=2.209KN②毛竹脚手片自重标准值(按六层计算):0.35×1.5×0.40×6=1.26KN③安全网自重标准值(按六层计算):0.011×1.5×17.7=0.292KN④安全防护栏杆装置(按六层计算):0.14×1.5×6=1.26KN⑤施工荷载(按两层荷载计算): 1.5×0.40×3×2=3.6KN2:内、外力杆轴向力设计值:①F内=1.2N GK+1.4N QK=1.2×(2.209+1.26)+1.4×3.6=9.203 KN②F外= 1.2N GK+1.4N QK=1.2×(2.209+1.26+0.292+1.26)+1.4×3.6=11.065 KN3:内力计算:KN F F F A 567.467.334.121.0=⨯+⨯=)(外内 Vmax= F 内+ F 外+ A F =9.203+11.605+4.567=25.375KNKN V F 76.2946.395.2max x =⨯=KN V F 14.3955.495.2max =⨯=支 Mmax= A F ×3.67=17.76KN ·m4:悬挑工字钢强度验算:弯矩验算:弯矩图f x x x ≤⋅W R M其中:x R =1.05x W =140.9×103 3mm9.1191014105.11076.17x x x 36=⨯⨯⨯=⋅W R M N/2mm ≤f=215N/2mm (强度满足要求) 剪力验算:剪力图v f t ≤⋅⋅W Z I S V其中: S -工字钢的半截面面积矩 S=8.08×1043mmI —工字钢的惯性矩 I=1127×1044mmtw —工字钢的腹板宽度 tw =6.0mm2v 2443/125f /32.300.6101127108.081025.375t mm N mm N I S V W Z =≤=⨯⨯⨯⨯⨯=⋅⋅(抗剪刚度满足要求)挠度验算此处省略六、斜支撑验算斜支撑采用16#工字钢长度4.55m 两端铰支p 2pσλE⋅=π(p λ适用于欧拉公式的最小柔度值)p σ=200MPa (工字钢比例极限) E=206GPa (弹性模量)77.100102001020614.3692p 2p =⨯⨯⨯=⋅=σλE π长细比:i lμλ= )(AI i = 其中:mm l 4550=A=221026.131mm ⨯I=441093.1mm ⨯μ=1.0(两端铰支)241101.9310131.2645500.152=⨯⨯⋅⨯=λ λ≥p λ(斜支撑为细长杆,适用欧拉公式)临界应力:a 97.342411020614.323222cr MP E=⨯⨯=⋅=λσπKN A F 376.91cr cr =⋅=σcr 28.78k F KN F ≤=⨯支(k 为安全系数,取值2.0)(满足)注:1.以上验算仅建立在非斜支撑处,悬挑外架其他安全条件满足情况。
(七)型钢设在阳台上的阳台验算验算选择的是一个最不利阳台作为代表进行计算的;型钢设在阳台上示意图一、梁L1承载力验算:L1截面尺寸为:200×400混凝土强度等级:取最小的等级C25L1配筋:梁上部配筋3根20;梁下部配筋2根16;梁L1受力示意图根据力法计算原理,在A处增加一个未知单位力X1由公式01111=∆+P X δ()() ⎝⎛⨯⨯+⨯+⨯⨯+⨯+⨯⨯⨯=∆9.20.1373.140388.62210.28.0388.62796.202133.18.0796.202110121EIp()()())25.55.0234.429056.323216.48.0056.323557.223212.48.0557.223373.14021⨯⨯+⨯+⨯⨯+⨯+⨯⨯+⨯+mm 44.15912400200108.21016.29763512=÷⨯⨯⨯⨯= ()mm 335111097.212400200108.23255005500550021-⨯=÷⨯⨯⨯⨯⨯⨯⨯=δ代入公式得KN X 68.531-= (方向向上)M1和MP 图叠加,得最终弯矩图固端B 处弯矩最大m KN M •=2.100max剪力Q 图=max V 91.1KNmm bf f A f A x C yS y S 68.812009.110.13604023609421=⨯⨯⨯-⨯=''-=α)′(′′)2(001S y S C a h f A xh bx f M +=αμ ()mkN m kN M ⋅⋅=-⨯⨯+⎪⎭⎫ ⎝⎛-⨯⨯⨯⨯=2.10078.11035365360402268.8136568.812009.110.1<μ满足要求!L1抗剪承载力验算:000.175.1h s A f bh f V sv yv t CS++=λ36510010121036520023.10.15.175.1⨯⨯+⨯⨯⨯+=kN kN 1.9131.142>=抗剪承载力满足要求! 二、梁L2承载力验算:L2截面尺寸为:200×400 混凝土强度等级:C25 L2配筋:梁上部配筋3根20;梁下部配筋2根16;箍筋φ8@100/200固端C 处产生的弯矩最大:m kN m kN m kN m kN M ⋅=⨯+⨯+⨯=16.1163.0275.223.1275.225.168.53max KN Q 23.98max =抗弯承载力验算:mm bf f A f A x C yS y S 68.812009.110.13604023609421=⨯⨯⨯-⨯=''-=α)()2(001'-''+-=S y S C a h f A x h bx f M αμ()mkN m kN M ⋅⋅=-⨯⨯+⎪⎭⎫ ⎝⎛-⨯⨯⨯⨯=16.11678.11035365360402268.8136568.812009.110.1<μ不满足要求! L2配筋计算:m kN a h A f M S S y ⋅=-⨯⨯='-''=76.47)35365(402360)(02μ 混凝土所受弯矩:m kN m kN m kN M M M ⋅=⋅-⋅=-=4.6876.4716.11621μμ22.0365365200/9.110.1104.68262011=⨯⨯⨯⨯⋅⨯==mmmm mm mm N mmN bh f M C S ααμ 26.0=ξ查表得mm mm h x S 7029.9426.03650=>=⨯==αξmm f f A bx f yy S C 10303603604029.942009.110.11S =⨯+⨯⨯⨯=''+=αα选用4根20,钢筋面积为12572mm ,满足要求!对于设有型钢的阳台L2上部配筋原设计为3根20,现应改为4根20,能满足要求!L1抗剪承载力验算:000.175.1h sA f bh f V sv yv t CS++=λ36510010121036520023.10.15.175.1⨯⨯+⨯⨯⨯+=kN Q kN 23.98139max =>=抗剪承载力满足要求!。
阳台悬挑部位荷载分析验算一、工程概况 (1)二、阳台荷载 (2)三、脚手架荷载 (2)四、模型建立 (3)五、计算结果 (3)六、Morgain软件校核截面 (6)七、阳台结构梁位移 18一、工程概况本工程采用悬挑脚手架进行外围结构施工,悬挑脚手架附着在已完成施工的框架主体结构上。
因部分结构外围为悬挑阳台,考虑利用阳台封头梁(200×400)作为悬挑工字钢的附着点。
本方案将分析计算悬挑脚手架对悬挑阳台的影响,校核永久结构在脚手施工荷载影响下的安全。
根据工程设计图纸可知,结构差异不大,阳台受力情况相似,选取南侧阳台进行最不利工况分析。
二、阳台荷载本次校核采用MIDAS/gen专业结构计算软件,阳台结构自重由软件自行计算。
根据设计资料,阳台周边栏杆自重取1.5kN/m,阳台活荷载取 2.5KN/m2,考虑施工不利因素,校核时的阳台活荷载取为4KN/m2;考虑外围脚手架的围护作用,不考虑栏杆玻璃的风荷载,仅考虑脚手架风荷载作用;三、脚手架荷载按《建筑施工扣件式钢管脚手架安全技术规范》(JGJ130-2011)选取。
(1)恒载:立杆自重0.1295kN/m(1.5m纵距);扣件自重18.4N/个;脚手板自重0.35kN/m2;挂网自重0.05kN/m2;栏杆与脚手板挡板自重0.17kN/m(2)风荷载:基本风压ω0=0.4kN/m2,地面粗糙度C类,密目网挡风系数取为0.8。
风荷载体形系数μs=1.3φ=1.04;按屋顶高度(48.60m)考虑,计算近似按离地面50m高度,风荷载体型系数为μz=1.25,所以风荷载标准值ωk=1.25×1.04×0.4=0.52kN/m2。
(3)施工荷载:考虑两层,每层3Kpa。
四、模型建立脚手架悬挑支座(包括拉杆)与阳台整体建模,模型如图1所示(标准层高2.9m)。
阳台悬挑梁视为固端悬臂梁,不考虑阳台板刚度的有利作用。
图1 悬挑脚手及阳台整体计算模型示意图五、计算结果经MIDAS/gen计算,阳台悬挑主梁最大轴力4.7KN,最大剪力46.3KN(Y向剪力可忽略不计),最大扭矩3.3KN•m,最大弯矩69.6KN•m(Z向弯矩可忽略不计);封头梁最大轴力5.5KN,最大剪力39.6KN,最大扭矩 1.9KN•m,最大弯矩49.4KN•m。
关于悬挑工字钢梁的验算一、I28a 工字钢的力学特性查手册得,A=55.40cm 2,自重q=43.49kg/m,截面惯性矩I=7110cm 4,截面抵抗矩W=508cm 3。
二、建立计算模型 P 立杆承重+立杆自重三、计算按照悬臂梁受集中荷载+均布荷载情况验算 受集中荷载:弯矩M max =pl ,剪力Q max =p,挠度f max =pl 3/3EI 受均布荷载:弯矩M max =21ql 2,剪力Q max =ql,挠度f max =ql 4/8EI 根据《北引桥现浇连续箱梁专项施工方案》,P=25.738KN 。
1、抗弯M=pl+21ql 2=25.738×103×0.9+0.5×434.9×0.92 =23340.335N.Mб=M/W=23340.335/508×10-6=45.946MPa<[бw]=145MPa2、抗剪Q=p+ql=25.738×103+434.9×0.9=26133.91N[Q]=235×106×55.40×10-4=1301900NQ<[Q],所以,抗剪合格。
3、挠度E=2.1×105MPaf=pl3/3EI+ql4/8EI=25.738×103×0.93/3×2.1×105×106×7110×10-8+434.9×0.94/8×2.1×105×106×7110×10-8=4.213×10-4m根据《钢结构设计规范GB50017-2003》,悬臂结构的允许挠度值为L/250,如果是施工平台主梁,应该按照L/400计算。
[f]=L/400=2.25×10-3m。
F<[f],挠度符合要求。
工字钢悬挑梁荷载计算书一、基本参数主梁离地高度(m) 86 悬挑方式普通主梁悬挑主梁间距(mm) 1500 主梁与建筑物连接方式平铺在楼板上锚固点设置方式压环钢筋压环钢筋直径d(mm) 16100主梁建筑物外悬挑长度L x(mm) 1200 主梁外锚固点到建筑物边缘的距离a(mm)主梁建筑物内锚固长度L m(mm) 1500 梁/楼板混凝土强度等级C30二、荷载布置参数平面图立面图三、主梁验算q'=g k=0.205=0.205kN/m第1排:F'1=F1'/n z=4.65/1=4.65kN 第2排:F'2=F2'/n z=4.65/1=4.65kN 荷载设计值:q=1.2×g k=1.2×0.205=0.246kN/m第1排:F1=F1/n z=5.85/1=5.85kN第2排:F2=F2/n z=5.85/1=5.85kN1、强度验算弯矩图(kN·m)σmax=M max/W=8.369×106/141000=59.358N/mm2≤[f]=215N/mm2符合要求!2、抗剪验算剪力图(kN)τmax=Q max/(8I zδ)[bh02-(b-δ)h2]=11.995×1000×[88×1602-(88-6)×140.22]/(8×11300000×6)=14. 176N/mm2τmax=14.176N/mm2≤[τ]=125N/mm2符合要求!3、挠度验算变形图(mm)νmax=2.825mm≤[ν]=2×l x/250=2×1200/250=9.6mm符合要求!4、支座反力计算R1=-5.395kN,R2=17.759kN四、悬挑主梁整体稳定性验算主梁轴向力:N =[0]/n z=[0]/1=0kN压弯构件强度:σmax=M max/(γW)+N/A=8.369×106/(1.05×141×103)+0×103/2610=56.531N/mm2≤[f]=215N/mm2塑性发展系数γ符合要求!受弯构件整体稳定性分析:其中υb -- 均匀弯曲的受弯构件整体稳定系数:查表《钢结构设计规范》(GB50017-2003)得,υb=2由于υb大于0.6,根据《钢结构设计规范》(GB50017-2003)附表B,得到υb值为0.93。
先看看悬挑脚手架底部承力架的形式,我们现场见得最多的应该是悬挑梁式,构造见图,A 端悬挑梁为锚固端(也有设置三个锚固点,每个锚固点设置两道锚固钢环的,具体做法再详细介绍),B段为脚手架立杆的支撑端(需采取一定的锚固措施,防止钢管滑移,并抵抗风荷载的上浮力)。
这个现场做得比较差,1、采用的槽钢,截面不合理,建议采用对称截面的,如工字钢。
施工单位的解释是采用槽钢的话等工程结束,浇筑路面的时候还能当模板用.....只要计算没有问题,有的时候也只能如此,但是在立杆位置应增设加强肋,改善构件的受力性能2、锚固长度太短,我们一般控制在悬挑长度的1.5―2倍之间。
3、锚固点设在悬挑板上,受力不合理,应该将槽钢加长,锚固点避开阳台位置,当然,如果悬挑阳台太大的话,可以在阳台位置加上锚固点,用来控制槽钢的侧向变形。
4、锚固点采用了木楔,木材材质比较软,受理后容易变形,建议采用钢制材料这个就是在立杆位置应增设加强肋的,刚才有人说图不清楚,简单的花了一下,画图水平有限,这样应该可以了吧这个锚固点就避开了阳台位置,但是端部做法值得探讨,现场焊接工程量比较小,而且分散,很少有单位愿意去找技术水平高一点的电焊工,一般就叫普通工人弄弄,焊接的质量难以控制,而且像这种只能单面焊,有的还是点焊,到低有多少焊接强度很难说这种端部的固定方式是我们目前见到的最好的形式了,端部采用两道固定,钢制的楔子,不错,不过也有问题,我们得到消息,目前正在修订的《建筑施工扣件式钢管脚手架安全技术规范》JGJ130规程中有这样一条:6.11.1悬挑钢梁应使用16号及以上双轴对称截面型钢,悬挑梁尾端应在两处以上使用HPB235级直径16当然,现场端部锚固的形式还有很多,不再一一列举,我们总结了一些,主要形式有下面几种:图一是最常见的在主体结构施工是预埋钢筋的形式,当然不一定是环形的,也有埋两个钢筋再对折的.......图二是后置式的,主体结构施工时预留洞口(也可以浇筑完主体后再打孔),然后用螺杆固定,螺杆形式有图示的两根对穿螺杆,也有将螺杆加工成U形的(这样只需要再一个面拧螺栓,工作量可以减少很多)。
关于XXXXXX工程阳台处悬挑工字钢阳台梁承载的验算根据XXXXXX工程《悬挑扣件式钢管脚手架施工方案》中P14页计算得知,阳台梁支座处局部压应力最大弯矩 MA = 15.043 kN•m。
根据XXXXXX3楼结构施工图设计中结施-46中知阳台梁截面为200×400最小配筋为3D14;3D14,砼标号为C25,试验算此梁截面。
1、计算资料混凝土强度等级为C25,fc =11.943N/mm2,ft =1.271N/mm2钢筋抗拉强度设计值 fy = 360N/mm2, Es = 200000N/mm2;纵筋的混凝土保护层厚度 c = 25mm由配筋面积 As 求弯矩设计值 M,查表得纵筋受拉钢筋面积 As = 462mm2截面尺寸 b×h = 200×450, h0 = h - as = 450-37.5 =412.5mm2、计算结果相对界限受压区高度ξb =β1 / [1 + fy / (Es〃εcu)]=0.8/[1+360/(200000*0.0033)] = 0.518混凝土受压区高度x =As〃fy / (α1〃fc〃b) =462*360/(1*11.943*200) = 70mm相对受压区高度ξ= x / h0 = 70/412.5 = 0.169 ≤ξb= 0.518弯矩设计值M =α1〃fc〃b〃x〃(h0 - x / 2) =1*11.943*200*70*(412.5-70/2)= 62.816kN〃m配筋率ρ= As / (b〃h0) = 462/(200*412.5) = 0.56%纵筋的最小配筋率ρmin =Max{0.20%, 0.45ft/fy} =Max{0.20%, 0.16%} = 0.20%M=62.816kN〃m> MA = 15.043 kN•m 满足要求!3、卸载措施根据上述验算可知,阳台梁能够承受从悬挑工字钢上传来的荷载,满足安全要求。
悬挑脚手架作用下阳台梁承载力验算根据本工程特点,外脚手架需进行分段卸荷于主体结构上,结合脚手架施工方案,型钢悬挑脚手架分别设置在8#栋7、13层,9、10、14#栋10层,考虑到阳台处脚手架外附加荷载较大,为保证结构传力可靠,需对阳台梁承载力进行验算。
结合8、9、10、14#栋结构图,选取以下阳台进行受力验算:1、9、10、14#栋南向大阳台选取跨度和荷载都较大的9、10#栋6~15轴南向阳台进行结构受力验算。
2、8#栋阳台选取跨度最大的14~22及29~37轴内阳台进行结构受力验算,3、14#栋10层北向阳台(2~8、10~16、18~24、26~32轴)验算4、8#栋7、13层南向阳台(10~14、37~41轴)验算5、8#栋7、13层北向阳台验算(16~18、33~35轴)验算6、8#栋7、13层南向阳台(3~5、46~48轴)验算7、9、10#栋10层北向阳台(7~9、12~14、26~28、31~33轴)验算验算成果见附件各栋阳台加强配筋图。
阳台梁上由外架传来的集中力大小及位置详见附图9、10#栋6~15轴南向阳台受力验算一、阳台连系梁承载力验算阳台连系梁截面为200*400,混凝土强度等级为C30,受力纵筋采用HRB400三级钢,箍筋采用HPB300一级钢,阳台板厚为100mm。
1、荷载统计恒荷载阳台连系梁自重:q1=0.2*0.4*25=2KN/M阳台板传给连系梁自重:q2=0.65*0.10*25=1.625KN/M阳台活荷载:q3=2.5KN/M2*1=2.5 KN/M则均布荷载设计值为q=1.2*( q1+ q2)+1.4* q3=1.2*(2+1.625)+1.4*2.5=7.85KN/M 外脚手架型型钢传给阳台连系梁的集中力为27.2KN,集中力间距为1.3m。
考虑连系梁两端固接于阳台悬挑梁上,其受力计算简图如下:经计算,其弯矩包络图及剪力包络图如下:2、阳台连系梁正截面承载力验算连系梁截面尺寸bxh=200mm*400mm ,混凝土强度等级C30,弯曲抗拉强度设计值为f t =1.43N/mm 2,轴心抗压强度设计值f c =14.3 N/mm 2,纵向受力钢筋为三级钢,f y =360N/mm 2,f y '=360N/mm 2,ξb=0.518,受拉钢筋为2Φ14,A s =308mm 2,受压钢筋为2Φ14,A s '=308mm 2,箍筋为一级钢φ8@200。
相关知识:本文只针对带边梁的梁板式阳台结构,且边梁为一跨。
目前的结构设计规范对梁板式阳台的结构内力计算没有明确的指出,一般在进行梁板式结构阳台的内力计算时,并不考虑结构构件之间的协调工作。
另外,从目前的结构计算方法来看,对于挑梁,无论其位于中间跨或边跨,均忽略其受到的扭矩。
一般设计中,挑梁的设计计算按悬臂梁进行计算。
边梁常见形式有单跨和双跨之分,对单跨边梁通常按照简支梁进行计算;双跨边梁通常按照连续梁进行计算,在进行计算时,对中挑梁处截面的负弯矩进行调幅,使该截面处负弯矩值等于阳台单跨跨中截面正弯矩值,进而对边梁进行配筋计算。
在程序中,仅对框架梁进行调幅,对于一般梁/次梁/悬臂梁等均没有调幅。
在实际工程结构中,板的长/短边的比值往往较大,板按单向板传递荷载。
当板为双向板时,亦可按单向板进行简化计算。
注意阳台结构采用折梁形式时应根据折梁的计算方法计算。
结构重要性系数可以选择1.0。
推荐使用软件工具进行计算:理正结构工具箱/morgain结构快速设计/极致建筑技术(在线计算书)/结构力学求解器/。
边梁计算1. 荷载计算(标准值)梁自重线荷载+阳台板自重传递的线荷载/悬挑工字钢梁支座反力(注意区分标准值与设计值)/阳台板活载传递的线荷载说明:阳台板按照单向板计算,阳台板支座为阳台边梁及阳台内侧主梁。
例如:阳台板活载传递至边梁的线荷载为q=QL/2(其中L为阳台的挑梁方向开间)。
2. 确定边梁计算控制截面(计算弯矩的控制截面)边梁上只有一根悬挑工字钢梁时,考虑现场施工的不确定性,将悬挑工字钢梁位置假定在边梁跨中,计算控制截面为边梁跨中。
边梁上工字钢梁多于1根时,将最大工字钢梁支座反力作用于跨中,其余根据工字钢梁间距布置,计算控制截面为边梁跨中。
如果可以控制悬挑工字钢梁位置时(例如阳台位于转角处等情况时),可根据实际布置的悬挑工字钢梁的位置确定计算控制截面。
当支座反力相等时,可选择靠近跨中的工字钢梁位置为控制截面。
悬挑工字钢力学验算1、技术保证措施该脚手架采用企业工法:《高层建筑沿高度分段搭设、拆除工字钢外悬挑工具式脚手架施工工法》中设置方式。
搭设前施工班长应熟悉有关图纸及设计变更,搭设时,三人一组,技术员现场指导。
2、荷载统计:装修施工按三层操作面考虑:2×3=6KN/m2脚手板按三层满铺:0.35×3=0.1 KN/m2钢管立杆承受自重:0.1248 KN/m扣件自重:14.6 N/个3、集中力:F1(内立杆荷载)=N a=14.6KNF2(外立杆荷载)=N b=10.5KNF3(工字钢自重)=205×10-3×1.8=0.37 KNM max=F1×0.7+F2×1.7= 14.6×0.7+10.5×1.7+0.37×0.9=28.4 KN.m 4、选型:截面抵抗矩W X= M max/f=28.4×106/215=132.1×103mm3=132.1cm3选用热轧普通工字钢16号型钢W X= 140.9cm3截面惯性矩I X=1127 cm4半截面面积矩S X=80.8 cm3腹板厚度t=6.0mm弹性模量E=2.1×104 KN/cm35、剪应力计算:τmax=VS x/I x t=(F1+F2++F3) /I x t=(14.6+10.5+0.37)×80.8×106/1127×6×104=30.4<f v=125N/mm2满足要求6、挠度计算:荷载标准值F1=N a=14.6KN F2=N b=10.5KN F3=0.37 KNW=W1+W2+W3=【F1a12(1+a1/L)+ F2a22(1+a2/L)+ F3a32(1+a3/L)】L/3EI =【14.6×702(1+70/110)+ 10.5×1702(1+170/110)+ 0.37×902(1+90/110)】×110/3×2.1×104×1127=1.4mm<【W】=1800/400=4.5mm7、Φ18钢筋箍验算:钢筋受拉力:F4=(14.6×0.7+10.5×1.7+0.37×0.9)/1.1=25.8 KNΦ18钢筋套箍直径18mm ,I级钢设计强度值为210 kN/mm2Nt b=3.14×182/4×210=53.4KNNt b=53.4>25.8KN(满足要求)查施工手册,Φ18螺栓的极限承载力Ft=32.08 KN,Ft=32.08KN>25.8KN(满足要求)8、压应力验算1)局部压应力验算F2=14.6KN查16号热轧普通工字钢表r=8.0mm tw=6.00 t=9.9mm a1(钢管管径)=48mm a2(砼受压区)=50mm hy=r+t=8.0+9.9=17.9mm Lz=a+2hy=48+17.9×2=83.3mm取集中荷载增大系数φ=1.0σС=ψF2/(twLz)=1.0×14.6×103/6×83.8=29N/mm2<f=215N/mm2(符合要求)2)最大压应力验算F max=F1+F2+F3+F4=14.6+10.5+0.37+25.8=51.3KNhy=r+t=8.0+9.9=17.9mmLz=a2+2hy=50+17.9×2=85.8mm取集中荷载增大系数φ=1.0Σс’=ψF max/(twLz)=1.0×51.3×103/6×85.8=99.7N/mm2<f=215N/mm2(符合要求)3)砼受压区强度验算F max=51.3KN工字钢与砼接触受压面积为S=0.05×0.088=0.0044 m2σ= F max /S=51.3×103/0.0044=11.66×106 N/m2<30×106 N/m2(C30砼强度值)符合要求。
关于XXXXXX工程阳台处
悬挑工字钢阳台梁承载的验算
根据XXXXXX工程《悬挑扣件式钢管脚手架施工方案》中P14页计算得知,阳台梁支座处局部压应力最大弯矩 MA = 15.043 kN•m。
根据XXXXXX3楼结构施工图设计中结施-46中知阳台梁截面为200×400最小配筋为3D14;3D14,砼标号为C25,试验算此梁截面。
1、计算资料
混凝土强度等级为C25,fc =11.943N/mm2,ft =1.271N/mm2
钢筋抗拉强度设计值 fy = 360N/mm2, Es = 200000N/mm2;
纵筋的混凝土保护层厚度 c = 25mm
由配筋面积 As 求弯矩设计值 M,查表得纵筋受拉钢筋面积 As = 462mm2
截面尺寸 b×h = 200×450, h0 = h - as = 450-37.5 =412.5mm
2、计算结果
相对界限受压区高度ξb =β1 / [1 + fy / (Es〃εcu)]
=
0.8/[1+360/(200000*0.0033)] = 0.518
混凝土受压区高度x =As〃fy / (α1〃fc〃b) =462*360/(1*11.943*200) = 70mm
相对受压区高度ξ= x / h0 = 70/412.5 = 0.169 ≤ξb
= 0.518
弯矩设计值M =α1〃fc〃b〃x〃(h0 - x / 2) =1*11.943*200*70*(412.5-70/2)
= 62.816kN〃m
配筋率ρ= As / (b〃h0) = 462/(200*412.5) = 0.56%
纵筋的最小配筋率ρmin =Max{0.20%, 0.45ft/fy} =Max{0.20%, 0.16%} = 0.20%
M=62.816kN〃m> MA = 15.043 kN•m 满足要求!
3、卸载措施
根据上述验算可知,阳台梁能够承受从悬挑工字钢上传来的荷载,满足安全要求。
另外现场采取以下卸载方式结合施工:采用钢丝绳斜拉45º~60º角度进行卸载,具体方法为采用Φ16钢丝绳斜拉,现场绑扎在每根工字钢上外侧立杆外端的工字钢上进行斜拉。