定子吊装方案
- 格式:docx
- 大小:104.71 KB
- 文档页数:11
定子吊装方案定子吊装是指将电机的定子进行安装和吊装的一项重要步骤。
在电机制造和维修过程中,定子吊装方案的设计和实施是至关重要的。
本文将探讨定子吊装方案的相关要点和最佳实践。
一、吊装前准备工作1. 定子吊装前,需要确保工作区域的安全。
清理任何杂物和障碍物,并确保操作区域的门窗打开,以便顺利进行吊装。
2. 确认吊车或起重机的可用性和安全性。
检查其工作状态、吊载能力以及吊具的使用状况。
3. 检查定子的尺寸、重量和吊装点的位置。
根据这些参数,选择合适的吊装方法和吊装工具。
二、吊装方法和工具选择1. 使用吊索吊装法:这是一种常见的吊装方法,适用于较小型的定子。
吊索应根据定子的尺寸、重量和吊装点的位置进行合理安置。
使用吊索时,必须确保吊索的安全性和稳定性。
2. 使用吊钩吊装法:这种方法适用于较大型的定子。
吊钩应根据定子的尺寸和重量进行合理安置。
为了确保安全,可以使用多个吊钩和吊具进行协作。
3. 使用起重机吊装法:对于特别大型的定子,需要使用起重机进行吊装。
起重机应根据定子的重量和吊装点的位置进行合理安置。
起重机操作人员应具备相关的操作技能和经验。
三、吊装过程中的注意事项1. 吊装定子前,必须确保吊具和定子的连接牢固可靠。
检查吊具和连接件的状态,并及时更换损坏的部件。
2. 定子在吊装过程中,应保持水平和稳定。
避免定子的摇摆和晃动,以防损坏或人员受伤。
3. 吊装过程中,操作人员需要密切配合,确保沟通顺畅。
吊装操作应由专业人士进行,避免其他人员介入干扰。
4. 在定子吊装时,应严禁使用非专业人员的劳动力,以确保安全。
四、吊装后的处理和维护1. 定子吊装完成后,需要检查定子的吊装点和连接部位是否有松动或损坏。
如果有问题,应及时处理和修复。
2. 定子吊装完成后,需要对吊具和起重设备进行检查和维护。
确保其处于良好的工作状态,以备下次使用。
3. 定子吊装完成后,需要对吊装工作区域进行清理和整理,以确保工作区域的整洁和安全。
发电机定子吊装方案一、工程概况临清运河热电厂发电机组安装由我单位组织施工,由于发电机定子重量超过行车额定起重量。
所以单独采用行车进行吊装不能满足要求,根据现场实际情况,采用150T汽车吊与行车进行配合吊装,最终达到定子就位。
二、编制依据1、《大型设备吊装工程施工工艺标准》SH/T3515-902、《起重机械安全规程》GB6067-853、《机械设备安装工程便携手册》机械工业出版社4、我单位以前类似工程施工经验总结三、人员配备组长:王海峰副组长:宋遵峰阎世兴现场指挥:王龙彪起重工:贾广忠行车司机:华捷行车负责人:阎国福李文喜电气负责人:苏长寅配合起吊人员:高建新郭军谢连武四、定子吊装前的准备工作1、行车进行全面的检查,包括:大车、小车、钢丝绳、大钩及定滑轮等设备状况是否完好。
抱闸、限位器等电器执行机构是否可靠。
2、主厂房零米层杂物清理,回填土的夯实程度一定要满足150T汽车吊的性能要求。
3、行车的电源要有保证,禁止行车运行中途停电。
五、吊装方案理论分析1、受力分析:Q1 Q2:定子重量:吊车受力:行车受力G①定子吊装过程中应保证定子匀速上升,故G=Q1+Q2②定子吊装应保证水平,倾角不大于5°,故Q1=Q2由①、②可得:Q1=Q2=G/2=68.2/2=34.1T通过上述受力分析可知:行车受力小于额定起重量。
2、钢丝绳选用根据钢丝绳最大许用拉力计算式:S≤P/KS:钢丝绳许用拉力(KN)P:钢丝绳的破断力(KN)K:钢丝绳的安全系数,取K=8由上式可得 P≥SK吊装过程中钢丝绳受力为S′= G/2=34.1T,采用两段吊装,故每股受力为S=S′/2=17.05T故: P′=SK=17.05*9.8*8=1337KN 所以:P>P′查表钢丝绳选用:Φ52-6*37-1400型 P=1405KN>P′,即满足吊装要求。
3、吊装方法(1)由于定子存放位置不能满足一次配合吊装就位,故首先由汽车吊单独吊装,将定子送至发电机基础正前方,并确保位于行车作业面下方。
发电机定子吊装方案一、背景概述发电机定子是发电机的核心部件之一,负责产生电能。
在发电机的运行过程中,有时需要对发电机定子进行检修、更换或维护工作,这就需要对发电机定子进行吊装操作。
本文将针对发电机定子的吊装方案进行介绍和讲解。
二、吊装方案制定的重要性发电机定子是一项相对重要且价值昂贵的设备部件,在操作过程中需要遵守一系列严格的吊装操作规程和安全要求。
吊装方案制定是为了保证吊装过程中的安全性和高效性,同时也可以减少意外事故的发生和减少损失。
三、吊装方案制定的基本要素1. 条件评估:在制定吊装方案之前,必须充分评估现场环境、设备状况以及吊装设备等因素。
包括但不限于:起重设备的承载能力、起重高度、操作空间、地面承重能力等。
2. 吊装设备选择:根据发电机定子的重量、尺寸和安装情况,选择适合的吊装设备,如起重机、吊车、电动葫芦等。
同时要确保所选设备的额定承载能力和操作空间满足要求。
3. 吊装点确定:根据发电机定子的特点和结构,确定吊装点的位置。
吊装点应选择在定子结构的强固部位,以确保吊装的稳定性和安全性。
同时,需要避免对定子造成不必要的损坏。
4. 吊装过程规划:根据定子的吊装要求和所使用的吊装设备,制定吊装过程的详细步骤和操作规程。
包括但不限于:吊装高度的控制、定子的固定与解固、吊装速度和吊装角度的控制等。
5. 安全措施:在吊装过程中,必须采取一系列安全措施来保证人员的安全。
包括但不限于:指定专人负责指挥和监督吊装过程、佩戴安全防护装备、确保作业现场的清洁和整齐等。
四、吊装方案的操作步骤以下是一个典型的发电机定子吊装方案的操作步骤:1. 确定吊装点:根据定子的结构和重量,确定合适的吊装点,并进行必要的检查和测试,确保吊装点的稳定性和安全性。
2. 准备工作:准备好所需要的吊装设备,并进行必要的检修和保养。
确保吊装设备的正常运行和安全可靠。
3. 吊装前检查:在吊装之前,对吊装设备的各个部分进行全面检查,确保没有故障和安全隐患。
定子吊装方案1. 引言在电机制造和维修过程中,定子吊装是一个重要的环节。
定子作为电机的核心部件,其重量较大且结构复杂,因此正确的吊装方案对于保证电机的安全运行至关重要。
本文将介绍一种常用的定子吊装方案,以保证定子的安全吊装和安装。
2. 准备工作在进行定子吊装之前,需要做好以下准备工作:•确认吊装设备的可用性和安全性,包括吊车、吊索、吊钩等。
•对定子进行彻底的检查,确保其结构完整并无损坏。
•确定吊装现场的安全环境,包括防滑措施、安全警示标志等。
3. 吊装步骤3.1 安装吊钩在定子吊装之前,首先需要安装吊钩。
吊钩应经过质量检测,并且具备足够的承重能力和安全保护机制。
3.2 绑扎吊索将吊索固定在定子上,应选择足够承重的吊索,并且要确保吊索的牢固和固定。
3.3 吊起定子使用吊车等设备,将吊钩挂在吊索上,然后缓慢提升定子,直到其离开安装位置。
在吊起的过程中,需要保持吊钩和吊索的平衡,以免发生意外。
3.4 安装定子将吊起的定子缓慢移动到目标位置,并进行精确定位。
在安装的过程中,要确保定子与电机的其他部件没有接触,以免造成损坏。
3.5 检查安装在定子安装完成后,需要进行仔细的检查。
包括检查定子的固定情况、吊索的松紧度、吊钩的安全情况等。
只有确认安装正确无误后,才能进一步进行后续工作。
4. 安全注意事项在进行定子吊装的过程中,需要注意以下安全事项:•在吊装现场设置安全警示标志,以提醒工作人员注意安全。
•工作人员必须佩戴安全帽、安全鞋等防护装备。
•确保吊装设备的质量和可靠性,避免使用损坏或失效的设备。
•吊装过程中,要做好沟通协调,确保吊装顺利进行。
•定子吊装结束后,要及时清理吊装现场,避免绊倒和其他危险情况的发生。
5. 结论正确的定子吊装方案是保证电机安全运行的重要环节。
通过安装合适的吊钩和吊索,并按照规定的吊装步骤进行操作,可以确保定子的安全吊装和正确安装。
然而,在整个吊装过程中,安全始终是首要考虑,工作人员必须严格遵守安全操作规程,以保证吊装过程的安全。
#2机组发电机定子吊装机具要求概要6月14日,按照公司工程技术部设计定子吊装方案记要,公司将委托生产专用的定子吊装工具,结合现场实地测算和讨论,肯定方案为:门架提升与平移的吊装方式。
如下图所示:一、上层门架要求:按照以上方案要求,结合现场具体情形,故此定子吊装专用工具门架应知足以下要求:一、起吊能力能够起吊本工程定子,本工程定子净重为320t,运输重量约345t。
外形尺寸长、宽、高(10400×4600×4277)。
定子外形图如下:(俯视图)故此门架长宽应知足以下要求:横向考虑每侧留最小200mm左右的吊装间隙,纵向与吊点对齐,则可肯定移动门架支柱横向最小空间的宽度为5000mm,承力起吊点宽度为5060 mm(定子吊攀间距)。
门架提升空间高度A值不小于300mm,B值不小于300mm(便于抽、穿滑道)。
由于行车大钩限高为24834 mm,承力面为13654mm,门架上侧留有最小1000mm的起吊空间,故门架及附件顶部最高处不能高于10000mm。
门架应有能够垂直受力的四个吊点,便于定子回落至滑道上平移时,行车吊起门架随定子一路平移用。
在保证强度前提下,应考虑便于拆装,多用销子螺栓连接。
门架简图如下(门架结构为示意,仅供参考):(侧视图)(俯视图)二、滑道要求(在13.654M平台上托运定子平移的滑道)承载能力不低于发电机定子净重量:320t,附加重量按30t估算。
若是利用两组滑道,则单组滑道承载能力不低于Q=(320+30)/2=175t;(且应考虑不平衡受力的可能工况,保证安全靠得住利用)。
每组滑道上利用两个200t的移运器托起定子平移,故滑道宽度应知足200t 的移运器实际许用要求。
滑道中心距发电机定子中心线3080mm,故两组中心间距为6160mm;且横截面宽度不大于290mm,便于滑道放置于发电机预埋的地脚螺栓孔隙间。
拖运滑道应考虑便于拆装运输,从中间分为两段,选用销子螺栓连接,每组滑道全长不低于15米。
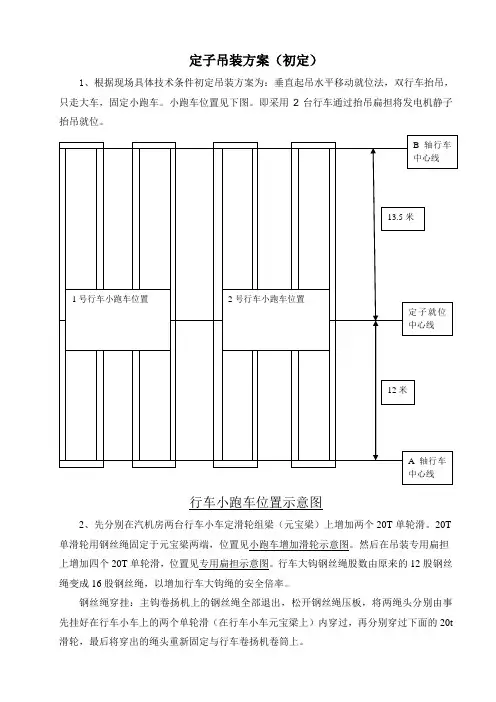
定子吊装方案(初定)1、根据现场具体技术条件初定吊装方案为:垂直起吊水平移动就位法,双行车抬吊,只走大车,固定小跑车。
小跑车位置见下图。
即采用2台行车通过抬吊扁担将发电机静子抬吊就位。
行车小跑车位置示意图2、先分别在汽机房两台行车小车定滑轮组梁(元宝梁)上增加两个20T单轮滑。
20T 单滑轮用钢丝绳固定于元宝梁两端,位置见小跑车增加滑轮示意图。
然后在吊装专用扁担上增加四个20T单轮滑,位置见专用扁担示意图。
行车大钩钢丝绳股数由原来的12股钢丝绳变成16股钢丝绳,以增加行车大钩绳的安全倍率。
钢丝绳穿挂:主钩卷扬机上的钢丝绳全部退出,松开钢丝绳压板,将两绳头分别由事先挂好在行车小车上的两个单轮滑(在行车小车元宝梁上)内穿过,再分别穿过下面的20t 滑轮,最后将穿出的绳头重新固定与行车卷扬机卷筒上。
元宝梁20T单滑轮用钢丝绳固定于此位置下部20T单滑轮用钢丝绳固定于此位置下部小跑车增加滑轮示意图3、分别将两行车大钩落入定子吊装专用扁担的孔中,插入销子使其连为一体。
吊装示意图如下:吊装示意图4、静子由运输板车开至汽机房AB列间8`#~9#柱轴线处起吊。
当起吊高度超过12m 运转层时,2台行车由一台行车大车驱动装置驱动。
当静子吊至就位位置上方时,指挥两台行车同时落钩至就位点将其就位。
5、技术核算发电机静子的吊装重量为195T,扁担(包括大钩)18T,行车两个大钩及滑轮组3T,两根Ф65×20钢丝绳0.6T,扁担上面8个20T单轮滑重1.6T。
总的吊装重量约为:G总=195+18+3+0.6+1.6=218.2T。
起吊定子过程行车单车实际吊重为:动态载荷109.1T。
单台行车钢丝绳数:16股。
每股钢丝绳拉力:109.1T÷16=6.82T。
元宝梁固定单滑轮位置(单侧)受压力:6.82T×2=13.64T。
西藏拉洛水利枢纽及配套灌区工程德罗电站厂房及尾水、压力钢管土建及安装、金属结构及机电设备安装工程定子吊装施工方案编制:审核:批准:岭南水务集团工程有限公司拉洛工程德罗电站厂房工程项目经理部2020年4月8日西藏拉洛水利枢纽工程德罗电站定子吊装方案1组织机构1.1 现场负责:张焕雄1.2 现场调度:吴云辉1.3 现场技术:张定国1.4 现场安全:吴云辉1.5 信号指挥:楚道昌1.6 桥机司机:陈忠涛1.7 班组负责:吴成梁、黄燕云、吴纯和、黄祖苞、吴名虎2主要部件重量、尺寸2.1 整体起吊重量: 63.5T2.2 外形尺寸:ø4850×38602.3 桥式起重机最大起升高度:30米3 施工依据3.1 《水轮发电机组安装技术规范》GB/T8564-2003。
3.2《水利水电工程单元工程施工质量验收评定标准》—水轮发电机组安装工程SL636-2012。
3.3 天津市天发重型水电设备制造有限公司提供的图纸及技术资料。
4 设备吊装4.1 工作准备4.1.1 清扫定子与上机架把合面,检查其平面度是否满足规范要求。
4.1.2 检查各固定螺栓其锁定方式是否满足技术要求,有无遗漏部件等。
4.1.3 按照设计要求安装定子和上机架,并检查其接触面是否满足要求,组合缝0.05mm不通过,允许局部0.1mm,深度不超过组合面1/3,组合螺栓周围不得有间隙。
4.2 起吊过程4.2.1 清理、准备上机架与定子把合螺栓。
4.2.2 运输定子的车辆缓慢开入安装间至合适位置。
4.2.3 对应(成套)安装上机架至定子上,并打紧把合螺栓。
4.2.4 用Φ42以上的钢丝绳,穿过上机架起吊孔。
钢丝绳吊环扣挂在桥机主钩上。
4.2.5 缓慢起升主钩,观察钢丝绳的受力情况,确保定子水平起升。
并注意观察桥机的起升状况,确保无异常情况。
4.2.6 待定子起升约20cm后,停止起升。
桥机上下短距离起升三次,检查主钩制动器的制动状况。
电动机定子吊装方法电动机是工业生产中常用的动力设备,它的定子是电机的重要组成部分。
在电动机的生产、运输和安装过程中,定子的吊装是一个关键环节。
本文将介绍电动机定子的吊装方法,以确保吊装过程安全、顺利进行。
一、吊装前的准备工作在进行电动机定子吊装前,首先要进行准备工作,包括:1. 确定吊装方案:根据电动机定子的重量和尺寸,确定合适的吊装设备和吊装方案,如使用起重机、吊车等设备,并制定详细的吊装计划。
2. 检查吊装设备:检查吊装设备的工作状态和安全性能,确保吊装设备符合要求,并进行必要的维护和保养。
3. 安全防护措施:按照相关规定,设置和检查安全防护设施,如安全网、防护栏杆等,确保吊装现场的安全。
二、定子吊装的具体步骤1. 固定吊装设备:根据吊装方案,将起重机或吊车等吊装设备固定在合适的位置,确保设备稳定牢固。
2. 定子吊装准备:将定子放置在吊装设备下方的平稳地面上,并使用吊装绳或吊具固定好定子。
3. 吊装定子:根据吊装计划,将吊具连接到定子上,并通过起重机或吊车等吊装设备将定子缓慢提升至预定的高度。
4. 定子的水平调整:在吊装过程中,通过起重机或吊车等吊装设备的操作,对定子进行水平调整,确保定子在吊装过程中保持水平状态,避免摇晃或倾斜。
5. 定子的垂直调整:在将定子提升至预定高度后,根据需要进行定子的垂直调整,使定子与安装位置相匹配,并通过吊装设备的操作,将定子缓慢放置到安装座上。
6. 定子的固定:将定子放置到安装座上后,进行相关的固定工作,如紧固螺栓、焊接等,确保定子牢固地固定在安装座上。
7. 检查和清理:在定子吊装完成后,对吊装设备和吊装现场进行检查,确保吊装设备和吊装现场没有安全隐患。
同时,对定子进行清理,清除吊装过程中产生的杂物和污垢。
三、安全注意事项在进行电动机定子的吊装过程中,需要注意以下安全事项:1. 遵守操作规程:操作人员必须严格按照吊装操作规程进行操作,不得擅自更改吊装方案或操作步骤。
发电机定子吊装施工方法及工艺要求1、准备工作1 ) 拆除两台行车之间大车行走缓冲装置,用φ159×6的无缝钢管将两行车端梁刚性连接,并保持两台行车中心距为9.0m。
2) 拆除一台行车的大车行走控制线路,接到另一台大车行走控制线路上,用一台行车同时控制两台行车的大车行走。
3) 两台行车上面各增加一自制的80t附加起重小车(布置在靠B 排柱侧),附加起重小车由10t卷扬机和卷扬机底座组成,利用CKE2500型履带吊将其吊装至行车桥架上,调整附加起重小车与行车原起重小车之间的中心距离,以保证两小车的中心对准发电机定子纵向就位中心线,从而保证起吊千斤绳垂直起吊。
4) 两台行车上的附加起重小车与其起吊扁担右梁的两端销轴各通过一付80t滑车组连接,采用6×37+1-1667-φ28钢丝绳穿绕80t 滑车组“六、六”走十二道,即倍率12,钢丝绳出头由附加起重小车上的10t卷扬机牵引。
5) 原有起重小车与其起吊扁担左梁的两端销轴通过80t大钩直接连接。
6) 左右扁担梁利用四根φ56千斤绳与发电机定子的四只吊攀连接,φ56千斤绳长度为L=20m,四个头起吊。
7) 用经纬仪测取大梁在空载状态下两端及跨中共三点标高值,以测算实际吊重时大梁跨中实际最大挠度值。
2、吊装过程1) 起吊前各项准备工作做好后,即可进行起吊,起吊时利用两行车的原小车大钩和附加起重小车卷扬机配合将发电机定子整体抬吊至离地约200mm停止,悬吊10分钟,对所有起吊设施进行全面检查,并在汽机房两端利用经纬仪对行车桥架跨中的下挠度进行监测,桥架跨中的下挠度不得超过36.4mm,试刹车,确认各部件无异常后,方可继续起吊。
2) 当发电机定子抬吊至超过发电机台板上平面100~200mm后停止上升。
开动行车大车,使定子吊运横向中心与基础横向中心对正,然后放下就位。
3、质量标准1)定子起吊前,定子的纵向中心线同发电机基础纵向中心线应重合。
2)用φ159×6的无缝钢管刚性连接两台行车,并保持两台行车中心距为9.0m。
3. 发电机定子吊装方案1.概述2.定子吊装应具备的先决条件3.详细指南4.安全措施5.附录发电机定子吊装方案1.概述常规岛汽机间HN325MW汽轮发电机组中QFS-310-2型发电机定子,安装于+14.5m运转层上。
其外形尺寸为8.49×3.7×2.55m,净重183t,吊装重量190t(包括抬吊平衡梁及上下钢丝绳扣)。
定子吊装就位采用汽机间所设两台75t桥式行车进行抬吊。
2.定子吊装应具备的先决条件2.1施工人员熟悉所承担工作的施工顺序、要求,并接受技术交底。
人员配置合理,职责明确。
2.2施工工具、材料准备齐全并确认符合使用要求。
2.3平板车运输道路、卸车区域应清理平整,无障碍物,满足300t平板车的行驶及回转要求。
临时吊物孔空间尺寸应满足吊装要求。
2.4吊装绳扣,抬吊平衡梁按设计图制作并通过模拟吊装检验达到可使用条件。
2.5两台75t行车行走机构、起吊绳扣、吊钩、抱闸机构、电气控制装置等应全面检查,调整合格,并停置在8~10轴之间。
2.6拆除两桥吊相对的缓冲器。
用二条钢梁将两桥吊连成一体,使其中心距为8.6m。
2.7发电机基础验收合格后,划线、台板安装等工作完毕,已达到定子就位的条件。
2.8检查定子四个吊点应牢固可靠,吊点距离符合设计要求。
3.详细指南定子利用300t平板拖车运至汽机间卸车区域(见附录A发电机定子吊装示意图),将两台75t桥式行车连锁成一体,提升定子超过+14.5m标高。
开动两台大车同步向西运行30m,再开动两台小车向北同步运行4m,到达安装位置,即可落位、找正。
3.1行车连接及性能试验3.1.1将两台行车用钢梁连接,连接后两台行车中心距应为8.6m。
3.1.2开动行车大跑车,观察其传动、制动机构,应无异常现象。
开动行车小跑车,检查传动机构及制动机构应无异常现象。
将两台行车上的吊钩在电气上实现联控,以保证同步。
3.1.3用行车抬吊平衡梁进行全过程模拟试验,完成吊装全过程的所有动作,观察行车及吊具的工作性能。
目录1、工程概况 (2)2、编制依据 (2)3、作业条件 (2)4、劳动力组织及施工计划 (3)5、施工机具、仪器的配置 (3)6、施工协调 (3)7、作业环境应达到的条件 (3)8、施工技术措施 (4)9、相关计算 (5)10、安全措施及文明施工 (11)11、附页 (12)1、工程概况:新疆神火4×350MW动力站工程,3#机组选用东方电机股份有限公司生产的QFSN-350-2-20型汽轮发电机,其运输外形尺寸为7.4×3.8×3.92m,除去底板、端盖、氢气冷却器及出线装置等附件外,起运输重量为202t,净起吊重量196t。
本次安装采用方案是:定子由制造厂经铁路加公路运达现场后,直接运至汽机房,从汽机房A排16#—17#柱之间拖进至定子横向中心线与A排柱轴心距离为13m位置,采用汽机房布置的两台80t桥吊主钩及外加8台20t滑轮,250t主钩,定子吊装扁担作为主要起吊工具。
利用250吨履带吊车的一只250吨大钩作为转向钩使发电机定子转动90°。
将定子摆正后拆去250t 大钩,重新拴挂定子吊装钢丝绳,两台吊车同时起吊,待吊起至高过主机平台200mm左右以后两台吊车同时向3#机组发电机基础行车,到达安装位置后,将定子回落至基础上并进行初步找正工作。
2、编制依据:2.1.《80t/20t行车技术图纸》厂家资料2.2.《电力建设及施工验收规范》(汽机篇)DL5001—92东方电机厂提供的的发电机说明书及设计图纸3、作业条件:3.1.发电机定子出线罩以提前存放完毕;3.2.吊装用具准备齐全(包括扁担、绳索、吊钩等);3.3.土建结构具备承载条件;3.4.汽轮发电机基础施工完毕并验收合格;3.5.发电机台板就位找正,验收合格;3.6.桥吊梁灌浆结束,砼强度达到设计条件;3.7.汽机间房架安装结束;3.8.汽机间已封闭;3.9.汽机房桥吊负荷试验合格,具备承载条件;3.10.吊发电机定子临时措施安装结束;3.11.由相关部门对汽机主厂房内A列柱与B列柱强度进行核算,应满足吊装条件。
发电机定子多种吊装方案与计算郑岩定子是发电工程的核心部件,也是工程施工中最重的大件。
其定子重(运输重量/吊装重量):30MW:44.72/42t、 50MW:68/66t、 200MW:178/174.4t、300MW:201/194t、 600MW:335/325t、 1000MW:462/443t。
定子吊装重量超过桥吊额定负载时应完整校核:箱型结构几何尺寸、载荷技术、强度计算、稳定校核、刚度计算、焊缝强度计算、千金钢丝绳计算、牵引钢丝绳牵引力计算、吊钩强度计算、轮压计算、扁担设计、吊车轨道梁校核、牛腿强度校核、两台吊桥抬吊负荷分配计算等。
上述计算校核中,视吊装方案不同,而校核技术重点不一,按需舍取。
一般重点放在桥吊主梁强度和端梁强度校核。
根据需要在桥吊订购时,将主梁端梁强度加大,也是一种可行的方案;采用绳索液压提升不用吊车则无需校核。
多种发电机定子吊装,其方案类别及校核主要内容简述如下。
第一种方案:两台桥式吊车抬吊,大车小车均可移动,但不准同时操作两个动作的方案;桥式吊车主梁,厂家允许可移动的最大集中荷载为75×1.1=82.5t。
一、两台75t桥吊抬吊发电机定子计算发电机定子净重:174396.4kg;(即起吊就位重量)桥吊总重:86266kg(其中小车重30316kg,桥架重55950kg)共2台;定子吊装用钢丝绳:φ60.5mm,L=22m 一对。
φ60.5mm钢丝绳重量12.3kg/m,加上钢丝绳插接段,一对总长60m,因此,钢丝绳总重为:12.3×60=738kg;自制吊装扁担:φ426×12mm,L=10m的无缝钢管,灌满混凝土(强度等级为C30)。
钢管重量计算:ρπh(R2-r2)=7.85×3.14×10×(0.2132-0.2042)=0.925t混凝土重量计算:ρπr2h=2.4×3.14×0.2042×2.266=0.711t则吊装扁担重量为:0.925+0.711=1.636t;140t滑轮组一对,共2t。
目录一、编制依据 (1)二、工程概况、施工范围及工程量 (1)三、施工准备和施工条件 (2)四、综合进度和配合要求 (3)五、施工主要机具及材料 (4)六、主要施工方法和步骤 (6)七、施工质量标准和工艺要求 (11)八、应注意的质量问题 (11)九、成品保护要求 (11)十、安全、环保及文明施工措施和要求 (12)十一、应形成的质量记录和验收级别 (16)十二、其它需说明问题及附录、附加的各种相关必备内容 (16)十三、附表.............................................................. 错误!未定义书签。
交底记录 (28)执行过程检查表 (29)执行过程不符合整改验证记录 (30)验证记录 (31)一、编制依据1.1崇信电厂2*660MW机组新建工程《#1机组安装施工组织总设计》;1.2《火力发电工程施工组织设计导则》 2002年版;1.3《电力建设施工及验收技术规范》(汽机篇)DL/5001-92版;1.4《火电施工质量检验及评定标准》(汽机篇)1998年版;1.5《电力建设安全工作规程》(火力发电厂部分)2002.12.1;1.6《450t发电机定子提升装置安装说明书》;1.7《电力建设安全健康与环境管理工作规定(全部)》2002.1.21版;1.8东电四公司质量、职业健康安全、环境管理体系文件《程序文件》第八版;1.9西北电力设计院院提供的设备基础图纸;1.10哈尔滨电机厂有限责任公司提供的安装资料和图纸。
二、工程概况、施工范围及工程量2.1 工程概况崇信电厂2×660MW机组新建工程建设规模为2台660MW空冷燃煤机组,#1发电机布置在A-B排,汽轮发电机组采用纵向布置,机头朝向固定端。
发电机组中心线距A排中心线为15500mm,横向中心线距6号柱中心1520.5mm。
发电机定子由哈尔滨电机厂制造,额定功率660MW,频率50Hz,冷却方式为水氢冷。
定子吊装方案定子吊装方案1. 背景描述定子是电机的核心部件之一,安装定子时通常需要使用吊装设备进行操作,以确保安全和准确性。
本文档旨在提供一个定子吊装方案,以便指导工程师顺利完成吊装作业。
2. 设备和工具准备在进行定子吊装之前,需要准备以下设备和工具:- 吊装设备(如起重机、吊车等)- 吊具(包括吊索、吊钩等)- 定子(需提前梳理和检查)3. 吊装准备3.1 确定吊装计划在进行吊装作业前,需要制定详细的吊装计划。
该计划应包括以下内容:- 吊装位置:确定定子的吊装位置,确保吊装设备可以顺利接近并操作。
- 吊装高度:根据实际情况确定定子的吊装高度,包括离地高度和吊装到达的目标位置高度。
- 吊装顺序:如果需要吊装多个定子,需要确定吊装的顺序,避免吊装操作的交叉干扰。
3.2 检查吊装设备在吊装前,需要对吊装设备进行检查,确保其正常运行。
具体操作包括:- 检查起重机或吊车的机械部件是否完好,如钢丝绳、滑轮、变幅机构等。
- 检查吊具的完整性和安全性,确保吊索、吊钩等没有损坏或松动。
3.3 准备定子在吊装前,需要对定子进行梳理和检查,以确保其安全吊装。
具体操作包括:- 清理定子表面,移除杂物和尘土。
- 检查定子的结构和连接部件,确保其完好无损。
- 确认定子重量,以便选择合适的吊装设备和吊具。
4. 吊装操作4.1 确定吊装点根据吊装计划,确定定子的吊装点。
吊装点应位于定子的重心位置,以保证定子在吊装过程中保持平衡。
4.2 固定吊具将吊具正确固定在定子上。
具体操作包括:1. 将吊具的吊索或吊钩穿过定子吊孔或其他预留的吊装孔。
2. 使用锁紧装置将吊具牢固地锁定在定子上,确保吊具不会在吊装过程中脱落。
4.3 确保安全在吊装过程中,需要注意以下事项以确保安全:- 吊装过程中,操作人员应保持距离定子和吊装设备,以防止意外发生。
- 操作人员应熟悉起重机的操作规程和信号语,确保与吊装设备操作人员的沟通顺畅。
4.4 吊装定子根据吊装计划和信号指示,操作起重机或吊车,将定子吊起并移动到目标位置。
汽轮发电机定子吊装方案一、准备工作1.1.对现场进行认真勘测,包括现场环境、地形、基础情况、吊装设备选择等方面的调查。
1.2.制定详细的吊装方案,包括计划、步骤、时间安排、吊装设备、人员配置等内容。
1.3.调配吊装所需的设备和工具,包括起重机、吊装杆、吊具等。
1.4.组织专业人员进行吊装方案的培训,确保所有人员熟悉整个吊装过程和安全操作规程。
1.5.确保吊装现场的安全,包括安装警示标志、设置隔离区域、清理现场垃圾等。
二、吊装过程2.1.选择合适的吊装设备,根据汽轮发电机定子的重量和尺寸确定起重机的型号和参数。
2.2.进行预吊装试验,确保吊装设备和吊具的功能完好,没有损坏或故障。
2.3.清理吊装现场,确保周围没有障碍物,以便顺利进行吊装作业。
2.4.根据吊装方案的要求,正确设置起重机的位置和高度,以方便对汽轮发电机定子进行吊装。
2.5.安装吊装杆和吊具,确保其可靠性和稳定性。
2.6.进行观测,确保定子吊装过程中的任何异常情况及时发现并采取相应的措施。
2.7.按照预定的步骤和时间计划,开始进行汽轮发电机定子的吊装工作。
2.8.确保吊装速度恰当,避免过快或过慢可能导致的问题和危险。
2.9.定子吊装到预定位置后,进行固定和安全检查,以确保定子的稳定和安全。
三、安全措施3.1.在吊装现场设置排水设备,避免积水导致滑倒或损坏设备。
3.2.严格执行吊装现场的安全许可证制度,确保只有受过培训和持证人员才能进入吊装区域。
3.3.提供适当的个人防护装备,包括安全帽、防护眼镜、防护手套等。
3.4.在吊装现场设置有效的通风和排气系统,避免有害气体的积聚。
3.5.确保现场人员熟悉紧急救护程序和设备的位置,以提供及时的医疗救助。
3.6.加强吊装现场的沟通和协调,确保各个环节之间的衔接顺畅。
3.7.制定应急预案,以应对可能发生的意外事故和突发情况。
四、吊装结束4.1.将吊装设备和工具进行清理和维护,确保其功能和状态良好。
4.2.进行吊装过程的总结和经验分享,以提高吊装效率和安全性。
目录1、工程概况:新疆神火4×350MW动力站工程,3#机组选用东方电机股份有限公司生产的QFSN-350-2-20型汽轮发电机,其运输外形尺寸为××,除去底板、端盖、氢气冷却器及出线装置等附件外,起运输重量为202t,净起吊重量196t。
本次安装采用方案是:定子由制造厂经铁路加公路运达现场后,直接运至汽机房,从汽机房A排16#—17#柱之间拖进至定子横向中心线与A排柱轴心距离为13m位置,采用汽机房布置的两台80t桥吊主钩及外加8台20t滑轮,250t主钩,定子吊装扁担作为主要起吊工具。
利用250吨履带吊车的一只250吨大钩作为转向钩使发电机定子转动90°。
将定子摆正后拆去250t 大钩,重新拴挂定子吊装钢丝绳,两台吊车同时起吊,待吊起至高过主机平台200mm左右以后两台吊车同时向3#机组发电机基础行车,到达安装位置后,将定子回落至基础上并进行初步找正工作。
2、编制依据:2.1.《80t/20t行车技术图纸》厂家资料2.2.《电力建设及施工验收规范》(汽机篇)DL5001—92东方电机厂提供的的发电机说明书及设计图纸3、作业条件:3.1.发电机定子出线罩以提前存放完毕;3.2.吊装用具准备齐全(包括扁担、绳索、吊钩等);3.3.土建结构具备承载条件;3.4.汽轮发电机基础施工完毕并验收合格;3.5.发电机台板就位找正,验收合格;3.6.桥吊梁灌浆结束,砼强度达到设计条件;3.7.汽机间房架安装结束;3.8.汽机间已封闭;3.9.汽机房桥吊负荷试验合格,具备承载条件;3.10.吊发电机定子临时措施安装结束;3.11.由相关部门对汽机主厂房内A列柱与B列柱强度进行核算,应满足吊装条件。
4、劳动力组织及施工计划:4.1.司机及操作工: 4人,操作两台桥吊;钳工: 8人,监护吊车制动装置及配合吊装;起重工: 8人,起重及司索作业;计划工期:月~月5、施工机具、仪器的配置:转向吊钩:转向吊钩是250t履带吊车的250t吊钩。
φ65钢丝绳6×37+1-1780, 1570MPa L=19m 两根。
6、施工协调:6.1.主厂房A排墙外地埋管道及所过沟道需加固,具备运发电机定子车辆通行的条件6.2.桥吊用电要得到可靠保证7、作业环境应达到的条件:7.1.场地道路平整,整洁,道路通畅;在有地埋管道和孔洞地方需做加强路面措施;7.2.现场安全设施齐全;7.3.主厂房已经封闭,最低温度不低于5℃;8、施工技术措施:8.1.桥吊小车垂直起吊位置确定及加固:将桥吊大车开到发电机就位位置,吊车大钩上系一线锤,移动小车,使线锤与发电机纵向中心线重合,作出小车停靠位置标记,小车架四角立筋与大车主梁间垫斜垫铁,并用电焊将斜垫铁与小车架、大车主梁点焊连为一体,减轻小车起吊时轮压。
为防止小车沿横向方向移动,斜垫铁与小车架大车主梁点焊应牢固,小车加固后,经有关部门检查,确认无问题后,再起吊。
8.2.行车联接:将两台行车相对内侧的防撞部件拆除,将两车打到最近处用槽钢将两车联接起来并通过厂家人员将两车电气部分进行连接,使两车可以同步运行,以确保两车同时联动。
8.3.将250T吊钩与扁担连接起来起吊就位:两台桥吊同时抬钩,吊起定子离定子运输车约100mm左右,测量桥架主梁挠度值,开走定子运输车,定子转90度,将定子放到地面上,然后拆除转向用250吊钩。
8.4.厂房结构的验收:定子卸车前,汽机房#3机厂房结构已完并通过验收合格。
由设计院出具汽机房主厂房框架及行车轨道梁的定子吊装承载能力的核算证明,如果不能满足定子吊装要求请设计院出对其的加固方案。
8.5.定子卸车前,检查行车联动情况、保护装置等。
检查的行车的电源,主钩的制动装置。
两台行车的连动、同步做全面检查,确认无任何异常情况。
8.6.吊装工具设施布置:吊装专用设施的连接方式:定滑轮组—主钩—外加4台20t滑轮—吊装扁担—250t吊钩连接固定。
8.7.吊装扁担采用一个220t专用吊装扁担进行吊装。
8.8.每台桥吊主钩滑轮机构与外加4台20t滑轮重新穿绕钢丝绳,钢丝绳穿绕“八八走十六”,即倍率为8,钢丝绳的两个出头固定于小车大钩滚筒的固定槽内,重新穿绳后大钩到米平台滚筒上钢丝绳的剩余圈数为12圈。
2个20t定滑轮分别固定在两台桥吊主钩定滑轮的承重梁焊接后的20t吊耳上,用2个20t卡扣连接。
准备发电机定子的四个吊点连接钢丝绳φ65mm 长19米一对,满足定子吊装负荷的要求。
8.9.桥吊大钩及外加2台20t滑轮与专用吊装扁担连接。
8.10.250t主钩与吊装扁担使用6×37+1-1870,φ36×500米钢丝绳缠绕连接。
8.11.用钢板尺配合,拉钢丝的方法测取桥吊大梁在空载状态下和最重荷载挠度值。
9、相关计算:9.1.各部分计算重量➢发电机定子净重:Q1=196000㎏;➢行车总重:78000kg, 共2台;➢扁担自重:Q2=6800㎏,1件;➢250t钩重:Q3=5500㎏,1件;➢6×37+1-1770,φ65mm钢丝绳重:Q4=222㎏/根,L=19米,共2根;➢φ36×50:绑扎绳重:Q6=500㎏。
9.2.钢丝绳强度校核9.2.1.挂定子钢丝绳校核:钢丝绳长12米,钢丝绳角度为°。
9.2.2.6×37+1-1770,φ65mm的钢丝绳,破断拉力为。
9.2.3.定子转向时,每根钢丝绳受力为F1:9.2.4.F1=196000㎏/(8×°)=26350㎏9.2.5.安全系数K:9.2.6.K=218500/26350=倍9.2.1.当转向吊钩拆除时,定子起吊钢丝绳相对于扁担垂直,钢丝绳吊挂于扁担两端,并加限位装置以保证钢丝绳稳定,钢丝绳斜长为6米。
如下图钢丝绳角度α为:sinα=2300/5000=,固α=°安全系数K’:K’=218500×8/(196000/°)=倍➢定子转向及起吊角度,尺寸计算:(正常起吊时)图(定子转向时)发电机定子轴向中心线➢ 定子吊装示意图:扁担和250t 大钩连接 ;9.3.1.钢丝绳规格: 6×37+1-1870,φ36×50米 在扁担梁和主钩上缠绕12圈,用卡扣将绳头和固定吊耳连接。
9.3.2.钢丝绳每股绳受力: ➢主钩钢丝绳:220t/24=➢选用钢丝绳:6×37+1-1870,φ36mm,破断拉力➢钢丝绳的安全系数K:K= =倍,6×37+1-1870,φ36mm的钢丝绳满足要求。
9.3.起升能力核算:9.4.1.原主钩滑车组12股绳,额定起吊重量为80T,增加2台动滑车后,变为16股绳。
9.4.2.现作一下比较:➢桥吊在作额定负荷倍试验时起吊重量Q=80×=100吨钢丝绳出端头拉力S1:S1=Q×E n-1×(E-1)/(E n-1)=××/=吨其中E为滑车轴与套综合摩擦系数,青铜套取,Q为起吊重量n=钢丝绳在滑车上有效分支数为12➢起吊定子时钢丝绳出端头拉力S2:S2 =Q×E n-1×(E-1)/ (E n-1)=×8-1×/=吨其中E为滑车轴子与套综合摩擦系数,青铜套取,(钢丝绳+扁担+250t吊钩+定子重量)n为钢丝绳在滑车上有效分支数为16S1>S2卷扬能力满足要求➢所以桥吊起升卷扬机构满足起吊需要。
9.4.3.桥吊大钩钢丝绳强度校核➢桥吊大钩钢丝绳采用HETW-18-3×(3-19W-6+7)-2160钢芯钢丝绳穿绕按“八八走十六”的方式穿绕,滑车组滑轮为青铜轴套,则滑轮的综合摩擦系数e=,在吊定子的情况下,该滑车组钢丝绳出头端受力S:S=Q·e n-1(e-1)/(e n-1)=×/= 吨➢导向轮上的摩擦力计算:N=2S(E-1)式中:S—走绳拉力,E—滑轮轴与轴套之间的综合摩擦系数,采用青铜套时,E=。
代入数值:N=2×7320×=624,卷扬机出头拉力,g取KgT=(S+N)×g=(7320+624)×= ,则S1>T 满足要求。
➢动滑轮绑扎钢丝绳的核算:选用6×37+1-1870,φ32mm 破断拉力为的钢丝绳。
滑轮与扁担间钢丝绳缠绕2圈,即4股钢丝绳。
滑轮受力为所以安全系数K=4×=倍,固安全可用。
➢桥吊大钩与定子吊装扁担的绑扎钢丝绳的核算:选用6×37+1-1870,φ43mm 破断拉力为和钢丝绳。
桥吊大钩与扁担间钢丝绳缠绕4圈,即8股钢丝绳。
桥吊大钩受力为所以安全系数K=8×=倍,固安全可用。
➢定滑轮固定用吊耳承重计算如图定滑轮固定用吊耳其中心吊孔处的最大许用应力为1400kg/cm2 则单侧最大可承受拉力为1400×21=,则吊耳可承受吊耳在吊定子过程中要承重为110t/7=固安全可用9.4.4.定子起吊高度校核吊车大钩提升高度为:24m,吊车扁担下方距离平台的吊装净高: 米。
吊装扁担的高度:1200mm绑扎钢丝绳的净高:4400mm定子吊点与底座的净高:2000mm起吊时大钩与扁担之间距离为:100mm增加两对滑轮组后吊车大钩提升高度核实吊车大钩原提升高度为:24m原提升绳的根数:12根增加两对滑轮组后提升绳的根数:16根增加两对滑轮组后吊车大钩提升高度:24×12/16=18m定子高度为4m,定子吊装时吊耳距扁担垂直距离为,扁担高为,所以最低点吊装高度为h=24m-2m++=<18m,满足吊装高度的需要。
9.5.扁担强度校核起吊扁担结构计算:➢载荷分析扁担承受的外载荷为:P=K1*K2*G;式中:K1——动载系数,取K1=, K2——不均匀系数,取K2=,G——定子、钩子千斤绳等重量: G=198t(G定子+G扁担+G大钩+G钢丝绳)。
所以,P=K1·K2·G=××205=扁担自重:q=×10-5×2(3×60+×114)≈cm。
➢扁担受力图如下:定子吊装时扁担受力分析:定子转向时扁担受力分析:强度校核(g=10N/kg)➢根据扁担受力分析得出:中心最大弯矩M max=2050KN·m;两端最大剪力V max=1025K中心,最大抗弯处惯性矩:I x=2×(60×33/12+×60×3)+2××1143/12=1849320㎝4;中心截面抗弯模量:W x=I x/60=30822㎝3最大剪应力处:面积矩:S X=60×3×()×2=21060㎝3➢最大正应力强度校核σmax=M max/W=2050×106/30822×103=<[σ]=155Mpa最大弯矩处强度满足!➢最大剪应力强度校核τmax=V max×S X/b×I x=1025×103×21060×103/50×1849320×104 = Mpa<[τ]=90Mpa9.6.1.行车最大轮压计算小车自重g=22t行车总重G=78t定子起吊位置距A排墙13米,距B排墙17米所以最大轮压在A排墙侧Q吊=P/2+g=205/2+22=支座反力:A排==B排==外加载荷在A端对单个车轮的轮压为:P1=4=<310KN(行车设计最大轮压)。