钢管外防腐层分项工程质量验收记录表
- 格式:xls
- 大小:11.33 KB
- 文档页数:4
附录A 管道工程安装质量验收评定表表A.0.1 管道预制检验批质量验收记录
表A.0.2 管道安装检验批质量验收记录
表A.0.3 法兰连接检验批质量验收记录
表A.0.4 快速接头检验批质量验收记录
表A.0.5阀门安装检验批质量验收记录
表A.0.6检测装置安装检验批质量验收记录
表A.0.7支、吊、托架检验批质量验收记录
表A.0.8 静电接地装置检验批质量验收记录
表A.0.11管道绝热检验批质量验收记录
附录B 施工过程检验、试验记录表表B.0.1 管子及管道附件进场检验记录
表 B.0.2 阀门试验记录
表B.0.3 安全阀最初调试记录表
表 B.0.4 安全阀最终调试记录
表B.0.5 管道焊接检查记录
操作人:报告人:专业工程师:
表B.0.6 管道安装隐蔽工程验收记录
B.0.7 静电接地装置测试记录
记录人:B.0.8 管道系统压力试验记录
B.0.9 管道系统吹扫记录
B.0.10 超声波检测报告
B.0.11 射线检测报告
附录C 焊缝外观质量分级管道焊缝质量分级标准
注:①当咬边经过磨削修整并平滑过渡时,按焊缝一侧较薄母材最小允许厚度值评定。
②表中a为设计焊缝厚度;b为焊缝宽度;T为母材厚度。
一、分项工程质量验收记录表(RFJ01-2002) 7.1-工程名称施工单位分包单位结构类型项目经理分 包 单 位 负 责 人检查结果检查结论11 2 3 4项 目材料的品种、质量必须符合设计要求。
各抹抹 灰层之间及抹灰层与基体之间必须粘结坚固, 无脱层、空鼓,面层无爆灰和裂缝 (风裂除外) 等缺陷项 目1 2 3表 面孔洞、槽、盒和管道后面抹灰表面 门窗框与墙体间缝隙 分格条(缝)质4 量5情6项目1 立面垂直2 表面平整3 阴阳角垂直4 阴阳角方正5 分格条(缝)平直 允许偏差 (mm )普通 中级 高级 1 2 3 4- 5 35 4 2- 4 2 - 4 2 - 3 -项,其中优良 项,优良率 ﹪点,其中合格 点,合格率 ﹪验收结论 监理工程师保 证 项 目基 本 项 目允许偏差项目检查实测专业技术负责人 部 位项 目 技 术 负 责 人 分 包 项 目 经 理 质 量 情 况况等 级7 8 9 10测 偏 差 值(mm )5 6 7 8 9 10保证 项 目实 允 许 偏 差 项 目基本项目年 月 日 年 月 日(RFJ01-2002) 7.2-1工程名称施工单位分包单位项 目材料的品种、质量必须符合设计要求。
各抹灰层之 间及抹灰层与基体之间必须粘结坚固,无脱层、空 鼓和裂缝等缺陷项 目7 8 9 101 表 面2 分格条(缝)项目1 2 3 1 立面垂直 2 表面平整 3 阴阳角垂直4 阴阳角方正5 墙裙、勒脚上口平直6 分格条(缝)平直保 证 项 目检查 实测允许偏差 (mm )322232部 位项 目 技 术 负 责 人 分 包 项 目 经 理 质 量 情 况实测偏差值(mm )4 5 6 7 8 9 10结构类型项目经理分 包 单 位 负 责 人允许偏 差项目检查结果项,其中优良点,其中合格基 本 项 目允许偏差项目项,优良率点,合格率保证 项 目基本项目1 2 3情 6 量 5 质4 等 级﹪﹪况检验查收结结专业技术负责人论年月日监理工程师论年月日-工程名称施工单位分包单位结构类型项目经理分包单位负责人保证项目基本项目项目材料的品种、质量必须符合设计要求;各抹灰层之间及抹灰层与基体之间必须粘结坚固,无脱层、空鼓和裂缝等缺陷质量项目1 2 3 4 51 表面2 分格条(缝)允许偏差 (mm)假面砖1 立面垂直2 表面平整3 阴阳角垂直4 阴阳角方正5 墙裙、勒脚上口平直6 分格条(缝)平直保证项目基本项目允许偏差项目检查实测项,其中优良点,其中合格项,优良率点,合格率部位项目技术负责人分包项目经理质量情况情况等级6 7 8 9 10实测偏差值(mm)2 3 4 5 6 7 8 9 10﹪﹪允许偏差项目5444--54-4-3项目仿色石抹 1彩灰433333检查结果拉毛灰拉条灰检 验查 收结 结专业技术负责人论年 月 日监理工程师论年 月日注: 1.假面砖、拉条灰、拉毛灰等装饰抹灰,表中第 4 项阴角方正可不检查。
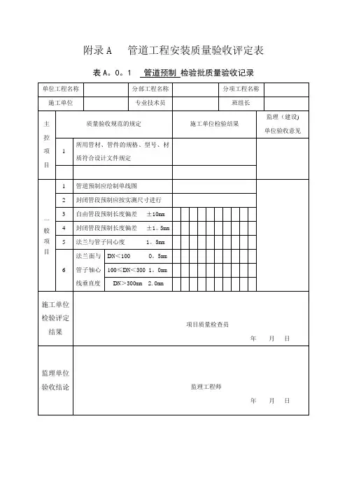
附录A 管道工程安装质量验收评定表表A。
0。
1 管道预制检验批质量验收记录
表A。
0。
2 管道安装检验批质量验收记录
- 3 -
- 5 -
表A。
0.7支、吊、托架检验批质量验收记录
- 7 -
表A。
0.8 静电接地装置检验批质量验收记录
表A.0。
9 管道焊接检验批质量验收记录
表A.0.10 管道防腐检验批质量验收记录
9
表A。
0.11管道绝热检验批质量验收记录
11
13
附录B 施工过程检验、试验记录表表B.0.1 管子及管道附件进场检验记录
表 B.0.2 阀门试验记录
15
表B.0。
3 安全阀最初调试记录表
表 B.0。
4 安全阀最终调试记录
17
表B.0.5 管道焊接检查记录
操作人:报告人:专业工程师:
表B。
0。
6 管道安装隐蔽工程验收记录
19
B。
0.7 静电接地装置测试记录
记录人:
B。
0。
8 管道系统压力试验记录
21
B.0。
9 管道系统吹扫记录
B.0。
10 超声波检测报告
23
B.0。
11 射线检测报告
附录C 焊缝外观质量分级
管道焊缝质量分级标准
25
注:①当咬边经过磨削修整并平滑过渡时,按焊缝一侧较薄母材最小允许厚度值评定。
②表中a为设计焊缝厚度;b为焊缝宽度; T为母材厚度。
单位(子单位)工程质量竣工验收记录
编号:
单位(子单位)工程质量控制资料核查表
编号:
单位(子单位)工程观感质量核查表
编号:
单位(子单位)工程结构安全和使用功能性检测记录表
编号:
分部(子分部)工程质量验收记录
编号:
分项工程质量验收记录
编号:
沟槽开挖与地基处理工程检验批质量验收记录
编号:
编号:
编号:
编号:
编号
管道基础工程检验批质量验收记录
编号
编号:
编号
编号:
编号:
编号:
编号:
编号:
编号:
编号:
编号:
编号:
编号:
(以上未列项目执行此表格)。
单位(子单位)工程质量竣工验收记录编号:工程名称 施工单位 项目经理类型 技术负责人 项目技术负责人验收记录工程造价开工日期 竣工日期 序号 项目 验收结论共 分部,经查 分部 分部1 2分部工程符合标准及设计要求质量控制 资料核查共 项,经审查符合要求 经核定符合规范规定项, 项安全和主要使共核查 项,符合要求 项,符合要求项, 用功能核查及抽查 3共抽查项, 项经返工处理符合要求结果观感质量 检验 共抽查 项,符合要求 项,4 5不符合要求项综合验收 结论建设单位设计单位 施工单位 监理单位(公章)参加 验收 单位(公章) (公章) (公章)项目负责人项目负责人 项目负责人 项目负责人年 月 日年 月 日 年 月 日 年月 日单位(子单位)工程质量控制资料核查表编号:工程名称 施工单位序 资料名称 份数 核查意见号○1管节、管件、管道设备及管配件等;○ 2防腐层材料、阴极保护设 材质质量 保证资料13 备及材料;○钢材、焊材、水泥、砂石、橡胶止水圈、混凝土、砖、 混凝土外加剂、钢制构件、混凝土预制构件○1管道接口连接质量检测(钢管焊接无损探伤检验、法兰或压兰螺2栓拧紧力矩检测、熔焊检验);○内外防腐层(包括补口、补伤)3 4 防腐检测;○预水压试验;○混凝土强度、混凝土抗渗、混凝土抗 2 施工检测冻、砂浆强度、钢筋焊接;○ 5回填土压实度;○6柔性管道环向变形7检测;○不开槽施工土层加固、支护及施工变形等测量;○ 8管道设9 10备安装测试;○阴极保护安装测试;○桩基完整性检测、地基处理 检测○1管道水压试验;○给水管道冲洗消毒;○管道位置及高程;○浅 埋暗挖管道、盾构管片拼装变形测量;○5混凝土结构管道渗漏水调7阴2 34 结构安全和使 用功能性检测3 46 查;○管道及抽升泵站设备(或系统)调试、电气设备电试;○ 8极保护系统测试;○桩基动测、静载试验○1控制桩(副桩)、永久(临时)水准点测量复核;○2施工放样复施工测量3核;○竣工测量○1施工组织设计(施工方案)、专题施工方案及批复;○2焊接工艺评定及作业指导书;○图纸会审、施工技术交底;○ 4设计变更、技 3 施工技术 管理5 6术联系单;○质量事故(问题)处理;○ 6材料、设备进场验收;计5 7量仪器校核报告;○工程会议纪要;○施工日记8○1验收批、分项、分部(子分部) 、单位(子单位)工程质量验收验收记录2记录;○隐蔽验收记录○1接口组对拼装、焊接、拴接、熔接;○ 2地基基础、地层等加固处3 理;○桩基成桩;○支护结构施工;○沉井下沉;○混凝土浇筑;45 67 8施工记录 竣工图○7管道设备安装;○顶进(掘进、钻进、夯进);○沉管沉放及桥8 9 10管吊装;○焊条烘陪、焊接热处理;○ 11防腐层补口补伤等结论: 结论:施工项目经理:总监理工程师:年月日年月日单位(子单位)工程观感质量核查表编号:工程名称 施工单位 序号 检查项目抽查质量情况好中差管道、管道附件位、 附属构筑物位置1 2 3管道设备 附属构筑物管道工程大口径管道(渠、廊);管道内部、管廊内管道安装4 5地上管道 (桥管、架空管、虹吸管 )及承重结构6 7回填土 管道结构 8防水、防腐 管缝(变形缝)进、出洞口 工作坑(井) 管道线形9 顶管、盾 构、浅埋暗 挖、定向 钻、 10 11 12 13 14 15夯管附属构筑物 下部结构地面建筑水泵机电设备、管道安装及基础支架 16抽升泵站17 18防水、防腐 附属设施、工艺观感质量综合评定结论:结论:施工项目经理:总监理工程师:年月日年月日单位(子单位)工程结构安全和使用功能性检测记录表编号:工程名称施工单位序资料核查意见功能抽查结果安全和功能检查项目号1 压力管道水压试验(无压力管道严密性试验)记录给水管道冲洗消毒记录及报告234阀门安装及运行功能调试报告及抽查检验其他管道设备安装测试报告及功能检测5 6管道位置高程及管道变形测量及汇总阴极保护安装及系统调测报告及抽查检验防腐绝缘检测汇总及抽查检验78 钢管焊接无损检测报告汇总9 混凝土试块抗压强度试验汇总10 混凝土试块抗渗、抗冻试验汇总1112131415地基基础加固检测报告桥管桩基础动测或静载试验报告混凝土结构管道渗漏水调查记录抽升泵站的地面建筑其他结论:结论:施工项目经理:总监理工程师:年月日年月日分部(子分部)工程质量验收记录编号:工程名称施工单位分包单位分部工程名称技术部门负责人分包单位负责人质量部门负责人分包技术负责人序号分项工程名称验收批数施工单位检查评定验收意见123456789质量控制资料安全和功能检验(检测)报告观感质量验收分包单位项目经理年年年月月月日日日施工单位项目经理验收单位设计单位项目负责人监理单位建设单位总监理工程师年年月月日日项目负责人(专业技术负责人)分项工程质量验收记录编号:工程名称 施工单位 分包单位分项工程名称验收批数项目经理项目技术负责人 施工班组长分包单位负责人 施工单位检查 评定结果序号 验收批名称、部位监理(建设)单位验收结论1 2 3 4 5 6 7 8 9 10 11 12 13 14 15 16 17 18 19 20验收 结 论检查 结论施工项目 监理工程师:技术负责人:(建设项目专业技术负责人)年 月 日 年月 日沟槽开挖与地基处理工程检验批质量验收记录编号:工程名称分部工程名称 专业工长分项工程名称 项目经理施工单位验收批名称、部位 分包单位分包项目经理施工班组长 施工单位检查 评定记录监理(建设) 单位验收记录GB50268-2008《给水排水管道工程施工及验收规范》 的规定1 原状地基土不得扰动、受水浸泡或受冻; 主 控 项2 3地基承载力应满足设计要求;目地基处理时,压实度、厚度应满足设计要求;应测点,实测点。
钢管内防腐层检验批质量验收记录
钢管内防腐层检验批质量验收记录
一、适用范围
本表适用于给排水管道工程钢管内防腐层检验批的质量检查验收。
二、表内填写提示
钢管内防腐层应符合下列规定:
主控项目
内防腐层材料应符合国家相关标准的规定和设计要求;给水管道内防腐层材料的卫生性能应符合国家相关标准的规定;
检查方法:对照产品标准和设计文件,检查产品质量保证资料;检查成品管进场验收记录。
水泥砂浆抗压强度符合设计要求,且不低于30MPa;
检查方法:检查砂浆配合比、抗压强度试块报告。
液体环氧涂料内防腐层表面应平整、光滑,无气泡、无划痕等,湿膜应无流淌现象;
检查方法:观察,检查施工记录。
一般项目
水泥砂浆防腐层的厚度及表面缺陷的允许偏差应符合表5.10.3-1的规定。
表5.10.3-1 水泥砂浆防腐厚度及表面缺陷的允许偏差
注:1.表中单位除注明者外,均为mm;
2.工厂涂覆管节,每批抽查20%;施工现场涂覆管节,逐根检查。
液体环氧涂料内防腐层的厚度、电火花试验应符合表5.10.3-2的规定。
表5.10.3-2 液体环氧涂料内防腐层厚度及电火花试验规定
注:1.焊缝处的防腐层厚度不得低于管节防腐层规定厚度的80%;
2.凡漏点检测不合格的防腐层都应补涂,直至合格。
市政基础设施工程
钢管内防腐层检验批质量验收记录
市政验·管-6
第页共。
钢管管道外防腐层施工质量验收标准(GB 50268-2008)
5.10.4钢管外防腐层应符合下列规定:
主控项目
1 外防腐层材料(包括补口、修补材料)、结构等应符合国家相关标准的规定和设计要求;检查方法:对照产品标准和设计文件,检查产品质量保证资料;检查成品管进场验收记。
2 外防腐层的的厚度、电火花检漏、粘结力应符合表5.10.4的规定。
注:按组抽检时,若被检测点不合格,则该组应加倍抽检;若加倍抽检仍不合格则该组为不合格。
一般项目
3 钢管表面除锈质量等级应符合设计要求;
检查方法:观察;检查防腐管生产厂提供的除锈等级报告,对照典型样板照片检查每个补口处的除锈质量,检查补口处除锈施工方案。
4 管道外防腐层(包括补口、补伤)的外观质量应符合本规范第5.4.9条的相关规定;
检查方法:观察;检查施工记录。
5 管体外防腐材料搭接、补口搭接、补伤搭接应符合要求;
检查方法:观察;检查施工记录。
5.4.9 外防腐层的外观、厚度、电火花试验、粘结力应符合设计要求,设计无要
求时应符合表5.4.9的规定。
钢结构分项工程检验批质量验收记录表钢结构(钢构件焊接)分项工程检验批质量验收记录
钢结构(焊钉焊接)分项工程检验批质量验收记录
钢结构(普通紧固件连接)分项工程检验批质量验收记录
钢结构(高强度螺栓连接)分项工程检验批质量验收记录
钢结构(零件及部件加工)分项工程检验批质量验收记录
钢结构(构件组装)分项工程检验批质量验收记录
钢结构(预拼装)分项工程检验批质量验收记录
钢结构(单层结构安装)分项工程检验批质量验收记录
钢结构(单层结构安装)分项工程检验批质量验收记录
钢结构(网架结构安装)分项工程检验批质量验收记录
钢结构(钢管桁架结构)分项工程检验批质量验收记录
钢结构(预应力索杆及膜结构)分项工程检验批质量验收记录
钢结构(压型金属板)分项工程检验批质量验收记录
钢结构(防腐涂料涂装)分项工程检验批质量验收记录
钢结构(防火涂料涂装)分项工程检验批质量验收记录。
建设单位:监理单位:合同号:施工单位: 编 号: 单位(子单位)工程名称 项目经理分部(子分部)工程名称验收部位施工质量验收规范规定 执行标准 GB50268-2022施工单位检查评定记录原状地基土不得扰动、 受水浸泡或者受 冻。
地基承载力应满足设计要求。
地基处理时,压实度、厚度应满足设 计要求。
合格率 (%)土方 ±20槽底高程石方 +20,-200不小于规定不陡于规定专业工长 (施工员)施工单位检查评定结果年 月 日监理单位验收结论专业监理工程师:年 月 日槽底中线每侧宽度 沟槽边坡沟槽开挖的允许 偏 差实测偏差(mm)允许偏差(mm) 质量检查员:主 控 项目一 般 项 目应检 点数合格 点数施工班组长123项目建设单位:监理单位:合同号:施工单位: 编 号: 单位(子单位)工程名称分部(子分部)工程名称项目经理执行标准 GB50268-2022、GB50202-2002验收部位施工质量验收规范规定 施工单位检查评定记录1 支撑方式、支撑材料应符合设计要求。
主 2 支撑结构强度、刚度、稳定性应符合设计要求。
控横撑不得妨碍下管和稳管。
支撑构件安装应坚固、安全可靠,位置正确。
支撑后,沟槽中心线每侧的净宽不应小于施工方案 设计要求钢板桩的轴线位移不得大于 50mm ,垂直度不得大 于 1.5%。
专业工长(施工员) 施工班组长施工单位检查评定结果质量检查员: 年 月 日监理单位验收结论专业监理工程师: 年 月 日一 般 项 目 123 项目4建设单位: 施工单位:单位(子单位)工程名称 分部(子分部)工程名称验收部位施工单位检查评定记录1 回填材料符合设计要求。
2 沟槽不得带水回填,回填应密实。
3 回填土压实度应符合设计要求。
最低压实度(%)实测偏差(%)重型击实 轻型击实93 95 87 90沟槽在 87±2 (轻型)路基范 ≥90 (轻型)或者按设计要求围外预留沉降量,表面平整87 90胸腔部份87±2 (轻型)500mm 快速路及95 98主干路 次干路 支路在路快速路及93 95主干路围内次干路 支路快速路及87 90主干路1500 次干路 87支路 871 回填应达到设计要求,表面应平整。