最新单位工程质量验收记录表
- 格式:doc
- 大小:141.50 KB
- 文档页数:5
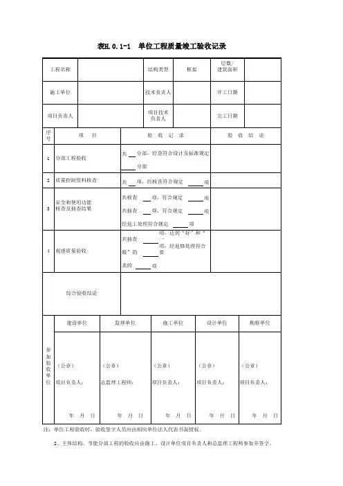
单位工程质量竣工验收记录表编号:填表说明单位工程质量竣工验收记录表是一个综合性的表,是由建设单位项目负责人组织施工(含分包)、设计、监理、勘察等单位项目负责人进行验收后填写的。
(一)表格名称表格的名称不必填写单位工程名称。
(二)表头部分1.工程名称:同表G1-2。
2.开、竣工日期:填写实际开、竣工日期。
3.施工单位、项目经理和项目技术负责人:同表G1-2。
4.技术负责人:施工单位的技术负责人。
(三)验收项目、验收记录表及验收结论的填写1.分部工程首先由施工单位的项目经理组织有关人员逐个进行检查评定。
对分部工程检查合格后,由项目经理提交验收。
经验收组成员验收合格后,由施工单位填写“验收记录表”栏。
注明共验收几个分部,经验收符合标准及设计要求的几个分部。
审查验收的分部工程全部符合要求后,由监理单位在验收结论栏内,填上“同意验收”的结论。
2.质量控制资料核查此项内容是先由施工单位检查合格,再提交监理(建设)单位验收。
其全部内容是分部工程中已经审查。
通常单位(分部)工程质量控制资料核查,也是按分部工程逐项检查和审查。
将审查的资料逐项进行统计,填入验收记录表栏内。
这项也是由施工单位自行检查评定合格后,提交验收,由监理工程师或建设单位项目负责人组织审查符合要求后,在验收记录表栏格内填写项数。
在验收结论栏内,填上“同意验收”。
如果先有核定的项目时,应表明情况,只要是协商验收的内容,在验收结论栏内,填上“同意验收”。
3.安全和主要使用功能核查及抽查结果此项内容包括两个方面:一是在分部工程中进行了安全和功能检测的项目,要核查其检测报告结论是否符合设计要求;二是在单位工程进行的安全和功能抽测项目,要核(抽)查其项目是否与设计内容一致,抽测的程序、方法是否符合有关规定,抽测报告的结论是否达到设计要求及规范规定。
这个项目也是由施工单位核查评定合格后,再提交验收,由总监理工程师或建设单位项目负责人组织审查,程序和内容基本是一致的。
单位(或子单位)工程竣工质量验收汇总记录表
MKJ103001-
工程名称支护形式工程量
施工单位技术负责人开工日期年月日
项目经理项目技术负
责人
竣工日期年月日
序号项目验收记录验收结论1 分部工程汇总
应查分部,实查分部
符合标准及设计分部
2 质量控制资料核查应查项,实查项,基本齐全项
3 观感质量检查应得分,实得分,得分率%
4 综合验收结论
检验单位
建设单位监理单位施工单位设计单位
单位(项目)负责人:
(签章)
年月日
总监理工程师:
(签章)
年月日
单位负责人:
(签章)
年月日
专业代表:
(签章)
年月日。