监理收费自动计算表格(07新标准)
- 格式:xls
- 大小:44.00 KB
- 文档页数:1
监理服务费取费一览表根据国家发展改革委、建设部关于印发《建设工程监理与相关服务收费管理规续:注:施工监理服务收费按照下列公式计算:(1)施工监理服务收费=施工监理服务收费基准价×(1±浮动幅度值)(2)施工监理服务收费基准价=施工监理服务收费基价○1×专业调整系数○2×工程复杂调整系数○3×高程调整系数○4○2建筑市政工程专业调整系数:邮电、电信、广电工艺工程为0.9;建筑、人防、市政工程为1.0;园林绿化工程为0.8○3工程复杂调整系数(建筑、人防工程复杂程度)一般(I级),系数0.85,工程特征:功能单一、技术要求简单的小型公共建筑工程;高度<24m的一般公共建筑工程;小型仓储建筑工程;简单的设备用房及其他配套用房工程;简单的建筑环境及室外工程;相当于一星级饭店及以下标准的室内装修工程;人防疏散干道、支干道及人防连接通道等人防配套工程较复杂(II级),系数1,工程特征:大中型公共建筑工程;技术要求较复杂或有地区性意义的小型公共建筑工程;高度24~50m的一般公共建筑工程;20层及以下一般标准的居住建筑工程;仿古建筑,一般标准的古建筑、保护性建筑以及地下建筑工程;大中型仓储建筑工程;一般标准的建筑环境和室外工程;相当于二、三星级饭店标准的室内装修工程;防护级别为四级及以下同时建筑面积<10000m²的人防工程复杂(III级),系数1.15,工程特征:高级大型公共建筑工程;技术要求复杂或具有经济、文化、历史等意义的省(市)级中小型公共建筑工程;高度>50m的公共建筑工程;20层以上居住建筑和20层及以下高标准居住建筑工程;高标准的古建筑、保护性建筑和地下建筑工程;高标准的建筑环境和室外工程;相当于四、五星级饭店标准的室内装修,特殊声学装修工程;防护级别为三级以上或者建筑面积≥10000m²的人防工程;另:1. 大型建筑工程指20001m²以上的建筑,中型指5001~20000m²的建筑,小型指5000 m²以下的建筑;2. 古建筑、保护性建筑等,根据具体情况,附加调整系数为1.1~1.3。
作者魏武强提醒你注意:1、对于监理费实行政府指导价(依法必须监理的建设项目施工阶段监理)的适用本表计算;市场调节价的项目监理费双方协商即可。
2、使用时,①先在彩色底纹方格进行选择(查看对应颜色标签工作表)或者输入计费额(查看"1总则"工作表中1.0.8内容)或者高程调整系数或者浮动幅度值;②查看相应计费额对应的"应收监理费"列数值即可。
3、如监理服务存在总包与分包情况,注意查看"1总则"工作表中1.0.10和1.0.11内容。
4、注意保护作者权益,否则追究法律责任!。
最新监理取费标准2007__670号文--------------------------可以编辑的精品文档,你值得拥有,下载后想怎么改就怎么改---------------------------==========================================================--------------------------可以编辑的精品文档,你值得拥有,下载后想怎么改就怎么改---------------------------==================================================================== ======--------------------------可以编辑的精品文档,你值得拥有,下载后想怎么改就怎么改---------------------------========================================================== 附:建设工程监理与相关服务收费管理规定第一条为规范建设工程监理与相关服务收费行为,维护发包人和监理人的合法权益,根据《中华人民共和国价格法》及有关法律、法规,制定本规定。
第二条建设工程监理与相关服务,应当遵循公开、公平、公正、自愿和诚实信用的原则。
依法须招标的建设工程,应通过招标方式确定监理人。
监理服务招标应优先考虑监理单位的资信程度、监理方案的优劣等技术因素。
第三条发包人和监理人应当遵守国家有关价格法律法规的规定,接受政府价格主管部门的监督、管理。
第四条建设工程监理与相关服务收费根据建设项目性质不同情况,分别实行政府指导价或市场调节价。
依法必须实行监理的建设工程施工阶段的监理收费实行政府指导价;其它建设工程施工阶段的监理收费和其它阶段的监理与相关服务收费实行市场调节价。
第五条实行政府指导价的建设工程施工阶段监理收费,其基准价根据《建设工程监理与相关服务收费标准》计算,浮动幅度为上下20%。
一般(Ⅰ级)系数为0.85较复杂(Ⅱ级)系数为1.0复杂(Ⅲ级)系数为1.15一般工程较复杂工程05000.0016.5050016.50 1.0014.0316.5018.980.811.2213.20500100016.5030.1090027.38 1.0023.2727.3831.490.818.6221.901000300030.1078.10115033.70 1.0028.6533.7038.760.822.9226.963000500078.10120.80385096.25 1.0081.8196.25110.680.865.4577.0050008000120.80181.005600132.84 1.00112.91132.84152.770.890.33106.27800010000181.00218.609600211.08 1.00179.42211.08242.740.8143.53168.861000020000218.60393.4018100360.19 1.00306.16360.19414.220.8244.93288.152000040000393.40708.2024100457.93 1.00389.24457.93526.620.8311.40366.354000060000708.20991.4044969778.56 1.00661.78778.56895.350.8529.42622.856000080000991.401255.80680001097.16 1.00932.591097.161261.730.8746.07877.73800001000001255.801507.00880001356.28 1.001152.841356.281559.720.8922.271085.021000002000001507.002712.501400001989.20 1.001690.821989.202287.580.81352.661591.362000004000002712.504882.602200002929.51 1.002490.082929.513368.940.81992.072343.614000006000004882.306835.604500005370.63 1.004565.035370.636176.220.83652.034296.506000008000006835.608658.406800007564.72 1.006430.017564.728699.430.85144.016051.7880000010000008658.4010390.109000009524.251.008095.619524.2510952.890.86476.497619.40工程监理费计算器监理服务收费基准价(万元)施工监理服务收费(万元浮动幅度值(0.8~1.2)工程概算投资额(万元)监理服务收费基价(万元)专业调整系数及高程系数计费额(万元)施工监理服务收费基价区间 (万元)1、24m≤高度<50m的公共建筑工程;2、24m≤跨度<36m的厂房和仓储建筑工程;3、高度≥24m的住宅工程;4、仿古建筑,一般标准的古建筑、保护性建筑以及地下建筑工程;5、装饰、装修工程;6、防护级别为四级以下的人防工程;7、70m≤高度<120m的高耸构筑物。
施工监理服务收费基价表
99.45
万元,按八折计算则收费基价:79.56
万元。
说明:1、2、
3、 本项目监理收费基价为:本表公式只能自动计算投资概算(即计费额)在500-40000万元项目的监理收费基价,40000万元以上的请参照左侧“施工监理服务收费基价表”说明栏中的计算公式计算;
只需将第一行的实际工程概算金额(蓝底红字部分)填出即可,监理收费基
价会自动得出;投资概算额若为左侧“施工监理服务收费基价表”内的计费额,则监理收费
基价请直接参照表内对应的收费基价;。
监理费用取费一览表(新规范)根据新规范,下面是监理费用取费一览表的详细说明。
1. 监理费用结构监理费用包括以下几个方面的费用:- 监理人员工资费用;- 项目办公用品费用;- 监理设备和器材费用;- 差旅和交通费用;- 水电通讯费用;- 监理咨询和技术支持费用。
2. 监理费用取费标准监理费用的取费标准如下:2.1 监理人员工资费用监理人员工资费用根据项目人员级别和工作时间计算。
监理人员级别包括主监理工程师、监理工程师和助理监理工程师。
具体工资标准请参考以下表格:2.2 项目办公用品费用项目办公用品费用根据项目规模和需要购买的办公用品种类计算。
具体费用标准请参考项目办公用品清单及价格表。
2.3 监理设备和器材费用监理设备和器材费用根据项目需要的设备和器材种类和数量计算。
具体费用标准请参考监理设备和器材清单及价格表。
2.4 差旅和交通费用差旅和交通费用根据监理人员实际工作地点和差旅距离计算,包括交通费、住宿费和出差补助等。
具体费用标准请参考差旅和交通费用标准表。
2.5 水电通讯费用水电通讯费用根据项目办公场所的水电使用量和通讯设备使用费用计算。
具体费用标准请参考水电通讯费用计算规则。
2.6 监理咨询和技术支持费用监理咨询和技术支持费用根据实际提供的咨询和技术支持服务计算。
具体费用标准请参考监理咨询和技术支持费用计算规则。
3. 监理费用支付方式监理费用可以按以下方式支付:- 按月支付:监理费用按月结算并支付;- 阶段支付:根据工程项目的阶段进展,将监理费用按阶段支付;- 全额支付:工程项目竣工后一次性支付全部监理费用。
以上为监理费用取费一览表的新规范说明。
> 注意:本文档内容仅供参考,具体监理费用取费标准和支付方式请根据实际项目情况确定。
监理费用取费一览表(新规范)根据新规范,下面是监理费用取费一览表的详细说明。
1. 监理费用结构监理费用包括以下几个方面的费用:- 监理人员工资费用;- 项目办公用品费用;- 监理设备和器材费用;- 差旅和交通费用;- 水电通讯费用;- 监理咨询和技术支持费用。
单位:万元计费额6000
150016.52100030.13300078.145000120.858000181.0610000218.6720000393.4840000708.2960000991.410800001255.8111000001507.0122000002712.5134000004882.6146000006835.6158000008658.416100000010390.119>1000000施工监理收费计算表【内插法】
备注
对应建筑面积:(m2)100000.00
对应建面单方:(元/m2)14.09
0.00
0.00
0.00
0.00
0.00
0.00
0.00
0.00
0.00
140.87
0.00
0.00
0.00
0.00
设计费:(万元)140.87
注:
1.计费额大于100亿元的,以计费额乘以1.039%的收费率计算收费基价。
其他未包含的其收费由双方协商议定。
2.文件执行建设工程监理收费标准发改价格[2007]670号文;
3.未考虑各种修正系数,基本常见住宅项目系数均为1.
4.本表为施工监理收费基价,监理费按内插法计算,如工程造价为6000万元工程监理费计算方法如下:
120.8+(181.0-120.8)/(8000-5000)×(6000-5000)=140.87万元。
0.00
0.00
序号计费额收费基价施工监理服务收费基价计算0.00。
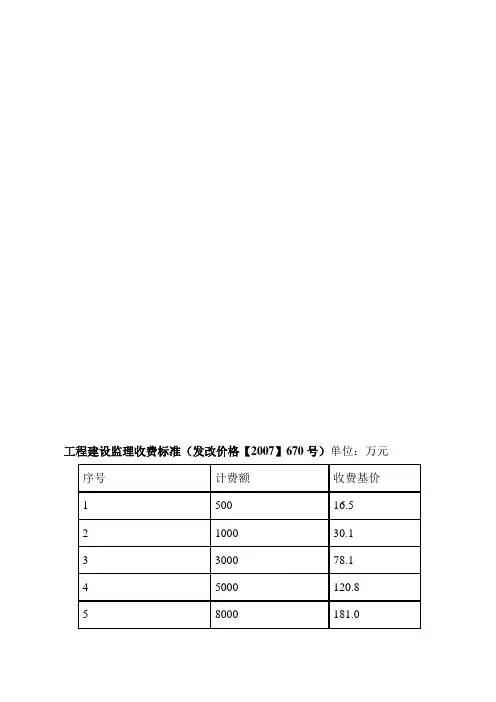
工程建设监理收费标准(发改价格【2007】670号)单位:万元注:本表为施工监理收费基价,监理费按内插法计算,如工程造价为6000万元工程监理费计算方法如下:120.8+(181.0-120.8)/(8000-5000)×(6000-5000)=140.87万元关于印发《建设工程监理与相关服务收费管理规定》的通知发改价格[2007]670号(国家发展改革委、建设部2007年3月30日颁布,5月1日实施)国务院有关部门,各省、自治区、直辖币发展改革委、物价局、建设厅(委):为规范建设工程监理及相关服务收费行为,维护委托双方合法权益,促进工程监理行业健康发展,我们制定了《建设工程监理与相关服务收费管理规定》,现印发给你们,自2007年5月1日起执行。
原国家物价局、建设部下发的《关于发布工程建设监理费有关规定的通知》([1992]价费字479号)自本规定生效之日起废止。
附:建设工程监理与相关服务收费管理规定中华人民共和国国家发展和改革委员会中华人民共和国建设部二00七年三月三十日建设工程监理与相关服务收费管理规定第一条为规范建设工程监理与相关服务收费行为,维护发包人和监理人的合法权益,根据《中华人民共和国价格法》及有关法律、法规,制定本规定。
第二条建设工程监理与相关服务,应当遵循公开、公平、公正、自愿和诚实信用的原则。
依法须招标的建设工程,应通过招标方式确定监理人。
监理服务招标应优先考虑监理单位的资信程度、监理方案的优劣等技术因素。
第三条发包人和监理人应当遵守国家有关价格法律法规的规定,接受政府价格主管部门的监督、管理。
第四条建设工程监理与相关服务收费根据建设项目性质不同情况,分别实行政府指导价或市场调节价。
依法必须实行监理的建设工程施工阶段的监理收费实行政府指导价;其它建设工程施工阶段的监理收费和其它阶段的监理与相关服务收费实行市场调节价。
第五条实行政府指导价的建设工程施工阶段监理收费,其基准价根据《建设工程监理与相关服务收费标准》计算,浮动幅度为上下20%。