替硝唑注射液说明书
- 格式:doc
- 大小:17.00 KB
- 文档页数:2
2024年替硝唑氯化钠注射液市场规模分析引言替硝唑氯化钠注射液是一种常用于临床治疗感染疾病的药物。
它具有抗菌作用,可用于治疗多种细菌感染。
本文将对替硝唑氯化钠注射液的市场规模进行分析。
市场现状根据市场调研数据显示,替硝唑氯化钠注射液市场规模呈现稳步增长的趋势。
多家制药公司投入了大量资源用于研发和生产该药物,以满足市场需求。
替硝唑氯化钠注射液的市场主要集中在医院渠道,约占总体市场份额的80%以上。
市场需求分析1.人口增长:随着人口的增长,感染疾病的发病率也相应增加,因此需求量逐渐增长。
2.医疗技术进步:随着医疗技术的不断进步,替硝唑氯化钠注射液的应用范围不断扩大,满足不同患者的需求。
3.消费升级:人们对健康的认识不断提升,对抗感染疾病的需求也在增加,替硝唑氯化钠注射液的市场需求有望进一步增长。
市场竞争分析目前,替硝唑氯化钠注射液市场上存在多家制药公司提供同类产品。
其中,国内制药公司在市场上占据主导地位,拥有较强的销售渠道和市场份额。
同时,一些国际制药公司也进入了该市场,并与国内企业展开竞争。
市场竞争主要体现在产品质量、价格、销售渠道和品牌影响力等方面。
为了在竞争中脱颖而出,企业需要注重产品质量控制、市场推广和渠道拓展等方面的工作。
市场前景展望随着人口老龄化和生活水平的提高,对替硝唑氯化钠注射液等抗感染药物的需求将持续增长。
同时,医疗技术不断进步和疾病防治策略的改进也将进一步推动市场需求。
然而,市场竞争激烈,企业需要不断提高产品质量和服务水平,加大市场推广和渠道拓展的力度,以保持竞争优势。
结论替硝唑氯化钠注射液市场规模正不断扩大,市场前景广阔。
企业应抓住机遇,加强研发创新,提高产品质量,加大市场推广和渠道拓展的力度,以满足市场需求并在激烈的市场竞争中脱颖而出。
替硝唑 (Tinidazole) 抗感染药物替硝唑 (Tinidazole) : 高效抗感染药物替硝唑 (Tinidazole) 是一种广谱抗感染药物,被广泛应用于治疗多种感染疾病。
本文将为您介绍替硝唑的药物特性、药理作用、临床应用和副作用等方面的知识。
一、替硝唑的药物特性替硝唑是一种合成抗菌药物,常用于治疗阴道滴虫感染、阿米巴性痢疾和医院获得性肺炎等疾病。
与其他抗感染药物相比,替硝唑具有以下几个独特的特性:1. 广谱抗菌作用:替硝唑可以有效抑制多种细菌、原虫和寄生虫的生长繁殖,包括阴道滴虫、变形菌、厌氧菌等常见致病微生物。
2. 高效抗感染:替硝唑具有较强的抗感染能力,可以迅速杀灭感染病原体,缓解患者的感染症状。
3. 治疗方便:替硝唑可口服或静脉注射,用药方便,适用于多种感染疾病的治疗。
二、替硝唑的药理作用1. DNA损伤:替硝唑通过与细菌、寄生虫和原虫的DNA结合,干扰其生物合成和复制过程,导致细菌、寄生虫和原虫的死亡。
2. 氧自由基生成:替硝唑在细菌和简单微生物体内被还原为活性代谢产物,进一步生成高氧自由基,破坏微生物体内的重要生物分子,导致其死亡。
三、替硝唑的临床应用1. 阴道滴虫感染:替硝唑是治疗阴道滴虫感染的常用药物,具有较高的治愈率和效果显著的特点。
2. 阿米巴性痢疾:替硝唑可用于治疗阿米巴性痢疾,通过抑制阿米巴原虫的生长和复制来缓解患者的症状。
3. 医院获得性肺炎:替硝唑可作为医院获得性肺炎的联合治疗药物,对一些耐药菌株具有较好的杀菌效果。
4. 其他感染疾病:替硝唑也可用于治疗其他感染疾病,如肠道阿米巴病、阴道炎、螺旋体病等。
四、替硝唑的副作用替硝唑相对于其他抗感染药物来说副作用较少。
常见的副作用包括:1. 恶心和呕吐:部分患者在用药过程中可能会出现恶心和呕吐,可通过适当调整用药方式和剂量来减轻不适。
2. 口腔异味:部分患者在用药期间会出现口腔异味,可以通过口腔清洁、漱口水等方式缓解。
请仔细阅读说明书并在医师指导下使用【药品名称】通用名:替硝唑注射液英文名:汉语拼音:【成份】本品主要成份为:替硝唑.其化学名称为:2甲基[(乙基磺酰基)乙基]硝基咪唑.其结构式为:资料个人收集整理,勿做商业用途分子式:分子量:.辅料为氯化钠、注射用水.【性状】本品为无色或几乎无色地澄明液体.【适应症】1.本品用于证实或可能由类杆菌属、脆弱拟杆菌属、其他拟杆菌属、梭状芽孢杆菌属、消化球菌属、真杆菌、发酵链球菌、韦荣氏球菌属类等敏感菌引起地下列感染:重度口腔感染(如重度冠周炎、重度口腔间隙感染);败血症、鼻窦炎、肺炎、肺支气管感染、皮肤蜂窝组织炎、骨髓炎、腹腹炎及手术伤口感染;胃肠道和女性生殖系统感染.资料个人收集整理,勿做商业用途2.本品可用于肠道及肠道外阿米巴病、阴道滴虫病、贾第鞭毛虫病、加得纳菌阴道炎等地治疗.3.本品可作为甲硝唑地替代药用于幽门螺杆菌所致地胃窦炎及消化性溃疡地治疗.【规格】:0.4g【用法用量】静脉滴注.1.厌氧菌引起地感染:0.8g(瓶),每日一次,静脉缓慢滴注,一般疗程日,或根据病情决定.2.外科预防手术后感染用药:总量1.6g(瓶),分次或次静脉滴注,第一次于手术前~小时,第二次于手术期间或术后~小时内滴注.资料个人收集整理,勿做商业用途【不良反应】不良反应少见而轻微,常见地不良反应为恶心、呕吐、食欲下降、口腔异味.头昏、头痛、眩晕、皮肤瘙痒、皮疹、便秘及全身不适也有报道.也可出现血管神经性水肿、中性粒细胞减少,双硫仑反应及黑尿.偶见滴注部位轻度静脉炎.高剂量时也可引起癫痫发作和周围神经病变.资料个人收集整理,勿做商业用途【禁忌】1.对替硝唑及硝基亚硝基烃咪唑衍生物过敏者禁用.2.血液病患者或有血液病史者禁用,有活动性中枢神经疾病患者禁用.3.妊娠三个月内妇女及哺乳期妇女禁用.4岁以下患者禁用或不宜使用.【注意事项】1.本品滴注速度宜缓慢,每次滴注时间应不少于小时,药物不应与含铝地针头和套管接触,并避免与其他药物一起滴注.资料个人收集整理,勿做商业用途2.如疗程中发生中枢神经系统不良反应,应及时停药.3.本品可干扰丙氨酸氨基转移酶、乳酸脱氢酶、三酰甘油、己糖激酶等地检验结果,使其测定值降至零.4.用药期间不应饮用含酒精地饮料,因可引起体内乙醛蓄积,干扰酒精地氧化过程,导致双硫仑样反应,患者可出现腹部痉挛、恶心、呕吐、头痛、面部潮红等.资料个人收集整理,勿做商业用途5.肝功能减退者本品代谢减慢,药物及其代谢物易在体内蓄积,应予减量,并作血药浓度监测.6.本品可自胃液持续清除,某些放置胃管作吸引减压者,可引起血药浓度下降.血液透析时,本品及代谢物迅速被清除,故应用本品不需减量.资料个人收集整理,勿做商业用途7.念球菌感染者使用本品后症状会加重,需同时给抗真菌药物治疗.治疗阴道滴虫病时需同时治疗其性伙伴.. 若遇药液混浊、异物、瓶身破裂、轧口松动等,请勿使用.一次使用不完,禁止再用.资料个人收集整理,勿做商业用途【孕妇及哺乳期妇女用药】本品可透过胎盘,迅速进入胎儿循环.动物实验发现腹腔给药对胎仔具毒性,而口服给药无毒性.本品对胎儿地影响尚无足够和严密地对照观察,因此孕妇只有明确指征时才选用本品,但妊娠月内应禁用.妊娠个月以上地患者,应充分权衡利弊后慎用或遵医嘱.本品在乳汁中浓度与血中相似.动物试验显示本品对幼鼠具致癌作用,故不推荐用于授乳妇女.若必须用药,应暂停哺乳,并在疗程结束日后方可重新授乳资料个人收集整理,勿做商业用途【儿童用药】岁以下患者禁用.【老年用药】老年人由于肝功能减退,应用本品时药动学有所改变,需监测血药浓度.【药物相互作用】1.本品能抑制华法林和其他口服抗凝药地代谢,加强其作用,引起凝血酶原时间延长.2.同时应用苯妥英钠、苯巴比妥等诱导肝微粒体酶地药物,可加强本品代谢,使血药浓度下降,而苯妥英钠排泄减慢.资料个人收集整理,勿做商业用途3.同时应用西咪替丁等抑制肝微粒体酶活性地药物,可减缓本品在肝内地代谢及其排泄,延长本品地血清半衰期,应根据血药浓度测定地结果调整剂量.资料个人收集整理,勿做商业用途4.本品干扰双硫仑代谢,两者合用患者饮酒后可出现精神症状,故周内应用双硫仑者不宜再用本品.5.本品可干扰氨基转移酶和测定结果,可使胆固醇、甘油三脂水平下降.【药物过量】本品过量时,应给予对症治疗(支持疗法),本品大部分随尿液排泄,可增加尿量以加快清除速率.【药理毒理】资料个人收集整理,勿做商业用途药理作用本品对大多数厌氧菌具有较强抗菌作用,抗菌谱包括脆弱拟杆菌和其他拟杆菌属、梭状菌属、消化球菌和消化链球菌、韦荣氏球菌属及加得钠菌.~地浓度可抑制大多数厌氧菌;微需氧菌、幽门螺杆菌对其敏感;对阴道滴虫地与甲硝唑相仿,其代谢产物对加得钠菌地活性较甲硝唑增强.资料个人收集整理,勿做商业用途本品地杀菌机理尚未完全阐明,厌氧菌地硝基还原酶在敏感菌株地能量代谢中起重要作用.本品地硝基被还原成一种细胞毒,从而作用于细菌地代谢过程,促使细菌死亡.耐药菌往往缺乏硝基还原酶而对本品耐药.本品抗阿米巴原虫地机制为抑制其氧化还原反应,使原虫地氮链断裂,从而杀死原虫.资料个人收集整理,勿做商业用途毒理研究动物试验或体外测定发现本品具致癌、致突变作用,但人体中尚未证实.【药代动力学】本品一次静脉滴注0.8g及1.6g后血药峰浓度为~及.静脉滴注每日1g,血药浓度可维持在以上.替硝唑在体内地分布广泛,在生殖器官、肠道、腹部肌肉、乳汁中可达较高浓度,在肝脏、脂肪中地浓度低,在胆汁、唾液中地浓度与同期血药浓度相仿,对血脑屏障地穿透性较甲硝唑高,脑膜无炎症时脑脊液中地浓度为同期血药浓度地,这与替硝唑地脂溶性有关.替硝唑可通过血胎盘屏障,在胎儿及胎盘中可达较高浓度.替硝唑地蛋白结合率为.替硝唑在肝脏代谢,静脉给药后~以原形从尿中排出,以代谢物地形式排出.消除为~小时,平均小时.肾功能不全者药代动力学指标不变,但血透可快速清除替硝唑,故血透后必须给药一次.资料个人收集整理,勿做商业用途【贮藏】遮光,密闭,在阴凉处(不超过20℃)保存.【包装】钠钙玻璃输液瓶与注射用卤化丁基橡胶塞包装.瓶.【有效期】个月.【执行标准】《中国药典》年版二部.【批准文号】国药准字【生产企业】企业名称:河南华利药业有限责任公司地址:平顶山市南环南路东号邮政编码:电话号码:传真号码:-网址:替硝唑注射液说明书()【药品名称】通用名:替硝唑注射液曾用名:商品名:英文名:汉语拼音:ɑ 本品主要成份为:替硝唑.其化学名称:为甲基[(乙基磺酰基)乙基]硝基咪唑.结构式:(参见替硝唑胶囊)分子式:分子量:资料个人收集整理,勿做商业用途【性状】本品为无色或几乎无色地澄明液体.【药理毒理】本品对原虫及厌氧菌有较高活性.对脆弱拟杆菌等拟杆菌属、梭杆菌属、梭菌属、消化球菌、消化链球菌、韦容球菌属及加得纳菌等具抗菌活性,~地浓度可抑制大多数厌氧菌;微需氧菌、幽门螺杆菌对其敏感;对阴道滴虫地与甲硝唑相仿,其代谢物对加得纳菌地活性较替硝唑为强.本品地作用机制尚未完全阐明,厌氧菌地硝基还原酶在敏感菌株地能量代谢中起重要作用.本品地硝基被还原成一种细胞毒,从而作用于细菌地代谢过程,促使细菌死亡.耐药菌往往缺乏硝基还原酶而对本品耐药.本品抗阿米巴原虫地机制为抑制其氧化还原反应反应,使原虫地氮链发生断裂,从而杀死原虫. 资料个人收集整理,勿做商业用途【药代动力学】本品静脉滴注0.8g及1.6g后血药峰浓度()分别为~及.静脉每日给药1g,血药浓度可维持在以上.替硝唑在体内地分布广泛,在生殖器官、肠道、腹部肌肉、乳汁中可达较高浓度,在肝脏、脂肪中地浓度低,在胆汁、唾液中地浓度与同期血药浓度相仿,对血脑脊液屏障地穿透性较甲硝唑高,脑膜无炎症时脑脊液中地浓度为同期血药浓度地,这与替硝唑地脂溶性较高有关.替硝唑可通过血胎盘屏障,在胎儿及胎盘中可达高浓度.蛋白结合率为.在肝脏代谢,静脉给药后约~以原形从尿中排出.血消除半衰期()为~小时,平均为小时. 资料个人收集整理,勿做商业用途【适应症】用于各种厌氧菌感染,如败血症、骨髓炎、腹腔感染、盆腔感染、肺支气管感染、肺炎、鼻窦炎、皮肤蜂窝组织炎、口腔感染及术后伤口感染;用于结肠直肠手术、妇产科手术及口腔手术等地术前预防用药. 资料个人收集整理,勿做商业用途【用法用量】静脉滴注..厌氧菌感染:一次0.8g,一日次,静脉缓慢滴注,一般疗程~日,或根据病情决定..预防手术后厌氧菌感染:总量1.6g,次或分次滴注,第一次于手术前~小时,第二次于手术期间或术后~小时内滴注. 资料个人收集整理,勿做商业用途【不良反应】不良反应少见而轻微,主要为恶心、呕吐、上腹痛、食欲下降及口腔金属味,可有头痛、眩晕、皮肤瘙痒、皮疹、便秘及全身不适.此外还可有血管神经性水肿、中性粒细胞减少、双硫仑样反应及黑尿,偶见滴注部位轻度静脉炎.高剂量时也可引起癫痫发作和周围神经病变. 资料个人收集整理,勿做商业用途【禁忌】对本品或吡咯类药物过敏患者以及有活动性中枢神经疾病和血液病者禁用.【注意事项】本品滴注速度应缓慢,浓度为时,每次滴注时间应不少于小时,浓度大于时,滴注速度宜再降低~倍.药物不应与含铝地针头和套管接触,并避免与其他药物一起滴注..致癌、致突变作用:动物试验或体外测定发现本品具致癌、致突变作用,但人体中尚缺乏资料..如疗程中发生中枢神经系统不良反应,应及时停药..本品可干扰丙氨酸氨基转移酶、乳酸脱氢酶、三酰甘油、己糖激酶等地检验结果,使其测定值降至零..用药期间不应饮用含酒精地饮料,因可引起体内乙醛蓄积,干扰酒精地氧化过程,导致双硫仑样反应,患者可出现腹部痉挛、恶心、呕吐、头痛、面部潮红等..肝功能减退者本品代谢减慢,药物及其代谢物易在体内蓄积,应予减量,并作血药浓度监测..本品可自胃液持续清除,某些放置胃管作吸引减压者,可引起血药浓度下降.血液透析时,本品及代谢物迅速被清除,故应用本品不需减量..念珠菌感染者应用本品,其症状会加重,需同时给抗真菌治疗. 资料个人收集整理,勿做商业用途【孕妇及哺乳期妇女用药】本品可透过胎盘,迅速进入胎儿循环.动物实验发现腹腔给药对胎仔具毒性.本品对胎儿地影响尚无足够和严密地对照观察,因此妊娠个月内应禁用.个月以上地孕妇只有具明确指征时才选用本品.本品在乳汁中浓度与血中浓度相似.动物试验显示本品对幼鼠具致癌作用,故哺乳期妇女应避免使用.若必须用药,应暂停哺乳,并在停药日后方可授乳. 资料个人收集整理,勿做商业用途【儿童用药】岁以下患者禁用.【老年患者用药】老年人由于肝功能减退,应用本品时药代动力学有所改变,需监测血药浓度.【药物相互作用】.本品能抑制华法林和其他口服抗凝药地代谢,加强它们地作用,引起凝血酶原时间延长..与苯妥英钠、苯巴比妥等诱导肝微粒体酶地药物合用时,可加强本品代谢,使血药浓度下降,并使苯妥英钠排泄减慢..与西咪替丁等抑制肝微粒体酶活性地药物合用时,可减慢本品在肝内地代谢及其排泄,延长本品地血消除半衰期(),应根据血药浓度测定地结果调整剂量..本品干扰双硫仑代谢,两者合用时,患者饮酒后可出现精神症状,故周内应用双硫仑者不宜再用本品..本品可干扰血清氨基转移酶和乳酸脱氢酶地测定结果,可使胆固醇、三酰甘油水平下降. 资料个人收集整理,勿做商业用途【药物过量】【规格】():0.4g ():0.8g【贮藏】遮光,密闭,在阴凉处保存.【包装】【有效期】【批准文号】【生产企业】企业名称:地址:邮政编码:电话号码:传真号码:网址:。
替硝唑(葡萄糖)注射液与临床常用注射剂的配伍稳定性作者:邵蓓新,冯国旗来源:《中国当代医药》2010年第08期[摘要] 随着新药的不断开发、研制和上市并先后用于临床,药物的联合使用在临床上越来越多,恰当的联合用药,可以达到增强临床疗效的目的,但不合理的联合用药,不仅无法达到增强疗效的目的,相反却会遇到一些联合用药禁忌,导致疗效降低。
本文通过查阅文献资料和临床观察,简要分析介绍了替硝唑(葡萄糖)注射液与临床常用注射剂药物配伍的稳定性,以供临床选用药物时参考。
[关键词] 替硝唑;注射剂;配伍;稳定性[中图分类号] R969.2 [文献标识码]A [文章编号]1674-4721(2010)03(b)-017-02替硝唑为临床常用的抗厌氧菌药物,其抗菌活性较甲硝唑强2~4倍,被广泛用于普外科、妇产科、口腔科、消化内科治疗或预防厌氧菌感染,多用其注射液(或葡萄糖注射液),其葡萄糖注射液的pH为3.5~5.5(4 mg/ml)[1]。
且与其他注射剂药物的联合使用在临床上亦极为多见,为了药物联合应用的安全、有效,现就替硝唑(葡萄糖)注射液与临床常用注射剂配伍稳定性进行简要分析,供临床选用药物时参考。
1 与替硝唑(葡萄糖)注射液存在配伍禁忌的注射剂药物替硝唑(葡萄糖)注射液与地西泮、硝酸甘油注射液存在物理性配伍禁忌,可致溶液浑浊、沉淀、变色或活性降低[1]。
2 与替硝唑注射液不宜配伍的注射剂药物氟罗沙星注射液与替硝唑注射液混合,2 h内有白色沉淀产生;与替硝唑葡萄糖注射液混合,6 h内混合液外观、pH值、氟罗沙星和替硝唑的含量均变化不大。
故氟罗沙星注射液与替硝唑注射液不可配伍使用,而与替硝唑葡萄糖注射液可配伍使用[2];头孢甲肟与替硝唑注射液的配伍液在5、25℃24 h内澄明,但37℃时百分含量变化大,故不宜在高温条件下久置[3]。
3 可以与替硝唑(葡萄糖)注射液配伍的注射剂药物3.1 加替沙星和氧氟沙星与替硝唑葡萄糖注射液配伍在25℃条件下,观察配伍液在6 h内的外观、pH值的变化情况,并用紫外分光光度法分析其含量变化,结果显示,加替沙星和氧氟沙星与替硝唑葡萄糖注射液的配伍液在6 h内以上各项均无显著变化,故注射用加替沙星和氧氟沙星与替硝唑葡萄糖注射液在室温下6 h内可以配伍使用[4]。
2024年替硝唑氯化钠注射液市场分析报告1. 市场概述替硝唑氯化钠注射液是一种常用的抗感染药物,具有广谱抗菌活性,可用于治疗多种感染性疾病。
随着人们健康意识的提高和医疗水平的不断提升,替硝唑氯化钠注射液在临床上的应用越来越广泛。
2. 市场规模根据市场调研数据,替硝唑氯化钠注射液市场在过去几年一直保持稳定增长态势。
根据预测,未来几年替硝唑氯化钠注射液市场的规模将继续扩大。
3. 市场竞争目前,替硝唑氯化钠注射液市场存在着激烈的竞争。
国内外许多制药企业都投入了大量资源进行研发和生产,导致市场竞争日益激烈。
在竞争激烈的市场环境下,企业需要通过降低成本、提高产品质量和提供差异化服务等手段来获取竞争优势。
4. 市场趋势替硝唑氯化钠注射液市场有以下几个明显的趋势:•创新研发:随着科技的不断进步,新的制药技术和研发手段不断涌现,推动了替硝唑氯化钠注射液的创新研发。
•临床需求增加:随着医疗服务的不断完善,人们对抗感染药物的临床需求也在增加,这将进一步推动替硝唑氯化钠注射液市场的发展。
•国际市场拓展:替硝唑氯化钠注射液具有广泛的应用领域和市场需求,国内制药企业正积极将市场拓展至海外,以寻求更大的发展机会。
5. 市场前景对于替硝唑氯化钠注射液市场的前景,根据市场预测,未来几年替硝唑氯化钠注射液市场将保持稳定增长。
由于人们对健康的关注度提高,慢性感染疾病的增加以及医疗水平的不断提高,替硝唑氯化钠注射液市场有望进一步扩大。
6. 总结综上所述,替硝唑氯化钠注射液市场是一个潜力巨大的市场。
尽管存在着激烈的竞争,但通过创新研发、满足临床需求以及积极开拓国际市场,企业可以在该市场中取得成功。
预计未来几年,替硝唑氯化钠注射液市场将继续保持良好发展态势。
甲硝唑、替硝唑、奥硝唑的区别甲硝唑是第一代,替硝唑是第二代,奥硝唑为第三代。
本类药物的作用机理是,可抑制原虫的氧化还原反应,使原虫氮链发生断裂,发挥其杀灭原虫的作用;药物进入易感的微生物细胞后,在无氧或少氧环境和较低的氧化还原电位下,其硝基易被电子传递蛋白还原成具有细胞毒作用的氨基,抑制细胞DNA的合成,并使已合成的DNA降价,破坏DNA的双螺旋结构或阻断其转录复制,从而使细胞死亡,发挥其杀灭厌氧菌、有效控制感染的作用。
01药理作用三药都可以用于各种厌氧菌感染治疗,如败血症、骨髓炎、腹腔感染、盆腔感染、肺支气管感染、肺炎、鼻窦炎、牙周炎及术后伤口感染等;子宫内膜炎、输卵管脓肿等妇科感染;也可用于结直肠手术、妇科手术及口腔手术等术前预防用药;男女泌尿生殖道毛滴虫病;治疗阿米巴痢疾和肠外阿米巴病,还可以用于杀灭幽门螺杆菌治疗。
甲硝唑对需氧菌和兼性厌氧菌无作用,放线菌属、乳酸杆菌属、短棒菌苗属对本品耐药;替硝唑对脆弱拟杆菌及梭杆菌属的作用较甲硝唑为强,但对梭状芽孢杆菌属的作用则略差;微需氧菌、幽门螺杆菌对其敏感;对阴道滴虫的最小抑菌浓度MIC与甲硝唑相仿,其代谢物对加得纳菌的活性较甲硝唑为强。
奥硝唑对革兰阳性厌氧菌(如放线菌、梭状芽孢杆菌等)的疗效更显著。
总体比较,替硝唑对各种常见的致病厌氧菌,以及滴虫的杀灭作用更加明显,它的活性比甲硝唑强了2~4倍。
奥硝唑作用效果更强。
02临床疗效临床治疗证明,奥硝唑治疗厌氧菌性和滴虫性阴道炎疗效比其他两种更突出,有利于稳定患者阴道炎症因子水平,促使患者恢复健康,值得推广。
但统计学计算表明,奥硝唑疗效与替硝唑相比“无显著性差异”。
另有临床观察表明,奥硝唑、替硝唑和甲硝唑在口腔厌氧菌性感染治疗中的远期疗效均较好,其中甲硝唑的起效慢、并发症较多,奥硝唑和替硝唑一周内有显著疗效,且不良反应发生率较低,推广价值更高。
甲硝唑可用于艰难梭状芽孢杆菌引起的伪膜性肠炎。
替硝唑和奥硝唑无此适应证。
替硝锉的使用说明书替硝锉的使用说明书一、产品介绍替硝锉是一种常用于治疗心脏病的药物,主要成分为替硝唑。
它是一种血管扩张剂,可以通过扩张血管来降低血压,减少心脏负担,缓解心绞痛等症状。
二、适应症替硝锉适用于以下情况:1. 心绞痛:可缓解胸闷、胸痛等不适感。
2. 急性心肌梗死:可减少心肌损伤。
3. 高血压:可降低血压。
三、用法用量1. 心绞痛:口服,每次5mg,每日3次。
如需要增加剂量,应在医生指导下进行。
2. 急性心肌梗死:口服或静脉注射,初始剂量为5mg,随后根据患者情况调整剂量。
最大剂量不超过20mg/小时。
3. 高血压:口服,每次10mg,每日3次。
如需要增加剂量,应在医生指导下进行。
四、注意事项1. 替硝锉不适用于对替硝唑过敏的患者。
2. 患有严重低血压、心肌梗死后24小时内、急性头部外伤、急性脑出血、视网膜病变等疾病的患者禁用。
3. 替硝锉可能会导致头晕、乏力等不适感,应避免驾车或操作机器等危险活动。
4. 替硝锉与其他药物可能存在相互作用,应在医生指导下使用。
五、不良反应替硝锉可能会引起以下不良反应:1. 头晕、乏力等不适感。
2. 低血压,表现为头晕、虚弱等症状。
3. 心动过速或过缓。
4. 呼吸困难。
六、存储方法替硝锉应存放在干燥、阴凉处,避免阳光直射和高温。
开封后应密封保存,避免受潮。
七、包装规格替硝锉常见的包装规格为0.5mg/片和5mg/片。
八、生产厂家常见的替硝锉生产厂家有:华北制药、北京万生药业等。
九、结语替硝锉是一种常用的心脏病药物,适用于心绞痛、急性心肌梗死和高血压等疾病。
在使用过程中应注意剂量和不良反应,遵医嘱使用。
如有不适感或其他问题,应及时就医。
替硝唑的用法、用量、功能、主治1. 用法替硝唑是一种广谱抗菌药物,常用于治疗多种感染疾病。
它可通过口服、静脉注射或外用的形式使用。
•口服:一般情况下,成人每次口服200-400毫克,每天2-3次。
严重感染时,每次口服400-800毫克,每天2-3次。
儿童口服剂量通常根据体重来计算,每天剂量通常为15毫克/千克。
用药时间一般为7-10天,具体根据医生的建议而定。
•静脉注射:如感染严重或无法口服时,可通过静脉注射给药。
剂量通常为500毫克-2克,每天2-3次。
用药时间一般为3-7天,具体根据医生的建议而定。
•外用:适用于皮肤和黏膜感染,可以通过局部涂抹的方式使用。
具体剂量和用法应根据医生的指导来进行。
2. 用量替硝唑的用量应根据具体情况而定,通常根据患者的年龄、体重、感染病情等因素来决定。
一般来说,成人口服剂量为每次200-400毫克,每天2-3次;静脉注射剂量为每次500毫克-2克,每天2-3次。
儿童的剂量通常根据体重来计算,口服剂量为每天15毫克/千克。
但无论哪种用法,具体用量还是应由医生根据患者的具体情况和感染病情来决定,不可自行调整剂量。
3. 功能替硝唑是一种具有广谱抗菌作用的药物,其作用机制主要是通过阻断细菌DNA 的复制和修复而达到杀灭细菌的效果。
替硝唑对许多革兰氏阳性和阴性细菌、厌氧菌和原虫都有较强的抑制作用。
此外,替硝唑还具有抗滴虫作用,可用于治疗阴道滴虫病、阴道炎等感染病。
它还可以用于治疗肺炎、骨髓炎、腹腔感染、血液感染等疾病。
4. 主治替硝唑主要用于治疗以下疾病:•阴道滴虫病:替硝唑可用于治疗阴道滴虫病,通常采用口服或外用的方式使用,疗程为7天左右。
•阴道炎:替硝唑可用于治疗细菌性阴道炎,通过杀灭阴道内的细菌来缓解炎症症状。
通常使用外用凝胶或栓剂的方式进行治疗,疗程一般为5-7天。
•溃疡性口腔炎:替硝唑可用于治疗溃疡性口腔炎,通过杀灭口腔内的细菌来减轻炎症和疼痛。
通常需要外用凝胶或口腔含漱液进行治疗,具体疗程需遵循医生的建议。
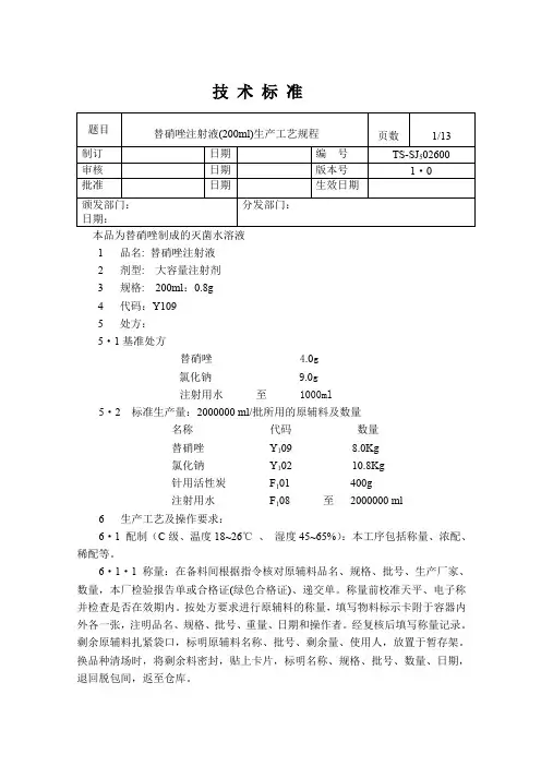
技术标准本品为替硝唑制成的灭菌水溶液1 品名: 替硝唑注射液2 剂型: 大容量注射剂3 规格: 200ml:0.8g4 代码:Y1095 处方:5·1基准处方替硝唑 4.0g氯化钠 9.0g注射用水至 1000ml5·2 标准生产量:2000000 ml/批所用的原辅料及数量名称代码数量替硝唑Y109 8.0Kg氯化钠Y102 10.8Kg针用活性炭F101 400g注射用水F108 至2000000 ml6 生产工艺及操作要求:6·1 配制(C级、温度18~26℃、湿度45~65%):本工序包括称量、浓配、稀配等。
6·1·1 称量:在备料间根据指令核对原辅料品名、规格、批号、生产厂家、数量,本厂检验报告单或合格证(绿色合格证)、递交单。
称量前校准天平、电子称并检查是否在效期内。
按处方要求进行原辅料的称量,填写物料标示卡附于容器内外各一张,注明品名、规格、批号、重量、日期和操作者。
经复核后填写称量记录。
剩余原辅料扎紧袋口,标明原辅料名称、批号、剩余量、使用人,放置于暂存架。
换品种清场时,将剩余料密封,贴上卡片,标明名称、规格、批号、数量、日期,退回脱包间,返至仓库。
6·1·2浓配:取规定量氯化钠在浓配间投入到放有适量注射用水(70~85℃)的SH-Ⅰ浓配罐中,搅拌溶解,使成20%~22%的浓溶液,加0.01%(g/ml,以稀配体积计)的针用活性炭,搅拌混匀,煮沸(100℃)15分钟,稍冷,用钛棒过滤器加压过滤,内循环10分钟,泵入稀配罐。
6·1·3 稀配:称取规定量的替硝唑于洁净容器中,加5~10倍量的注射用水,搅拌10~15分钟使充分溶解后,加入到稀配锅中。
在稀配间向SH-Ⅰ稀配罐中加注射用水至全量的约80%,再加0.01%(g/ml,以稀配体积计)的针用活性炭,补加注射用水至全量,搅拌、回流15分钟,测pH值(规定:4.0~4.5,若不符合规定用稀盐酸或1M氢氧化钠调整)、含量(98.5%~101.5%)符合规定后,降温至30~40℃,用钛棒过滤器和0.22μm的膜滤芯加压过滤,终端用0.22μm的膜滤芯过滤至灌装。
替硝唑该药是由美国Pfizer公司研究开发,1971年首次在德国上市,随后在其它国家相继上市。
国内是在90年代初由湖北省医药工业研究所试制成功,于1993年获卫生部颁发的新药证书, 同年丽珠制药厂获批准生产,并在国内上市应用于临床,目前该药的新药保护期已过,国内已有几家药厂生产现临床应用的Ⅰ部分由国内自产,部分由国外进口,而进口的原料药价格较低,这对国内生产该药的厂家有一定的影响。
外文名称 Tinidazole主要适用症用于各种厌氧菌感染制剂:(1)替硝唑片(2)替硝唑注射液剂量:(1)0.2g(2)0.25g(3)0.5g CAS号:19387-91-8替硝唑是新一代硝基咪唑类抗厌氧菌药。
临床疗效高,疗程短,副作用小。
口服后吸收迅速、完全。
具有半衰期长,血药达峰快,生物利用度高的优点。
一般口服后2小时内血药浓度达峰值,然后慢慢下降,消除半衰期为12-14小时。
经浙江医科大学临床药理基地、浙江医科大附属二院、浙江省人民医院、杭州市第一、第三人民医院的多中心、随机对照临床研究,以及与甲硝唑的对比研究结果替硝唑片治疗根尖周炎的有效率为83.1%,甲硝唑片为43.8%,差异有显著性(P<0.01);替硝唑片治疗成年人牙周炎的有效率为75.0%,甲硝唑片为43.5%,差异有显著性(P<0.01),替硝唑片的总有效率为79.3%,甲硝唑片为43.6%,差异有显著性(P<0.01)。
结果表明,替硝唑能迅速消除口腔厌氧菌所致炎症,减轻症状,疗效较对照药物好。
生产企业浙江可立思安制药有限公司、广东省彼迪药业有限公司、湖北四环制药有限公司、福建省龙岩市天泉生化药业、江苏黄河药业股份有限公司、江苏省黄海药业有限公司、陕西秦东制药厂、西安天元制药有限公司、四川联合大学华联制药有限公司、四川巴中制药厂、汕头南北制药厂有限公司、海南三叶药业集团有限公司、中达骛马制药有限责任公司、广州侨光制药有限公司、广东庆发药业有限公司、湖南迪诺制药有限公司、湖北广济药业有限公司、山东罗欣药业股份有限公司、山东省方明药业有限公司、黑龙江省牡丹江温春制药厂、江苏板桥药业有限公司、东台市康怡制药有限公司、徐州恩华药业集团第四制药厂、上海长征富民药业有限公司、杭康海洋生物药业股份有限公司、苏州统华药品有限公司、锦州九泰药业有限责任公司、石家庄神威药业股份有限公司、石家庄四药股份有限公司危害编辑1、替硝唑会致癌、致突变作用,动物试验或体外测定发现该品具致癌、致突变作用,但人体中尚缺乏资料[2]。
替硝唑葡萄糖注射液替硝唑葡萄糖注射液使用说明书•【药品名称】通用名称:替硝唑葡萄糖注射液英文名称:Tinidazole and Glucose Injection•【成份】本品主要成份是替硝唑•【性状】本品为无色或几乎无色的澄明液体。
•【适应症】1.本品用于预防术后由厌氧菌引起的感染,尤适合于胃肠道和女性生殖系统厌氧菌感染。
2. 本品用于证实或很可能由类杆菌属、脆弱拟杆菌属、其它拟杆菌属、梭状芽胞杆菌属、消化球菌属、真杆菌、发酵链球菌、韦荣球菌属等厌氧菌引起的下列感染:重度口腔感染,如重度冠周炎、重度口腔间隙感染;败血症、鼻窦炎、肺炎、脓胸、肺脓肿、骨髓炎、腹膜炎及手术伤口感染、胃肠道和女性生殖系统感染。
•【规格】200ml:替硝唑0.4g与葡萄糖10.0g。
•【用法用量】1.预防手术后由厌氧菌引起的感染。
总量1.6g,分一次或二次静脉缓慢滴注,第一次于手术前2~4小时滴注,第二次于手术期间或术后12~24小时内滴注。
2.治疗厌氧菌引起的感染。
静脉缓慢滴注,每天一次,每次0.8g,连用5~6天;当某种感染类型使病人难以康复时,疗程可视临床情况而定。
•【不良反应】1.少数病人可见消化道反应,如恶心、呕吐、食欲下降、口腔甜味感等。
2.个别病人可见神经系统紊乱症状,如头昏、头痛、眩晕及运动性共济失调等,偶见短暂性癫痫发作。
3.偶见滴注部位轻微血管炎。
4.罕见过敏反应,如皮疹、瘙痒、荨麻疹、血管神经性水肿和暂时性白细胞减少。
•【禁忌】1.对替硝唑及硝基亚硝基烃咪唑衍生物过敏者禁用。
2.血液病患者或有血液病病史者禁用。
器质性神经疾病患者禁用。
3.妊娠三个月内及哺乳期妇女禁用。
4.12岁以下患者禁用或不宜使用。
•【注意事项】1.本品与酒精饮料同服可引起腹部痉挛、灼热感及呕吐,因而,用药期间应避免饮酒。
2.使用过程中,如有异常神经症状,应立即停药,并进一步观察治疗。
3.本品与抗凝药同时使用时,能增强抗凝药的药效,应注意观察凝血酶原时间并调整给药剂量。
替硝唑说明书[功能主治]1、本品用于为了减少抗药性细菌的形成并确保替硝唑和其他抗菌药物的有效性,替硝唑应仅限用于治疗或预防已被证实或疑似易感病原体导致的感染。
2、若有培养和敏感性试验的相关信息,应参考这些信息来选择或修改抗菌治疗方案。
若没有这些信息,当地的流行病学和细菌敏感性数据等经验,可能有助于选择治疗方案。
3、本品适用于治疗下列疾病:(1)滴虫病:替硝唑适用于治疗由阴道毛滴虫所引起的滴虫病。
病原生物体应该经适当的诊断程序加以验证。
由于滴虫病属于性传播疾病并有潜在的严重后遗症,因此被感染者的性伴侣应该同时治疗,以防止出现重复感染。
(2)贾第鞭毛虫病:替硝唑适用于治疗由十二指肠贾第鞭毛虫(也称为蓝氏贾第鞭毛虫)所引起的贾第虫病,可用于成人和3岁以上的儿童患者。
(3)阿米巴病:替硝唑适用于治疗由痢疾阿米巴引起的阿米巴肠病和阿米巴肝脓肿,可用于成人和3岁以上的儿童患者。
但它不适用于治疗无症状的囊肿。
(4)细菌性阴道炎:替硝唑适用于治疗非怀孕妇女的细菌性阴道炎(以前称为嗜血杆菌性阴道炎、加德纳阴道炎、非特异性阴道炎或厌氧性阴道炎)。
与外阴阴道炎相关的其他病原体应排除,如阴道毛滴虫、沙眼衣原体、淋球菌、白色念珠菌和单纯疱疹病毒等。
(5)与抗生素和抗酸药联合应用用于根治幽门螺旋杆菌相关的十二指肠溃疡。
(6)厌氧菌感染:腹腔内感染(腹膜炎、脓肿);妇科感染(子宫内膜炎、子宫肌内膜炎、输卵管-卵巢脓肿);败血症;术后伤口感染;皮肤软组织感染;肺炎、肺部脓肿、胸腔积脓;急性溃疡性牙龈炎。
4、本品用于预防由厌氧菌引起的术后感染,如结肠、胃肠道和泌尿生殖系统手术后感染。
[用法用量]1、口服,建议饭后服用替硝唑从而尽量减少上腹部不适等胃肠道副作用的发生率。
食物不影响替硝唑口服生物利用度。
2、滴虫病:单剂量2g顿服,饭时服用。
性伴侣应以相同剂量同时治疗。
3、贾第鞭毛虫病:(1)成人:单剂量2g顿服,饭时服用。
(2)3岁以上儿童:单剂量50mg/kg(不超过2g)顿服,饭时服用。
替硝唑氯化钠注射液Tixiaozuo Lvhuana ZhusheyeTinidazole and Sodium Chloride Injection本品为替硝唑与氯化钠的灭菌水溶液。
含替硝唑(C8H13N3O4S) 与氯化钠(NaCl)均应为标示量的95.0%~105.0%。
【性状】本品为无色或几乎无色的澄明液体。
【鉴别】(1) 取本品25ml(相当于替硝唑0.1g),置水浴上蒸干,残渣置试管中,小火加热熔融,即产生有刺激性的二氧化硫气体,能使硝酸亚汞试液湿润的滤纸变成黑色。
(2)取本品25ml(相当于替硝唑0.1g),置水浴上蒸干,残渣加硫酸溶液(3→100)5ml使溶解,加三硝基苯酚试液10ml,即产生黄色沉淀。
(3)在含量测定项下记录的色谱图中,供试品溶液主峰的保留时间应与对照品溶液主峰的保留时间一致。
(4)本品显钠盐(附录Ⅲ)与氯化物(附录Ⅲ)的鉴别反应。
【检查】pH值应为3.5~5.5(附录ⅥH)。
有关物质精密量取本品适量,加流动相定量稀释制成每1ml中约含替硝唑800μg的供试品溶液与每1ml中约含替硝唑4μg的对照溶液;另精密称取2-甲基-5-硝基咪唑对照品适量,加流动相溶解并定量稀释制成每1ml中约含4μg的对照品溶液。
照含量测定项下的色谱条件,取对照溶液20μl注入液相色谱仪,调节检测灵敏度,使主成分色谱峰的峰高约为满量程的10%。
再精密量取供试品溶液、对照溶液和对照品溶液各20μl,分别注入注入液相色谱仪,记录色谱图至主成分峰保留时间的2倍。
供试品溶液的色谱图中如有与对照品溶液主峰保留时间相同位置的杂质峰,该杂质峰的峰面积不得过对照品溶液的主峰面积(0.5%),其他各杂质峰峰面积的和不得大于对照溶液的主峰面积(0.5%)。
渗透压取本品,依法检查(附录ⅨG),毫渗透压摩尔浓度应为260~340mOsm/kg。
热原取本品,依法检查(附录ⅪD),剂量按家兔体重每1kg注射8ml,应符合规定。
甲硝唑注射液说明书【药品名称】通用名:甲硝唑注射液英文名:Metronidazole Injection汉语拼音:Jiaxiaozuo Zhusheye【成份】本品主要成份为甲硝唑。
其化学名称为2-甲基-5-硝基咪唑-1-乙醇,化学结构式:分子式:C6H9N3O3,分子量:171.16。
辅料为氯化钠、注射用水。
【性状】本品为无色或几乎无色的澄明液体。
【适应症】本品主要用于厌氧菌感染的治疗。
【规格】100ml:500mg【用法用量】静脉滴注。
1、成人常用量: 厌氧菌感染,静脉给药首次按体重15mg/kg(70kg成人为1g,即2瓶),维持量按体重7.5mg/kg,每6-8小时静脉滴注一次。
2、小儿常用量: 厌氧菌感染的注射剂量同成人。
【不良反应】 15-30%病例出现不良反应,以消化道反应最为常见,包括恶心、呕吐、食欲不振、腹部绞痛,一般不影响治疗;神经系统症状有头痛、眩晕,偶有感觉异常、肢体麻木、共济失调、多发性神经炎等,大剂量可致抽搐。
少数病例发生荨麻疹、潮红、瘙痒、膀胱炎、排尿困难、口中金属味及白细胞减少等,均属可逆性,停药后自行恢复。
【禁忌】有活动性中枢神经系统疾患和血液病者禁用。
【注意事项】(1)对诊断的干扰:本品的代谢产物可使尿液呈深红色。
(2)原有肝脏疾病患者,剂量应减少。
出现运动失调或其他中枢神经系统症状时应停药。
重复一个疗程之前,应做白细胞计数。
厌氧菌感染合并肾功能衰竭者,给药间隔时间应由8小时延长至12小时。
(3)本品可抑制酒精代谢,用药期间应戒酒,饮酒后可能出现腹痛、呕吐、头痛等症状。
(4)若遇药液混浊、异物、瓶身破裂、轧口松动等,请勿使用。
一次使用不完,禁止再用。
【孕妇及哺乳期妇女用药】孕妇及哺乳期妇女禁用。
【儿童用药】尚不明确。
【老年用药】由于老年人肝功能减退,应用本品时药动学有所改变,应严密监测本品血药浓度。
【药物相互作用】(1)本品能抑制华法林和其他口服抗凝药的代谢,加强它们的作用,引起凝血酶原时间延长。
国家药监局关于修订替硝唑注射剂说明书的公告文章属性•【制定机关】国家药品监督管理局•【公布日期】2024.03.21•【文号】国家药监局公告2024年第31号•【施行日期】2024.03.21•【效力等级】部门规范性文件•【时效性】现行有效•【主题分类】药政管理正文国家药监局公告2024年第31号关于修订替硝唑注射剂说明书的公告根据药品不良反应评估结果,为进一步保障公众用药安全,国家药监局决定对替硝唑注射剂(包括替硝唑氯化钠注射液、替硝唑葡萄糖注射液、注射用替硝唑)说明书内容进行统一修订。
现将有关事项公告如下:一、所有上述药品的上市许可持有人均应当依据《药品注册管理办法》等有关规定,按照附件要求修订说明书,于2024年6月21日前报省级药品监督管理部门备案。
修订内容涉及药品标签的,应当一并进行修订;说明书及标签其他内容应当与原批准内容一致。
在备案之日起生产的药品,不得继续使用原药品说明书。
药品上市许可持有人应当在备案后9个月内对已出厂的药品说明书及标签予以更换。
二、药品上市许可持有人应当对新增不良反应发生机制开展深入研究,采取有效措施做好药品使用和安全性问题的宣传培训,指导医师、药师合理用药。
三、临床医师、药师应当仔细阅读上述药品说明书的修订内容,在选择用药时,应当根据新修订说明书进行充分的获益/风险分析。
四、患者用药前应当仔细阅读药品说明书,使用处方药的,应当严格遵医嘱用药。
五、省级药品监督管理部门应当督促行政区域内上述药品的上市许可持有人按要求做好相应说明书修订和标签、说明书更换工作,对违法违规行为依法严厉查处。
特此公告。
附件:替硝唑注射剂说明书修订要求国家药监局2024年3月21日。
替硝唑氯化钠注射液的用法
硝唑氯化钠注射液是一种抗菌药物,常用于治疗细菌引起的感染。
具体的用法如下:
1. 必须在医生的指导下使用,按照医生给出的用药方案进行使用。
2. 使用前,首先检查药品的外观,如果有明显颜色变化、悬浮物或沉淀物等异常情况,不要使用。
3. 使用前需将药品均匀摇匀,确保药液均匀混合。
4. 硝唑氯化钠注射液通常通过静脉注射的方式给药。
5. 在注射前,必须进行无菌处理,使用无菌注射器和无菌滴液器。
6. 按照医生给出的剂量和时间表进行注射,不要超过推荐的剂量和时间。
7. 在注射过程中,需要密切观察患者的反应,如果出现严重的过敏反应或其他不良反应,应立即停止使用并咨询医生。
8. 使用后,注射器等医疗废弃物应正确处理,避免对环境造成污染。
上述是一般的用法和注意事项,具体的用法还是需要根据医生的指导进行。
所以,在使用硝唑氯化钠注射液之前请咨询医生或参考药品说明书。
替硝唑
【药品名称】
通用名:替硝唑注射液
【药理毒理】
本品对原虫及厌氧菌有较高活性。
对脆弱拟杆菌等拟杆菌属、梭杆菌属、梭菌属、消化球菌、消化链球菌、韦容球菌属及加得纳菌等具抗菌活性,2~4mg/L的浓度可抑制大多数厌氧菌;微需氧菌、幽门螺杆菌对其敏感;对阴道滴虫的MIC与甲硝唑相仿,其代谢物对加得纳菌的活性较替硝唑为强。
本品的作用机制尚未完全阐明,厌氧菌的硝基还原酶在敏感菌株的能量代谢中起重要作用。
本品的硝基被还原成一种细胞毒,从而作用于细菌的DNA代谢过程,促使细菌死亡。
耐药菌往往缺乏硝基还原酶而对本品耐药。
本品抗阿米巴原虫的机制为抑制其氧化还原反应反应,使原虫的氮链发生断裂,从而杀死原虫。
【药代动力学】
本品静脉滴注0.8g及1.6g后血药峰浓度(Cmax)分别为14~21mg/L及32mg/L。
静脉每日给药1g,血药浓度可维持在8mg/L以上。
替硝唑在体内的分布广泛,在生殖器官、肠道、腹部肌肉、乳汁中可达较高浓度,在肝脏、脂肪中的浓度低,在胆汁、唾液中的浓度与同期血药浓度相仿,对血脑脊液屏障的穿透性较甲硝唑高,脑膜无炎症时脑脊液中的浓度为同期血药浓度的80%,这与替硝唑的脂溶性较高有关。
替硝唑可通过血胎盘屏障,在胎儿及胎盘中可达高浓度。
蛋白结合率为12%。
在肝脏代谢,静脉给药后约20%~25%以原形从尿中排出。
血消除半衰期(t1/2β)为11.6~13.3小时,平均为12.6小时。
【适应症】
用于各种厌氧菌感染,如败血症、骨髓炎、腹腔感染、盆腔感染、肺支气管感染、肺炎、鼻窦炎、皮肤蜂窝组织炎、口腔感染及术后伤口感染;用于结肠直肠手术、妇产科手术及口腔手术等的术前预防用药。
【用法用量】
静脉滴注。
1.厌氧菌感染:一次0.8g,一日1次,静脉缓慢滴注,一般疗程5~6日,或根据病情决定。
2.预防手术后厌氧菌感染:总量1.6g,1次或分2次滴注,第一次于手术前2~4小时,第二次于手术期间或术后12~24小时内滴注。
【不良反应】
不良反应少见而轻微,主要为恶心、呕吐、上腹痛、食欲下降及口腔金属味,可有头痛、眩晕、皮肤瘙痒、皮疹、便秘及全身不适。
此外还可有血管神经性水肿、中性粒细胞减少、双硫仑样反应及黑尿,偶见滴注部位轻度静脉炎。
高剂量时也可引起癫痫发作和周围神经病变。
【禁忌症】
对本品或吡咯类药物过敏患者以及有活动性中枢神经疾病和血液病者禁用。
【注意事项】
1.本品滴注速度应缓慢,浓度为2mg/ml时,每次滴注时间应不少于1小时,浓度大于2mg/ml时,滴注速度宜再降低1~2倍。
药物不应与含铝的针头和套管接触,并避免与其他药物一起滴注。
2.致癌、致突变作用:动物试验或体外测定发现本品具致癌、致突变作用,但人体中尚缺乏资料。
3.如疗程中发生中枢神经系统不良反应,应及时停药。
4.本品可干扰丙氨酸氨基转移酶、乳酸脱氢酶、三酰甘油、己糖激酶等的检验结果,使其测定值降至零。
5.用药期间不应饮用含酒精的饮料,因可引起体内乙醛蓄积,干扰酒精的氧化过程,导致双硫仑样反应,患者可出现腹部痉挛、恶心、呕吐、头痛、面部潮红等。
6.肝功能减退者本品代谢减慢,药物及其代谢物易在体内蓄积,应予减量,并作血药浓度监测。
7.本品可自胃液持续清除,某些放置胃管作吸引减压者,可引起血药浓度下降。
血液透析时,本品及代谢物迅速被清除,故应用本品不需减量。
8.念珠菌感染者应用本品,其症状会加重,需同时给抗真菌治疗。
【孕妇及哺乳期妇女用药】
本品可透过胎盘,迅速进入胎儿循环。
动物实验发现腹腔给药对胎仔具毒性。
本品对胎儿的影响尚无足够和严密的对照观察,因此妊娠3个月内应禁用。
3个月以上的孕妇只有具明确指征时才选用本品。
本品在乳汁中浓度与血中浓度相似。
动物试验显示本品对幼鼠具致癌作用,故哺乳期妇女应避免使用。
若必须用药,应暂停哺乳,并在停药3日后方可授乳。
【儿童用药】
12岁以下患者禁用。
【老年患者用药】
老年人由于肝功能减退,应用本品时药代动力学有所改变,需监测血药浓度。
【药物相互作用】
1.本品能抑制华法林和其他口服抗凝药的代谢,加强它们的作用,引起凝血酶原时间延长。
2.与苯妥英钠、苯巴比妥等诱导肝微粒体酶的药物合用时,可加强本品代谢,使血药浓度下降,并使苯妥英钠排泄减慢。
3.与西咪替丁等抑制肝微粒体酶活性的药物合用时,可减慢本品在肝内的代谢及其排泄,延长本品的血消除半衰期(t1/2β),应根据血药浓度测定的结果调整剂量。
4.本品干扰双硫仑代谢,两者合用时,患者饮酒后可出现精神症状,故2周内应用双硫仑者不宜再用本品。
5.本品可干扰血清氨基转移酶和乳酸脱氢酶的测定结果,可使胆固醇、三酰甘油水平下降。
【药物过量】。