装饰工程定额说明与工程量计算规则
- 格式:doc
- 大小:55.50 KB
- 文档页数:14
上海市建筑和装饰工程预算定额工程量计算规则和说明预算定额是根据建设工程项目的工程量、质量要求等因素,以及施工技术和工艺条件,结合市场行情等因素,编制出来的规定每一项工程量和规定每一项工程的费用的定额。
在上海市,建筑和装饰工程的预算定额根据《建设工程预算计价定额》,由上海市建设工程造价管理机构制定和发布,具有统一的执行力。
1.工程量的确定:根据项目的设计图纸和设计方案,通过对各个部位的尺寸、面积、体积等参数的测算,确定各项工程量。
测算工程量时应按设计要求严格测算,确保测算结果的正确性和准确性。
2.工程量计算规则:1)线性工程量:如墙体、地板砖的面积等,按照设计要求的长度、宽度等进行计算。
2)面积工程量:如外墙涂料的面积等,按照设计要求的面积进行计算。
3)体积工程量:如地下室的体积等,按照设计要求的体积进行计算。
4)数量工程量:如门窗的数量等,按照设计要求的数量进行计算。
5)其他工程量:如电线、管道等的长度等,按照设计要求的长度进行计算。
3.工程量计算说明:1)计算单位:工程量计算的基本单位应采用与设计图纸和施工方案相对应的单位,如平方米(m²)、立方米(m³)、米(m)等。
2)工程量测算:工程量的测算应根据设计图纸和施工方案进行,如墙体工程量的测算可以根据墙体的长度、高度、厚度等信息进行。
3)工程量计算公式:根据不同工程量的计算规则,按照相应的计算公式进行计算,如墙体工程量计算公式为:墙体面积=墙体长度×墙体高度。
4)工程变更:如果工程在施工过程中发生了变更,预算定额应根据实际变更后的工程量进行调整。
4.工程量计算的重要性:工程量计算是建设工程预算编制的基础,正确的工程量计算可以保证预算的准确性和有效性。
只有通过对每一项工程量的详细测算和计算,才能确定每一项工程的费用,并制定合理的预算计划。
同时,工程量计算也是监督和控制工程进度和成本的重要手段之一,可以帮助工程管理人员对工程施工进行全面的掌控。
第一章楼地面装修工程说明及工程量计算规则一、说明(一)本章包括:垫层、找平层,面层,楼梯,踢脚,台阶、坡道、散水6节共215个子目。
(二)整体面层的水泥砂浆、混凝土、细石混凝土楼地面,定额中均包括一次抹光的工料费用。
(三)楼梯装饰定额中,包括了踏步、休息平台和楼梯踢脚线,但不包括楼梯底面抹灰。
水泥面楼梯包括金刚砂防滑条。
(四)耐酸瓷板地面定额中,包括找平层和结合层.(五)台阶、坡道、散水定额中,仅包括面层的工料费用,不包括垫层,其垫层按图示作法捃行本章相应子目.(六)台阶的平台宽度(外墙面至最高一级台阶外边线)在2.5m以内时,平台执行台阶子目;超过2。
5m时,平台执行楼地面相应子目。
二、工程量计算规则(一)垫层按室内房间净面积乘以厚度以立方米计算。
应扣除沟道、设备基础等所占的体积;不扣除柱垛、间壁墙和附墙烟囱、风道及面积在0.3m2以内孔洞所占体积,但门洞口、暖气槽和壁龛的开口部分所占的垫层体积也不增加. (二)找平层、整体面层按房间净面积以平方米计算,不扣除墙垛、柱、间壁墙及面积在0。
3m2以内孔洞所占面积,但门洞口、暖气槽的面积也不增加。
地垄墙上的找平层按地垄墙长度乘以地垄墙宽度以平方米计算。
(三)块料面层、木地板、活动地板,按图示尺寸以平方米计算。
扣除柱了所占的面积,门洞口、暖气槽和壁龛的开口部分工程量并入相应面层内。
(四)塑胶地面、塑胶球场按图示尺寸以平方米计算。
(五)铝合金道牙按图示尺寸以米计算。
(六)楼梯各种面层(包括踏步、平台)按楼梯间净水平投影面积以平方米计算。
楼梯井宽在500mm以内者不予扣除,超过500mm者应扣除其面积。
(七)楼梯满铺地毯按楼梯间净水平投影面积计算;不满铺地毯按实铺地毯的展开面积计算.(八)波打线按图示尺寸以平方米计算。
(九)踢脚1、水泥、现制磨石踢脚线,按房间周长以米计算。
不扣除门洞口所占长度,但门侧边、墙垛及附墙烟囱侧边的工程量也不增加.2、块料踢脚、木踢脚按图示长长以米计算。
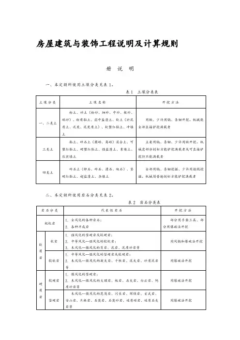
房屋建筑与装饰工程说明及计算规则册说明一、本定额所使用土壤分类见表1。
表1 土壤分类表二、本定额所使用岩石分类见表2。
三、本定额木材分类:一类:红松、杉木。
二类:白松、杉松、杨柳木、椴木、樟子松、云杉。
三类:青松、水曲柳、黄花松、秋子木、马尾松、榆木、柏木、樟木、苦练子、梓木、楠木、槐木、黄菠萝、椿木。
四类:柞木(稠木、青杠)、檀木、色木、红木、荔木、柚木、麻栗木、桦木。
四、本定额的混凝土和砂浆是按过筛净砂编制的,各地应将过筛人工费和损耗纳入材料预算价格,定额考虑了砂的膨胀率。
因质量要求现场过筛的人工费及筛砂损耗已包括在定额内,不另计算。
五、本定额的混凝土和砂浆强度等级,如设计要求与定额不同时,允许按附录换算,但定额中各种配合比的材料用量不得调整。
六、本定额的混凝土和砂浆是按中(细)砂、特细砂编制,计算时应按实际使用砂的种类分别套用相应定额项目。
七、本定额现浇混凝土构件是按现场搅拌非泵送编制的,商品混凝土以成品基价(含泵送费)的形式表现。
若现浇混凝土构件使用商品混凝土,按工程所在地工程造价站规定,对商品混凝土价差进行单项价差调整。
八、本定额预拌砂浆项目是按干混砂浆编制的,干混砂浆以成品基价的形式表现。
各地应按工程所在地工程造价站规定,对干混砂浆价差进行调整。
九、建筑材料、成品、半成品(除按成品编制项目外)从现场仓库、堆放地点、加工地点至操作地点的水平运输,已综合考虑在定额内,但垂直运输机械费应按“措施项目”另行计算。
十、本定额项目中未考虑高层建筑施工增加的费用,发生时,按“超高施工增加”定额项目执行。
十一、本定额在执行中如遇缺项,可按其他册相应定额项目执行。
若仍缺项,由甲乙双方编制临时性定额,报工程所在地造价站审批,并报省工程造价总站备案。
十二、本册未编制的构筑物工程按2015年《四川省建设工程工程量清单计价定额——构筑物工程》册相应项目执行;石方爆破工程按2015年《四川省建设工程工程量清单计价定额——爆破工程》册相应项目执行。
装饰装修工程量计算规则(1)内墙面抹灰工程量计算。
内墙面抹灰工程量,等于内墙面长度乘以内墙面的抹灰高度以平方米计算。
扣除门窗洞口和空圈所占的面积,不扣除踢脚板、挂镜线、0.3m2以内的孔洞和墙与构件交接处的面积,洞口侧壁和顶面亦不增加。
墙垛和附墙烟囱侧壁面积与内墙抹灰工程量合并计算。
内墙面抹灰的长度,以主墙间的图示净长尺寸计算。
内墙面抹灰高度:无墙裙的,按室内地面或楼面至天棚底面之间距离计算;有墙裙的,按墙裙顶至天棚底面之间的距离计算。
板条天棚的内墙抹灰,其高度按室内地面或楼面至天棚底面另加lOOmm计算。
(2)外墙面抹灰工程量计算。
①外墙面抹灰工程量按外墙面的垂直投影面积以平方米计算。
应扣除门窗洞口、外墙裙和大于0.3m2孔洞所占面积,洞口侧壁面积不另增加。
附墙垛、梁、柱侧面抹灰面积并入外墙面抹灰工程量内计算。
外墙面高度均由室外地坪算起,向上算至:平屋顶有挑檐(天沟)的,算至挑檐(天沟)底面;平屋顶无挑檐天沟、带女儿墙的,算至女儿墙压顶底而;坡屋顶带檐口天棚的,算至檐口天棚底面;坡屋顶带挑檐无檐口天棚的,算至屋面板底。
跨出檐者,算至挑檐上表面。
②外墙裙抹灰面积按其长度乘高度计算,扣除门窗洞口和大于0.3m2孔洞所占的面积,门窗洞口及孔洞的侧壁不增加。
③窗台线、门窗套、挑檐、腰线、遮阳板等展开宽度在300mm以内者,按装饰线以延长米计算,如展开宽度超过300mm以上时,按图示尺寸以展开面积计算,套零星抹灰定额项目。
④栏板、栏杆抹灰按立面垂直投影面积乘以系数2.2计算。
⑤阳台底面抹灰按水平投影面积以平方米计算,并入相应天棚抹灰面积内。
阳台如带悬臂梁者,其工程餐应再乘系数1.30.⑥雨篷底面或顶面抹灰分别按水平投影面积以平方米计算,并入相应天棚抹灰面积内。
雨篷顶面带反滑或反梁者,其工程量乘系数l.20,底面带悬臂梁者,其工程量乘以系数1.20.雨篷外边线按相应装饰或零星项目执行。
⑦墙面勾缝按垂直投影面积计算,应扣除墙裙和墙面抹灰的面积,小扣除门窗洞口、门窗套、腰线等零星抹灰所占的面积,附墙柱和门窗洞口侧面的勾缝面积亦不增加。
B.1楼地面工程说明一、砂浆、石子浆的厚度、强度等级,混凝土的强度等级,设计与定额取定不同时,可以进行换算。
二、垫层项目如用于基础垫层时,人工、机械乘以1.20(不含满堂基础)。
三、地板采暖房间垫层,按不同材料套用相应定额,人工乘系数 1.80,材料乘系数0.98。
四、地面刷素水泥浆按B.2墙柱面相应项目计算。
五、楼梯找平层按水平投影面积乘系数1.37,台阶乘系数1.48。
六、楼地面块料面层水泥浆结合层厚度每增减1mm,每100m2增减相应人工0.276工日,砂浆0.102m3,灰浆搅拌机(200L)0.012台班。
七、整体面层、块料面层使用的白水泥、金属嵌条、颜料等,如设计与项目取定不同时,可以调整。
八、水泥砂浆地面如压线时,每100 m2增加1.58工日。
九、块料面层现场切割为弧形、异型、拼花及斜铺时,按相应项目人工乘系数1.50,块料损耗率按实际调整。
十、平铺陶瓷地砖,如设计有波打线,周长≤2400mm时,其损耗率调整为2.5%;周长>2400mm时,其损耗率调整为4%;波打线执行零星项目。
十一、本章石材楼地面干粉型粘结剂厚度取定4mm,陶瓷地砖楼地面干粉型粘结剂厚度取定2.5mm,干粉型粘结剂厚度与定额取定不同时,每增减1mm厚度,每100 m2增减干粉型粘结剂169kg,水增减0.042m³,其他不变。
十二、同一铺贴面采用不同种类、材质的材料,应分别按本章相应项目计算。
十三、大理石、花岗岩楼地面拼花是按成品考虑的,镶拼面积小于0.015 m2的石材,执行点缀定额项目。
十四、楼地面块料面层、整体面层(现浇水磨石楼地面除外)均未包括找平层,如设计要求时,另行计算。
十五、块料楼地面面层均不包括酸洗、打蜡,发生时可按相应项目计算。
十六、整体面层、块料面层的楼地面项目和楼梯面层(除水泥砂浆及水磨石楼梯外),均不包括踢脚线工料。
楼梯踢脚线按相应踢脚线项目乘1.15计算。
十七、楼梯不包括板底及侧面抹灰。
说明一、整体面层、找平层(一)整体面层的结合层、找平层的砂浆厚度与定额不同时,允许按相应定额项目调整。
(二)整体面层除楼梯外,定额均未包括踢脚线工料,按相应定额项目计算。
(三)水磨石楼地面如采用金属嵌条时,取消定额中的玻璃条用量。
(四)彩色水磨石楼地面嵌条分色以四边形分格为准,如采用多边形或美术图案者,人工乘以系数1.2。
(五)彩色水磨石楼地面定额项目中,颜料是按矿物颜料考虑的,如设计规定颜料用量和品种与定额不同时,允许调整(颜料损耗3%)。
二、块料面层(一)块料面层的材料规格不同时,定额用量不得调整。
(二)块料面层项目内只包括结合层砂浆,结合层厚度为15mm,如与设计不同时,按找平层相应项目调整。
三、其他(一)栏杆、栏板、扶手项目适用于楼梯、走廊、回廊及其他装饰性栏杆、栏板和扶手。
(二)定额已包括石材侧边磨平,其他磨边按其他工程第一章相应项目计算.(三)螺旋形楼梯装饰面执行相应楼梯项目,乘以系数1.15。
(四)木龙骨已综合了刷防火涂料二遍,设计涂刷遍数不同时,按油漆涂料相应项目调整。
(五)木地板中地龙骨为30mm×45mm(毛料),间距为300 mm,地台主龙骨为53mm×103mm(毛料),间距为600 mm,次龙骨为43mm×63mm(毛料),间距为600 mm。
实际工程用量与定额不同时,可以换算项目中的锯材用量,其损耗率为3%。
(六)零星项目包括楼梯台阶牵边侧面及0.5m2以内少量分散的楼地面装修。
工程量计算规则一、整体面层、找平层(一)地面面层、找平层按墙与墙间的净面积计算,应扣除凸出地面的构筑物、设备基础、室内铁道、0.3m2以上的落地沟槽、放物柜、炉灶、柱和不做面层的地沟盖板等所占的面积。
不扣除垛、间壁墙(厚120mm以内的砌体)、烟囱及0.3m2以内孔洞、柱所占面积,但门洞圈开口部分亦不增加。
(二)踢脚线以“平方米”计算、不扣除门洞及空圈所占的面积,但门洞、空圈、垛和侧壁亦不增加。
安徽省装饰工程定额章节说明及工程量计算规则一、安徽省装饰工程定额章节说明:1.总则:这部分主要介绍了安徽省装饰工程定额的适用范围、编制原则和计量单位等内容。
2.土建:这部分包括了装饰工程所涉及的土建工程的定额,如地基、墙体、楼板等项目。
3.电气:这部分主要介绍了装饰工程中所涉及的电气工程的定额,如照明、配电、弱电等项目。
4.泥瓦:这部分包括了装饰工程中所涉及的泥瓦工程的定额,如砌体、抹灰、瓷砖等项目。
5.木工:这部分主要介绍了装饰工程中所涉及的木工工程的定额,如门、窗、家具等项目。
6.钢结构:这部分包括了装饰工程中所涉及的钢结构工程的定额,如钢柱、钢梁、钢板等项目。
7.油漆:这部分主要介绍了装饰工程中所涉及的油漆工程的定额,如墙面、天花板、木器等项目。
8.化工:这部分包括了装饰工程中所涉及的化工工程的定额,如涂料、胶水、填缝剂等项目。
9.安装:这部分主要介绍了装饰工程中所涉及的各种安装工程的定额,如卫生器具、暖通设备、消防设施等项目。
10.饰面:这部分包括了装饰工程中所涉及的各种饰面工程的定额,如石材、瓦片、玻璃等项目。
二、安徽省装饰工程工程量计算规则:1.工程量计算的基本原则是按照设计图纸和相关技术标准来计算,其中设计图纸是最重要的依据。
2.工程量计算的单位一般采用平方米、立方米、米等,根据需要可以使用其他单位。
3.工程量计算方法包括直接测量法、分析计算法和估算法等。
直接测量法是根据实际测量结果来计算,分析计算法是根据相关公式和参数来计算,估算法是根据经验和专业知识来估算。
4.工程量计算应该考虑到工程的实际情况和特殊要求,如材料的损耗、工程的复杂程度、施工工艺等。
5.工程量计算应该精确、准确、全面,避免漏项、重项和计算错误。
6.工程量计算应该按照标准和规范来进行,不得随意增减或擅自修改。
7.工程量计算应该合理、科学、经济,符合项目的实际需求和预算限制。
总之,安徽省装饰工程定额章节说明及工程量计算规则是指导装饰工程施工和工程量计算的重要依据,它规定了各项工程的定额和计算方法,保证了工程的质量和成本的控制。
建造装饰工程工程量计算规则建造装饰工程工程量计算规则楼地面工程一、整体楼地面面层按主墙间的实铺面积以“m2”计算,应扣除突出地面的构筑物、设备基础、室内轨道所占的面积,不扣除柱、垛、附墙烟囱、间壁墙及0.3m2 以内的孔洞等所占的面积,门洞、空圈、暖气包槽、壁龛的开口部份亦不增加。
阳台楼地面按净尺寸以“m2”计算。
二、块料面层楼地面按饰面的实铺面积以“m2” 计算,不扣除0.1m2以内的孔洞所占面积。
拼花部份按实贴面积计算。
三、楼梯面层工程量按楼梯分层水平投影面积(包括踏步、平台)以“m2”计算。
计算时以楼梯楼层水平梁外侧为界,水平梁外侧以外部份套用相应楼地面子目。
宽度大于500mm 的楼梯井面积应扣除。
四、台阶:按水平投影面积以“m2”计算,连接地面的一个暗台(如设计无规定时可按300mm 计)应并入台阶工程量。
五、整体面层踢脚线的工程量按房间主墙间周长以延长米计算。
不扣除门洞及空圈所占长度,附墙垛、门洞和空圈等侧壁长度亦不增加。
非成品块料踢脚线按实贴长度乘以高度以“m2”计算。
成品块料踢脚线按实贴长度以“m”计算。
楼梯踏步段踢脚线均按相应定额乘以1.15 系数。
六、点缀按“个”计算。
计算铺贴地面面积时,不扣除点缀所占面积。
七、零星项目按实铺面积计算。
八、栏杆、栏板、扶手均按其中心线长度以延长米计算,计算扶手时不扣除弯头所占长度。
九、弯头按“个”计算。
十、石材底面刷养护液按底面面积加4 个侧面面积,以“m2”计算。
墙柱面工程一、外墙面装饰抹灰按外墙的不同部位、不同饰面以图示展开面积计算。
应扣除门窗洞口和空圈所占面积,不扣除0.3m2 以内的孔洞面积,门窗洞口及空圈侧壁的面积也不增加。
外墙裙抹灰面积的计算方法同外墙面。
二、内墙面抹灰长度以主墙间的图示净尺寸计算,其高度为:无墙裙的,以室内地面或者楼面至天棚底面之间的距离计算;有墙裙的,以墙裙上平面至天棚底面之间的距离计算;有吊顶天棚的,其高度按吊顶高度增加100mm 计算。
2006年版《广东省装饰装修工程定额》说明及工程量计算规则第一章:楼地面工程说明1.0.1 定额中所注明的砂浆、水泥石子浆等种类、配合比、饰面材料的型号规格与设计规定不同时,可按设计规定换算,但人工数量不变。
1.0.2 木地板踢脚线定额子目适用高度200mm以内,其余踢脚线定额子目适用高度300mm以内。
高度超过上述规定时,套用有关章节相应子目。
1.0.3 凡需使用各种砂浆的定额子目,除注明外,均包括扫水泥浆。
1.0.4 楼地面块料面层均不包括找平层,计算时应按设计要求套用定额子目。
1.0.5 踢脚线底层抹灰,按墙面底层抹灰子目执行。
1.0.6 抹灰厚度,如设计与定额不同时,除定额子目注明外,不得换算。
定额子目含不同砂浆时,分别列出厚度,如12mm+8mm,表示底、面层砂浆厚度分别为12mm和8mm。
1.0.7 楼梯及台阶面层定额未包括防滑条。
1.0.8 楼梯踢脚线块料面层,按相应踢脚线定额子目的人工、材料、机械乘以系数1.15。
1.0.9 弧形、螺旋形楼梯的装饰,按相应定额子目人工乘以系数1.20、块料用量乘以系数1.10计算。
1.0.10 零星装饰适用于楼梯、台阶侧面装饰以及0.5m2以内少量分散的楼地面装饰。
1.0.11 木地板如需油漆,套用有关章节相应子目。
工程量计算规则1.0.1 找平层的工程量按相应面层的工程量计算规则计算。
1.0.2 整体面层的工程量按下列规定计算。
整体面层,按设计图示尺寸以面积计算。
扣除凸出地面构筑物、设备基础、室内管道、地沟等所占面积,不扣除间壁墙和0.3㎡以内的柱、跺、附墙烟囱及孔洞所占面积。
门洞、空圈、暖气包槽、壁龛的开口部分不增加面积。
1 踢脚线,按设计图示长度乘以高度以面积计算。
2 楼梯面层,按设计图示尺寸以楼梯(包括踏步、休息平台及500mm以内的楼梯井)水平投影面积计算。
楼梯与楼地面相连时,算至梯口梁内侧边沿;无梯口梁者,算至最上一层踏步边沿加300mm。
装饰工程的工程量计算规则及公式一、楼地面工程工程量计算规则及公式(一)地面垫层计算规则:按室内主墙间净空面积乘设计厚度以m3计算。
应扣除:凸出地面的构筑物、设备基础、室内铁道、地沟等所占体积。
不扣除:柱、垛、间壁墙、附墙烟囱及面积在0.3m2以内孔洞所占面积。
但门洞、空圈、壁龛的开口部分亦不增加。
主墙系指墙厚≥120mm的墙体。
(二)整体面层、找平层计算规则:按主墙间净空面积以平方米计算。
应扣除:凸出地面构筑物、设备基础、室内管道、地沟等所占面积。
不扣除:柱、垛、间壁墙、附墙烟囱及面积在0.3m2以内的孔洞所占面积,但门洞、空圈、暖气包槽、壁龛的开口部分亦不增加。
(三)块料面层计算规则:按图示尺寸实铺面积以平方米计算,应扣除突出地面不做面层的地方,门洞、空圈、暖气包槽和壁龛的开口部分的工程量并入相应的面层内计算。
(四)楼梯面层计算规则:楼梯整体面层(包括踏步、休息平台以及小于200mm宽的楼梯井)按水平投影面积计算。
楼梯与走廊连接的,以楼梯沿口梁外缘为界,线内为楼梯面积,线外为走廊面积。
楼梯块料面层按展开实铺面积计算。
(五)台阶计算规则:台阶整体面层(包括踏步及最上一层踏步沿300mm)按水平投影面积计算,块料面层按展开(包括两侧)实铺面积计算。
(六)踢脚板计算规则:水泥砂浆、水磨石踢脚板按延长米计算,洞口、空圈长度不予扣除,洞口、空圈、垛、附墙烟囱等侧壁长度亦不增加;块料面层踢脚线按图示尺寸以实贴延长米计算,门洞扣除,侧壁增加。
(七)散水、防滑坡道计算规则:按图示尺寸以平方米计算。
计算公式为:S=(L外+4*散水宽度-台阶、花坛等所站散水长度)*散水宽度。
(八)栏杆、扶手计算规则:栏杆、扶手包括弯头长度按延长米计算。
计算公式是L=(楼梯踏步板水平投影长度*1.18+0.15*2*1.18+楼梯井宽度)*2*楼梯层数+顶层一个踏步板的宽度二、墙柱面工程工程量计算规则及公式(一)内墙面抹灰计算规则:按内墙面面积计算,应扣除:门窗洞口和空圈所占的面积,不扣除:踢脚板、挂镜线、0.3m2以内的孔洞、墙与构件交接处的面积;不增加:洞口侧壁和顶面抹灰面积不增加;应合并:墙垛和附墙烟囱侧壁面积应并入内墙抹灰工程量。
河南省房屋建筑与装饰工程预算定额2016总说明一、《河南省房屋建筑与装饰工程预算定额(2016)》(编号:HA 01-31-2016)(以下简称本定额)是依据《房屋建筑与装饰工程消耗量定额(TY01-31-2015)》(以下简称消耗量定额)、《建设工程施工机械台班费用编制规则(2015)》;参照《建设工程工程量清单计价规范》(GB50500-2013)(以下简称《计价规范》)、住房和城乡建设部、财政部《关于印发<建筑安装工程费用项目组成>的通知》(建标[2013]44号)、住建部《关于做好建筑业营改增建设工程计价依据调整准备工作的通知》(建办标〔2016〕4 号),结合我省建设领域工程计价改革需要编制的。
二、本定额适用于河南省行政区域内的一般工业与民用建筑工程、通用安装工程、市政工程的新建、扩建和改建工程。
三、本定额:①是编审投资估算指标、设计概算、施工图预算、招标控制价依据;②是建设工程实行工程量清单招标的工程造价计价基础;③是编制企业定额、考核工程成本、进行投标报价、选择经济合理的设计与施工方案的参考。
四、本定额工程造价计价程序表中规定的费用项目包括:分部分项工程费、措施项目费、其他项目费、规费、增值税。
本定额基价各项费用按照增值税原理编制,适用一般计税方法,各项费用均不含可抵扣增值税进项税额。
五、本定额基价由:人工费、材料费、机械使用费、其他措施费、安文费、管理费、利润、规费组成,工程造价计价时可按需分析统计、核算。
其他措施费不发生或部分发生可作调整。
六、本定额中定额子目编号含有"Ha"字母的定额子目,为我省扩充标记。
七、本定额基价是定额编制基期暂定价,按市场最终定价原则,基价中涉及的有关费用按动态原则调整。
八、本定额基价中的人工费是根据《消耗量定额》与有关规定,经测算的基期人工费。
基期人工费在本定额实施期,由工程造价管理机构结合建筑市场情况,定期发布相应的价格指数调整。
山西2011《装饰工程预算定额》说明及计算规则目录总说明-----------------------------------总说明第一章楼地面工程------------------------第一章楼地面工程第二章墙、柱面工程----------------------第二章墙、柱面工程第三章天棚工程--------------------------第三章天棚工程第四章门窗工程--------------------------第四章门窗工程第五章油漆、涂料、裱糊工程--------------第五章油漆、涂料、裱糊工程第六章其他工程--------------------------第六章其他工程总说明一、《装饰工程预算定额》(以下简称本定额)是在《建设工程工程量清单计价规范》(GB50500-2008)、《全国统一建筑装饰装修工程消耗量定额》(GYD-901-2002)、《全国统一建筑工程基础定额》(GJD-101-95)、《建设工程劳动定额》(LD/T73.1~4-2008)、2005年山西省《计价依据》的基础上,结合我省设计、招标投标的实际情况,按照合理的施工组织设计和正常施工条件,根据现行的装饰装修工程施工验收规范、工艺标准、安全操作技术规范、质量验收评定标准编制的。
定额中的人工、材料及机械消耗量反映了我省当前装饰装修工程施工的技术和组织水平。
二、本定额是以量价合一的形式表现人工、材料、机械台班消耗量,并在执行过程中对价格实行动态管理的计价定额。
省工程建设标准定额站负责人工、机械台班单价的动态管理,各市建经站(或标定站)负责材料价格的动态管理。
三、本定额适用于清单计价和定额计价,是招标工程编制标底(或招标控制价)、建筑企业进行投标报价的基础;是选择经济合理的设计方案和编制施工图预算的依据:也是编制装饰装修工程概算和投资估算指标的依据;是编制企业定额的重要参考。
四、本定额适用于全省范围内的一般工业和民用建筑的新建、扩建和改建工程,不适用于修缮及临时性工程。
第一章楼地面工程工程量计算规则及说明一、工程量计算规则1. 楼地面块料面层、木地板、防静电地板及地毯工程量按主墙间图示尺寸的实铺面积以m 2 计算。
2. 楼梯面层工程量(包括踏步、平台及楼层连接梁,不包括楼梯井)按水平投影面积以m 2 计算。
3. 台阶面层工程量按最上层踏步外沿加0.30m 水平投影面积计算(不包括翼墙、花池和侧面)。
4. 块料面层踢脚板工程量按实贴面积以m2计算;成品踢脚板工程量按实贴延长m计算,楼梯踢脚板工程量按相应定额乘以1.15系数计算。
5.点缀块料面层按个计算,楼地面块料面层计算中不扣除点缀所占的面积。
6. 防滑条工程量按设计长度计算,设计未注明时按楼梯、台阶踏步及坡道两端距离减0.30m ,以延长m 计算。
7. 阳台楼地面并入相应楼地面计算。
二、调整系数及说明1. 使用螺旋形楼梯时,应将相应面层的楼梯定额人工用量乘系数1.20 ,整体面层材料用量乘系数1.05 、计算块料面层材料用量乘系数1.10。
2. 楼地面面层不包括找平层,设计由找平层时按找平层相应项目计算。
3. 楼地面面层不包括踢脚板、楼梯侧面及底板的工料。
应另行计算。
木地板及硬木地板中的板方材是按毛料厚度25mm 确定的,设计厚度与定额不同时,板方材用量可按比例换算,其他不变。
4. 楼地面面层不包括酸洗打蜡和刷养护液,按实际发生另行计算。
5.铺贴面积在0.015 m2以内执行点缀定额。
6. 定额中零星项目适用于楼梯侧面、台阶的牵边、小便池、蹲台、池槽以及面积在1 m2以内的工程项目。
第二章墙柱面工程工程量计算规则及说明一、工程量计算规则1. 外墙面装饰抹灰工程量按外墙图示结构尺寸的抹灰面积以m 2 计算。
应扣除门窗洞口(门窗框外围面积)、外墙裙和大于0.30 m 2 孔洞所占面积,洞口侧壁面积不另增加,附墙垛、梁、柱侧面抹灰面积并入外墙面抹灰工程量内计算。
2. 内墙面装饰抹灰工程量按内墙图示结构尺寸的抹灰面积以m 2计算。
第九节装饰工程(一)楼、地面工程一、楼地面找平层和整体面层均按主墙间净面积以平方米计算。
计算时应扣除凸出地面的构筑物、设备基础、室内铁道、室内地沟等所占面积,不扣除柱、垛、间壁墙、附墙烟囱及面积在0.3m2以内的孔洞所占面积,但门洞、空圈、暖气包槽、壁龛的开口部分亦不增加。
二、楼、地面块料面层,按设计图示尺寸实铺面积以平方米计算。
门洞、空圈、暖气包槽和壁龛的开口部分的工程量并入相应的面层内计算。
三、楼梯面层(包括踏步及最后一级踏步宽、休息平台、小于500mm宽的楼梯井),按水平投影面积计算。
四、台阶面层(包括踏步及最上一层一个踏步宽)按水平投影面积计算。
五、踢脚板(线)根据设计做法,以定额单位的平方米或米计算工程量。
六、防滑条、地面分格嵌条按设计尺寸以延长米计算。
七、地面点缀按点缀的面积计算,套用相应定额。
计算地面铺贴面积时,不扣除点缀所占面积,主体块料加工用工亦不增加。
(二)墙、柱面工程一、内墙抹灰工程量按以下规则计算:(一)内墙抹灰以平方米计算。
计算时应扣除门窗洞口和空圈所占的面积,不扣除踢角板、挂镜线、单个面积在0.3m2已内的孔洞和墙与构件交接处的面积,洞侧壁和顶面亦不增加。
墙垛和附墙烟囱侧壁面积与内墙抹灰工程量合并计算。
(二)内墙抹灰的长度,以主墙间的图示净长尺寸计算。
其高度确定如下:1、无墙裙的,其高度按室内地面或楼地面至顶棚地面之间距离计算。
2、有墙裙的,其高度按墙裙顶至顶棚地面之间的距离计算。
3、有顶棚的,其高度至顶棚底面另加100mm计算。
(三)内墙裙抹灰面积按内墙净长乘以高度计算(扣除或不扣除内容同内墙抹灰)。
(四)柱抹灰按结构断面周长乘以设计柱抹灰高度,以平方米计算。
二、外墙一般抹灰工程量按以下规则计算:(一)外墙抹灰面积,按设计外墙抹灰的垂直投影面积以平方米计算。
计算时应扣除门窗洞口、外墙裙和单个面积大于0.3m2孔洞所占面积,洞口侧壁面积不另增加,附墙垛、梁、柱侧面抹灰面积并入外墙工程量内计算。
B。
1 楼地面一、楼地面整体和块料面层按设计图示尺寸以面积计算。
扣除凸出地面构筑物、设备基础、室内铁道、地沟等所占面积,不扣除间壁墙和0。
3㎡以内的柱、垛、附墙烟囱及孔洞所占面积.门洞、空圈、暖气包槽、壁龛的开口部分不增加面积。
二、橡塑面层和其他材料面层按设计图示尺寸以面积计算。
门洞、空圈、暖气包槽、壁龛的开口部分并入相应的工程量内。
三、踢脚线按设计图示长度乘以高度以面积计算.四、楼梯装饰按设计图示尺寸以楼梯(包括踏步、休息平台及宽500mm以内的楼梯井)水平投影面积计算。
楼梯与楼地面相连时,算至梯口梁内侧边沿;无梯口梁者,算至最上一层踏步边沿加300mm.五、台阶装饰按设计图示尺寸以台阶(包括上层踏步边沿加300mm)水平投影面积计算。
六、零星装饰项目按设计图示尺寸以面积计算。
七、防滑条按设计图示长度计算.设计为明确时,可按楼梯踏步两端距离减300mm后的长度计算。
八、地面、散水和坡道垫层按设计图示尺寸以体积计算。
应扣除凸出地面的构筑物、设备基础、室内铁道、地沟等所占体积,不扣除间壁墙和0,3㎡以内的柱、垛、附墙烟囱及孔洞所占体积。
九、散水、防滑坡道按图示尺寸以水平投影面积计算(不包括翼墙、花池等)。
十、扶手、栏杆、栏板按设计图示尺寸以扶手中心线长度(包括弯头长度)计算。
B.2 墙、柱面工程一、墙面抹灰按设计图示尺寸以面积计算。
扣除墙裙、门窗洞口及单个0。
3㎡以上的孔洞面积,不扣除踢脚线、挂镜线和墙与构件交接处的面积,门窗洞口和孔洞的侧壁及顶面不增加面积。
附墙柱、梁、垛、烟囱侧壁并入相应的墙面面积内.具体计算方法为:1.外墙抹灰面积按外墙垂直投影面积计算。
2.外墙裙抹灰面积按其长度乘以高度计算。
3.内墙抹灰面积按主墙间的净长乘以高度计算;无墙裙的,高度按室内楼地面至天棚底面计算;有墙裙的,高度按墙裙顶至天棚底面计算。
4.内墙裙抹灰面积按内墙净长乘以高度计算.二、柱面抹灰按设计图示柱断面周长乘以高度以面积计算.三、墙、柱面镶贴块料、零星镶贴块料和零星抹灰按饰面设计图示尺寸以面积计算。
第一章楼地面装修工程说明及工程量计算规则一、说明(一)本章包括:垫层、找平层,面层,楼梯,踢脚,台阶、坡道、散水6节共215个子目。
(二)整体面层的水泥砂浆、混凝土、细石混凝土楼地面,定额中均包括一次抹光的工料费用。
(三)楼梯装饰定额中,包括了踏步、休息平台和楼梯踢脚线,但不包括楼梯底面抹灰。
水泥面楼梯包括金刚砂防滑条。
(四)耐酸瓷板地面定额中,包括找平层和结合层。
(五)台阶、坡道、散水定额中,仅包括面层的工料费用,不包括垫层,其垫层按图示作法捃行本章相应子目。
(六)台阶的平台宽度(外墙面至最高一级台阶外边线)在2.5m以时,平台执行台阶子目;超过2.5m时,平台执行楼地面相应子目。
二、工程量计算规则(一)垫层按室房间净面积乘以厚度以立方米计算。
应扣除沟道、设备基础等所占的体积;不扣除柱垛、间壁墙和附墙烟囱、风道及面积在0.3m2以孔洞所占体积,但门洞口、暖气槽和壁龛的开口部分所占的垫层体积也不增加。
(二)找平层、整体面层按房间净面积以平方米计算,不扣除墙垛、柱、间壁墙及面积在0.3m2以孔洞所占面积,但门洞口、暖气槽的面积也不增加。
地垄墙上的找平层按地垄墙长度乘以地垄墙宽度以平方米计算。
(三)块料面层、木地板、活动地板,按图示尺寸以平方米计算。
扣除柱了所占的面积,门洞口、暖气槽和壁龛的开口部分工程量并入相应面层。
(四)塑胶地面、塑胶球场按图示尺寸以平方米计算。
(五)铝合金道牙按图示尺寸以米计算。
(六)楼梯各种面层(包括踏步、平台)按楼梯间净水平投影面积以平方米计算。
楼梯井宽在500mm以者不予扣除,超过500mm者应扣除其面积。
(七)楼梯满铺地毯按楼梯间净水平投影面积计算;不满铺地毯按实铺地毯的展开面积计算。
(八)波打线按图示尺寸以平方米计算。
(九)踢脚1、水泥、现制磨石踢脚线,按房间周长以米计算。
不扣除门洞口所占长度,但门侧边、墙垛及附墙烟囱侧边的工程量也不增加。
2、块料踢脚、木踢脚按图示长长以米计算。
(十)台阶、坡道按图示水平投影面积以平方米计算。
(十一)散水按图示尺寸以平方米计算。
(十二)防滑条、地毯压棍和地毯压板按图示尺寸以米计算。
第二章天棚说明及工程量计算规则一、说明(一)本章包括:天棚龙骨、面层、面层装饰,其它项目4节共148个子目。
(二)本章定额项目中龙骨与面层分别列项,使用时应根据不同的龙骨与面层分别执行相应的定额子目。
其它项目中吊顶的定额子目中综合了龙骨与面层,不行另行计算。
(三)天棚高低错台立面需要封板龙骨的,执行立面封板龙骨相应子目。
(四)天棚面层装饰1、天棚面板定额是按单层编制的,若设计要求双层面板时,其工程量乘以2。
2、预制板的抹灰、满刮腻子,粘贴面层均包括预制板色缝,不得另行计算。
3、檐口天棚的抹灰,并入相应的天棚抹为工程量计算。
4、顶棚涂料和粘贴面层不包括满刮腻子,如需满刮腻子,执行满刮腻子相应子目。
(五)其它项目1、金属格栅式吸声板吊顶按组装形式分三角形和六角形分别列项,其中吸声体支架中距定额是按700mm编制的,若与设计不同时,可根据设计要求进行调整。
2、天棚保温吸音层定额是按50mm厚编制的,若与设计不同时可进行材料换算,人工不作调整。
3、藻井灯带定额中,不包括灯带挑出部分端头的木装饰线,设计要求木装饰线时,执行第八章装饰线条相应子目。
二、工程量计算规则(一)天棚龙骨1、天棚各种吊顶龙骨按房间净面积以平方米计算,不扣除检查口、附墙烟囱、柱、垛、嵌顶灯槽和与天棚相连的窗帘盒所占的面积。
2、拱型吊顶和穹顶吊顶龙骨按拱顶和穹顶部分的水平投影面积以平方米计算。
3、高低错台龙骨高处与低处的龙骨合并计算,低处挑出部分的龙骨按挑出部分的水平投影面积以平方米计算,并入天棚龙骨的工程量中。
立面封板龙骨按立面封板的垂直投影面积以平方米计算。
4、嵌顶灯槽附加龙骨按个计算;嵌顶灯带附加龙骨按米计算。
(二)天棚面层1、天棚面层按房间净面积以平方米计算,不扣除检查口、附墙烟囱、附墙垛和管道所占的面积,但应扣除独立柱、与天棚相连的窗帘盒、0.3m2以上洞口及嵌顶灯槽所占的面积。
2、天棚中的折线、错台、拱型、穹顶、高低灯槽等其它艺术形式的天棚面积均按图示展开面积以平方米计算。
(三)天棚面层装饰1、天棚抹灰面积按房间净面积以平方米计算,不扣除柱、垛、附墙烟囱、检查口和管道所占的面积;带梁的天棚,梁两侧抹灰面积并入天棚抹灰工程量。
2、密助梁和井字梁天棚抹灰按图示展开面积以平方米计算。
3、天棚中的折线、灯槽线、圆弧型线、拱型线等艺术形式的抹灰按图示展开面积以平方米计算。
4、天棚涂料、油漆、裱糊按饰面基层相应的工程量以平方米计算。
(四)其它项目1、金属格栅吊顶、硬木格栅吊顶等均根据天棚图示尺寸按水平投影面积以平方米计算。
2、玻璃采光天棚根据玻璃天棚面层的图示尺寸按展开面积以平方米计算。
3、天棚吸音保温层按吸音保温天棚的图示尺寸以平方米计算。
4、藻井灯带按灯带外边线的设计尺寸以米计算。
第三章墙面说明及工程量计算规则一、说明(一)本章包括:外墙装修、墙装修、零星项目3节共患难29个子目。
(二)外墙装修中的装饰线只编制了一般抹灰和装饰抹灰的项目,设计要求其它做法装饰线,执行第八章装饰线条的相应定额子目。
(三)外墙涂料按底层抹灰和涂料面层分别列项编制,执行相应定额子目。
(四)干挂块料按干挂龙骨和块料面层分别列项编制,执行相应定额子目。
(五)外墙石材装修和幕墙定额子目中均不包括保温材料,设计要求时,执行第四章隔墙、隔断和保温的相应定额子目。
(六)外墙裙和女儿墙、外侧装修均执行外墙装修相应定额子目。
(七)隐框玻璃幕墙按成品安装编制;明框玻璃幕墙按成品玻璃现场安装编制。
(八)墙装修中的涂料、裱糊和块料是按底层抹灰和面层装修分别列项编制的,执行相应定额子目。
(九)墙裱糊面层顶替中的分格带衬裱糊子目,适用于方格和条格裱糊,包括装饰分格条和胶和板底衬。
(十)整体裱糊锦缎定额子目中包括防潮底漆。
(十一)护墙定额中,龙骨、衬板、面层分别列项编制,执行相应定额子目。
(十二)雨罩、挑檐顶面做法,执行《建筑工程》第十二章屋面工程的相应项目;底面装修执行第二章天棚相应项目,阳台底面装修执行天棚相应项目。
(十三)阳台栏板、斜挑檐执行外墙装修相应定额子目。
(十四)雨罩,挑檐立板高度在500mm以时,檐口执行零星项目的相应定额子目;高度超过500mm时,执行外墙装修的相应定额子目。
(十五)天沟的檐口遮阳板、池槽、花池、花台、等均执行零星项目的相应定额子目。
二、工程量计算规则(一)外墙装修1、外墙抹灰面积按外墙面的垂直投影面积以平方米计算。
应扣除门窗框外围、装饰线和大于0.3m2孔洞所占面积,洞口侧壁面积不另增加。
附墙垛、梁、柱侧面抹灰面积并入外墙面抹灰工程量计算。
2、装饰线和门窗套按展开面积以平方米计算。
3、涂料、面层、块料面层、干挂龙骨、玻璃幕墙均按图示尺寸以平方米计算。
4、特殊图案按实际设计部位的图示尺寸以平方米计算。
5、窗眉、腰线、窗台、门窗套、门窗口侧壁、压顶及零星项目的涂料及块料工程量均按图示展面积以平方米计算。
(二)墙装修1、墙抹底灰:(1)墙抹灰按墙间图示净长线乘以高度以平方米计算。
扣除门窗框外围和大于0.3m2的孔洞所占的面积,但门窗洞口、孔洞的侧壁和顶面面积不增加;不扣除踢脚线、装饰线、挂镜线及0.3m2以的孔洞和墙与构件交接处的面积;附墙柱的侧面抹灰并入墙抹灰工程量计算。
墙高度按室楼(地)面算至天棚底面;有吊顶的,其高度按室楼(地)面算至吊顶底面,另加200mm计算。
(2)窗台抹灰按窗台水平投影面积以平方米计算。
(2)窗台抹灰按窗台水平投影面积以平方米计算。
2、墙饰面(1)涂料、裱糊工程量均按图示尺寸以平方米计算。
(2)墙面镶贴面砖、石材及各种装饰板面层,均按图示尺寸以平方米计算。
(3)墙面的木装修及各种带龙骨的装饰板、软包装修均分龙骨、衬板、面层按图示尺寸以平方米计算(三)零星装修零星装修按展开面积以平方米计算。
第四章隔墙、隔断和保温说明及工程量计算规则一、说明(一)本章包括:龙骨式隔墙、板式隔墙、隔断及墙体保温4节共67个子目。
(二)墙体保温定额项目适用于隔墙、外墙保温、外墙外保温及各种有保温要求的项目。
(三)隔断墙基(砖地垄带或混凝土地垄带)已包括在本章定额子目。
(四)隔墙板子目中不包括保温层,如设计要求,执行第四节墙体保温相应定额子目。
(五)隔断的门扇面积并入隔断面积计算,执行隔断相应定额子目。
(六)隔墙板是按单面编制的,双面板工程量乘2计算。
(七)钢板网不包括抹灰,另执行第三章墙面抹灰相应定额子目。
二、工程量计算规则(一)隔墙的龙骨、隔墙板、板式隔墙及墙体保温均按墙体图示的净长乘以净高以平方米计算,扣除门窗框外围面积及0.3m2以上的孔洞面积。
(二)隔断按图示框外围尺寸以平方米计算。
(三)半玻璃隔断的工程量按四周边框的外边线图示尺寸以平方米计算。
(四)博古架墙按图示外围垂直投影面积以平方米计算。
第五章独立柱说明及工程量计算规则一、说明(一)本章包括:抹灰、块料、裱糊、装饰板、柱基座和柱帽、成品装饰柱6节共122个子目。
(二)独立柱装修中,单独列出柱基和柱帽的项目,应按柱身、柱帽、柱基分别列项,执行相应定额子目。
(三)第四节装饰板项目是按龙骨、衬板、饰面板分别列顶,执行相应定额子目。
(四)饰面板子目适用于安装在龙骨上及粘贴在衬板、抹灰面上。
(五)独立柱面层涂料执行第三章墙面相应项目。
二、工程量计算规则(一)独立柱抹灰不分柱身、柱帽、柱基座,均按结构周长乘以相应高度以平方米计算。
(二)砖柱勾缝按图示展开面积以平方米计算。
(三)独立柱的龙骨、衬板、块料及饰面板分别按饰面外围尺寸乘以高度以平方米计算。
(四)柱基座按座计算,柱帽按个计算。
(五)成品装饰柱按根计算。
第六章门窗说明及工程量计算规则一、说明(一)本章包括:木门窗,铝合金门窗,塑钢门窗,彩板组角门窗,不锈钢门,厂库房大门、特种门,特殊五金和其它项目8节共149个子目。
(二)本章中门窗定额子目均按工厂制作,现场安装编制,执行中不得调整。
(三)定额中的木门窗及厂库房大门不包括安装玻璃,设计要求安装玻璃,执行门窗玻璃的相应定额子目。
(四)铝合金门窗、塑钢门窗及彩板门窗定额子目中包括纱门、纱扇。
(五)门窗组合、门门组合和窗窗组合所需的拼条、拼角,可执行拼管的定额子目。
(六)门窗设计要求采用附框,另执行附框的相应定额子目。
(七)阳台门联窗,门和窗分别计算,执行相应的门、窗定额子目。
(八)电子感应横移门、旋转门、电子感应圆弧门不包括电子感应装置,另执行相应定额子目。
(九)防火门的定额子目不包括门锁、闭门器、合页、顺序器等特殊五金,另执行特殊五金相应定额子目;不包括防火玻璃,另执行防火玻璃相应定额子目。
(十)铝合金门窗、塑钢门窗、彩板门窗的五金及安装均包括在门窗的价格中。