技术参数响应表(2包)【模板】
- 格式:doc
- 大小:60.50 KB
- 文档页数:11
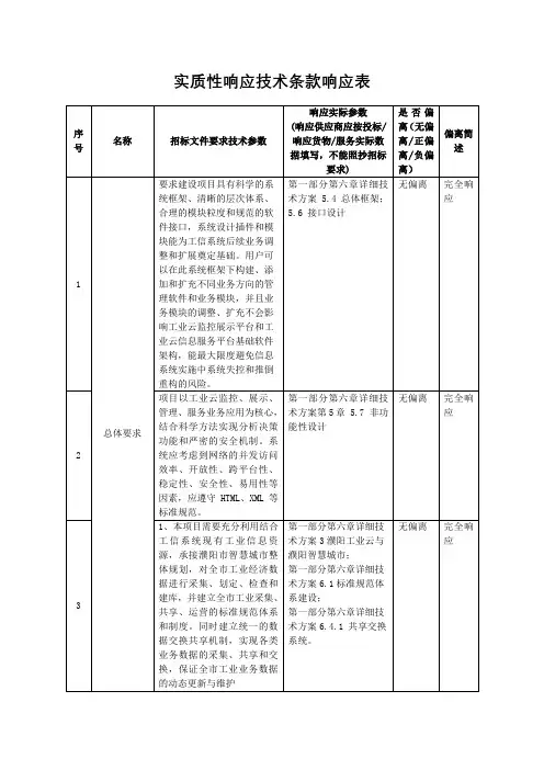
三、实质性响应技术条款响应表注:1、供应商必须对应采购文件“采购项目技术规格、参数及要求”的内容逐条响应。
如有缺漏,缺漏项视同不符合招标要求。
2、供应商响应采购需求应具体、明确,含糊不清、不确切或伪造、变造证明材料的,按照不完全响应或者完全不响应处理。
构成提供虚假材料的,移送相关部门查处。
3、本表内容不得擅自删减。
4、照抄招标文件采购项目技术规格、参数及要求,视为实质性不响应。
供应商法定代表人(或法定代表人授权代表)签字:供应商名称(签章):**县华丰农机专业合作社日期:2019年 9月 02日四、详细业绩自2017年9月11日在**县工商行政管理局注册成立,法定代表人段志坤,现有资产120万元,合作社成员80人,拥有各类大型机械15台套。
实行“一条龙”服务,协助周边村庄开展夏季小麦机收、秋季玉米机收、秸杆还田、土地旋耕、土地深松等“一条龙”作业,2017年度组织社员在我县深松作业,单机土地深松900余亩,合格率达到98%以上.2018年度组织社员在我县深翻作业,单机土地深翻1200余亩。
五五五五五五五五5.1公司基本情况表5.2公司简介**县华丰农机专业合作社,位于**县福堪镇南汉村后街,依法于2017年9月11日在**县工商行政管理局注册成立,法定代表人段志坤,现有资产120万元,合作社成员80人,拥有各类大型机械5台套,其中:东方红1504拖拉机3台套、沃得1504拖拉机1台;东方红100拖拉机1台套;高性能联合收割机2台套;中小型拖拉机10台套。
华丰农机专业合作因地制宜,整合农机资源,利用合作社组织化、规模化的优势,为农机化新技术、新机具的推广应用提供平台,推动了农机化新技术、新机具的推广应用。
仅一年时间,合作社成员由成立时的5人发展到现在的45人,资产由成立时的50万元增加到现在的120 万元,服务范围、投资规模逐步提升,社员人数逐步增加,呈现出欣欣向荣蓬勃发展态势。
我们的主要做法是:一、建章立制规范运作为进一步加快合作社发展的步伐,促进合作社规范化建设,昌胜农机专业合作社成立以后,依据《农民专业合作社法》各项政策要求,及时制定各项管理制度,为农机专业合作社的规范化,制度化建设打下了坚实基础。
3、实质性响应技术条款响应表4、售后服务承诺(1)企业服务承诺一览表(3)售后服务体系1.适用范围本程序适用于以下活动:a.顾客要求的识别,包括产品信息的收集,顾客意见的征集,以及这些要求和信息的处理;b.订单合同要求的评审,既要满足顾客的明确要求,也要满足潜在的要求,还必须认定本公司有能力满足这些要求;C.与顾客的相互沟通,合同或订单处理与更改,顾客意见的反馈及投诉处理。
2.职责分配2.1 销售部门负责收集顾客及市场的要求,并根据收集的信息定期对产品市场的发展趋势进行分析和预测。
2.2 总经理负责为满足客户要求,而需要开发新产品的批准。
2.3 研发中心负责对新产品要求的实现和保能力进行评审。
2.4 生产科负责对订单合同的按期交货能力进行评审。
2.5 供应科负责产品所需外购配件和包装物的评审。
2.6 品管科负责对客户反馈质量问题的分析,纠正和改进。
2.7全质办负责督办客户反馈质量问题的回复及处理。
3.程序描述本程序分成两个部分:3.1 产品要求的控制:指识别与评审顾客对产品要求的活动过程(流程图1、流程图2)。
3.2 信息的控制:指收集、整理、传递和处理顾客及市场信息的活动过程(流程图3)。
4.程序目标a.正确识别和了解顾客对产品的要求,并确保这些要求在产品实现和使用过程中得到满足,同时也能保证公司的各种利益;b.全方位了解顾客和市场信息,为提高顾客的满意度和公司的市场开发提供决策依据。
5.工作程序5.1 产品要求控制:5.1.1 销售部门在获得顾客合作意向后应通过售前服务方式获取顾客的全部要求,至少应包括:a.顾客对产品的质量和各种性能要求,必要时获取图纸、样品或依据的标准;b.顾客对产品的投放市场或使用方法;C.顾客对产品的其他要求;5.1.2 销售部门将所有要求进行综合,属我司初次生产的需报价顾客接受后,按新产品样品订单申请生产,即特殊合同;属我司已生产过的产品按常规合同/订单,转入销售管理微机程序中,形成待评审的订单,此过程称为制单。
技术参数响应表1、餐饮单位数据建档:(1)企业数据导入系统需支持餐饮企业数据按照指定的形式统一导入,实现采用单位快速数据建档。
同时应支持导入数据时的多种的数据维护策略,如新增企业默认账号的创建、重复企业的提醒、注品牌:众食安企业端1、餐饮单位数据建档:(3)企业数据导入本系统支持餐饮企业数据按照指定的形式进行统一的批量数据导入,实现采用单位快速数据建档。
同时支持导入数据时的多种的数据维护策略,如新增企业默认账号的销企业数据的处理等等。
(2)企业资料管理企业相关人员或监管员都可以通过 APP 对企业的资料进行完善。
包括上传企业的营业执照照片、食品经营许可证照片,门面照片、厨房厨具照片以及就餐大厅、包厢雅间等各种宣传性的环境照片。
同时,企业可以进一步设置营业时间、订餐电话、营业标签等等参数,上报企业的安全员信息和自制食品配料等信息。
形成一个基本资料齐全的企业数据档案。
3、电子台账:系统需要支持八大电子台账的增加、删除和查询功能。
企业能通过APP 或者电脑快速完成台账的登记。
新增台账登记时,需要根据原来纸质台账的表格,填写各种数据,并能够拍摄相关的台账图片上传。
台账数据提交后,监管人员能够在监管端同步查看台账数据,包括文字、数据和图片。
拍摄现场图片是为了进一步保障台账的真实性。
为了防止企业在不同的台账中使用相同的图片,系统需要具备相同图片的判别机制。
系统需要具备各种台账制作的制度和方法创建、重复企业的提醒、注销企业数据的处理等等。
(4)企业资料管理企业相关人员或监管员都可以通过 APP 对企业的资料进行完善。
包括上传企业的营业执照照片、食品经营许可证照片,门面照片、厨房厨具照片以及就餐大厅、包厢雅间等各种宣传性的环境照片。
企业可以自由设置营业时间、订餐电话、营业标签等等参数,上报企业的安全员信息和自制食品配料等信息。
可形成一个基本资料齐全的企业数据档案。
2、电子台账:本系统支持人员晨检,餐具消毒,食材采购,食堂留样,废弃物等八大电子台账的增加、删除和查询功能。
三、实质性技术条款响应表注:1、供应商必须对应采购文件“采购项目技术规格、参数及要求”的内容逐条响应。
如有缺漏,缺漏项视同不符合招标要求。
2、供应商响应采购需求应具体、明确,含糊不清、不确切或伪造、变造证明材料的,按照不完全响应或者完全不响应处理。
构成提供虚假材料的,移送相关部门查处。
3、本表内容不得擅自删减。
4、照抄招标文件采购项目技术规格、参数及要求,视为实质性不响应。
供应商法定代表人(或法定代表人授权代表)签字:供应商名称(签章):濮阳市鑫华软件有限公司日期:2020年 7 月 15 日4.2售后服务计划濮阳市鑫华软件有限公司是一家经营计算机软硬件及相关系统集成产品的综合性高科技公司。
主营品牌计算机及外设办公设备OA的批发和销售、网络工程、软件开发及培训、系统集成和技术服务等一体化业务。
公司有一批年轻而富有朝气的技术人员,他们学习、掌握着最新的计算机技术,他们勤劳、踏实,尽职尽责,公司有能力为本次投标提供切实、可靠的售后服务。
公司人员其中多名计算机专业大学毕业,70%以上具有为大专学历。
IT从业经验高于10年的有4名,名副其实的服务专业,维修老道。
完全有资格也有能力向本次产品采购方提供专业的到位的健全售后服务。
濮阳市鑫华软件有限公司专门提供如下服务标准和服务程序:1、我们提供的设备是全新的,设备开箱合格效达到100%。
合格标准为连续测试48小时无故障。
如我公司中标承诺10日内供货安装到位。
2、我们负责免费送货至用户指定地点、负责安装及人员培训。
3、产品的保修,我公司承诺所有产品严格按照厂商质保执行。
超过保修期后我们提供政策保修期满后后续服务,来满足用户后期的故障维修升级要求。
4、在保修期限内,同一商品、同一质量问题连续两次维修仍无法正常使用,我们给予更换同品牌、同型号新机器。
5、售后服务和技术支持方式为保证整个设备安全、可靠的运行,对本项目我们将实行特殊的售后服务和技术支持方式,具体如下:①、指定专业部门人员为本项目提供上门售后服务;②、保修期内,定期巡检,每年不低于12次,并制作巡检卡;③、保修期后,提供保修期满后的备品备件满足用户硬件故障维修升级;④、以不高于本次成交价格,长期、优先提供零配件。
实质性响应技术条款响应表
注:
1、供应商必须对应采购文件“采购项目技术规格、参数及要求”的内容逐条响应。
如有缺漏,缺漏项视同不符合招标要求。
2、供应商响应采购需求应具体、明确,含糊不清、不确切或伪造、变造证明材料的,按照不完全响应或者完全不响应处理。
构成提供虚假材料的,移送相关部门查处。
3、本表内容不得擅自删减。
4、照抄招标文件采购项目技术规格、参数及要求,视为实质性不响应。
供应商法定代表人(或法定代表人授权代表)签字:
供应商名称(签章):泰华智慧产业集团股份有限公司
日期:2017年6月6日。
2.5技术需求条款响应表投标人名称 ______________ 招标编号 ________ 包号投标人代表签字:单位盖章:2.6投标响应与招标文件差异一览表投标人代表签字:单位盖章:2.10项目管理及实施方案;1、投标人名称: 招标编号: 包号:定义项目范围:1)就《深圳市屠宰溯源高清视频会议及视频监控系统服务》内容制定相关的项目管理细则, 其中包括(但不限于以下描述):2)设备电源供应: 甲方需在设备施工点的3米范围内提供稳定的电源(220V市电);与甲方共同协商项目实施进度规划表, 内容细分余下, 可根据项目的时间, 采用按序执行, 或者交叉方式执行。
上述时间点需与甲方共同实现, 以保证达到最终时限要求。
2、项目验收标准由于项目采用采购服务形式, 需逐点验收, 并提供相应的验收单据, 可参考如下: 验收单号(自编年+月+个数):项目日常维护:指定维护及报障流程, 确保服务的有效保障。
投标人代表签字:单位盖章:2.11服务计划及承诺投标人名称: 招标编号: 包号:致: 深圳我公司很荣幸参加____我方已认真研究并完全明白评选文件的所有条款, 对项目郑重做出以下服务承诺, 并保证在装维实施期间严格执行。
1 服务范围系统的运维服务包括对构成系统的所有建设设施, 硬件、网络、供电设备、防雷设施、第三方软件、使用软件等的维护, 维修, 更换故障设备和产品升级。
2 服务内容运维服务内容包括日常运作、服务咨询、巡检保养、主动监测、故障修复、特殊保障和升级优化。
2.1日常运作在日常运作中按照系统的功能和性能要求维护系统的日常运作。
系统的每半年正常故障时间将控制在30小时以内(不可抗拒因素造成的故障除外)。
2.2服务咨询设立专门的服务咨询中心, 提供服务热线电话, 接受系统故障报修, 使用帮助要求, 业务和技术咨询, 服务投诉等, 全天7*24小时电话服务。
2.3巡检保养2.3.1定期巡检服务2.3.1.1每月1次对摄像机表面进行清洁、除垢, 对遮挡“视线”的物品进行处理。
三、实质性技术参数响应表注:1、供应商必须对应采购文件“采购项目技术规格、参数及要求”的内容逐条响应。
如有缺漏,缺漏项视同不符合招标要求。
2、供应商响应采购需求应具体、明确,含糊不清、不确切或伪造、变造证明材料的,按照不完全响应或者完全不响应处理。
构成提供虚假材料的,移送相关部门查处。
3、本表内容不得擅自删减。
4、照抄招标文件采购项目技术规格、参数及要求,视为实质性不响应。
供应商法定代表人(或法定代表人授权代表)签字:供应商名称(签章):河南神州云联信息技术有限公司日期:2019 年7 月16 日四、项目实施方案和计划河南神州云联信息技术有限公司一直致力于系统集成项目的设计与实施,形成了系统集成项目的设计、安装、调试及售后服务的工程化管理体制,建立起了一套完善的质量控制体系。
公司推行工程标准化管理,按照大型工程项目实施要求,设立相对项目组织机构,负责贵单位项目的实施工作,这些小组针对网络项目工程开展工作。
1、项目施工组织结构本项目由本公司组织管理,下设:项目组负责施工;公司市场部、工程技术部、设计部提供技术支持,售后服务部提供售后服务。
人员结构如下:(1)项目总监职责<1>项目负责是工程质量的第一责任者,对工程质量、目标的制定和实施全面负责。
<2>遵守国家和上级有关法律、法规和政策,严格履行建设工程施工合同和承诺。
<3>贯彻我公司ISO9001质量保证体系,执行企业各项管理制度,建立健全项目部的质量管理体系。
<4>制定项目质量目标考核办法并主持考核工作,考核结果定期上报我公司总部相关部门。
(2)项目经理职责<1>接受项目总监领导,具体负责指挥、调度、协调工程施工组织活动,抓效率的同时应抓好质量工作。
<2>严格按照施方案、规程、规范组织施工,处理好进度与质量的关系,认真落实我公司质量方针,确保实现质量目标。
<3>认真执行施工组织总设计以及技术方案指导书等技术质量文件,监督和指导各专业负责人做好质量管理工作。