投标技术参数响应表【模板】
- 格式:docx
- 大小:26.86 KB
- 文档页数:17
投标供应商电子签章:
备注:
1、投标供应商必须逐项对应描述投标货物主要参数、材质、配置及服务要求,
如不进行描述,仅在响应栏填“响应”或未填写或复制(包括全部复制或主要参数及配置的复制)招标文件技术参数的,包括有选择性的技术响应(例如在某一分项中出现两个及以上的投标品牌或两种及两种以上的技术规格),均可能导致投标无效;
2、投标供应商所投产品如与招标文件要求的规格及配置不一致,则须在上表偏离说明中详细注明。
3、响应部分可后附详细说明及技术资料。
八.投标技术参数响应表
投标供应商电子签章:
备注:
1、投标供应商必须逐项对应描述投标货物主要参数、材质、配置及服务要求,如不进行描述,仅在响应栏填“响应”或未填写或复制(包括全部复制或主要参数及配置的复制)招标文件技术参数的,包括有选择性的技术响应(例如在某一分项中出现两个及以上的投标品牌或两种及两种以上的技术规格),均可能导致投标无效;
2、投标供应商所投产品如与招标文件要求的规格及配置不一致,则须在上表偏离说明中详细注明。
3、响应部分可后附详细说明及技术资料。
八.投标技术参数响应表
投标供应商电子签章:淮北万邦科贸有限公司
备注:
1、投标供应商必须逐项对应描述投标货物主要参数、材质、配置及服务要求,如不进行描述,仅在响应栏填“响应”或未填写或复制(包括全部复制或主要参数及配置的复制)招标文件技术参数的,包括有选择性的技术响应(例如在某一分项中出现两个及以上的投标品牌或两种及两种以上的技术规格),均可能导致投标无效;
2、投标供应商所投产品如与招标文件要求的规格及配置不一致,则须在上表偏离说明中详细注明。
3、响应部分可后附详细说明及技术资料。
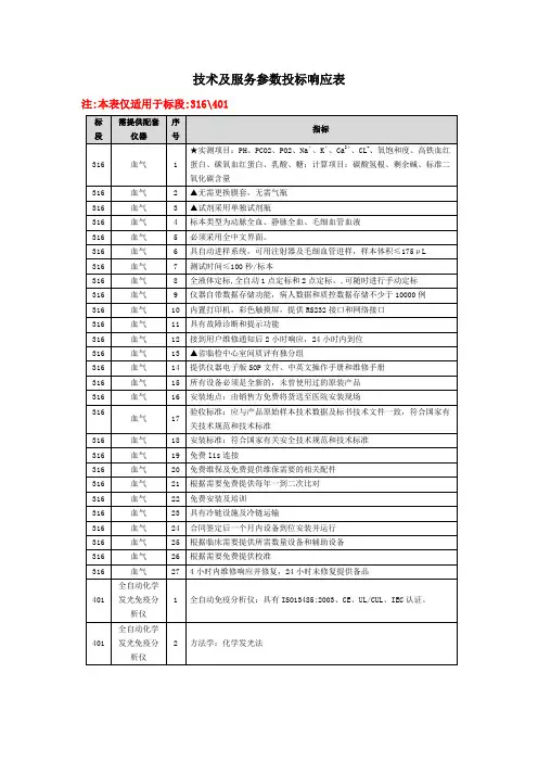
投标技术参数响应表按招标文件规定填写按投标供应商所投内容填写第一部分:技术部分响应序品名技术规格及配置品牌、型号、技术规格及配置、材质偏离说号明1、小腿假肢组件及辅料产地:中国材质:钛合金方锥产地:中国材质:钛合金;包材料,包装:每件独立包装,部件之装:每件独立包装,部件之间有间有分隔,防止碰撞,可防潮防腐;1 阳四正偏离分隔,防止碰撞,可防潮防腐;表面进行抛光处理,外表光洁,无麻爪重量: 60g;点, 重量为 55g,最大承重 125 公斤。
系统高度 8mm。
产地:中国材质:钛合金;包产地:中国材质:管连接器为钛合金材料精密加工而成,两者装:每件独立包装,部件之间有连接牢固,不松动 , 包装:每件独立包分隔,防止碰撞,可防潮防腐;装,部件之间有分隔,防止碰撞,可重量: 80g;适用体重:不大于防潮防腐;重量为 75g, 最大承重 125锁紧100kg;备品备件: 4 个 M8×12 2 管接调节螺钉,1 个 M4× 22 内六角圆公斤。
系统高度 33mm。
适用体重:正偏离不大于 100Kg;,备品备件: 4 个 M8头柱头螺钉 4×15 塑料圈;通过×12 调节螺钉,1 个 M4×22 内六角圆国家假肢质量检验中心300 万次柱头螺钉 4×15 塑料圈;通过国家假动态结构强度检验;符合国家肢质量检验中心 300 万次动态结构强《下肢假肢通用件》度检验;符合国家《下肢假肢通用件》( GB14723-2008)标准要求;(GB14723-2008)标准要求;产地:中国材质:一体化连接产地:中国材质:一体化管,铝合金材料,管连接头为钛连接管,铝合金材料,管连接头为钛合金材料;两者连接牢靠,不松合金材料;两者连接牢靠,不松动包动;包装:每件独立包装,部装:每件独立包装,部件之间有分隔,件之间有分隔,防止碰撞,可防防止碰撞,可防潮防腐,管壁厚度为潮防腐;自重: 165g;适用体2mm;长度 232mm,管接头为钛合金材接头重:不大于 100Kg;规格:铝合料, 重量为 160g(针对超长残肢的实可调金材料长度不低于 200mm,管壁际情况可选用钛合金材料的高度可调3 一体厚度不低于 2mm,管直径Φ30mm;正偏离双向管接头或短管接头代替),最大管说明:管接头表面采用数控机床适用体重 125Kg;。
七.投标技术参数响应表立体声2欧姆(额定220VAG持续一分钟):1100w 桥接单声道8欧姆(单通道,驱动两通道):4200w 立体声4欧姆(额定220VAC持续一分钟):1200w 立体声2欧姆(额定220VAC,持续一分钟):1100w立体声8欧姆(额定220VAC持续一分钟):声道:2灵敏度(4 Q负载时额定输出功率):1.4V 1000w立体声4欧姆(额定220VAC持续一分钟):立体声8欧姆(额定220VAC持续一分钟):1200w1000w信噪比:103DB 声道:2谐波失真:0.5 % /1 % 灵敏度(4 Q负载时额定输出功率):1.4V互调失真:=/<0.35 % 信噪比:103DB频率响应:20Hz-20KHz , +0/-1dB 谐波失真:0.5 %/1 %串扰:>70dB 20Hz-1KHz 互调失真:=/<0.35 %阻尼系数(100Hz至400Hz, 8Q负载):>500频率响应:20Hz-20KHz , +0/-1dB串扰:>70dB 20Hz-1KHz阻尼系数(100Hz至400Hz , 8 Q负载):>500 立体声反馈抑制器2X 12组快速跟踪陷波滤波器品牌:DBX型号:PA2金属材质★双28段图示均衡器立立体声反馈抑制器2 X 12组快速跟踪陷波滤波器120A分谐波合成器★双28段图示均衡器★ 2X 3, 2X 4, 2X 5, 2 X 6分频组合选择120A分谐波合成器数字音频处理器立体声多段参数均衡器★ 2X 3 , 2 X 4 , 2X 5 , 2 X 6分频组合选择3 立体声输出限幅器立体声多段参数均衡器无偏离音箱微调延时立体声输出限幅器褠红噪声发生器音箱微调延时Auto-EQ自动房间均衡补偿褠红噪声发生器设置JBL音箱和Crown功放的Setup Wizard (设置导航Auto-EQ自动房间均衡补偿小精灵)功能设置JBL音箱和Crown功放的Setup Wizard (设置导航小25个工厂预置/25个用户设置程式记忆库精灵)功能无偏离投标供应商电子签章:备注:1、投标供应商必须逐项对应描述投标货物主要参数、材质、配置及服务要求,如不进行描述,仅在响应栏填“响应”或未填写或复制(包括全部复制或主要参数及配置的复制)招标文件技术参数的,包括有选择性的技术响应(例如在某一分项中出现两个及以上的投标品牌或两种及两种以上的技术规格),均可能导致投标无效;2、投标供应商所投产品如与招标文件要求的规格及配置不一致,则须在上表偏离说明中详细注明。
技术参数响应表1、餐饮单位数据建档:(1)企业数据导入系统需支持餐饮企业数据按照指定的形式统一导入,实现采用单位快速数据建档。
同时应支持导入数据时的多种的数据维护策略,如新增企业默认账号的创建、重复企业的提醒、注品牌:众食安企业端1、餐饮单位数据建档:(3)企业数据导入本系统支持餐饮企业数据按照指定的形式进行统一的批量数据导入,实现采用单位快速数据建档。
同时支持导入数据时的多种的数据维护策略,如新增企业默认账号的销企业数据的处理等等。
(2)企业资料管理企业相关人员或监管员都可以通过 APP 对企业的资料进行完善。
包括上传企业的营业执照照片、食品经营许可证照片,门面照片、厨房厨具照片以及就餐大厅、包厢雅间等各种宣传性的环境照片。
同时,企业可以进一步设置营业时间、订餐电话、营业标签等等参数,上报企业的安全员信息和自制食品配料等信息。
形成一个基本资料齐全的企业数据档案。
3、电子台账:系统需要支持八大电子台账的增加、删除和查询功能。
企业能通过APP 或者电脑快速完成台账的登记。
新增台账登记时,需要根据原来纸质台账的表格,填写各种数据,并能够拍摄相关的台账图片上传。
台账数据提交后,监管人员能够在监管端同步查看台账数据,包括文字、数据和图片。
拍摄现场图片是为了进一步保障台账的真实性。
为了防止企业在不同的台账中使用相同的图片,系统需要具备相同图片的判别机制。
系统需要具备各种台账制作的制度和方法创建、重复企业的提醒、注销企业数据的处理等等。
(4)企业资料管理企业相关人员或监管员都可以通过 APP 对企业的资料进行完善。
包括上传企业的营业执照照片、食品经营许可证照片,门面照片、厨房厨具照片以及就餐大厅、包厢雅间等各种宣传性的环境照片。
企业可以自由设置营业时间、订餐电话、营业标签等等参数,上报企业的安全员信息和自制食品配料等信息。
可形成一个基本资料齐全的企业数据档案。
2、电子台账:本系统支持人员晨检,餐具消毒,食材采购,食堂留样,废弃物等八大电子台账的增加、删除和查询功能。
八.投标技术参数响应表
投标供应商电子签章:安徽互联电子工程有限责任公司
备注:
1、投标供应商必须逐项对应描述投标货物主要参数、材质、配置及服务要求,如不进行描述,仅在响应栏填“响应”或未填写或复制(包括全部复制或主要参数及配置的复制)招标文件技术参数的,包括有选择性的技术响应(例如在某一分项中出现两个及以上的投标品牌或两种及两种以上的技术规格),均可能导致投标无效;
2、投标供应商所投产品如与招标文件要求的规格及配置不一致,则须在上表偏离说明中详细注明。
3、响应部分可后附详细说明及技术资料。
八.投标技术参数响应表
投标供应商电子签章:
备注:
1、投标供应商必须逐项对应描述投标货物主要参数、材质、配置及服务要求,如不进行描述,仅在响应栏填“响应”或未填写或复制(包括全部复制或主要参数及配置的复制)招标文件技术参数的,包括有选择性的技术响应(例如在某一分项中出现两个及以上的投标品牌或两种及两种以上的技术规格),均可能导致投标无效;
2、投标供应商所投产品如与招标文件要求的规格及配置不一致,则须在上表偏离说明中详细注明。
3、响应部分可后附详细说明及技术资料。