技术规格响应表
- 格式:docx
- 大小:36.80 KB
- 文档页数:2
此文档下载后即可编辑
技术规格响应表
分包名称及包号:新生儿有创高频呼吸机和新生儿普儿成人呼吸机、第五包
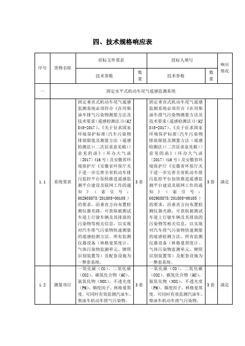
1.投标人应按照“招标内容与技术要求”中确定的技术参数与配置要求,将投标产品的技术参数和性能指标逐一列出,以证明投标产品对招标文件要求的技术参数和性能指标做出实质性响应。
如果仅注明“符合”、“满足”或简单复制采购文件要求的参数,为无效投标。
2.佐证文件名称:系指能为投标产品提供技术参数佐证或进一步提供证据的文件、资料名称。
如产品质检报告、说明书、技术手册、彩页样本。
八.投标技术参数响应表
≥85
关,电器设备均为DC24V,设有电流/电压过载保护装置;
驾驶室适当位置上安装功率200W报警器、警灯控制器;乘员室、操纵仪表板、器材箱等处须安装LED照明灯;设备均为DC24V,设有电流/电压过载保护装置;
驾驶室适当位置上安装功率200W报警器、警灯控制器;乘员室、操纵仪表板、器材箱等处安装LED照明灯;
投标供应商电子签章:上海格拉曼国际消防装备有限公司
备注:
1、投标供应商必须逐项对应描述投标货物主要参数、材质、配置及服务要求,如不进行描述,仅在响应栏填“响应”或未填写或复制(包括全部复制或主要参数及配置的复制)招标文件技术参数的,包括有选择性的技术响应(例如在某一分项中出现两个及以上的投标品牌或两种及两种以上的技术规格),均可能导致投标无效;
2、投标供应商所投产品如与招标文件要求的规格及配置不一致,则须在上表偏离说明中详细注明。
3、响应部分可后附详细说明及技术资料。
5.技术规格响应表招标编号:CGZX-G2011096 项目名称:大兴新媒体产业基地管理委员会购臵动漫软件序号货物名称招标文件条款号招标规格投标规格说明1 手机动漫内容聚合及发布系统㈡技术规格/二、招标系统功能需求手机动漫内容聚合发布系统,是对上传到平台的手机动漫内容进行管理。
在平台上进行内容资源收集,经系统处理后,通过平台进行内容、产品、应用的发布。
内容聚合发布系统在手机终端上以集成客户端的形态出现;在后端要与平台进行连接,并在此基础上强化平台功能。
对手机动漫内容聚合及发布系统需求如下:1.1 客户端提供各手机平台系统终端统一门户界面,要求内臵基本动漫业务。
功能如下:1.1.1 用户中心用户中心是以社区形式的一个浏览所有用户记录、状态的广场栏目,另需要与现有统一门户管理系统连接,实现登陆、注册、设臵、帐户管理的入口。
用户登陆后,能够使用个人设臵、系统设臵、帐户管理、好友设臵、写记录、浏览他人记录的功能。
手机动漫内容聚合发布系统,是对上传到平台的手机动漫内容进行管理。
在平台上进行内容资源收集,经系统处理后,通过平台进行内容、产品、应用的发布。
内容聚合发布系统在手机终端上以集成客户端的形态出现;在后端要与平台进行连接,并在此基础上强化平台功能。
对手机动漫内容聚合及发布系统需求如下:1.1 客户端提供各手机平台系统终端统一门户界面,要求内臵基本动漫业务。
功能如下:1.1.1 用户中心用户中心是以社区形式的一个浏览所有用户记录、状态的广场栏目,另需要与现有统一门户管理系统连接,实现登陆、注册、设臵、帐户管理的入口。
用户登陆后,能够使用个人设臵、系统设臵、帐户管理、好友设臵、写记录、浏览他人记录的功能。
⑴支持手机客户端用户注册:实现用户注册功能。
⑵支持手机客户端用户登陆:实现用户登陆、找回密码功能。
⑶支持手机客户端用户权限级别管理:可以对用户进行分级管理,不同级别用户享受不同服务。
用户分为普通用户、注册用户、VIP 用户、认证作者。
投标技术参数响应表商用笔记本★CPU:英特尔第八代酷睿 I5-8250U 处理器或以上★内存:双插槽,最大支持 32G,本次不小于 4GB DDR42400MHz (4GBx1)★显卡:不小于 AMD R520 2G DDR3 显卡★硬盘:,本次不小于 1T 硬盘,内置硬盘跌落保护技术★操作系统:出厂预装正版 Windows 10 简体中文版★显示屏:15.6 英寸FHD (1920 x 1080) 防眩光 LED 背光显示器★重量:重量 2.3kg(含电池)★接口:1 个 VGA 端口1 个 HDMI 输出端口1 个 RJ-45、电源2个USB 3.0端口1 个采用 PowerShare 技术的 USB 3.0 端网卡:千兆网卡摄像头:720P电池:不小于 40WHr,4 芯电池 (集成) 外观:黑色★售后服务:1 年质保,原厂 1 年免费上门服务★其它服务:1 年全面意外保护(意外液体泼溅机身表面或机身内部进液/意外跌落或者其他撞击/意外电涌/由于意外跌落而导致损坏的 LED 屏幕。
如出现上述非人为意外情况,厂家应提供相应的维修或者更换服务,如无法维修或维修成本过高,允许更换整机) 1 年 ProSupport 专业支持服务,7*24 小时专线工程师电话支持(戴尔Vostro 15-3578-R1525B)★CPU:英特尔第八代酷睿 I5-8250U 处理器或以上★内存:双插槽,最大支持 32G,本次不小于 4GB DDR4 2400MHz (4GBx1)★显卡:不小于 AMD R520 2G DDR3 显卡★硬盘:,本次不小于 1T 硬盘,内置硬盘跌落保护技术★操作系统:出厂预装正版 Windows 10 简体中文版★显示屏:15.6 英寸 FHD (1920 x 1080) 防眩光 LED 背光显示器★重量:重量 2.3kg(含电池)★接口:1 个 VGA 端口1 个 HDMI 输出端口1 个 RJ-45、电源2个USB 3.0端口1 个采用 PowerShare 技术的 USB 3.0 端网卡:千兆网卡摄像头:720P电池:不小于 40WHr,4 芯电池 (集成) 外观:黑色★售后服务:1 年质保,原厂 1 年免费上门服务★其它服务:1 年全面意外保护(意外液体泼溅机身表面或机身内部进液/意外跌落或者其他撞击/意外电涌/由于意外跌落而导致损坏的 LED 屏幕。
技术参数响应表略,如新增企业默认账号的创建、重复企业的提醒、注销企业数据的处理等等。
(2)企业资料管理企业相关人员或监管员都可以通过APP对企业的资料进行完善。
包括上传企业的营业执照照片、食品经营许可证照片,门面照片、厨房厨具照片以及就餐大厅、包厢雅间等各种宣传性的环境照片。
同时,企业可以进一步设置营业时间、订餐电话、营业标签等等参数,上报企业的安全员信息和自制食品配料等信息。
形成一个基本资料齐全的企业数据档案。
3、电子台账:系统需要支持八大电子台账的增加、删除和查询功能。
企业能通过APP或者电脑快速完成台账的登记。
新增台账登记时,需要根据原来纸质台账的表格,填写各种数据,并能够拍摄相关的台账图片上传。
台账数据提交后,监管人员能够在监管端同步查看台账数据,包括文字、数据和图片。
拍摄现场图片是为了进一步保障台账的真实性。
为了防止企业在不同的台账中使用相同的图片,系统需要维护策略,如新增企业默认账号的创建、重复企业的提醒、注销企业数据的处理等等。
(4)企业资料管理企业相关人员或监管员都可以通过APP对企业的资料进行完善。
包括上传企业的营业执照照片、食品经营许可证照片,门面照片、厨房厨具照片以及就餐大厅、包厢雅间等各种宣传性的环境照片。
企业可以自由设置营业时间、订餐电话、营业标签等等参数,上报企业的安全员信息和自制食品配料等信息。
可形成一个基本资料齐全的企业数据档案。
2、电子台账:本系统支持人员晨检, 餐具消毒,食材采购,食堂留样,废弃物等八大电子台账的增加、删除和查询功能。
企业能通过APP或者电脑快速完成台账的登记。
新增台账登记时,根据原来纸质台账的表格,填写各种数据,并能够拍摄相关的台账图片上传。
台账数据提交后,监管人员能够在监管端同步查看台账数据,包括文字、数据和图片。
拍摄现场图片是为了进一步保障台账的真实性。
为了防止企业在不同的台账中使用相同的图片,本系统具备相同图片的判别机制。
系统具备各种台账制作的制度和方法指导,让企业清楚知道,如具备相同图片的判别机制。
技术规格响应表
分包名称及包号:新生儿有创高频呼吸机和新生儿普儿成人呼吸机、第五包
1.投标人应按照“招标内容与技术要求”中确定的技术参数与配置要求,将投标产品的技术参数和性能指标
逐一列出,以证明投标产品对招标文件要求的技术参数和性能指标做出实质性响应。
如果仅注明“符合”、“满
足”或简单复制采购文件要求的参数,为无效投标。
2.佐证文件名称:系指能为投标产品提供技术参数佐证或进一步提供证据的文件、资料名称。
如产品质检报告、说明书、技术手册、彩页样本
. .。