设备、管道防腐保温施工记录.doc
- 格式:doc
- 大小:97.01 KB
- 文档页数:1
防腐和保温工程施工规范一、施工前的准备工作1.1 施工前必须认真参阅设计文件,了解工程的性质、要求、技术规范和质量标准。
1.2 防腐和保温施工前,必须进行材料、设备的检查验收,并做好验收记录。
1.3 施工前,须明确分工,编制详细的施工计划和施工方案,做好安全措施。
1.4 确认施工现场的环境条件,如温度、湿度、气压等,选择合适的施工方法和材料。
二、材料及设备的保管和使用2.1 防腐和保温施工材料的保管必须符合规范要求,对各种材料要分类存放,做好标识和记录。
2.2 材料验收合格后方可使用,使用过程中要注意防潮、防晒及定期检查。
2.3 施工设备要定期检查维护,确保良好状态。
使用过程中要按规范操作,杜绝违章操作。
2.4 施工现场要设置明显的安全警示标志,避免与他物混乱。
三、防腐施工规范3.1 表面处理:铁制构件、管道等必须清理干净,去除锈蚀、油污和附着物。
3.2 底漆施工:底漆应根据具体情况选择,并严格按照要求进行底漆施工。
3.3 防腐涂料的使用:防腐涂料要按照要求进行搅拌、稀释和过滤等处理,确保质量。
3.4 防腐涂料施工:施工时要注意均匀、一致、完整、无麻点,层间连接严密。
3.5 阴极保护:对于金属结构,要进行阴极保护,确保其长期不被腐蚀。
四、保温施工规范4.1 保温材料安装:保温材料要安装牢固,无空鼓、龟裂并且要保证不渗漏。
4.2 保温层厚度:按照设计要求对保温层的厚度进行检查,并且保证每一部位的保温层厚度一致。
4.3 焊缝处理:对于有焊缝的部位要进行专门的处理,确保其保温效果。
4.4 表面保护:对于外露在室外的保温材料要进行防水、防晒、防冻等表面保护工作。
五、施工完成后的验收5.1 防腐和保温施工完成后,要进行全面的验收,确保所有工程符合设计要求和国家标准。
5.2 对于防腐层、保温层要进行抽检及相关检测,确保其质量合格。
5.3 对于施工记录、验收报告、检测报告要进行整理和存档,并编制归档清单。
六、施工中的质量和安全管理6.1 施工现场要进行严格的质量和安全管理,确保施工过程中的安全和质量。
明装管道及支架涂刷面漆2、管道绝热2.k水管橡塑保温(1)西南大部为冬季非采暖的地区,按照设计图纸要求的部位和方式进行防结露保温。
(2)管道管径WDN50时宜采用保温管保温,当采用保温管时,其规格应与被保温管道相匹配;当管道管径>DN50时宜采用保温板保温,当采用保温板时,进行裁剪前应对裁剪尺寸进行核对,严格控制。
保温时所用的切割工具应足够锋利,下料准确,切口成一条直线。
(3)同一管段或设备保温层厚度均匀一致,外缠保护层松紧适度。
(4)保温层表面应平整、直管顺直,圆瓠及变径等部分过渡均匀、平滑。
没有凹凸不平、接缝处错台以及污染、破损等现象。
(5)保温层在支、吊架处接缝应严密,不应将支、吊架包成半明半暗的状态。
(6)法兰、阀门、管箍等管道配件及管件处保温应单独下料进行拼接,拼接严密,保温层厚度与管道相同,效果见下图。
法兰、阀门部位橡塑保温效果图(7)每一根管道应单独按照要求进行保温,即“一管一保”。
保温后管道之间有合理的间距,不得出现“多管合保”。
效果见下图。
(8)水箱等设备和容器保温采用保温板拼装时,保温应表面平整,接缝严密,与设备完全接触,粘结牢固。
尤其是水箱底部的保温是最容易忽视的,应特别注意保持保温的完整性。
2.2、水管玻璃棉保温(1)玻璃棉保温管壳管径、厚度应符合设计要求,保温管壳与管道应严格匹配。
(2)防潮隔汽层绝热材料的拼缝处,应用铝箔胶带封严。
胶带的宽度不应小于50mm。
胶带应牢固地粘贴在防潮面层上,不得胀裂和脱落。
(3)保护层应完全覆盖,且紧贴保温层,表面平整、光滑、洁净,没有遗漏、翘边、脱落、松动、破损等现象,表面无污染。
(4)管道保温外缠玻璃丝布作为保护层时,应先浸泡防火涂料,浸泡时间以浸透且均匀为宜。
搭接宽度应均匀,宜为30〜50mm。
缠绕过程中用力应基本一致,松紧适度,做到粗细均匀,不得因此而影响保温层厚度,尤其是用岩椭或超细玻璃桶等较松散的保温材料。
效果见下图。
管道玻璃棉保温2.3、金属保护壳安装(1)金属保护壳的施工应紧贴绝热层,不得有脱壳、褶皱、强行接口的现象。
编制:审核:批准:2022 年 10 月 31 日一、编制依据二、施工准备三、施工方案四、质量保证措施五、安全保证措施六、确保工期的技术措施及工期安排进度七、文明环境保护措施1.1 《工业设备及管道绝热工程施工及验收规范》 GBJ126-891.4 《绝热工程施工及验收技术规范》 HGJ-215-801.5 《工业设备及管道绝热质量检验评定标准》 GB50185-931.6 《设备及管道保温技术通则》 GB4272-921.7 《管道及设备保温》 98R419 图集1.8 《建设工程施工现场供电安全规范》 GB50194-932.1 技术准备组织技术人员到现场勘察、掌握设计意图,按施工组织设计、规范和质量评定标准做好技术交底,编制材料计划,及各部份项技术措施。
配备足够应急用的各类常用药物和医用材料,并准备具有多年化工施工作业的操作熟练工人,施工期间至少应有一位责任监护人员,周围末施工设备和地面不受伤害和污染。
准备足够的塑料薄膜或者彩条布,对末施工设备、原材料、地面等进行覆盖保护。
施工前,项目部技术负责人要认真学习领略甲方的防腐保温工艺流程<或者施工方案>和有关化工施工技术规范要求,编制作业指导书,特殊设备特殊部位的技术要求,分发给每一个施工人员,并对设备挂牌,确保施工工艺的准确、进度的顺利进行。
对特殊设备及其部位施工中的重要施工节点应作专门的交底,并对特殊工序进行培训指导,重点做好施工中的质量通病,习惯性操作错误进行预防。
2.2 工程材料准备组织材料人员对采购保温材料计划作出详细的安排。
在工程施工前应将所在图纸设计材料运至施工现场,并分类入库存放。
挂上标识牌,以便于查找。
保温材料到仓库后,应进行二次抽查,如不合格应及时退货。
抽检准备的主要内容有:2.2.1 保温材料的品种、数量是否与贴标相符合;2.2.2 保温材料是否经过雨水浸泡,是否含有积水;2.2.3 保温材料的导热系数、容重等质量指标是否合格。
一、工程概况:xxxx设备及管道防腐保温工程,1、设备热保温(岩棉)120台2、加热炉,热工炉防腐油漆2台3、工艺管道保温(岩棉)4、工艺管道防腐油漆5、钢结构框架及钢平台防腐油漆根据项目要求本工程管道设备保温材料采用岩棉板管壳、硅酸铝,保冷设备及管道聚氨脂泡沫塑料板,以及炉区设备采用铝粉有机硅耐热面漆。
钢结构及钢平台聚氨脂面漆。
二、编制依据:1、xxxx股份有限公司xx万吨/年芳烃联合装置要求及招标文件,2、xxx 工程设计图3、SH3010-2000《石油化工设备及管道绝热工程技术规范》4、SH3522-99 《石油化工设备和管道涂料防腐蚀技术规范》5、SH/T3503-2007 石油化工建设工程项目交工技术文件规定6、SH/T3543-2007 石油化工建设工程项目施工过程技术文件规定三、主要工艺过程3.1 施工准备:1、由于该工程实际施工工期短,所以在现场应搭建不少于300m?的材料仓库和约60 m?的工场间。
2、临时棚由业主提供平面图,与不影响其他工程正常施工的条件下,选择适当的位置。
3、做好现场三通一平,保证工场间的供电。
4、组织现场施工的技术员和安装工人了解和熟悉设计要求及现场的情况,施工前应办好施工设计交底和设计变更与业主保持密切合作的态度,自觉遵守业主的规章制度。
5、做好材料进场工作,核对材料数量、规格、合格证等理化指标符合要求,材料不得露天堆放。
6、准备好所有必需的工具设备等机具,确保施工顺利进行。
7、在施工现场准备足够的防雨布,防止在施工过程中突然下雨。
另外,现场设置20~30 m?的临时库房,存放一天施工工作量的绝热材料。
8、在旧设备附近施工时,如遇原有物料管时,应用三防布采取隔开措施,防止工具、保温材料等废物掉到在管道、设备、仪表上,影响正常生产。
3.2 防腐:1、防腐涂料存放仓库需满足防火要求,不得与其他化学品混放。
2、防腐涂料经检验合格后方可入库存放。
3、不同厂家、不同品种的防腐涂料,不得掺和使用,如需掺和使用,须经试验确定。
管道保温施工方案一、项目背景及目标咱们这个项目,主要是针对工厂、化工厂等大型企业的管道保温施工。
保温的目的,自然是为了减少热量的损失,提高能源的利用效率,降低运行成本。
目标就是确保管道的保温效果达到最佳,同时施工过程安全、高效。
二、施工材料及设备1.保温材料:根据管道的材质、直径、工作温度等因素,选择合适的保温材料。
比如橡塑保温材料、玻璃棉、岩棉等。
2.防腐材料:为了保护管道不受腐蚀,需要选用合适的防腐材料,如环氧树脂、聚氨酯等。
3.施工设备:主要包括电钻、切割机、喷枪、焊机等。
这些设备要确保性能良好,安全可靠。
三、施工步骤及方法1.清理管道:在施工前,要对管道进行彻底的清理,去除油污、锈迹等。
2.防腐处理:在清理干净的管道表面涂刷防腐材料,确保管道不受腐蚀。
3.安装保温材料:根据管道的直径,将保温材料裁剪成合适的大小,然后包裹在管道上,注意接口处要严密无缝。
4.固定保温材料:用铁丝或胶带将保温材料固定在管道上,确保其不会脱落。
5.施工检查:在施工过程中,要定期检查保温材料的安装情况,发现问题及时整改。
6.施工验收:施工完成后,组织相关人员进行验收,确保保温效果达到设计要求。
四、施工安全及环保措施1.安全培训:施工前,对施工人员进行安全培训,确保他们了解施工过程中的安全注意事项。
2.佩戴防护用品:施工过程中,要求施工人员佩戴防护眼镜、防尘口罩、防静电手套等防护用品。
3.安全防护措施:施工现场要设置安全警示标志,确保施工人员的人身安全。
4.环保措施:施工过程中,要注意环保,避免污染环境。
比如,废弃的保温材料要及时清理,不得随意丢弃。
五、施工进度及质量控制1.制定施工进度计划:根据工程量和施工人员数量,制定合理的施工进度计划,确保工程按时完成。
2.质量控制:施工过程中,要严格按照施工规范进行,确保保温效果达到设计要求。
3.隐蔽工程验收:在施工过程中,对隐蔽工程进行验收,确保施工质量。
4.工程交付:工程完成后,进行整体验收,确保施工质量达到预期目标。
(4)各类设备、部件的油漆补涂不得遮盖铭牌标识和影响部件的功能使用。
效果见下图。
明装管道及支架涂刷面漆层厚度与管道相同,效果见下图。
法兰、阀门部位橡塑保温效果图间距,不得出现“多管合保”。
效果见下图。
(8)水箱等设备和容器保温采用保温板拼装时,保温应表面平整,接缝严密,与设备完料。
效果见下图。
管道玻璃棉保温接应顺水,搭接尺寸为20〜25mm。
见下图。
采用抽芯拉铆钉固定时.铆钉间距应均勻(10〜12cm),并不得刺破防潮层。
效果见下图。
阀部件节点处理 支架处保护壳处理3.1工艺流程3.2、管道与设备绝热工程名称XXX工程交底日期XXX年XX月XX日施工单位XXX公司分项工程名称防腐与绝热工程交底提要管道及设备保温、防腐技术交底审核人交底人接受交底人1. 本表由施工单位填写,交底单位与接受交底单位各存一份。
(2)风管玻璃棉保温保温钉要求粘结牢固,布置均匀,最好成排成线设置,风管底面每平方米不应少于16个,侧面不应少于10个,上面不应少于8个,首层保温钉至风管或保温材料边缘的距离应小于120mm。
(3)施工要求镀锌钢板风管绝热施工前应进行表面去油、清洁处理;冷轧板金属风管绝热施工前应进行表面除锈、清洁处理,并涂防腐层。
风管绝热层采用保温钉固定时,应符合下列规定:①保温钉与风管、部件及设备表面的连接宜采用粘结,结合应牢固,不应脱落。
②固定保温钉的胶粘剂宜为不燃材料,其粘结力应大于25N/cm2。
③矩形风管与设备的保温钉分布应均匀,保温钉的长度应满足压紧绝热层固定压片的要求,保温钉与管道和设备的粘结应牢固、可靠,其数量应满足绝热层固定要求。
在设备上粘结固定保温钉时,底面每平方米不应少于16个,侧面每平方米不应少于10个,顶面每平方米不应少于8个;首行保温钉距绝热材料边沿应小于120mm。
防腐保温工程施工记录一、工程概况本项目为某化工厂的防腐保温工程,主要包括管道、设备、钢结构防腐刷漆工程施工。
工程质量要求按照《工业设备及管道防腐蚀工程施工规范》GB50726-2011进行施工。
二、施工准备1. 施工前,项目技术负责人组织对施工人员进行技术培训和安全教育,确保施工人员熟悉施工工艺和注意事项。
2. 施工材料提前准备到位,包括防腐涂料、保温材料、施工工具等。
3. 施工图纸及技术文件齐全,向施工人员交底施工要求和技术指标。
4. 施工现场准备好,确保施工场地平整、干净,具备施工条件。
三、施工过程1. 管道、设备、钢结构表面处理:按照《涂覆涂料前钢材表面处理表面清洁度的目视评定》GB/T8923.1-2011和GB/T8923.2-2008的标准,对要求除锈的管道、设备、管廊管架、钢结构进行手工和电动工具处理施工。
无法全部清除原涂层的,按GB/T8923.2-2008的标准确定处理等级达到P St2。
2. 管道、设备、钢结构防腐刷漆:根据确定的施工方案,对处理后的管道、设备、钢结构进行防腐涂料施工。
施工过程中,确保涂料均匀涂抹,无漏涂、气泡等现象。
3. 保温施工:选用合适的保温材料,按照设计要求进行敷设。
保温层应均匀密实,无空鼓、裂缝等现象。
4. 防水施工:对保温层进行防水处理,确保防水层完整、无破损。
四、施工质量控制1. 施工过程中,项目质检人员对每个工序进行质量检查,确保施工质量符合规范要求。
2. 施工完成后,组织人员进行验收,对验收不合格的部位进行整改。
3. 施工过程中的每道工序和隐蔽工程,必须经招标方指定的工程管理单位和质量管理单位验收并签字确认后才能进入下道工序。
五、施工安全1. 施工前,对施工人员进行安全教育培训,提高安全意识。
2. 施工现场设置安全警示标志,严格执行安全操作规程。
3. 定期进行安全检查,发现问题及时整改。
六、施工进度1. 按照施工计划组织施工,确保工程按时完成。
管道防腐保温质量控制一、引言管道防腐保温是保护管道免受腐蚀和热损失的重要措施。
本文旨在详细介绍管道防腐保温质量控制的标准格式,确保施工过程中的质量和安全。
二、施工前准备1. 管道材料准备根据设计要求,选择符合标准的管道材料。
确保材料的质量和规格符合要求,并进行检验和验收。
2. 防腐保温材料准备选择符合标准的防腐保温材料,如聚氨酯泡沫、玻璃棉等。
确保材料的质量和规格符合要求,并进行检验和验收。
3. 工具和设备准备准备适当的工具和设备,如喷涂机、保温套管等,以便进行施工作业。
三、质量控制步骤1. 表面处理在施工前,对管道进行表面处理,如除锈、除油等。
确保管道表面干净、光滑,以便于后续的防腐保温施工。
2. 防腐施工a. 底涂层施工在管道表面涂刷底涂层,确保底涂层的涂覆均匀、附着力强,并符合设计要求。
b. 中涂层施工在底涂层干燥后,涂刷中涂层。
中涂层的施工要求同样要保证涂覆均匀、附着力强,并符合设计要求。
c. 面涂层施工在中涂层干燥后,涂刷面涂层。
面涂层的施工要求同样要保证涂覆均匀、附着力强,并符合设计要求。
3. 保温施工a. 保温材料安装根据设计要求,将选用的保温材料进行安装。
确保保温材料的密封性好,无破损和缺陷。
b. 保温层厚度控制在保温材料安装完成后,进行保温层厚度的控制。
使用合适的测量工具,确保保温层的厚度符合设计要求。
c. 保温层表面处理对保温层进行表面处理,如涂刷保护层、覆盖防护层等。
确保保温层的表面光滑、均匀,并达到防护效果。
四、质量控制要点1. 施工过程监控在施工过程中,进行现场监控和检查,确保施工质量符合要求。
如发现问题及时进行整改,并记录相关信息。
2. 质量检验在施工完成后,进行质量检验。
包括防腐层的附着力测试、保温层的厚度测量等。
确保施工质量符合设计和标准要求。
3. 质量记录和报告在施工过程中,及时记录施工情况和质量检验结果。
并根据需要编制质量报告,以便于对施工质量进行评估和改进。
火力发电厂热力设备及管道保温施工工艺摘要:作为现代能源的重要形式,电力技术对整个社会发展的重大意义早已不言而喻。
目前,中国生产的主要传统电源是中小型火力发电。
由此可见,不断采取措施促进技术和小型火电企业技术的发展和进步具有重要的意义、价值和必要性。
火电厂热力设备锅炉及输送管道作为燃煤发电热力装置结构中非常重要的结构部件,是火电厂重要的动力和电能输送系统的有效载体。
绝缘和传输技术的创新发展将能够实现非常快速和有效,直接有助于提高锅炉发电的热效率,降低运行能耗,促进电厂技术的全面进步。
关键词:热力设备;保温;施工;理念。
很长一段时间以来,由于我们认为我国政府在经济发展规划理念的某些方面还存在一定程度的自我限制,我们盲目地过多地关注经济社会发展的总体速度、规模和总体发展规划成果,过分忽视国民经济发展过程实施过程的效益和整体质量,加剧了现阶段我国国民经济发展的不平衡,国民经济发展过程不完全平衡、效率低下的现状。
随着我公司在企业概念开发技术水平上的不断发展和进步,我们逐渐意识到产品开发和产品质量改进的重要性。
1发电厂热力设备防腐及冷却水管道防腐保温工程的技术必要性分析1.1技术能效提升层面的要求。
探讨大型电厂热力设备集中安装施工的必要性,以及未来我国市政热力管道防火保温技术项目的建设与实施。
同时,笔者也将认为其积极意义和主要功能将逐步体现在可持续提高城市供热安全技术的能效和项目实施的技术水平上。
事实上,火力发电厂使用二次能源的基本原理是通过固体煤在高温下的化学分解或燃烧分解产生热量,产生电离水的蒸汽气体,最后驱动水发生器继续运行,从而最终产生一种电能,它是指一种热能,产生一种物质,使其内能逐渐转化为电能,这种再转化为电能的循环过程,是将物质的热能再转化为电能而产生的电能,即电能是另一种二次循环能量。
由于它可以同时涉及基于三种或两种以上能量类型的电能初级再转换,从三次或四次或两次,电能本身的整体转换效率可能已经变得非常低。
管道及设备保温适用于供采暖、生活用热水或蒸汽管道及设备的保温和给水管道的防结露保温。
一、施工准备1.主要材料:保温材料的性能。
规格应符合设计要求,并且有合格证。
一般常用的材料有:岩棉矿渣棉缝毡、岩棉及矿棉管壳、超细玻璃棉制品、玻璃棉毡、玻璃棉壳板、微孔硅酸钙制品、硬质聚氨脂塑料、泡沫玻璃、硅酸铝制品水泥珍珠岩制品、憎水珍珠岩制品。
聚苯乙烯泡沫塑料管壳等。
1.2主要机具1.2.1工具:钢剪、布剪、手錘、剁子、弯钩、铁錘、灰桶、手抹子、圆弧抹子等.1.2.2其它:钢卷尺、钢针、靠尺、木形塞尺等.1.3作业条件1.3.1设备及管道的强度试验,气密性试验合格;1.3.2清除被保温设备及管道表面污垢,铁锈,涂刷防腐层.1.3.3设备、管道的支、吊架及结构附件、仪表接管部件等均已安装完毕,并按不同情况设置硬木垫,作好防潮处理。
1.3.4支承件固定就位准备;1.3.5电伴热或热介质管均已安装就绪,并经过通电或试压合格;1.3.6办妥设备、管道的安装、焊接及防腐等工序交接手续.二、操作工艺2.1工艺流程保温层施工保护层施工油漆防腐层的检查保温层的检查保护层的检查保温工程交工验收。
2.2保温层施工2.2.1保温固定、支承件的设置:垂直管道和设备每隔一段距离须设保温层承重环(或抱箍)其宽度为保温层厚度的2/3。
钉用于固定保温层时,间隔250-350mm;用于固定金属外保护层时,间隔500-1000 mm;并使每张金属板端头不少于2个钉,采用支承圈固定金属外保护层时,每道支承圈间隔为1200-2000 mm。
并使每张金属板有两道支承圈。
2.2.2管壳用于小于DN350管道保温,选用的管壳内径应与管道外径一致,施工时,张开管壳切口部套于管道上。
水平管道保温时。
切口位于管道的侧下方。
对于有复合处保温层的管壳,应拆开切口部搭头内侧的防护纸,将搭接头按压贴平。
相邻两段管壳要靠紧,缝隙处用压敏胶带粘贴;对于无外保护层的管壳可用镀锌铁丝或塑料绳捆扎,每段管壳捆2-3道。
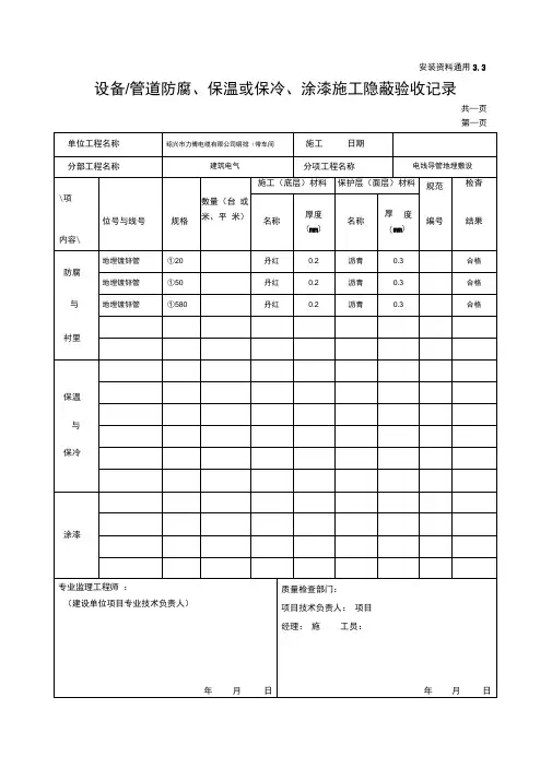
防腐检查记录
防腐工程施工质量检查记录工程名称:工程类别:管道安装工程防腐部位管道表面及焊口防腐防腐层结构及要求管道焊口除锈干净后,保温管道及设备采用黑酚醛烟囱漆涂漆两道;保冷管道及设备采用冷底子油涂漆两道。
检查内容检查结果原材料符合设计要求及有关规范规定,具有出厂质量合格证明文件及复验报告合格设备.管道按规定进行了强度.严密性试验,具有工序交接记录合格基层表面处理方法正确,处理结果符合设计等级要求合格隔离层材料使用正确,层数或厚度符合规范规定- 防腐层材料的配比.试验符合有关规范规定,报告齐全合格防腐底层材料使用正确,层数或厚度符合规范规定合格防腐面层材料使用正确,层数或厚度符合规范规定合格结论管道表面及焊口涂刷均匀.无气泡.皱纹,颜色一致符合设计及规范要求,检测合格。
备注建设 / 监理单位施工单位专业工程师:年月日质量检查员:技术负责人:班(组)长:年月日
第 1 页共 1 页。
暖通工程施工维修保养记录一、前言暖通工程是建筑工程中的重要组成部分,它直接影响建筑物的舒适度和能源消耗。
为了确保暖通设备的正常运行,延长设备的使用寿命,我们必须对其进行定期的维修和保养。
本文将详细记录暖通工程施工维修保养的过程和内容。
二、施工记录1. 安装暖通设备:在建筑物的设计阶段,我们根据建筑的布局和功能需求,选择合适的暖通设备,并进行安装。
安装过程中,我们按照相关标准和规范,确保设备的稳固和安全。
2. 配管:暖通设备需要与建筑物内的配管连接,以便输送空气和水。
在配管过程中,我们注意保证管道的密封性和稳固性,避免漏水和漏气的情况发生。
3. 绝缘处理:为了减少能源浪费,我们对暖通设备的管道和设备表面进行绝缘处理,减少热量的损失。
4. 调试:安装完成后,我们对暖通设备进行调试,确保设备的正常运行和调节性能。
5. 检查记录:将以上过程进行详细的检查记录,包括设备的型号、安装位置、接线情况等,为后续的维修保养工作提供参考。
三、维修记录1. 清洁滤网:暖通设备的滤网容易受到灰尘和杂物的堵塞,影响设备的通风效果。
我们定期清洁滤网,确保空气的畅通。
2. 检查电路:暖通设备的电路是其正常运行的关键,我们定期检查电路的接线情况,防止发生短路和漏电的情况。
3. 维护设备:暖通设备需要定期维护,包括润滑轴承、清洁散热器、检查风机等。
我们根据设备的使用情况和规定的维护周期,进行相应的维护工作。
4. 温度调整:根据季节的变化和建筑物内的需求,我们调整暖通设备的温度和风速,使其能够保持舒适的室内环境。
5. 备品备件:我们准备充足的备品备件,以应对意外的故障和损坏,确保设备的快速维修和恢复运行。
四、保养记录1. 定期维护:我们根据设备的使用情况和规定的维护周期,定期进行设备的保养工作,包括清洁、润滑、调试等。
2. 记录维护情况:每次维护完成后,我们记录维护的时间、内容和结果,建立设备的维护档案,为今后的维修工作提供参考。