叶轮给煤机检修工艺规程
- 格式:wps
- 大小:33.41 KB
- 文档页数:6
叶轮给煤机维护检修规程叶轮给煤机维护检修规程一、目的规范维护检修行为,达到提高检修质量,保证设备安全运行之目的。
二、使用范围本规程适用于QYG300型叶轮给煤机的维护和检修。
三、引用标准1 JCJ03-9 水泥机械设备安装工程施工及验收规范2 GB2804 公差与配合3 GB275 滚动轴承与轴和外壳的配合4 GB1184 形状和位置公差四、技术要求1 主要技术参数1.1 叶轮给煤机1.2 主电机1.3 行走电机2 检修周期3 检修内容3.1 小修内容3.1.1 检查修理各连接件,紧固件。
3.1.2 检查各减速箱各齿轮磨损及啮合状况,油位及油质。
3.1.3 检查主轴有无异物盘绕。
3.1.4 检查各行走轮是否转动。
3.2 中修内容3.2.1 包括小修内容。
3.2.2 更换减速箱润滑油,检查齿轮啮合侧隙,检查轴承。
3.2.3 检查并润滑各齿轮联轴器。
3.3 大修内容3.3.1 包括中修内容。
3.3.2 更换叶轮爪。
3.3.3 更换伞齿轮轴承。
3.3.4 更换行走轮轴承。
4 检修方法和质量标准4.1 伞齿轮箱4.1.1 取下叶轮爪和叶轮座。
4.1.2 打开上盖。
4.1.3 取出高速轴和低速轴。
4.1.4.检查伞齿轮和轴承,轴承有下列情形之一时应更换。
a保持架变形损坏。
b内外滚道磨损,出现点蚀现象。
c滚道体磨损,出现点蚀或其他缺陷。
d清洁后用手以较快速度转动时,有明显周期性噪声。
4.1.5 齿轮有下列情形之一时应更换a齿轮有裂纹或塑性变形严重的。
b齿面点蚀现象严重的。
c齿面有严重擦伤。
d齿厚的磨损量超过下列数倍时更换1) 小伞齿轮10%2) 大伞齿轮20%4.1.6 组装前要彻底清洗齿轮箱及各零部件,结合面刮净。
4.1.7 装好测间隙1) 高速轴为0.08-0.15mm2) 低速轴为0.15-0.30mm3) 齿轮侧隙为0.34mm4.2 蜗轮箱4.2.1 打开蜗轮箱4.2.2 检查蜗轮蜗杆及轴承a轴承标准同上b蜗轮齿面有下列情形之一时应更换1) 齿部产生塑性变形2) 齿面严重擦伤3) 齿厚磨损量超过原齿厚的15%.c齿厚不超过规定值时,齿面粗糙度低于Ra1.6或有轻微擦伤,可用蜗杆配刮修复。
给煤机检修规程
1、设备概况及参数
1.1设备概况:
给煤机采用沈阳施道克(STOCK电力设备有限公司生产的
EG2490电子称重式给煤机,每台锅炉配备6台给煤机,1台给煤机对应1台磨煤机,给煤机设备界限包含入口落煤闸板、入口管道、给煤机、给煤机出口闸板、至磨煤机伸缩节之间管道以及相关控制器、测点、线缆等。
给煤机是将原煤均匀连续的供应给磨煤机的设备,它可以根据磨煤机负荷需求的变化自动调整给煤量,并在输送的过程中完成对给煤量的计量,显示给煤量的瞬时值,累计值。
给煤机主要由给煤机壳体、给料皮带机构、链式清理刮板、
称重机构,断煤及堵煤信号装置,润滑及电气管路及微机控制等组成。
给煤机具体参数见下表:
给煤机主要性能参数
2、检修类别及检修周期
说明:检修类别为A、C级检修。
检修周期为A、C级检修对应的检修周期。
3、检修项目
3.1、A级检修标准项目
3.2、C级检修标准项目
4、检修前试验项目及标准
5、主要备品备件
6、检修工艺步骤及质量标准
7、检修后试验项目及标准。
叶轮给煤机检修1.1设备概述:叶轮给煤机是火力发电厂缝隙式煤沟中专用设备,它可沿缝隙式煤沟旁侧的纵向轨道往返行走,将煤定量、均匀、连续地拨到集载胶带机上,然后转送给输煤系统,再分送给锅炉房、煤场或流程工艺指定的场所。
1.1.1 特点:(1)叶轮给煤机采用下支承型式,由于采取了现代最新技术,解决了早期下支承挡煤,杂物缠轴,煤砸支承,叶轮故障不能移出煤沟等弊端,因而成为一类新型结构,是本企业的专利产品。
(2)传动系统全部采用封闭式结构,防尘效果好,使用寿命长。
(3)在缝隙式煤沟与叶轮给煤机上方装置煤沟挡板,可以实现开启煤沟与给煤机运行的连锁动作。
(4)主传动采用变频器调速,因而叶轮给煤机可在出力范围内,进行无级调速,满足不同的工况要求。
(5)主传动部设置力矩臂保护装置,当拨煤阻力超过给定值时,力矩臂动作,切断电源,从而保护主电机和主传动系统安全运行。
(6)叶轮设有横向移动装置,当主传动故障时,叶轮可以方便地移出煤沟,开到检修场,检修方便。
(7)主传动、行走机构彼此分开,具有相对独立性,使用及安装维护方便。
(8)车轮采用第三代轮组,圆型轴承箱,并设有轮组顶起装置,检修维护均较方便。
(9)本机配备喷水除尘装置,防止煤尘对环境污染。
(10)装置方式有右装、左装式(视叶轮旋转方向而定),可供用户需要选用。
(11)供电方式有滑触线供电及拖缆供电两种方式,本机供电方式为拖缆供电。
(12)控制方式有集控、就地控制、程序控制等多种方式。
1.1.2型号意义:YGM—700生产能力700t/h叶轮给煤机1.1.3设备规范:1.1.4工作原理:(1)通过拖缆对机器供电。
(2)通过拖缆及电气控制系统进行各种控制或控制方式切换。
(3)由主传动电机拖动叶轮旋转,并通过变频器在出力范围内进行无级调速。
(4)通过叶轮的旋转将煤连续、均匀地拨到集载胶带机上。
(5)通过行走机构使机器停止或往返行走于轨道上。
(6)由喷水装置消抑煤炭等物料下落产生的粉尘。
叶轮给煤机安全维护检修规程1 主题内容与范围本标准规定了*****YG-600N型叶轮给煤机的维护与检修规程、检修周期、检修内容、检修内容及质量标准、检验方法、试车与验收、维护及常见故障排除。
本标准适用于*****钳工岗位。
2 设备规范3 设备结构及工作原理3.1 设备结构3.1.1 全机由机架、拨煤机构(即叶轮传动)、行走机构、煤斗等主要部分组成。
3.1.2 拨煤机构由主电机、摆线针轮减速机、锥齿轮减速机及叶轮组成,其功能是完成叶轮旋转拨煤。
3.1.3 行走机构为前后独立式,由摆线针轮减速机、蜗轮减速机、弹性柱销联轴器、主动车轮组及从动车轮组构成,其功能是实现行走运动。
3.2 工作原理3.2.1 叶轮给煤机通过电气控制箱控制主电机和行走电机,并由主电机和行走电机及其配套传动机构,分别驱动叶轮旋转拨煤和车轮转动行走。
4 检修周期(见下表)5 易损零件统计表6 检修项目6.1 小修项目6.1.1 检查油质、不合格更换润滑油。
6.1.2 检查更换叶轮爪。
6.1.3 检查、紧固各联接螺栓。
6.1.4 检查机架磨损情况。
6.1.5 检查、找正联轴器中心、更换弹性圈。
6.1.6 煤斗检查。
6.2 大修项目6.2.1 包括小修内容。
6.2.2 车轮更换。
6.2.3 减速机检修。
6.2.4 规定校正,修整基础、校正机体水平。
6.2.5 防腐刷漆。
7 检修工艺和质量标准7.1 检修前准备工作7.1.1 确定检修负责人和作业班人员。
7.1.2 查看《检修任务单》,明确检修任务,并向作业班人员进行交底。
7.1.3 办理好《检修工作票》,明确安全注意事项及措施。
7.1.4 准备足够的检修项目的相关备件。
7.2 工器具的准备手锤;活扳手;梅花扳手;拉马;扁錾;气割工具;点焊工具;撬棍。
7.3 作业条件及安全注意事项7.3.1 设备停运,停电。
7.3.2 戴好安全帽。
7.3.3 正确使用工具,避免伤手。
7.3.4 吊装工具使用前检查无缺陷。
QYG-1000型叶轮给煤机检修工艺规程3.1 设备概述:叶轮给煤机用于Ⅰ期缝隙式卸煤沟下面的胶带输送机上,它架于胶带输送机之上,沿煤沟纵向轨道完成前进、后退或停在一处,均匀、连续地将煤沟的煤拨到胶带输送机上,从而达到给料的目的。
叶轮给煤机分为左右配置形式。
右侧配置形式图例:(图3)左侧配置形式图例:(图4)我厂Ⅰ期输煤系统卸煤沟安装4台叶轮给煤机,它架于#1A、B胶带输送机之上。
3.1.1 型号及意义:Q Y G--1000| | | |_________ 出力1000T/H| | |______________ 给煤机| |________________ 叶轮|__________________ 桥式3.1.2 规范:型号: QYG--1000出力: 300—1000 t/h适合物料粒度: 0—300mm受电方式:轨道滑缆拨煤机构:叶轮直径: 3000 mm叶轮转速: 3—10 r/min配用减速机:型号: RF147DV180L4(B)伞齿轮: QYG配用电动机:型号: YB2-180L-4功率: 22 KW电压: 380 V电流: 43.2 A转速: 1470 r/min调速范围: 400—1200 r/min行走机构:行车速度: 0.062 m/s最大轮压: 2500 t配用减速机:型号: FA107DV100M4N426-0速比: 31.5配用电动机:型号: YB2-100L1-4功率: 22 KW电压: 380 V电流: 5.2 A转速: 1410 r/min数量: 4台制造厂家:哈尔滨和泰电力设备有限公司全机共有拨煤机构、行走机构、受煤斗、机架及附属电气动力箱、行走开关六个主要部件组成;QYG型叶轮给煤机行车机构机械传动原理3.1.3 拨煤机构:拨煤机构包括:变频调速减速器、一级伞齿轮减速机、叶爪轮组及受料斗落煤管。
3.1.4 工作原理:3.1.4.1 叶轮给煤机的工作机构是一个绕轴垂直旋转的叶轮,•叶轮伸入缝隙煤槽的缝隙,叶轮转动把煤从煤沟平台上拨到下面的胶带输送机上。
叶轮给煤机检修工艺规程1主要技术数据1.1型号意义:Q Y G -—— 1000 A带除尘装置生产能力叶轮给煤机桥式1.2技术参数2 概述叶轮给煤机主要用于火力发电厂缝隙式煤沟,通过设备沿轨道前后行走和拔煤叶轮的转动,将煤沟槽两侧的原煤连续、均匀地拔到煤沟输煤胶带上,能在行走中给煤,也可定点给煤,并适用于煤炭、化工、建材、矿山、冶金等行业实现连续给料。
我厂共安装4台叶轮给煤机,A、B路各安装两台,相互备用。
QYG调频式叶轮给煤机电气控制采用最先进的变频调速方式实现无级调速,并对原有的控制回路以及元器件的选型进行了全面的改进,保证了整个系统正常、安全稳定运行,降低了故障点,减小了检修工作量,使整个系统的性能得到全面改进。
并适用于就地、集控、程控等不同的运行方式。
QYG型调频式叶轮给煤机电气控制箱采用变频器。
变频器特别适用于交流变速传动的电压源型变频器,包括各种选件。
该变频器为微处理器控制,采用特殊的脉宽调制方法和可选择的脉冲频率,使电动机静音运行,各种不同的保护功能使变频器和电动机得到全面的保护。
3 工作原理根据叶轮给煤机的工作环境及现场较高的电磁干扰,本控制系统的控制回路的所有交流接触器、时间继电器、中间继电器均采用220VAC控制。
变频器的调速信号采用4~20mA的电流传输及加阻容滤波器降低线路的干扰。
闭合启动按钮,左行限位、右行限位时间继电器吸合,保护延时继电器及中间继电器吸合。
中间继电器吸合,变频器按顺时针方向旋转,并以最低转速300r/min旋转。
按左行按钮、右行按钮,行走接触器分别吸合,叶轮机本体左、右行走。
当叶轮给煤机主电机电流超过变频器内部设置以及左、右行走电机超过热继电器设置时,故障停机转换继电器吸合,使电机得到有效保护。
4 检修周期及项目4.1 大修周期:4年4.2 大修项目4.2.1 主电机大修(参照电机大修项目)。
4.2.2 滑缆大修。
4.2.3 动力箱清扫检查。
4.2.4手操器检查必要时更换。
叶轮给煤机岗位操作规程一、岗位职责1、负责完成给煤任务。
2、负责所属设备的维护、保养、润滑、加油和一般小修工作,使之处于良好状态。
3、负责与煤1皮带和堆取料机或煤3皮带和堆取料机岗位的联系工作。
4、熟悉本岗位的基本机械工作原理、构造、性能、技术特征,零部件名称和作用及有关的电气基本知识。
5、熟练掌握给煤机的操作技术,开、停车的程序,检查分析、防止和排除故障的方法,以及设备维护保养知识,并具有进行自检自修的基本技能。
6、给煤机的轨道上不能有任何杂物,必须保证作业区的线路通畅。
7、配合修理人员进行设备检修,并共同验收试车。
8、负责操作室内的卫生及所属区域卫生。
二、岗位工艺技术规定与操作指标(一)工艺说明当卸车机将煤料卸到储煤槽后,槽下的叶轮给煤机将煤给入煤1或煤3带式输送机。
(二)技术规定型号:YGM—600生产能力:200--600吨/小时物料粒度:≤300mm适应带宽:1200mm拨煤机构:叶轮直径2680mm叶轮转速3.76-8.3r/min 电机功率18.5kw行走机构: 行走速度2.7m/min 电机功率2×2.2kw车轮直径350mm三、岗位操作时序每日当班工作时序如下:(1)、班前准备:穿戴好劳动保护用品,提前30分钟参加班前会,听取值班主任布置工作及安全要求;(2)、接班:提前15分钟到岗进行设备点检;(3)、当班8小时生产操作:①、当班8小时内设备点检:按点检要求进行;②、完成班长交待的其它生产任务。
(4)、交班:①、交班前30分钟进行卫生清扫和设备点检;②、接班前向班长汇报本岗位生产、设备运行情况及存在问题;③、设备检修后,必须将检修情况向接班人员交待清楚;④、未见到接班人,或未将工作交待清楚,接班人未同意接班,不准离开岗位。
四、操作方法。
叶轮给煤机的检修工艺方法一、叶轮给煤机的结构叶轮给煤机主要用于火力发电厂缝隙式煤沟,通过设备沿轨道前后行走和拔煤叶轮的转动,将煤沟槽两侧的原煤连续、均匀地拔到煤沟输煤胶带上,能在行走中给煤,也可定点给煤。
下图所示为叶轮给煤机的基本结构。
▲叶轮给煤机的基本结构1—副边梁2—中部架3—主减速器4—煤斗5—叶轮6—锥齿轮减速器7—除尘系统8—主边梁9—蜗杆减速器10—行走减速器11—电控箱12—联轴器护罩13—车轮二、叶轮给煤机的检修项目1、检修项目(1)解体检查各减速器及其油质油位、修理或更换不合格零件。
(2)解体检查各个传动联轴器,更换不合格零件。
(3)检查叶轮的破损情况和变形情况,更换耐磨衬板。
(4)拆除叶轮主轴,清洗检查轴承及轴封,必要时更换。
(5)解体检修行走轮组及传动轴和轴承。
(6)检查煤斗的破损及变形情况,进行修复或补焊,消除漏煤现象。
(7)检查轨道的直线度和轨距的平行度。
消除螺栓的松动和焊缝的开裂。
(8)检查修理导料槽,保证输料畅通,不撒煤、不堵煤。
(9)解体检查喷雾泵,疏通喷雾管、喷嘴,清理水槽、水箱和泵以及进水管、单向阀等。
(10)更换各部润滑油及润滑脂。
2、检修工艺(1)将需检修的叶轮给煤机行驶到端头检修场地,停放在合适位置后,办理停电手续。
(2)拆除电动机联轴器连接件。
(3)清理叶轮上和各部位的积煤、杂物、挂好吊装工具。
(4)拆除叶轮保护罩螺钉,将保护罩分部吊下。
(5)拆除锥齿轮箱底座螺钉,放净箱内存油,将叶轮和锥齿轮箱(组合件)整体吊下进行解体检修。
(6)将主减速器底座螺钉拆除,放净箱内存油,整体吊下进行解体检修(也可以只将上盖吊下就地检修)。
(7)吊下或就地检修起重机减速器和各齿轮联轴器。
(8)检查行走轮磨损情况及键的配合情况是否有松动现象。
(9)检查行走轮轴的轴承(更换轴承应列为非标准项目)。
(10)将起重机减速器内存油放净后,进行解体检修。
(11)各部件解体清洗、检查、修理,合乎质量标准后,即可组装。
叶轮给煤机检修工艺规程1.1 叶轮给煤机设备概况叶轮给煤机是通过叶轮爪,把原煤由长缝式煤槽内按给定量、均匀、连续地拨给带式输煤运输机的机械设备。
我厂输煤系统共配置了8台叶轮给煤机。
在#11、#12皮带机上安装了四台YGM-600叶轮给煤机,在#13、#14皮带机上安装了四台QYG—600叶轮给煤机。
1.2 设备规范a 型号意义:#1沟叶轮:YGM----600出力t/h叶轮给煤机#2沟叶轮:b 主要技术参数:a、YZS650减速机或BPD15-35-15-6P摆线针轮减速机解体检修;b、伞齿轮减速机解体检修;c、JZQ350减速机或BWD13-35-1.5摆线针轮减速机解体检修;d、行走机构蜗杆减速机解体检修;e、叶轮、衬板的检修;f、叶轮护罩、导料槽、挡帘等检修;g、喷雾除尘设备检修;1.4 检修工艺及质量标准1.4.1YZS650减速机检修工艺及质量标准参照圆柱齿轮减速机检修部分;1.4.2伞齿轮减速机,结构示意见图1.1a 解体工序:1)拆下叶轮上盖板锁紧螺母。
2)用专用工具拆下叶轮,放至固定位置。
3)拆除起板器,放在固定位置。
4)拆叶轮落煤斗紧固螺栓,吊放到一定位置。
5)拆叶轮主轴上密封盖及下压盖。
6)拆横轴密封盖上部螺钉,松下螺钉。
7)拆除的各部位螺栓应集中放置。
8)拆箱体结合面螺栓,吊起上箱体并清洗。
9)吊出主轴清洗各部位轴承及箱体内部油污。
10)测量横轴轴向间隙,做好记录。
11)测量横轴与叶轮轴各部尺寸是否符合图纸要求,若不符合标准,应予修复或更换,具体方法参照第12章有关内容。
12)拆各密封盖内羊毛毡,更新毛毡。
图1.1伞齿轮减速机示意图主要零部件表1)首装横轴以YZS650减速机输出轴为中心找正下箱体水平,不平度不大于0.05mm。
2)装主轴各部轴承,吊立主轴,装进上箱体。
3)上下箱结合面≤0.03mm,采用609密封胶密封。
4)对称紧固结合面螺栓,装下压盖,密封盖及更新毛毡。
给煤机检修工序及质量标准
1、给煤机结构
整个给煤机由机体、给料皮带机构、链式清理刮板机构、称重机构、堵煤及断煤信号装置、润滑装置及电器管路、控制柜和电源动力柜等组成。
煤从原煤斗通过煤闸门进入给煤机,并由皮带送至给煤机出口。
在给煤机内装有两根称重托辊,它与皮带组成一个称重跨距。
在称重跨距的中间有一称重辊,上面装有负荷传感器。
在主皮带轮上装有测速传感器,能测出皮带的输送速度,从而计算出给煤量。
给煤机主要技术参数:
最大给煤量为60t/h;进料口直径为508mm;进料口与排料口的中心间距最小为2085mm;给煤皮带电动机功率为2.2KW;链式清理刮板电动机为0.37kw。
2、给煤机检修
3、煤粉分配器
3.1煤粉分配器:
双可调煤粉分配器型号:PCD-da/450×4v
3.2煤粉分配器工作原理:
先把待分配的煤粉气流分为浓相和稀相两股气流,分别引入浓、稀相空间,分为四根支管,浓相引出管与相应的稀相引出管相通,经稀相
引出管引到燃烧器燃烧。
浓相调节煤粉量,稀相调节空气量,实现双可调对煤粉和空气的调整的目的。
3.3煤粉分配器的检修:
4、一次风管:
4.1一次风关检修(管径φ508×10)
4.2热风系统。
叶轮给煤机检修规程3.1设备概况叶轮给煤机是火力发电厂缝隙式煤沟中配套的主要设备之一。
它可沿煤沟纵向轨道行走或停在一处,用水平方向转动的叶轮把煤定量、均匀、连续地拨到输煤皮带上。
3.2设备规范QYG300QYG600QYG1000QYG1500出力范围(t/h)50 〜300150〜600300〜1000500〜1500物料粒度(mm)< 350叶轮直径(mm)① 2680① 3000叶轮转速(r/min) 1.9 〜5.8 2.7 〜8.33〜10 4 〜12.4主电机功率(kW)1518.52230行走电机功率(kW) 2.2 X 23X 2行走速度(m/min) 2.09 3.74车轮直径(mm)①350①450轨道型号(kg/m)24轨距(mm)2000(2250)16001800受电型式安全滑触线或动力电缆控制型式控制电缆、载波或无线遥控控制方式程控、就地B=1000、B=1200 或配用皮带B=800 或B=1000B=1400最大轮压(t) 2.3 2.53 3.5总重量(t) 7.157.8610.6512.5最大单件重量(t) 3.55最大单件尺寸(长X7000X 2200X 6007700X 2800 X700宽x高)mm3.2.2主要部件3.3设备大修周期及标准项目3.3.1大修周期:两年3.3.2大修项目及目的3.3.2.1机座、机架、外壳清扫检查、修理。
3.3.2.2叶轮拆卸、检查、校正、补焊、更换。
3.3.2.3叶轮传动机构的清洗、检查、解体检修。
3.3.2.4行走部分的清洗、检查、解体检修。
3.3.2.5行走轮及轴的检查、修理及校正。
3.3.2.6导料槽及导料皮子、防尘帘的更换与修理。
3.3.2.7小修项目中的所有内容。
3.4设备小修周期及标准项目3.4.1小修:一年3.4.2小修项目及目的3.4.2.1未到大修时间内而损坏的部位。
3.4.2.2导料槽皮子、防尘帘的更换。
目录三相异步电动机检修工艺流程 (2)三相异步电动机验收标准 (4)低压隔爆开关检修工艺流程 (6)低压隔爆开关检修验收标准 (8)锚杆机检修工艺流程 (10)锚杆机验收标准 (12)矿用隔爆型充电机检修工艺流程 (14)矿用隔爆型充电机质量验收标准 (16)电机车(电气部分)检修工艺流程 (17)电机车(机械部分)检修工艺流程 (19)电机车质量验收标准 (20)局部通风机的检修工艺流程 (22)轴流风机质量验收标准 (24)排沙泵检修工艺流程 (25)排沙泵质量验收标准 (28)三相异步电动机定子绕组 (29)重绕嵌装工艺流程 (29)三相异步电动机定子绕组 (32)重绕嵌装验收标准 (32)各类减速机检修工艺流程 (34)减速机验收标准 (36)刮板输送机检修工艺流程 (37)刮板输送机检修质量验收标准 (38)回柱绞车检修工艺流程 (40)回柱绞车质量验收标准 (41)胶带输送机检修工艺流程 (42)胶带运输机检修质量验收标准 (44)离心式水泵检修工艺流程 (45)水泵质量验收标准 (47)内齿轮绞车检修工艺流程 (48)内齿轮绞车质量验收标准 (49)耙斗式装岩机检修工艺流程 (50)耙装机质量验收标准 (52)喷浆机检修工艺流程 (54)喷浆机验收标准 (55)涨紧绞车检修工艺流程 (56)涨紧绞车质量验收标准 (58)三相异步电动机检修工艺流程一、拆卸1、外部清理,遥测绝缘2、拆引线,打开接线室,旋下固定螺丝,拆卸接线盒,做好标记将引线拆除。
3、用千斤顶或液压拉马拆卸皮带轮或联轴器,难以拆卸的可进行加热处理。
4、拆卸风罩和风叶,对于塑料风叶可用热水加热膨胀拆除。
5、做好标记,拆卸轴承盖和前后端盖。
为防止定子、转子机械碰伤,可在气隙中加石棉垫。
6、抽出转子,为防止线圈损伤,可在绕组端部垫纸垫加以保护。
7、拆卸轴承,用拉马或铜棒敲击将轴承拆卸,对于损坏难以拆卸轴承可用气割法将其拆除。
叶轮给煤机安全操作规程叶轮给煤机是一种常用的松散物料输送设备,主要用于煤炭生产中对煤炭进行输送和加工。
由于叶轮给煤机存在一定的安全隐患,为了确保工作安全,应制定相关的安全操作规程。
下面介绍叶轮给煤机的安全操作规程,以保障工作安全。
一、叶轮给煤机安全操作前准备1、工作人员必须熟悉叶轮给煤机的结构、性能和安全操作规程,通过培训和考核合格后方可上岗。
2、工作人员必须穿戴好工作服、工作鞋,必须戴好安全帽、工作手套和防护眼镜等个人防护用品。
3、叶轮给煤机必须按照标准要求组装完毕,各部件已经固定好,电源已经接好,待工作人员进行检查。
4、工作人员应检查输送带绕组的情况是否正常,检查输送带上有无异物,是否有破损、断裂等情况。
5、工作人员应按照相关规定清除设备场地内堆积的物料、垃圾等物品,保持设备场地和场地周围清洁整洁,防止跌倒和碰撞。
二、叶轮给煤机安全操作1、启动操作前必须检查油位、电源开关状态以及其他设备是否正常。
2、启动时应按照操作规程按序操作,严禁任意调整、关闭或操作相关设备。
3、调节设备时,应使用专门的调速器,不得在设备正常工作时挡住或干扰设备。
4、工作人员应时刻注意设备工作状态,如发生异常情况,应严格按照操作规程进行处理或报告相关负责人员。
5、定期检查设备各部件的运行情况,如出现故障及时排除,保证设备正常运行。
6、停机前必须做好关闭设备的准备工作,断电并按照操作规程做好封闭设备、接地处理等工作。
三、操作中的安全要点1、要时刻保持注意力集中,严禁操作员喝酒、吸烟或睡觉等,以防机械失灵造成人员伤害。
2、待设备停止运转后,应先关闭设备电源,再排除设备内残余物料,避免设备发生卡死现象。
3、不得用手插进叶轮给煤机的输送带上,以免造成伤害。
4、工作人员必须先停止设备运行,并接好喷淋水管,方可进行清洗设备。
5、若设备出现异常情况,工作人员应尽量保证自身安全,及时上报相关负责人员,遵照相关安全操作规程应对。
综上所述,叶轮给煤机是一种复杂的输送设备,操作人员必须严格按照安全操作规程操作,保证工作人员和设备的安全。
叶轮给煤机检修作业程序技术要求质量控制点序号作业名称作业程序技术要求质量控制点1工作前准备整理、汇总设备的点检记录、中小修记录、给油脂记录、非计划停机等各种记录,充分了解停运前设备运行状况,分析、推测设备的劣化倾向,根据维修技术标准,设计出具有针对性的检修方案。
填写设备运行状况表备品备件材料工、机、量具的准备。
危险点的分析及控制措施,完善安全及防范措施安全技术交底2解体前准备将设备运行至检修位置办理热力机械工作票检查起重设备是否完好检查备品备件材料是否符合要求,工、机、量具是否安全可靠用电葫芦吊起起吊孔盖板3 整体设备的解体叶轮传动减速器的拆卸:①割掉挡煤板挑杆,松叶轮罩螺栓,拆掉叶轮罩;②拆下叶轮运至检修场地;③拆下煤斗运至检修场地;④拆主减速机与电机联轴器、主减速器与伞齿减速器联轴器,松主减速器、伞齿减速器地脚螺栓,将减速器吊至检修场地行走减速器的拆卸:①拆下齿轮联轴器的联结螺栓;②拆下蜗轮减速器与机架的安装螺栓;③将蜗轮减速器整体从车轮花键轴上抽出;除尘水泵的拆卸:①拆除水泵接口;②拆除尘水泵地脚螺栓,将水泵运至检修场地4. 1 主减速器的解体检修拆卸减速器上盖:①用柴油或煤油清洗后检查外壳有无裂纹和异常现象;②打好装配印记,拆卸轴承端盖;③拆除上盖螺栓和联轴器螺栓,检查螺栓有无残缺和裂纹,将螺母旋到螺栓上妥善保存。
④将上盖用螺丝顶起,先检查有无被漏拆的螺丝和其它异常情况,确认无误后,将上盖吊起,放在准备好的垫板上;⑤用塞尺或铅丝法测量各轴承间隙,每套轴承应多测几点,以最小的数值为该轴承的间隙值,并做好记录;⑥将减速器内的润滑油放净存入专用油桶;齿轮的检修:齿轮的检查与拆卸:①将齿轮清洗干净,检查齿轮的磨损情况和有无裂纹、掉块现象。
轻者可修理,重者需更换;②利用千分表和专用支架,测定齿轮的轴向和径向跳动,如不符合要求,应对齿轮和轴进行修理;③转动齿轮,观察齿轮的啮合情况;检查齿轮有无剥皮、麻坑等情况;用钢棒敲击法检查齿轮在轴上的紧固情况;④用塞尺或压铅丝法测量齿顶、齿侧间隙,并做好记录;⑤用齿隙法检查齿形。
广东省粤电集团有限公司连州发电厂磁盘号:编号:Q/LD-ZY-JW02—1-13-2005N125机组叶轮给煤机检修作业指导书设备编号:# 叶轮给煤机编写:何伟2005/10/21初审:审核:审定:批准:检修性质:版次:B01 页数:7200X-XX-XX发布200X-XX-XX实施广东省连州发电厂发布1说明1.1本作业指导书适用于MYG-600型叶轮给煤机标准大修。
1.2本作业指导书须经维修部审核,安生部审定,厂部批准后方可使用。
1.3本作业指导书的检修工序及检修质量标准依据部颁《发电厂检修规程》,本厂《燃料设备检修工艺规程》,说明书及图纸和历次的检修经验确定。
1.4本作业指导书的安全技术措施依据部颁《电业安全工作规程》及本厂《现场安全工作规程》。
1.5本作业指导书计划工时依据《发电设备检修劳动定额》。
1.6本作业指导书计划费用依据《发电设备标准项目大修材料消耗》。
1.7本作业指导书的使用按照程序编号依次进行。
1.8本作业指导书若需修改,须重新执行上述第1.2条。
1.9本作业指导书的不符合项管理按厂颁《不合格品控制程序》执行。
1.10为保证修后能可靠、安全、灵活和高效运行,需对下述环节的检修质量着重控制。
1.10.1轴承各部间隙调整严格控制在技术标准范围内。
1.10.2叶轮给煤机各部件检修应符合质量标准。
1.10.3工器具材料的准备及使用。
1.10.4整体验收。
2 目的2.1保证MYG-600型叶轮给煤机的标准大修符合本厂技术管理要求。
2.2为所有参加本项目的工作人员确定必须遵循的质量保证程序。
2.3为各级质量验收人员质量管理人员提供参考依据。
3目标3.1检修全过程无不安全情况发生。
3.2设备大修后验收合格率达100%,评价优。
3.3修后设备达到一次启动成功,能连续达到安全、经济、满出力运行。
3.4修后设备各部振动≯0.06mm,轴承温度≯60℃。
3.5设备管网及动静密封点无渗漏,保证一个小修间隔无临修。
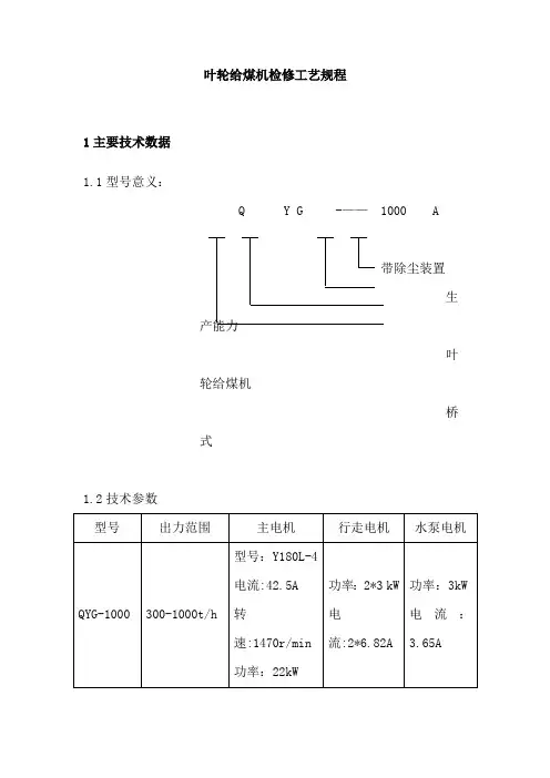
叶轮给煤机检修工艺规程
1主要技术数据
1.1型号意义:
Q Y G -—— 1000 A
带除尘装置
生
产能力
叶
轮给煤机
桥
式
1.2技术参数
2 概述
叶轮给煤机主要用于火力发电厂缝隙式煤沟,通过设备沿轨道前后行走和拔煤叶轮的转动,将煤沟槽两侧的原煤连续、均匀地拔到煤沟输煤胶带上,能在行走中给煤,也可定点给煤,并适用于煤炭、化工、建材、矿山、冶金等行业实现连续给料。
我厂共安装4台叶轮给煤机,A、B路各安装两台,相互备用。
QYG调频式叶轮给煤机电气控制采用最先进的变频调速方式实现无级调速,并对原有的控制回路以及元器件的选型进行了全面的改进,保证了整个系统正常、安全稳定运行,降低了故障点,减小了检修工作量,使整个系统的性能得到全面改进。
并适用于就地、集控、程控等不同的运行方式。
QYG型调频式叶轮给煤机电气控制箱采用变频器。
变频器特别适用于交流变速传动的电压源型变频器,包括各种选件。
该变频器为微处理器控制,采用特殊的脉宽调制方法和可选择的脉冲频率,使电动机静音运行,各种不同的保护功能使变频器和电动机得到全面的保护。
3 工作原理
根据叶轮给煤机的工作环境及现场较高的电磁干扰,本控制系统的控制回路的所有交流接触器、时间继电器、中间继电器均采用220VAC控制。
变频器的调速信号采用4~20mA的电流传输及加阻容滤波器降低线路的干扰。
闭合启动按钮,左行限位、右行限位时间继电器吸合,保护延时继电器及中间继电器吸合。
中间继电器吸合,变
频器按顺时针方向旋转,并以最低转速300r/min旋转。
按左行按钮、右行按钮,行走接触器分别吸合,叶轮机本体左、右行走。
当叶轮给煤机主电机电流超过变频器内部设置以及左、右行走电机超过热继电器设置时,故障停机转换继电器吸合,使电机得到有效保护。
4 检修周期及项目
4.1 大修周期:4年
4.2 大修项目
4.2.1 主电机大修(参照电机大修项目)。
4.2.2 滑缆大修。
4.2.3 动力箱清扫检查。
4.2.4手操器检查必要时更换。
4.2.5 变频器检修
5 检修工艺及质量标准
5.1 检修前的准备工作
5.1.1 做好检修前的原始记录。
5.1.2 准备好照明和工具,准备好合乎要求的起吊钢丝绳、卡环等起重工器具。
5.1.3 开好检修工作票,办好检修手续,确保安全措施已做好。
5.1.4 清除叶轮机体上的积煤及杂物。
5.2 滑缆的检修
5.2.1 先从动力箱解下动力电缆及控制电缆,要求解线时记号明确、清楚,以防恢复接线时出现错误。
5.2.2 从检修间工字钢开口处将滑缆连同小车一同抽出,要求不要碰坏电缆。
5.2.3 将抽出的小车及电缆进行处理,对破损的电缆进行包扎处理,用专用工具将小车拆下,经过清洗,保持每个小车动作灵活,对损坏的小车进行更换。
5.2.4 对钢丝绳要加以调整,保证每一节钢丝绳的长度小于电缆的长度,对钢丝绳要断的地方重新联接(用钢丝绳卡头)。
5.3 手操器的检修
5.3.1 将与手操器连接的插头拔下,取出手操器。
5.3.2 对各个回路进行检查。
5.3.3 对损坏的元件进行更换。
5.3.4 检查电流表及转速表有无异常现象,并加以处理。
5.4 变频器检修
5.4.1 检查各连接线是否正确,有无松动过热现象。
5.4.2 检查电源电压是否为380V。
5.4.3 打开变频器,检查内部各元器件有无异常,用高级的软毛刷仔细清扫灰尘。
5.4.4 检查控制连接线是否松动,控制方式拨码开关是否正确(在I 位置)。
5.4.5 以上工作完毕后,重新装上变频器外壳,送电检查各参数设置是否正确。
6 检修后的试运行
6.1 空载试运
应先启动拨煤机构电动机,调节手操器,使拨煤机构由低速向高速过渡。
如果无异常现象,再启动行走机构电机。
如无异常现象,先停行走机构电机,然后再停拨煤机构电动机。
6.2 带负载运行
空载试运后方可投入带负载试运。
带负载试运同时检查各电动机声音是否有异常和不正常噪音,同时用钳形电流表测量三相不平衡电流值。
机器运行中常见故障、原因及处理方法
7 常见故障、原因及处理方法:。