总图校审细则
- 格式:docx
- 大小:43.46 KB
- 文档页数:18
施工图校审制度操作细则为保证及时有效的做好施工图校审工作,对施工图校审制度和操作流程做如下规定:一.设计师完成施工图绘制后,在进入预算前必须进行图纸审核。
二.施工图必须符合以下要求,方可进入校审程序:1.必须有填写规范完整的《客户咨询表》、《项目跟踪手册》、《关于室内空气检测的操作说明》和《设计洽谈记录》等文件。
2.施工图纸符合甲方或业主确认的方案绘制完整,并经业主会签确认。
3.设备图纸绘制完整,相关工种间有交叉部分必须会签确认,装饰与设备有交叉部分,必须经相关设备工种会签确认。
4.《材料确认表》必须清晰明确,并经业主会签确认。
三.家装施工图实行二级审核制度,工装施工图实行三级审核制度。
1.校对:校对工作由各设计组组长或与项目设计师平级的设计师担任。
校对工作针对图纸是否内容完整、图纸绘制是否符合标准化要求和材料说明是否明确等几方面进行,记录在《项目跟踪手册》的《图纸校审记录表》中,并在图纸上会签。
施工图的设备部份校对由设备部设计师担任,针对管道走向是否合理、强弱电出口位置及高度是否准确和特殊要求的供电是否遗漏等方面进行,并在图纸上会签。
2.审核:审核工作由研发设计师担任。
审核工作复核校对内容,针对图纸表达深度、施工可行性和主推材料选用情况等几方面进行,记录在《项目跟踪手册》的《图纸校审记录表》中,并在图纸上会签。
家装项目由研发部主管签字同意即可办理出图手续。
3.审定:审定工作由设计公司副总或以上设计师担任。
审定工作复核校对审核的内容,做进一步审查,记录在《项目跟踪手册》的《图纸校审记录表》中,并在图纸上会签。
工装项目由审定设计师签字同意方可办理出图手续。
四.校审工作须做到及时有效,操作时间必须符合以下规定:1.校对工作视施工图纸数量,一般家装或住宅类工装施工图应在24小时内完成,图纸量较大的项目可酌情延长,但不多于两个工作日。
项目设计师根据校对意见及时进行修改,并重新校对。
2.审核工作视施工图纸数量,一般家装或住宅类工装施工图应在24小时内完成,图纸量较大的项目可酌情延长,但不多于两个工作日。
附件1《各专业校审制度》工艺专业校审制度一、校对:校对人职责:1、校对人资格:必须具备工程师职称达3年以上,并由公司确认可进行校对的人员。
2、校对人应详细了解设计项目的基础资料、设计要求及条件,详细校对复查设计人所完成的全部工作。
对设计人所提供的图纸、计算书,应逐一校对。
检查设计是否符合现行规定、规范和标准及政策。
校对时应该考虑其他相关专业配合的可能性。
3、校对人应对所校对的主要内容(包括设备、特定楼面的荷载、参数输入数据,图纸中的主要尺寸等)进行详细标识。
对发现的问题进行引注。
对校对后修改的图纸应进行复校。
4、校对人对所校对的计算书、图纸、说明书负有直接责任。
因校对人员失职未发现问题、出现错漏碰缺或明显不合理现象,造成经济损失和社会影响的,校对人应承担20%的责任(设计人承担70%的责任,审核人承担10%的责任)。
5、在校对过程中,如发现设计有重大的非局部性错误,图纸不全或一张2#图有6个以上错、漏、碰、缺,可退回设计人重新自校改正,重新校对。
6、因校对粗糙等原因,图纸质量达不到要求,审核人有权发回重新校对。
7、校对后必须及时在公司管理信息系统上填写“校审卡”,在设计质量考核表上对设计人员评分。
校对主要内容:1、图面是否符合制图标准;图纸的名称、编号、比例、图例是否正确;设备基础、特定构造布置图之间,大样图与平面图之间关系是否相符;轴线、尺寸、坐标、标高、符号、设备定位、表格等有无错、漏、碰、缺。
2、计算书中的计算简图、计算方法、输入数据、公式和结果是否正确符合要求。
3、设计内容是否满足现行规范、规程和标准的要求,是否符合业主提出的设计要求。
4、重点检查设备定位尺寸、设备相互定位尺寸、非标管道是否与计算结果相符。
特定构造是否正确。
图纸、文字说明是否相符。
5、本专业与其他专业之间的衔接关系是否正确。
6、设计深度是否满足国家及主管部门规定的设计深度要求。
二、审核:审核人职责:1、审核人资格:必须是资深高级工程师(5年高工以上),并由院确认符合要求的技术人员。
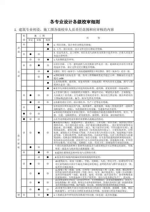
各专业设计各级校审细则1. 建筑专业初设、施工图各级校审人员责任范围和应审核的内容2. 结构专业初设、施工图各级校审人员责任范围和应审核的内容3. 设备专业初设、施工图各级校审人员责任范围和应审核的内容3.3 消防给水、防排烟通风系统:3.5 锅炉房系统:4. 电气专业初设、施工图各级校审人员责任范围和应审核的项目4.4 防雷与接地4.5 火灾自动报警系统4.6 楼宇控制与保安系统:说明:1. ●为主要责任范围,◎为次要责任范围。
2. 本细则未列入的问题,其所属责任范围由总工办确定。
各专业互校实施细则1. 建筑专业1.1 建筑与结构1.1.1 总平面建筑、场地、道路标高及室外管线控制界线与结构基础地下构筑物的关系;地下室屋面布置道路、消防车道、覆土厚度与结构荷载。
1.1.2 平面(1)平面轴网布置及编号,柱及承重墙体的尺寸关系与结构专业必须保持一致;(2)房间使用性质必须交代清楚,和结构专业荷载的确定必须对应;(3)上人屋面与非上人屋面应交代清楚,与结构专业屋面荷载取值必须对应;(4)建筑洞口尺寸和结构尺寸的协调问题;(5)窗井、空调板、平台、雨篷、挑檐等凸出及挑出部分的尺寸,楼梯间尺寸。
1.1.3 剖面(1)楼板的建筑标高和结构标高必须一致;(2)门窗洞口、梁底标高建筑和结构专业必须一致;(3)门头、雨罩、阳台等两专业标高必须一致;(4)楼梯梁底距地面或踏步的距离要符合规范净高限值要求。
1.1.4 构造(1)建筑自承重墙和结构承重构件的连接;(2)外墙大样和结构承重体系一致;(3)钢雨篷、钢装饰架与结构主体构件连接是否已交代;(4)变形缝和结构专业的一致性;(5)地下室防水构造、防水砼设计抗渗等级和结构专业的关系。
1.2 建筑与给水排水1.2.1 总平面建筑物、场地、道路、绿化等与室外给水排水管线布置的关系;1.2.2 室内管沟、屋顶排水、上下水管道、消防管道等的路由、标高、控制吊顶标高及垂直方向管道井部位和尺寸及大型设备安装运输孔洞预留的落实;1.2.3 竖井、设施布置是否一致;1.2.4 给水排水专业防火设计和建筑专业应相协调,核对有关泵房、控制室、室内消火栓的位置,设备室的防火门等级是否满足规范要求。
附件1《各专业校审制度》工艺专业校审制度一、校对:校对人职责:1、校对人资格:必须具备工程师职称达3年以上,并由公司确认可进行校对的人员。
2、校对人应详细了解设计项目的基础资料、设计要求及条件,详细校对复查设计人所完成的全部工作。
对设计人所提供的图纸、计算书,应逐一校对。
检查设计是否符合现行规定、规范和标准及政策。
校对时应该考虑其他相关专业配合的可能性。
3、校对人应对所校对的主要内容(包括设备、特定楼面的荷载、参数输入数据,图纸中的主要尺寸等)进行详细标识。
对发现的问题进行引注。
对校对后修改的图纸应进行复校。
4、校对人对所校对的计算书、图纸、说明书负有直接责任。
因校对人员失职未发现问题、出现错漏碰缺或明显不合理现象,造成经济损失和社会影响的,校对人应承担20%的责任(设计人承担70%的责任,审核人承担10%的责任)。
5、在校对过程中,如发现设计有重大的非局部性错误,图纸不全或一张2#图有6个以上错、漏、碰、缺,可退回设计人重新自校改正,重新校对。
6、因校对粗糙等原因,图纸质量达不到要求,审核人有权发回重新校对。
7、校对后必须及时在公司管理信息系统上填写“校审卡”,在设计质量考核表上对设计人员评分。
校对主要内容:1、图面是否符合制图标准;图纸的名称、编号、比例、图例是否正确;设备基础、特定构造布置图之间,大样图与平面图之间关系是否相符;轴线、尺寸、坐标、标高、符号、设备定位、表格等有无错、漏、碰、缺。
2、计算书中的计算简图、计算方法、输入数据、公式和结果是否正确符合要求。
3、设计内容是否满足现行规范、规程和标准的要求,是否符合业主提出的设计要求。
4、重点检查设备定位尺寸、设备相互定位尺寸、非标管道是否与计算结果相符。
特定构造是否正确。
图纸、文字说明是否相符。
5、本专业与其他专业之间的衔接关系是否正确。
6、设计深度是否满足国家及主管部门规定的设计深度要求。
二、审核:审核人职责:1、审核人资格:必须是资深高级工程师(5年高工以上),并由院确认符合要求的技术人员。
图纸设计审核细则一、审核的基本原则1、合规性原则审核图纸设计是否符合国家和地方的法律法规、标准规范以及相关政策的要求。
包括建筑、结构、电气、给排水、暖通等各个专业领域的强制性条文。
2、功能性原则审查图纸是否满足项目的使用功能需求,如空间布局是否合理、交通流线是否顺畅、设备设施是否能够正常运行等。
3、安全性原则重点关注图纸中的结构安全、防火安全、抗震安全等方面,确保建筑物在正常使用和极端情况下的稳定性和可靠性。
4、经济性原则评估图纸设计在满足功能和质量要求的前提下,是否做到了成本的合理控制,避免不必要的浪费和过度设计。
5、可施工性原则考虑图纸中的设计内容在施工过程中的可操作性,是否便于施工组织、施工工艺的实施以及施工质量的控制。
二、审核的主要内容1、建筑专业(1)总平面图审核建筑物的位置、朝向、间距、周边环境等是否合理;消防车道、消防登高面、出入口等设置是否符合规范要求。
(2)平面图检查房间布局、功能分区、面积指标等是否满足设计任务书的要求;门窗的位置、尺寸、开启方式是否恰当;楼梯、电梯、卫生间等公共设施的布置是否符合规范和使用要求。
(3)立面图审查建筑外立面的造型、色彩、材质等是否美观、协调;外墙面的保温、防水、遮阳等措施是否合理。
(4)剖面图核实建筑物的层高、净高、室内外高差等是否符合要求;结构构件的尺寸、位置是否准确。
2、结构专业(1)结构体系审核所选用的结构体系是否合理,是否满足建筑功能和抗震要求;结构布置是否规则、对称,传力途径是否明确。
(2)计算书检查结构计算模型、参数取值、计算结果等是否准确可靠;构件的强度、刚度、稳定性等是否满足规范要求。
(3)基础设计审查基础选型、埋深、承载力计算等是否合理;基础与上部结构的连接方式是否可靠。
(4)构件设计核实梁、柱、板、墙等构件的尺寸、配筋是否符合计算要求和构造规定;节点详图是否清晰、准确。
3、电气专业(1)供配电系统审核电源进线方式、电压等级、负荷计算、变压器容量等是否合理;配电柜、配电箱的布置是否便于操作和维护。
图纸会审管理工作细则图纸会审是建筑施工过程中不可或缺的环节,通过对施工图纸的会审,可以提前发现和解决施工中的问题,保证工程的顺利进行。
为了有效地组织和管理图纸会审工作,制定一份详细的工作细则是非常必要的。
本文将从会审组织、会审流程、会审内容、会审要求等方面,详细介绍图纸会审管理的工作细则。
一、会审组织1.成立专门的图纸会审组,由高级工程师或项目经理担任会审组长,其他相关工程师和技术人员担任会审组员。
2.会审组应具备相应的资质和丰富的施工经验。
3.会审工作要有专门的会审室,设有会审记录和存档系统。
二、会审流程1.图纸交底:施工单位应在会审之前提交施工图纸,并对图纸进行详细的说明和解释,以便会审组成员对图纸内容有充分的了解。
2.初次会审:会审组根据交底的内容,对图纸进行初次会审,主要检查图纸的完整性、合理性和可施工性。
3.修改:如果在初次会审中存在问题或需要改进的地方,会审组应及时提出修改意见,并要求施工单位进行相应的修改。
4.二次会审:经过施工单位的修改后,会审组对图纸进行二次会审,核对修改情况是否达到要求。
5.最终确认:经过二次会审后,合格的图纸应由相关人员进行最终确认,并由相关负责人签字确认。
三、会审内容1.图纸合理性:会审组主要检查图纸的布局、尺寸、比例等,确保图纸的合理性和准确性。
2.图纸完整性:会审组需要确认图纸中是否缺漏了任何重要的信息或细节,确保图纸的完整。
3.施工可行性:会审组要评估图纸中的设计方案是否符合实际施工的要求,是否存在施工上的难点和风险。
4.技术标准:会审组要检查图纸中是否符合相关的技术标准和规范要求。
5.工期计划:会审组要检查图纸中的工期计划和施工顺序,确保施工能按照预定的进度进行。
四、会审要求1.会审记录:会审组应编制详细的会审记录,包括问题和修改意见,并及时通知施工单位进行修改。
2.会审意见:会审组应根据图纸的实际情况,提出详细的会审意见和建议,确保图纸的质量和施工的顺利进行。
第四节各阶段设计文件的校审细则一、总体设计校审细则(一)设计输入、输出及多个设计单位内外相关文件1.输入(1)可行性研究报告(项目申请报告)和批文(核准文件)。
(2)国土资源行政主管部门对项目土地预审的批复文件。
(3)环境影响报告书及其批复文件。
(4)主管部门和业主对总体设计重大问题的决定(会议纪要、批复文件)。
(5)厂址和建厂条件,区域规划情况。
(6)厂外工程意向协议。
(7)与有关部门签订的依托社会和老企业项目的有关协议。
(8)引进项目(装置)与外商签订的引进合同和会议文件等。
(9)开工报告。
(10)《石油化工大型建设项目总体设计内容规定》及其相关技术标准。
(11)其他有关重要文件。
2.输出(1)本单位项目负责人及相关专业:项目经理、设计经理及工艺、设备、管道、电控、土建、概算等专业,一次条件,二次条件。
(2)各设计协作单位一次条件,二次条件。
(3)各次总体设计协调会总图输出设计图纸及文件。
(二)厂址和厂条件1.厂址概况(1)核对下列内容,校审地理位置图、区域位置图,工厂地理位置、区域位置是否符合国家批准(核准)的文件规定。
(2)当地自然条件,包括地形、地貌、气象、地质条件、地震烈度等,有无疑问或缺项;指北针和风玫瑰图表示的是否正确。
(3)生产区、居住区、水源地、给排水走向、总变电站及高压输电线路、铁路、公路、码头、渣场等的位置和名称是否正确。
(4)厂区与相邻工厂或设施的间距是否符合我国现行的防火、安全、卫生、环境保护、机场航道、军事设施等的标准和规范。
(5)是否符合防洪标准(GB 50201),区域防洪设施能否保证工厂安全。
(6)项目占用土地和现有村庄(或居民点)拆迁的情况。
(7)区域规划情况,地区和城市的现状和发展规划概况。
(8)地区协作配合条件和生活福利设施条件概况。
2.建厂条件核对项目供水、供电、供汽、供气、通信等基础设施和发展规划,可供本工程的情况,原料、燃料供应,施工建设条件等,特别是数据应一致。
建筑方案总图审核要点建筑方案总图审核是一个非常重要的过程,它决定了建筑物是否能够符合规划要求,满足功能需求,并且具备安全可靠性。
以下是建筑方案总图审核的一些要点。
首先,需要审核的是建筑方案总图的规划性。
这包括建筑物的位置、朝向、外形以及与周边环境的协调性等。
建筑物应该合理安排在规划范围内,不得影响到周边道路、绿地等公共设施的使用,同时也要保证建筑物的美观性与整体规划的一致性。
其次,建筑方案总图审核要重点关注建筑物的功能性。
建筑物的功能分区、布局、空间利用等方面应当符合设计要求。
不同功能区域之间的布局应当合理,交通流线要通畅,不得出现过密或者空间浪费等问题。
此外,建筑物的场地利用要符合规定,不得存在违建或占用绿地等情况。
另外,建筑方案总图审核还需要考虑建筑物的结构可行性。
建筑物的结构设计应当合理,能够承受预计的荷载,且具备稳定性和抗震能力。
审核人员需要检查建筑物的结构图纸,并核实相关设计参数,确保建筑物的结构能够满足要求。
此外,审核人员还需要关注建筑物的安全性。
建筑物应该满足消防安全要求,包括疏散通道、防火墙等消防设施的设置,同时也需要具备安全疏散和紧急救援的能力。
此外,建筑物的供水、排水、电气等设施也需要符合相关的安全标准,确保使用过程中不出现安全事故。
最后,建筑方案总图审核还需要关注建筑物的节能性和环保性。
建筑物应该合理利用太阳能、风能等可再生能源,降低能耗,减少环境污染。
审查人员需要检查建筑物的节能设计,如隔热材料、节能设备等,确保建筑物在节能和环保方面的要求得到满足。
综上所述,建筑方案总图审核涉及到多个方面,包括规划性、功能性、结构可行性、安全性、节能性和环保性等。
审核人员需要对建筑方案总图进行全面细致的检查,确保建筑物能够满足各方面的要求,并达到预期的效果。
只有通过了建筑方案总图审核,才能进一步进行施工和建设,确保建筑物的质量和可靠性。
精品文档附件1《各专业校审制度》工艺专业校审制度一、校对:校对人职责:1、校对人资格:必须具备工程师职称达3年以上 ,并由公司确认可进行校对的人员。
2、校对人应详细了解设计项目的基础资料、设计要求及条件 ,详细校对复查设计人所完成的全部工作。
对设计人所提供的图纸、计算书 ,应逐一校对。
检查设计是否符合现行规定、规范和标准及政策。
校对时应该考虑其他相关专业配合的可能性。
3、校对人应对所校对的主要内容(包括设备、特定楼面的荷载、参数输入数据 ,图纸中的主要尺寸等)进行详细标识。
对发现的问题进行引注。
对校对后修改的图纸应进行复校。
4、校对人对所校对的计算书、图纸、说明书负有直接责任。
因校对人员失职未发现问题、出现错漏碰缺或明显不合理现象 ,造成经济损失和社会影响的 ,校对人应承担20%的责任(设计人承担70%的责任 ,审核人承担10%的责任)。
5、在校对过程中 ,如发现设计有重大的非局部性错误 ,图纸不全或一张2#图有6个以上错、漏、碰、缺 ,可退回设计人重新自校改正 ,重新校对。
6、因校对粗糙等原因 ,图纸质量达不到要求 ,审核人有权发回重新校对。
7、校对后必须及时在公司管理信息系统上填写“校审卡” ,在设计质量考核表上对设计人员评分。
校对主要内容:1、图面是否符合制图标准;图纸的名称、编号、比例、图例是否正确;设备基础、特定构造布置图之间 ,大样图与平面图之间关系是否相符;轴线、尺寸、坐标、标高、符号、设备定位、表格等有无错、漏、碰、缺。
2、计算书中的计算简图、计算方法、输入数据、公式和结果是否正确符合要求。
3、设计内容是否满足现行规范、规程和标准的要求 ,是否符合业主提出的设计要求。
4、重点检查设备定位尺寸、设备相互定位尺寸、非标管道是否与计算结果相符。
特定构造是否正确。
图纸、文字说明是否相符。
5、本专业与其他专业之间的衔接关系是否正确。
6、设计深度是否满足国家及主管部门规定的设计深度要求。
二、审核:审核人职责:1、审核人资格:必须是资深高级工程师(5年高工以上) ,并由院确认符合要求的技术人员。
图纸会审管理工作细则范本第一章总则为规范项目图纸会审工作,提高图纸会审质量,确保项目图纸设计的科学性、合理性和可行性,特制定本工作细则。
第二章范围本细则适用于项目中的图纸会审工作,包括项目的方案设计、施工图设计及其他有关图纸的会审工作。
第三章责任1.项目负责人项目负责人负责图纸会审的组织、协调和监督工作,确保图纸设计符合项目需求,并做出相关决策。
2.图纸会审专家图纸会审专家应具备相关专业知识和丰富的实践经验,负责对图纸进行审查、评审和提出合理的修改意见。
3.项目设计人员项目设计人员负责根据项目需求,编制图纸设计方案,并根据会审意见进行修改和完善。
第四章流程1.图纸会审申请项目设计人员根据项目需要,向项目负责人提出图纸会审申请,提供相关图纸设计文件。
2.图纸会审组织项目负责人根据图纸会审申请,组织组成图纸会审专家组,并确定会审时间和地点。
3.图纸会审评审会审专家根据所提供的图纸设计文件,进行评审和审查,提出修改意见和建议。
4.图纸会审整理会审专家整理会审意见,并编写图纸会审报告,提供给项目负责人和设计人员。
5.图纸会审追踪项目设计人员根据会审意见,进行图纸修改和完善,确保设计方案的合理性和可行性。
第五章要求1.会审专家的资质要求会审专家应具备相关专业资格证书,并具备一定的项目经验和实践经验。
2.会审意见的提出会审专家应针对图纸的科学性、合理性和可行性进行审查,提出具体的修改意见和建议。
3.设计人员的配合设计人员应积极配合会审工作,根据意见进行修改和完善,确保图纸设计的合理性和质量。
4.会审记录的保存会审记录和相关文件应妥善保存,以备后续查阅和参考。
第六章安全管理在图纸会审过程中,需重点关注项目的安全性,确保设计方案符合相关的安全规范和要求。
第七章附则本细则自公布之日起执行,如有需要,可根据实际情况进行调整和修改。
以上是图纸会审管理工作细则的范本,仅供参考。
具体细则可根据项目的实际情况和需要进行调整和补充。
第四节各阶段设计文件的校审细则一、总体设计校审细则(一)设计输入、输出及多个设计单位内外相关文件1.输入(1)可行性研究报告(项目申请报告)和批文(核准文件)。
(2)国土资源行政主管部门对项目土地预审的批复文件。
(3)环境影响报告书及其批复文件。
(4)主管部门和业主对总体设计重大问题的决定(会议纪要、批复文件)。
(5)厂址和建厂条件,区域规划情况。
(6)厂外工程意向协议。
(7)与有关部门签订的依托社会和老企业项目的有关协议。
(8)引进项目(装置)与外商签订的引进合同和会议文件等。
(9)开工报告。
(10)《石油化工大型建设项目总体设计内容规定》及其相关技术标准。
(11)其他有关重要文件。
2.输出(1)本单位项目负责人及相关专业:项目经理、设计经理及工艺、设备、管道、电控、土建、概算等专业,一次条件,二次条件。
(2)各设计协作单位一次条件,二次条件。
(3)各次总体设计协调会总图输出设计图纸及文件。
(二)厂址和厂条件1.厂址概况(1)核对下列内容,校审地理位置图、区域位置图,工厂地理位置、区域位置是否符合国家批准(核准)的文件规定。
(2)当地自然条件,包括地形、地貌、气象、地质条件、地震烈度等,有无疑问或缺项;指北针和风玫瑰图表示的是否正确。
(3)生产区、居住区、水源地、给排水走向、总变电站及高压输电线路、铁路、公路、码头、渣场等的位置和名称是否正确。
(4)厂区与相邻工厂或设施的间距是否符合我国现行的防火、安全、卫生、环境保护、机场航道、军事设施等的标准和规范。
(5)是否符合防洪标准(GB 50201),区域防洪设施能否保证工厂安全。
(6)项目占用土地和现有村庄(或居民点)拆迁的情况。
(7)区域规划情况,地区和城市的现状和发展规划概况。
(8)地区协作配合条件和生活福利设施条件概况。
2.建厂条件核对项目供水、供电、供汽、供气、通信等基础设施和发展规划,可供本工程的情况,原料、燃料供应,施工建设条件等,特别是数据应一致。
(三)总图运输1.厂区总平面布置(1)核对厂区位置,占地面积及其地形、地貌、水文、交通情况。
(2)总图布置原则是否符合国家有关方针、政策,是否结合建设项目的具体情况,并贯彻了工厂设计改革的精神,执行关于工厂设计的若干规定。
(3)工厂的主要组成(含厂外)和占地面积表是否正确。
(4)凡新征厂区用地必须同时符合五项控制指标,应核查:投资强度、容积率、建筑系数 >30%,绿地率,以及行政办公及生活服务设施用地所占系数<7%。
(5)厂区总平面布置说明是否周到合理。
(6)主要工程量表(含厂外)是否正确,是否有漏项。
(7)厂区总平面布置图是否符合我国现行的技术标准和规范,特别是工程建设标准强制性条文,根据说明或表格逐一核查,主要有:《石油化工企业设计防火规范》、《石油化工企业总体布置设计规范》、《石油化工企业厂区总平面布置设计规范》、《工业企业总平面设计规范》、《建筑设计防火规范》、《化工企业总图运输设计规范》、《化工建设项目环境保护设计规范》、《石油化工全厂性仓库及堆场设计规范》以及其他有关的必须执行的标准、规范。
(8)厂区总平面布置图的图面。
①总体设计总平面布置图深度是否符合要求,参照深度规定示意图。
②装置区、罐区、公用工程、火炬区、铁路、道路、装卸区、主管廊、生产管理和绿化区等的布局是否合理,是否满足生产工艺、管理、安全、消防、环保、安装检修等要求。
③厂内铁路联络线/装卸线、汽车运输线与水运码头的联系是否经济合理,能否满足货物装卸及行车需要。
④全厂坐标网系统及换算是否正确,铁路、道路、街区、建(构)筑物(包括围墙、大门、主管廊)等的坐标标注是否正确。
⑤图面表示的风(风向、风速)玫瑰图依据的数据是否可靠,其绘制是否合乎标准。
注:当工程坐标方向与大地坐标方向一致时,应采用正北向N;当工程建筑坐标方向与大地坐标方向有偏角时,应加注工厂北PN,并注明角度(α)。
⑥图例、图表是否标准完备;图注是否全面恰当;图签内各项是否正确。
2.厂区竖向布置及土方工程(1)竖向设计原则及竖向布置说明是否符合有关规范与标准,特别是强制性条文,满足工艺生产、防火安全、交通运输、场地排水等的要求。
(2)标高系统的换算是否正确,设计标高的选定是否合理。
(3)估算的土方、石方量是否合理。
(4)余土的去向及缺土的取土来源是否可靠,其对环境的影响应予以说明。
3.工厂运输(1)全厂运输。
①运输原则、运输方案是否合理。
②运输量表和运输方式是否正确。
③运营管理方式是否符合工厂设计改革的精神。
④运输工具的配置原则是否合理,核查运输工具配置一览表。
(2)铁路运输。
①运输方案的说明,包括厂内铁路专用线的设置是否合理。
②铁路运输能力、技术条件。
③运输设施和设备配置、厂内外的交接方式。
④计量和管理体制等是否合理。
(3)水路运输(包括海运)。
①码头的位置、数量、吨位、吞吐能力和装卸方式。
②后方陆域设施及其与工厂的关系。
③计量和管理体制是否合理。
(4)公路运输(含集装箱运输)。
①厂内道路布置、形式、宽度、路面结构、净空高度与厂外公路的连接以及桥涵的布置。
②货物运输量。
③运输设施和设备配置。
④计量和管理体制是否合理。
(5)管道运输。
①管道运输的管径、能力、厂内设施。
②计量和管理体制是否合理。
(6)工厂内部倒运是否经济合理。
4.总图主要技术经济指标总图主要经济指标是否正确,有无漏项。
5.厂外工程(1)厂外工程的项目是否准确,分工是否落实。
(2)厂内、外工程的界面条件是否正确,有无漏项。
(四)总图工程设计规定1.说明工程设计规定一般由专业负责人编制,经校审后,在本专业工程设计开始前完成。
本规定须经评审/确认。
设计人员在设计中,按照确认后的工程设计规定开展工作。
一般工程项目应尽量选用通用设计规定,当对通用的设计规定有少量修改或补充时,则列人设计规定汇总表中;当通用设计规定有较多的内容不能适用于工程时,才编制工程设计规定。
2.校审细则(1)工程设计规定中总图运输专业执行的规范和标准是否适用于本项目,并与其他专业的工程设计规定相协调。
(2)坐标标高系统及其换算关系是否正确。
(3)对总平面布置的各项规定是否符合有关规范标准,特别是强制性条文的要求。
关于总体设计的协作是否符合该项目的实际需要。
(4)对竖向设计的各项规定是否正确合理,应特别注意装置内铺砌地面最高点±0.00 的确定。
(5)架空管线、管架跨越铁路、道路的最小净空要求是否符合规范的有关规定。
(6)厂内道路的设置,其宽度、转弯半径、坡度、与建(构)筑物之间的距离等是否符合规范的规定和项目具体情况的要求。
(7)厂区地面铺砌的规定是否恰当。
(8)铁路的布置、建筑限界等是否符合规范的规定。
(9)厂区绿化是否符合有关规范的要求。
(五)图纸目录(1)图纸目录上的图纸名称和编号应与设计图纸上的一致。
(2)图纸目录上各项是否按照公司和工程项目的规定填写完整。
二、基础设计/初步设计校审细则(一)总图运输初步设计说明书1.设计依据(1)与总图运输有关的文件。
①批准的可行性研究报告,核准的项目申请报告所附的厂址选择报告、有关协议等是否齐全。
②采用的法规和标准规范是否恰当,有针对性。
③《石油化工装置基础工程设计内容规定》及其相关技术标准。
(2)设计基础资料是否齐全、准确。
①地形测量资料及地貌情况。
②与总图设计有关的工程地质与水文地质资料,江河湖海的水文资料。
③气象资料(核对,有无问题)。
a.土壤最大冻结深度。
b.全年及夏季主导风向频率(16个方向和静风)。
c.年平均风速(16个方向),最大风速。
d.年平均降雨量、最大降雨量。
④本地区的地震烈度。
2.厂区概况(对照厂区位置图、区域规划图)(1)工厂地理位置,厂区四周及其与工业园区、居民区、农村、公共设施的联系。
(2)当地交通运输现状及规划。
(3)厂区地形、地貌、场地类型、最高及最低海拔标高、坡度和坡向。
(4)工程地质及水文地质特征概述。
(5)厂区占用土地面积、占用耕地、山林、湖塘等的面积;现有居民房舍及其他设施的拆迁数量。
(6)指北针或风玫瑰图依据的数据是否正确,绘制是否合格。
3.总平面布置说明(对照总平面布置图)(1)总平面布置原则。
总平面布置是否进行了多方案的比较,各方案的优、缺点;确定总图的主要依据。
(2)街区的划分、通道宽度的确定,装置区、罐区及防火堤、公用辅助设施、铁道、道路、管线、生产管理及绿化等的布局说明是否合理,是否满足了生产、管理、安全、消防、环保、施工安装(包括大件运输)、人货流组织以及环境应急处置措施的要求。
(3)总平面布置中工艺装置或设施、罐组及罐间距、相邻设备、建筑物或构筑物之间的防火间距是否满足防火规范的规定。
(4)厂区布置是否考虑了主导风向、建筑朝向等有利于环境保护。
(5)总平面布置对主要建(构)筑物适应工程地质、水文地质特征的说明,厂区的防洪标准及防洪涝措施是否准确到位。
(6)是否体现了工厂设计模式改革的精神,做到一体化、统筹规划,并贯彻了节约用地的原则。
(7)总平面布置的主要经济技术指标。
①各项指标的计算是否正确,是否符合标准规范。
②项目的土地利用是否符合《工业项目建设用地控制指标》的规定:投资强度X X万元/公顷,容积率炼油≥0.5、化工≥0.6,建筑系数≥30%,行政办公及生活服务设施占地小于或等于总用地面积的7%,因生产工艺等特殊要求的绿地率不得超过20%等。
(8)核对图面。
①全厂坐标系统及其换算是否正确,道路、街区、建(构)筑物(包括围墙、大门、主管廊)等的坐标标注是否正确。
②图面表示的风(风向、风速)玫瑰图依据的数据是否可靠,其绘制是否合乎标准。
[注意:当工程坐标方向与大地坐标方向有偏角时,应加注工厂北PN,并注明角度(α)。
]③图例、图表是否标准完备;图注是否全面恰当;图签内各项是否正确,是否符合规定。
4.竖向布置(参照土方估算图)(1)竖向布置原则是否合理、符合实际情况,是否符合生产工艺流程对高程的要求,是否符合依山就势、因地制宜、节约土石方的要求;厂区标高的选定是否适应街区建(构)筑物及管线埋设深度的要求;高填深挖时,须提出防止滑坡、边坡失稳的措施和余土处理方法;所选定的场地标高及排水方式能否保证场地不受洪水与地区积水的威胁。
(2)竖向布置方式(平坡式、阶梯式、混合式)的确定及图示方法是否合理。
(3)建筑物的士0.00与绝对标高的关系是否表示清楚。
(4)核对土石方工程平衡表、填挖数量及平衡程度、缺土来源及余土去向。
(5)说明中对洪水及周围高地对场地的影响是否确切,对山洪、急流的防护措施是否正确。
5.工厂运输(1)核对全厂货物运输量及全厂运输量总表、运输方案是否合理。
(2)核对铁路运输量表及车辆周转表。
①线路设计(包括厂内线与厂外线的连接与分界)、工厂站和厂内接发线等线路的布置、有效长度和线路总长是否合理。