建筑设计院校审规范第四部分-施工图校对细则
- 格式:doc
- 大小:143.00 KB
- 文档页数:5
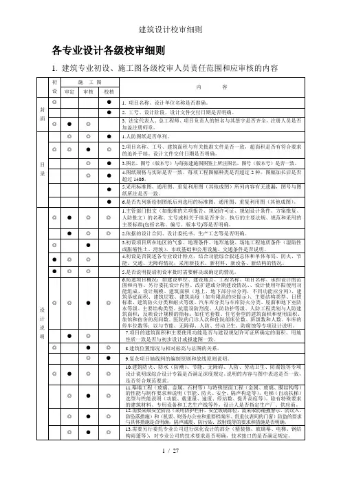
各专业设计各级校审细则1. 建筑专业初设、施工图各级校审人员责任范围和应审核的内容2. 结构专业初设、施工图各级校审人员责任范围和应审核的内容3. 设备专业初设、施工图各级校审人员责任范围和应审核的内容4. 电气专业初设、施工图各级校审人员责任范围和应审核的项目说明:1. ●为主要责任范围,◎为次要责任范围。
2. 本细则未列入的问题,其所属责任范围由总工办确定。
各专业互校实施细则1. 建筑专业1.1 建筑与结构1.1.1 总平面建筑、场地、道路标高与室外管线控制界线与结构基础地下构筑物的关系;地下室屋面布置道路、消防车道、覆土厚度与结构荷载。
1.1.2 平面(1)平面轴网布置与编号,柱与承重墙体的尺寸关系与结构专业必须保持一致;(2)房间使用性质必须交代清楚,和结构专业荷载的确定必须对应;(3)上人屋面与非上人屋面应交代清楚,与结构专业屋面荷载取值必须对应;(4)建筑洞口尺寸和结构尺寸的协调问题;(5)窗井、空调板、平台、雨篷、挑檐等凸出与挑出部分的尺寸,楼梯间尺寸。
1.1.3 剖面(1)楼板的建筑标高和结构标高必须一致;(2)门窗洞口、梁底标高建筑和结构专业必须一致;(3)门头、雨罩、阳台等两专业标高必须一致;(4)楼梯梁底距地面或踏步的距离要符合规范净高限值要求。
1.1.4 构造(1)建筑自承重墙和结构承重构件的连接;(2)外墙大样和结构承重体系一致;(3)钢雨篷、钢装饰架与结构主体构件连接是否已交代;(4)变形缝和结构专业的一致性;(5)地下室防水构造、防水砼设计抗渗等级和结构专业的关系。
1.2 建筑与给水排水1.2.1 总平面建筑物、场地、道路、绿化等与室外给水排水管线布置的关系;1.2.2 室内管沟、屋顶排水、上下水管道、消防管道等的路由、标高、控制吊顶标高与垂直方向管道井部位和尺寸与大型设备安装运输孔洞预留的落实;1.2.3 竖井、设施布置是否一致;1.2.4 给水排水专业防火设计和建筑专业应相协调,核对有关泵房、控制室、室内消火栓的位置,设备室的防火门等级是否满足规范要求。
施工图校审制度操作细则为保证及时有效的做好施工图校审工作,对施工图校审制度和操作流程做如下规定:一.设计师完成施工图绘制后,在进入预算前必须进行图纸审核。
二.施工图必须符合以下要求,方可进入校审程序:1.必须有填写规范完整的《客户咨询表》、《项目跟踪手册》、《关于室内空气检测的操作说明》和《设计洽谈记录》等文件。
2.施工图纸符合甲方或业主确认的方案绘制完整,并经业主会签确认。
3.设备图纸绘制完整,相关工种间有交叉部分必须会签确认,装饰与设备有交叉部分,必须经相关设备工种会签确认。
4.《材料确认表》必须清晰明确,并经业主会签确认。
三.家装施工图实行二级审核制度,工装施工图实行三级审核制度。
1.校对:校对工作由各设计组组长或与项目设计师平级的设计师担任。
校对工作针对图纸是否内容完整、图纸绘制是否符合标准化要求和材料说明是否明确等几方面进行,记录在《项目跟踪手册》的《图纸校审记录表》中,并在图纸上会签。
施工图的设备部份校对由设备部设计师担任,针对管道走向是否合理、强弱电出口位置及高度是否准确和特殊要求的供电是否遗漏等方面进行,并在图纸上会签。
2.审核:审核工作由研发设计师担任。
审核工作复核校对内容,针对图纸表达深度、施工可行性和主推材料选用情况等几方面进行,记录在《项目跟踪手册》的《图纸校审记录表》中,并在图纸上会签。
家装项目由研发部主管签字同意即可办理出图手续。
3.审定:审定工作由设计公司副总或以上设计师担任。
审定工作复核校对审核的内容,做进一步审查,记录在《项目跟踪手册》的《图纸校审记录表》中,并在图纸上会签。
工装项目由审定设计师签字同意方可办理出图手续。
四.校审工作须做到及时有效,操作时间必须符合以下规定:1.校对工作视施工图纸数量,一般家装或住宅类工装施工图应在24小时内完成,图纸量较大的项目可酌情延长,但不多于两个工作日。
项目设计师根据校对意见及时进行修改,并重新校对。
2.审核工作视施工图纸数量,一般家装或住宅类工装施工图应在24小时内完成,图纸量较大的项目可酌情延长,但不多于两个工作日。
建筑专业校审细则3 建筑3.1 初步设计3.1.1 校对a)文件的内容是否符合国家、地方相关法规及上级主管部门的规定,设计文件编制是否完整、是否符合规定要求;b)设计基础资料(工程及水文地质、地形图、气象、地震基本烈度等)是否正确并有正式文件依据;c)图面内容、图纸深度、规格是否符合规定;比例、投影、尺寸是否正确;d)工程项目是否齐全,名称编号与总论篇是否相符;e)建、构筑物平面布置、空间组合是否合理,面积是否符合有关规定指标;f)设计是否符合有关技术标准、规范要求(如防火、防爆、卫生、防腐蚀、抗震等);g)建筑方案是否技术先进、经济合理、安全可靠,是否符合统一模数制;h)选用复用设计是否恰当;i)校对委托资料是否与有关专业衔接;j)生活设施是否合理,是否符合国家定额指标;k)说明是否简明地反映本工程要求;l)计量单位是否符合国家统一实行的法定计量单位;m)主要概算工程量及计算有无错漏。
3.1.2 审核a)设计与计划任务书或设计委托书及主管部门有关文件是否相符;b)主要设计基础资料数据引用是否正确。
包括计算书中所采用的设计条件、基础数据、计算公式、计算参数;c)是否满足有关专业生产操作、检修、安装、交通运输及防火规范和使用要求;d)平面、空间配置及立面造型是否合理、可行,是否符合“实用、经济、美观”的原则,结构选型是否先进、可靠。
如需发展是否考虑了扩建的可能;e)是否符合国家有关标准、规范,有无特殊的建筑(如防腐蚀、抗震、软土、膨胀土、盐渍土、湿陷性黄土等)处理措施,是否切实可行;f)选用标准、定型设计或复用设计是否恰当,是否符合模数制要求;g)与总图是否相符;h)造价标准是否符合要求和土建部分工程概算是否合理。
3.1.3 审定a)设计是否符合计划任务书或设计委托书及主管部门批准文件的要求;b)设计是否符合“实用、经济、美观”的原则;c)平面布置、空间处理是否合理、适用,是否满足生产操作、检修、安装、交通运输、防火规范和有关专业的综合要求;d)建筑方案是否技术先进、经济合理、安全可靠、便于施工;e)与总图及全厂性工程是否协调,对于发展问题的考虑是否恰当;f)特殊要求的建筑(软土、膨胀土、湿陷性黄土、防腐蚀、抗震等)处理措施是否恰当;g)造价标准和工程概算是否控制在规定范围之内。
各专业设计各级校审细则1. 建筑专业初设、施工图各级校审人员责任范围和应审核的内容2. 结构专业初设、施工图各级校审人员责任范围和应审核的内容3. 设备专业初设、施工图各级校审人员责任范围和应审核的内容3.3 消防给水、防排烟通风系统:3.5 锅炉房系统:4. 电气专业初设、施工图各级校审人员责任范围和应审核的项目4.4 防雷与接地4.5 火灾自动报警系统4.6 楼宇控制与保安系统:说明:1. ●为主要责任范围,◎为次要责任范围。
2. 本细则未列入的问题,其所属责任范围由总工办确定。
各专业互校实施细则1. 建筑专业1.1 建筑与结构1.1.1 总平面建筑、场地、道路标高及室外管线控制界线与结构基础地下构筑物的关系;地下室屋面布置道路、消防车道、覆土厚度与结构荷载。
1.1.2 平面(1)平面轴网布置及编号,柱及承重墙体的尺寸关系与结构专业必须保持一致;(2)房间使用性质必须交代清楚,和结构专业荷载的确定必须对应;(3)上人屋面与非上人屋面应交代清楚,与结构专业屋面荷载取值必须对应;(4)建筑洞口尺寸和结构尺寸的协调问题;(5)窗井、空调板、平台、雨篷、挑檐等凸出及挑出部分的尺寸,楼梯间尺寸。
1.1.3 剖面(1)楼板的建筑标高和结构标高必须一致;(2)门窗洞口、梁底标高建筑和结构专业必须一致;(3)门头、雨罩、阳台等两专业标高必须一致;(4)楼梯梁底距地面或踏步的距离要符合规范净高限值要求。
1.1.4 构造(1)建筑自承重墙和结构承重构件的连接;(2)外墙大样和结构承重体系一致;(3)钢雨篷、钢装饰架与结构主体构件连接是否已交代;(4)变形缝和结构专业的一致性;(5)地下室防水构造、防水砼设计抗渗等级和结构专业的关系。
1.2 建筑与给水排水1.2.1 总平面建筑物、场地、道路、绿化等与室外给水排水管线布置的关系;1.2.2 室内管沟、屋顶排水、上下水管道、消防管道等的路由、标高、控制吊顶标高及垂直方向管道井部位和尺寸及大型设备安装运输孔洞预留的落实;1.2.3 竖井、设施布置是否一致;1.2.4 给水排水专业防火设计和建筑专业应相协调,核对有关泵房、控制室、室内消火栓的位置,设备室的防火门等级是否满足规范要求。
施工图校对要求中天城投集团贵阳房地产开发有限公司未来方舟技术部二O一三年七月建筑专业施工图设计文件校对工作要求一.校对人员的主要职责1.校对人员应遵守我院《部门及岗位职责》中关于校对的规定以及本工作要求的规定,接受下一环节的检查监督。
2.对设计文件的内容是否齐全、表述是否完整的正确(包括文字、图形、图表格式及填写、术语应用)进行校对,对图面的完整正确和无错、漏、碰、缺负责。
3.校对人员对其所提出的校对意见,对发现的设计错误或问题,必须认真做好校对记录,并有权要求设计人员进行修改,对设计人员不认真答复处理的,有权拒绝在施工文件中签名,校对与设计的意见不一致时,可由审核裁定,保留意见可记入《图纸校审记录》中。
4.必须认真校对工程设计有无违反强制性条文。
5.对不符合《建筑工程设计文件编制深度规定》之处,应有修改、补充意见。
二.对设计总说明的校对1.设计依据是否齐全正确,包括有关批文、规划部门等的批准手续、地形图及建筑红线等。
2.工程概况是否说明?其主要内容有:建筑使用性质、总建筑面积(其中地上、地下、商场、住宅等分别注明)层数(地上、地下)、总高度、±0.000的标高说明。
3.建筑类别、防火、抗震、人防的类别或等级说明是否正确?4.墙体材料说明、墙体厚度。
(注意:贵阳市、遵义市、六盘水市、安顺市等城市的工程不得使用粘土实心砖及实心页岩砖。
)5.各部分工程做法说明是否正确?选用标准图是否正确?包括:屋面、地楼面、地下层防水(防潮)、外墙装修、内墙及顶棚装修、各种栏杆、信报箱、厨卫排气(烟)道、晾晒设施、楼梯(含户内楼梯的安全及防火技术要求)、门窗说明(特别是对安全玻璃的选用)、油漆、室外工程等等。
大型工程宜有室内装修表,室外较复杂者,应有挡土墙、道路广场、排水沟等的做法说明。
每项均需逐条、逐字校对。
6.高层建筑中应交代管道井封堵要求。
7.应有建筑节能设计专项说明(或另列专篇),对建筑节能设计的内容是否齐全正确,包括建筑热工设计分区、各部位的节能材料与构造做法说明是否正确?建筑节能设计计算及采用的参数是否正确?选用标准图是否正确等,应逐项检查校对。
建筑业施工图纸审核规范一、审核的基本原则1、合法性审核施工图纸是否符合国家和地方的法律法规、规范标准以及相关政策要求。
确保图纸的设计和施工方案在法律允许的范围内,不存在违法违规的情况。
2、完整性检查施工图纸是否包含了项目所需的全部内容,如建筑、结构、给排水、电气、暖通等各个专业的图纸,以及图纸的目录、说明、图例等。
3、准确性核实图纸中的尺寸标注、标高、坐标等数据是否准确无误,建筑构件的布置、连接方式是否合理,材料的选用是否恰当等。
4、协调性审查不同专业之间的图纸是否相互协调,不存在冲突和矛盾的地方。
例如,建筑图与结构图在墙体位置、洞口尺寸等方面是否一致;给排水图与电气图在管道和线路的走向、交叉等方面是否配合得当。
5、可操作性评估施工图纸中的设计方案在实际施工中是否具有可操作性,施工工艺和方法是否合理,是否考虑了施工的难度和安全因素。
二、审核的主要内容1、建筑专业(1)建筑的功能布局是否满足使用要求,房间的面积、高度、朝向等是否合理。
(2)建筑的外立面设计是否美观、协调,符合规划和城市景观的要求。
(3)墙体、门窗、楼梯、电梯等建筑构件的设置是否符合规范,尺寸是否合适。
(4)防火分区、疏散通道、安全出口等消防设计是否符合消防规范的要求。
2、结构专业(1)结构体系的选择是否合理,能否满足建筑的承载要求和抗震要求。
(2)基础的设计是否安全可靠,是否考虑了地质条件和周边环境的影响。
(3)梁、柱、板等结构构件的尺寸、配筋是否准确,连接方式是否可靠。
(4)结构的变形缝、后浇带等设置是否合理。
3、给排水专业(1)给排水系统的设计是否满足水量、水压的要求,管道的管径、坡度是否合适。
(2)卫生器具、消火栓、喷头等设备的布置是否合理,是否符合规范要求。
(3)给排水管道与建筑结构、电气等专业的交叉是否协调。
(4)污水处理、雨水排放等设计是否符合环保要求。
4、电气专业(1)电气系统的负荷计算是否准确,供电方案是否可靠。
(2)照明、插座、配电箱等电气设备的布置是否合理,线路的走向是否安全。
设计项目校对与审核提纲不同防火分区的墙应为耐火极限3小时的防火墙和甲级防火卷帘及门窗,楼板屋面1。
5~1 外墙(非承重)1 窗间墙高1。
2m或防火挑檐宽1.0m需要用耐火极限不低于2h的不燃烧体隔墙,1.5h楼板,甲乙级防火门的位置:●疏散楼梯间●地下室,半地下室共用楼梯间时与地上部分连通部位●设置在仓库内的货梯井道,消防电梯●消防控制室,自动灭火系统的设备室,通风机房,空调机房,消防水泵房●居住部分与非居住部分●剧院后台的辅助房间●一二级耐火等级建筑的门厅●除住宅外,其他建筑内的厨房●舞台下面的灯光操作室及可燃物储藏室(大部分库房均有可燃物)消防登高面至少一个长边或周长长度的1/4且不小于一个长边,裙房高度小于等于5m,进深小于等于4m,必须设有直通室外的楼梯或直通楼梯间的出口.疏散楼梯疏散楼梯在出口层(不一定是首层)需要分隔去下层的楼梯,并设置门直通室外。
最小净距应大于等于1。
1m(多层) 1。
2m(高层)。
1.3(医院病房)1。
65(医院及疗养院主楼梯)1.4(商店及影剧院)剧院注明楼座后排及楼座的最大俯角。
水平视角门窗公建外窗的可开启面积不应小于窗面积的30%。
幕墙可开启面积不应小于幕墙面积的10%(广东)外窗的可开启面积不应小于窗面积的30%;透明幕墙应具有可开启部分或设有通风换气装置。
(公共建筑节能)平开窗开启扇净宽不宜大于0。
6m,净高不宜大于1。
4m,推拉窗开启扇净宽不宜大于0.9,净高不宜大于1。
5m。
隔热铝合金门窗应采用LOW—E中空玻璃或三玻中空玻璃。
低于900的窗应采取护窗措施,详图,门窗表应表达,防火门窗也应表达变形缝核实选用位置,避免室内的室外用。
非住宅类居住建筑:老年人建筑,幼儿园,托儿所,职工宿舍、学生宿舍酒店,酒店式公寓是公建公建节能采取措施后比未采取措施前总能耗应减少50%。
栏杆人员密集场所的台阶高度大于700,应采取防护措施.临空窗台小于800,(住宅900),应采取防护措施通风开口生活工作的房间通风开口有效面积不应小于该房间地板面积的1/20。
服务沟通职责外审和施工图纸会审施工图外审:施工图审查机构按照有关法律、法规,对施工图涉及公共利益、公众安全和工程建设强制性标准的内容进行的审查。
施工图纸会审:指工程各参建单位(建设单位、监理单位、施工单位)在收到设计院施工图设计文件后,对图纸进行全面细致的熟悉,审查出施工图中存在的问题及不合理情况并提交设计院进行处理的一项重要活动。
“小失误大后果”案例案例案例□一条变形缝没有表示案例□一个简单的镜像原图纸消防前室满足开启面积要求,调整后图纸窗开启减少不能满足要求案例□一个标高错误红色区域为初步设计时考虑商铺加建范围,结构均未预留加建面积2700㎡案例□一个标高错误绿色区域为甲方确认商铺加建必须砸掉重做地下室梁板范围面积约700㎡案例□一个标高错误此处地下室顶板梁板需砸掉重做高差1.6米 需砸掉梁板重做案例□一个标高错误此处地下室顶板梁板需砸掉重做高差1.6米 需砸掉梁板重做□一个标高错误需砸掉梁板重做案例此处地下室顶板厚300、350,需砸掉重做案例□一个小小的空调洞没留案例□少一条简单的排水沟案例□一条轴线错位了□少了一个门□一个门开反了□指北针方向错了职责重要的事情说三遍:校对很重要校对很重要校对很重要职责1、校对职责:公司质量管理手册5.4.1条,规定校对人对设计文件(图纸、说明书、计算书等)进行校对,对消除“错、漏、碰、缺”负全部验证责任;公司质量管理手册5.4.1条,设计人对设计的质量特性负设计责任,并进行自校,保证出手质量;审核人对设计的质量特性负主要验证责任;审定人对设计的功能性、安全性、经济性、可信性等质量特性中的重大原则问题负验证责任。
专业负责人对本专业整体设计质量负责;依据2、校对依据:□相关设计规范规范、图集□规划要点、方案批文、消防批文、人防征询单等各项政府批文□建设单位设计任务书□项目统一技术措施□制图规范:《建筑工程设计文件编制深度规定》2008年版(建设部编制) 《民用建筑工程建筑施工图设计深度图样》国标09J801 《建筑制图标准》GB/T50104-2010《房屋建筑制图统一标准》GB/T50001__2010依据依据目标4、校对目标:解决设计图纸中“错、漏、碰、缺”四个方面的问题(1)错——内容、规范、标高尺寸、计算等(2)漏——做法、材料、标高尺寸等(3)碰——专业配合、互提资料(4)缺——图纸深度内容4、校对内容:(1)核对是否符合设计依据;(2)核对数据:平面尺寸、垂直尺寸、标高、面积、洞口;(3)核对设计深度:做法材料尺寸是否交代齐全;(4)核对工种配合及管线综合:碰撞缺漏检查;(5)核对计算书:节能、疏散、各项指标等;要求5、公司对校对要求:公司质量管理手册5.4.2条,校审人员应按照《各专业施工图校审提纲》、 《各专业计算书的质量要求》 (建筑专业计算书包括面积计算书、消防疏散宽度计算书、节能计算书等)内容,认真实施验证,并填写“校审记录单”。
建筑设计院设计、审核、校对签字的责任分析(学习)图纸不签名就不能成为施工图,签名就要负法律效力,这是不容质疑的.而且要终生负责.为了便于你的理解,附上一篇网上摘抄的内容,不知道有没有具体的出处,但相信看后你会所感悟的.字是不能随便签的,设计人负60%--65%的责任,专业负责负20%--30%的责任,校对是10%,审核是5%,审定3%.一般是按这个比例.但是出了问题就看良心了,有些人就不讲责任了,都是设计的.一般不随便签字,一定要仔细看图,没问题才能签字.不以规矩,不成方圆.所谓大院设计质量高,靠的不是个人的力量,而是制度的力量.设计院有一套完整的规章制度,能够保证设计质量不因岗位人员变化而变化.作为有制度的设计院,一般是要实行二审三校制度的.即设计人自校、自审;校对人校对;审核人审核.一张图纸出手要经过至少3个人的签字,从而保证设计质量.其中每个人按照自己所在的岗位负责,拿相应岗位的钱.设计的岗位一般包括:设计人、专业负责人、校对人、审核人等,而审定人通常是行政的.各岗位所承担的责任如下:专业负责人专业负责人一般需要注册工程师才能签,对签字的图纸负责.在室主任及主任工程师的领导下,院级工程在院长及总工程师领导下,配合工程负责人组织和协调本专业的设计工作,对本专业设计的方案、技术、质量及进度负责.其主要职责是:1.在工程负责人领导下,依据各设计阶段的进度控制计划制定本专业各个设计进度的进度计划和设计任务的分工,经室主任审定后实施.2.应熟悉与本专业相关的法规.搜集分析设计资料,主持本专业方案及初步设计,并对本专业的方案和技术负全面责任.方案及初步设计应该向审核人汇报,必要时,提请室技术会议,院级工程由院技术会议讨论决策.并在后续阶段实施.3.负责编写方案及初步设计文件.有关专业应写好人防、消防、环保、节能等专篇.4.认真研究方案、初步设计阶段审批的意见.并对审批意见逐条落实.如执行有问题,应通过工程负责人与有关部门汇报认可,并有书面批复意见.认真填写审批处理意见记录表.5.施工图阶段,进一步解决本专业的技术问题.协调各专业之间的矛盾,负责各阶段的汇总.及时主动向有关专业提出要求,并以文字或图表向有关专业提供所需要的资料.所提资料专业负责人应签名、签日期.6.组织并指导本专业设计人及制图人进行施工图设计.编写有关本工程统一技术规定和图纸目录.协调解决工作中出现的问题,督促本专业设计人、制图人认真自小计算书和图纸,提供出手质量.专业负责人应检查设计、制图人的设计文件,质量符号要求后,交校对人校对.质量差的计算书和图纸应该要求设计人修改后再校对.7.检查校对人工作是否到位,是否写好校审记录单.无重大问题时,交审核人审核.校对、审核后由设计人一起修改.8.对本专业的设计质量进行自评.负责本专业设计文件的归档.9.开工前向施工单位进行设计交底.施工工程中,做好工地服务.负责洽商变更、补充图纸.参加竣工验收.负责施工阶段洽商等设计文件的归档.10.根据室和工程组的安排,进行工程回访和设计总结.11.在技术问题上,与审核人意见有矛盾时,应听取审核人意见,必要时向总工室汇报,组成讨论决策.设计人技术上、设计上接受专业负责人的指导与安排,对本人的设计进度和质量负责.主要职责是:1.根据专业负责人的安排制定设计进度计划,按时完成所承担的设计任务.2.认真研究设计基础资料,领会设计意图,掌握设计标准,做好所负责部分的方案设计,解决有关技术问题.3.设计计算符合本工程的统一技术规定,计算准确无误,符合本专业对计算书的质量要求.无论是手算还是电算,设计人均应该对计算结果的准确、安全、经济合理负责.4.施工图阶段,在专业负责人的领导下,负责解决好所负责部分的工种关系,给其它专业提条件,参加各阶段汇总.施工图应该符合设计深度要求,构造合理.图面紧凑、清晰、整洁、易读.5.计算书、图纸认真自校,提高出手质量,对校对人、专业负责人、审核人提出的意见应该认真修改,并在校审记录单上写好处理意见.6.按设计文件归档要求整理好设计文件,较专业负责人统一归档.7.配合专业负责人做好设计交底工作,参加工地服务.8.对施工图实习及毕业实习学生所画图纸,设计人认真校对后,交校对人校对.9.根据上级审核所定原则对设计文件、图纸的设计质量、图面质量及计算数据负责;10.对所做工作与其它专业的配合协调负责;11.对与校对人、审核人意见不一致时,有权要求上一级直至总师作进一步仲裁,对仲裁的最后决定仍有不同意见时,可以保留备案,但必须执行;12.对所设计的工作因不符合规定而发生质量事故时负主要责任,应及时向上级汇报,分析原因、总结教训、进行检查处理.校对人在专业负责人领导下,对所校对的设计成品的质量负责.主要职责是:1.按时完成图纸、计算书的校对任务.2.校对人要看相关工种的图纸及所提资料,校对过的项目要符合规范、规程和统一技术措施的要求.计算书、图纸、说明等无错误和遗漏.负有根据上级审核所定原则,校对本专业图纸、计算书的设计依据、计算方法、计算数据和图面质量正确无误的责任;3.填写好校审记录单.签图时,注意设计人的处理意见.凡属技术性不同意见由专业负责人裁定.4.如发现设计文件不齐、问题太多,通过专业负责人有权退回设计人,重新自校修改后再校对.校对中发现的问题,有权要求设计人员修改,在未修改完善前有权拒绝签字;5.对经手校对的工作因不符合第1条规定而出现除上级审核所定的原则问题以外的重大质量事故时,与设计人负同等责任,应协助设计人进行检查处理.审核人1.审核人应该在各设计阶段到位,参与方案、重要技术问题的讨论、审查与决策.方案阶段:审查有关设计条件及主管部门的文件是否齐全并符合国家法规、规范.对设计指导思想、创优项目的创优目标及措施加以指导.分析比较各个方案,审核推荐方案.--初步设计阶段:研究方案审批意见,在方案调整及深入解决技术问题的过程中,及时指导,提建议,并参加讨论决策.对一般技术问题多尊重专业负责人意见,重要技术问题应指导在前.施工图阶段:研究初步设计审批意见及有关主管部门对消防、人防、环保等专篇的审查意见,与工程负责人、专业负责人共同研究、落实.凡不能落实的,应研究解决办法,向有关部门汇报、落实、备案.对施工图阶段需要深化解决的技术问题加以指导、审核.2、对各设计阶段的成品及设计文件的质量全面负责.检查专业负责人、校对人是否到位.检查校审记录单.在审核过程中,如发现校对未到位,有权退回重校.对经验少的校对人,应加以指导,协助做好校对工作.3、对各阶段设计文件全面审核.设计成品符合“建筑工程设计文件编制深度的规定”.设计成品应符合批准的设计任务书、符合国家(包括所在地区)编制的法规、规范、规程的要求.审批意见得到贯彻、落实.各阶段所定方案、技术问题、构造措施等在施工图中得到全面落实.在设计人自校、校对人校对后,全面检查审核设计文件是否齐全;计算书、图纸是否准确;图签是否规范.写好审核记录单.审定人审定人从院或室的行政领导角度对成品质量负责.应重点审查以下内容:1、设计文件是否齐全,是否符合国家的政策、法规.各主管部门的审批文件是否齐全.审批意见是否认真贯彻并有记录.2、对各专业中有关创新的部分,如建筑方案、各专业中采用的新材料、新技术等重大技术问题应重点审定.3、检查设计成品的质量:工程负责人、专业负责人、校对、审核是否到位,校审记录单是否齐全.计算书、图纸质量是否符合院有关质量管理的规定.4、检查图签栏各岗位是否符合有关注册建筑师职业规定及院认定的技术岗位.。
1.2校对按照本专业的校对提纲对设计文件及计算书等进行全面校对,对文件表达应符合制图标准和设计深度要求负责。
1.2.1 校对设计内容与基础资料、现行规范标准中的有关规定、数据以及有关专业提交的设计任务书或协作资料是否相符。
1.2.2 提交有关专业的设计任务书或协作资料的内容是否准确。
1.2.3 验算计算结果是否正确。
1.2.4 设计中文字部分是否简明通顺,内容、数据是否表达准确,并改正错别字。
1.2.5 对设计图面上出现的错、漏、碰、缺进行甄别。
1.2.6 采用的通用图、重复使用图纸是否符合设计要求。
1.6 建筑专业施工图校对提纲1.6.1图纸目录1.6.1.1图号、图纸名称与每张建施图签上所列图号、名称等是否一致。
1.6.1.2图纸规格与实际是否一致。
1.6.1.3采用通用图、标准图目录所列内容有无遗漏,所注图集号与设计图纸所注的号是否一致。
1.6.2 文本部分. 1.6.2.1 设计说明设计依据是否叙述明确。
设计规模和建筑面积是否与图纸一致。
设计标高和总图的对应关系是否一致。
建筑类别、耐火等级是否明确。
抗震设计烈度是否明确。
需要重点说明的内容(如防火、防水、防潮、人防、防腐蚀、建筑节能等专项设计、做法)是否准确。
其他文字说明是否与图纸一致。
1.6.2.2 材料做法表所列内容是否满足本项目设计的要求,并与设计图纸一致。
各类做法的标准、用料、配比、工序、厚度是否恰当、合理。
需看样确定的材料和颜色是否已经注明。
1.6.2.3 室内装修表表中所列房间或空间(如走道)有无遗漏。
每个房间的楼地面、内墙面、顶棚、踢脚、墙裙等所采用的材料做法是否合理并符合功能使用要求。
表中所注做法的编号是否与材料做法表及设计图纸所注相符。
1.6.2.4 门窗表类别、设计编号、洞口尺寸、樘数是否与设计图纸相符。
立面分格图、采用标准图编号是否准确。
特种门窗、防火门等级是否标注明确。
采用门窗、玻璃性能技术指标是否清楚。
1.6.2.5 本项目有无补充图例或索引符号需在首页上注明。
1、审核设计文件及施工图与现场核对审核设计文件及施工图与现场核对是铁路建设中的重要环节 ,必须认真组织设计文件审核及其与现场核对,防止差、错、漏;了解设计意图、设计标准,熟悉设计内容,并结合现场实际对施工图纸进行核对,对其平、纵面位置,标高,几何尺寸,结构安全,使用功能等进行核对,发现问题及时提出,完善施工图设计,确保工点设置合理,强化使用功能。
未经现场核对、优化的工点不能开工.2、审核设计文件与现场核对审核设计文件与现场核对由总工程师、主管工程师或者指定的技术负责人组织实施,并建立施工图纸审核责任制。
对设计单位分批提供的设计文件,要及时审核、清理建档、登记造册,并有专人管理。
重点难点工程由集团公司工程指挥部和各项目部共同审核,普通工程由各项目部组织审核.在审核中发现的问题,由各项目部提供书面资料,集团公司工程指挥部审核汇总与监理、设计、咨询与业主单位联系解决。
3、施工图纸审核预会审1.施工图纸审核在施工前,施工图纸由各级技术部门组织指定专人进行审核 .做到项目分专业、人员有分工、审核有记录。
对审核有无问题均进行有效标识、汇总并记录。
必要时,组织有关人员对施工图纸进行会审。
主要审核内容:⑴各专业施工图的张数、编号等与图纸目录是否相符;是否为正式施工图并经设计单位正式签署。
⑵施工图纸、施工图说明、设计总说明是否齐全,规定是否明确, 三者有无矛盾.⑶平面图所标注坐标、里程和绝对标高与总图是否相符。
⑷图面上的尺寸、标高、预留孔及预埋件的位置以及构件平、立面配筋与剖面有无错误。
⑸各专业施工图的轴线、位置(坐标)、标高及交叉点是否矛盾, 平面、大样图之间有无矛盾。
⑹图纸上构配件的编号、规格型号及数量与构配件一览表是否相符。
⑺设计资料是否符合现场地形、地质情况,设计要求的施工方法是否可行。
⑻路线平面位置和纵向坡度是否符合设计规范,构造物设计位置是否合理。
⑼分项工程数量是否遗漏,汇总数量有无错误,计算工程数量与图纸数量是否相符。
结构专业施工图校对细则【校对目的】施工图(包括审查图、用于指导施工的白图)校对主要是解决以下四方面问题:○错——数据、尺寸、计算等--注意结构自身合理性,不合理的要与建筑协商解决○漏——深度、尺寸等--------将设计意图表示完全,表达清楚○碰——专业配合----------- 注意不与建筑、设备发生冲突○缺——图纸深度----------- 图纸是否齐全【校对内容】○核对计算书;○核对数据:定位尺寸、截面尺寸、标高、配筋等;○核对设计深度;○核对专业配合及管线综合;○核对是否符合设计依据;【校对顺序】○要求校对图应分批提出,并事先跟校对人商量好时间安排,以确保校对时间和校对深度。
○校对建议顺序:总体计算(荷载、参数是否正确、计算结果是否合理)→楼层模板图→其他平面图→总说明→配筋图→大样图。
其中总体计算及模板图要在配筋图开始前进行,以减少因结构布置不合理引起的修改。
○图纸校对工作完成提交审核及审定时,需同时提供校对记录单。
【计算书校对】○计算书内容是否完整:主体电算计算书应包括输入的结构总体计算总信息、周期、振型、地震作用、位移、结构平面简图、荷载平面简图、配筋平面简图、超限信息及处理措施等;地基计算;基础和承台计算;人防计算;地下室外壁板、挡土墙计算;水池计算;楼梯计算;大跨度板、异形板计算;大跨度梁的挠度验算等。
○结构计算总信息参数输入是否正确,自振周期、振型、第一扭转与第一平动周期比、层侧向刚度比、带转换层结构的等效侧向刚度比等是否在工程设计的正常范围内并符合规范、规程要求。
○结构计算简图的截面及支座输入是否正确:重点检查变截面处、非常规梁的截面输入;重点检查因支座不连续梁支座是否有按铰支输入。
○结构计算简图的荷载输入是否正确:是否按统一技术措施要求输入恒、活载;卫生间、楼梯、阳台、机房等特殊荷载是否输入正确;墙体荷载有无考虑飘窗或外装饰构件荷载等。
○对特殊构件是否在计算中设置,不调幅梁、转换梁、框支柱、角柱抗震等级。
施工图校对手册一、设计说明1、本工程的设计依据是否叙述明确。
二、本项目的设计规模和建筑面积是否与图纸一致。
2、本项目的相对标高与总图绝对标高的对应关系是否一致。
3、本项目的耐火等级、抗震设防烈度是否叙述明确。
4、其他文字说明是否与设计图纸有矛盾;需要重点说明的内容:电梯设置、防火分区、防水防潮,是否准确无误。
二、工程做法表1、所列内容是否满足本工程设计的要求,并与设计图纸一致。
2、各类做法的用料、配比、工序、厚度是否恰当、合理。
3、需待以后看样确定的材料和颜色是否已经注明。
三、房间装修一览表1、表中所列房间或空间(如走道)有无遗漏。
2、每个房间的楼地面、墙面、顶棚、踢脚、台度等所采用的装修做法是否合理,并符合功能使用要求。
3、表中所注各种做法的编号是否与材料做法表或设计图纸上所注相符。
门窗表1、门窗类别、设计编号、洞口尺寸是否与设计图纸一致。
2、门窗数量是否准确无误。
3、采用标准图集号、门窗代号或详见设计图号是否准确。
4、特种门窗、防火门等级是否加注明确。
三、建施图纸目录1、图名与每张建施图图签上所列图名是否一致。
2、图纸规格与实际是否一致。
第二部分主要平、立、剖面一、平面图1、纵横柱网,承重墙的轴线号是否齐全、准确。
2、柱距(开间)、跨度(进深)尺寸;墙体厚度,柱子大小与轴线关系尺寸;门窗洞口尺寸;分段尺寸;外包总尺寸是否齐全、准确。
3、伸缩缝、沉降缝、抗震缝的位置尺寸是否齐全、准确。
4、内隔墙定位尺寸和厚度。
内门、门洞、内窗定位尺寸,宽度尺寸是否齐全、准确。
5、房间名称或编号是否齐全、准确。
6、门窗编号、门的开启方向是否准确、合理。
并与门窗表核对无误。
7、防火分区、防火墙、防火门的设置是否符合防火规范;8、疏散距离、疏散楼梯,袋形走道等设计是否符合防火规范。
9、室内、外地面标高、各层标高、不同楼地面高差的标高是否齐全、准确。
10、电梯、楼梯位置,楼梯上下方向示意及主要尺寸是否齐全准确(详细尺寸在楼、电梯放大图上标注)。
55个施工图校对法(让老板再也挑不出错)▌一、总平面图1、是否标注了0.000处的绝对标高。
2、是否表示了外轮廓的轴线及总尺寸。
3、是否表示了楼层数。
4、是否表示了与主要道路及红线的关系。
5、是否布置了道路及绿化。
6、是否列出了经济技术指标:总用地面积、总建筑面积、停车位数目(办公楼组要写该项)、建筑密度、容积率、绿化率(要求做到35%-50%,没做到要调整绿地面积)。
7、建筑周围设置环形消防车道,宽大于等于4米,转弯处倒角半径12米。
8、线型:一道粗线(外)及一道细线表示建筑轮廓,若有局部层数不同用细线表示其投影线,局部突出屋顶的楼梯间不要画投影。
▌二、楼层平面图:(各层房间不需要布置家具,但卫生间要布置洁具)1、每层轴网是否一致?上一楼层轴线网编号与下一楼层轴网编号要一致,因为柱是自上至下要对齐的,每层的柱网要一样,除非顶层有抽柱的情况。
2、楼层地面标高是否标注?有水的外走廊、门廊、浴室、卫生间,开水房、消毒室等房间地面是否比相应楼层地面降低了0.01~0.03m?同时在标高变化的门坎处是否画了投影线?3、三道尺寸线是否等间距(100~70mm),标注文是否是统一字体和字高?4、门窗是否编号,门是否按洞口尺寸、开启方式及构造不同而采用不同编号?5、柱外皮是否与走道处外皮齐平?装修后从走道上一般应看不到柱,以保证走道疏散宽度。
6、疏散门的开启方向是否朝人流方向开启?门洞宽超过去时1.2m是否按照每扇宽0.6~0.9m的宽度分扇开启(尤其是大门处)?7、楼梯间是否有跑向标注?首层上半跑,中间层上半跑、下一跑半,顶层下两跑。
中间平台是否有标高标注?楼梯尺寸是否在平面图和剖面图上表达全面?8、一层平面图上是否有散水表达,室外地坪标高,出入口处是否设置台阶或坡道?斜道坡度表示,剖示符是否表达正确的剖示位置和剖示方向,请与剖面图仔细对照投影。
一层平面图上是否有指北针表示房屋的朝向?9、房间名称标注文字是否是同一字体和字高?10、卫生间等有水房间的地面是否有地漏?地面坡向有表达吗?卫生间卫生设备是否满足使用人数的要求?分隔尺寸是否标注?11、公共建筑最小门洞宽为1m,使用面积大和使用人数多及有大型设备进出的门要按规范要求设计宽度,门也应分扇开启。