工程验收尺寸允许偏差
- 格式:doc
- 大小:115.00 KB
- 文档页数:4
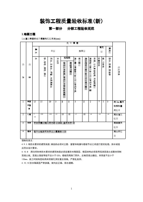
验收项目:室内空间几何尺寸,包括室内净开间、进深和净高、墙面垂直及平整度、阴阳角的方正、室内楼梯踏步尺寸、门洞口、外窗台、栏板等空间尺寸偏差和极差的测量。
检查方法:1、设定术语:(1) 推算值:经设计图纸推算, 由设计层高、轴线尺寸减去结构实体和装饰层厚度推算出的空间净值;(2) 偏差:为实测值与推算值之差;(3) 极差:实测值中最大值与最小值之差.2、应首先设定测量的控制点(线)。
每一个自然间在四周墙体(毛)和地坪(毛) 分别设定标高和轴线控制点(线)。
标高控制点(线)建议设置在每楼层楼面标高之上lm 处,轴线控制点(线)设置在每道轴线墙体房间内侧lm(可根据房间大小适度调整)处,控制点(线)分别用来作为高度和长度、宽度的基准控制点(线),控制点(线)现场应留有明确标识。
检查数量及验收标准:1、房间净高:(1) 检查数量:每一个房间(除厨房、洗手间等外)抽测不少于5 处(其中四个1m 轴线控制交叉点各测1 处,房间几何中心处测1 处);(2) 验收标准:误差控制为±10mm,极差不超过20mm。
2、房间开间、进深(净)尺寸:(1) 检查数量:每一个房间各抽测两处(各沿四个lm 轴线控制交叉点进行);(2) 验收标准:误差控制为±10mm,极差不超过20mm 且不超过长度推算值的0.5%。
3、墙面垂直度、平整度:(1) 检查数量:每一个房间抽测数量由验收小组确定,可沿每一个自然间墙体的1m 轴线控制交叉点处的lm 标高控制点(线)为量测基准点进行量测;(2) 验收标准:允许偏差不超过4mm。
4、阴阳角方正:(1) 检查数量:直角检测尺全数检查;(2) 验收标准:允许偏差不超过4mm .5、室内楼梯踏步尺寸:(1) 检查数量:钢卷尺、全数检查;(2) 验收标准:踏步的宽度、高度符合设计要求,相邻踏步高差、踏步两端宽度差不应大于10mm。
6、门洞口尺寸:(1) 检查数量:钢尺检查,每一个洞口宽度量测不少于1 处,量测洞口高度1 /2 处,全数检查;(2)验收标准:门洞口的宽度、高度符合规范及设计要求.验收项目:楼地面空鼓、裂缝、起砂;墙面、天棚空鼓、裂缝、起皮和爆灰.验收标准:.1、楼地面应平整,不得浮现裂缝和起砂;地面空鼓面积每处不应大于400cm2, 每自然间不多于2 处;楼板为预制板结构时不应有预制板缝;2、墙面和顶棚无渗漏、空鼓、起皮、裂缝、爆灰;单个墙面空鼓面积不应大于400cm2,每面墙不得大于1 处;3、墙面和顶棚表面洁净、颜色均匀,无色差,分隔缝清晰.检查方法及数量:1、外观检查:地面质量以目测高度1 。
焊缝外观质量验收标准及尺寸允许偏差1。
依据《YB3301-2005中华人民共和国黑色冶金行业标准》制定本工程的角焊缝焊角尺寸,焊角高度Hf取0.6t1和1.52t中的大者,t1为腹板板厚,t2为翼缘板板厚。
对于埋弧焊、二氧化碳气体保护焊,焊角尺寸可比计算值减小1mm,焊接H型钢的最小焊角高度规定为4mm。
且用于连接板的平角焊一般为二氧化碳气体保护焊的焊缝测量.
2。
依据《JGJ81-2001建筑钢结构焊接技术规程》制定直角角焊缝厚度计算He,
1)当间隙b≤1.5时,He=0.7Hf,
2)当间隙1。
5〈b≤1。
5时,He=0。
7(Hf—b),
综合上述公式得到角焊缝厚度计算He为0.42t1和1.052t之最大,t1为腹板板厚,t2为翼缘板板厚。
用于龙门埋弧焊的船型焊的焊缝测量。
说明:埋弧自动焊焊角尺寸要求如下表:(注明:单位为mm)
根据《GB50205—2001》钢结构工程施工质量验收规范制定以下表表A.0。
1一级、二级、三级焊缝外观质量标准(㎜)
外观质量为:二级标准
对接焊缝及完全熔透组合焊缝尺寸允许偏差应符合表A。
0.2的规定
表A。
0。
2对接焊缝及完全熔透组合焊缝尺寸允许偏差(㎜)
部分焊透组合焊缝和角焊缝外形尺寸允许偏差应符合表A.0.3的规定表A.0.3部分焊透组合焊缝和角焊缝外形尺寸允许偏差(㎜)。
抹灰开间尺寸验收标准
一、尺寸偏差
在验收抹灰开间尺寸时,应首先测量开间尺寸的偏差。
允许偏差范围为±20mm,以确保尺寸在合理范围内。
超过此范围的尺寸偏差将被视为不合格。
二、平整度
抹灰表面的平整度是衡量抹灰质量的重要标准。
平整度允许偏差应小于或等于3mm,以确保抹灰表面光滑、无明显凹凸不平的现象。
三、垂直度
墙面垂直度也是验收的重要指标。
垂直度允许偏差为5mm,以保持墙面垂直,避免出现倾斜或扭曲的情况。
四、阴阳角
阴阳角的验收主要关注其方正度和顺直度。
方正度允许偏差为3mm,顺直度允许偏差为3mm。
阴阳角应线条清晰、顺直,无明显弯曲或扭曲现象。
五、空鼓脱落
空鼓和脱落是抹灰常见的问题,也是验收的重点之一。
验收时应检查抹灰层与基层之间是否存在空鼓现象,以及抹灰层是否有脱落的情况。
如有空鼓或脱落现象,应及时处理并重新验收。
六、清洁度
抹灰表面应保持清洁,无明显的灰尘、污渍和杂物。
验收时应检查抹灰表面是否清洁,如有问题应及时清理干净。
七、接缝处理
抹灰开间的接缝处应平整、严密,无明显高低差或裂缝。
接缝处理不当会影响抹灰的整体效果,因此验收时应特别关注接缝的处理情况。
八、砂眼
砂眼是指在抹灰表面出现的小孔洞或凹陷。
验收时应检查抹灰表面是否存在砂眼现象,如有问题应及时修补,确保表面光滑无瑕。
以上是抹灰开间尺寸验收标准的主要内容,供您参考。
1. 绝对误差:指实际测量值与真实值之间的差值。
2. 相对误差:指绝对误差与真实值的比值。
3. 允许误差:指在保证工程质量、安全和进度的前提下,允许的最大误差范围。
二、误差允许范围1. 单层允许误差:根据GB50204-2015《混凝土结构工程施工质量验收规范》规定,单层允许误差为10mm;全高允许误差为30mm。
2. 建筑放线误差:根据《建筑工程施工放线国家误差要求》规定,基础放线尺寸的允许误差如下:(1)长宽L、宽度B的尺寸(m)允许误差(mm):L(B)3≤30,L(B)6≤10,L(B)9≤15,L(B)20≤30。
(2)轴线竖向投测的允许误差:每层3mm,总高(H)≤30m时5mm,H≤60m时10mm,H≤90m时15mm。
(3)各部位放线的允许误差:外廓柱轴线长度(L)≤30m时5mm,L≤60m时10mm,L≤90m时15mm;细部轴线、承重墙、梁、柱边线、非承重墙边线、门窗洞口线等,均按3mm控制。
3. 建筑施工测量技术要求及允许偏差:根据《建筑施工测量技术要求及允许偏差》规定,建筑物施工放样的主要技术要求如下:(1)测距相对中误差:金属结构、钢筋混凝土结构(建筑物高度100~120m或跨度30~36m)1/20000;15层房屋(建筑物高度60~100m或跨度18~30m)1/10000;5~15层房屋(建筑物高度15~60m或跨度6~18m)1/5000;5层房屋(建筑物高度15m或跨度6m及以下)1/3000;木结构、工业管线或公路铁路专用线1/2000。
(2)测角中误差:在测站上测定高差中误差(mm):金属结构、钢筋混凝土结构(建筑物高度100~120m或跨度30~36m)5;15层房屋(建筑物高度60~100m或跨度18~30m)10;5~15层房屋(建筑物高度15~60m或跨度6~18m)25;5层房屋(建筑物高度15m或跨度6m及以下)33。
4. 土工坚向整平:1/1000;45~10。
标准允许结构偏差混凝土结构工程施工质量验收标准一、模板分项工程注检查中央线位置时,应沿纵、横两个方向量测,并取其中的较大值. 现浇结构模.注:检查轴线位置时,应沿纵、横两个方向量测,并取其中的较大值注:4.3 模板撤除主控工程说明:4.3.1由于过早拆模、混凝土强度缺乏而造成混凝土结构构件沉降变形、缺棱掉角、开裂、甚至塌陷的情况时有发生.为保证结构的平安和作用功能,提出了拆模时混凝土强度的要求.该强度通常反映为同条件养护混凝土试件的强度.考虑到悬臂构件更容易因混凝土强度缺乏而引发事故,对其拆模时的混凝土强度应从严要求.二、钢筋分项工程钢筋加工的允许偏差说明:5.3.4本条提出了钢筋加工形状、尺寸偏差的要求.其中,箍筋内净尺寸是新增工程,对保证受力钢筋和箍筋本身的受力性能都较为重要钢筋安装位置的允许偏差和检验方法注:1检查预埋件中央线位置时,应沿纵、横两个方向量测,并到其中的较大值;3表中梁类、板类构件上部纵向受力钢筋保护层厚度的合格点率应到达90%及以上,且不得有超过表中数值1.5倍的尺寸偏差.三.预应力分项工程束形限制点的竖向位置允许偏差件均不少于5束,每束不应少于5处.检验方法:钢尺检查.注:束形限制点的竖向位置偏差合格点率应到达90%及以上,且不得有超过表中数值1.5的尺寸偏差.四、混凝土分项工程五、现浇结构分项工程现浇结构尺寸偏差和检验方法注:检查轴线、中央线位置时,应沿纵、横两个方向量测,并取其中的较大值. 混凝土设备根底六、装配式结构工程预制构件尺寸的允许偏差及检验方法2检查中央线、螺栓和孔道位置时,应沿纵、横两个方向量测,并取其中的较大值;3对开头复杂或特殊要求的构件,其尺寸偏差应符合标准图基设计的要求.砌体工程施工质量验收标准一、根本规定放线尺寸的允许偏差砖砌体工程一般规定5.1.1本章适用于烧结普通砖、烧结多孔砖、混凝土多孔砖、煤灰砖体工程.5.1.2用于清水墙、柱外表的砖,应边角整洁,色泽均匀.5.1.3有冻胀环境和条件的地区,地面以下或防潮层以下的砌体,不宜采用多孔砖.主控工程拉结筋的种类:1、临时施工洞口拉结筋:数量每120mm墙厚放置1①6拉结筋,沿墙高不应超过500mm, 埋入长度不小于500mm,末端有90°弯钩.2、临时间断处拉结筋:数量每120mm墙厚放置1①6拉结筋,间距沿墙高不超过500mm,, 埋入长度不小于1000mm,末端有90°弯钩.3、框架填充墙拉结筋:沿墙高不应超过500mm设2①6拉结筋,埋入长度不小于墙长的1/5且不小于700mm,末端有90°弯钩.4、墙长大于5m时,墙顶与梁宜有拉结;当墙长超过层高2倍时,宜设置钢筋混凝土构造柱;当墙高超过4m时,墙体半高宜设置与柱连接且沿墙全长贯穿的钢筋混凝土水平系梁.5.2.5砖砌体的位置及垂直度允许偏差应符合表5.2.5的规定.砖砌体的位置及垂直度允许偏差般工程砖砌体一般尺寸允许偏差混凝土小型空心砌块砌体工程一般规定6.1.1本章适用于普通混凝土小型空心砌块和轻骨料混凝土小型空心砌块〔以下简称小砌块〕工程的施工质量验收.石砌体工程主控工程石砌体的轴线位置及垂直度允许偏差般工程1内外搭砌,上下错缝,拉结石、丁砌石交错设置;2毛石墙拉结石每0.7m2墙面不应少于1块.配筋砌体工程一般规定8.1.3设置在砌体水平灰缝中钢筋的锚固长度不宜小于50d,且其水平或垂直弯折段的长度不宜小于20d和150mm;钢筋的搭接长度不应小于55d.主控工程构造柱尺寸允许偏差般工程8.3.1设置在砌体水平灰缝内的钢筋防腐保护置于灰缝中.水平灰缝厚度应大于钢筋直径4mm以上.砌体外露面砂浆保护层的厚度不应小于15mm.填充墙砌体工程一般规定9.1.1本章适用于房屋建筑采用空心砖、蒸压加气混凝土砌块、轻骨料混凝土小型空心砌块等砌筑填充墙砌体的施工质量验收.一般工程填充墙砌体一般尺寸允许偏差填充墙砌体的砂浆饱满度及检验方法9.3.6填充墙砌体的灰缝厚度和宽度应正确.空心砖、轻骨料混凝土小型空心砌块的砌体灰缝应为8-12mm.蒸压加气混凝土砌块砌体的水平灰缝厚度及竖向灰缝宽度分别宜为15mm 和20mm 9.3.5填充墙砌筑时应错缝搭砌,蒸压加气混凝土砌块搭砌长度不应小于砌块长度的1/3;轻骨料混凝土小型空心砌块搭砌长度不应小于90mm;竖向通缝不应大于2皮.。
焊缝外观质 验收标准及尺 允许偏差1.依据 YB3301-2005中华人民共和 黑色冶金行业标准 制定本工程的角焊缝焊角尺 ,焊角高度Hf取0.6t1和1.52t中的大者,t1为腹板板厚,t2为翼缘板板厚 于埋弧焊 二氧化碳气体保护焊,焊角尺 可比计算值 小1mm,焊接H型钢的最小焊角高度规定为4mm 且用于连接板的平角焊一般为二氧化碳气体保护焊的焊缝测2.依据 JGJ81-2001建筑钢结构焊接技术规程 制定直角角焊缝厚度计算He,1 当间隙b 1.5时,He=0.7Hf,2 当间隙1.5<b 1.5时,He=0.7(Hf-b),综合 述公式得到角焊缝厚度计算He为0.42t1和1.052t之最大,t1为腹板板厚,t2为翼缘板板厚 用于龙门埋弧焊的船型焊的焊缝测说明 埋弧自动焊焊角尺 要求如 表 注明 单 为mm规格腹板板厚翼缘板板厚焊角高度Hf 角焊缝厚度He BH600*400*16*30 16 30 10 8BH500*400*14*2514 25 9 6根据 GB50205-2001 钢结构工程施工质 验收规范制定以 表表A.0.1一级 二级 级焊缝外观质 标准 ㎜项目允许偏差缺陷类型一级二级 级未焊满 指 足设计要求 允许0.2+0.02t,且1.00.2+0.04t,且 2.0100.0焊缝内缺陷总长 25.0根部收缩 允许 0.2+0.02t,且1.00.2+0.04t,且 2.0长度 限咬边 允许 0.05t,且 0.5 连续长度 100.0,且焊缝两侧咬边总长10%焊缝全长0.1t,且 1.0,长度 限弧坑裂纹 允许 允许允许存在个别长度 5.0的弧坑裂纹电弧擦伤 允许 允许允许存在个别电弧擦伤接头 良 允许缺口深度0.05t,且0.5缺口深度0.1t,且 1.01000.0焊缝 应超过1处表面夹渣 允许 允许深 0.2t 长 0.2t,且 20.0 表面气孔 允许 允许50.0焊缝长度内允许直径 0.4t,且 3.0的气孔2个,孔距6倍孔径注 表内t为连接较薄的板厚外观质 为 二级标准接焊缝及完全熔透组合焊缝尺 允许偏差应符合表A.0.2的规定表A.0.2 接焊缝及完全熔透组合焊缝尺 允许偏差 ㎜部分焊透组合焊缝和角焊缝外形尺 允许偏差应符合表A.0.3的规定表A.0.3部分焊透组合焊缝和角焊缝外形尺 允许偏差 ㎜。
分部分项工程允许偏差第一章砌体分部:(砌体工程施工质量验收规范GB50203-2002)一、放线允许偏差。
长*宽=L*B。
L≤30M时±5MM。
30M<L≦60M时,±10MM。
60<L≤90时,±15MM。
60<L≤90MM时,±20MM。
1.轴线位移,10MM。
2.垂直度,每层:≤10MM时,5MM。
>10M,全高时,20MM。
3.基础顶面和楼面标高,±15MM。
4.表面平整度。
混水墙,8MM5.门窗洞口高度,后塞口,±5MM6.外墙上下窗口偏移,7.水平灰缝平直,混水墙,10MM8.砂浆饱满度,80%9.砌体加筋主控项目:抽检数量,每一生产厂家的砖到现场后,按烧结砖15万块抽检一组,多孔砖5万块抽检一组砂浆抽检数量,每一检验批超过250㎡。
抗压强度平均值必须大于或等于设计强度等级对应的立方体抗压强度;同一验收批砂浆试块抗压强度的最小一组平均值必须大于或等于设计强度等级对应的立方体抗压强度的0.7倍.注:(1)砌筑砂浆的验收报告批,同一类型强度等级的砂浆试块应不少于3组.当同一验收批只有一组;试件时,该组试件抗压强度的平均值大于或等于设计强度等级所对应的立方体抗压强度。
(2).砌体加筋:非搞震设防及抗震设防裂度为6度、7度地区的临时间断处,当不能留斜槎时或净长/宽≤2/3时,除转角处外,可留直槎,但直槎留成马槎,留槎处应加设拉结筋,拉结筋数量为每120墙厚放置1根6MM钢筋;240墙厚2根6MM钢筋,间距沿墙高不得小于500MM,埋入长度从留槎处算起每边均不得小于500MM,对抗震结构6。
7度地的地区不应小于1000MM,未端应做成90°弯钩。
二、砌石工程1.应做到留槎正确,拉结筋设置数量直径正确,竖向间距偏不超过100MM,留置长度基本符合要求。
1.柱中心线位置10MM2.柱层间错位8MM3.柱垂直度每层10MM,全高,≤10M/>10时15/20三、填充充墙砌体工程般尺寸允许偏差1.轴线位移10MM2.垂直度≤3M/>3M时,5/103.表面平整度8MM4.门窗洞口高度(后塞口)±5MM5.外墙上下窗位移20MM6.砂浆饱满度≥80%(水平)7.垂直面不得有透明,瞎缝,假缝。
焊缝外观质量验收标准及尺寸允许偏差1.依据《YB3301-2005中华人民共和国黑色冶金行业标准》制定本工程的角焊缝焊角尺寸,焊角高度Hf取0.6t1和1.52t中的大者,t1为腹板板厚,t2为翼缘板板厚。
对于埋弧焊、二氧化碳气体保护焊,焊角尺寸可比计算值减小1mm,焊接H型钢的最小焊角高度规定为4mm。
且用于连接板的平角焊一般为二氧化碳气体保护焊的焊缝测量。
2.依据《JGJ81-2001建筑钢结构焊接技术规程》制定直角角焊缝厚度计算He,
1)当间隙b≤1.5时,He=0.7Hf,
2)当间隙1.5<b≤1.5时,He=0.7(Hf-b),
综合上述公式得到角焊缝厚度计算He为0.42t1和1.052t之最大,t1为腹板板厚,t2为翼缘板板厚。
用于龙门埋弧焊的船型焊的焊缝测量。
说明:埋弧自动焊焊角尺寸要求如下表:(注明:单位为mm)
根据《GB50205-2001》钢结构工程施工质量验收规范制定以下表
表
外观质量为:二级标准
对接焊缝及完全熔透组合焊缝尺寸允许偏差应符合表
表
部分焊透组合焊缝和角焊缝外形尺寸允许偏差应符合表
表。
GB50210-2018《建筑装饰装修工程质量验收标准》
保温层薄抹灰的允许偏差和检验方法
钢门窗安装的留缝限值、允许偏差和检验方法
铝合金门窗安装的允许偏差和检验方法
塑料门窗安装的允许偏差和检验方法
推拉自动门的感应时间限值和检验方法
木板安装的允许偏差和检验方法
墙面水性涂料涂饰工程的允许偏差和检验方法
墙面溶剂型涂料涂饰工程的允许偏差和检验方法
墙面美术涂饰工程的允许偏差和检验方法
裱糊工程的允许偏差和检验方法
软包工程安装的允许偏差和检验方法
窗帘盒和窗台板安装的允许偏差和检验方法
门窗套安装的允许偏差和检验方法
护栏和扶手安装的允许偏差和检验方法。
模板工程验收标准一、模板安装1、模板安装的尺寸偏差(1)模板与模板之间的拼缝间隙±10mm。
(2)梁、墙、柱尺寸偏差+5mm,-5mm。
(3)底模上表面标高偏差±5mm。
(4)单根柱的垂直度偏差±8mm。
(5)相邻两板面高低差±5mm,预留洞中心线位置允许偏差为10mm,尺寸偏差为(+10,0)mm。
(6)表面平整度±5mm。
(7)通梁必须拉通线校正在一直线上,偏差在±5mm。
2、模板接缝处胶带条的粘贴,在板面模板铺设完毕后,应检查接缝间的缝隙,若缝隙较大的应采用胶带条来粘贴,防止混凝土浇筑过程中漏浆。
粘贴时必须用扫帚或抹布把模板表面清理干净,然后才能粘贴胶带。
3、整个楼层板面模板铺设完毕后,必须把模板表面及梁内的垃圾清理干净,便于钢筋组绑扎钢筋。
所有模板加固完毕后,必须把留在下层楼面的木方、钢管、扣件、层板、钎丝、园钉、杂物等收清干净,便于主体组收浆。
4、模板的支撑、加固、校正模板的拼缝不应漏浆,模板与混凝土的接触面应清理干净并涂刷隔离剂。
对跨度不小于4m的现浇钢筋混凝土梁、板,其模板应按设计要求起拱;当设计无具体要求时,起拱高度宜为跨度的1\1000~3\1000。
合模前要检查构件竖向接合处面层混凝土是否已经凿毛。
对通排柱模板,应先校两端柱模板,校正固定,拉通长线校正中间各柱模板。
柱子的加固箍间距为500mm~1000mm一道柱箍。
挑檐模板必须撑牢拉紧,防止向外倾覆,确保安全。
墙模板安装时,要使两侧穿孔的模板对称放置,确保孔洞对准,以使穿墙螺栓与墙模保持垂直。
墙模板上口必须在同一水平面上,控制墙顶标高一致。
剪力墙的加固箍5道为宜,一般500mm设置一道墙箍,且侧面必须用剪刀撑(即侧面加两道斜撑),且斜撑间距为1mm左右,斜撑的固定点宜在浇筑板面混凝土时预埋结点。
二、模板拆除1、模板拆除过程中,若发现有严重的质量问题(如蜂窝、麻面、狗洞、露筋及爆模等等)应停止拆模,立即通知项目管理人员或向主体班组、钢筋班组组长说明情况,以便及时提出解决方案或处理办法,一方面是为了对出现的质量缺陷做出修复,另一方面是不了减少相关的经济损失。
焊缝外观质量验收标准及尺寸允许偏差1依据《YB3301-2005中华人民共和国黑色冶金行业标准》制定本工程的角焊缝焊角尺寸,焊角高度Hf取0.6t1和1.5t2中的大者,t1为腹板板厚,t2为翼缘板板厚。
对于埋弧焊、二氧化碳气体保护焊,焊角尺寸可比计算值减小1mm,焊接H型钢的最小焊角高度规定为4mm。
且用于连接板的平角焊一般为二氧化碳气体保护焊的焊缝测量。
2依据《JGJ81-2001建筑钢结构焊接技术规程》制定直角角焊缝厚度计算He,
1)当间隙b< 1.5 时,He=0.7Hf,
2)当间隙1.5<b< 1.5 时,He=0.7(Hf-b),
综合上述公式得到角焊缝厚度计算He为0.42t1和1.05、t2之最大,t1为腹板板厚,t2为翼缘板板厚。
用于龙门埋弧焊的船型焊的焊缝测量。
说明:埋弧自动焊焊角尺寸要求如下表:(注明:单位为mm)
根据《GB50205-2001》钢结构工程施工质量验收规范制定以下表
外观质量为:二级标准
对接焊缝及完全熔透组合焊缝尺寸允许偏差应符合表 A.0.2的规定
表A.0.2对接焊缝及完全熔透组合焊缝尺寸允许偏差(mm)
部分焊透组合焊缝和角焊缝外形尺寸允许偏差应符合表 A.0.3的规定
注:f> 的角焊缝其局部脚尺寸允许低于设计要求值,但总长度不得超过焊缝长度10% ;
2焊接H型梁腹板与翼缘板的焊缝两端在其两倍翼缘板宽度范围内,焊缝的焊脚尺寸不
得低于设计值。
规范允许结构偏差混凝土结构工程施工质量验收规范一、模板分项工程预埋件和预留孔洞的允许偏差注:检查中心线位置时,应沿纵、横两个方向量测,并取其中的较大值。
现浇结构模板安装的允许偏差及检验方法注:检查轴线位置时,应沿纵、横两个方向量测,并取其中的较大值。
预制构件模板安装的允许偏差及检验方法注:l为构件长度(mm)。
4.3 模板拆除主控项目底模拆除时的混凝土强度要求说明:4.3.1 由于过早拆模、混凝土强度不足而造成混凝土结构构件沉降变形、缺棱掉角、开裂、甚至塌陷的情况时有发生。
为保证结构的安全和作用功能,提出了拆模时混凝土强度的要求。
该强度通常反映为同条件养护混凝土试件的强度。
考虑到悬臂构件更容易因混凝土强度不足而引发事故,对其拆模时的混凝土强度应从严要求。
二、钢筋分项工程钢筋加工的允许偏差说明:5.3.4 本条提出了钢筋加工形状、尺寸偏差的要求。
其中,箍筋内净尺寸是新增项目,对保证受力钢筋和箍筋本身的受力性能都较为重要钢筋安装位置的允许偏差和检验方法注:1 检查预埋件中心线位置时,应沿纵、横两个方向量测,并到其中的较大值;3表中梁类、板类构件上部纵向受力钢筋保护层厚度的合格点率应达到90%及以上,且不得有超过表中数值1.5倍的尺寸偏差。
三. 预应力分项工程束形控制点的竖向位置允许偏差检查数量:在同一检验批内,抽查各类型构件中预应力筋总数的5%,且对各类型构件均不少于5束,每束不应少于5处。
检验方法:钢尺检查。
注:束形控制点的竖向位置偏差合格点率应达到90%及以上,且不得有超过表中数值1.5的尺寸偏差。
四、混凝土分项工程混凝土试件尺寸及强度的尺寸换算系数注:对强度等级为C60及以上的混凝土试件,其强度的尺寸换算系数可通过试验确定。
五、现浇结构分项工程现浇结构尺寸偏差和检验方法注:检查轴线、中心线位置时,应沿纵、横两个方向量测,并取其中的较大值。
混凝土设备基础尺寸允许偏差和检验方法注:检查坐标、中心线位置时,应沿纵、横两个方向量测,并取其中的较大值。
尺寸允许偏差的规定咅部门:XXX时间:XXX整理范文,仅供参考,可下载自行编辑尺寸允许偏差的规定,管槽底平整、无杂物、积水。
<2)固定墩坑、阀门井开挖尺寸符合设计。
<3)管槽回填必须在管道两侧同时进行,回填土应高出地面10cm并分层踩实。
3)检查设备安装是否符合下列要求:<1)管道、管件、阀门、滴头及水泵等设备的规格、型号、数量应符合设计要求,并有产品出厂合格证和材质检测资料。
b5E2RGbCAP<2)首部抽水加压设备安装应符合《机电设备安装工程施工及验收规范》有关规定。
<3)机泵必须用螺栓固定在混凝土基座上,电动机外壳必须接地,接地电阻值应符合规定。
<4)施肥和施农药装置应安装在过滤器前面,其进出水管道与灌溉管道连接应牢固。
<5)量测仪表和保护设备安装前应清除封口和接头处的油污及杂物。
4)检查管道安装是否符合下列要求:<1)塑料管内的杂物应清除干净。
<2)塑料管粘接、套接方法应符合《微灌工程技术规范》VSL103-95)中7.3管道安装有关要求。
<3)阀门与塑料管连接应符合《微灌工程技术规范》VSL103-95)中7.4.1〜7.4.2 条有关要求。
截止阀与逆止阀应按流向标志安装,不得接反。
p1EanqFDPw<4)安装旁通阀应符合《微灌工程技术规范》VSL103-95)中7.5.1〜7.5.2条规定。
<5)毛管与滴水器安装应符合《微灌工程技术规范》vSL-103-95 )中7.6.1〜7.6.4 条要求。
DXDiTa9E3d5)管道冲洗和系统试运行应符合《微灌工程技术规范》VSL103-95)中8.2.1 〜8.2.2 ,8.3.1 〜〜8.3.5 条要求。
RTCrpUDGiT15.4.10 渠系建筑物1>水闸<1)检查水闸平面布置测量放样是否符合设计。
<2)检查水闸基础开挖与处理是否符合15.3.1 建筑物地基开挖与处理质量控制要点有关要求。