现浇结构模板安装允许偏差
- 格式:doc
- 大小:51.00 KB
- 文档页数:3
混凝土结构工程施工质量验收规范混凝土结构工程施工规范钢筋工程 4 钢筋连接与安装4 钢筋机械连接应符合现行行业标准《钢筋机械连接通用技术规程》JGJ 107 的有关规定。
机械连接接头的混凝土保护层厚度宜符合现行国家标准《混凝土结构设计规范》GB 50010 中受力钢筋最小保护层厚度的规定,且不得小于15mm;接头之间的横向净距不宜小于25mm。
5 钢筋焊接连接应符合现行行业标准《钢筋焊接及验收规程》JGJ 18 的有关规定。
6 当纵向受力钢筋采用机械连接接头或焊接接头时,设置在同一构件内的接头宜相互错开。
每层柱第一个钢筋接头位置距楼地面高度不宜小于500mm、柱高的1/6 及柱截面长边(或直径)的较大值;连续梁、板的上部钢筋接头位置宜设置在跨中1/3 跨度范围内,下部钢筋接头位置宜设置在梁端1/3 跨度范围内。
纵向受力钢筋机械连接接头及焊接接头连接区段的长度应为35d(d 为纵向受力钢筋的较大直径)且不应小于500mm,凡接头中点位于该连接区段长度内的接头均应属于同一连接区段。
同一连接区段内,纵向受力钢筋接头面积百分率为该区段内有接头的纵向受力钢筋截面面积与全部纵向受力钢筋截面面积的比值。
同一连接区段内,纵向受力钢筋的接头面积百分率应符合下列规定:⑴在受拉区不宜超过50%,但装配式混凝土结构构件连接处可根据实际情况适当放宽;受压接头可不受限制;⑵接头不宜设置在有抗震要求的框架梁端、柱端的箍筋加密区;当无法避开时,对等强度高质量机械连接接头,不应超过50%。
⑶直接承受动力荷载的结构构件中,不宜采用焊接接头;当采用机械连接接头时,不应超过50%。
7 同一构件中相邻纵向受力钢筋的绑扎搭接接头宜相互错开。
绑扎搭接接头中钢筋的横向净距s 不应小于钢筋直径,且不应小于25mm。
纵向受力钢筋绑扎搭接接头的最小搭接长度应符合本规范附录 D 的规定。
钢筋工程 4 钢筋连接与安装纵向受力钢筋绑扎搭接接头连接区段的长度应为 1.3l l (l l为搭接长度),凡搭接接头中点位于该连接区段长度内的搭接接头均应属于同一连接区段。
现浇结构模板安装的允许偏差,轴线方向为一、背景介绍在现浇结构的施工中,模板安装是一个重要的环节。
在模板安装的过程中,允许存在一定的偏差,但是这些偏差需要在一定范围之内,以保证结构的稳定和安全。
二、偏差的定义在现浇结构模板安装中,偏差是指模板在安装过程中与设计要求或轴线方向之间的差值。
偏差可分为水平偏差和垂直偏差两种,它们对结构的影响不同。
2.1水平偏差水平偏差是指模板安装后在水平方向上与轴线方向之间的差值。
水平偏差主要会对结构的平整度和外观造成影响,过大的偏差会导致施工后的结构不平整。
2.2垂直偏差垂直偏差是指模板安装后在垂直方向上与轴线方向之间的差值。
垂直偏差主要会对结构的垂直度和高度造成影响,过大的偏差会导致施工后的结构不垂直或高低不一。
三、允许的偏差范围为了保证现浇结构的质量和安全,模板安装的允许偏差需要在一定范围内。
根据相关规范和标准,以下是一般情况下的允许偏差范围。
3.1水平偏差允许范围在水平偏差方面,允许的偏差范围通常为:-室内墙体:每层高度不超过10mm;-外墙模板:每层高度不超过20mm;-地板模板:每层跨度不超过25mm。
3.2垂直偏差允许范围在垂直偏差方面,允许的偏差范围通常为:-室内墙体:每层高度不超过10mm;-外墙模板:每层高度不超过20mm;-梁柱模板:每层高度不超过25mm。
四、偏差的控制与调整为了保证模板安装的精度和减小偏差的产生,需要进行以下方面的控制与调整。
4.1前期准备工作在模板安装前,需要进行仔细的准备工作,包括:-核对结构设计和施工图纸,确保准确无误;-检查模板的尺寸和质量,确保符合要求;-测量基准线和轴线,为安装提供准确的参考。
4.2安装过程中的检查与调整在实际安装过程中,需要进行及时的检查与调整,包括:-使用测量工具进行准确的尺寸测量;-根据测量结果进行模板的调整和校正;-确保模板的水平和垂直度达到要求。
4.3后期验收与修正在模板安装完成后,需要进行验收和修正工作,包括:-检查已安装的模板是否符合要求;-如有必要,进行偏差的修正和调整;-确认修正后的模板达到设计要求。
现浇结构模板安装的允许偏差及检验方法项目允许偏差(mm)检验方法轴线位置 5 钢尺检查底模上表面标高±5 水准仪或拉线、钢尺检查截面内部尺寸基础±10 钢尺检查柱、墙、梁+4, -5经纬仪或吊线、钢尺检查层高垂直度不大于5m 6经纬仪或吊线、钢尺检查大于5m 8经纬仪或吊线、钢尺检查相邻两板表面高低差 2 钢尺检查表面平整度 3 2m靠尺和塞尺检查梁模板安装施工流程弹出梁轴线及水平线并进行复核→搭设梁模板支架→安装梁底楞→安装梁底模板→梁底起拱→绑扎钢筋→安装梁侧模板→安装另一侧模板→安装上下锁品楞、斜撑楞、腰楞和对拉螺栓→复核梁模尺寸、位置→与相邻模板连接牢固→办预检一、质量保证措施1、施工质量关1)认真仔细地学习和阅读施工图纸,吃透和领会施工图的要求,及时提出不明之处,遇工程变更或其他技术措施,均以施工联系单和签证手续为依据,施工前认真做好各项技术交底工作,严格按国家颁行《混凝土结构工程施工质量验收规范》GB50204-2002和其它有关规定施工和验收,并随时接受业主、总包单位、监理单位和质监站对本工程的质量监督和指导。
2)认真做好各道工序的检查、验收关,对各工种的交接工作严格把关,做到环环扣紧,并实行奖罚措施。
出了质量问题,无论是管理上的或是施工上的,均必须严肃处理,分析质量情况,加强检查验收,找出影响质量的薄弱环节,提出改进措施,把质量问题控制在萌芽状态。
2、严格落实班组自检、互检、交接检及项目中质检“四检”制度,确保模板安装质量。
3、混凝土浇筑过程中应派专人2~3名看模,严格控制模板的位移和稳定性,一旦产生移位应及时调整,加固支撑。
4、对变形及损坏的模板及配件,应按规范要求及时修理校正,维修质量不合格的模板和配件不得发放使用。
5、为防止模底烂根,放线后应用水泥砂浆找平并加垫海绵。
6、所有柱子模板拼缝、梁与柱、柱与梁等节点处均用海绵胶带贴缝,楼板缝用胶带纸贴缝,以确保混凝土不漏浆。
前言 (3)1 总则 (4)2 术语 (6)3 基本规定 (7)4 模板分项工程 (10)4.1 一般规定 (10)4.2 模板安装 (11)4.3 模板拆除 (15)5 钢筋分项工程 (16)5.1 一般规定 (16)5.2 原材料 (17)5.3 钢筋加工 (19)5.4 钢筋连接 (20)5.5 钢筋安装 (24)6 预应力分项工程 (26)6.1 一般规定 (26)6.2 原材料 (27)6.3 制作与安装 (30)6.4 张拉和放张 (33)6.5 灌浆及封锚 (35)7 混凝土分项工程 (37)7.1 一般规定 (37)7.2原材料 (39)7.3 配合比设计 (41)7.4 混凝土施工 (42)8 现浇结构分项工程 (46)8.1 一般规定 (46)8.2 外观质量 (47)8.3 尺寸偏差 (48)9 装配式结构分项工程 (51)9.1 一般规定 (51)9.2预制构件 (52)9.3 结构性能检验 (54)9.4 装配式结构施工 (58)10 混凝土结构子分部工程 (60)10.1 结构实体检验 (60)10.2 混凝土结构子分部工程验收 (62)附录A 质量验收记录 (64)附录B纵向受力钢筋的最小搭接长度 (67)附录C 预制构件结构性能检验方法 (69)附录D 结构实体检验用同条件养护试件强度检验 (73)附录E 结构实体钢筋保护层厚度检验 (75)关于发布国家标准《混凝土结构工程施工质量验收规范》的通知建标 [2002] 63号根据建设部《关于印发一九九八年工程建设国家标准制定、修订计划(第二批)的通知》(建标 [1998] 244号)的要求,中国建筑科学研究院会同有关单位共同修订了《混凝土结构工程施工质量验收规范》。
我部组织有关部门对该规范进行了审查,现批准为国家标准,编号GB50204—2002,自2002年4月1日起施行。
其中4.1.1﹑4.1.3﹑5.1.1﹑5.2.1﹑5.2.2﹑5.5.1﹑6.2.1﹑6.3.1﹑6.4.4﹑7.2.1﹑7.2.2﹑7.4.1﹑8.2.1﹑8.3.1﹑9.1.1为强制性条文,必须严格执行。
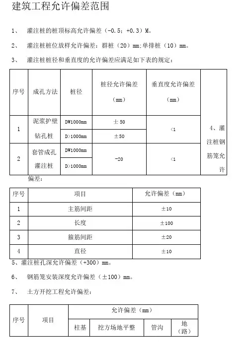
建筑工程允许偏差范围1、灌注桩的桩顶标高允许偏差(-0.5;+0.3)M。
2、灌注桩桩位放样允许偏差:群桩(20)mm;单排桩(10)mm。
3、灌注桩桩径和垂直度的允许偏差应满足如下表的规定:偏差:5、灌注桩孔深允许偏差(+300)mm。
6、钢筋笼安装深度允许偏差(±100)mm。
7、土方开挖工程允许偏差:8、 土方回填允许偏差:偏移允许偏差(10)mm 。
轴线位移偏差检查数量为(全部承重墙)。
10、 砖砌体垂直度允许偏差全高大于10M 的(20)mm ;全高小于等于10M 的(10) mm 。
垂直度检查数量为外墙不少于(四)处全高(阳角),每层每(20)米差一处;内墙按照有代表性的自然间抽查(10%),但不应少于(3)间,每间不应少于(2)处,柱不少于(5)根。
11、 砖砌体的一般尺寸允许偏差以及检查数量:12、构造柱尺寸允许偏差:13、填充墙砌体一般尺寸允许偏差:14、模板安装预埋件和预留孔洞的允许偏差:15、现浇结构模板安装的允许偏差:16、钢筋加工的允许偏差:17、钢筋安装位置的允许偏差:18、现浇结构尺寸允许偏差:19、屋面找平层表面平整度的允许偏差(±5)mm。
20、屋面保温层厚度允许偏差:21、卷材防水的搭接宽度允许偏差(-10)mm 。
22、细石砼防水层表面平整度(±5)mm 。
23、密封防水接缝宽度的允许偏差(±10%)mm 。
24、建筑地面整体面层的允许偏差:抹灰工程25、一般抹灰的允许偏差:。
分部分项工程允许偏差第一章砌体分部:(砌体工程施工质量验收规范GB50203-2002)一、放线允许偏差。
长*宽=L*B。
L≤30M时±5MM。
30M<L≦60M时,±10MM。
60<L≤90时,±15MM。
60<L≤90MM时,±20MM。
1.轴线位移,10MM。
2.垂直度,每层:≤10MM时,5MM。
>10M,全高时,20MM。
3.基础顶面和楼面标高,±15MM。
4.表面平整度。
混水墙,8MM5.门窗洞口高度,后塞口,±5MM6.外墙上下窗口偏移,7.水平灰缝平直,混水墙,10MM8.砂浆饱满度,80%9.砌体加筋主控项目:抽检数量,每一生产厂家的砖到现场后,按烧结砖15万块抽检一组,多孔砖5万块抽检一组砂浆抽检数量,每一检验批超过250㎡。
抗压强度平均值必须大于或等于设计强度等级对应的立方体抗压强度;同一验收批砂浆试块抗压强度的最小一组平均值必须大于或等于设计强度等级对应的立方体抗压强度的0.7倍.注:(1)砌筑砂浆的验收报告批,同一类型强度等级的砂浆试块应不少于3组.当同一验收批只有一组;试件时,该组试件抗压强度的平均值大于或等于设计强度等级所对应的立方体抗压强度。
(2).砌体加筋:非搞震设防及抗震设防裂度为6度、7度地区的临时间断处,当不能留斜槎时或净长/宽≤2/3时,除转角处外,可留直槎,但直槎留成马槎,留槎处应加设拉结筋,拉结筋数量为每120墙厚放置1根6MM钢筋;240墙厚2根6MM钢筋,间距沿墙高不得小于500MM,埋入长度从留槎处算起每边均不得小于500MM,对抗震结构6。
7度地的地区不应小于1000MM,未端应做成90°弯钩。
二、砌石工程1.应做到留槎正确,拉结筋设置数量直径正确,竖向间距偏不超过100MM,留置长度基本符合要求。
1.柱中心线位置10MM2.柱层间错位8MM3.柱垂直度每层10MM,全高,≤10M/>10时15/20三、填充充墙砌体工程般尺寸允许偏差1.轴线位移10MM2.垂直度≤3M/>3M时,5/103.表面平整度8MM4.门窗洞口高度(后塞口)±5MM5.外墙上下窗位移20MM6.砂浆饱满度≥80%(水平)7.垂直面不得有透明,瞎缝,假缝。
规范允许结构偏差混凝土结构工程施工质量验收规范一、.模板分项工程注:检查中心线位置时,应沿纵、.横两个方向量测,并取其中的较大值。
注:检查轴线位置时,应沿纵、.横两个方向量测,并取其中的较大值。
预制构件模板安装的允许偏差及检验方法4.3 模板拆除主控项目底模拆除时的混凝土强度要求缺棱掉角、.开裂、.甚至塌陷的情况时有发生。
为保证结构的安全和作用功能,提出了拆模时混凝土强度的要求。
该强度通常反映为同条件养护混凝土试件的强度。
考虑到悬臂构件更容易因混凝土强度不足而引发事故,对其拆模时的混凝土强度应从严要求。
二、.钢筋分项工程钢筋加工的允许偏差内净尺寸是新增项目,对保证受力钢筋和箍筋本身的受力性能都较为重要钢筋安装位置的允许偏差和检验方法注:1 检查预埋件中心线位置时,应沿纵、.横两个方向量测,并到其中的较大值;3表中梁类、.板类构件上部纵向受力钢筋保护层厚度的合格点率应达到90%及以上,且不得有超过表中数值1.5倍的尺寸偏差。
三. 预应力分项工程类型构件均不少于5束,每束不应少于5处。
检验方法:钢尺检查。
注:束形控制点的竖向位置偏差合格点率应达到90%及以上,且不得有超过表中数值1.5的尺寸偏差。
四、.混凝土分项工程混凝土试件尺寸及强度的尺寸换算系数注:对强度等级为C60及以上的混凝土试件,其强度的尺寸换算系数可通过试验确定。
五、.现浇结构分项工程注:检查轴线、.中心线位置时,应沿纵、.横两个方向量测,并取其中的较大值。
混凝土设备基础尺寸允许偏差和检验方法注:检查坐标、.中心线位置时,应沿纵、.横两个方向量测,并取其中的较大值。
六、.装配式结构工程注:1 l为构件长度(mm)。
2 检查中心线、.螺栓和孔道位置时,应沿纵、.横两个方向量测,并取其中的较大值;3对开头复杂或特殊要求的构件,其尺寸偏差应符合标准图基设计的要求。
砌体工程施工质量验收规范一、.基本规定放线尺寸的允许偏差砖砌体工程一般规定5.1.1 本章适用于烧结普通砖、.烧结多孔砖、.混凝土多孔砖、.煤灰砖体工程。
现浇结构模板安装的允许偏差及检验方法篇一:现浇结构模板安装的允许偏差及检验方法现浇结构模板安装的允许偏差及检验方法预埋件和预留孔洞的允许偏差预制构件模板安装的允许偏差及检验方法注:L为构件长度(mm)。
注:检查轴线位置时,应沿纵、横两个方向量测,并取其中的较大值。
篇二:现浇结构模板安装的允许偏差及检验方法现浇结构模板安装的允许偏差及检验方法篇三:现浇结构模板安装的允许偏差及检验方法梁模板安装施工流程弹出梁轴线及水平线并进行复核→搭设梁模板支架→安装梁底楞→安装梁底模板→梁底起拱→绑扎钢筋→安装梁侧模板→安装另一侧模板→安装上下锁品楞、斜撑楞、腰楞和对拉螺栓→复核梁模尺寸、位置→与相邻模板连接牢固→办预检一、质量保证措施1、施工质量关1)认真仔细地学习和阅读施工图纸,吃透和领会施工图的要求,及时提出不明之处,遇工程变更或其他技术措施,均以施工联系单和签证手续为依据,施工前认真做好各项技术交底工作,严格按国家颁行《混凝土结构工程施工质量验收规范》GB50204-2002和其它有关规定施工和验收,并随时接受业主、总包单位、监理单位和质监站对本工程的质量监督和指导。
2)认真做好各道工序的检查、验收关,对各工种的交接工作严格把关,做到环环扣紧,并实行奖罚措施。
出了质量问题,无论是管理上的或是施工上的,均必须严肃处理,分析质量情况,加强检查验收,找出影响质量的薄弱环节,提出改进措施,把质量问题控制在萌芽状态。
2、严格落实班组自检、互检、交接检及项目中质检“四检”制度,确保模板安装质量。
3、混凝土浇筑过程中应派专人2~3名看模,严格控制模板的位移和稳定性,一旦产生移位应及时调整,加固支撑。
4、对变形及损坏的模板及配件,应按规范要求及时修理校正,维修质量不合格的模板和配件不得发放使用。
5、为防止模底烂根,放线后应用水泥砂浆找平并加垫海绵。
6、所有柱子模板拼缝、梁与柱、柱与梁等节点处均用海绵胶带贴缝,楼板缝用胶带纸贴缝,以确保混凝土不漏浆。
施工质量标准要求混凝土结构工程现浇混凝土结构模板安装质量允许偏差及检查方法底模拆除时的混凝土强度要求钢筋工程安装质量允许偏差及检查方法混凝土工程允许偏差及检验方法钢结构工程钢结构安装允许偏差及检验方法砌体结构工程砌体质量允许偏差及检查方法民用建筑工程室内环境污染物浓度限量注:I类民用建筑工程包括:住宅、公寓、托儿所、医院、院校等工程;II 类民用建筑工程包括:办公楼、宾馆、商场、公交候车室、图书馆、展览馆、文化娱乐场所等工程。
装饰装修工程外装修装饰工程质量允许偏差和检查方法内装修装饰工程质量允许偏差和检查方法建筑电气设备安装工程质量允许偏差和检查方法建筑设备安装工程质量允许偏差和检查方法通风与空调安装工程质量允许偏差和检查方法采暖、通风与空调、配电与照明和监测与控制系统节能效果检验的主要项目及要求建筑节能分项工程划分土方开挖检查检查项目(强制性规范及图纸要求)1、基坑围护(地下连续墙已完成)。
2、以1:2斜率放坡,如果开挖深度大于3m,则在半坡高处增加一个4m宽平台,以降低土坡滑移可能。
坡面及平台上均浇捣50厚C20素混凝土,浇至坡顶线外1m。
3、挖土时应按“分层、分区、分块、”的原则,利用土体“时空效应”的原理,限时、对称、平行开挖。
4、挖土时严禁单边掏空立柱,避免立柱承受不均匀的侧向压力。
土方开挖应在降水达到要求后进行,挖土操作应分层分段,坑底应保留200毫米厚基人工挖除平整,防止坑底土扰动。
垫层随挖随浇,且必须在见底后24小时内浇完,垫层面积控制在200m2以内。
5、除深井井点降水措施外,开挖面及坑内还应设明沟和集水井相结合的排水措施。
尤其是针对与D、E区交接处的土方,由于该处土方留置时间较长,因此,更应采取可靠的护坡和排水措施来确保放坡稳定。
6、基坑边严禁大量堆载,围护体四周4米范围内地面荷载控制在10KN/m2以内。
7、挖土机械的通道、挖土顺序、土方驳运,土方堆载等都应避免引起对围护结构、工程桩、支撑立柱和周围环境的不良影响。
预埋件和预留孔洞的允许偏差
现浇结构模板安装的允许偏差及检验方法
检验方法:检查同条件养护试件强度试验报告。
2.重量负偏差(%)按公式(Wo-Wd)/ Wo×100计算,其中Wo为钢筋理论重量(kg/m), Wd为调直
后钢筋的实际重量(kg/m);
3.对直径为28mm~40mm的带肋钢筋,表中断后伸长率可降低1%;对直径大于40mm的带肋钢筋,表
中断后伸长率可降低2% 。
注1 检查预埋件中心线位置时,应沿纵、横两个方向量测,并取其中的较大值。
2 表中梁类、板类构件上部纵向受力钢筋保护层厚度的合格点率应达到90%及以上,且不得有超过表中数值1.5倍的尺寸偏差。
现浇结构外观质量缺陷
注:检查轴线、中心线位置时,应沿纵、横两个方向量测,并取其中的较大值。
预制构件尺寸允许偏差和检验方法
取其中的较大值;
3.对形状复杂或有特殊要求的构件,其尺寸偏差应符合标准图或设计的要求。
注:热轧钢筋系数指HPB235级、HRB335级、HRB400级和RRB400级钢筋。
4.3模板拆除主控项目4.3.1底模及其支架拆除时的混凝土强度应符合设计要求;当设计无具体要求时,混凝土强度应符合表4.3.1的规定。
检查数量:全数检查。
检验方法:检查同条件养护试件强度试验报告。
表4.3.1 底模拆除时的混凝土强度要求4.3.2对后张法预应力混凝土结构构件,侧模宜在预应力张拉前拆除;底模支架的拆除应按施工技术方案执行,当无具体要求时,不应在结构构件建立预应力前拆除。
检查数量:全数检查。
检验方法:观察。
4.3.3后浇带模板的拆除和支顶应按施工技术方案执行。
检查数量:全数检查。
检验方法:观察。
一般项目4.3.4侧模拆除时的混凝土强度应能保证其表面及棱角不受损伤。
检查数量:全数检查。
检验方法:观察。
4.3.5模板拆除时,不应对楼层形成冲击荷载。
拆除的模板和支架宜分散堆放并及时清运。
检查数量:全数检查。
检验方法:观察。
模板工程先进的模板体系是保证工程质量的重要环节,结合本工程特点所有模板在收到施工图后,及时作模板设计,并作拼板布置,支撑布置,支撑系统要进行力学计算,防止塌模。
6.1材料要求6.1.1施工前根据图纸设计要求,按楼层所需数量做好材料工具准备。
6.1.2柱、现浇楼板、楼梯采用12mm厚腹膜竹胶合板模板,方木内楞,外楞采用Φ4.8×3.5的钢管组成。
竹胶板采用尺寸规格一致,无起壳分层的优质竹胶板。
方木无翘曲变形,经平刨、压刨加工成统一规格后使用。
6.2剪力墙、柱(剪力墙边缘构件)模板安装6.2.1柱、墙模板安装工艺:安装前检查→剪力墙、柱模安装→检查墙模板间距及对角线长度差→安装对拉螺栓→全面检查校正→整体固定。
6.2.2模板安装前应先放出模板的位置线及模板控制线,分轴线排尺寸时均从外向里排,在允许范围内把尺寸误差均匀调整在柱网尺寸内。
6.2.3剪力墙、柱(剪力墙边缘构件)模板均采用竹胶模板,使用钢管进行加固,水平分布钢管,其中柱箍间距不大于500mm。
地下室混凝土外墙采用12mm厚复合竹胶合板模板,板两侧打孔(@600*600)、设对拉螺栓(φ12钢筋车丝),杆长中部焊60*60*3mm钢板止水片,与墙同厚处各设一个专用塑料塞(大头向外),对拉螺栓端部背“蝶”型卡扣并用双螺帽固定。
土建规范一览表一、钢筋工程二、砌体工程三、模板工程模板安装允许偏差及检查方法四、混凝土工程预制构件尺寸允许偏差及检验方法注:1、为构件长度(mm)。
2 、检查中心线、螺栓和孔道位置时,应沿纵、横两个方向量测,并取其中的较大值;3 、对开头复杂或特殊要求的构件,其尺寸偏差应符合标准图基设计的要求。
现浇构件尺寸允许偏差及检验方法/view/14e7a48ecc22bcd126ff0c0b.html一混凝土工程GBJ134-901、梁、柱上任何一处的锋窝面积不大于1000㎝²,累计不大于2000㎝²;孔洞面积不大于40㎝²,累计不大于80㎝²;露筋长度不大于10㎝,累计不大于20㎝。
2、墙、板、拱上任何一处的蜂窝面积不大于2000㎝²,累计不大于4000㎝²;孔洞面积不大于100㎝²,累计不大于200㎝²;露筋长度不大于20㎝,累计不大于40㎝²。
3、混凝土结构尺寸的允许偏差表人防)项目允许偏差(㎜)轴线位移10标高层高全高±10 ±20截面尺寸厚度小于200㎜±10厚度为200-400㎜±15厚度大于400㎜±20柱、墙垂直度5表面平整度8预埋管、预留孔中心线位置偏移5预埋螺栓中心线位置偏移5预留洞中心线位置偏移15电梯井井筒长、宽对中心线井筒全高垂直度+25H/1000且不大于20注:H为电梯井筒全高(㎜)。
4、混凝土组成材料计量结果的允许偏差:GB50164-92组成材料允许偏差水泥、掺合料±2%粗、细骨料±3%水、外加剂±2%5、混凝土从搅拌机卸出到浇筑完毕的延续时间: GB50164-92气温延续时间(min)采用搅拌车采用其他运输设备≤C30 >C30 ≤C30 >C30≤25ºC>25ºC >12090 9060 9060 75456、现浇结构尺寸允许偏差和检验方法:GB50204-2002项目允许偏差(㎜) 检验方法轴线位置基础15 钢尺检查独立基础10墙、柱、梁8剪力墙 5垂直度层高≤5 8 经纬仪或吊线、钢尺检查>5m10 经纬仪或吊线、钢尺检查全高H/1000且≤30 经纬仪、钢尺检查标高层高±10 水准仪或拉线、钢尺检查全高±30截面尺寸+8,-5 钢尺检查电梯井井筒长、宽对定位中心线+25,0 钢尺检查井筒全高(H)垂直度H/1000且≤30 经纬仪、钢尺检查表面平整度8 2m靠尺和塞尺检查预埋设施中心线位置预埋件10 钢尺检查预埋螺栓 5预埋管 5预留洞中心线位置15 钢尺检查7、现浇结构外观质量缺陷: GB50204-2002名称现象严重缺陷一般缺陷露筋构件内钢筋未被混凝土包裹而外露纵向受力钢筋有露筋其他钢筋有少量露筋蜂窝混凝土表面缺少水泥砂浆而形成石子外露构件主要受力部位有蜂窝基他部位有少量蜂窝孔洞混凝土中孔穴深度和长度均超过保护层厚度构件主要受力部位有孔洞其他部位有少量孔洞夹渣混凝土中央有杂物且深度超过保护层厚度构件主要受力部位有夹渣其他部位有少量夹渣疏松混凝土中局部不密实构件主要受力部位有疏松其他部位有少量疏松裂缝缝隙从混凝土表面延伸至混凝土内部构件主要受力部位有影响结构性能或使用功能的裂缝其他部位有少量不影响结构性能或使用功能的裂缝连结部位缺陷构件连接处混凝土缺陷及连接钢筋、连接件松动连接部位有影响结构传力性能的缺陷连接部位有基本不影晌结构传力性能的缺陷外形缺陷缺棱掉角、棱角不直、翘曲不平、飞边凸肋等清水混凝土构件有影响使用功能或装饰效果的外形缺陷其他混凝土构件有不影响使用功能的外形缺陷外表缺陷构件表面麻面、掉皮、起砂、沾污等具有重要装饰效果的清水混凝土构件有外表缺陷其他混凝土构件有不影响使用功能的外表缺陷8、预制构件尺寸的允许偏差及检验方法: GB50204-2002项目允许偏差(㎜) 检验方法长度板、梁+10,-5 钢尺检查柱+5,-10墙板±5薄腹梁、桁架+15,-10宽度、高(厚)度板、梁、柱、墙板、薄腹梁、桁架±钢尺量一端及中部,取其中较大值侧向弯曲板、梁、柱L/750且≤20 拉线、钢尺量最大侧向弯曲处墙板、薄腹梁、桁架L/1000且≤20预埋件中心线位置10 钢尺检查螺栓位置 5螺栓外露长度+10,-5预留孔中心线位置 5 钢尺检查预留洞中心线位置15 钢尺检查主筋保护层厚度板+5,-3 钢尺或保护层厚度测梁、柱、墙板、薄腹梁、桁架+10,-5 定仪量测对角线差板、墙板10 钢尺量量两对角线表面平整度板、墙板、柱、梁 5 2m靠尺和塞尺检查预应力构件预留孔道位置梁、墙板、薄腹梁、桁架+3 钢尺检查翘曲板L/750 调平尺在两端量测墙板L/1000二模板工程1、现浇构件模板安装的允许偏差及检验方法: GB50204-2002项目允许偏差(㎜) 检验方法轴线位置 5 钢尺检查底模上表面标高±5 水准仪或拉线、钢尺检查截面内基础±10 钢尺检查部尺寸柱、墙、梁+4,-5 钢尺检查层高垂直度不大于5m 6 经纬仪或吊线、钢尺检查大于5m8 经纬仪或吊线、钢尺检查相邻两板表面高低差 2 钢尺检查表面平整度 5 2m靠尺和塞尺检查2、预埋件和预留孔洞的允许偏差: GB50204-2002项目允许偏差(㎜)预埋钢板中心线位置 3预埋管、预留孔中心线位置 3插筋中心线位置 5外露长度+10,0预埋螺栓中心线位置 2外露长度+10,0预留洞中心线位置10尺寸+10,03、预制构件模板安装的允许许偏差及检验方法: GB50204-2002项目允许偏差(㎜) 检验方法长度板、梁±5 钢尺量两角边,取其中较大值薄腹梁、桁架±10柱0,-10墙、板0,-5宽度板、墙板0,-5 钢尺量一端及中部,梁、薄腹梁、桁架、柱+2,-5 取其中较大值高(厚)度板+2,-3 钢尺量一端及中部,取其中较大值墙板0,-5梁、薄腹梁、桁架、柱+2,-5侧向弯曲梁、板、柱L/1000且≤15 拉线、钢尺量最大弯曲处墙板、薄腹梁、桁架L/1500且≤15板的表面平整度 3 2m靠尺和塞尺检查相邻两板表面高低差 1 钢尺检查对角线差板7 钢尺量两个对角线墙板 5翘曲板、墙板L/1500 调平尺在两端量测设计起拱薄腹梁、桁架、梁±3 拉线,钢尺量跨中注为构件长度(㎜)4、底模板拆除时的混凝土强度要求: GB50204-2002构件内型构件跨度(m) 达到设计的混凝土立方体抗压强度标准值的百分率(%)板≤2 ≥50>2,≤8 ≥75>8 ≥100梁、拱、壳≤8 ≥75>8 ≥100悬臂构件/ ≥100三钢筋工程1、钢筋加工的允许偏差: GB50204-2002项目允许偏差(㎜)受力钢筋顺长度方向全长的净尺寸±10弯起钢筋的弯折位置±20箍筋内净尺寸±52、钢筋安装位置的允许偏差和检验方法: GB50204-2002项目允许偏差(㎜) 检验方法绑扎钢筋网长、宽±10 钢尺检查网眼尺寸±20 钢尺量连续三档,取最大值绑扎钢筋骨架长±10 钢尺检查宽、高±5 钢尺检查受力钢筋间距±10 钢尺量两端、中间各一点,取最大值排间±5保护层厚度基础±10 钢尺检查柱、梁±5 钢尺检查板、墙、壳±3 钢尺检查绑扎箍筋、横向钢筋间距±20 钢尺量连续三档,取最大值钢筋弯起点位置20 钢尺检查预埋件中心线位置 5 钢尺检查水平高差+4,0 饮尺和塞尺检查注:表中梁类、板类构件上部纵向受力钢筋保护层厚度的合点率应达到90%及以上,且不得有超过表中数值1.5倍的尺寸偏差。
预埋件和预留孔洞的允许偏差项目允许偏差(mm) 预埋钢板中心线位置 3预埋管、预留孔中心线位置 3插筋中心线位置 5外露长度+10,0预埋螺栓中心线位置 2外露长度+10,0预留洞中心线位置10尺寸+10,0现浇结构模板安装的允许偏差及检验方法项目允许偏差(mm)检验方法轴线位置 5 钢尺检查底模上表面标高±5 水准仪或拉线、钢尺检查截面内部尺寸基础±10 钢尺检查柱、墙、梁+4,-5 钢尺检查层高垂直度不大于5m 6 经纬仪或吊线、钢尺检查大于5m8 经纬仪或吊线、钢尺检查相邻两板表面高低差 2 钢尺检查表面平整度 5 2m靠尺和塞尺检查项目允许偏差(mm) 检验方法长度梁、板±5钢尺量两角边,取其中较大值薄腹梁、桁架±10柱0,-10墙板0,-5宽度板、墙板0,-5钢尺量一端及中部,取其中较大值梁、薄腹梁、桁架+2,-5高(厚)度板+2,-3钢尺量一端及中部,取其中较大值墙板0,-5梁、薄腹梁、桁架、柱+2,-5侧向弯曲梁、板、柱L/1000且≤15拉线、钢尺量最大弯曲处墙板、薄腹梁、桁架L/1500且≤15板的表面平整度 3 2m靠尺和塞尺检查相邻两板表面高低差 1 钢尺检查对角线差板7钢尺量两对角线墙板 5翘曲板、墙板L/1500 调平尺在两端量测设计薄腹梁、桁架、梁±3 拉线、钢尺量跨中拆除模板时的混凝土强度及时间参考表构件类别 构件跨度 达到设计的混凝土立方体抗压强度标准的百分率(%)参考天数夏季 冬季 板 ≤2 ≥50 5-6天 7-8天 >2,≤8 ≥75 11-12天 19-20天 >8 ≥100 28天 28天 梁、拱、壳 ≤8 ≥75 11-12天 19-20天>8 ≥100 28天 28天 悬臂构件 — ≥100 28天 28天 后浇带 ……………………………………………… 完工前不能拆除 注:当夏天气温≥35°C ,连续三天以上时,拆模时间可提前1-2天。
规范允许结构偏差混凝土结构工程施工质量验收规范一、模板分项工程预埋件和预留孔洞的允许偏差注:检查中心线位置时,应沿纵、横两个方向量测,并取其中的较大值。
现浇结构模板安装的允许偏差及检验方法注:检查轴线位置时,应沿纵、横两个方向量测,并取其中的较大值。
预制构件模板安装的允许偏差及检验方法注:l为构件长度(mm)。
4.3 模板拆除主控项目底模拆除时的混凝土强度要求说明:4.3.1 由于过早拆模、混凝土强度不足而造成混凝土结构构件沉降变形、缺棱掉角、开裂、甚至塌陷的情况时有发生。
为保证结构的安全和作用功能,提出了拆模时混凝土强度的要求。
该强度通常反映为同条件养护混凝土试件的强度。
考虑到悬臂构件更容易因混凝土强度不足而引发事故,对其拆模时的混凝土强度应从严要求。
二、钢筋分项工程钢筋加工的允许偏差说明:5.3.4 本条提出了钢筋加工形状、尺寸偏差的要求。
其中,箍筋内净尺寸是新增项目,对保证受力钢筋和箍筋本身的受力性能都较为重要钢筋安装位置的允许偏差和检验方法注:1 检查预埋件中心线位置时,应沿纵、横两个方向量测,并到其中的较大值;3表中梁类、板类构件上部纵向受力钢筋保护层厚度的合格点率应达到90%及以上,且不得有超过表中数值1.5倍的尺寸偏差。
三. 预应力分项工程束形控制点的竖向位置允许偏差检查数量:在同一检验批内,抽查各类型构件中预应力筋总数的5%,且对各类型构件均不少于5束,每束不应少于5处。
检验方法:钢尺检查。
注:束形控制点的竖向位置偏差合格点率应达到90%及以上,且不得有超过表中数值1.5的尺寸偏差。
四、混凝土分项工程混凝土试件尺寸及强度的尺寸换算系数注:对强度等级为C60及以上的混凝土试件,其强度的尺寸换算系数可通过试验确定。
五、现浇结构分项工程现浇结构尺寸偏差和检验方法注:检查轴线、中心线位置时,应沿纵、横两个方向量测,并取其中的较大值。
混凝土设备基础尺寸允许偏差和检验方法注:检查坐标、中心线位置时,应沿纵、横两个方向量测,并取其中的较大值。