砂石垫层评定表及填表说明
- 格式:doc
- 大小:44.00 KB
- 文档页数:2
垫层工程单元工程质量评定表填表说明
表7.12填表说明
填表时必须遵守“填表基本规则”,并符合以下要求:
1、单元工程划分:按垫层工程的施工区、段划分,每一区、段为
一个单元工程。
2、单元工程量:填写本单元垫层工程量m3。
3、保证项目项次1、5质量标准有符合设计要求和《施工规范》
规定,须填出设计具体要求,因内容较多,本例采取另附页方
式,故填(见附页)。
基本项目项次1碾压后的干密度须填写
设计值。
4、检测数量:基本项目碾压后的干密度水平1次/(500-1000 m3);
斜坡1次/(1500-3000 m2)。
允许偏差项目:1、2项沿坡面按20×20网格布置测点,3项每10×10m不少于4点;4、5项
测点不少于10点。
5、评定标准:
合格:保证项目符合相应的质量评定标准;基本项目符合相应的合格质量标准,允许偏差项目每项应有≥70%的测点在相应的允许偏差质量范围内。
优良:保证项目符合相应质量评定标准;基本项目必须达到优良质量标准,允许偏差项目每项须有≥90%的测点在相应的允许偏差质量范围内。
P1-3 砂垫层质量检验评定表
所属建设项目:分项工程名称:分项工程编号:所属分部工程:所属单位工程:工程部位:
填写说明
1、分项工程应按基本要求、实测项目、外观质量和质量保证资料等检验项目分别检查。
2、分项工程质量应在所使用的原材料、半成品、成品及施工控制要点等符合基本要求的规定、无外观质量限制缺陷且质量保证资料真实齐全时,方可进行检验评定。
3、表头中“所属建设项目”“所属单位工程”“所属分部工程”“施工单位”“监理单位”可以打印;“分项工程名称”和“工程部位”须手写。
4、“实测值或实测偏差值”列:
能填写实测值的项目必须填写实测值,否则可填写偏差值;检测频率必须满足要求。
《公路工程质量检验评定标准》中以路段长度规定的检查频率为双车道路段的最低检查频率,对多车道应按车道数与双车道之比增加检查数量。
5、“平均值、代表值”列:
能计算代表值的项目必须填写代表值,其它填写平均值。
6、“合格判定”列:
(1)关键项目的合格率应不低于95%,否则该检查项目为不合格。
(2)一般项目的合格率应不低于80%,否则该检查项目为不合格。
(3)有规定极值的检查项目,任一单个检测值不应突破规定极值,否则该检查项目为不合格。
(4)采用《公路工程质量检验评定标准》附录B至附录S所列方法进行检验评定的检查项目,不满足要求时,该检查项目为不合格。
7、“外观质量”项:应填写该分项工程外观质量情况描述或填写“符合要求”。
8、“质量保证资料”项:填写“真实、齐全”。
9、工程质量等级评定分为合格与不合格。
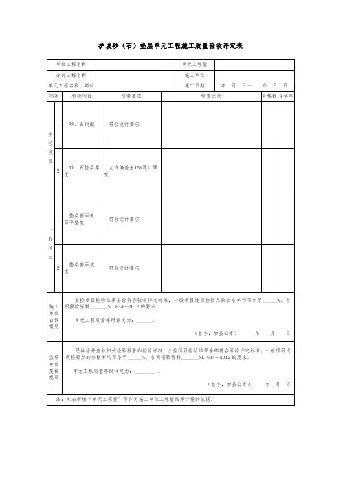
砂(石)垫层单元工程施工质量验收评定表
填表说明
填表时必须遵守“填表基本规定”,并符合以下要求。
1.单元工程划分:平顺护岸工程宜按施工段长60~100m划分为一个单元工程,现浇混凝土宜按施工段长30~50m划分为一个单元工程;丁坝、垛的护坡工程宜按每个坝、垛划分为一个单元工程。
2.单元工程量:填写本单元工程量(m³)。
3.检验(测)方法及数量。
4.单元工程施工质量验收评定应包括下列资料。
(1)施工单位应提交单元工程中所含工序(或检验项目)验收评定的检验资料,原材料与各项实体检验项目的检验记录资料。
(2)监理单位应提交对单元工程施工质量的平行检测资料。
5.单元工程质量标准。
(1)合格标准。
1)主控项目,检验结果应全部符合SL634—2012的要求。
2)一般项目,逐项应有70%及以上的检验点合格,且不合格点不应集中。
3)各项报验资料应符合SL634—2012的要求。
(2)优良标准。
1)主控项目,检验结果应全部符合SL634—2012的要求。
2)一般项目,逐项应有90%及以上的检验点合格,且不合格点不应集中。
3)各项报验资料应符合SL634—2012的要求。
水利水电工程
砂(石)垫层单元工程施工质量验收评定表。
砂(石)垫层单元工程施工质量验收评定表
填表说明
填表时必须遵守“填表基本规定”,并符合以下要求。
1.单元工程划分:平顺护岸工程宜按施工段长60~100m划分为一个单元工程,现浇混凝土宜按施工段长30~50m划分为一个单元工程;丁坝、垛的护坡工程宜按每个坝、垛划分为一个单元工程。
2.单元工程量:填写本单元工程量(m³)。
3.检验(测)方法及数量。
4.单元工程施工质量验收评定应包括下列资料。
(1)施工单位应提交单元工程中所含工序(或检验项目)验收评定的检验资料,原材料与各项实体检验项目的检验记录资料。
(2)监理单位应提交对单元工程施工质量的平行检测资料。
5.单元工程质量标准。
(1)合格标准。
1)主控项目,检验结果应全部符合SL634—2012的要求。
2)一般项目,逐项应有70%及以上的检验点合格,且不合格点不应集中。
3)各项报验资料应符合SL634—2012的要求。
(2)优良标准。
1)主控项目,检验结果应全部符合SL634—2012的要求。
2)一般项目,逐项应有90%及以上的检验点合格,且不合格点不应集中。
3)各项报验资料应符合SL634—2012的要求。
水利水电工程
砂(石)垫层单元工程施工质量验收评定表。