景墙碎石垫层质量评定表
- 格式:docx
- 大小:21.33 KB
- 文档页数:3
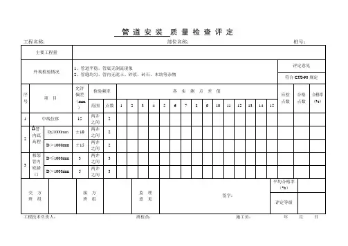
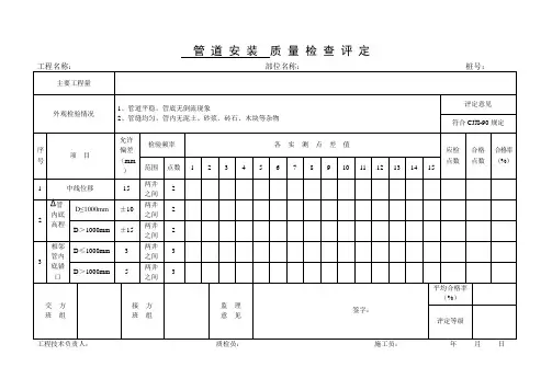
管道安装质量检查评定工程名称:部位名称:桩号:主要工程量外观检验情况1、管道平稳,管底无倒流现象2、管缝均匀,管内无泥土、砂浆、砖石、木块等杂物评定意见符合CJJI-90规定序号项目允许偏差(mm)检验频率各实测点差值应检点数合格点数合格率(%)范围点数 1 2 3 4 5 6 7 8 9 10 11 12 13 14 151 中线位移15 两井之间22管内底高程D≤1000mm±10两井之间2 D>1000mm ±15两井之间23相邻管内底错口D≤1000mm 3两井之间3D>1000mm 5两井之间3交方班组接方班组监理意见签字:平均合格率(%)评定等级工程技术负责人:质检员:施工员:年月日管座质量检查评定工程名称:部位名称:桩号:主要工程量外观检验情况评定意见符合CJJI-90规定序号项目允许偏差(mm)检验频率各实测点差值应检点数合格点数合格率(%)范围点数 1 2 3 4 5 6 7 8 9 10 11 12 13 14 151 管座肩宽+10-510m 2 肩高±20 10m 22 蜂窝面积1% 两井之间(每侧面)1交方班组接方班组监理意见签字:平均合格率(%)评定等级工程技术负责人:质检员:施工员:年月日管道接口质量检查评定工程名称:部位名称:桩号:主要工程量外观检验情况1、接口应平直,环形间隙均匀,灰口整齐、密实、饱满,无裂缝、空鼓等现象;2、抹带接口表面平整密实,无间断和裂缝、空鼓等现象。
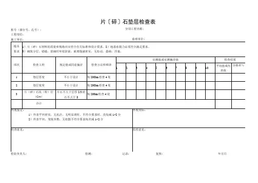
评定意见符合CJJI-90规定序号项目允许偏差(mm)检验频率各实测点差值应检点数合格点数合格率(%)范围点数 1 2 3 4 5 6 7 8 9 10 11 12 13 14 151 宽度+5两井之间 22 厚度+5两井之间 2交方班组接方班组监理意见签字:平均合格率(%)评定等级工程技术负责人:质检员:施工员:年月日垫层质量检查评定工程名称:部位名称:桩号:主要工程量外观检验情况垫层表面平整、顺直。
垫层单元工程质量评定表
垫层单元工程质量评定表
垫层单元工程质量评定表
垫层单元工程质量评定表
垫层单元工程质量评定表
垫层单元工程质量评定表
垫层单元工程质量评定表
垫层单元工程质量评定表
垫层单元工程质量评定表
垫层单元工程质量评定表
垫层单元工程质量评定表
垫层单元工程质量评定表
垫层单元工程质量评定表
垫层单元工程质量评定表
垫层单元工程质量评定表
垫层单元工程质量评定表
垫层单元工程质量评定表
垫层单元工程质量评定表
垫层单元工程质量评定表
垫层单元工程质量评定表
垫层单元工程质量评定表
垫层单元工程质量评定表
垫层单元工程质量评定表
垫层单元工程质量评定表
垫层单元工程质量评定表
垫层单元工程质量评定表
垫层单元工程质量评定表
垫层单元工程质量评定表
垫层单元工程质量评定表
垫层单元工程质量评定表
垫层单元工程质量评定表
垫层单元工程质量评定表
垫层单元工程质量评定表
垫层单元工程质量评定表
垫层单元工程质量评定表
垫层单元工程质量评定表
垫层单元工程质量评定表
垫层单元工程质量评定表。
汾河入黄口堤防下延工程
汾河入黄口堤防下延工程
汾河入黄口堤防下延工程碎石垫层单元工程实测记录表
汾河入黄口堤防下延工程碎石垫层单元工程实测记录表
汾河入黄口堤防下延工程碎石垫层单元工程实测记录表
汾河入黄口堤防下延工程
汾河入黄口堤防下延工程护岸工程
汾河入黄口堤防下延工程护岸工程
汾河入黄口堤防下延工程碎石垫层单元工程实测记录表
汾河入黄口堤防下延工程碎石垫层单元工程实测记录表
汾河入黄口堤防下延工程碎石垫层单元工程实测记录表。
砂(石)垫层单元工程施工质量验收评定表表10.0.2单位工程名称鄞州区云龙镇排积漕河道整治工程单元工程量m3分部工程名称基础工程施工单位宁波市金泉水电建设有限公司单元工程名称、编号东岸K0+043~K0+120石渣垫层施工日期年月日~年月日项次检验项目质量标准检查(测)记录或备查资料名称合格数合格率主控项目1 砂、石级配符合设计要求2砂、石垫层厚度允许偏差为±15%设计厚度一般项目1垫层基面表面平整度符合设计要求2垫层基面坡度符合设计要求施工单位自评意见主控项目检验结果全部符合验收评定标准,一般项目逐项检验点的合格率%。
单元工程质量等级评定为:(签字,加盖公章)年月日监理机构复核评定意见经抽检并查验相关检验报告和检验资料,主控项目检验结果全部符合验收评定标准,一般项目逐项检验点的合格率%。
单元工程质量等级评定为:(签字,加盖公章)年月日注1:对关键部位单元工程和重要隐蔽单元工程的施工质量验收评定应有设计、建设等单位的代表签字,具体要求应满足SL176的规定。
注2:本表所填“单元工程量”不作为施工单位工程量结算计量的依据。
砂(石)垫层单元工程施工质量验收评定表表10.0.2单位工程名称鄞州区云龙镇排积漕河道整治工程单元工程量m3分部工程名称基础工程施工单位宁波市金泉水电建设有限公司单元工程名称、编号东岸K0+120~K0+198石渣垫层施工日期年月日~年月日项次检验项目质量标准检查(测)记录或备查资料名称合格数合格率主控项目1 砂、石级配符合设计要求2砂、石垫层厚度允许偏差为±15%设计厚度一般项目1垫层基面表面平整度符合设计要求2垫层基面坡度符合设计要求施工单位自评意见主控项目检验结果全部符合验收评定标准,一般项目逐项检验点的合格率%。
单元工程质量等级评定为:(签字,加盖公章)年月日监理机构复核评定意见经抽检并查验相关检验报告和检验资料,主控项目检验结果全部符合验收评定标准,一般项目逐项检验点的合格率%。