【实用表格模板】找平层检验批
- 格式:xls
- 大小:32.00 KB
- 文档页数:27
单位(子单位)工程名称鑫苑·碧水尚景1#楼分部(子分部)工程名称建筑工程子分部验收部位二层卫生间及厨房间楼面施工单位河南广泰建工集团有限公司项目经理付君义分包单位无分包项目经理无施工执行标准名称及编号DBJ14-032—2004山东省《建筑工程工艺规程》GB50209—2002《建筑地面工程施工质量验收规范》的规定施工单位检查评定记录监理(建设)单位验收记录主控项目1 材料质量设计要求符合设计和规范要求符合要求2 配合比或强度等级设计要求符合设计要求3 有防水要求套管地漏第4.9.8条符合规范要求一般项目1 找平层与下层结合结合牢固无空鼓符合要求合格2 找平层表面质量第4.9.10条符合规范要求3表面平整度、标高用胶粘剂做结层,铺拼花木板、塑料板、复合板、竹地板面层表面平整度2mm标高±4mm有沥青玛脂做结合层,铺拼花木板,板块面层及毛地板铺木地板表面平整度3mm标高±5mm用水泥砂浆做结合层,铺板块面层,其他种类面层表面平整度5mm 6 2 1 2 4 1 2 4 2 2标高±8mm +4 +4 +5 +2 +3 +7 -7 -5 -5 -64 坡度2/1000L且不大于30mm 25 22 23 26 24 25 22 26 25 245 厚度<1/10h 1 2 1 2 1 1 1 2 1 1施工单位检查评定结果专业工长(施工员)施工班组长主控项目满足规范规定要求,一般项目全部合格项目专业质量检查员:年月日监理(建设)单位验收结论合格,通过验收专业监理工程师:(建设单位项目专业技术负责人):年月日单位(子单位)工程名称鑫苑·碧水尚景1#楼分部(子分部)工程名称建筑工程子分部验收部位三层卫生间及厨房间楼面施工单位河南广泰建工集团有限公司项目经理付君义分包单位无分包项目经理无施工执行标准名称及编号DBJ14—032—2004山东省《建筑工程工艺规程》GB50209-2002《建筑地面工程施工质量验收规范》的规定施工单位检查评定记录监理(建设)单位验收记录主控项目1 材料质量设计要求符合设计和规范要求符合要求2 配合比或强度等级设计要求符合设计要求3 有防水要求套管地漏第4.9.8条符合规范要求一般项目1 找平层与下层结合结合牢固无空鼓符合要求合格2 找平层表面质量第4.9。
屋面找平层工程检验批质量查收记录表单位(子单位)工程名称
分部(子分部)工程名称施工单位
分包单位查收部位
项目经理
分包项目经理
施工执行标准名称及编号
施工质量查收规范的规定
监理(建设)施工单位检查评定记录
单位查收记录
主
资料质量及配合比第条
1
控
项
2排水坡度第条
目
1 交接处和转角处细部办理第条
一
2表面质量第条
般
项
3 分格缝的地址和间距第条
目
4 表面平展度赞同偏差5mm
专业工长(施工员)施工班组长施工单位检查评定结果
项目专业质量检查员:年月日
监理(建设)单位查收结论专业监理工程师:
(建设单位项目专业技术负责人)年月日
说明
主控项目:
1、找平层的资料质量及配合比,必定吻合设计要求。
检查出厂合格证、质量检验报告和计量措施。
2、屋面(含天沟、檐沟)找平层的排水坡度,必定吻合设计要求。
用水平仪(水平尺)、拉线和尺量检查。
一般项目:
1、基层与突出屋面结构的交接处和基层的转角处,均应做成圆弧形,且整齐平顺。
观察和尺量检查。
2、水泥砂浆、细石混凝土找平层应平展、压光,不得有酥松、起砂、起皮现象;沥青砂浆找平
层不得有拌合不匀、蜂窝现象。
观察检查。
3、找平层分格缝的地址和间距应吻合设计要求。
观察和尺量检查。
4、找平层表面平展度的赞同偏差为5mm。
用 2m靠尺和楔形塞尺检查。
12312表面平整度2mm 标高±4mm 表面平整度3mm 标高±5mm
表面平整度5mm
标高±8mm
45找平层检验批质量验收记录表
GB50209-2002
(Ⅷ)
单位(子单位)工程名称
分部(子分部)工程名称
施工单位
分包单位
施工执行标准名称及编号
施工单位检查评定结果
找平层表面质量表面平整度、标高坡度厚度用胶粘剂做结层,铺拼花木板、塑料板、
复合板、竹地板面层有沥青玛脂做结合
层,铺拼花木板,板块面层及毛地板铺木
地板配合比或强度等级有防水要求套管地漏找平层与下层结合施工质量验收规范的规定
主
控
项
目
一
般 项
目用水泥砂浆做结合层,铺板块面层,其
他种类面层分包项目经3
材料质量项目专业质量检查员:2/1000且不大于30<1/10
设计要求设计要求第4.9.8条专业工长(施工员)
结合牢固无空鼓第4.9.10条
验收项目施工单位检查评定记录
监理(建设)单位验收结论
专业监理工程师
(建设单位项目专业技术负责人):
项目经理验收部位项目经理施工班组长
定记录030101
年 月 日监理(建设)单位验收
记录
年 月 日。
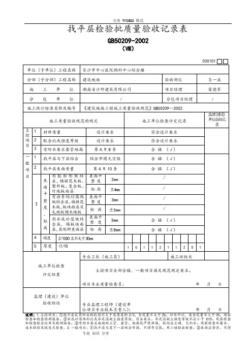
完美 WORD 格式专业 知识 分享找平层检验批质量验收记录表GB50209-2002(Ⅷ)030101单位(子单位)工程名称 长沙市中心医院胸科中心综合楼 分部(子分部)工程名称 建筑地面 验收部位 负一层 施 工 单 位 湖南省沙坪建筑有限公司项目经理 雷德军 分 包 单 位/分包项目经理/施工执行标准名称及编号 《建筑地面工程施工质量验收规范》GB50209—2002施工质量验收规范的规定施工单位检查评定记录监理(建设)单位验收记录 主控项目1 材料质量 设计要求 符合设计要求2 配合比或强度等级 设计要求 符合设计要求3 有防水要求套管地漏 第4.9.8条 合 格 (√) 一般项目1 找平层与下层结合 结合牢固无空鼓 合 格 (√)2 找平层表面质量 第4.9.10条 合 格 (√)3表面平整度、标高 用胶粘剂做结层,铺拼花木板、塑料板、复合板、竹地板面层 表面平整 度 2mm / 标 高 ±4mm / 有沥青玛脂做地结合层,铺拼花木板,板块面层及毛地板铺木地板 表面平整 度 3mm / 标 高 ±5mm / 用水泥砂浆做结合层,铺板块面层,其他种类面层表面平整 度 5mm 合 格 (√) 标 高±8mm合 格 (√)4 坡度2/1000且不大于30mm5 厚度 <1/1011121121施工单位检查 评定结果专业工长(施工员) 施工班组长主控项目全部合格,一般项目满足规范规定要求。
项目专业质量检查员: 年 月 日 监理(建设)单位验收结论专业监理工程师(建设单 位项目专业技术负责人): 年 月 日说明:1.主控项目:①找平层采用碎石的粒径不大于其厚度的2/3,含泥量不大于2%;砂为中砂,其含泥量不大于3%。
观察检查和检查检测报告。
②水泥砂浆体积比或水泥混凝土强度等级,符合要求。
水泥混凝土强度等级不应小于C15。
观察检查和检查配合比单及检测报告。
③有防水要求地面的立管、套管、地漏处严禁渗漏,坡向应正确、无积水。
找平层检验批质量验收记录表GB50209-2002(Ⅷ)、标高有沥青玛脂做地结合层,铺拼花木板,板块面层及毛地板铺木地板表面平整度❍❍标高±❍❍用水泥砂浆做结合层,铺板块面层,其他种类面层表面平整度❍❍合 格 (√)标高±❍❍合 格 (√)坡度且不大于 ❍❍厚度 施工单位检查评定结果专业工长(施工员)施工班组长 主控项目全部合格,一般项目满足规范规定要求。
项目专业质量检查员: 年 月 日监理(建设)单位验收结论专业监理工程师(建设单位项目专业技术负责人): 年 月 日说明: 主控项目:①找平层采用碎石的粒径不大于其厚度的 ,含泥量不大于 ;砂为中砂,其含泥量不大于 。
观察检查和检查检测报告。
②水泥砂浆体积比或水泥混凝土强度等级,符合要求。
水泥混凝土强度等级不应小于 。
观察检查和检查配合比单及检测报告。
③有防水要求地面的立管、套管、地漏处严禁渗漏,坡向应正确、无积水。
观察检查和蓄水、泼水检验及坡度尺检查。
一般项目:①找平层与其下一层结合牢固,不得有空鼓。
用小锤轻击检查。
②表面应密实,不得有起砂蜂窝和裂缝等缺陷。
观察检查。
③表面允许偏差,应按本规范表 中的检验方法检验。
找平层检验批质量验收记录表☝(Ⅷ)单位(子单位)工程名称长沙市中心医院胸科中心综合楼分部(子分部)工程名称建筑地面验收部位一 层施 工 单位湖南省沙坪建筑有限公司项目经理雷德军分 包 单位分包项目经理施工执行标准名称及编号《建筑地面工程施工质量验收规范》☝— 施工质量验收规范的规定施工单位检查评定记录监理☎建设✆单位验收记录主控项目 材料质量设计要求符合设计要求 配合比或强度等级设计要求符合设计要求有防水要求套管地漏第 条合 格 (√)一般项目 找平层与下层结合结合牢固无空鼓合 格 (√)找平层表面质量第 条合 格 (√)表面平整度、标高用胶粘剂做结层,铺拼花木板、塑料板、复合板、竹地板面层表面平整 度❍❍标 高±❍❍有沥青玛脂做地结合层,铺拼花木板,板块面层及毛地板铺木地板表面平整 度❍❍标高±❍❍用水泥砂浆做结合层,铺板块面层,其他种类面表面平整度❍❍合 格 (√)说明: 主控项目:①找平层采用碎石的粒径不大于其厚度的 ,含泥量不大于 ;砂为中砂,其含泥量不大于 。
找平层检验批质量验收记录表
GB50209-2002
Ⅷ
030101 单位 子单位 工程名称
分部 子分部 工程名称验收部们
施工单位项目 理
分包单位分包项目 理
施工执行标准名称及编号
施工质 验收规范的规定施工单位检查评定记录
监理(建设)单
位验收记录主
控
项
目
1 材料质 设计要求
2 配合比或强度等级设计要求
3 防水要求套管地漏第4.9.8条
一
般
项
目
1 找 层 下层结合结合牢固无空鼓
2 找 层表面质 第4.9.10条
3
表
面
整
度
、
标
高
用胶粘剂做结层,铺拼
花木板、塑料板、复合
板、竹地板面层
表面 整度2mm
标高±4mm
沥青玛脂做结合
层,铺拼花木板,板块
面层及毛地板铺木地板
表面 整度3mm
标高±5mm
用水泥砂浆做结合层,
铺板块面层,其他种类
面层
表面 整度5mm
标高±8mm
4 坡度2/1000 大于30mm
5 厚度<1/10
施工单位检查评定结果
业工长 施工员 施工班组长
`
项目 业质 检查员: 日
监理 建设 单位验收结论
业监理工程师:
建设单位项目 业技术负责人 : 日。