塑料模设计程序
- 格式:ppt
- 大小:911.00 KB
- 文档页数:23
分享塑胶模具设计思路与流程,建议收藏!
一套可靠的模具设计,主要体现在所成型的塑料制品的质量(外观质量和尺寸稳定性),加工制造时方便、迅速、简练,既又省资金、人力,留有更正、改良余地、使用时安全、稳定、便于维修、在注射成型时有较短的成型周期和较长使用寿命以及具有合理的模具制造工艺性等方面。
一、工厂模具设计主要流程
客户提供产品图→分析产品→确认塑料品种→确认模具材质→转工程图→乘缩水作镜相→完善组立图→订模胚→订模仁料→拔模→3D 分模→确定流道/浇口方式→参照排位图进行结构设计→拆镶件→更正3D→工程出图包括:(模仁/镶件/模胚/散件)→做BOM 表→校对审核。
在这里插入图片描述
二、在设计应注意的几个方面
我们在开始模具设计时,应多注意考虑几种方案,衡量每种方案优缺点,从中优选一种,对于T模,亦认真对待。
因为时间认识上的原因,当时认为合理的设计,经过生产使用实践也一定会有可能可以改进的地方。
在交出设计方案后,要与工厂多沟通,了解加工过程及制造使用中的情况。
每套模都应有一个固定分析经验,总结得失的过程,才能不断提高模具设计水平。
设计时多参考过去所设计的类似图纸,吸取其经验与教训。
塑料模具设计方案一、背景介绍在现代工业生产中,塑料制品的应用越来越广泛。
而塑料制品的生产离不开塑料模具的设计与制造。
本文将针对塑料模具的设计方案进行详细介绍。
二、需求分析在开始设计塑料模具之前,我们需要对项目需求进行详细的分析。
这包括产品形状、尺寸、材料以及生产要求等。
1. 产品形状根据产品的形状,我们可以确定模具的结构类型。
常见的模具结构包括单腔模具、多腔模具、嵌件模具等。
2. 产品尺寸对于产品尺寸的要求,我们需要考虑到产品的公差范围和精度要求。
根据尺寸要求,我们可以确定模具的材料及加工方式。
3. 材料选择根据生产批量和产品要求,我们可以选择合适的模具材料。
常见的模具材料包括模具钢、铝合金等。
不同的材料具有不同的强度和耐磨性能。
4. 生产要求根据客户的要求,我们需要考虑到生产效率、模具寿命以及产品表面质量等因素。
这将直接影响到模具的设计和制造过程。
三、塑料模具设计流程根据需求分析阶段的结果,我们可以进行具体的模具设计。
塑料模具设计一般包括以下几个步骤:1. 产品设计在模具设计之前,我们需要通过CAD等设计软件完成产品的三维模型设计。
这将作为模具设计的基础。
2. 模具结构设计根据产品的形状和尺寸要求,我们可以确定模具的结构。
这包括模具腔体、模具芯、模具副以及模具附件的设计和安装。
3. 模具零件设计根据模具结构设计,我们可以开始设计各个模具零件的具体形状和尺寸。
这包括模具腔体、模具芯、滑块、顶针等零部件。
4. 模具注塑系统设计模具注塑系统是模具设计的重要组成部分。
我们需要考虑到注塑机的规格、熔融物料的流动性以及产品的冷却周期等因素。
5. 模具闭合系统设计模具闭合系统包括模具的开合、顶出及脱模等功能。
我们需要确保模具的闭合性能和稳定性,以及产品的顶出和脱模效果。
四、模具制造与试模在完成设计方案后,我们可以进行模具的制造和试模。
这包括以下几个步骤:1. 材料采购与加工根据设计方案,我们需要采购合适的模具材料,并进行相应的加工和热处理。
注塑模具设计流程第一步:对制品2D图及3D图的分析,其内容包括以下几个方面:1、制品的几何形状.2、制品的尺寸、公差及设计基准。
3、制品的技术要求(即技术条件)。
4、制品所用塑料名称、缩水及颜色.5、制品的表面要求。
第二步:注射机型号的确定注射机规格的确定主要是根据塑料制品的大小及生产批量。
设计人员在选择注射机时,主要考虑其塑化率、注射量、锁模力、安装模具的有效面积(注射机拉杆内间距)、容模量、顶顶出形式及定出长度、动模托板移动行程。
倘若客户已提供所用注射剂的型号或规格,设计人员必须对其参数进行校核,若满足不了要求,则必须与客户商量更换。
第三部:型腔数量的确定及型腔排列模具型腔数量的确定主要是根据制品的投影面积、几何形状(有无侧抽芯)、制品精度、批量以及经济效益来确定。
型腔数量主要依据以下因素进行确定:1、制品的生产批量(月批量或年批量)。
2、制品有无侧抽芯及其处理方法。
3、模具外形尺寸与注射剂安装模具的有效面积(或注射机拉杆内间距)。
4、制品重量与注射机的注射量。
5、制品的投影面积与锁模力。
6、制品精度。
7、制品颜色.8、经济效益(每套模的生产值)。
以上这些因素有时是相互制约的,因此在确定设计方案时,必须进行协调,以保证满足其主要条件.型腔数量确定之后,便进行型腔的排列,以及型腔位置的布局。
型腔的排列涉及模具尺寸、浇注系统的设计、浇注系统的平衡、抽芯(滑块)机构的设计、镶件型芯的设计以及热流道系统的设计。
以上这些问题由于分型面及浇口位置的选择有关,所以在具体设计过程中,要进行必要的调整,以达到最完美的设计。
第四步:分型面的确定分型面,在一些国外的制品图中已作具体规定,但在很多的模具设计中要由模具人员来确定,一般来讲,在平面上的分型面比较容易处理,有时碰到立体形式的分型面就应当特别注意.其分型面的选择应遵照以下原则:1、不影响制品的外观,尤其是对外观有明确要求的制品,更应注意分型面对外观的影响.2、利于保证制品的精度。
3.4使用UG进行塑料模具设计一、建立塑料制件模型1.双击UG图标,打开UG软件。
2.新建文件,选择模型模块,更改文件名称为sujian,并选择相应目录文件夹,点击确定按钮。
3.点击草图命令,弹出创建草图命令栏,默认选定的平面,单击确定按钮,进入草绘环境。
4.单击圆命令,以坐标系中心为原点,绘制直径为35的圆。
5.绘制草图后,选择完成草图命令。
6.在工具栏中点击拉伸命令,之后弹出拉伸命令工具栏,选择草绘的圆,设置拉伸高度为18,拔模角度为5,点击确定。
7.移动坐标系位置。
点击WCS命令,在弹出命令栏中将ZC改为1.5,其余默认,点击确定。
此时坐标系原点向上移动1.5mm。
8.选则平移后的XC-YC作为草绘平面,绘制直径为32的圆,点击完成草图。
9.点击拉伸按钮,原则上步草绘曲线作为拉伸曲线,在限制中将结束改为直至选定对象,选择实体上表面作为终止面,将布尔运算改为求差,拔模角度为5。
10.单击倒圆角命令,选择零件底面外圆,倒角大小为3,单击应用;选择零件底面内圆,倒角大小为1.5,单击确定。
完成零件体建立。
二、创建模块(型芯和型腔)1.点击开始—所有应用模块—注塑模向导,进入模具设计。
此时弹出注塑模工具条。
2.点击项目初始化项目,进行初始设计,将材料改为ABS,其余默认,点击确定。
3.由于注塑时候型腔保持不变,型芯运动,因此需要改变分型方向。
点击WCS动态,将Z轴改为向下,点击鼠标中键确定。
4.建立模具工作坐标。
点击模具CSYS,弹出对话框,选择选定面的中心命令,选择口的圆环表面,单击确定,此时模具坐标就移到分模面了。
5.点击工件按钮,将开始设为15,结束设为25,单击确定。
6.点击分型工具按钮,弹出分型管理器,对工件进行分型,建立模具型芯和型腔。
7.选择编辑分型线按钮,创建分型线。
弹出分型线对话框,选择自动搜索分型线,点击确定。
弹出对话框,点击选择体,选择零件,点击确定。
完成分型线的建立。
8.建立分型面。
榨汁机上盖塑料模设计摘要:本文通过对榨汁机上盖的结构、生产及材料工艺性分析,论述了材料的选用、生产工艺的制定及设备型号的选择,确定模具结构及相关成型的零件图、装配图的设计及三维造型,以及工厂模具零件的加工工艺。
关键词:ABS塑料、榨汁机上盖、塑料模具设计、模具零件加工工艺、数控编程、模具报价、工厂实用模具术语。
一、塑件工艺性分析(一)塑件原材料分析(二)塑件尺寸精度分析(加塑件图)(三)塑件表面质量分析(四)塑件结构工艺分析三、成型设备选择与模具工艺参数编制(一)(二)(三)一般工厂的塑胶部都拥有从小到大各种型号的注射机。
中等型号的占大部分,小型和大型的只占一小部分。
所以我们不必过多的考虑注射机型号。
具体到这套模具,厂方提供的注射机型号和规格以及各参数如下:最大注射量:95g最大锁模力:120T拉杆内间距:模板大小:400×550最大模具厚度:最小模具厚度:最大开合模行程:120推出形式:顶针顶杆中心距:顶杆直径:推出位置:产品离开后模最大顶出行程:60定位圈直径:喷嘴球面半径:sr20四、拟定模具结构形式(一)确定型腔数量及排列方式型腔的数量是由厂方给定,为“一出二”即一模二腔,他们已考虑了本产品的生产批量(小批量生产)和自己的注射机型号。
因此我们设计的模具为多型腔的模具。
考虑到模具成型零件和抽芯结构以及出模方式的设计,模具的型腔排列方式如下图所示:图 (2)(二)模具结构形式的确定由于塑件外观质量要求高,尺寸精度要求一般,且装配精度要求高,因此我们设计的模具采用多型腔单分型面。
根据本塑件榨汁机上盖的结构,模具将会采用单个分模面,二个行位的结构。
(三)分型面位置的确定如下图所示,采用A-A平直的分型面,前模(即定模)做成平的就行了,胶位全部做在后模(即动模),大简化了前模的加工。
A-A分型面也是整个模具的主分模面。
下图中虚线所示的B -B和C-C分型面是行位(即滑块)的分型面。
这样选择行位分型面,有利于线切割行位以及后模仁和后模镶件这些成型零件。
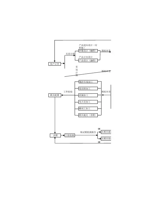
塑料模具的工艺流程
塑料模具的工艺流程主要包括以下几个步骤:
1. 设计阶段:
- 需求分析:根据产品需求确定模具设计方案,包括产品的尺寸、形状、精度要求等。
- 模具设计:使用CAD软件进行详细的设计,包括模具结构设计(型腔、浇注系统、冷却系统、顶出系统等)。
2. 模具制造阶段:
- 材料准备:选择适合的模具钢材或其他材料,按照设计图纸切割成大致形状。
- 加工粗胚:通过铣床、刨床、车床等对模具粗胚进行粗加工,形成初步轮廓。
- 精密加工:运用CNC数控机床进行精加工,包括电火花线切割、电火花成型、精密磨床研磨等,确保模具精度。
- 组装调试:将各个部件装配在一起,安装标准件和热流道系统等,进行试模试验,对模具进行微调优化。
3. 试模与验收阶段:
- 注塑试模:将完成组装的模具安装在注塑机上,进行试模并生产样品,检验产品尺寸、外观及性能是否符合要求。
- 整改与确认:根据试模结果对模具进行必要的修正和改进,直至产品达到设计要求并通过客户或内部验收。
4. 生产阶段:
- 正式生产:模具经过验收合格后,投入批量生产,定期进行维护保养,保证产品质量稳定。
5. 后期维护与报废处理:
- 在模具使用过程中,会定期进行清理、润滑以及磨损部位的修复或更换。
- 当模具因磨损严重、技术更新或其他原因不能满足生产需求时,进行评估决定是否需要翻新或报废处理。
以上就是塑料模具从设计到生产再到后期维护的基本工艺流程,具体细节可能根据不同产品和模具复杂程度有所差异。
塑料模具设计方案1. 引言塑料模具是用于生产塑料制品的关键工具,它的设计和制造质量直接影响到塑料制品的质量和生产效率。
本文档将介绍塑料模具设计的一般原则和步骤,并提供一个具体的案例分析,以帮助读者更好地理解塑料模具设计的过程。
2. 设计原则塑料模具设计过程中需要遵循以下原则:•功能性原则:模具的设计应能满足所需产品的各种功能要求,例如尺寸精度、表面质量等。
•可制造性原则:模具的设计应考虑到制造过程中的技术要求和制造设备的限制,以提高生产效率并降低成本。
•可靠性原则:模具的设计应考虑到长期使用时的稳定性和可靠性,避免设计上的瑕疵和易损部件。
•易维护性原则:模具的设计应考虑到维修和保养的方便性,避免过于复杂的结构和难以拆卸的部件。
3. 设计步骤塑料模具设计的一般步骤如下:1.产品分析:对所需产品进行全面分析,包括尺寸、形状、材料等方面的要求,以确定模具的设计参数。
2.模具结构设计:根据产品分析的结果,设计模具的整体结构,包括模具的核心、模腔、排气系统等。
3.模具零件设计:根据模具结构的设计,详细设计各个零部件的结构和尺寸,包括模具的导向系统、冷却系统、顶针系统等。
4.模具装配设计:将各个零部件进行装配设计,确保它们能够正确地配合和工作。
5.模具画图:利用CAD等工具绘制模具各个零部件的图纸。
6.模具加工制造:根据图纸进行模具的加工制造,包括数控加工、电火花等工艺。
7.模具调试和试模:进行模具的调试和试模工作,确保模具能够正常运行并达到设计要求。
4. 案例分析以下是一个具体的塑料模具设计方案的案例分析:产品介绍:设计一款塑料杯子,杯子尺寸为直径80mm,高度100mm,材料为食品级聚丙烯。
模具设计参数: - 轮廓尺寸:根据产品尺寸确定模腔和模芯的轮廓尺寸。
- 分型面位置:确定模具分型面的位置,以便顺利取出制品。
- 排气系统:设计一个合适的排气系统,以避免在注塑过程中产生气泡。
- 冷却系统:设计一个有效的冷却系统,以提高生产效率。
塑胶模具设计的十大步骤关于塑料的模具设计步骤是怎么样的 ?为大家清点介绍以下,欢迎大家阅读查察 !一、接受任务书成型塑料制件的任务书平时由制件设计者提出,其内容以下:1.经过审签的正规制制件图纸,并注明采纳塑料的牌号、透明度等。
2.塑料制件说明书或技术要求。
3.生产产量。
4.塑料制件样品。
二、采集、解析、消化原始资料采集相关制件设计、成型工艺、成型设备、机械加工及特别加薪资料,以备设计模具时使用。
1.消化塑料制件图,认识制件的用途,解析塑料制件的工艺性,尺寸精度等技术要求。
比方塑料制件在表面形状、颜色透明度、使用性能方面的要求是什么,塑件的几何结构、斜度、嵌件等状况能否合理,熔接痕、缩孔等成型缺点的同意程度,有无涂装、电镀、胶接、钻孔等后加工。
选择塑料制件尺寸精度最高的尺寸进行解析,看看预计成型公差能否低于塑料制件的公差,能否成型出吻合要求的塑料制件来。
其余,还要认识塑料的塑化及成型工艺参数。
2.消化工艺资料,解析工艺任务书所提出的成型方法、设备型号、资料规格、模具结构种类等要求能否适合,能否落实。
成型资料应当满足塑料制件的强度要求,拥有好的流动性、平均性和各向同性、热稳固性。
依据塑料制件的用途,成型资料应满足染色、镀金属的条件、装饰性能、必需的弹性和塑性、透明性或许相反的反射性能、胶接性或许焊接性等要求。
3.确立成型方法——采纳直压法、铸压法还是注塑法。
4、选择成型设备依据成型设备的种类来进行模具,所以一定熟知各种成型设备的性能、规格、特色。
比方关于注射机来说,在规格方面应当认识以下内容:注射容量、锁模压力、注射压力、模具安装尺寸、顶出装置及尺寸、喷嘴孔直径及喷嘴球面半径、浇口套定位圈尺寸、模具最大厚度和最小厚度、模板行程等,详尽见相关参数。
要初步预计模具外形尺寸,判断模具能否在所选的注射机上安装和使用。
5.详尽结构方案(1)确立模具种类如压制模 ( 敞开式、半闭合式、闭合式) 、铸压模、注射模等。
塑料模具开发流程
塑料模具开发流程大致包括以下步骤:
1. 产品设计与分析:根据客户需求,进行产品结构设计,并通过CAE软件进行流动、冷却等仿真分析。
2. 模具设计:基于产品设计,进行模具结构设计,包括型腔布局、浇注系统、冷却系统和顶出机构等设计,并通过CAD绘制模具图纸。
3. 模具材料选择:根据产品材质、生产要求以及模具使用寿命等因素选定合适的模具钢材。
4. 模具制造:按照设计图纸进行模具零件加工(如切削、电火花加工、线切割等),然后进行装配调试。
5. 试模与修模:完成模具组装后,在注塑机上进行首次试模,根据试模结果对模具进行必要的修正与优化。
6. 批量生产验证:经过多次试模修改至满足产品要求后,进入小批量生产阶段,进一步验证模具性能及稳定性。
7. 验收交付:确保模具达到客户规定的各项技术指标后,办理验收手续并交付给客户投入批量生产。
塑胶模具设计管制程序简洁范本一、目的二、适用范围本管制程序适用于所有需要进行塑胶模具设计的项目。
三、管制程序1.确定设计需求根据客户要求和产品设计要求,确立塑胶模具的设计需求,包括模具尺寸、结构、材料等。
2.选择设计人员根据项目的复杂度和要求,选择合适的设计人员进行模具设计工作。
设计人员应具备相关的技术和经验,并熟悉相关的设计软件和工具。
3.制定设计计划设计人员根据设计需求制定详细的设计计划,包括设计任务的分解、工作时间的安排和设计流程的确定。
4.进行设计工作设计人员按照设计计划进行设计工作,包括模具结构设计、模具零件设计和模具零件组装设计等。
5.设计审查设计工作完成后,进行设计审查。
设计审查应由专业人员进行,确保设计的准确性和可行性。
6.修改和优化设计根据设计审查的结果,进行必要的修改和优化。
设计人员应及时处理审查意见,并进行相应的改进。
7.完成设计文件根据设计工作的结果,编制详细的设计文件,包括模具设计图纸、设计报告和设计说明书等。
设计文件应清晰、准确地描述模具的结构和制造要求。
8.核准设计文件设计文件应由专业人员进行核准,确保设计文件的准确性和完整性。
9.审批设计文件设计文件经核准后,提交相关部门进行审批。
审批部门根据设计文件和相关要求进行审查和评估,并进行最终决策。
10.模具制造经审批的设计文件交由模具制造部门进行模具制造。
模具制造过程中应根据设计文件进行操作,确保模具的准确性和质量。
11.模具试制模具制造完成后,进行模具试制。
试制过程中应进行模具性能的测试和评估,确保模具的可用性和适应性。
12.完善和改进设计根据模具试制的结果,对设计进行完善和改进。
设计人员应及时处理试制意见,并进行相应的改进。
13.完成模具设计管制文件根据模具设计的实际情况,编制完整的模具设计管制文件,包括设计计划、设计文件、审批文件和试制文件等。
文件应清晰、准确地记录设计的全过程和相关信息。
14.实施管制按照设计管制文件的要求和制度,实施模具设计的管制工作。
热流道塑料模具设计步骤第一,根据塑件结构和使用要求,确定进料口位置。
只要塑件结构允许,在定模镶块内热喷嘴和喷嘴头不与成型结构干涉,热流道系统的进料口可放置在塑件的任何位置上。
常规塑件注射成形的进料口位置通常根据经验选择.对于大而复杂的异型塑件,注射成形的进料口位置可运用计算机辅助分析(CAE模拟熔融状塑料在型腔内的流动情况,分析模具各部位的冷却效果,确定比较理想的进料口位置. 第二,确定热流道系统的喷嘴头形式。
塑件材料和产品的使用特性是选择喷嘴头形式的关键因素,塑件的生产批量和模具的制造成本也是选择喷嘴头形式的重要因素。
第三,根据塑件的生产批量和注射设备的吨位大小,确定每模的腔数。
第四,由已确定的进料口位置和每模的腔数确定热喷嘴的个数.如果成形某一产品,选择一模一件一个进料口,则只要一个热喷嘴,即选用单头热流道系统;如果成形某一产品,选择一模多腔或一模一腔二个以上进料口,则就要多个热喷嘴,即选用多头热流道系统,但对有横流道的模具结构除外。
第五,根据塑件重量和热喷嘴个数,确定热喷嘴径向尺寸的大小.目前相同形式的喷嘴有多个尺寸系列,分别满足不同重量范围内的塑件成形要求。
第六,根据塑件结构确定模具结构尺寸,再根据定模镶块和定模板的厚度尺寸选择热喷嘴标准长度系列尺寸,最后修整定模板的厚度尺寸及其他与热流道系统相关的尺寸。
第七,根据热流道分流板的形状确定热流道固定板的形状,在其板上布置电源线引线槽,并在热流道分流板、热喷嘴、喷嘴头附近设计足够的冷却水环路. 现代热流道技术本文摘自德国Kunststoffe Plast Europe杂志作者为德国勒弗库森的Andreas Lang 随着大量制造的塑料零件变得越来越复杂,热流道系统的使用也变得越来越有必要了。
这既可应用于医学技术中重量仅为0。
02g的微小零件,也可应用于汽车和建筑部门的重达15kg的大型零件,运输部门甚至还用于可重达30kg更大的的零件. 热流道是注射成型模具中独特的结构元件。
塑料模型的制作方法
塑料模型的制作方法可以分为以下几个步骤:
1. 设计:确定要制作的模型的设计和规格,并绘制出详细的图纸或设计图。
2. 制作模具:根据设计图纸制作模具,可以使用各种制模材料,如黄油、木头、石膏等。
模具的制作需要有一定的技术和经验,可以请专业的制模师傅帮助完成。
3. 准备材料:根据设计图纸选择合适的塑料材料,例如树脂、ABS塑料等,并将材料准备好。
4. 塑料注塑:将准备好的塑料材料加热熔化,然后注入到模具中,待塑料冷却凝固后,取出模具即可得到塑料模型。
5. 修整和润饰:将取出的塑料模型进行修整和润饰,去除可能产生的瑕疵、毛刺等。
6. 上色和装饰:根据设计要求,对模型进行上色和装饰,可以使用各种颜料和工具进行。
7. 完成品检查:对制作完成的模型进行品检,确保质量和外观符合要求。
以上是一般的塑料模型制作方法,具体操作步骤和技巧可能会根据不同的模型类型和设计要求有所不同。