电阻检验标准
- 格式:docx
- 大小:24.28 KB
- 文档页数:2
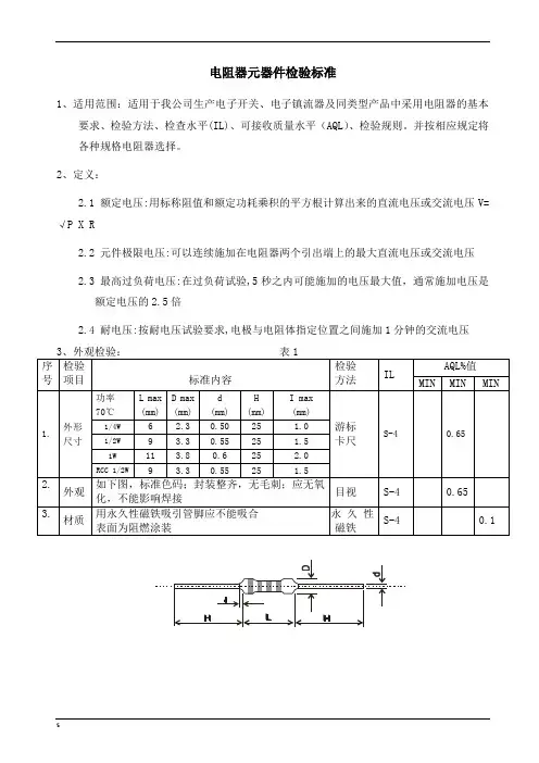
电阻器元器件检验标准1、适用范围:适用于我公司生产电子开关、电子镇流器及同类型产品中采用电阻器的基本要求、检验方法、检查水平(IL)、可接收质量水平(AQL)、检验规则。
并按相应规定将各种规格电阻器选择。
2、定义:2.1 额定电压:用标称阻值和额定功耗乘积的平方根计算出来的直流电压或交流电压V=√P X R2.2 元件极限电压:可以连续施加在电阻器两个引出端上的最大直流电压或交流电压2.3 最高过负荷电压:在过负荷试验,5秒之内可能施加的电压最大值,通常施加电压是额定电压的2.5倍2.4 耐电压:按耐电压试验要求,电极与电阻体指定位置之间施加1分钟的交流电压4、四色环阻值与误差的色标代码表26、短时间过负荷试验方法6.1 电阻两端加上2.5倍额定功率5秒钟,电阻不应熔断,恢复到常态时,阻值在原值的±(1%+0.1Ω)内。
6.2超载试验(小于5Ω的电阻,增加该项超负载试):在电阻两端施加直流电压U持续5=√秒钟,电阻不应熔断,恢复到常态时,阻值误差仍在原值的±(1%+0.1Ω)内。
(U超7、检验规则:7.1 对元器件用游标卡尺或电参数测量部分,每批次记录20-100个数据,合格与不合格数据必须如实记录,以便于查证。
7.3 来料通过检验合格后,方可投入批量生产,需要让步接收或退货按公司相关程序文件要求执行7.4 引用标准GB/T2828.1-2003 逐批检验计数抽样程序及抽样表8、本标准使用注意:8.1 本标准应发放到物控部的相关采购人员、物料发放人员;品质部的进料检验人员,常规物料检测人员小组长。
8.2 本标准发放到品质部后,品质部应根据标准要求制定相应的检验作业指导书。
8.3 当该标准从生效之日起,其他文件中凡有与本标准相冲突之处,一律以本标准为准则,其它同类检验标准作废,必要时征求相关项目负责人及主管意见。
电阻、电容、电感检验规范书默认分类 2009-08-24 19:30 阅读250 评论0字号:大中小3试装实装不符要求(使用对应的PCB进行试装)。
★AEC深圳市亚科德电子有限公司SHENZHEN AKKORD ELECTRONICS CO. LTD.材料检验规范手册电阻、电容、电感检验规范书文件编号版本号修改号WI-QE-004V1.02008.12.22适用范围:适用于我司各种封装电阻、电容、电感来料的检验。
缺陷判断的具体标准:一、外观、尺寸缺陷判断的具体标准:1.编带包装要求不符、变形、散乱。
(轻缺陷)2.污渍⑴表面可容易擦净的污渍。
(轻缺陷)⑵表面不可容易擦净的污渍。
(重缺陷)3.引脚变形、氧化。
(重缺陷)4.丝印错误、模糊不清。
(轻缺陷)5.封装、尺寸不符。
(重缺陷)6.引脚的可焊性差。
(轻缺陷)二、性能缺陷判断的具体标准:1.电阻类电阻量不符。
(重缺陷)2.电容类⑴耐压不够。
(重缺陷)⑵电容量不符。
(重缺陷)3.电感类——————————————————————————(待定)操作台、镊子、放大镜、可调电压源、恒温烙铁、锡线、万用表、电容表检验步骤:外观丝印检验—>封装尺寸检验—>性能指标检验—>可焊性检验一、目测1.检验员取盘(袋)装,需重点目视其标贴、包装形式,以及编带的清洁度、完整性。
2.拆开编带手拿镊子取待检料,需重点目视:⑴待检物料形状的清洁度、完整度;⑵待检物料脚的完整性、氧化状况;3.将IC丝印朝上置于放大镜下70-80mm处,通过放大镜目视其丝印,需重点目视丝印的清楚度和正确性。
3AEC深圳市亚科德电子有限公司SHENZHEN AKKORD ELECTRONICS CO. LTD.材料检验规范手册电阻、电容、电感检验规范书文件编号版本号修改号生效日期WI-QE-004V1.0注:以上检验可参照《检验规格书》上的封样。
二、卡尺量测检验员需对照《检验规格书》上的“技术资料”及“技术图纸”量测的项目:⑴待检物料形状的尺寸(长、宽或直径、高);⑵待检物料引脚的尺寸(长、宽或直径、高、间距);三、性能指标检验1.电阻类取数字万用表,将万用表调至电阻欧姆档位,表笔接触电阻量两端,从显示屏读取其电阻量。
电阻(直插,贴片)检验标准一:外观1 外包装良好,不能有破损,实物和外包装标示一致。
贴片电阻的最小包装不能有散开现象。
2 送检的电阻要与送检单上标示的规格,型号,数量一致。
3 电阻上的印制的标示要清晰,色环的颜色不能出现偏色,掉色。
(注意小规格的贴片电阻无标示)4 电阻本体不能有破损,变形。
电阻腿,焊盘应该光洁无污染,无变色。
不能出现生锈,氧化现象。
二:电性能实际检测的阻值要与标示一致。
误差范围要在标示的范围以内。
温飘测试(特殊要求的电阻)三:检测要求1 数量大于100(含100)的进行抽检,比例为5%2 器件优良率达到100%四:检测方法1 工具:台灯5-10倍放大镜数字万用表镊子2 方法:外观用目检方式。
电性能用数字万用表的表笔,接触电阻的两端测出相应阻值,注意根据不同的阻值范围要调整数字万用表的档位,表笔要和电阻接触良好。
温飘测试方法用电吹风进行温度变换,用高精度的数字表进行测试。
色环电阻的标示表四环电阻标示表四环电阻读取方法五环电阻标示表五环电阻读取方法贴片电阻标示和封装贴片电阻的封装有0402,0603,0805,1206贴片电阻的标示从左往右第一位,第二位是数字位,第三位是表示有多少个0数。
小数点用R表示。
高精度贴片电阻一般是指1%的。
这类电阻用4位表示。
从左往右第一位,第二位,第三位是数字位,第四位是表示有多少个0数。
小数点用R表示。
电容(直插,贴片)检验标准一:外观1 外包装良好,不能有破损,实物和外包装标示一致。
贴片电容的最小包装不能有散开现象。
2 送检的电容要与送检单上标示的规格,型号,数量一致。
3 电容上的印制的标示要清晰,极性标示要准确。
(注意小规格的贴片电容无标示)4 电容腿,焊盘应该光洁无污染,无变色。
不能出现生锈,氧化现象。
5 电容本体不能有破损,变形,电解电容不能有破损,变形,漏液现象。
二:电性能实际检测不能有短路击穿现象,不能有较大的漏电现象。
容值要与标示一致。
压敏电阻检验实验标准1 范围本标准规定了压敏电阻的材料分类、使用环境要求、产品标示要求、本体外观要求、包装贮存要求、阻燃要求、检测设备要求、检测规则、部品常规检验、可靠性实验。
本标准适用于所有压敏电阻材料的标准验收。
按材料分类主要分为氧化锌压敏电阻2 使用环境要求如无特别规定及特殊要求,在下述条件下使用:注:如有特别规定的请参照承认书上的使用环境要求!3 产品MARKING标示要求压敏电阻本体应有该电阻的品牌标示、电压、片径、安规符号以及生产周期,且印字要清晰!若本体过小可省略品牌标示,但要有电压、片径等参数!4.部品其它外观要求4.1本体标示要清晰,无模糊等不良现象4.2引线要光滑明亮,无氧化等不良现象4.3本体表面不应有锈蚀、裂痕、和其它机械不良现象5.包装、储存的要求5.1包装包装箱应标示有制造厂名称、产品名称、产品型号、检验日期、生产周期和包装数量,有要求的要标示我司元件料号。
对无铅产品要在包装箱上贴上无铅标签。
包装箱外应印刷或贴有“小心轻放”、“怕湿”、“向上”等运输标志,运输标志应符合GB 191的规定。
包装箱外印刷或贴的标志不可因运输条件和自然条件而褪色、脱落。
包装箱应符合防潮、防尘、防震的要求,包装箱内应有装箱清单、产品合格证、附件及相关随机文件。
5.2储存产品使用前应存放在原包装箱内,存放产品的仓库环境温度-20℃~40℃,相对湿度不大于93%,仓库内不允许有各种有害气体、易燃、易爆的产品及有腐蚀性的化学物品,并且应无强烈的机型振动、冲击和强磁场作用,包装箱应垫离墙壁、地面至少10cm,距离热源、冷源、窗口或空气入口至少50cm,在本规定条件下的储存期,若无特殊规定一般应为六个月,超过六个月时要重新交收检验。
6.阻燃状况压敏电阻应符合UL 94-VO级要求7.部品仪器设备的要求7.1漏电流测试仪输出电压误差±3V7.2电桥测试仪测试频率和测试电压按承认书要求测试7.3高温箱温度误差±5℃7.4恒湿恒温箱温度误差±3℃,湿度误差±5%7.5直流电源电压误差±3V7.6万用表电压误差±3V;电流误差±3mA7.7 RoHS测试仪应符合欧盟要求7.8 游标卡尺误差±5mm7.9 锡炉温度±3℃7.10 变频电源电压误差±3V8.检验规则8.1适用规范a)适用于XXXXIQC的进料检验b)适用于部品部新品认定与第二供应商的导入工作c)适用于部品定型/例行试验的判定标准8.2检验样品的抽取说明为了检验数据的准确性,检验样品数量不可小于5PCS。
电阻器安全检验实施细则
一、资料
产品说明书、安全性关键元器件或原材料一览表(材料名称、型号规格、生产厂名称、安全认证证书号)。
二、受检范围
适用于电网电源供电的家用和类似一般用途的电子及有关设备用的有安全要求的隔离电阻器、线绕电阻器。
隔离电阻器:对于连接在带电元件与可触及金属件间的电阻器在过载情况下,应有足够稳定的电阻器;
线绕电阻器:指有阻燃要求的线绕电阻器;
三、检验依据及检验项目
1.检验依据:SJ3272-90《电阻器的安全要求》
2.检验项目:
隔离电阻器:标记、爬电距离或间隙、湿热试验、电涌试验。
线绕电阻器:标志、爬电距离或间隙、过载试验。
四、试样
每种型号、功率的最大阻值、最小阻值,临界阻值各30只。
五、安全性能的判据
各检验项目试验合格则判定为产品安全检验合格。
有一个项目出现不合格,则判为不合格。
电阻检验标准1.外观1.1.色码均匀,易于识别,断环不得大于60℃;1.2.电阻体均匀,表面有光泽、无气孔、无起泡、无起皱、无露头;1.3.引线不得发黄,不得露铜,应无油污,引线根部不允许有长度超过 1.0mm的漆。
2.尺寸2.1.签订技术协议按技术协议检验;2.2.没有签订技术协议按厂家承认或提供的产品规格说明书中的尺寸检验。
3.电参数要求3.1.电阻值误差:J(±5%);3.2.10GΩ。
3.3.耐压:3.3.1.特殊电阻3.3.1.1.电阻680KΩ/0.25W&0.5W:加1500V的DC电压3S,要求:LC<3mA、外观无可见损伤、△R≤±10%R;3.3.1.2.电阻470KΩ/0.25W&0.5W:加1100V的DC电压3S,要求:LC<3mA、外观无可见损伤、△R≤±5%R;3.3.1.3.电阻330KΩ/0.25W&0.5W:加900V的DC电压3S,要求:LC<5mA、外观无可见损伤、△R≤±3%R;3.3.1.4.电阻220KΩ/0.25W&0.5W:加700V的DC电压5S,LC<5mA、要求:外观无可见损伤、△R≤±1.5%R。
3.3.1.5.RSN型电阻:加2.5×(PR)0.5的DC电压5S,自然放置30分钟后测量阻值,要求:外观无可见损伤、△R≤±1%R 。
备注:△R=试验后阻值-试验前阻值,R-试验前阻值3.3.2.其余电阻:加3×(PR)0.5的DC电压5S,要求:外观无可见损伤、不得冒烟烧毁。
3.4.高温阻值变化3.4.1.特殊电阻电阻680KΩ、470KΩ、330KΩ、220KΩ/0.25W&0.5W :在125±2℃环境温;度下放置30分钟测电阻值,要求:△R≤±7%R13.4.2.RSN型电阻:在室温+50±2℃环境温度下放置15分钟后测阻值,要求:(△R/R)/50*106 PPM/℃=±300PPM/℃。
国标线电阻标准《国标线电阻标准》前言嗨,小伙伴们!今天咱们来一起了解一下国标线电阻标准。
电线在我们的生活中可太重要啦,它们就像小管道一样,把电输送到各个地方。
而线电阻的标准就像是给电线定的一个小规则,这样就能保证电线好好工作,不会出危险呢。
一、范围这个标准适用于好多好多的电线哦。
不管是家里用的电线,还是工厂里那些大大的机器用的电线,只要是在咱们国家使用的电线,大部分都要按照这个标准来呢。
比如说,从墙上插座到台灯的那一小段电线,还有从电线杆到大楼里的长长的电线,都在这个范围里哦。
二、标准来源这个标准可不是随便定出来的哟。
是好多聪明的叔叔阿姨,他们经过很多很多次的实验,还研究了好多好多不同的情况才制定出来的呢。
他们考虑了电线的材料、粗细、长度这些因素。
这个标准是根据咱们国家的实际情况,还有国际上一些好的经验来制定的,这样咱们国家的电线就可以和世界上其他国家的好电线一样安全又好用啦。
三、术语和定义1. 线电阻这就像是电线对电流的一种小小的阻碍。
想象一下,电流是一群小蚂蚁在电线这个小路上走,线电阻就是小路上的一些小石头,会让小蚂蚁走得没那么顺畅。
它的单位是欧姆,就像我们量长度用米一样,量电阻就用欧姆哦。
2. 标称截面这是说电线看起来有多粗啦。
就像我们看铅笔有粗有细一样,电线也有不同的粗细,这个标称截面就是用来表示电线粗细的一个数字,它会影响线电阻的大小哦。
四、要求1. 不同粗细(标称截面)的电线,它的线电阻必须在一个规定的范围内。
比如说,很细的电线电阻会大一些,但是也不能太大,不然电就不能很好地通过啦;很粗的电线电阻会小一点,也得符合相应的标准哦。
2. 电线在不同的温度下,电阻也会有一点变化。
这个标准里也规定了在正常使用温度下,电阻的变化范围。
就像我们在热天和冷天感觉不一样,电线在不同温度下的表现也要符合要求呢。
五、试验方法1. 测量仪器要用到一种很厉害的仪器,叫做电阻测试仪。
这个仪器就像一个小侦探,可以准确地找到电线的电阻是多少。
Q/WJBZ 宁波伟吉电力科技有限公司试验标准Q/WJBZ2015 压敏电阻试验标准2015-07-26发布2015-07-26实施宁波伟吉电力科技有限公司发布前言本试验标准由宁波伟吉电力科技有限公司质量部提出本试验标准由宁波伟吉电力科技有限公司质量部归口本试验标准起草部门:质量部、研发部、办公室本试验标准主要起草人:压敏电阻试验标准1范围本试验标准规定了宁波伟吉电力科技有限公司对压敏电阻器的使用条件、电气性能、机械性能及环境性能等方面的技术要求和试验项目,规定了压敏电阻的验收标准。
本试验标准适用于本公司用压敏电阻的验收、定期确认、全性能检验。
2规范性引用文件下列文件对于本文件的应用是必不可少的。
凡是注日期的引用文件,仅所注日期的版本适用于本文件。
凡是不注日期的引用文件,其最新版本(包括所有的修改单)适用于本文件。
GB/T 2423.18 电工电子产品环境试验第2部分:试验试验Kb:盐雾,交变(氯化钠溶液)GB/T 2423.28-2005电工电子产品环境试验第2部分:试验方法试验T:锡焊GB/T 2423.32-2008 电工电子产品环境试验第2部分:试验方法试验Ta 润湿称量法可焊性GB/T 5169.11-2006 电工电子产品着火实验第11部分GB/T 10193-1997 电子设备用压敏电阻器第1部分总规范GB/T 17215.211-2006 交流电测量设备通用要求、试验和试验条件第11部分:测量设备GB/T2828.1 计数抽样检验程序第1部分按接收质量限(AQL)检索的逐批检验抽样计划3 检验工具高低温交变湿热试验箱盐雾试验箱游标卡尺耐压测试仪防雷元件测试仪雷击浪涌测试仪灼热丝测试仪4 技术要求4.1 包装要求包装设计应符合产品的性质、特点和储运条件。
包装箱应标示有制造厂名称、产品名称、产品型号、出厂日期和包装数量。
包装箱外应印刷或贴有“小心轻放”、“怕湿”等运输标识。
包装箱外印刷或贴的标识不可因运输条件和自然条件而褪色、脱落。
1目旳规范IQC在对外购进入我司旳电阻元器件进行统一旳外观与功能检查, 保证每批电阻组件在外观与功能特性上都是符合我司产品使用规定。
2合用范畴合用于我司所有电阻元器件在原材料、半成品、成品外观与功能特性上旳检查。
3 定义3.1 致命缺陷(Critical Defects):指影响限度也许对使用者和操作者导致安全问题旳隐患称之为致命缺陷, 以CR表达。
3.2 严重缺陷(Major Defects):指影响限度使产品功能已经失去实用性或导致其可靠度减少及严重旳外观不良。
如产品损坏、功能性不良等均统称为严重缺陷, 以MA表达。
3.3 轻微缺陷(Minor Defects):指影响限度使产品实质上并无减少其实用性, 且仍能达到所盼望之目旳, 一般为外观及构造上之差别称之为轻徽缺陷, 以MI表达。
4 职责4.1 品管部SQE工程师: 负责本检查原则旳拟定, 品质经理负责对本检查规范之审核。
5 4.2 品管部IQC:按照此检查原则对我司采购入库前旳电阻组件进行抽检, 供应商需按照此规范执行来料送检。
6运作程序5.1 抽样方案根据MIL-STD-105E(GB/T2828.1–), 一般检查水平Ⅱ级, 正常单次抽样计划抽取样本。
AQL水平: CR(致命缺陷)=0;MA(严重缺陷)=0.25;MI(轻微缺陷)=0.65。
5.2 检查环境相对温度: 25±10℃;相对湿度: 30~80%rh。
光照条件:在正常灯光照射下, 光源500Lux以上, 灯源距物品1米以上。
视距: 眼睛与物品距离40~50cm;视角: 水平垂直±45°5.3 检查作业规定检查前准备: 检查时必须戴ESD防静电手腕或ESD防静电手套。
外观检查:检查台光线亮度充足, 在光照强度大于500LUX与被测物30~40cm距离内成45度角。
5.4 电阻旳命名措施5.4.1 RS 05 K 102 JT 与RS 05 K 1002 FT 旳命名5.4.1.1 R表达电阻;5.4.1.2 S表达功率(0402是1/16W、0603是1/10W、0805是1/8W、1206是1/4W、1210是1/3W、1812是1/2W、1825是3/4W、2225是1W) ;5.4.1.3 05表达0805旳封装;5.4.1.4 K表达温度系数为100PPM;5.4.1.5 102-5%精度阻值表达法:前两位表达有效数字, 第三位表达有多少个零, 基本单位是(Ω), 102=10*100=1000Ω=1KΩ;5.4.1.6 1002 是1%阻值表达法: 前三位表达有效数字, 第四位表达有多少个零, 基本单位是(Ω), 1002=100*100=10000Ω=10KΩ。
电阻检验标准1.外观1.1.色码均匀,易于识别,断环不得大于60℃;1.2.电阻体均匀,表面有光泽、无气孔、无起泡、无起皱、无露头;1.3.引线不得发黄,不得露铜,应无油污,引线根部不允许有长度超过 1.0mm的漆。
2.尺寸2.1.签订技术协议按技术协议检验;2.2.没有签订技术协议按厂家承认或提供的产品规格说明书中的尺寸检验。
3.电参数要求3.1.电阻值误差:J(±5%);3.2.10GΩ。
3.3.耐压:3.3.1.特殊电阻3.3.1.1.电阻680KΩ/0.25W&0.5W:加1500V的DC电压3S,要求:LC<3mA、外观无可见损伤、△R≤±10%R;3.3.1.2.电阻470KΩ/0.25W&0.5W:加1100V的DC电压3S,要求:LC<3mA、外观无可见损伤、△R≤±5%R;3.3.1.3.电阻330KΩ/0.25W&0.5W:加900V的DC电压3S,要求:LC<5mA、外观无可见损伤、△R≤±3%R;3.3.1.4.电阻220KΩ/0.25W&0.5W:加700V的DC电压5S,LC<5mA、要求:外观无可见损伤、△R≤±1.5%R。
3.3.1.5.RSN型电阻:加2.5×(PR)0.5的DC电压5S,自然放置30分钟后测量阻值,要求:外观无可见损伤、△R≤±1%R 。
备注:△R=试验后阻值-试验前阻值,R-试验前阻值3.3.2.其余电阻:加3×(PR)0.5的DC电压5S,要求:外观无可见损伤、不得冒烟烧毁。
3.4.高温阻值变化3.4.1.特殊电阻电阻680KΩ、470KΩ、330KΩ、220KΩ/0.25W&0.5W :在125±2℃环境温;度下放置30分钟测电阻值,要求:△R≤±7%R13.4.2.RSN型电阻:在室温+50±2℃环境温度下放置15分钟后测阻值,要求:(△R/R)/50*106 PPM/℃=±300PPM/℃。