保险丝检验标准与规范
- 格式:doc
- 大小:87.00 KB
- 文档页数:4
汽车保险丝是一种重要的安全装置,它能够在汽车电路中起到保护作用,防止电线过载和短路引起的火灾和损坏。
为了确保汽车保险丝的质量和可靠性,一系列的测试标准被制定并广泛应用。
首先,汽车保险丝的额定电流是一个重要的测试项目。
额定电流是指保险丝能够正常工作的最大电流值。
根据不同的汽车型号和电路需求,额定电流会有所不同。
在测试过程中,保险丝需要承受一定时间的额定电流,以确保其能够稳定工作并及时断开电路,避免电线过载。
其次,保险丝的断开时间也是一个重要的测试指标。
断开时间是指在额定电流下,保险丝断开电路的时间。
保险丝的断开时间应该在一定范围内,既不能过于迅速导致误断电路,也不能过于缓慢导致电线过载。
通过测试断开时间,可以确保保险丝在正常工作状态下能够及时起到断开电路的作用。
另外,保险丝的外观和尺寸也需要进行测试。
外观测试主要是检查保险丝的外观是否完整,没有明显的损坏或变形。
尺寸测试则是确保保险丝的尺寸符合标准要求,以便正确安装和连接。
这些测试可以有效地排除由于制造过程中的缺陷导致的保险丝故障。
此外,还有一些其他测试项目,如环境适应性测试和振动测试。
环境适应性测试是在不同的环境条件下,如高温、低温、湿度等,测试保险丝的性能和可靠性。
振动测试则是模拟汽车行驶中的振动情况,检查保险丝是否能够在振动环境下正常工作。
总之,汽车保险丝的测试标准涉及到额定电流、断开时间、外观尺寸以及环境适应性和振动等多个方面。
这些测试标准的严格执行可以确保汽车保险丝的质量和可靠性,为汽车的安全行驶提供保障。
好好学习社区
更多优惠资料下载: 德信诚培训网
保险丝质量检验规范
(ISO9001-2015)
检查项目 确认内容
方法及工具 检验标准 AQL
外观
1 包装、标识(内外)是否完好清晰,核对规 格型号、数量和封装是否正确
目测
规格书 或样品
1.5 2 外观有无变形、断裂、破损和腐蚀现象,丝 印是否清晰正确,引脚是否光洁、有无氧化、 形状是否正确
目测
0.4
尺寸 外形尺寸,引脚间距
卡尺 规格书 3~5 机 械特性 1 引出脚抗拉强度
拉力计
规格书
0.4
2 引出脚弯折强度:用 1N 的力将引脚折弯 90°,然后向相反的 方向折弯 90°,来回
3 次,试验后引脚应该无折断,或封装无 松动、裂痕
电气性能
1 导通性测试:引脚之间的导通性能良好,阻值小 于 0.5Ω
万用表
规格书
3~5 PCS 2 过电流测试:通过 200%的额定电流,保险丝须 在 2 分钟内熔断
稳压电源
可焊性 将物料引脚浸入松香內 1 秒后,立即浸入温度
为 250℃±5℃的锡炉內 3~5 秒,上锡面积应 不小于浸锡面积的 90%,且无沙眼和针孔(有 玻璃管的不可开裂或破裂)
目测
规格书
3~5 PCS 安规标准 UL/CUL ;CSA ;CQC ;BSI/CE ;VDE/TUVVDE/TUV 查认证号 规格书 环保要求 是否有环保报告或声明
规格书
说明
1.除特别说明外,所有测试在常温常压下进行;
2.电气性能检测按规格书要求检验;
3.厂商出货报告必须包含<<零件承认书>>内提到的所有常规检验项目。
贴片保险丝检验标准
贴片保险丝的检验标准主要包括以下几个方面:
1. 外观检查:观察贴片保险丝的外观,应光滑、平整,无气泡、裂纹、毛刺等缺陷。
2. 尺寸检查:测量贴片保险丝的尺寸,应符合产品规格书或设计图纸的要求。
3. 保险丝熔断检查:通过模拟负载条件,对保险丝进行熔断试验,检查其在规定电流条件下的熔断时间是否符合要求。
4. 耐压性检查:对贴片保险丝进行耐压试验,检查其在规定电压下的绝缘性能是否良好。
5. 引脚检查:检查贴片保险丝的引脚是否牢固、无锈蚀、无变形。
6. 标识检查:检查贴片保险丝上的标识是否清晰、正确,包括额定电流、额定电压等信息。
7. 性能测试:根据相关标准或客户要求,对贴片保险丝进行性能测试,如可恢复性、耐冲击性等。
8. 环境适应性测试:根据实际应用环境,对贴片保险丝进行环境适应性测试,如温度、湿度、振动等。
9. 可靠性测试:通过加速寿命试验等方法,对贴片保险丝的可靠性进行评估。
10. 安全性能评估:根据相关标准和客户要求,对贴片保险丝的安全性能进行评估,如过载保护、短路保护等。
简述判断保险丝好坏的方法
1、外观检查:查看保险丝的外观是否存在明显的损坏,如断裂、熔断、金属丝变形或外部绝缘材料烧焦等。
2、电阻测量:使用万用表的电阻档位,测量保险丝两端的阻值。
对于未熔断的保险丝,其阻值通常很低,一般在几毫欧到几百欧姆之间,具体取决于保险丝的额定电流和规格。
若测得阻值为无限大(显示为“1”或“OL”),则保险丝可能已经熔断失效。
3、功能测试:在非负载状态下,可通过短路测试保险丝的功能。
但这一步骤需谨慎操作,以避免对电路或万用表造成损害。
在实际应用中并不推荐这种方法,除非是已知安全的条件下进行。
4、熔断特性检查:对于某些特殊场合,可以通过在特定条件下观察保险丝能否正常熔断来判断其好坏,但这通常在实验室条件下进行。
直流保险ul测试标准是一种评估直流保险丝安全性能的测试方法,其目标是确保保险丝在电路中出现过电流或短路时能够及时熔断,从而切断电流,保护电路安全。
该测试标准对直流保险丝的质量和性能具有严格的要求。
UL测试是针对电气产品的安全性能进行的测试,旨在确保产品在正常使用和操作过程中不会出现危险或危害人身安全的情况。
对于直流保险丝而言,UL 测试标准主要包括以下几个方面:
1. 熔断时间测试:测试直流保险丝在规定电流下的熔断时间,以确保其在出现过电流或短路时能够及时熔断。
2. 耐压测试:测试直流保险丝在规定电压下的电气性能,以确保其在正常工作电压范围内能够正常工作,不会出现击穿或短路等现象。
3. 温升测试:测试直流保险丝在正常工作时的温升,以评估其在长期工作时的热稳定性。
4. 绝缘电阻测试:测试直流保险丝的绝缘电阻,以确保其在正常工作条件下具有良好的电气隔离性能。
5. 环境适应性测试:测试直流保险丝在不同环境条件下的性能表现,以评估其在各种环境下的可靠性。
通过以上测试标准的实施,可以全面评估直流保险丝的安全性能和可靠性,从而为产品的质量和安全提供有力保障。
同时,这些测试标准也是直流保险丝生产过程中的质量控制标准和产品认证的重要依据。
除了UL测试标准外,还有其他的直流保险丝测试标准,如国家电气产品安全认证(CE认证)、国际电工委员会(IEC)标准等。
这些测试标准在具体细节上可能存在差异,但总体上都是为了确保直流保险丝的安全性能和可靠性。
总之,UL测试标准是评估直流保险丝安全性能的重要依据,对于产品的质量和安全具有重要意义。
在选择和使用直流保险丝时,应充分考虑其安全性能和可靠性,并遵守相应的测试标准和规范。
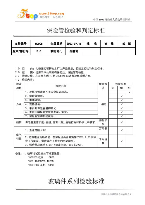
保险管检验和判定标准1.0目的:为使保险管符合本厂之产品要求,特制定检验和判定标准。
2.0范围:适用于本公司所有保险丝,保险管的检验。
3.0 检验环境:在正常光源下,距30CM远,以适宜视角观看产品.备注:1、破坏性试验按如下抽取数量:1000PCS以内 5PCS1001-10000PCS 10PCS10001PCS以上 20PCS玻璃件系列检验标准1.0目的:确保我司出货产品达到设计要求。
2.0范围:适用于本公司所有玻璃件的检验。
3.0检验环境:在正常光源下,距30CM远,以适宜视角观看产品。
4.0参照标准:1 GB2828逐批检查计数抽样程序及抽样表(适用于连续批的检查)。
2 GB7000.1灯具一般安全要求与试验。
3 QB/T3737.1民用,建筑灯具玻璃口径尺寸。
4 QB/T3737.2民用,建筑灯具玻璃罩罩座口径尺寸。
5.0检验内容:一、外观要求二、基本性能及要求1.0基本性能要求:1.1装配组合应主体无松动,错位、刮手、变形与样板不符。
1.2尺寸符合工程图纸要求。
1.6冲击检测:(钢球)2.0测试方法2.1装配(1.1)以实际装配对照收货样板。
2.2尺寸(1.2)对照工程图纸用卡尺等量具测试。
2.3耐温检测(1.3):将数字显示式鼓风干燥箱调至要求温度,温度恒定后,将玻璃样本放入烘烤30分钟后,用常温冷水水中浸泡,观察有无破损。
2.4高度检测(1.4):将产品放到要求高度在水泥地面,水平、落地观察产品的破损情况。
2.5密度检测(1.5):用特定的尖物对玻璃边部(50X50mm)的区域进行击打观察其破损的颗粒数。
2.6冲击检测(1.6):用¢1.58的钢球,按要求高度做跌落冲击测试验,观察玻璃的破损情况。
三、重点事项1.0耐温度检测时烤箱温度必须均匀。
2.0高度检测时玻璃必须在水泥地面,水平落地。
四、说明*有争议标准以品管部签板或客户双方商议为准。
车用保险丝标准1.电气特性车用保险丝的电气特性包括额定电压、额定电流、熔断时间和温度等指标。
在额定电压和额定电流下,保险丝应该能够安全地导通和切断电流。
当出现过载或短路等异常情况时,保险丝应能在规定的时间内迅速熔断,并切断电流,以保护电路和设备的安全。
熔断时间的长短取决于保险丝的材质和结构,而温度则是保险丝工作时的关键指标之一。
2.机械性能车用保险丝的机械性能是指在受到外力作用时的表现,如耐振动、耐冲击、耐热等性能。
在车辆行驶过程中,保险丝可能会受到来自路面的振动和冲击,因此需要具备一定的抗振性和抗冲击性。
同时,在高温环境下,保险丝还需要具备稳定的热性能,以保持正常的工作状态。
3.环境适应性车用保险丝在各种不同环境下应具备适应性。
在高温环境下,保险丝的熔点会降低,可能导致过早熔断。
在潮湿环境下,保险丝可能受潮锈蚀,影响其电气性能。
在盐雾环境下,保险丝会受到腐蚀,可能影响其使用寿命。
因此,针对不同环境条件,需要选择合适的保险丝,并进行相应的适应性测试。
4.耐久性车用保险丝的耐久性是指其在使用过程中的寿命和出现故障的频率。
正常情况下,保险丝的寿命应该与其所在电路的工作寿命相当。
但在实际使用过程中,由于多种因素的影响,如电流波动、环境条件等,可能导致保险丝提前失效。
因此,需要对保险丝进行耐久性测试,以评估其在实际使用中的可靠性。
5.安全性车用保险丝的安全性是指其在熔断时产生的热量和气味对周围环境和人员的影响。
在保险丝熔断时,会产生一定的热量和气味,如果不能得到有效的控制,可能会对周围电路和零部件造成影响,甚至可能危害人员的安全。
因此,需要选择安全性能好的保险丝,并进行相应的安全测试。
6.安装与使用车用保险丝的安装和使用方法对其性能和安全性有着重要的影响。
在安装过程中,应确保保险丝座固定牢靠,避免保险丝受到额外的应力。
同时,需要正确选择保险丝的规格和类型,以确保其与电路的匹配。
在使用过程中,应定期检查保险丝的工作状态,及时更换损坏的保险丝,以保证电路的安全。
好好学习社区
更多优惠资料下载:
德信诚培训网
保险丝质量检验规范
(ISO9001-2015)
检验 项目
抽样 计划
规格要求
缺点描述
判定 CR MA MI 一、 外观 GB/T
2828.1-2012一般
II 级
CR=0 MA=0.4 MI=1.0
物料标识清楚,标签上所写内容与送检单&BOM 表需求
内容相符;检查产品的型号规格、包装、厂商、环保标示是否正确,以及外包装箱
的外观是否完好无破损,无变形
标识不清楚,厂商/型号不清楚,无相关标识
√
规格型号与送检单/BOM 不符
√ 包装变形,破损 √
外包装标签与实物不符 √ 引脚光亮无氧化、破损,Marking 标识/极性点标识清楚、封装正确
本体破损、变形、本体外露等,封装与要求不一致 √
引脚氧化影响使用
√
本体与包装有干涉或粘胶等,导致元件在包装内不易取出
√
极性点标识/Marking 信息不清楚
√ 生产D/C 不能超过3年 D/C 超出3年
√
二、 功能 量测 CR=0 MA=0.4 MI=1.0
1.按照承认书要求进行功
能测试:导通性 2. 用2倍额定电流测试其
是否会瞬间熔断 3.做端子拉力测试,用手轻轻摇晃,端子应不脱落
测试不导通、保险丝不熔断、端子脱落等 √
三、 关键 5pcs/批 Acc=0
关键尺寸(厚度、长、宽) 尺寸超出公差范围
√。
直流保险UL测试标准一、测试范围本测试标准适用于所有直流保险丝(DC Fuse)的UL认证测试。
测试范围涵盖了保险丝的电气性能、环境适应性、机械性能等方面的测试。
二、测试条件1. 测试环境:测试应在干燥、无尘、无振动的环境中进行,环境温度保持在23±5℃,相对湿度在50±10%。
2. 测试设备:应使用精度高、稳定性好的测试设备进行测试,包括可编程电源、电流表、电压表、计时器等。
3. 样品准备:待测保险丝应清洁、干燥,无损伤,符合相关规格要求。
三、测试方法1. 电气性能测试:a. 保险丝的额定值:在额定电流和额定电压下,测试保险丝的电阻值,判断是否符合规格要求。
b. 动作时间和动作电流:测试保险丝在规定电流下的动作时间,并记录动作时的电流值。
c. 保持力:测试保险丝在动作后,保持断开状态的最小电流值。
d. 分断容量:测试保险丝在规定电流下的分断容量,并记录分断时的电压值。
2. 环境适应性测试:a. 温度测试:在高温、低温环境下,分别测试保险丝的电气性能,判断其是否正常工作。
b. 湿度测试:在潮湿环境下,分别测试保险丝的电气性能,判断其是否正常工作。
c. 振动测试:对保险丝施加振动,检查其是否有机械损伤或电气性能的改变。
3. 机械性能测试:a. 推拉力测试:测试保险丝在正常工作状态下,能承受的最大推拉力。
b. 冲击测试:测试保险丝在受到冲击时,是否有机械损伤或电气性能的改变。
c. 寿命测试:在规定的电流和电压下,对保险丝进行寿命测试,记录其失效时间。
四、测试结果分析根据实际测试数据,分析保险丝的电气性能、环境适应性、机械性能等方面的表现,判断其是否符合UL认证标准。
对于不符合标准的产品,应进行改进或淘汰。