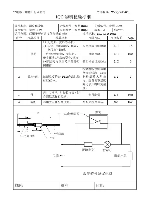
保险丝质量检验规范
- 格式:doc
- 大小:55.50 KB
- 文档页数:1
1.引用标准
GB2828.1-2003《逐批检验计数抽样程序及抽样表(适用于连续批的检验)〉〉
2.合格质量充收水准
1.抽样方案:根据GB2828.1-2003 一般检验II级水平(LEVEL及正常检验一次抽样方案
2.合格质量水平(AQL :
A类不合格:严重缺点(CRI)AQL : 0
B类不合格:主要缺点(MAJ AQL : 0.65
C类不合格:次要缺点(MIND AQL : 1.0
3.常规项目检验标准及检验方法表
续上表
4.特殊项目检验标准及检验方法
4.1保险丝材质保证:同一材质物料,供应商须向我司提供原材料出厂材质证明书;每年核查一次,无材质证明书按M衅IJ 定
处理。
4.2保险丝安规证书及型式检测报告:对于符合安规性的,供应商须每年向我司提供最新版安规证书及型式检测报告:每年
核查一次无提供安规资料或安规资料不真实有效按MA^J定处理。
4.3环境管理物质检验:
4.3.1环境管理物质管控项目:RoHS、PAHS PHTS SVHC无卤素等(客户有要求时管控)。
贴片保险丝检验标准
贴片保险丝的检验标准主要包括以下几个方面:
1. 外观检查:观察贴片保险丝的外观,应光滑、平整,无气泡、裂纹、毛刺等缺陷。
2. 尺寸检查:测量贴片保险丝的尺寸,应符合产品规格书或设计图纸的要求。
3. 保险丝熔断检查:通过模拟负载条件,对保险丝进行熔断试验,检查其在规定电流条件下的熔断时间是否符合要求。
4. 耐压性检查:对贴片保险丝进行耐压试验,检查其在规定电压下的绝缘性能是否良好。
5. 引脚检查:检查贴片保险丝的引脚是否牢固、无锈蚀、无变形。
6. 标识检查:检查贴片保险丝上的标识是否清晰、正确,包括额定电流、额定电压等信息。
7. 性能测试:根据相关标准或客户要求,对贴片保险丝进行性能测试,如可恢复性、耐冲击性等。
8. 环境适应性测试:根据实际应用环境,对贴片保险丝进行环境适应性测试,如温度、湿度、振动等。
9. 可靠性测试:通过加速寿命试验等方法,对贴片保险丝的可靠性进行评估。
10. 安全性能评估:根据相关标准和客户要求,对贴片保险丝的安全性能进行评估,如过载保护、短路保护等。
1.目的 (2)2.适用范围 (2)3.名词解释 (2)4.测试流程图 (3)5.测试项目 (3)5.1.资料确认 (3)5.2.单体测试 (4)5.2.1.外观检测 (4)5.2.2.尺寸测量 (5)5.2.3.端子强度测试 (5)5.2.4.焊锡性测试 (6)5.2.5 存储测试 (7)5.2.6冷态电阻测试 (7)5.2.7熔断特性测试 (8)5.2.8 分断能力测试 (9)5.3上机测试 (9)5.3.1性能测试 (9)5.4.可靠性测试 (10)5.4.1气候工作试验 (10)5.5特别制造 (10)6.附件 (10)7.参考文献 (10)8.相关记录表单/模板 (10)9.解释权限及生效日期 (11)11.目的针对保险丝部品的替代,熟悉该部品的测试方法以及评判标准,保证网络产品保险丝测试方法的一致及准确,提高网络产品保险丝测试的效率,确保保险丝的品质和可靠性。
2.适用范围适用于网络量产产品CE实施的保险丝部品认证工作。
3.名词解释名词英文全称解释RoHS Restriction ofHazardous Substances关于限制在电子电器设备中使用某些有害成分的指令24.测试流程图资料确认规格书、测试报告确认单体测试尺寸测量端子强度测试结构性兼容测试性能测试上机测试可靠性测试特别制造气候工作试验特别制造生产评估保险丝测试流程图外观检测存储测试焊锡性测试冷态电阻测试熔断特性测试分断能力测试5.测试项目5.1.资料确认测试项目规格书、测试报告确认文档包括承认书、样品、可靠性测试报告、ROHS等资料、UL认证证书确认目的核对规格书,根据部品关键参数表,关键参数是否符合A配套要求或我司产品要求。
关键参数A\B配套关键参数比对如下:345.2. 单体测试 5.2.1. 外观检测判定:以上关键参数与A 配套一致。
器件导入表(模板--保险丝).xlsx备注1)保险丝是安规管控器件,如果变更需要重新变更报备;2)需要具备UL 认证证书测试项目 外观检测 测试仪器 放大镜测试目的 检验保险丝样品外观是否与规格书一致,确保部品的品质。
保险丝盒测试标准
1.外观检查
1.1 保险丝盒应无明显划痕、凹陷、变形等质量问题。
1.2 保险丝盒的标签应清晰、完整,并包含产品名称、规格型号等信息。
1.3 保险丝盒的插孔、开关等部件应完好无损,无明显磨损。
2.性能测试
2.1 保险丝盒应符合相关标准要求,如电流负载、电压等。
2.2 在正常工作条件下,保险丝盒应能正常工作,无异常声音和发热现象。
2.3 保险丝盒的插孔应接触良好,无松动现象。
3.耐压测试
3.1 保险丝盒应能承受规定的耐压测试,测试过程中无放电、击穿等现象。
3.2 在高电压条件下,保险丝盒的绝缘性能应保持良好。
4.温升测试
4.1 在规定的工作电流和电压条件下,保险丝盒的温升应符合相关标准要求。
4.2 在过载条件下,保险丝盒的温升应不超过规定值。
5.动作测试
5.1 当电路中出现过电流或短路等异常情况时,保险丝盒应能迅速切断电路,保护电路安全。
5.2 保险丝盒的动作时间应符合相关标准要求。
6.寿命测试
6.1 在规定的工作条件下,保险丝盒应能正常工作至少2000小时。
6.2 在寿命测试期间,保险丝盒应保持稳定的性能表现。
7.恶劣环境测试
7.1 在高温、低温、高湿等恶劣环境下,保险丝盒的性能应保持稳定。
7.2 在恶劣环境下,保险丝盒的绝缘性能应保持良好。
8.安全性测试
8.1 保险丝盒的设计和制造应符合相关安全标准,确保使用安全。
8.2 在安全性测试中,如机械强度测试、防电击测试等,保险丝盒应符合相关安全要求。
好好学习社区
更多优惠资料下载:
德信诚培训网
保险丝质量检验规范
(ISO9001-2015)
检验 项目
抽样 计划
规格要求
缺点描述
判定 CR MA MI 一、 外观 GB/T
2828.1-2012一般
II 级
CR=0 MA=0.4 MI=1.0
物料标识清楚,标签上所写内容与送检单&BOM 表需求
内容相符;检查产品的型号规格、包装、厂商、环保标示是否正确,以及外包装箱
的外观是否完好无破损,无变形
标识不清楚,厂商/型号不清楚,无相关标识
√
规格型号与送检单/BOM 不符
√ 包装变形,破损 √
外包装标签与实物不符 √ 引脚光亮无氧化、破损,Marking 标识/极性点标识清楚、封装正确
本体破损、变形、本体外露等,封装与要求不一致 √
引脚氧化影响使用
√
本体与包装有干涉或粘胶等,导致元件在包装内不易取出
√
极性点标识/Marking 信息不清楚
√ 生产D/C 不能超过3年 D/C 超出3年
√
二、 功能 量测 CR=0 MA=0.4 MI=1.0
1.按照承认书要求进行功
能测试:导通性 2. 用2倍额定电流测试其
是否会瞬间熔断 3.做端子拉力测试,用手轻轻摇晃,端子应不脱落
测试不导通、保险丝不熔断、端子脱落等 √
三、 关键 5pcs/批 Acc=0
关键尺寸(厚度、长、宽) 尺寸超出公差范围
√。
好好学习社区
更多优惠资料下载: 德信诚培训网
保险丝质量检验规范
(ISO9001-2015)
检查项目 确认内容
方法及工具 检验标准 AQL
外观
1 包装、标识(内外)是否完好清晰,核对规 格型号、数量和封装是否正确
目测
规格书 或样品
1.5 2 外观有无变形、断裂、破损和腐蚀现象,丝 印是否清晰正确,引脚是否光洁、有无氧化、 形状是否正确
目测
0.4
尺寸 外形尺寸,引脚间距
卡尺 规格书 3~5 机 械特性 1 引出脚抗拉强度
拉力计
规格书
0.4
2 引出脚弯折强度:用 1N 的力将引脚折弯 90°,然后向相反的 方向折弯 90°,来回
3 次,试验后引脚应该无折断,或封装无 松动、裂痕
电气性能
1 导通性测试:引脚之间的导通性能良好,阻值小 于 0.5Ω
万用表
规格书
3~5 PCS 2 过电流测试:通过 200%的额定电流,保险丝须 在 2 分钟内熔断
稳压电源
可焊性 将物料引脚浸入松香內 1 秒后,立即浸入温度
为 250℃±5℃的锡炉內 3~5 秒,上锡面积应 不小于浸锡面积的 90%,且无沙眼和针孔(有 玻璃管的不可开裂或破裂)
目测
规格书
3~5 PCS 安规标准 UL/CUL ;CSA ;CQC ;BSI/CE ;VDE/TUVVDE/TUV 查认证号 规格书 环保要求 是否有环保报告或声明
规格书
说明
1.除特别说明外,所有测试在常温常压下进行;
2.电气性能检测按规格书要求检验;
3.厂商出货报告必须包含<<零件承认书>>内提到的所有常规检验项目。