汽车维修设备保养记录文本.doc
- 格式:doc
- 大小:4.59 MB
- 文档页数:53
机动车辆、维护保养记录表机动车辆维护保养记录表
概述
本文档为机动车辆维护保养记录表,记录了每一辆机动车辆的维护保养情况,以确保车辆的正常运行和延长使用寿命。
车辆信息
- 车辆品牌:
- 车辆型号:
- 车辆牌照号码:
- 车辆发动机号码:
维护保养记录
建议维护保养计划
为了确保车辆的正常运行和安全使用,请按照以下维护保养计划进行定期维护:
- 每隔3000公里更换发动机机油。
- 每年至少一次轮胎检查和轮胎气压调整。
- 每两年一次刹车系统检查和维修。
- 每三年更换一次电池。
- 每年一次空调系统清洗和维护。
总结
维护保养记录是车辆管理的重要部分,通过定期维护和保养,可以确保车辆的性能和安全。
请根据建议的维护保养计划,合理安排车辆的维护工作,以保证车辆的良好状态和可靠性。
汽车设备维修保养校验记录
1. 背景
本文档旨在记录汽车设备的维修保养校验情况,以确保汽车设备的正常运行和安全。
2. 保养校验记录
3. 校验情况说明
- "已校验"表示该项维修保养项目已经按照规定进行,并通过校验。
- "待校验"表示该项维修保养项目尚未进行校验,需要在规定时间内进行校验。
- 在备注栏中可以添加额外的说明,比如安排下一次校验的时间。
4. 结论
通过记录维修保养校验情况,我们能够及时了解汽车设备的维护情况,避免设备故障和安全风险。
根据记录,我们可以制定合理的维护计划和安排,保证汽车设备的可靠运行。
以上是本文档的内容,感谢阅读。
汽车维修保养记录表(范本)汽车维修保养记录表 (范本)
背景
汽车作为我们日常生活和工作中不可或缺的交通工具之一,在保证安全和性能的前提下,需要进行定期的维修和保养。
为了方便车主对汽车的维修和保养情况进行记录和管理,特制定了此份汽车维修保养记录表范本,供车主参考使用。
保养记录
维修记录
使用说明
1. 请在保养时按照日期记录保养项目、里程数、需要更换的部
件以及已更换的部件,方便掌握汽车保养的情况。
2. 在发生维修情况时,请及时记录维修日期、维修项目、里程数、维修原因以及维修结果,并记录任何特殊情况或修复后的效果。
3. 在备注栏中可以添加其他需要注意的事项,如异常情况、修复后的效果等。
4. 可根据需要添加新的保养项目或维修项目,并在记录时确保数据的准确性和完整性。
使用此份汽车维修保养记录表范本,能够帮助车主有效地管理和了解汽车的保养情况,方便安排和计划下一次的保养或维修。
同时,也可以作为参考依据,及时发现和解决汽车存在的问题,保障汽车的性能和安全。
注意事项
1. 以上范本仅作参考,具体保养和维修项目应根据车辆品牌、型号和厂家要求进行。
2. 在进行汽车保养和维修时,请寻求专业的技术指导和服务,确保操作的正确性和安全性。
3. 本文档为范本,可根据实际需求进行修改和补充,以满足个人车辆管理的需求。
车辆设备检查保养记录1. 引言本文档旨在记录车辆设备的检查和保养情况,以确保车辆设备的正常运行和安全性。
本文档适用于所有使用者,包括车辆操作员和维修人员。
2. 检查内容车辆设备的检查内容应包括但不限于以下方面:- 发动机油液位和品质- 刹车液位和品质- 空调系统工作正常- 轮胎磨损情况- 灯光、喇叭和雨刮器功能是否正常- 车身外观是否有损坏3. 保养内容车辆设备的保养工作应包括但不限于以下方面:- 发动机机油更换- 空气滤清器更换- 燃油滤清器更换- 刹车油更换- 轮胎定期轮换- 车辆清洁和润滑4. 记录格式车辆设备的检查和保养情况应定期记录在指定的表格中,包括以下内容:- 日期和时间- 检查项目- 结果(正常/异常)- 处理措施(如有异常)5. 责任分工车辆操作员和维修人员应各自承担相应的责任:- 车辆操作员负责日常检查,如油液位、轮胎状况等,并记录在表格中。
- 维修人员负责定期保养和维修工作,并记录在表格中。
6. 风险管理对于发现的异常情况,应采取相应的风险管理措施:- 如发现刹车液位不足,应及时添加或更换刹车液。
- 如发现轮胎磨损严重,应及时更换轮胎。
- 如发现发动机油品质异常,应及时进行维修或更换。
7. 总结通过记录车辆设备的检查和保养情况,可以及时发现问题并进行相应的维修和保养,以确保车辆设备能够正常运行和提高安全性。
以上为车辆设备检查保养记录文档的基本内容,详细的具体内容可根据实际情况进行调整和完善。
参考资料:。
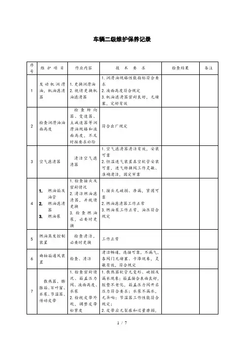
车辆维护保养记录
维护保养日期:车队长:
车辆名称/车号:维护保养内容地
泵
车
载
泵
车
泵
铲
车
1检查大灯、小灯、灯罩、转向灯、
刹车灯、尾灯是否正常或松动
2检查机油、方向油、离合油、
液压油等是否能使车正常运行
3检查电瓶、水箱。
4检查轮胎是否缺气及其固定
螺丝有无缺少、松动
5检查润点及减速箱的润滑程
度
6检查大、中、小后视镜位置等
7给车辆上润滑油
8检查车辆卫生
维护检查人员签名
备注:
编制:刘霞批准:王仲录
说明: 1. 各项维护保养达到要求后在对应栏中打勾, 维护人员应在签名栏中签名;
2. 如发现车辆出现问题或需要修理或更换配件,则应在备注栏中详细注明。
汽车维修设备保养记录1. 引言汽车维修设备是保证汽车维修工作正常进行的关键工具。
为确保设备长期稳定运行,延长使用寿命,保养维护工作尤为重要。
本文档将详细介绍汽车维修设备的保养记录,包括保养内容、保养周期和保养方法等。
2. 保养内容汽车维修设备的保养内容主要包括以下几个方面:2.1 清洁保养定期对设备进行清洁工作,包括外观清洁和内部清洁。
外观清洁主要是清除设备表面的灰尘和污垢;内部清洁则需要将设备打开并清除内部的积尘和杂物。
2.2 润滑保养根据设备的使用要求,对设备中的润滑部位进行定期润滑。
润滑保养可以减少设备的摩擦损耗,提高设备的工作效率和使用寿命。
2.3 零部件检查和更换定期检查设备的关键零部件,如传动装置、电动机、控制器等,确保其工作正常。
如发现异常或损坏,及时更换,避免因零部件故障导致设备停止运行或损坏。
2.4 电气线路检查和维护定期检查设备的电气线路,确保连接稳固,避免因松动或接触不良导致的电路故障。
同时,对电气线路进行维护,清除灰尘和积污,防止短路或漏电等安全问题的发生。
3. 保养周期保养周期是指对设备进行保养的时间间隔。
根据设备的不同类型和使用环境,保养周期也有所不同。
一般来说,常见的保养周期可以分为以下几个阶段:3.1 日常保养日常保养是对设备进行常规的清洁和润滑工作,一般每天进行一次。
日常保养可以保证设备的日常工作正常进行,避免因灰尘杂物等原因导致设备故障。
3.2 定期保养定期保养是对设备进行全面的检查和保养工作,一般每月进行一次。
定期保养包括清洁、润滑、零部件检查和更换等内容,可以确保设备的长期稳定运行。
3.3 季度保养季度保养是对设备进行更加细致的保养工作,一般每季度进行一次。
季度保养除了包括定期保养的内容外,还需要对设备的电气线路进行检查和维护,确保其安全可靠。
3.4 年度保养年度保养是对设备进行全面大修和维护的工作,一般每年进行一次。
年度保养包括对设备的各个部件进行彻底的检查、清洁和更换,以确保设备的长期稳定运行。
车辆维修保养记录
概述
本文档记录了车辆的维修保养记录,以追踪车辆的维修历史和
保养情况。
通过详细记录车辆的维修保养信息,可以确保车辆处于
良好的工作状态,延长车辆使用寿命,并提供准确的维修保养数据。
2. 维修记录
2.1 维修记录表格
2.2 维修记录说明
- 2021-03-01: 对车辆V001进行一次普通的保养维修,包括更换机油和滤清器,维修费用为300元。
维修后的里程数为2000公里。
- 2021-05-15: 对车辆V001进行刹车系统的维修,更换了刹车片和刹车油,维修费用为500元。
维修后的里程数为5000公里。
3. 保养记录
3.1 保养记录表格
3.2 保养记录说明
- 2021-02-15: 对车辆V001进行一次常规保养,包括更换机油和滤清器,保养费用为200元。
保养时的里程数为1000公里。
- 2021-05-01: 对车辆V001进行保养,更换了空气滤清器,保养费用为100元。
保养时的里程数为3000公里。
4. 总结
通过对车辆的维修保养记录进行详细记录和统计,可以更好地了解车辆的维修历史和保养情况。
定期的保养和维修可以确保车辆的正常运行和安全性,同时延长车辆的使用寿命。
维修保养记录还可以为车辆的二手交易和保险索赔等提供准确、可靠的数据支持。
注意:此文档中的数据和费用仅为示例,实际情况可能会有所不同。
请根据实际情况进行记录和管理。
汽车维护保养记录表---1. 维护保养记录概述本文档旨在记录汽车维护保养的详细信息,包括维修项目、维修日期、维修费用等内容。
通过详细记录每次维护保养的情况,可以及时发现并解决汽车的故障,延长汽车的使用寿命,同时提供参考和依据方便后续的维护工作。
2. 维护保养记录表格3. 维护保养记录详细说明3.1 更换机油- 维修项目:更换机油- 维修日期:2022年1月5日- 维修费用:200元更换机油是保持发动机正常工作的重要维护项目。
定期更换机油可以有效清除发动机内的积碳,提供良好的润滑保护,并延长发动机寿命。
3.2 更换火花塞- 维修项目:更换火花塞- 维修日期:2022年3月15日- 维修费用:300元火花塞是点火系统的关键部件,更换火花塞可以提高点火性能,减少油耗,同时保证发动机的正常工作。
3.3 轮胎更换- 维修项目:轮胎更换- 维修日期:2022年5月20日- 维修费用:800元- 备注:配备了全新的雪地轮胎轮胎是汽车重要的安全性能之一,定期更换磨损严重的轮胎可有效提高驾驶安全性。
此次更换使用了全新的雪地轮胎,以应对恶劣天气条件下的驾驶。
3.4 发动机调校- 维修项目:发动机调校- 维修日期:2022年7月10日- 维修费用:500元- 备注:更好的燃油效率发动机调校是调整发动机工作参数以提高燃料利用率和动力性能的维护项目。
通过发动机调校,可以更好地提高汽车的燃油经济性,并提升驾驶的舒适性和操控性。
3.5 刹车系统检修- 维修项目:刹车系统检修- 维修日期:2022年9月25日- 维修费用:400元刹车系统是汽车重要的安全性能之一,定期检修刹车系统可以保障行车安全。
本次的刹车系统检修将确保刹车系统的正常工作,提高刹车响应速度,减少制动距离,提升行车安全性。
4. 维护保养记录的重要性维护保养记录的详细记录对于汽车的维护和管理非常重要。
通过维护保养记录,我们可以及时了解汽车的维护情况,发现并解决潜在问题。
设备设施名称:轮胎动平衡机设施编号: 保养月份: 保养责任人:注:保养后请打“V” ;小修请打“o ” 设备异常请打“ X”设备设施名称:四轮定位仪设施编号: 保养月份:保养责任人注:保养后请打“V” ;小修请打“o” 设备异常请打“ X”。
设备设施名称:液压双柱举升机设施编号:保养月份:保养责任人:注:保养后请打“V” ;小修请打“o ” 设备异常请打“ X”设备设施名称:汽车压力机设施编号:保养月份: 保养责任人:注:保养后请打“V” ;小修请打“o ” 设备异常请打“ X”设备设施名称:四轮定位仪设施编号: 保养月份: 保养责任人:注:保养后请打“V” ;设备异常请打“ X”设备设施名称:轮胎扒胎机设施编号: 保养月份: 保养责任人:注:保养后请打“V” ;小修请打“o ” 设备异常请打“ X”设备设施名称:废机油回收机(红色)设施编号:保养月份:保养责任人:注:保养后请打“V” ;设备异常请打“ X”设备设施名称:废机油回收机(蓝色)设施编号: 保养月份: 保养责任人:注:保养后请打“V” ;设备异常请打“ X”异常情况及维修记录注:保养后请打“V” ;小修请打“o ” 设备异常请打“ X”设备设施名称:电瓶充电器设施编号:保养月份: 保养责任人:注:保养后请打“V” ;小修请打“o ” 设备异常请打“ X”设备设施名称:汽车小千金设施编号:保养月份:保养责任人:注:保养后请打“V” ;小修请打“o ” 设备异常请打“ X”设备设施名称:发动机吊架设施编号:保养月份:保养责任人:注:保养后请打“V” ;小修请打“o ” 设备异常请打“ X”设备设施名称:发动机支架设施编号: 保养月份: 保养责任人:注:保养后请打“V” ;小修请打“o ” 设备异常请打“ X”注:保养后请打“V” ;小修请打“o ” 设备异常请打“ X”设备设施名称:汽车氧焊机设施编号:保养月份:保养责任人:异常情况及维修记录注:保养后请打“V” ;小修请打“o ” 设备异常请打“ X”注:保养后请打“V” ;小修请打“o ” 设备异常请打“ X”设备设施名称:汽车修复机设施编号: 保养月份: 保养责任人:注:保养后请打“V” ;小修请打“o ” 设备异常请打“ X”注:保养后请打“V” ;小修请打“o ” 设备异常请打“ X”设备设施名称:烤漆房设施编号: 保养月份:保养责任人:注:保养后请打“V” ;小修请打“o ” 设备异常请打“ X”设备设施名称:打气泵设施编号: 保养月份: 保养责任人:注:保养后请打“V” ;小修请打“o ” 设备异常请打“ X”注:保养后请打“V” ;设备异常请打“ X”设备设施名称:二氧化碳保护焊设施编号: 保养月份: 保养责任人:注:保养后请打“V” ;小修请打“o ” 设备异常请打“ X”设备设施名称:泡沫机设施编号: 保养月份: 保养责任人:注:保养后请打“V” ;小修请打“o ” 设备异常请打“ X”设备设施名称:吸尘器设施编号:保养月份:保养责任人:注:保养后请打“V” ;小修请打“o ” 设备异常请打“ X”设备设施名称:甩干机设施编号: 保养月份: 保养责任人:注:保养后请打“V” ;小修请打“o ” 设备异常请打“ X”设备设施名称:物品柜设施编号:保养月份:保养责任人:注:保养后请打“V” ;小修请打“o ” 设备异常请打“ X”设备设施名称:风枪机设施编号: 保养月份: 保养责任人:注:保养后请打“V” ;设备异常请打“ X”设备设施名称:气泵设施编号:保养月份: 保养责任人:1 11234567890 1机身清洁日连接线束日更换润滑1111保养项目注:保养后请打“V” ;小修请打“o ” 设备异常请打“ X”设备设施名称:轮胎清洗剂设施编号: 保养月份: 保养责任人:设备设施名称:轮胎清洗剂设施编号: 保养月份: 保养责任人:。
车辆维护记录模板车辆信息:车牌号码:xxxxxx车辆型号:xxxxxx车辆品牌:xxxxxx车辆购买日期:xxxxxx维护记录:日期:xxxxxx维护项目:xxxxxx维护费用:xxxxxx维护里程:xxxxxx维护人员:xxxxxx备注:xxxxxx日期:xxxxxx维护项目:xxxxxx维护费用:xxxxxx维护里程:xxxxxx备注:xxxxxx日期:xxxxxx维护项目:xxxxxx 维护费用:xxxxxx 维护里程:xxxxxx 维护人员:xxxxxx 备注:xxxxxx日期:xxxxxx维护项目:xxxxxx 维护费用:xxxxxx 维护里程:xxxxxx 维护人员:xxxxxx 备注:xxxxxx日期:xxxxxx维护项目:xxxxxx 维护费用:xxxxxx维护人员:xxxxxx备注:xxxxxx总结:通过对车辆的维护记录的分析,我们可以总结出以下几点:1. 维护项目的选择要合理,按照车辆使用要求进行定期维护,以保证车辆的正常运行和延长使用寿命。
2. 维护费用要合理控制,不要因为一时之快而选择高价维护项目,要根据实际情况选择性价比更高的方案。
3. 维护里程要根据车辆的实际使用情况进行调整,以保证车辆在适当的里程段之后进行维护,提高效率。
4. 维护人员要具备一定的专业技能和经验,同时要严格按照维护标准和操作规程进行工作,确保维护质量。
5. 备注栏要详细记录维护过程中的重要事项或异常情况,以备后续参考和分析。
以上是车辆维护记录的模板,可以根据实际情况进行相应的调整和修改,以满足不同车辆的维护需求。
维护记录的记录和分析可以帮助车主或车辆管理人员更好地了解车辆的使用情况和维护状况,及时发现问题并采取相应措施,以确保车辆的正常运行和安全使用。
设备设施名称:轮胎动平衡机设施编号:保养月份:保养责任人:1 1 1 1 1 1 1 1 1 12 2 2 2 2 2 2 2 2 23 3保养项目 1 2 3 4 5 6 7 8 90 1 2 3 4 5 6 7 8 9 0 1 2 3 4 5 6 7 8 9 0 1 清洁日检查电器日开关检查调整日旋钮附件完整日连接电线日检查铅块日存放点功能测试日保养人签日字抽抽检人检异常情况及维修记录备注注:保养后请打“√”;小修请打“O”设备异常请打“ ╳”。
设备设施名称:四轮定位仪设施编号:保养月份:保养责任人1 1 1 1 1 1 1 1 1 12 2 2 2 2 2 2 2 2 23 3保养项目 1 2 3 4 5 6 7 8 90 1 2 3 4 5 6 7 8 9 0 1 2 3 4 5 6 7 8 9 0 1 机身清洁日清洁转角盘日检查电器开日关探头目检检查安全机日构检查二次举日升机紧固固定螺日栓半液压油年日保养人签字检抽抽检人签字检异常情况及维修记录备注注:保养后请打“√”;小修请打“O ”设备异常请打“ ╳”。
设备设施名称:液压双柱举升机设施编号:保养月份:保养责任人:保养项目 1 2 3 4 5 6 7 8 9 10 11 12 13 14 15 16 17 18 19 20 21 22 23 24 25 26 27 28 29 30 31 擦拭、清理,清洁日保险机构是否正常,日检查电动开关液压缸密日封是否泄漏检查并紧固举升机与地日面的连接螺丝对传动链条进行检查和周润滑,维修和更换每半年更换液压油半年保养人签字日抽抽检人签字检异常情况及维修记录备注注:保养后请打“√”;小修请打“O ”设备异常请打“ ╳”。
设备设施名称:汽车压力机设施编号:保养月份:保养责任人:1 1 1 1 1 1 1 1 1 12 2 2 2 2 2 2 2 2 23 3保养项目 1 2 3 4 5 6 7 8 90 1 2 3 4 5 6 7 8 9 0 1 2 3 4 5 6 7 8 9 0 1 擦拭、清理,清洁日检查压力机小千金的好坏检查压力机两紧弹簧工作是否正常检查压力机辅助工日日日具是否齐全工作室压力机上升和下降是否正常保养人签字抽检人签字日日抽检异常情况及维修记录备注注:保养后请打“√”;小修请打“O”设备异常请打“ ╳”。
设备设施名称:四轮定位仪设施编号:保养月份:保养责任人:1 1 1 1 1 1 1 1 1 12 2 2 2 2 2 2 2 2 23 3保养项目 1 2 3 4 5 6 7 8 90 1 2 3 4 5 6 7 8 9 0 1 2 3 4 5 6 7 8 9 0 1 电脑主机日电脑显示屏日定位仪软件是否能正常日使用定位仪发射日探头定位仪接收日射探头定位仪小车日能否运动自如保养人签字日抽抽检人签字检异常情况及维修记录备注注:保养后请打“√”;设备异常请打“ ╳”。
设备设施名称:轮胎扒胎机设施编号:保养月份:保养责任人:1 1 1 1 1 1 1 1 1 12 2 2 2 2 2 2 2 2 23 3保养项目 1 2 3 4 5 6 7 8 90 1 2 3 4 5 6 7 8 9 0 1 2 3 4 5 6 7 8 9 0 1清洁日检查电器日开关检查调整日旋钮附件完整日检查机子气路是否日漏气操作踏板日功能测试日保养人签日字抽检人签抽字检异常情况及维修记录备注注:保养后请打“√”;小修请打“O ”设备异常请打“ ╳”。
设备设施名称:废机油回收机(红色)设施编号:保养月份:保养责任人:1 1 1 1 1 1 1 1 1 12 2 2 2 2 2 2 2 2 23 3保养项目 1 2 3 4 5 6 7 8 90 1 2 3 4 5 6 7 8 9 0 1 2 3 4 5 6 7 8 9 0 1 清洁日油管是否日通畅气路是否日完好附件完整日保养人签字抽检人签字异常情况及维修记录备注注:保养后请打“√”;设备异常请打“ ╳”。
设备设施名称:废机油回收机(蓝色)设施编号:保养月份:保养责任人:1 1 1 1 1 1 1 1 1 12 2 2 2 2 2 2 2 2 23 3保养项目 1 2 3 4 5 6 7 8 90 1 2 3 4 5 6 7 8 9 0 1 2 3 4 5 6 7 8 9 0 1 清洁日油管是否日通畅气路是否日完好附件完整日保养人签字抽检人签字异常情况及维修记录备注注:保养后请打“√”;设备异常请打“ ╳”。
设备设施名称:维修诊断车设施编号:保养月份:保养责任人:1 1 1 1 1 1 1 1 1 12 2 2 2 2 2 2 2 2 23 3保养项目 1 2 3 4 5 6 7 8 90 1 2 3 4 5 6 7 8 9 0 1 2 3 4 5 6 7 8 9 0 1 电脑主机日电脑显示日屏键盘鼠标日附件USB 诊断日连接线诊断车接日线盘清洁日保养人签日字抽检人签抽字检异常情况及维修记录备注注:保养后请打“√”;小修请打“O”设备异常请打“ ╳”。
设备设施名称:电瓶充电器设施编号:保养月份:保养责任人:1 1 1 1 1 1 1 1 1 12 2 2 2 2 2 2 2 2 23 3保养项目 1 2 3 4 5 6 7 8 90 1 2 3 4 5 6 7 8 9 0 1 2 3 4 5 6 7 8 9 0 1 机身清洁日连接线束日充电功能日是否正常保养人签日字抽检人签抽字检异常情况及维修记录备注注:保养后请打“√”;小修请打“O”设备异常请打“ ╳”。
设备设施名称:汽车小千金设施编号:保养月份:保养责任人:1 1 1 1 1 1 1 1 1 12 2 2 2 2 2 2 2 2 23 3 保养项目 1 2 345678 90 1 2 3 4 5 6 7 8 9 0 1 2 3 4 5 6 7 8 9 0 1 千金液压日柱是否泄漏千金附件的是否齐日全清洁日查看千金是否摆放日到位保养人签日字检抽检人签抽字检异常情况及维修记录备注注:保养后请打“√”;小修请打“O”设备异常请打“ ╳”。
设备设施名称:发动机吊架设施编号:保养月份:保养责任人:1 1 1 1 1 1 1 1 1 12 2 2 2 2 2 2 2 2 23 3保养项目 1 2 3 4 5 6 7 8 90 1 2 3 4 5 6 7 8 9 0 1 2 3 4 5 6 7 8 9 0 1 吊架清洁日液压柱是日否泄漏吊架股轮日子是否完好加注液压油保养人签字抽检人签字半年日抽检异常情况及维修记录备注注:保养后请打“√”;小修请打“O”设备异常请打“ ╳”。
设备设施名称:发动机支架设施编号:保养月份:保养责任人:1 1 1 1 1 1 1 1 1 12 2 2 2 2 2 2 2 2 23 3保养项目 1 2 3 4 5 6 7 8 90 1 2 3 4 5 6 7 8 9 0 1 2 3 4 5 6 7 8 9 0 1 支架清洁日液压柱是日否泄漏吊架股轮子是否完日好加注液压半年油保养人签日字抽检人签抽字检异常情况及维修记录备注注:保养后请打“√”;设备异常请打“ ╳”。
设备设施名称:维修工作台设施编号:保养月份:保养责任人:1 1 1 1 1 1 1 1 1 12 2 2 2 2 2 2 2 2 23 3保养项目 1 2 3 4 5 6 7 8 90 1 2 3 4 5 6 7 8 9 0 1 2 3 4 5 6 7 8 9 0 1工作台清日洁台钳是否日完好保养人签日字抽检人签抽字检异常情况及维修记录备注注:保养后请打“√”;小修请打“O”设备异常请打“ ╳”。
设备设施名称:台式砂轮机设施编号:保养月份:保养责任人1 1 1 1 1 1 1 1 1 12 2 2 2 2 2 2 2 2 23 3保养项目 1 2 3 4 5 6 7 8 90 1 2 3 4 5 6 7 8 9 0 1 2 3 4 5 6 7 8 9 0 1 机身的清洁日砂轮机膜片日的厚度连接线束日保养人签字日抽检人签字抽检异常情况及维修记录备注注:保养后请打“√”;小修请打“O”设备异常请打“ ╳”。
设备设施名称:汽车氧焊机设施编号:保养月份:保养责任人:1 1 1 1 1 1 1 12 2 2 2 2 2 2 2 2 23 3保养项目 1 2 3 4 5 6 7 8 9 18 190 1 2 3 4 5 6 7 0 1 2 3 4 5 6 7 8 9 0 1 机身的清日洁连接管路日储气罐及阀门是否日泄漏焊机工作是是否异日响保养人签日字抽检人签抽字检异常情况及维修记录备注注:保养后请打“√”;小修请打“O”设备异常请打“ ╳”。
设备设施名称:水冷电焊机设施编号:保养月份:保养责任人:1 1 1 1 1 1 1 1 1 12 2 2 2 2 2 2 2 2 23 3保养项目 1 2 3 4 5 6 7 8 90 1 2 3 4 5 6 7 8 9 0 1 2 3 4 5 6 7 8 9 0 1 身的清洁日焊把夹钳日连接线束日焊机工作是是否异日响智能探测日开关是否正常保养人签日字抽检人签抽字检异常情况及维修记录备注注:保养后请打“√”;小修请打“O ”设备异常请打“ ╳”。
设备设施名称:汽车修复机设施编号:保养月份:保养责任人:1 1 1 1 1 1 1 1 1 12 2 2 2 2 2 2 2 2 23 3保养项目 1 2 3 4 5 6 7 8 90 1 2 3 4 5 6 7 8 9 0 1 2 3 4 5 6 7 8 9 0 1机身的清日洁焊把夹钳日连接线束日焊机工作是是否异日响保养人签日字抽检人签抽字检异常情况及维修记录备注注:保养后请打“√”;小修请打“O”设备异常请打“ ╳”。
设备设施名称:红外烤灯设施编号:保养月份:保养责任人:1 1 1 1 1 1 1 1 1 12 2 2 2 2 2 2 2 2 23 3保养项目 1 2 3 4 5 6 7 8 90 1 2 3 4 5 6 7 8 9 0 1 2 3 4 5 6 7 8 9 0 1 灯的清洁日连接线束灯管调节开关保养人签字抽检人签字日日日日抽检异常情况及维修记录备注注:保养后请打“√”;小修请打“O”设备异常请打“ ╳”。
设备设施名称:烤漆房设施编号:保养月份:保养责任人:1 1 1 1 1 1 1 1 1 12 2 2 2 2 2 2 2 2 23 3保养项目 1 2 3 4 5 6 7 8 90 1 2 3 4 5 6 7 8 9 0 1 2 3 4 5 6 7 8 9 0 1烤漆室的日室清洁烤漆室灯日光气路是否日泄漏气路是否日泄漏烤漆室过 2月滤棉更换保养人签日检字抽抽检人检异常情况及维修记录备注注:保养后请打“√”;小修请打“O”设备异常请打“ ╳”。