建筑工程施工机具维修保养记录表
- 格式:doc
- 大小:40.50 KB
- 文档页数:2
设备保养和维修的记录表
1. 背景
设备保养和维修是保持设备正常运行和延长其使用寿命的重要活动。
为了更好地管理设备的保养和维修工作,我们需要建立一份记录表来跟踪设备的保养和维修情况。
2. 记录表内容
记录表应包含以下内容:
- 设备信息:记录设备的名称、型号、序列号等基本信息。
- 保养计划:制定设备的保养计划,包括保养周期、保养内容和保养责任人。
- 维修记录:记录设备的维修情况,包括维修日期、维修内容和维修责任人。
- 故障描述:详细描述设备出现的故障情况。
- 维修措施:记录针对设备故障所采取的维修措施。
- 维修结果:记录维修后设备的运行情况和效果评估。
3. 填写要求
填写记录表时,需要注意以下要求:
- 准确性:填写信息时要保证准确性,确保设备的保养和维修记录真实可靠。
- 及时性:在设备保养和维修后尽快填写记录表,避免信息遗漏或遗忘。
- 完整性:记录表应包含所有必要的信息,不应有遗漏。
- 规范性:填写记录表时应按照事先设定的格式和要求进行填写,保持统一规范。
4. 使用和管理
记录表应由设备保养和维修负责人进行管理,定期检查和更新记录表。
同时,其他相关人员也可以进行填写,但需遵循填写要求和规范。
5. 总结
设备保养和维修的记录表是管理设备保养和维修工作的重要工具,通过记录和跟踪设备的保养和维修情况,可以及时掌握设备运行情况和故障情况,提高设备的可靠性和使用效率。
建立并使用设备保养和维修的记录表,有助于提高设备管理的效果,延长设备的使用寿命,降低设备故障率。
延津盛世华府二期工程施工机械设备·定期检查/维护保养记录()月份河南省太行建设有限公司年月日械设备·定期检查/维护保养记录表工程名称:延津盛世华府二期工程设备名称:塔吊机械型号:序号项目名称检查、维护、保养内容和要求检查/维修/保养情况备注1 金属结构及紧固连接件1、检查各金属结构件有无裂纹、脱焊和开裂、扭曲、变形、严重锈蚀等现象。
2、机械底架、标准节/件、及附着撑杆等螺栓、销子应齐全紧固无松动。
3、起重机械垂直度≤2‰,防护栏杆和钢板网是否完好,固定可靠。
2 电气系统1、检查电路,控制器及各触头是否接触可靠,并适量润滑,用手拨动应灵活。
2、检查或调整各限位开关的顶杆、碰头接触位置,间隙正常,灵敏可靠。
3、清理配电箱污垢(gou)和积灰,拧紧接线端螺栓。
检查绝缘和接地是否符合要求。
3 制动器调整制动器的间隙,清洁制动器(块),刹车装置灵敏可靠。
若制动片磨损超过1/2或有破损时应及时更换。
4 传动机构各机件无裂纹、破损,滚轮转动自如,减速机构无异响、无漏油,啮(nie)合良好,传动无异响。
无断齿和严重磨损现象。
5 吊钩及钢丝绳吊钩无裂纹,无过度磨损及变形,不得超过标准规定,钢丝绳磨损、变形、断丝及腐蚀情况达报废标准时及时更换。
6 安全装置各种安全限位装置:起重重量、起重力矩、变幅、高度、回转、吊钩保险、断绳保险等应齐全灵敏可靠,发现问题及时修复。
7 润滑情况在规定的周期时间内对各规定部位加换润滑油,对各润滑点加注相应的机油和油脂,保证润滑,清洁干净,油量充足。
8 附着装置附着杆保持在一个水平面上,附着框与塔身固定不得松动,附墙铰座牢固可靠、不晃动,连接销轴、螺栓均完好牢固。
检查/保养结论保养单位(签章)负责人:年月日施工单位(签章):负责人:年月日监理单位(签章):监理工程师:年月日机械设备·定期检查/维护保养记录表工程名称:延津盛世华府二期工程设备名称:混凝土输送泵机械型号:序号项目名称检查、维护、保养内容和要求检查/维修/保养情况备注1清洁润滑工作,检查油位、水位情况。
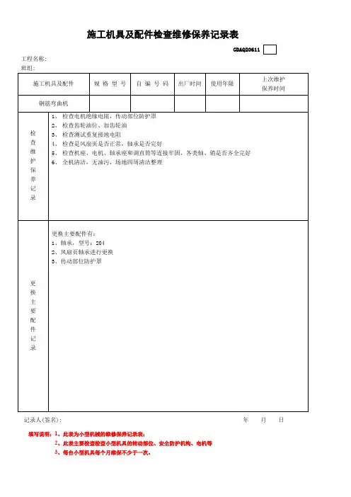
钢筋调直机维保记录表
作有故障的机具。
施工机械维护保养记录
工程名称:日期:年月
机械名称:钢筋调直机
机械编号:
月保养时间:
规格型号:
操作工姓名:
检查项目及内容:
1.检查电路和三角皮带,确保安全装置完好,检查传动和
各部位是否正常运转。
2.检查润滑情况和工作机构,检查轴承是否牢固齐全,听
声辨异响,检查液压泵工作情况,检查切割刀片是否磨损。
3.每5天保养一次,清洁机体,清除机体粉尘积渣,对活
动部位适当润滑,按润滑规定加注润滑油。
4.检查各部螺栓的固定情况,确保紧固牢靠,检查调直模
内飞轮磨损情况,指导操作人员调节得当,更换磨损严重飞轮。
5.检查油封、三角皮带,对漏油检查更换油封,皮带松紧
度用手指按下10-15㎜为宜,如有破裂和断层,应予更换。
6.检查数控系统的准确性及安全防护。
保养要求:
1.保持机具清洁,及时加注润滑油,对活动部位适当润滑。
2.检查各部螺栓的固定情况,确保紧固牢靠。
3.检查调直模内飞轮磨损情况,指导操作人员调节得当,
更换磨损严重飞轮。
4.检查轴承,视情况更换轴承,检查切断系统运转情况,
切断刀头磨损情况,液压系统。
5.检查油封、三角皮带,对漏油检查更换油封,皮带松紧
度用手指按下10-15㎜为宜,如有破裂和断层,应予更换。
6.检查数控系统的准确性及安全防护。
7.每日进行小清洁,如发现机具异常,及时通知机修人员
检修。
禁止操作有故障的机具。
挖掘机维修保养记录表完整优秀版一、背景挖掘机是一种重要的工程机械设备,对于保持其正常运行和延长使用寿命,维修保养工作至关重要。
为了系统、全面地记录挖掘机维修保养情况,我们设计了这份完整优秀版的挖掘机维修保养记录表。
二、目的本文旨在帮助用户全面记录挖掘机维修保养情况,准确分析挖掘机的工作状况和维修保养需求。
通过记录和分析数据,用户可以及时制定维修计划、改善维修方式,提高挖掘机的可靠性和工作效率。
三、表格结构本维修保养记录表包含以下字段:1. 挖掘机编号:记录挖掘机的唯一编号,方便追踪和管理。
2. 维修日期:记录维修保养操作的日期。
3. 维修项目:详细描述维修保养所涉及的项目,如更换润滑油、清洁空滤器等。
4. 维修人员:记录执行维修保养工作的人员姓名。
5. 维修费用:记录维修保养所需的费用。
6. 备注:用于记录其他与维修保养相关的信息。
四、使用说明1. 每次维修保养都要及时填写本记录表,确保准确记录维修保养情况。
2. 根据实际情况填写挖掘机的唯一编号。
3. 在维修日期栏填写维修保养操作的日期。
4. 详细描述维修保养所涉及的项目,确保准确记录。
5. 记录执行维修保养工作的人员姓名。
6. 根据实际情况填写维修保养所需的费用。
7. 可以在备注栏中记录其他与维修保养相关的信息。
五、维修保养数据分析用户可以通过整理、分析维修保养记录数据,得出以下结论:- 维修频次:根据维修日期,可以分析挖掘机的维修保养频率,进而判断挖掘机的健康状况。
- 维修项目:通过统计不同维修项目出现的次数,可以了解挖掘机的主要故障类型,有针对性地进行维修优化。
- 维修费用:根据维修费用统计,可以评估维修保养成本,并制定合理的维修预算。
六、总结本文介绍了一份完整优秀版的挖掘机维修保养记录表,旨在帮助用户系统、全面地记录挖掘机的维修保养情况,并通过数据分析提供维修优化和成本控制的参考。
希望这份记录表能够帮助用户更好地管理挖掘机的维修保养工作,提高设备的可靠性和工作效率。
接地电阻测验记录编号:001 安6-9-1测验负责人:×××检测人员:×××安全员:×××接地电阻测验记录编号:006 安6-9-1测验负责人:×××检测人员:×××安全员:×××接地电阻测验记录编号:007 安6-9-1测验负责人:×××检测人员:×××安全员:×××接地电阻测验记录编号:008 安6-9-1测验负责人:×××检测人员:×××安全员:×××安6-9-2移动及手持电动工具定期绝缘电阻测验记录表说明施工现场移动及手持电动工具应半年测试一次。
绝缘电阻值应符合规范规定,测试合格后贴上定期检查合格标签,方可使用。
测验结果若绝缘电阻值超标,应立刻停止使用,或作报废处理。
测验应有书面记录,各责任人签字,记录表见安6-9-2《移动及手持电动工具定期绝缘电阻测验记录表》。
移动及手持电动工具定期绝缘电阻测验记录表编号:01 安6-9-2注:施工现场移动电具及手持电动工具应半年测试一次。
测试合格后贴上标签,方可使用。
测试负责人:×××检测人:×××安全员:×××2000年3月7日测试负责人:×××检测人:×××安全员:×××2000年8月12日移动及手持电动工具定期绝缘电阻测验记录表编号:02 安6-9-2注:施工现场移动电具及手持电动工具应半年测试一次。
测试合格后贴上标签,方可使用。
工器具、设备保养维修记录表
保管部门:机具
共 4页 第1 页
工器具、设备保养维修记录表
保管部门:机具共 4
页 第1 页
第2页
工器具、设备保养维修记录表
保管部门:机具
共 4页 第3 页
制表:杨展鸿
2014年3月27日
015年3月9日
工器具、设备保养维修记录表
保管部门:机具共 4页 第4页
制表:杨展鸿
2014年
3月27
日
015年3
月9日
工器具、
设备保养
维修记录
表
保管部门:机具
共 页第页
制表:杨展鸿
2014年3月27日
015年3月9日工器具、设备保养维修记录表
保管部门:机具
共 页第页
制表:杨展鸿
2014年3月27日
015年3月9日工器具、设备保养维修记录表
保管部门:机具
共 页第页
制表:杨展鸿
日期:
2014年3月27日
015年3月9日工器具、设备保养维修记录表
保管部门:机具
共 页第页
制表:杨展鸿
2014年3月27日
工器具、设备保养维修记录表
保管部门
:机具共 页第页
制表:杨展鸿
2014年3月27日
工器具、设备保养维修记录表
保管部门:机具
共 页第页
制表:杨展鸿
日期:2014年3月27日
工器具、设备保养维修记录表
保管部门:机具
共 页第页
制表:杨展鸿
2014年3月27日。