大电流升压恒压IC方案
- 格式:pdf
- 大小:411.43 KB
- 文档页数:9
一款高功率,大电流升压boost电源芯片,学会读datasheetSGM6611 是一款全集成同步升压变换器。
1.输入电压范围:输入的电压范围宽,2.7V-12V。
基本上满足单节或者双节锂电池的应用场景。
例如:常用的为单节3.7V输入提供5V /9V /12V输出的应用,以及7.4V输入提供9V/12V输出。
单芯锂离子电池或双芯锂离子电池串联输入可连续输出超过18W (SGM6611B为15W)的功率。
最大电流可以达到7A持续输出,以及9.5A的峰值输出,但是要考虑功率。
2.输出电压小于12.6V3.开关SGM6611支持切换频率可调,范围为200kHz ~ 2.2MHz。
可以根据实际调试干扰状况来调试频率。
参考电路如下图:关于开关频率可调是由外部器件所调试的公式如下:R3=Rfreq ,根据参考电路为301kohm。
Cfreq=6.3pF。
4.限制电流可调:R4=Rilim,参考电路为127kohm,则计算电流为9.5A。
最小电流限制必须高于所要求的峰值开关电流。
最低输入电压和最高输出功率,以确保SGM6611不触及电流限制,并仍然可以调节输出电压。
5.输出电压设置:也是由外部电阻进行设计。
公式如下:其中Vref为一个固定值,所以输出电压就变成了两个电阻进行分压计算即可。
电阻量级按照参考电路设计即可。
量级为百Kohm或者Mohm较为常见。
6.开关电源功率电感的选择:由于此升压电源芯片输出的电流很大,功率电感的选择就要非常注意了。
大电流的功率电感的封装一般都比较大,成本也一并会上升。
7.输入输出电容以及效率以及其他参数Ipp为功率电感的纹波值,L为电感值,Fsw开关频率。
Vout/Vin 为输出/输入电压。
Ilpeak为输出电流的peak值,峰值。
由此计算限制电流电阻的大小。
限制电流设置太大容易烧毁外设,限制电流设置太小容易供电截至。
所以Ilimt要好好根据实际情况进行计算得到。
对于所有的开关电源,特别是运行在高开关频率和高电流的开关电源,布局是一个重要的设计步骤。
升压芯片有哪些升压芯片原理升压芯片是如何升压的升压芯片是一种电子元器件,用于将低电压升高到所需的高电压。
它在各种电子设备中广泛应用,在通信、电源管理、汽车电子、医疗设备等领域起着重要的作用。
以下是升压芯片的一些常见类型和原理,以及升压芯片实现升压的具体过程。
常见的升压芯片类型:1.电感式升压芯片:通过外部电感储存能量,并在合适的时机释放能量来实现升压。
2.开关式升压芯片:采用开关管控制电荷流动,通过周期性地切断和连接电路来实现升压。
3.变压器式升压芯片:通过变压器的原理来升压,通常用于需要大功率输出的场合。
升压芯片的原理:升压芯片的原理基于能量守恒定律和电磁感应定律。
通常情况下,输入的低电压通过变换和控制电流的方式,转化成高电压输出。
具体升压芯片实现升压的过程:1.输入电源:升压芯片从外部接收一个较低电压的输入。
2.开关管控制:通过控制开关管的通断状态,控制输入电流的流动。
3.储能:在切断开关管的时候,电感储存输入电流的能量。
此时输出电压为零。
4.释能:在连接开关管的时候,通过闭合电路释放储存的能量到输出电路。
这个过程中,电流会在电感和输出负载间流动,电感将存储的能量传递给输出负载。
5.整流:为了保证输出稳定,一般在输出电压上加上整流二极管,以防止输出电压反向流动。
6.输出电压稳定:利用反馈控制技术,通过监测输出电压并与参考电压进行比较,调整控制开关管的通断状态,以维持输出电压稳定在设定值。
以上是基于开关式升压芯片的实现过程,其他类型的升压芯片实现原理和过程会有所不同,但总体思路是将输入的低电压通过其中一种方式转化为高电压输出。
升压芯片在各种电子设备中起到了重要的作用,满足了各种设备对电源需求的不同要求。
不同的升压芯片会有不同的优缺点,可根据具体应用场景来选择合适的升压芯片。
锂电池常规的供电电压范围是3V-4.2V之间,标称电压是3.7V。
锂电池具有宽供电电压范围,需要进行降压或者升压到固定电压值,进行恒压输出,同时根据输出功率的不同,(输出功率=输出电压乘以输出电流)。
不同的输出电流大小,合适很佳的芯片电路也是不同。
1,锂电池升降压固定3.3V输出,电流150MA,外围仅3个电容2,锂电池升压固定5V输出,外围仅3个电容3,锂电池DC-DC升降压芯片,输出1-2A4,锂电池升压5V 600MA,8uA低功耗5,锂电池升压到5V,8.4V,9V6,锂电池升压到5V,8.4V,9V,12V7,锂电池升压5V2A8,锂电池升压5V3A9,锂电池充电管理IC,可实现边充边放电10,锂电池稳压LDO,和锂电池DC-DC降压大电流芯片1,PW5410B是一颗低噪声,恒频1.2MHZ的开关电容电压倍增器。
PW5410B的输入电压范围1.8V-5V,输出电压3.3V固定电压,输出电流高达100MA。
外围元件仅需要三个贴片电容即可组成一个升压电路系统。
2, PW5410A是一颗低噪声,恒频1.2MHZ的开关电容电压倍增器。
PW5410A的输入电压范围2.7V-5V,输出电压5V固定电压,输出电流高达250MA。
外围元件仅需要三个贴片电容即可组成一个升压电路系统。
3, PW2224是一种高效率的单电感Buck-Boost变换器,可以为负载供电电流高达4A。
它提供降压和升压模式之间的自动转换。
PW2224工作频率为2.4MHz,也可与外部频率从2.2MHz同步到2.6MHz。
直流/直流变频器在轻负载下以脉冲跳频方式工作。
可以禁用省电模式,强制PW2224在FPWM模式下运行。
在关机。
PW2224采用TDFN3X4-14包装。
特征⚫ 2.8V~5.5V输入电压运行⚫可调输出电压从2.8V到5.5V⚫96%效率DC/DC变换器⚫VIN>3.6V时3.3V时的3A输出电流⚫Buck和Boost之间的自动转换模式⚫轻载时的脉冲跳跃模式效率⚫内部软启动⚫DC/DC转换器可设置为较低轻载静态电流⚫固定2.4MHz频率和可能同步⚫内置循环电流限制和过电压保护⚫内置热关机功能⚫电源良好功能⚫TDFN3X4-14包装(3mmx4mm)4, PW5100 是一款高效率、低功耗、低纹波、高工作频率的PFM 同步升压DC/DC 变换器。
升压芯片有哪些升压芯片原理升压芯片是如何升压的升压芯片是一种能将低电压转换成高电压的集成电路芯片。
它由多个电子元件组成,通过内部的开关电路和控制电路来实现电压的转换。
升压芯片的原理是利用开关电源的工作原理,将输入的低电压经过变换和控制,输出为高电压。
具体原理如下:1.输入电压充电阶段:当输入电压低于输出电压时,通过内部的电感和开关电路将输入电压储存在电感中。
在这个过程中,电感会充电并储存能量。
2.关断电感切换阶段:当输入电压达到一定阈值时,控制电路会切换开关,将储存在电感中的能量以瞬间的高电压形式传递给输出端。
3.输出滤波阶段:输出端通过输出滤波电路对高频脉冲进行滤波处理,将输出信号平滑化,得到稳定的升压输出。
升压芯片的升压过程可以分为三个阶段:充电阶段、切换阶段和滤波阶段。
在充电阶段,输入电压将电感充电,并储存能量。
在切换阶段,能量被转换为高电压,并通过开关电路传递给输出端。
在滤波阶段,滤波电路对高频脉冲进行滤波处理,得到稳定的输出电压。
升压芯片通常用于电池供电设备、光伏发电系统、LED照明等领域,可以将输入的低电压转换为需要的高电压。
通过控制芯片内部的开关和控制电路,可以实现高效率的电压转换,提供稳定的升压输出。
总结起来,升压芯片是一种能将低电压转换为高电压的集成电路芯片,通过内部的开关和控制电路,将输入电压进行变换和控制,输出为高电压。
其原理是利用开关电源的工作原理,在充电阶段将输入电压储存在电感中,在切换阶段将储存的能量以高电压形式传递给输出端,并通过滤波电路对输出信号进行平滑处理。
Rev. 1.1012014-03-19• 输出电压精度:±1%• 封装类型:TO92, SOT89 和 SOT23-5应用领域• 电池供电设备• 通信设备• 音频/视频设备CMOS 技术可确保其具有低压降和低静态电流的特性。
尽管主要为固定电压调节器而设计,但这些 IC 可与外部元件结合来获得可变的电压和电流。
选型表注:“xx ” 代表输出电压。
引脚图极限参数工作环境温度 .................................................−40°C ~ 85°C 电源供应电压 ...................................................−0.3V ~ 33V储存温度范围 ...............................................−50°C ~ 125°C注:这里只强调额定功率,超过极限参数所规定的范围将对芯片造成损害,无法预期芯片在上述标示范围外的工作状态,而且若长期在标示范围外的条件下工作,可能影响芯片的可靠性。
热能信息Rev. 1.1022014-03-19HT7121-2, +2.1V 输出类型注:在 V IN = V OUT+2V 与一个固定负载条件下使输出电压下降 2%,此时的输入电压减去输出电压就是Dropout 电压。
HT7123-2, +2.3V 输出类型注:在 V IN = V OUT+2V 与一个固定负载条件下使输出电压下降 2%,此时的输入电压减去输出电压就是Dropout 电压。
Rev. 1.1032014-03-19注:在 V IN = V OUT+2V 与一个固定负载条件下使输出电压下降 2%,此时的输入电压减去输出电压就是Dropout 电压。
HT7127-2, +2.7V 输出类型注:在 V IN = V OUT+2V 与一个固定负载条件下使输出电压下降 2%,此时的输入电压减去输出电压就是Dropout 电压。
自制大电流可调开关稳压电源,输出电流达8A,且不需三极管扩流电子爱好者在制作可调稳压电源时,一般都喜欢选用LM317、LM2596这类稳压IC来制作,但这类稳压IC的输出电流较小,像LM317的最大输出电流仅有1.5A,LM2596的输出电流也不过3A。
若需要更大的输出电流,一般都通过外接大功率三极管扩流的办法来实现。
这里介绍一款采用大电流DC-DC降压型稳压IC制作的大电流可调稳压电源,其输出电压可在1.25~36V之间连续可调,最大输出电流可达8A,并且电路简单,成本低廉。
▲ 输出电流8A的可调稳压电源。
电路如上图所示。
XL4016是一款现在较常用的大电流DC-DC降压型稳压IC,其输入电压范围为8~40V,输出电压可在1.25~36V 之间连续可调,最大输出电流可达8A。
XL4016内部设有输入过压保护、过流保护、过热保护及输出短路保护,工作稳定可靠。
上图电路的最高输入电压为40V,实际中要求输入电压不要接近或超过最大允许电压,以免XL4016内部保护电路起作用,导致电路无法正常工作,甚至损坏IC。
本电路的输出电压由XL4016的②脚所接的电阻R和RP决定,其计算公式为Vout=1.25x(1+RP/R),当R和RP采用图示数值时,输出电压最高可调至30.6V。
一般RP可选用多圈电位器,通过调整RP来改变输出电压。
▲ XL4016的外形及引脚功能。
上图为TO-220封装的XL4016,其①脚为GND端;②脚为反馈引脚,通过外接电阻来调整输出电压;③脚为功率输出引脚;④脚为内部电压调节旁路电容;⑤脚为电源电压输入端。
▲ 变压器降压整流滤波电路。
XL4016输入的直流电压可以采用上图所示电路,用AC220V电源变压器经变压器降压整流滤波获得,整流桥可选用工作电流为10A 的整流桥。
XL4016亦可以采用电压合适的蓄电池作为输入电压。
上述输入电压的具体大小视各自的所需而定。
▲ TO-220封装的大电流肖特基二极管。
QX5305概述QX5305 是一款高效率,稳定可靠的高亮度LED 灯驱动控制IC ,内置高精度比较器,off-t ime 控制电路,恒流驱动控制电路等,特别适合大功率,多个高亮度LED 灯串恒流驱动。
QX5305采用固定o ff-t ime 控制工作方式,其工作频率可高达2.5MHz ,可使外部电感和滤波电容、体积减少,效率提高。
在DIM 脚加PWM 信号,可调节LED 灯的亮度。
通过调节外置的电阻,能控制高亮度LED 灯的驱动电流,使LED 灯亮度达到预期恒定亮度,流过高亮度LED 灯的电流可从几毫安到2安培变化。
订货信息 QX5305XP:DIP-8 LG:SO-8特性Ÿ 可编程驱动电流,最高可达2A Ÿ 高效率:最高达95%Ÿ 宽输入电压范围:5V~400V Ÿ 高工作频率:2.5MHzŸ 工作频率可调:500KHz~2.5MHz Ÿ驱动LED 灯功能强:LED 灯串可从1个到几十个LED 高亮度灯Ÿ亮度可调:通过EN 端PWM ,调节LED 灯亮度应用范围Ÿ 干电池供电LED 灯串 Ÿ LED 灯杯Ÿ RGB 大显屏高亮度LED 灯Ÿ 平板显示器LED 背光灯Ÿ 恒流充电器控制 Ÿ 通用恒流源方框图管脚排列图管脚定义管脚序号管脚名称功能描述1 VSS 电源地2 EN 芯片使能端3 COMP 内部比较器补偿4 FB 电压反馈端5 DRV 外部MOS驱动端6 CS 电流反馈检测脚7 TOFF 关断时间设定8 VDD 电源正(2V-6.5V)极限参数参数符号描述值单位电压Vmax VDD脚电电压8 V Vmin-max EN, CS 和FB 脚电压值-0.3-VDD+0.3 V 温度Tmin-max 工作温度范围-20-85 o C Tstorage 存储温度范围-40-165 o C ESD VESD ESD 电压(人体模式)2000 V主要电气性能和指标参数参数符号测试条件最小典型最大单位电源电压VDD 2.5 6.5 V CS 脚反馈电压V CS250 260 270 mV FB 脚反馈电压V FB250 260 270 mV 工作电流IDD 0.5 1 mA 关断时间(Toff脚悬空) T OFF0640 ns 待机电流IDDQ 1 uA EN 脚逻辑高电平V ENH 2.0 V EN脚逻辑低电平V ENL0.8 V50 nsDRV 脚电压上升时间T RISE500pF 电容在DRV 脚上时50 nsDRV脚电压下降时间T FALL500pF 电容在DRV 脚上时典型应用电路图工作原理简述QX5305 采用峰值电流检测和固定off-time控制方式。
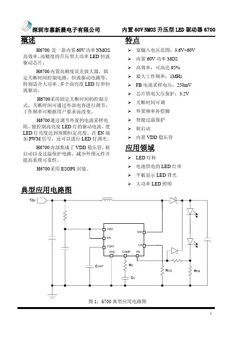
典型应用电路图
V IN
图1:6700典型应用电路图
概述 H6700 是一款内置60V 功率NMOS
高效率、
高精度的升压型大功率LED 恒流驱动芯片。
H6700内置高精度误差放大器,固定关断时间控制电路,恒流驱动电路等,特别适合大功率、多个高亮度LED 灯串恒流驱动。
H6700采用固定关断时间的控制方式,关断时间可通过外部电容进行调节,工作频率可根据用户要求而改变。
H6700通过调节外置的电流采样电阻,能控制高亮度LED 灯的驱动电流,使LED 灯亮度达到预期恒定亮度。
在EN 端加PWM 信号,还可以进行LED 灯调光。
H6700内部集成了VDD 稳压管,软
启动以及过温保护电路,减少外围元件并提高系统可靠性。
H6700采用ESOP8封装。
特点 ¾ 宽输入电压范围:3.6V~60V ¾ 内置60V 功率MOS ¾ 高效率:可高达95% ¾ 最大工作频率:1MHz
¾ FB 电流采样电压:250mV ¾
芯片供电欠压保护:3.2V ¾ 关断时间可调 ¾ 外置频率补偿脚 ¾ 智能过温保护 ¾ 软启动 ¾ 内置VDD 稳压管 应用领域 ¾ LED 灯杯
¾ 电池供电的LED 灯串 ¾ 平板显示LED 背光 ¾ 大功率LED 照明
封装信息ESOP8封装参数。
大功率同步升压ic 概述说明以及解释1. 引言1.1 概述在现代电子技术领域中,大功率同步升压IC作为一种重要的电源管理解决方案,起到了至关重要的作用。
它能够将输入电压提升到更高的输出电压,并具备较高的效率和可靠性。
本篇文章将对大功率同步升压IC进行详细介绍和解释。
1.2 文章结构本文分为引言、正文和结论三部分。
在正文部分中,我们将对大功率同步升压IC 的定义、工作原理及应用领域进行阐述。
在核心要点一和核心要点二中,我们将重点说明和解释该技术在不同领域中的关键应用。
最后,在结论部分我们会对文章进行总结概括,并强调论点一、论点二等重要内容。
1.3 目的本文旨在帮助读者更好地理解大功率同步升压IC这一技术,并认识到其广泛应用于各个领域的优势。
通过对该技术的详细说明和解释,读者能够系统性地了解大功率同步升压IC的基本原理以及其在实际应用中所起到的作用。
同时,本文也旨在为相关领域从业人员提供一份参考指南,以便他们能够更好地利用该技术解决电源管理方面的问题。
2. 正文:2.1 大功率同步升压IC的定义大功率同步升压IC是一种专门用于将低电压转换为高电压的集成电路。
它通过电力转换的方式,能够有效地提高输入电压至目标输出电压,并在此过程中保持高效率和稳定性。
该IC通常由多个功率开关、控制逻辑以及保护和监测功能等组成。
2.2 大功率同步升压IC的原理大功率同步升压IC采用了三种基本元件:功率开关、电感和瞬态二极管。
当输入电源施加到电感上时,闭合的功率开关将能量存储在电感中。
一旦开关打开,储存在电感中的能量将释放到负载中,从而提供所需的高输出电压。
同时,这些IC还包含了反馈控制回路来确保输出稳定。
它们通过监测输出并与参考信号进行比较来调整工作状态。
根据需要,反馈控制回路可以动态地调整操作频率以实现更高的效率和更好的响应速度。
2.3 大功率同步升压IC的应用领域大功率同步升压IC广泛应用于各种需要高电压供电的场景。
用XL6009制作一款输出电压可调的大电流DC-DC升压电路很多使用电池供电的便携式电子产品中经常需要将较低的电池电压升高到产品电路所需要的电压。
本文介绍一款采用专用升压集成电路XL6009制作的大电流DC-DC升压电路,其工作电压范围宽,电路简单(只使用一个电感线圈,不需升压变压器),输出电流大且工作稳定。
▲XL6009构成的大电流升压电路。
XL6009是一款常用的大电流升降压IC,其工作电压范围为5~32V,最高输出电压为35V,内置大功率MOS场效应管,开关电流可达4A。
XL6009内部开关频率为400KHz,可以使用较小的滤波电容即可获得较好的滤波效果。
▲ TO-263封装的XL6009E1的外形。
XL6009的②脚为使能端,该端为低电平时,XL6009内部电路停止工作无输出,此时整个电路处于低功耗待机状态。
正常工作时该端应为高电平,由于②脚悬空即为高电平,故平时该端为悬空。
XL6009的⑤脚为输出电压采样端,该端外接的电阻R1、R2决定着升压电路的输出电压。
其输出电压Vout=1.25x(1+R2/R1),一般R1可以选用数百Ω至1KΩ的金属膜电阻,R2选用线性电位器来调整输出电压。
上图中的C1~C4为电源滤波电容,其中C1、C4选用普通的铝电解电容,其具体容量可以根据负载电流来选取,C2、C3可以选用高频性能好的独石电容。
▲直插的SR5100肖特基二极管。
上图电路中的二极管VD应选用正向压降小、高频性能好的肖特基二极管,图中用的SR5100肖特基二极管的整流电流为5A,耐压值为100V。
若输出电流不大,亦可以使用3A的SR360肖特基二极管。
▲功率电感的外形。
制作时,升压电感L选用47μH,工作电流≥5A的功率电感。
▲铜散热片。
整个升压电路很简单,制作时全部元件可以焊接在万能板上。
若输出电流较小(数百mA)时,利用XL6009自身散热片散热即可(此时可以在XL6009自身散热片上多焊一些锡)。
最全常见升压芯片电路设计选型及汇总升压芯片电路设计选型及汇总是电子工程师在设计电路时必须掌握的一项技能。
升压芯片电路设计主要是通过使用适当的芯片来提供所需的电压升高功能。
下面是一些常见的升压芯片电路设计选型及汇总。
2.LT1073
LT1073是一种高效的升压芯片,适用于低功率电源。
它可以提供高达12V的输出电压,具有很高的工作效率和较低的功耗。
3.XL6009
XL6009是一种具有高转换效率的升压芯片,可提供高达80V的输出电压。
它适用于需要高电压输出的应用,如LED照明灯。
4.MT3608
MT3608是一种常见的升压芯片,可以提供高达28V的输出电压。
它具有低功耗和较高的转换效率,适用于低功率电源应用。
6.MAX1724
MAX1724是一种升压芯片,适用于低功率电源应用。
它可以提供高达10V的输出电压,具有低功耗和高效率。
8.ADP1613
ADP1613是一种高效的升压芯片,适用于低功率电源应用。
它可以提供高达15V的输出电压,具有低功耗和高效率。
总结:
在选择升压芯片电路设计时,需要考虑所需的输出电压范围、功率需求、输入电流和转换效率等因素。
以上列举的芯片型号都是常见的升压芯片,适用于不同的应用场景。
根据具体的设计需求和性能要求,选择合适的芯片是实现高效升压电路设计的关键。
400KHz 60V 3A Switching Current Boost / Buck-Boost / Inverting DC/DC ConverterFeaturesn Wide 3.6V to 32V Input Voltage Range n Positive or Negative Output Voltage Programming with a Single Feedback Pin n Current Mode Control Provides Excellent Transient Responsen 1.25V reference adjustable versionn Fixed 400KHz Switching Frequencyn Maximum 3A Switching Currentn SW PIN Built in Over Voltage Protection n Excellent line and load regulationn EN PIN TTL shutdown capabilityn Internal Optimize Power MOSFETn High efficiency up to 92%n Built in Frequency Compensationn Built in Soft-Start Functionn Built in Thermal Shutdown Functionn Built in Current Limit Functionn Available in TO252-5L package Applicationsn Automotive and Industrial Boost / Buck-Boost / Inverting Convertersn Portable Electronic Equipment General DescriptionThe XL6008 regulator is a wide input range, current mode, DC/DC converter which is capable of generating either positive or negative output voltages. It can be configured as either a boost, flyback, SEPIC or inverting converter. The XL6008 built in N-channel power MOSFET and fixed frequency oscillator, current-mode architecture results in stable operation over a wide range of supply and output voltages.The XL6008 regulator is special design for portable electronic equipment.Figure1. Package Type of XL6008400KHz 60V 3A Switching Current Boost / Buck-Boost / Inverting DC/DC Converter Pin ConfigurationsFigure2. Pin Configuration of XL6008 (Top View)Table 1 Pin DescriptionPin Number Pin Name Description1 GND Ground Pin.2 EN Enable Pin. Drive EN pin low to turn off the device, drive it high to turn it on. Floating is default high.3 SW Power Switch Output Pin (SW).4 VIN Supply V oltage Input Pin. XL6008 operates from a 3.6V to 32V DC voltage. Bypass Vin to GND with a suitably large capacitor to eliminate noise on the input.5 FB Feedback Pin (FB). The feedback threshold voltage is 1.25V.400KHz 60V 3A Switching Current Boost / Buck-Boost / Inverting DC/DC Converter Function BlockFigure3. Function Block Diagram of XL6008Typical Application CircuitFigure4. XL6008 Typical Application Circuit (Boost Converter)400KHz 60V 3A Switching Current Boost / Buck-Boost / Inverting DC/DC ConverterOrdering InformationPart Number Marking ID Lead Free Lead Free Packing Type XL6008E1 XL6008E1 Tube PackageTemperature RangeXL6008TRE1XL6008E1Tape & ReelXLSEMI Pb-free products, as designated with “E1” suffix in the par number, are RoHS compliant.Absolute Maximum Ratings (Note1)ParameterSymbol Value Unit Input VoltageVin -0.3 to 36 V Feedback Pin Voltage V FB -0.3 to Vin V EN Pin VoltageV EN -0.3 to Vin V Output Switch Pin Voltage V Output -0.3 to 60 V Power DissipationP D Internally limitedmW Thermal Resistance (TO252-5L)(Junction to Ambient, No Heatsink, Free Air) R JA 50 ºC/W Operating Junction Temperature T J -40 to 125 ºC Storage TemperatureT STG -65 to 150 ºC Lead Temperature (Soldering, 10 sec) T LEAD 260 ºC ESD (HBM)>2000VNote1: Stresses greater than those listed under Maximum Ratings may cause permanent damage to the device. This is a stress rating only and functional operation of the device at these or any other conditions above those indicated in the operation is not implied. Exposure to absolute maximum rating conditions for extended periods may affect reliability.400KHz 60V 3A Switching Current Boost / Buck-Boost / Inverting DC/DC ConverterXL6008 Electrical CharacteristicsT a = 25℃;unless otherwise specified.Symbol Parameter Test Condition Min. Typ. Max. Unit System parameters test circuit figure4VFB FeedbackV oltageVin = 12V to 16V, V out=18VIload=0.1A to 1A1.213 1.25 1.287 VEfficiency ŋVin=12V ,V out=18.5VIout=1A- 92 - %Electrical Characteristics (DC Parameters)Vin = 12V, GND=0V, Vin & GND parallel connect a 220uf/50V capacitor; Iout=0.5A, T a = 25℃; the others floating unless otherwise specified.Parameters Symbol Test Condition Min. Typ. Max. Unit Input operation voltage Vin 3.6 32 V Shutdown Supply Current I STBY V EN=0V 70 100 uAQuiescent Supply Current I q V EN =2V,V FB =Vin2.5 5 mAOscillator Frequency Fosc 320 400 480 Khz Switch Current Limit I L V FB =0 3 AOutput Power NMOS Rdson Vin=12V,I SW=3A110 120 mohmEN Pin Threshold V EN High (Regulator ON)Low (Regulator OFF)1.40.8VI H V EN =2V (ON) 3 10 uA EN Pin Input LeakageCurrent ILV EN =0V (OFF) 3 10 uA Max. Duty Cycle D MAX V FB=0V 90 %400KHz 60V 3A Switching Current Boost / Buck-Boost / Inverting DC/DC Converter Schottky Diode Selection TableCurrent SurfaceMount ThroughHoleVR (The same as system maximum input voltage)20V 30V 40V 50V60V1A √1N5817 1N5818 1N5819√1N5820 1N5821 1N5822√MBR320 MBR330 MBR340 MBR350MBR360 √SK32 SK33 SK34 SK35 SK36√30WQ03 30WQ04 30WQ05√31DQ03 31DQ04 31DQ053A√SR302 SR303 SR304 SR305 SR306 Typical System Application – Boost (Output 18.5V/1A)Figure5. XL6008 Typical System Application (Boost Converter)400KHz 60V 3A Switching Current Boost / Buck-Boost / Inverting DC/DC Converter Typical System Application – SEPIC Buck-Boost (Input 10V~30V, Output 12V/2A)Figure6. XL6008 Typical System Application (SEPIC Buck-Boost Converter) Typical System Application for Inverting Converter– SEPIC Inverting Topology (Input 10V~30V, Output + -12V/0.6A)Figure7. XL6008 Typical System Application (SEPIC Inverting C r)400KHz 60V 3A Switching Current Boost / Buck-Boost / Inverting DC/DC ConverterPackage InformationTO252-5L400KHz 60V 3A Switching Current Boost / Buck-Boost / Inverting DC/DC ConverterFeaturesn Wide 3.6V to 32V Input Voltage Range n Positive or Negative Output Voltage Programming with a Single Feedback Pin n Current Mode Control Provides Excellent Transient Responsen 1.25V reference adjustable versionn Fixed 400KHz Switching Frequencyn Maximum 3A Switching Currentn SW PIN Built in Over Voltage Protection n Excellent line and load regulationn EN PIN TTL shutdown capabilityn Internal Optimize Power MOSFETn High efficiency up to 92%n Built in Frequency Compensationn Built in Soft-Start Functionn Built in Thermal Shutdown Functionn Built in Current Limit Functionn Available in TO252-5L package General DescriptionThe XL6008 regulator is a wide input range, current mode, DC/DC converter which is capable of generating either positive or negative output voltages. It can be configured as either a boost, flyback, SEPIC or inverting converter. The XL6008 built in N-channel power MOSFET and fixed frequency oscillator, current-mode architecture results in stable operation over a wide range of supply and output voltages.The XL6008 regulator is special design for portable electronic equipment.。
5A 180KHz 36V Buck DC to DC Converter XL4015FeaturesnWide 8V to 36V Input Voltage Range nOutput Adjustable from 1.25V to 32V nMaximum Duty Cycle 100% nMinimum Drop Out 0.3V nFixed 180KHz Switching Frequency n5A Constant Output Current Capability nInternal Optimize Power MOSFET nHigh efficiency up to 96% nExcellent line and load regulation nBuilt in thermal shutdown function nBuilt in current limit function nBuilt in output short protection function nAvailable in TO263-5L packageApplications n LCD Monitor and LCD TV n Portable instrument power supply n Telecom / Networking EquipmentGeneral Description The XL4015 is a 180 KHz fixed frequency PWM buck (step-down) DC/DC converter, capable of driving a 5A load with high efficiency, low ripple and excellent line and load regulation. Requiring a minimum number of external components, the regulator is simple to use and include internal frequency compensation and a fixed-frequency oscillator. The PWM control circuit is able to adjust the duty ratio linearly from 0 to 100%. An over current protection function is built inside. When short protection function happens, the operation frequency will be reduced from 180KHz to 48KHz. An internal compensationblock is built in to minimize externalcomponent count.Figure1. Package Type of XL4015本公司有大功率升降压恒流芯片,能做输出12V, 2.5A5A 180KHz 36V Buck DC to DC ConverterXL4015Pin ConfigurationsFigure2. Pin Configuration of XL4015 (Top View) Table 1 Pin DescriptionPin Number Pin Name Description1 GND Ground Pin. Care must be taken in layout. This pin should be placed outside of the Schottky Diode to output capacitor ground path to prevent switching current spikes from inducing voltage noise into XL4015.2 FB Feedback Pin (FB). Through an external resistor divider network, FB senses the output voltage and regulates it. The feedback threshold voltage is 1.25V.3 SW Power Switch Output Pin (SW). SW is the switch node that supplies power to the output.4 VC Internal V oltage Regulator Bypass Capacity. In typical system application, The VC pin connect a 1uf capacity to VIN.5 VIN Supply V oltage Input Pin. XL4015 operates from a 8V to 36V DC voltage. Bypass Vin to GND with a suitably large capacitor to eliminate noise on the input.5A 180KHz 36V Buck DC to DC Converter XL4015 Function BlockFigure3. Function Block Diagram of XL4015Typical Application CircuitFigure4. XL4015 Typical Application Circuit (VIN=8V~36V, VOUT=5V/5A)5A 180KHz 36V Buck DC to DC Converter XL4015 Typical System Application (TTL shutdown function)Logic level signals shutdown function can be used in typical system application with external components. When the TTL high voltage above 3.3V(referenced to ground, lower than VIN), the converter will shutdown, input current less than 5mA; when the TTL Low voltage below0.8V(referenced to ground), the converter will turn on.L1 47uH/5AFigure9. XL4015 Typical Application Circuit5A 180KHz 36V Buck DC to DC Converter XL4015Package InformationTO263-5L。
•低压降•较低的温度系数•高输入电压 (高达 30V)•静态电流 2.5μA•大电流输出:100mA•输出电压精度:±3%•封装类型:TO92, SOT89 和 SOT23-5应用领域•电池供电设备•通信设备•音频/视频设备HT75xx-1 系列是一组CMOS技术实现的三端低功耗高电压稳压器。
输出电流为 100mA 且允许的输入电压可高达 30V。
具有几个固定的输出电压,范围从 2.1V 到 12.0V。
CMOS 技术可确保其具有低压降和低静态电流的特性。
尽管主要为固定电压调节器而设计,但这些 IC 可与外部元件结合来获得可变的电压和电流。
注:“xx”代表输出电压。
Rev. 2.3012014-03-19引脚图极限参数工作环境温度 .................................................−40°C ~ 85°C 电源供应电压 ...................................................−0.3V ~ 33V储存温度范围 ...............................................−50°C ~ 125°C注:这里只强调额定功率,超过极限参数所规定的范围将对芯片造成损害,无法预期芯片在上述标示范围外的工作状态,而且若长期在标示范围外的条件下工作,可能影响芯片的可靠性。
热能信息Rev. 2.3022014-03-19电气特性HT7521-1, +2.1V 输出类型注:在 V IN = V OUT+2V 与一个固定负载条件下使输出电压下降 2%,此时的输入电压减去输出电压就是Dropout 电压。
HT7523-1, +2.3V 输出类型注:在 V IN = V OUT+2V 与一个固定负载条件下使输出电压下降 2%,此时的输入电压减去输出电压就是Dropout 电压。
n0.22V输出电流采样电压n输出可驱动2~10串1W LED n固定400KHz开关频率n最大2A开关电流n SW内置过压保护功能n93%以上转换效率n EN脚TTL关断功能n出色的线性与负载调整率n内置功率MOSn内置频率补偿功能n内置软启动功能n内置热关断功能n内置电流限制功能n SOP-8L封装应用n升压恒流驱动n显示器LED背光n通用LED照明描述XL6013是一款升压恒流型LED驱动器,可工作在DC5V到40V输入电压范围,低纹波,内置功率MOS。
XL6013内置固定频率振荡器与频率补偿电路,简化了电路设计。
当输入电压大于或等于12V时,XL6013可驱动5至10串1W LED。
PWM控制环路可以调节占空比从0~90%之间线性变化。
内置过电流保护功能与EN脚逻辑电平关断功能。
内部补偿模块可以减少外围元器件数量。
图1. XL6013封装400KHz 60V 2A 开关电流升压型LED 恒流驱动器XL6013引脚配置SWEN FB VIN NCSW GNDGND图2. XL6013引脚配置表1.引脚说明引脚号 引脚名 描述1 EN 使能引脚,低电平关机,高电平工作,悬空时为高电平。
2 VIN 电源输入引脚,支持5V 到40V DC 范围电压输入,需要在VIN 与GND 之间并联电解电容以消除噪声。
3 FB 输出电流采样引脚,FB 参考电压为0.22V 。
4 NC 无连接。
5,6 SW 功率开关输出引脚,SW 是输出功率的开关节点。
7,8 GND接地引脚。
400KHz 60V 2A 开关电流升压型LED恒流驱动器 XL6013方框图图3. XL6013方框图典型应用L1 47uH/2A图4. XL6013系统参数测量电路D atas h eet400KHz 60V 2A 开关电流升压型LED 恒流驱动器 XL6013订购信息产品型号 打印名称 封装方式 包装类型 XL6013E1XL6013E1SOP-8L2500只每卷XLSEMI 无铅产品,产品型号带有“E1”后缀的符合RoHS 标准。
400KHz 60V 3A Switching Current Boost / Buck-Boost / Inverting DC/DC ConverterFeaturesn Wide 3.6V to 32V Input Voltage Range n Positive or Negative Output Voltage Programming with a Single Feedback Pin n Current Mode Control Provides Excellent Transient Responsen 1.25V reference adjustable versionn Fixed 400KHz Switching Frequencyn Maximum 3A Switching Currentn SW PIN Built in Over Voltage Protection n Excellent line and load regulationn EN PIN TTL shutdown capabilityn Internal Optimize Power MOSFETn High efficiency up to 92%n Built in Frequency Compensationn Built in Soft-Start Functionn Built in Thermal Shutdown Functionn Built in Current Limit Functionn Available in TO252-5L package Applicationsn Automotive and Industrial Boost / Buck-Boost / Inverting Convertersn Portable Electronic Equipment General DescriptionThe XL6008 regulator is a wide input range, current mode, DC/DC converter which is capable of generating either positive or negative output voltages. It can be configured as either a boost, flyback, SEPIC or inverting converter. The XL6008 built in N-channel power MOSFET and fixed frequency oscillator, current-mode architecture results in stable operation over a wide range of supply and output voltages.The XL6008 regulator is special design for portable electronic equipment.Figure1. Package Type of XL6008400KHz 60V 3A Switching Current Boost / Buck-Boost / Inverting DC/DC Converter Pin ConfigurationsFigure2. Pin Configuration of XL6008 (Top View)Table 1 Pin DescriptionPin Number Pin Name Description1 GND Ground Pin.2 EN Enable Pin. Drive EN pin low to turn off the device, drive it high to turn it on. Floating is default high.3 SW Power Switch Output Pin (SW).4 VIN Supply V oltage Input Pin. XL6008 operates from a 3.6V to 32V DC voltage. Bypass Vin to GND with a suitably large capacitor to eliminate noise on the input.5 FB Feedback Pin (FB). The feedback threshold voltage is 1.25V.400KHz 60V 3A Switching Current Boost / Buck-Boost / Inverting DC/DC Converter Function BlockFigure3. Function Block Diagram of XL6008Typical Application CircuitFigure4. XL6008 Typical Application Circuit (Boost Converter)400KHz 60V 3A Switching Current Boost / Buck-Boost / Inverting DC/DC ConverterOrdering InformationPart Number Marking ID Lead Free Lead Free Packing Type XL6008E1 XL6008E1 Tube PackageTemperature RangeXL6008TRE1XL6008E1Tape & ReelXLSEMI Pb-free products, as designated with “E1” suffix in the par number, are RoHS compliant.Absolute Maximum Ratings (Note1)ParameterSymbol Value Unit Input VoltageVin -0.3 to 36 V Feedback Pin Voltage V FB -0.3 to Vin V EN Pin VoltageV EN -0.3 to Vin V Output Switch Pin Voltage V Output -0.3 to 60 V Power DissipationP D Internally limitedmW Thermal Resistance (TO252-5L)(Junction to Ambient, No Heatsink, Free Air) R JA 50 ºC/W Operating Junction Temperature T J -40 to 125 ºC Storage TemperatureT STG -65 to 150 ºC Lead Temperature (Soldering, 10 sec) T LEAD 260 ºC ESD (HBM)>2000VNote1: Stresses greater than those listed under Maximum Ratings may cause permanent damage to the device. This is a stress rating only and functional operation of the device at these or any other conditions above those indicated in the operation is not implied. Exposure to absolute maximum rating conditions for extended periods may affect reliability.400KHz 60V 3A Switching Current Boost / Buck-Boost / Inverting DC/DC ConverterXL6008 Electrical CharacteristicsT a = 25℃;unless otherwise specified.Symbol Parameter Test Condition Min. Typ. Max. Unit System parameters test circuit figure4VFB FeedbackV oltageVin = 12V to 16V, V out=18VIload=0.1A to 1A1.213 1.25 1.287 VEfficiency ŋVin=12V ,V out=18.5VIout=1A- 92 - %Electrical Characteristics (DC Parameters)Vin = 12V, GND=0V, Vin & GND parallel connect a 220uf/50V capacitor; Iout=0.5A, T a = 25℃; the others floating unless otherwise specified.Parameters Symbol Test Condition Min. Typ. Max. Unit Input operation voltage Vin 3.6 32 V Shutdown Supply Current I STBY V EN=0V 70 100 uAQuiescent Supply Current I q V EN =2V,V FB =Vin2.5 5 mAOscillator Frequency Fosc 320 400 480 Khz Switch Current Limit I L V FB =0 3 AOutput Power NMOS Rdson Vin=12V,I SW=3A110 120 mohmEN Pin Threshold V EN High (Regulator ON)Low (Regulator OFF)1.40.8VI H V EN =2V (ON) 3 10 uA EN Pin Input LeakageCurrent ILV EN =0V (OFF) 3 10 uA Max. Duty Cycle D MAX V FB=0V 90 %400KHz 60V 3A Switching Current Boost / Buck-Boost / Inverting DC/DC Converter Schottky Diode Selection TableCurrent SurfaceMount ThroughHoleVR (The same as system maximum input voltage)20V 30V 40V 50V60V1A √1N5817 1N5818 1N5819√1N5820 1N5821 1N5822√MBR320 MBR330 MBR340 MBR350MBR360 √SK32 SK33 SK34 SK35 SK36√30WQ03 30WQ04 30WQ05√31DQ03 31DQ04 31DQ053A√SR302 SR303 SR304 SR305 SR306 Typical System Application – Boost (Output 18.5V/1A)Figure5. XL6008 Typical System Application (Boost Converter)400KHz 60V 3A Switching Current Boost / Buck-Boost / Inverting DC/DC Converter Typical System Application – SEPIC Buck-Boost (Input 10V~30V, Output 12V/2A)Figure6. XL6008 Typical System Application (SEPIC Buck-Boost Converter) Typical System Application for Inverting Converter– SEPIC Inverting Topology (Input 10V~30V, Output + -12V/0.6A)Figure7. XL6008 Typical System Application (SEPIC Inverting C r)400KHz 60V 3A Switching Current Boost / Buck-Boost / Inverting DC/DC ConverterPackage InformationTO252-5L400KHz 60V 3A Switching Current Boost / Buck-Boost / Inverting DC/DC ConverterFeaturesn Wide 3.6V to 32V Input Voltage Range n Positive or Negative Output Voltage Programming with a Single Feedback Pin n Current Mode Control Provides Excellent Transient Responsen 1.25V reference adjustable versionn Fixed 400KHz Switching Frequencyn Maximum 3A Switching Currentn SW PIN Built in Over Voltage Protection n Excellent line and load regulationn EN PIN TTL shutdown capabilityn Internal Optimize Power MOSFETn High efficiency up to 92%n Built in Frequency Compensationn Built in Soft-Start Functionn Built in Thermal Shutdown Functionn Built in Current Limit Functionn Available in TO252-5L package General DescriptionThe XL6008 regulator is a wide input range, current mode, DC/DC converter which is capable of generating either positive or negative output voltages. It can be configured as either a boost, flyback, SEPIC or inverting converter. The XL6008 built in N-channel power MOSFET and fixed frequency oscillator, current-mode architecture results in stable operation over a wide range of supply and output voltages.The XL6008 regulator is special design for portable electronic equipment.。